KEMBAR78
Application Manual GEH-6195D: Figure D-59. Core - Emergency Trip Circuit - Gas Turbine | PDF | Technology & Engineering
0% found this document useful (0 votes)
325 views1 page

Application Manual GEH-6195D: Figure D-59. Core - Emergency Trip Circuit - Gas Turbine

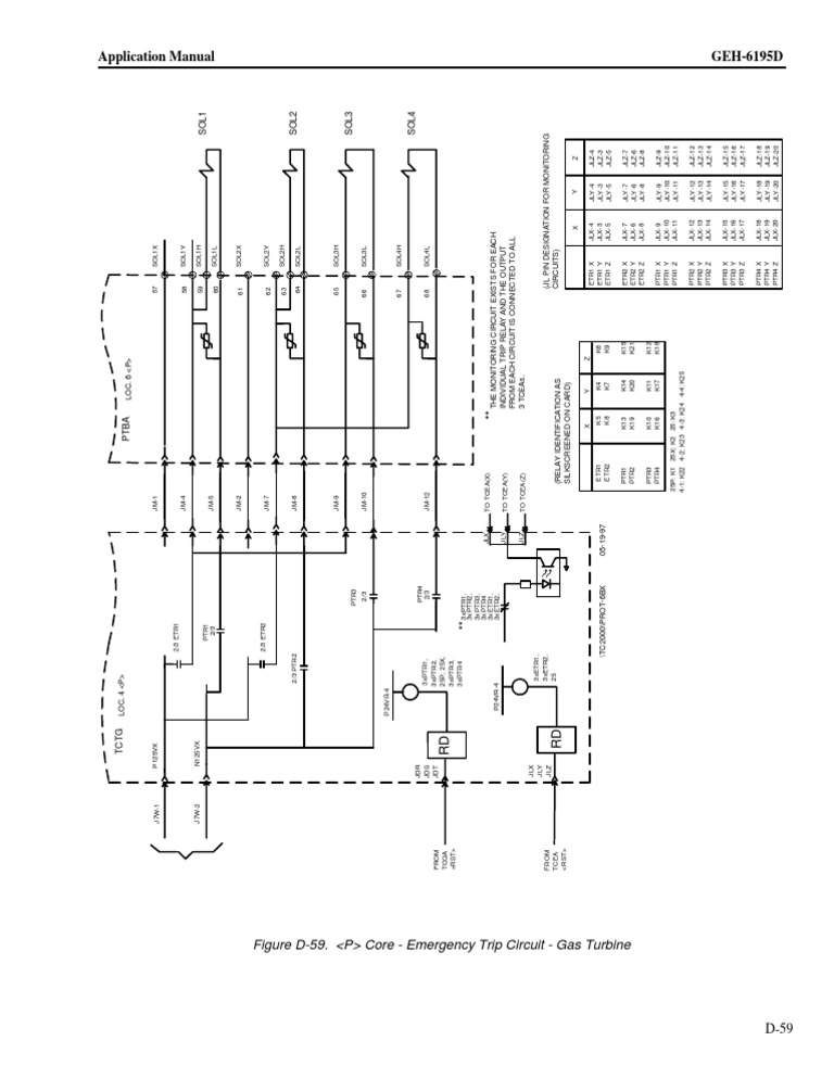
This document provides a summary of an emergency trip circuit for a gas turbine. It includes: - Locations and descriptions of components in the circuit like PTBA, SOL1X, JM relays, PTR trip relays, and ETR emergency trip relays. - Wiring diagrams showing connections between the components like 3xPTR1, 3xPTR2 and connections to output terminals TO TCEA(X) etc. - Identification of relay contacts like ETR1 X, ETR1 Y, ETR1 Z and component identifiers like 25P, 25X.

Uploaded by

sergiodaniel11
Copyright
© Attribution Non-Commercial (BY-NC)
We take content rights seriously. If you suspect this is your content, claim it here.
Available Formats
Download as PDF, TXT or read online on Scribd
0% found this document useful (0 votes)
325 views1 page

Application Manual GEH-6195D: Figure D-59. Core - Emergency Trip Circuit - Gas Turbine

This document provides a summary of an emergency trip circuit for a gas turbine. It includes: - Locations and descriptions of components in the circuit like PTBA, SOL1X, JM relays, PTR trip relays, and ETR emergency trip relays. - Wiring diagrams showing connections between the components like 3xPTR1, 3xPTR2 and connections to output terminals TO TCEA(X) etc. - Identification of relay contacts like ETR1 X, ETR1 Y, ETR1 Z and component identifiers like 25P, 25X.

Uploaded by

sergiodaniel11
Copyright
© Attribution Non-Commercial (BY-NC)
We take content rights seriously. If you suspect this is your content, claim it here.
Available Formats
Download as PDF, TXT or read online on Scribd
You are on page 1/ 1

TCTG

LOC. 4 <P>

PTBA
LOC. 6 <P>
57 SOL1X JM-1 2/3 ETR1 JM-4 58 59 JM-5 60 SOL2X SOL1L SOL1H SOL1Y

J7W-1

P125VX

Application Manual

J7W-2 PTR1 2/3

N125VX

SOL1

JM-2 61

2/3 ETR2 JM-7 62 63 2/3 PTR2 JM-8 64

SOL2Y SOL2H SOL2L

SOL2

JM-9 PTR3 2/3 JM-10 P24VR-4

65

SOL3H

SOL3
66 SOL3L

67

SOL4H

SOL4
PTR4 2/3 JM-12 68 SOL4L

FROM TCQA <RST>

JDR JDS JDT

RD
3xPTR1, ** 3xPTR2, JLX JLY JLZ TO TCEA(X) TO TCEA(Y) TO TCEA(Z)

3xPTR1, 3xPTR2, 25P, 25X, 3xPTR3, 3xPTR4

P24VR-4

3xPTR3, 3xPTR4 3xETR1, 3xETR2,

** THE MONITORING CIRCUIT EXISTS FOR EACH


INDIVIDUAL TRIP RELAY AND THE OUTPUT FROM EACH CIRCUIT IS CONNECTED TO ALL 3 TCEAs. (JL PIN DESIGNATION FOR MONITORING CIRCUITS) (RELAY IDENTIFICATION AS SILKSCREENED ON CARD)
X Y Z X Y Z

FROM TCEA <RST>

JLX JLY JLZ

RD

3xETR1, 3xETR2, 25

Figure D-59. <P> Core - Emergency Trip Circuit - Gas Turbine


\TC2000\PROT-6BX 05-19-97
ETR1 ETR2 PTR1 PTR2 PTR3 PTR4 K5 K8 K13 K19 K10 K16 K4 K7 K14 K20 K11 K17 25P: K1 25X: K2 25: K3 4-1: K22 4-2: K23 4-3: K24 4-4: K25 K6 K9 K15 K21 K12 K18 ETR1 X ETR1 Y ETR1 Z ETR2 X ETR2 Y ETR2 Z PTR1 X PTR1 Y PTR1 Z PTR2 X PTR2 Y PTR2 Z PTR3 X PTR3 Y PTR3 Z PTR4 X PTR4 Y PTR4 Z

JLX-4 JLX-3 JLX-5 JLX-7 JLX-6 JLX-8 JLX-9 JLX-10 JLX-11 JLX-12 JLX-13 JLX-14 JLX-15 JLX-16 JLX-17 JLX-18 JLX-19 JLX-20

JLY-4 JLY-3 JLY-5 JLY-7 JLY-6 JLY-8 JLY-9 JLY-10 JLY-11 JLY-12 JLY-13 JLY-14 JLY-15 JLY-16 JLY-17 JLY-18 JLY-19 JLY-20

JLZ-4 JLZ-3 JLZ-5 JLZ-7 JLZ-6 JLZ-8 JLZ-9 JLZ-10 JLZ-11 JLZ-12 JLZ-13 JLZ-14 JLZ-15 JLZ-16 JLZ-17 JLZ-18 JLZ-19 JLZ-20

GEH-6195D

D-59

You might also like