KEMBAR78
RLC Circuit Resonance Study | PDF | Science & Mathematics
0% found this document useful (0 votes)
345 views2 pages

RLC Circuit Resonance Study

This experiment aims to determine the frequency response of a series RLC circuit excited by a sinusoidal source and study resonance. The apparatus required includes a function generator, resistor, voltmeter, capacitor, breadboard, connecting wires, and decade inductance box. The parallel resonance frequency formula is given. At resonance, the inductive and capacitive reactances are equal in magnitude and cancel each other out since they are 180 degrees out of phase. Only one frequency allows this to occur. The total impedance becomes infinite at resonance, drawing no current from the AC source. The procedure involves connecting the circuit, varying the frequency from 50 Hz to 20 kHz, measuring the current through the resistor, repeating for different frequencies, and noting

Uploaded by

ram
Copyright
© © All Rights Reserved
We take content rights seriously. If you suspect this is your content, claim it here.
Available Formats
Download as DOCX, PDF, TXT or read online on Scribd
0% found this document useful (0 votes)
345 views2 pages

RLC Circuit Resonance Study

This experiment aims to determine the frequency response of a series RLC circuit excited by a sinusoidal source and study resonance. The apparatus required includes a function generator, resistor, voltmeter, capacitor, breadboard, connecting wires, and decade inductance box. The parallel resonance frequency formula is given. At resonance, the inductive and capacitive reactances are equal in magnitude and cancel each other out since they are 180 degrees out of phase. Only one frequency allows this to occur. The total impedance becomes infinite at resonance, drawing no current from the AC source. The procedure involves connecting the circuit, varying the frequency from 50 Hz to 20 kHz, measuring the current through the resistor, repeating for different frequencies, and noting

Uploaded by

ram
Copyright
© © All Rights Reserved
We take content rights seriously. If you suspect this is your content, claim it here.
Available Formats
Download as DOCX, PDF, TXT or read online on Scribd
You are on page 1/ 2

EXPERIMENT: 5 Frequency response and Resonance

Aim:
To determine the frequency response of RLC circuit.
To study resonance is a series RLC circuit excited by a sinusoidal source
Apparatus Required:
Function generator
Resistor
Voltmeter
Capacitor
Bread board
Connecting wires
Decade inductance box
Formula used:
Parallel resonance frequency =12
Theory related to the experiment:
The resonance of a parallel RLC circuit occurs when the inductive and capacitive reactance are equal
in magnitude but cancel each other because they are 180 degrees apart in phase. Because inductive
reactance increases with increasing frequency and capacitive reactance decreases with increasing
frequency, there will only be one frequency where this two reactance will be equal. With capacitive
and inductive reactance equal to each other, the total impedance increases to infinity, meaning that
the tank circuit draws no current from the AC power source. The total impedance of a tank circuit is
infinite (behaving as an open circuit) at resonance. A very low resistance value was chosen so as to
have minimal effect on circuit behavior.
Procedure:
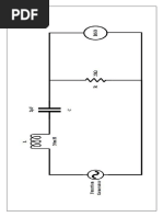
1. Connections are made as per the circuit diagram.
2. Vary the frequency of the function generator from 50 Hz to 20 KHz.
3. Measure the corresponding value of current through the resistor R for series RLC circuit.
4. Repeat the same procedure for different values of frequency.
5. Tabulate your observation.
6. Note down the resonance frequency from the graph.
AC ELECTRICAL CIRCUITS LAB

Circuit Diagram:
1. Consider the circuit of Figure 5.1. Let the circuit be excited by a sinusoidal source whose
frequency can be varied from 100 Hz to 100 KHz. Use MultiSim to obtain a plot of versus
frequency for two different values of 1 (47 and 220 ). Obtain the two required plots on the same
graph (by creating two circuits in the same Schematics file).
0

Figure 5.1
2. Calculate the resonant frequency and half-power frequencies of the circuit in Figure 5.2. Draw a
phasor diagram (i.e. for the voltage across all elements at the resonant frequency).
Figure 5.2
Observation Table: Frequency, Hz

Current, I (A)

You might also like