KEMBAR78
Modular CNC Linear Slide | PDF | Screw | Bearing (Mechanical)
100% found this document useful (2 votes)
6K views2 pages

Modular CNC Linear Slide

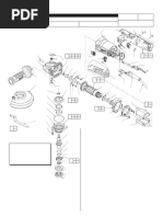
1. The document provides assembly instructions for a linear slide. 2. It lists 8 steps for assembling the drive nuts, end plates, linear rails, bearings, and top plate to create the linear slide assembly. 3. Important steps include aligning the top plate to the end plates and striking it with a plastic hammer to set the linear bearings.

Uploaded by

ModularCNC
Copyright
© Attribution Non-Commercial (BY-NC)
We take content rights seriously. If you suspect this is your content, claim it here.
Available Formats
Download as PDF, TXT or read online on Scribd
100% found this document useful (2 votes)
6K views2 pages

Modular CNC Linear Slide

1. The document provides assembly instructions for a linear slide. 2. It lists 8 steps for assembling the drive nuts, end plates, linear rails, bearings, and top plate to create the linear slide assembly. 3. Important steps include aligning the top plate to the end plates and striking it with a plastic hammer to set the linear bearings.

Uploaded by

ModularCNC
Copyright
© Attribution Non-Commercial (BY-NC)
We take content rights seriously. If you suspect this is your content, claim it here.
Available Formats
Download as PDF, TXT or read online on Scribd
You are on page 1/ 2

8 7 6 5 4 3 2 1

DATUM ALIGNMENT HOLE


SLIDE ASSEMBLY NOTES: MUST BE AT BOTTOM OF SLIDE
1. FIRST STEP IS TO ASSEMBLE THE DRIVE NUTS TO THE TOP PLATE, BUT LEAVE SOME PLAY AND BOTH TO LEFT OR RIGHT
2. NEXT ASSEMBLE END PLATE TO LINEAR RAIL, THEN LINEAR BEARINGS ONTO RAILS SIDE
3. THEN PUT FINAL END PLATE ON LINEAR AXIS, TAP INTO PLACE WITH PLASTIC HAMMER
4. SCREW LINEAR BEARINGS ONTO TOP PLATE
D
D 5. ALIGN TOP PLATE TO END PLATES AND TIGHTEN DOWN LINEAR BEARINGS
6. IMPORTANT STEP, STRIKE TOP OF PLATE WITH PLASTIC HAMMER TO SET LINEAR BEARINGS
7. DO THIS UNTIL SLIDE MOVES SMOOTHLY, SOME FRICTION IS OK BUT NO SLOP
8. ASSEMBLE MOTOR MOUNT COMPONENTS.

C C

B B

UNLESS OTHERWISE SPECIFIED: NAME DATE

DIMENSIONS ARE IN INCHES DRAWN


TOLERANCES:
FRACTIONAL CHECKED TITLE:
A ANGULAR: MACH BEND
ENG APPR. A
TWO PLACE DECIMAL
THREE PLACE DECIMAL MFG APPR.

BOTTOM ISO VIEW OF LINEAR SLIDE


INTERPRET GEOMETRIC Q.A.
PROPRIETARY AND CONFIDENTIAL TOLERANCING PER:
COMMENTS:

SHOWN FOR COMPONENT CLARITY


THE INFORMATION CONTAINED IN THIS MATERIAL
SIZE DWG. NO. REV

B Linear Slide
DRAWING IS THE SOLE PROPERTY OF
<INSERT COMPANY NAME HERE>. ANY
REPRODUCTION IN PART OR AS A WHOLE FINISH
WITHOUT THE WRITTEN PERMISSION OF NEXT ASSY USED ON
<INSERT COMPANY NAME HERE> IS
PROHIBITED. APPLICATION DO NOT SCALE DRAWING SCALE: 1:1 WEIGHT: SHEET 1 OF 2
8 7 6 5 4 3 2 1
8 7 6 5 4 3 2 1

DRIVE STATIC
NEMA-23 #10-32 x 1/2 END LINEAR LINEAR END
MOTOR FILLISTER SCREW PLATE RAIL TOP PLATE DUAL BEARING PLATE
DRIVE
NUTS D
D

THREADED
STANDOFF

C C

#10-32 x 2"
B
ROUND HD SCREW B

THRU HOLE
STANDOFF

1/4-20 .250" ID
1/4-20 NUT LEAD SCREW FLANGED
BALL BEARING
1/4" ID
COLLAR
UNLESS OTHERWISE SPECIFIED: NAME DATE

DIMENSIONS ARE IN INCHES DRAWN


TOLERANCES:
FRACTIONAL CHECKED TITLE:
A ANGULAR: MACH BEND
ENG APPR. A
TWO PLACE DECIMAL
THREE PLACE DECIMAL MFG APPR.

INTERPRET GEOMETRIC Q.A.

BOTTOM VIEW OF LINEAR SLIDE


PROPRIETARY AND CONFIDENTIAL TOLERANCING PER:
COMMENTS:
THE INFORMATION CONTAINED IN THIS MATERIAL
SIZE DWG. NO. REV

B Linear Slide
DRAWING IS THE SOLE PROPERTY OF
<INSERT COMPANY NAME HERE>. ANY
REPRODUCTION IN PART OR AS A WHOLE FINISH
WITHOUT THE WRITTEN PERMISSION OF NEXT ASSY USED ON
<INSERT COMPANY NAME HERE> IS
PROHIBITED. APPLICATION DO NOT SCALE DRAWING SCALE: 1:1 WEIGHT: SHEET 2 OF 2
8 7 6 5 4 3 2 1

You might also like