KEMBAR78
This Project in PDF: Construction-1 Construction-2 Construction-3 Calibration | PDF | Capacitor | Electronic Circuits
100% found this document useful (1 vote)
319 views15 pages

This Project in PDF: Construction-1 Construction-2 Construction-3 Calibration

This document provides instructions for constructing a digital capacitance meter circuit that can measure capacitance from 10 picofarads to 10,000 microfarads in five ranges. The circuit uses common integrated circuits like the MC14553 three-digit counter, MC14543 BCD to seven-segment decoder, MC4049 hex inverter buffer, and MC4011 quad two-input NAND gate. Resistors, capacitors, transistors, and other components are listed along with options for building the circuit as either a workbench or portable model. Calibration of the circuit involves adjusting variable resistors to display the correct reading for known capacitor values.

Uploaded by

Pravin Mevada
Copyright
© Attribution Non-Commercial (BY-NC)
We take content rights seriously. If you suspect this is your content, claim it here.
Available Formats
Download as PDF, TXT or read online on Scribd
100% found this document useful (1 vote)
319 views15 pages

This Project in PDF: Construction-1 Construction-2 Construction-3 Calibration

This document provides instructions for constructing a digital capacitance meter circuit that can measure capacitance from 10 picofarads to 10,000 microfarads in five ranges. The circuit uses common integrated circuits like the MC14553 three-digit counter, MC14543 BCD to seven-segment decoder, MC4049 hex inverter buffer, and MC4011 quad two-input NAND gate. Resistors, capacitors, transistors, and other components are listed along with options for building the circuit as either a workbench or portable model. Calibration of the circuit involves adjusting variable resistors to display the correct reading for known capacitor values.

Uploaded by

Pravin Mevada
Copyright
© Attribution Non-Commercial (BY-NC)
We take content rights seriously. If you suspect this is your content, claim it here.
Available Formats
Download as PDF, TXT or read online on Scribd
You are on page 1/ 15

Laurier's Handy Dandy Little Circuits: Digital Capacitance Meter

Introduction

construction-1

Construction-2

Construction-3

Calibration

Download this project in PDF

Note
The Digital Capacitance Meter ( DCM ) circuit and PCB was designed by Laurier Gendron. It is being made available to hobbyists for personal development only. It cannot be used for commercial purposes of any kind without previous written permission. ( 6 Oct. 2000 )

Introduction

While I was looking over some old electronic publications and I came across a design for a
two digits capacitor meter using 555 i/c timers and my mind immediately flashed to a three digit counter design published in the Motorola data manual using their three digit decoder driver chip MC14553 . As I studied the design I decided to explore the possibility of using simple available components to measure capacitance and came up with a simple design within reach of anyone at a fraction of the cost of a commercial unit. You can make a search and download application data sheets for all the ICs used in this project from ON semiconductors

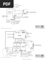
Circuit Description
As a reference you may wish to open up a new window to view the circuit while reading the description. Resize as required .

The three digits counter is made of CMOS ICs MC14553 and MC or CD14543 , three common cathode digital displays , three PNP transistors and current limiting resistors . The Counter Display __ We need to know how the counter display operates in order to make use of it , the heart of the counter is the MC14553 which is a three-digit BCD counter and with the use of the MC14543 a BCD-to-seven segment decoder / driver will decode and activate the proper digit segments to display a maximum display count of 999. To do this the MC14553 needs three input signals, a positive (high) pulse to the Latch input ( pin #10 ) to enable storage of pulses to be stored into the latch and a Reset ( pin # 13 ) pulse ( high ) to reset the counter . The total count desired is controlled by the Latch action which sets the time we require to insert the amount of pulses to the Counter ( pin #12) to be displayed.

file:///C|/HTML/shaw/dcm.html (1 of 4) [11/04/2002 4:32:53 PM]

Laurier's Handy Dandy Little Circuits: Digital Capacitance Meter

When the latch is high the count starts and when the Latch is low (zero) the count is stopped and the total of pulses accumulated in the latch are displayed then a positive pulse is required to the Reset to clear the Latch , the speed of this process is controlled by an internal 100kHz oscillator which is determined by the .001 capacitor connected between pin # 3 and pin # 4 . The Input Logic Circuit In addition to the three digits counter circuit for display , the measurement of a capacitor can be achieved with only two additional CMOS ICs ,MC or CD4011 and MC or CD4049 , a rotary switch and a few resistors and capacitors.

file:///C|/HTML/shaw/dcm.html (2 of 4) [11/04/2002 4:32:53 PM]

Laurier's Handy Dandy Little Circuits: Digital Capacitance Meter

The Oscillator__ Now that we know what controls the counter we use the Oscillator to measure the value of the unknown capacitor . The oscillator is made of two of the six independent buffers of the MC4049 which is an HEX Inverting Buffer . Our test capacitor is connected between pin # 3 and # 4 and with the selection of one of the chosen resistors connected between pins # 2-6 and # 3 we have oscillation . The scaling fixed 1% resistors (10 meg , 1 meg ,100K , 1K ) were selected to produce a reading of " 010 " on all ranges except picofarad range .( see table ) The resulting square wave frequency from the test capacitor at pin # 4 is passed on to the next two buffers which are used as a current amplifier, the output of pin # 15 is then connected to pin # 13 of the first gate of MC4011 the action of which we will discuss in the pulse shaper section. The Counter__ In the mean time the counter is always active and oscillating and its frequency is selected by the switching arrangement to coordinate with the range selected for the capacitor under test . Exactly the same circuit arrangement is used except that the resistance in use could be one fixed resistance if we had capacitors of 1% accuracy but their price prohibit such luxury so we have to compensate by using adjustable resistances to calibrate the frequency to be fed to the counter for a reading that reflects the capacitor value under test . The counter output is connected to pin # 12 of the first gate of MC4011 , it is a Quad NAND Gate . Both input must be high to get a low output , two low inputs give a high output and a low and high input gives us a high output. These conditions are used to form the Latch and Reset pulses that control the three-digit counter . The Pulse Shaper__ As mentioned earlier MC4011 is used to shape the output of the
file:///C|/HTML/shaw/dcm.html (3 of 4) [11/04/2002 4:32:53 PM]

Laurier's Handy Dandy Little Circuits: Digital Capacitance Meter

oscillator pulses , from pin # 15 of the MC4049 capacitor C5 is used to couple and filter the square waves into triangle waves to one gate of MC4011 at pins # 1-2 , C6 is used to pass on the inverted pulses to pins # 5-6 of the following gate . Resistors R4 and R5 are used to pull down the square waves to sharp pulses used for the Latch and Reset . As the oscillator counter puts out a constant stream of positive square waves to Pin # 12 of the 4011 the input at pin # 13 from the amplifier automatically interrupt the output count at pin # 11 allowing for the right number of pulses when correctly calibrated to be registered in the Latch .

Functions
The meter will measure capacitance from a low 10 picofarad (or lower if the wind is right ) to 10,000 uF in five ranges as follows ; Select Pico .001 .1 1.uF 10 uF 100 uF Range 1 pico to 999 picofarad (extended range ) .001 to .099 uF (microfarad ) .1 to 9.99 uF ( Next show x10 when used ) 1.uF to 99.9 uF ( x10 of previous range , optional ) 1.uF to 99.9 uF 100 uF to 9999 uF ( Optional with x10 switch ) Test Display

*10 pico 010 .01 .1 1.uF 10 uF 100 uF 010 010 010 010 010

Introduction

construction-1

Construction-2

Construction-3

Calibration

file:///C|/HTML/shaw/dcm.html (4 of 4) [11/04/2002 4:32:53 PM]

Laurier's Handy Dandy Little Circuits:DCM - 2

Introduction

Construction-1

construction-2

construction-3

Calibration

As a reference you may wish to open up a new window to view the circuit while checking the list.

Parts List RESISTANCES (all 1/4 W ) R1 10 meg 1% ( or measured ) R2 1 meg 1% . . R3 100K 1% . . R4 1K 1% . . R5 R6 10K to 47K (see text ) 10% R7 to R13 390 ohms 10% R14 to R16 1K 10% RV1 to RV3 7K ( total resistance , see text ) CAPACITORS C1 C2 C3 C4 C5,C6,C7 Filter capacitors Filter Capacitor ICs IC1 IC2 IC3 IC4 IC4

.001 uF 5% .01 uF 5% .1 uF 5% 1.uF Tantalum .001 uF Polyester .1 Poly. ( ICs by-pass ) 200 uF/15V (supply )

CMOS, MC14553 , 3-Digit BCD Counter CMOS, MC or CD 14543 , BCD-to-7-Segment Latch/Decoder/Driver CMOS, MC or CD 4049 , HEX Inverting Buffer CMOS, MC or CD 4011 , Quad 2-Input NAND Gate . * A 4093 Schmitt trigger can be used and is direct substitute for the 4011

Transistors Q1 to Q3 2N2907 or similar PNP

Others Sockets

16 pins,3 ea 14 pins,1 ea Display 3 ea Common Anode LED display of your choice Switches 1 ea ,3- poles 4-positions Rotary switch 1 ea ,1-pole 1-position miniature toggle or slide switch ( for ON/OFF ) For Benchwork model Switch knob , case, Display red filter, Capacitor test socket or short lead wire with clips , battery holder .

Optional VR (optional) Bridge Switch

Voltage Regulator 780x (1.5 A

TO220 ) positive voltage as required

Rectifier bridge 50V/1A ( optional) One small normally open push button switch

( Supply ON/OFF and Test )

file:///C|/HTML/shaw/dcm-2.html (1 of 2) [11/04/2002 4:33:05 PM]

Laurier's Handy Dandy Little Circuits:DCM - 2

For use with battery supply Socket 14 pin dip for 7 display current resistors

Construction
Notes This project may be not suitable for the beginners as a certain amount of experience is required to achieve a good operating system , nevertheless the following construction suggestions should help everyone in preventing unwanted problems . Unless you never make mistakes use sockets for all the ICs. Keep all leads especially capacitor leads as short a physically possible. Do not use ceramic capacitors as they are temperature sensitive and will be unstable and produce noise. Best operating voltage is between 9 volts and 12 volts. Operation down to 6 volts is possible but with loss of sensitivity in the picofarad range. Display current limiting resistors values R7 to R13 will need to be adjusted to control brightness level below 10mA per segment . I used a 14 pins IC socket for R7 to R13 for quick adjustments . No need to mess up the PC board . If and external power supply is used AC or DC install a regulator as well as a large filtering capacitor (200 uF) for stability. If you decide to use a battery pack as your source of supply consider using a normally open push button switch in the supply line to prolong batteries life. The rotary switch must be installed as close as possible to the capacitors , excessive long leads will result in a noisy system and unstable display. The following will produce noise ; bad capacitors , poor wiring, cold solder , twisted wiring , bad connections , noisy supply lines , dirty switch contacts .
Introduction Construction-1 construction-2 construction-3 Calibration

file:///C|/HTML/shaw/dcm-2.html (2 of 2) [11/04/2002 4:33:05 PM]

Laurier's Handy Dandy Little Circuits:DCM - 3

Introduction

construction-1

Construction-2

construction-3

Calibration

As a reference you may wish to open up a new window to view the circuit while on this page .

I have designed two models to choose from . One which I will call the WORKBENCH and the other the PORTABLE . The basic design is exactly the same in both but the layout is different as shown . I have listed the differences in their appropriate window. Work Bench Model is designed to be used with a side vertical mounted switch to allow very short leads to capacitors and other components to minimize noise and stray oscillation. It also provide as an option PC layout for a regulated supply source.

file:///C|/HTML/shaw/dcm-3.html (1 of 3) [11/04/2002 4:33:13 PM]

Laurier's Handy Dandy Little Circuits:DCM - 3

On the left is the PCB tracing . On the right is the PC Tracing with components overlay and suggested switch mounting .

In both models the red tracing is on the components side and when using the PCB or the point to point wiring it is easy to install jumpers made of # 26-30 size bare wire under the sockets before installing the sockets then solder the pins in place. Once the jumpers under the sockets are installed , all that remains to wire on the components side is Positive supply bus which should be done once all the sockets are installed . The Portable model shown on the right was designed so that the switch can be mounted directly on the PCB or hand wired board . The switch is shown mounted on the components side . A low battery voltage monitor circuit was added .

file:///C|/HTML/shaw/dcm-3.html (2 of 3) [11/04/2002 4:33:13 PM]

Laurier's Handy Dandy Little Circuits:DCM - 3

The switch on the Portable model can be installed on the foil side BUT remember to reverse the order of the switched component .

Both of my prototypes were point to point wired on perforated board using #26 bare wire duplicating exactly the PCB layout . Naturally I always use sockects . Once this is done it is a simple matter to use a Ohmeter and check all wiring connections on the sockets pins , any error will be readily detected . I then apply power and check for any current that would indicate a short ,remove power ,insert the IC's one by one ,apply and remove power after each IC's while monitoring for excessive current . Both circuit models can be easily secured to the wall or cover of the enclosure by the switch mounting screw nut . For the Workbench circuit , I used a 12 volts plug-in supply for the work bench model through the on-board installed 9 volt regulator and used an ON/OFF miniature toggle switch and added a push button for the X10 range. A six "AA" battery pack is used for supply to the Portable circuit and a normally open push button switch is used to turn it on and make measurements. An LED was installed on the case and wired to the Battery Monitor circuit . A miniature toggle switch is used for the 10x range.
Introduction construction-1 Construction-2 construction-3 Calibration

file:///C|/HTML/shaw/dcm-3.html (3 of 3) [11/04/2002 4:33:13 PM]

Laurier's Handy Dandy Little Circuits:DCM -4

Introduction

construction-1

Construction-2

Construction-3

Calibration

As a reference you may wish to open up a new window to view the circuit while on this page .

Technical Info
LED displays of all sizes and brightness are available , a best buy is to get a three to four digit stick that is already multiplexed . For those who are not familiar with their use I include some details and drawings for your information . Use lengths of about 3" of rainbow coloured #24 wires for easy identification as a harness and solder each end to the circuit board . Make sure you identify correctly which wire goes where .

file:///C|/HTML/shaw/dcm-4.html (1 of 3) [11/04/2002 4:33:20 PM]

Laurier's Handy Dandy Little Circuits:DCM -4

Switches Details of the Rotary switch wiring is shown below . As an option two more ranges will be added when a SPST switch is used to parallel a 1.uF capacitor to the .1uF of range 3 &4 . If you install the rotary switch on the foil side don't forget to reverse the order of the resistances and capacitors on the switch . Also shown is the dimension of the switch to fit the PCB .

Circuit diagrams for the Low Voltage Monitor and the Voltage Regulator are shown. A suitable voltage regulator of your choice can be used , a TO220 1.5 A regulator must be used as the current will reach up to 130 mA in certain conditions , no heat sink is required . The Low Voltage Battery Monitor circuit shown is calibrated for a 9 volts supply , as it reaches a low voltage of 7 volts the LED will come on indicating

file:///C|/HTML/shaw/dcm-4.html (2 of 3) [11/04/2002 4:33:20 PM]

Laurier's Handy Dandy Little Circuits:DCM -4

need for batteries change . R1 and R2 form the calibrated set point voltage divider to pin # 3 of the 741 and can be replaced by a 10K variable resistance to calibrate for other voltages above 6 volts.

Introduction

construction-1

Construction-2

Construction-3

Calibration

file:///C|/HTML/shaw/dcm-4.html (3 of 3) [11/04/2002 4:33:20 PM]

Laurier's Handy Dandy Little Circuits:DCM - 5

Introduction

construction-1

Construction-2

Construction-3

Calibration

As a reference you may wish to open up a new window to view the circuit while on this page .

Calibration
Optional Ranges . By adding the 1.uF capacitor in parallel to the .1uF capacitor we obtain a x10 expansion of range #3 and # 4 . I did not want to use a six position switch when a simple SPST switch can do the work only when very large capacitors need to be tested . On the other hand some may object to having both ranges 3 & 4 expanded when only expansion of the last range is needed . If this is the case , removed the jumper between pin # b-4 and # b-5 and install an additional .1 uF Capacitor from # b-5 to pin # 12 of IC-4049 thus the range # 4 will not be expanded . You can mount the additional capacitor directly on the switch lug . I was very pleased to be able to measure capacitance as small as 3 pico with nary a flicker of the display and I hope you can get the same results. Before you start you calibration ensure that the supply voltage is exactly the one you will be using for the system operation then proceed. Calibration is easy and can be accomplished two ways; 1 - If you have a frequency meter adjust RV1 to RV3 for each range to the approximate following frequency ( reading from pin # 12 of IC-4049 ) . I say " approximate " because IC's like other components are not all exactly the same . Of the three MC 4049 I used for testing I found a range of 5 kHz difference , so it is not exactly a matter of timing but rather matching two oscillators. Picofarad 85 kHz .001 .1 8.5 kHz 850 Hz

1 - If a frequency meter is not available the best result will be obtained


file:///C|/HTML/shaw/dcm-5.html (1 of 3) [11/04/2002 4:33:26 PM]

Laurier's Handy Dandy Little Circuits:DCM - 5

by measuring known value capacitors that will read in the lower three digits range as follow: RANGE TEST VALUE DISPLAY Pico .001 .1 10. uF 100 pico .01 1.uF 100 uF 100 100 100 100

Final Notes
For simplicity I used two short lengths( 4 ") # 22 stranded lead wires with a small hook type connector at each end . With the test leads open ( no test capacitor connected ) the first digit display should read zero but a small residual reading of 1 or 2 may be seen and this residual should be added to capacitance reading below 100 pico.These conditions are normal and are the product of the very high internal oscillation with open leads when in the Picofarad range .The next two ranges should read zero on the first digit and all zero on the Microfarad range . Range 4 and 5 do not need to be calibrated, but if you wish to do so , add and additional RV to switch # a-4 and remove the jumper between pins #a-3 and # a-4 , the other end connects to pin # 9 of IC4049 . The total recommended RV's resistance is 7K ohms , a combination of one resistance named " R " on the layout is used in series with the RV's so that any RV of a smaller value will make it easier to calibrate the required frequency . If " R " is not used merely install a jumper across the PC connection points . The actual total resistance setting for RV's on my prototypes was measured as 6K ohms so a combination of 5 K for " R " is series with 2K Rv's would make for easier calibration . The other approach is to use 10 turns trimmers of 10 K ohms . It is greatly satisfying to be able to reach a set goal developed from an idea and I am well pleased with the outcome , now the owner of a Digital Capacitance Meter that I can trust and rivals professional units . Have fun and tell me how yours turns out and I will be glad to answer any of your queries.

Where
For reference only , the following products descriptions were found
file:///C|/HTML/shaw/dcm-5.html (2 of 3) [11/04/2002 4:33:26 PM]

Laurier's Handy Dandy Little Circuits:DCM - 5

listed in the Digikey catalog , prices are in Can-$ . Rotary Switch PC lugs Cat # EG 1955 Found one exactly the same" Lorlin-UK" (Can. ) $ from Intek Electronics, 7.92 Vancouver,for Can$2.95 Cat # 67-1423 ND , common anode ( Can ) $ 2.44 , 2.45, 2.53 From Newark Electronics $ 1.98 U.S , Can $ ?? $ 7.95

3-poles,4-positions ,single deck

Displays

3-digits .5" H ,red/orange/green ( multiplexed ) ( Panasonic ) .3"H Cat # P232-ND, Single Display .43"H Cat # P326-ND , .57"H Cat # P326-ND ( common anode ) MC 14553 Cat # 07F4166

Newark Electronics U.S.A Canada


Introduction construction-1 Construction-2 Construction-3 Calibration

file:///C|/HTML/shaw/dcm-5.html (3 of 3) [11/04/2002 4:33:26 PM]

You might also like