KEMBAR78
8 Player Quiz Buzzer Circuit Using 8051 Microcontroller | PDF | Microcontroller | Electrical Network
0% found this document useful (0 votes)
1K views10 pages

8 Player Quiz Buzzer Circuit Using 8051 Microcontroller

8 Player Quiz Buzzer circuit using 8051 microcontroller. Th system can be erroneous and even biased. When more than one team presses the buzzer, th delay is accurately taken into account and number is displayed. It is a simple circuit with minimum number of components and sans any complexitie it's free.

Uploaded by

richard anish
Copyright
© © All Rights Reserved
We take content rights seriously. If you suspect this is your content, claim it here.
Available Formats
Download as PDF, TXT or read online on Scribd
0% found this document useful (0 votes)
1K views10 pages

8 Player Quiz Buzzer Circuit Using 8051 Microcontroller

8 Player Quiz Buzzer circuit using 8051 microcontroller. Th system can be erroneous and even biased. When more than one team presses the buzzer, th delay is accurately taken into account and number is displayed. It is a simple circuit with minimum number of components and sans any complexitie it's free.

Uploaded by

richard anish
Copyright
© © All Rights Reserved
We take content rights seriously. If you suspect this is your content, claim it here.
Available Formats
Download as PDF, TXT or read online on Scribd
You are on page 1/ 10

7/17/2014

8 Player Quiz Buzzer Circuit using 8051 Microcontroller

HOME

PROJECT IDEAS

GENERAL ARTICLES

B.TECH

MINI PROJECTS

ANDROID

FREE PROJECT CIRCUITS

HOW TO

CONTACT US

Home 8 Channel Quiz Buzzer Circuit using Microcontroller

8 Channel Quiz Buzzer Circuit using


Microcontroller
April 4, 2014 By Administrator

Like

Leave a Comment

105

25

Tw eet

StumbleUpon

Quiz buzzers are used often at places like educational institutions where it is required for game show
http://www.electronicshub.org/8-channel-quiz-buzzer-circuit-using-microcontroller/

1/10

7/17/2014

8 Player Quiz Buzzer Circuit using 8051 Microcontroller

Conventional systems require human intervention to decide which team has pressed the button and th
system can be erroneous and even biased. Another problem arises when two members pressed th
button at a negligible interval and it is difficult to guess who has pressed the buzzer first. Here w
designed an automatic quiz buzzer system such that when more than one team presses the buzzer, th
delay is accurately taken into account and number is displayed. We build the circuit using
microcontroller which scans the input from push buttons and displays the corresponding number on
Have you seen our new Electronics Projects Android app.
display device. It is a simple circuit with minimum number of components and sans any complexitie
It's free.
The microcontroller takes into account the time delay between two buttons and the accurate number
displayed. Even though this system is only for 8 teams, more teams can be added by using another set
8 push buttons.

105
Like

Related Post IR Based 5 Channel Remote Control System

Tw eet

Principle Behind the Quiz Buzzer Circuit:

StumbleUpon
The circuit is a simple embedded system with a set of 8 push buttons being the input devices,
Submit
microcontroller as the controller and the output devices being a buzzer and a display. The who

operation is carried out by a microcontroller through a program written in C language and dumpe
inside the microcontroller. When one of the buttons is pressed, the buzzer starts ringing and th
corresponding number is displayed on the 7 segment display.

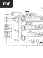
Circuit Diagram of 8 Player Quiz Buzzer using Microcontroller

http://www.electronicshub.org/8-channel-quiz-buzzer-circuit-using-microcontroller/

2/10

7/17/2014

8 Player Quiz Buzzer Circuit using 8051 Microcontroller

8 Player Quiz Buzzer Circuit using Microcontroller ElectronicsHub.Org

Quiz Buzzer Circuit Design:

The whole design process involves six steps. First step requires designing the circuit; the second step
drawing the circuit on any software like Proteus. The third step involves writing the code using high lev
language or assembly language and then compiling it on a software platform like Kiel uVision. The four
step is dumping the code in microcontroller and fifth step is simulating the circuit.

The circuit involves using five major components a Microcontroller, 8 SPST push buttons, a buzzer and
common cathode 7 segment display. The microcontroller used in this case is AT89C51, an 8 b
microcontroller manufactured by Atmel.

Reset Circuit Design: The reset resistor is selected such that the voltage at the reset pin, across th

resistor is at minimum of 1.2V and the width of the pulse applied to this pin is greater than 100 ms. He
we select a resistor of 100K ohms and a capacitor of 10uF.

Oscillator Circuit Design: The oscillator circuit is designed using a crystal oscillator of 12 Mhz and tw
ceramic capacitors each 15pF. The crystal is connected between pins 18 and 19 of the microcontroller

Microcontroller Interfacing Design: The set of 8 push buttons are interfaced to port P1 of th
http://www.electronicshub.org/8-channel-quiz-buzzer-circuit-using-microcontroller/

3/10

7/17/2014

8 Player Quiz Buzzer Circuit using 8051 Microcontroller

microcontroller and a buzzer is interfaced to the port pin P0.0. The 7 segment display is interfaced to th
microcontroller such that all the input pins are connected to port P2.
Microcontroller Code: The code can be written using C language or assembly language. Here we select
write the program in C language using Kiel uVision. This is accomplished by the following steps
1. Create a new project on Kiel window and select the target.
2. Create a new file under the project and write the code.

3. Save the code with .c extension and add the file to the source group folder under the target folder
4. Configure flash tools and create the hex file.
5. Compile the code by pressing F7.

Once the code is compiled and a hex file is created, next step is to dump the code into th

microcontroller. Since here we are not using any hardware device, we simply use Proteus to dump th
code. This is done by first drawing the circuit on Proteus and then adding the code to the microcontroll
by right clicking on the device.

How Quiz Buzzer Circuit Works?

Once the circuit is powered, the compiler will initialize the stack pointer and the variables having th

non-zero initial values and perform other initialization process and then calls the main function. It the
checks if any of the buttons is pressed. In other words the microcontroller scans for any of its input pi

at port P1 to be zero or at logic low level. In case pressed, the display function is called by passing th
corresponding number. The microcontroller then sends the relevant signals to the port connected to th
7 segment display.

The BCD to 7 segment decoding operation is not required in this case as direct values are send to th

port pins or the input pins of the 7 segment display such that the corresponding LEDs start glowing an
the number is displayed. Simultaneously, a high logic signal is also sent to the buzzer pin such th
current flows through the device and the buzzer start ringing.

Applications of Quiz Buzzer Circuit:


1. This circuit can be used at quiz competitions organized at schools, colleges and other institutions.
2. It can be also used for other games.
3. It can be used as at public places like banks, restaurants as a digital token display system.

Limitations of Quiz Buzzer Circuit:


1. The microcontroller used is a CMOS device and is highly static and hence cannot be touched
bare hands.
2. It is a low range circuit, i.e. it is not possible to operate the circuit remotely.
http://www.electronicshub.org/8-channel-quiz-buzzer-circuit-using-microcontroller/

4/10

7/17/2014

8 Player Quiz Buzzer Circuit using 8051 Microcontroller

3. It is a battery operated circuit and can easily run out of power once the battery life time ends.

4. It is a theoretical circuit and in practical application may require some passive components an
even designing a linear power supply circuit to power the circuit directly using the mains supply.

Related Posts

Random Number

5 Channel IR Remote

Bidirectional Visitor

Interfacing 7 Segment

Generator using 8051

Control System using

Counter using 8051

Display to 8051

Microcontroller

Microcontroller

Speak Your Mind


Name *
Email *

http://www.electronicshub.org/8-channel-quiz-buzzer-circuit-using-microcontroller/

5/10

7/17/2014

8 Player Quiz Buzzer Circuit using 8051 Microcontroller

Website

Type the text


Privacy & Terms

Post Comment

Search this website

http://www.electronicshub.org/8-channel-quiz-buzzer-circuit-using-microcontroller/

Search

6/10

7/17/2014

8 Player Quiz Buzzer Circuit using 8051 Microcontroller

Electronics Hub
Follow

+1

+ 36,539

Recent Posts
Random Number Generator using 8051
Interfacing GPS with 8051 Microcontroller

http://www.electronicshub.org/8-channel-quiz-buzzer-circuit-using-microcontroller/

7/10

7/17/2014

8 Player Quiz Buzzer Circuit using 8051 Microcontroller

USB LED Lamp Circuit


FM Radio Circuit
Battery Level Indicator
Wireless Mobile Battery Charger Circuit
FM Remote Encoder/Decoder Circuit
Simple Audio Tone Control Circuit
Wailing Siren Circuit
LED Interfacing with 8051

Subscribe for Free Project Circuits


Enter your email address:

Subscribe
Delivered by FeedBurner

http://www.electronicshub.org/8-channel-quiz-buzzer-circuit-using-microcontroller/

8/10

7/17/2014

8 Player Quiz Buzzer Circuit using 8051 Microcontroller

Electronics Hub
Like

253,072 people like Electronics Hub.

Facebook social plugin

ads by media.net

Circuit Simulation
Control Circuit Design
Electrical Circuit Design
555 Circuits
Create A Quiz
Online Quiz Software
Quiz Buzzer
Quiz Bowl
Make Your Own Quiz For Facebook
Create Flash Quizzes
Trivia Quizzes
TV Quiz Shows
Electric Motors
LED Circuits
Electrical Wiring Diagrams

http://www.electronicshub.org/8-channel-quiz-buzzer-circuit-using-microcontroller/

9/10

7/17/2014

8 Player Quiz Buzzer Circuit using 8051 Microcontroller

Return to top of page

http://www.electronicshub.org/8-channel-quiz-buzzer-circuit-using-microcontroller/

Copyright 2014 Electronicshub.org

10/10

You might also like