KEMBAR78
How To Build A Simple But Powerful Flyback Driver | PDF | Mosfet | Inductor
0% found this document useful (0 votes)
2K views9 pages

How To Build A Simple But Powerful Flyback Driver

This document provides instructions for building a simple but powerful ZVS (zero voltage switching) flyback driver circuit. The ZVS flyback driver uses resonant switching to efficiently drive a flyback transformer, allowing for larger electric arcs with less heat production than typical flyback drivers. Parts needed include a flyback transformer, MOSFETs, diodes, resistors, capacitors, and an inductor. The circuit schematic and construction steps are provided, along with modifications to allow higher input voltages for bigger arcs.

Uploaded by

pakde jongko
Copyright
© © All Rights Reserved
We take content rights seriously. If you suspect this is your content, claim it here.
Available Formats
Download as DOCX, PDF, TXT or read online on Scribd
0% found this document useful (0 votes)
2K views9 pages

How To Build A Simple But Powerful Flyback Driver

This document provides instructions for building a simple but powerful ZVS (zero voltage switching) flyback driver circuit. The ZVS flyback driver uses resonant switching to efficiently drive a flyback transformer, allowing for larger electric arcs with less heat production than typical flyback drivers. Parts needed include a flyback transformer, MOSFETs, diodes, resistors, capacitors, and an inductor. The circuit schematic and construction steps are provided, along with modifications to allow higher input voltages for bigger arcs.

Uploaded by

pakde jongko
Copyright
© © All Rights Reserved
We take content rights seriously. If you suspect this is your content, claim it here.
Available Formats
Download as DOCX, PDF, TXT or read online on Scribd
You are on page 1/ 9

How To Build A Simple But Powerful Flyback Driver

by Plasmana







Tired of little purple sparks? Want bigger hotter sparks? Then try:
The ZVS Flyback Driver
It is probably the most powerful and efficient flyback transformer driver that was fairly recently
invented by Vladmiro Mazilli. It uses resonant zero voltage switching (also know as ZVS) to drive the
flyback transformer. This means the MOSFET's are designed to switch (on or off) when the voltage
across them becomes zero.

Because the MOSFET's switches when there is no voltage across them, it will generate very little
heat, the only source of heat is caused by the MOSFET's internal resistance. Unlike the simple 555
timer flyback drivers, The ZVS flyback drivers will allow you to run your flyback transformers for
much longer periods of time before the MOSFET's overheat. If you get really good MOSFET's, it
might be even possible to run your ZVS flyback driver infinitely! (Or until the circuit is interrupted)
Step 2: Parts



ZVS drivers are fairly cheap to build, the only pricey part may be the MOSFET's. I got most of my
parts from Farnell and some of it I had lying around.

Flyback transformer
Newer flybacks are recommended as they are very robust. You can use an older flyback for higher
current output, however, they are more likely to burn out due to excessive voltage.

2x 470 2W resistors
The color code is yellow/purple/brown

2x 10K 1/4W resistors
The color code is orange/brown/black

2x 12v 1/4W zener diodes

2x 400+ volts fast diodes
I used UF4007 diodes.

1x inductor
The value is not critical but it should be 47uH to 200uH rated at 10A or more. You can find an
inductor from a computer PSU or you can simply make your own, just wrap 20 turns of 16 gauge of
enameled wire around a ferrite toroid.

1x 0.68uF 250v (or higher) capacitor
This capacitor must be bipolar and must be good quality, such as MKP ot MMC types. NEVER use an
electrolytic capacitor, they will blow up. You can test various types of capacitors to see which one
suits your ZVS driver well.

2x IRFP250 MOSFET's
They are a bit pricey, however, you can use other MOSFET's that has Vds 4x more than the power
supply and has the Rds(on) lower than 150m. Unfortunately those MOSFET's are a bit over my
budget so I used the IRFP254 MOSFET's instead, not the best, but it is cheaper and it and it should
give me good arc results. I also tried using the popular IRF540 MOSFET, however, it gave me very
poor results.

2x small heatsink
They won't be necessary if you are going to run your ZVS driver lower than 12v.

Large variable voltage power supply
Now this can cost quite a big chunk of change, you can a computer power supply unit for 12v power
source. If you want a higher voltage power supply, then you might want to consider modifying a
microwave oven transformer, but this is another project. As I don't have a large power supply so I
used six 6v sealed lead acid batteries all in series to gain 36v to power my ZVS driver.

Then finaly the other bits and pieces you may need such as solder, thick wires, etc.














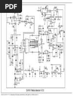
Step 3: Schematics



The 5 turns of wire as the primary is not critical, you can add or remove windings for different
performance.The voltage input to the driver may affect the number of turns required as well.

The "47-200 H" inductor can be customized to the desired output of the flyback transformer. In
general, if you want a higher voltage, the inductor should have an higher value, if you want more
current, the inductor should have an lower value. Also, an inductor is a 'must' for the ZVS driver,
without it, your ZVS driver may work poorly or not work at all.

Changing the value of the capacitor can also affect the performance depending on the flyback
transformer, again, make sure you use good quality capacitor.




Step 4: Construction








Not much to say here, just get your toolbox, read the schematics and build it! :-)

Make sure you use thick wire as it will be handling currents up to 10 amps.

When winding the flyback transformer, make sure both wire go the same way.

If you are going to attach both of your MOSFET's on one heatsink, Use mica insulators! Or other
types of insulators to isolate the MOSFET's tabs from each other, otherwise your ZVS driver won't
work.






Step 5: Power her up and set wires on fire!





When you first power on your ZVS driver, start with 12v
input to make sure everything thing is working. Then you
can increase the input voltage up to 36v. You can power
the ZVS driver above 36v, but then you risk blowing up
your driver, check step 7 for instructions for modifying
your ZVS driver to handle higher input voltages.

You may hear an very high pitched squeal from your ZVS
driver, don't worry, that is normal.

What ever you use as your negative terminal, it will get hot, very hot! The arc will melt any thin wire
you use into little metal balls and steal will just fly everywhere, which is cool (and dangerous)! If
anyone has a good explnation why the negative terminal get so hot and the positive terminal
remains fairly cool, I'd like to know.. :-)

Also, in the video, just after the arc burnt a hole into a lightbulb, they was a stream of plasma
'shooting' out of the bulb, like a flame thrower. This is because when the arc got inside the bulb, the
gas inside heats up, causing it to expand and escaping through the hole thus creating a "plasma
thrower".
Step 6: Modify your ZVS driver for higher performance!



I have not tried this yet, but there is a revision of the ZVS driver by Andrinerii. He added two
separate 3 turns of wire on top of the existing primary, each with a series 100 10W resistor. This
circuit supposedly add an 35% increase in performance.

Also, make sure your 3 turn windings are the same direction as the primary, otherwise you will blow
the MOSFET's!


Step 7: Going further



The fun does not stop there, if you are hungry for more bigger, hotter, and beastly arcs, a few
changes to your ZVS driver should be made to handle higher input voltages.

For input voltages over 36v:
Change the 470 resistor to 1k resistor.
Change the 12v zenner diode to 15v zenner diode.
Increase the number of windings on your flyback transformer.
Increase the value of the inductor.

This should work well for voltages up to 60v before the MOSFET's should be changed as well...

I heard that some people had operated their ZVS driver at voltages over 100, just imagine how
massive their arcs must be!

Also, this ZVS driver circuit does not have be used just for the flyback transformer, you can replace it
for use a different transformer to charge up your large capacitor banks for coilguns, railguns, etc. It
might be even possible to do induction heating with this ZVS driver circuit...

You might also like