KEMBAR78
Euro-Code 4 Composite Column Analysis | PDF | Beam (Structure) | Buckling
0% found this document useful (0 votes)
421 views19 pages

Euro-Code 4 Composite Column Analysis

This document provides calculations for the load bearing capacity of composite concrete-steel columns and composite beams according to Eurocode 4. It analyzes a concrete encased composite column with eccentric force application and a concrete-filled hollow section column. It also analyzes the ultimate load bearing capacity of composite beams used in floors. The calculations determine material properties, section properties, load effects, and verify the structural capacity based on plastic and elastic resistance models.

Uploaded by

Mr Polash
Copyright
© © All Rights Reserved
We take content rights seriously. If you suspect this is your content, claim it here.
Available Formats
Download as PDF, TXT or read online on Scribd
0% found this document useful (0 votes)
421 views19 pages

Euro-Code 4 Composite Column Analysis

This document provides calculations for the load bearing capacity of composite concrete-steel columns and composite beams according to Eurocode 4. It analyzes a concrete encased composite column with eccentric force application and a concrete-filled hollow section column. It also analyzes the ultimate load bearing capacity of composite beams used in floors. The calculations determine material properties, section properties, load effects, and verify the structural capacity based on plastic and elastic resistance models.

Uploaded by

Mr Polash
Copyright
© © All Rights Reserved
We take content rights seriously. If you suspect this is your content, claim it here.
Available Formats
Download as PDF, TXT or read online on Scribd
You are on page 1/ 19

Euro-Code 4

Folder: _EC4 Columns

Euro-Code 4
Columns
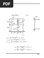
Concrete encasement composite column with eccentric force application:

H
F
System:
Height h =
8,00 m
Eccentricity e =
0,15 m
Beam type =
SEL("steel/profils"; Name; )
Nominal height NH =
SEL("steel/"type; NH; )
Aa =
TAB("steel/"type; A; NH=NH)
TAB("steel/"type; h; NH=NH)
hp =
s=
TAB("steel/"type; s; NH=NH)
t=
TAB("steel/"type; t; NH=NH)
b=
TAB("steel/"type; b; NH=NH)
Iya =
TAB("steel/"type; Iy ; NH=NH)
W pa =
1.14*TAB("steel/"type; W y ; NH=NH)
W pa =
Materials:
Concrete =
Steel =
Ecm =
fck =
=
Ea =
fyk =

SEL("concrete/EC"; Name; )
SEL("steel/EC"; NameEN; )
TAB("concrete/EC"; Ecm; Name=Concrete)
TAB("concrete/EC"; fck; Name=Concrete)
0,85
TAB("steel/EC"; E; NameEN=Steel)
TAB("steel/EC"; fy; NameEN=Steel)

Partial safety factors:


Dead load G =
Imposed Load Q =
Concrete c =
Construction steel a =
Profile steel sheetingap =
Longitudinal shearvs =
Elastic modulus =

1,35
1,50
1,50
1,10
1,10
1,25
1,35

=
HEB
=
340
=
171,00 cm
=
340,00 mm
=
12,00 mm
=
21,50 mm
=
300,00 mm
= 36660,00 cm4
= 2462,40 cm
2408,00 cm

=
=
=
=

C30/37
S235
32000,00 N/mm
30,00 N/mm

= 210000,00 N/mm
=
235,00 N/mm

Euro-Code 4

Folder: _EC4 Columns

Load:
gk =
qk =
Calculation:
NSd =
MSd =
VSd =
fcd =
fyd =
Ecd =
Ac =
Iyc =

450,00 kN
1000,00 kN

gk * G + qk * Q
NSd * e
MSd / h
* fck / c
fyk / a
Ecm /
( hp * b ) /100 -Aa

=
=
=
=
=
=
=

2107,50 kN
316,13 kNm
39,52 kN
17,00 N/mm
213,64 N/mm
23703,70 N/mm
849,00 cm

( hp * b / 120000 ) - Iya

61600,00 cm4

Local buckling of parts of the steel section:


=
( 235 / fyk )
( b / t ) / ( * 44 )

=
=

1,00
0,32 < 1

Load-bearing capacity of the column under centric pressure with buckling risk:
=
5096,54 kN
Npl,Rd = ( Aa * fyd + Ac * fcd ) /10
Structural verification procudure applicable?
=
Aa * fyd / ( 10 * Npl,Rd )
=
0,72
0.2 /
=
0,28 < 1
/ 0.9
=
0,80 < 1
Structural verification procudure applicable.
On the effect of lateral shear:
Av =
( 1.04 * hp * s ) / 100
=
42,43 cm
=
523,35 kN
Vpl,Rd = Av * fyd / ( (3) * 10 )
=
0,08 < 0,5
VSd / Vpl,Rd
The lateral shear force has no effect on the load-bearing capacity.
Cross section bearing capacity under pressure and single-axis bending:
Plastic limit moment at point D:
b * hp / 4000 - W pa
= 6262,00 cm
W pc =
Mmax,Rd = ( W pa *fyd + 1/2 * W pc * fcd ) / 103
1/20 * Ac * fcd
ND =
Plastic limit moment in points B and C:
Npm,Rd = ( Ac * fcd ) / 10
Npm,Rd / ( 0.2 * b/10 * fcd + 2 * s/100 * ( 2 * fyd - fcd ))
hN =
hN / (( b / 2 - t ) / 10)
Plastic neutral axis is in the rib!
s/10 * hN
W pan =
( b * hN ) / 10 - W pan
W pcn =
MN,Rd =
(W pan * fyd + 1/2 * W pcn * fcd )/103
The plastic limit moment in points B and C is:
Mpl,Rd =
Mmax,Rd - MN,Rd
NB =
NC =
2 * ND

=
=

567,67 kNm
721,65 kN

=
=
=

1443,30 kN
7,20 cm
0,56 < 1

=
=

62,21 cm
1492,99 cm

25,98 kNm

541,69 kNm
0,00 kN
1443,30 kN

Euro-Code 4

Folder: _EC4 Columns

Load-bearing capacity of a composite column under pressure and single-axis bending:


Npl,Rk =
(Aa * fyk + Ac * * fck)/10
= 6183,45 kN
Effective elastic bending rigidity:
EIe =
(Ea * Iya + 0.8 * Ecd * Iyc)/10 5

= 88667,18 kN/m

Reference degree of slenderness:


* EIe / h
Ncr =
' =
( Npl,Rk / Ncr )

= 13673,57 kN
=
0,67

Long-term behaviour (creep and shrinkage) may be disregarded.


Strut curve b:
Type = SEL("comp/buck"; Desc; )
=
concrete-encased profile strong axis
line =
TAB("comp/buck"; line; Desc=Type)
=
b
=
TAB("comp/buck"; ; line=line; lat=
')
=
0,800
NSd / Npl,Rd
=
0,414
d =
Proportion of edge moments r =
0,00
*((1-r)/4)
=
0,200
N =
The resulting values for point C are:
NC / Npl,Rd
c =
c =
(1 - ) / (1 - c) * c
k =
(1 - d) / (1 - ) * k
d =

The length is:


=
d - k * (
d - N) / (
- N)
Structural verification of load-bearing capacity:
NSd / (
* Npl,Rd)
=
MSd / (0.9 * * Mpl,Rd)
=

0,52 < 1
0,90 < 1

=
=

0,283
1,00
0,279
0,817

0,717

Euro-Code 4

Folder: _EC4 Columns

Concrete-filled hollow section:


F

d d
t

F
System:
Column height h =
Outside pipe diameter d =
Pipe thickness t =

7,00 m
273,00 mm
6,30 mm

Load:
gk =
qk =

500,00 kN
600,00 kN

Materials:
Concrete =
Steel =
Ecm =
fck =

SEL("concrete/EC"; Name; )
SEL("steel/EC"; NameEN; )
TAB("concrete/EC"; Ecm; Name=Concrete)
TAB("concrete/EC"; fck; Name=Concrete)|

=
=
=
=

C30/37
S355
32000,00 N/mm
30,00 N/mm

TAB("steel/EC"; E; NameEN=Steel)
TAB("steel/EC"; fy; NameEN=Steel)

=
=

210000,00 N/mm
355,00 N/mm

fyk / a
* fck / c
G * gk + Q * qk
fyk / a
/ 400 * ( d - ( d - 2 * t ) )

=
=
=
=
=

322,73 N/mm
20,00 N/mm
1575,00 kN
322,73 N/mm
52,79 cm

Ia =
Ecd =
Ac =

/ 640000 * ( d4 - ( d - 2 * t )4 )
Ecm /
* ( d - 2 * t ) /400

=
=
=

4695,82 cm4
23703,70 N/mm
532,56 cm

Ic =

/ 640000 * ( d - 2 * t )4

22570,10 cm4

Ea =
fyk =
=

1,00

Partial safety factors:


Dead load G =
Imposed Load Q =
Concrete c =
Construction steel a =
Profile steel sheeting ap =
Longitudinal shear vs =
Concrete elastic modulus =
Calculation:
fyd =
fcd =
Nsd =
fyd =
Aa =

1,35
1,50
1,50
1,10
1,10
1,25
1,35

Euro-Code 4
Local buckling of parts of the steel section:
=
( 235 / fyk )
( d/t ) / ( 90 * )

Folder: _EC4 Columns

=
=

0,81
0,73 < 1

Structural verification of the column's load-bearing capacity:


=
2768,81 kN
Npl,Rd = ( Aa * fyd + Ac * fcd ) /10
Structural verification procudure applicable?
=
=
Aa * fyk / a / ( Npl,Rd * 10 )
0.2 /
=
/ 0.9
=

0,62
0,32 < 1
0,69 < 1

Structural verification procudure applicable


Npl,Rk = (Aa * fyk + Ac * * fck)/10
=
3471,72 kN
Effective elastic bending rigidity:
(Ea * Ia + 0,8 * Ecd * Ic)/105
EIe =

14141,18 kNm

Reference degree of slenderness:


* EIe / h
Ncr =
' =
( Npl,Rk / Ncr )
0.8 / ( 1 - )
'g =
' / 'g

=
=
=
=

2848,32 kN
1,10
2,11
0,52 < 1

Long-term behaviour (creep and shrinkage) may be disregarded.


Concrete-filled hollow section, therefore strut curve a
Type = SEL("comp/buck"; Desc; )
= concrete-filled hollow section
line =
TAB("comp/buck"; line; Desc=Type)
=
a
=
TAB("comp/buck"; ; line=line; lat=
')
=
0,596
NRd =
* Npl,Rd
=
1650,21 kN
Structural verification:
=
0,95 < 1
Nsd / NRd
The ultimate load bearing capacity is almost completely exploited.

Euro-Code 4

Folder: _EC4 Floors

Floors
Composite beams - Ultimate load bearing capacity:
q

System:
Beam length L =
Beam distance s =

12,00 m
3,60 m

Materials:
Beam type =
SEL("steel/profils"; Name; )
=
Nominal height NH = SEL("steel/"type; NH; )
=
A=
TAB("steel/"type; A; NH=NH)
=
h=
TAB("steel/"type; h; NH=NH)/10
=
Iy =
TAB("steel/"type; Iy ; NH=NH)
=
Shear connectors 22
hb =
100,00 mm
d=
22,00 mm
Distance of shear connectors eL =
15,00 cm
Concrete =
SEL("concrete/EC"; Name; )
=
C25/30
Steel =
SEL("steel/EC"; NameEN; )
=
S355

IPE
450
98,80 cm
45,00 mm
33740,00 cm4

Load:
g1k =
g2k =
qk =

15,28 kN/m
7,74 kN/m (after removal of temporary props)
18,00 kN/m

beff
hd
hpb
Floor thickness hd =
Thickness of profile steel sheeting hpb =

16,00 cm
5,10 cm

Material properties:
TAB("concrete/EC"; Ecm; Name=Concrete)
Ecm =
Ea =
TAB("steel/EC"; E; NameEN=Steel)

=
=

Cross section load bearing capacity at full shear connection:


2*L/8
=
3,00 m
beff =
beff =
MIN(beff ;s)
=
3,00 m

30500,00 N/mm
210000,00 N/mm

Euro-Code 4

Folder: _EC4 Floors

Working state analysis of composite beams:


Form factors:
Short term load at point of time t =0:
n0 =
Ea / Ecm
Effective component thickness:
Beam width in air u =
ho =
2 * hd * u / u
Final creep value t0 =14 days
according to EC2 Appendix1 =
constant continuous load A,B =
Shrinkage A,S =
Creep under continuous load n
=
Shrinkage nS =
Ac =
Ic =
z's0 =

6,89

360,00 cm
32,00 cm

n0 * ( 1+ A,B * )
n0 * ( 1+ A,S * )
100 * beff * ( hd - hpb )
100 * beff * ( hd - hpb ) / 12

(A*(h/2+hd)+Ac/n0*(hd-hpb)/2)/(A+Ac/n0)

(Iy+Ic/n0)/10000+(A*(h/2+hd)+Ac/n0*((hd-hpb)/2))/10000
((z's0/100)*(A+Ac/n0)*(-1))

z's
=

(A*(h/2+hd)+Ac/n*(hd-hpb)/2)/(A+Ac/n)

*((hd-hpb)/2))/10000
(Iy+Ic/n
)/10000+(A*(h/2+hd)+Ac/n
((z's/100)*(A+Ac/n
)*(-1))

z'sS =

(A*(h/2+hd )+Ac/nS*(hd-hpb)/2)/(A+Ac/nS)

(Iy+Ic/nS)/10000+(A*(h/2+hd)+Ac/nS*((hd-hpb)/2))/10000
((z'sS/100)*(A+Ac/nS)*(-1))

Calculation of midspan deflection:


Release of temporary prop at point of time t =0
B=
g1k * 1.25 * L/2
100 * B * L / ( 48 * Ea/10 * Ii0 )
fB0 =

=
=
=
=

2,70
1,10
0,55
27,35
17,12
3270,00 cm
32375,72 cmm

11,14 cm

=
=

19,90 cmm
-7,12 cmm

Ii0=

12,78 cmm

20,40 cm

=
=

18,49 cmm
-9,09 cmm

Ii
=

9,40 cmm

16,72 cm

=
=

18,78 cmm
-8,10 cmm

IiS=

10,68 cmm

= 114,60 kN
=
1,54 cm

Assumption: 40% of the live load as a permanent load at point of time t =0:
Ratio=
0,40
4
fg2,0 =
100 * 5/384 *(g2k + Ratio* qk ) * L / ( Ea/10 * Ii0)
=
1,50 cm
from imposed load (short term ratio):
Ratio2 = 1 - Ratio
100 * 5/384 * Ratio2 * qk * L4 / ( Ea/10 * Ii0 )
fq =

=
=

0,60
1,09 cm

Euro-Code 4

Folder: _EC4 Floors

From removal of temporary prop at point of time t =


:
fB0 * Ii0 / Ii
fB =

2,09 cm

From gk2 + qpermanent at point of time t =:


:
fg2 =
fg2,0 * Ii0 / Ii

2,04 cm

From shrinkage at point of time t =:


:
Final shrinkage value cS =
Nsch =
zsch =
Msch =
fsch =

325*10-6

(Ac * Ea / nS * cS) / 10
z'sS - (hd-hpb)/2
Nsch * zsch / 100
100 * 1/8 * Msch * L / ( Ea/10 * IiS )

= 1303,61 kN
= 11,27 cm
= 146,92 kN
=
1,18 cm

Maximum deflection:
max_f = fB + fg2 + fsch + fq

6,40 cm

Recommended camber:
fB0 + fg2,0
f0 =

3,04 cm

Maximum deflection in final state:


f=
max_f - f0

3,36 cm

Structural verification:
f/100 / ( L / 300 )

0,84 < 1

The deflection in the working state meets the required standard!

Euro-Code 4

Folder: _EC4 Floors

Composite floor in the final state:


q

System:

Steel profile with lugs; values according to manufacturer's specifications (approval )


m=
166,00
k=
0,15
Sheet thickness t =
0,86 mm
e=
17,00 mm
Beam length L =
4,80 m
Stability fyp =
350,00 N/mm
1562,00 N/mm
Cross section area Ap =
280,00 kN/m
u,Rd =
750,00 mm/m
minimum width of concrete ribs b0 =
Concrete:
Floor thickness ht =
14,00 cm
Concrete = SEL("concrete/EC"; Name; )
= C25/30
fck =
TAB("concrete/EC"; fck; Name=Concrete)
=
25,00 N/mm
TAB("concrete/EC"; fctk05; Name=Concrete)|
=
1,80 N/mm
fctk005 =
Influences:
Final state:
Permanent load of composite floor G1 =
Permanent load of design loads G2 =
Imposed load Q =
Partial safety factors:
Dead load G =
Imposed Load Q =
Concrete c =
Profile steel sheeting ap =
Longitudinal shear vs =

3,30 kN/m
1,20 kN/m
5,00 kN/m
1,35
1,50
1,50
1,10
1,25

Structural verification of the composite floor in the final state:


b=
1000,00 mm
Deflection:
( G * ( G1 +G2 )+Q * Q) * L / 8
MSd =

39,10 kNm/m

Design resistance:
(Ap * fyp / ap)/1000
Ncf =

497,00 kN

=
=
dp =

=
=

0,85
35,08
123,00 mm

1000 * Ncf / (b * (
* fck/c))
10*ht - e

Mp,Rd = Ncf * ( dp - 0.5 * ) / 1000


Structural verification:
MSd / Mp,Rd

0,75 < 1

52,41 kNm/m

Euro-Code 4

Folder: _EC4 Floors

Longitudinal shear, m + k - method:


Design shear force at the footing point:
( G*(G1+G2) + Q * Q ) * L / 2
VSd =
Longitudinal shear resistance:
Shear length Ls = 1000 * L / 4
(b * dp * ( m * Ap / ( b * Ls ) + k) / vs )/1000
Vl,Rd =
Structural verification:
VSd / Vl,Rd

32,58 kN/m

= 1200,00 mm
=
36,02 kN/m

0,90 < 1

Longitudinal shear, partial shear connection ( EC4, Appendix E ):


Design value of the bond strength according to manufacturer's information:
Shear length at full shear connection =
1,00
Lsf =
Ncf / ( b/1000 * u,Rd )
=
1,77 m
Design resistance:
0.09 * (fck)(1/3)
=
0,26 N/mm
Rd =
1.6 - dp /1000
=
1,48 > 1
kv =
Ap =
b0 * t
=
645,00 mm
=
0,007
=
Ap / ( b0 * dp )
Vv,Rd = (b0 * dp * Rd * kv * ( 1.2 + 40 * ))/1000
=
52,54 kN/m
Structural verification:
VSd / Vv,Rd

0,62 < 1

Euro-Code 4

Folder: _EC4 Floors

Composite beams - Ultimate load bearing capacity:


q

System:

Beam length L =
Number of temporary props a =
Beam distance s =
Flange width b0 =

12,00 m
1,00
3,60 m
12,60 cm

Materials:
Concrete =
SEL("concrete/EC"; Name; )
=
C25/30
Steel =
SEL("steel/EC"; NameEN; )
=
S355
Beam type =
SEL("steel/profils"; Name; )
=
IPE
Nominal height NH = SEL("steel/"type; NH; )
=
400
A=
TAB("steel/"type; A; NH=NH)
=
84,50 cm
h=
TAB("steel/"type; h; NH=NH)/10
=
40,00 cm
t=
TAB("steel/"type; s; NH=NH)/10
=
0,86 cm
Iy =
TAB("steel/"type; Iy ; NH=NH)
= 23130,00 cm4
Mpl =
TAB("steel/"type; Mplyd; NH=NH)
=
289,00 kNm
Mpl =
IF(Steel="S355";1,5;1)*Mpl
=
433,50 kNm
Shear connectors
22
100,00 mm
hb =
d=
19,00 mm
Distance of shear connectors eL =
15,00 cm
450,00 N/mm
Ultimate strength fu =
Load:
gk =
qk =

14,50 kN/m
18,00 kN/m

Partial safety factors:


Dead load G =
Imposed Load Q =
Concrete c =
Construction steel a =
Profile steel sheeting ap =
Longitudinal shear vs =

1,35
1,50
1,50
1,10
1,10
1,25

beff
hd
hpb

Floor thickness hd =
Thickness of profile steel sheeting hpb =
Cross-sectional area of plate Ap =

16,00 cm
5,10 cm
15,62 kN/m

Euro-Code 4

Folder: _EC4 Floors

Material properties:
Ecm =
TAB("concrete/EC"; Ecm; Name=Concrete)
fck =
TAB("concrete/EC"; fck; Name=Concrete)
fctk005 = TAB("concrete/EC"; fctk05; Name=Concrete)
fck / c
fcd =
Ea =
fyk =
fyd =

TAB("steel/EC"; E; NameEN=Steel)
TAB("steel/EC"; fy; NameEN=Steel)
fyk / a

=
=
=
=

30500,00 N/mm
25,00 N/mm
1,80 N/mm
16,67 N/mm

=
=
=

210000,00 N/mm
355,00 N/mm
322,73 N/mm

Holorib sheeting in accordance with building regulations approval:


280,00 N/mm
fyp =
Conformation of fitness for purpose:
Stress resultants in ultimate state analysis of fitness for purpose:
G * gk + Q * qk
=
46,58 kN/m
rd =
rd * L / 8
=
838,44 kNm
MSd =
rd *L / 2
=
279,48 kN
VSd =
Cross section load bearing capacity with full shear connection:
2*L/8
=
beff =
beff =
MIN(beff ; s)
=
Av =
1.04 * h * t
=
=
Npl,a,Rd = A * fyd / 10
Ncd =
0.85 * fcd * 100 * beff * ( hd - hpb )
=
0,85
c =
zpl =
Npl,a,Rd / ( 10 * c * fcd * beff )
=

3,00 m
3,00 m
35,78 cm
2727,07 kN
46334,26 kN
6,42 cm

The plastic neutral axis is in the concrete chord above the profile steel sheeting.
Distance to centre of gravity:
a=
h / 2 + hd - zpl / 2
Mpl,Rd = Npl,a,Rd * a / 100
Av * fyk / ( 10 * (3) * a )
Vpl,Rd =
Structural verifications:
MSd / Mpl,Rd
VSd / Vpl,Rd

=
=
=

=
=

32,79 cm
894,21 kNm
666,68 kN

0,94 < 1
0,42 < 1

Longitudinal shear load capacity and shear connection:


hb / d
=
5,26 > 4 -> shear connectors are ductile
=
1,00
=
IF(hb /d>4; 1; 0.2 * ((hb/d)+1))
Marginal force of a shear connector:
PRd1 = (0.8 * fu * * d / ( 4 * vs ))/1000
PRd2 = (0,29 * * d * ( fck * Ecm) /vs)/1000
MIN( PRd1 ; PRd2 )
PRd =

=
=
=

81,66 kN
73,13 kN
73,13 kN

Euro-Code 4

Folder: _EC4 Floors

single-row:
1,00 (one row of shear connectors)
Nr =
kt1 =
(0.7 / ( Nr )) * (b0 / hpb) * (( hb /10) / hpb- 1 )
kt2 =
kt =
MIN ( kt1 ; kt2 )
PRd1 = kt * PRd
double-row:
Nr =
2,00 (two rows of shear connectors)
(0.7 / ( Nr )) * (b0 / hpb) * (( hb /10) / hpb- 1 )
kt1 =
kt2 =
kt =
MIN ( kt1 ; kt2 )
PRd2 = kt * PRd

=
=
=

=
=
=

Possible shear connector configurations:


7 pairs of shear connectors at the end of the beam Anzp =
33 individual shear connectors in the span Anze =
aufn_V = Anze * PRd1 + 2 * Anzp * PRd2 =
2767,94 kN
Structural verification:
Npl,a,Rd / aufn_V

1,66
0,85
0,85
62,16 kN

1,17
0,70
0,70
51,19 kN

7,00
33,00

0,99 < 1

Structural verification against diagonal strut failure according to NAD for Germany:
Acv =
100 * ( hd - hpb )
= 1090,00 N/m
Normal concrete =
1,00
0.2 * Acv * * fck / ( c *10 )
=
363,33 kN/m
Rd,2 =
PRd1 / ( eL / 100 )
=
414,40 kN/m
Sd =
=
207,20 kN/m
Sd,li =
Sd *1/2
Sd,li / Rd,2
=
0,57 < 1
This calculation disregards the input from profile steel sheeting!
Cross reinforcement necessary:
NAD Rd = 0.09 * fck(1/3)
Ap * fyp /( ap * 10 )
pd =
2.5 * Acv * * ( Rd / 10 ) + pd
Rd,3 =
Structural verification of diagonal strut:
=
Sd,li / Rd,3
Working state analysis of composite beams:
Form factors:
Short term load at point of time t =0:
n0 =
Ea / Ecm
Effective component thickness:
Beam width in air u =
ho =
2 * hd *u / u

=
=
=

0,44 < 1

6,89

360,00 cm
32,00 cm

0,26 N/mm
397,60 kN/m
468,45 kN/m

Euro-Code 4

Folder: _EC4 Floors

Final creep value t0 =14 days


according to EC2 Appendix1 =
Creep under continuous load n
=
Shrinkage and creep nS =
Ac =
Ic =
z's0 =

n0 * 3
n0 * 2
100 * beff * ( hd - hpb )
100 * beff * ( hd - hpb ) / 12

(A*(h/2+hd)+Ac/n0*(hd-hpb)/2)/(A+Ac/n0)

(Iy+Ic/n0)/10000+(A*(h/2+hd)+Ac/n0*((hd-hpb)/2))/10000
((z's0/100)*(A+Ac/n0)*(-1))

z's
=

(A*(h/2+hd)+Ac/n*(hd-hpb)/2)/(A+Ac/n)

*((hd-hpb)/2))/10000
(Iy+Ic/n
)/10000+(A*(h/2+hd)+Ac/n
((z's/100)*(A+Ac/n
)*(-1))

z'sS =

(A*(h/2+hd )+Ac/nS*(hd-hpb)/2)/(A+Ac/nS)

(Iy+Ic/nS)/10000+(A*(h/2+hd)+Ac/nS*((hd-hpb)/2))/10000
((z'sS/100)*(A+Ac/nS)*(-1))

Calculation of midspan deflection:


Release of temporary prop at point of time t =0
B=
gk * 1.25 * L/2
fB0 =
100 * B * L / ( 48 * Ea/10 * Ii0 )

=
=
=
=

2,70
20,67
13,78
3270,00 cm
32375,72 cmm
10,07 cm

=
=

15,14 cmm
-5,67 cmm

Ii0=

9,47 cmm

16,09 cm

=
=

13,89 cmm
-6,28 cmm

Ii
=

7,61 cmm

13,47 cm

=
=

14,20 cmm
-5,84 cmm

IiS=

8,36 cmm

=
=

108,75 kN
1,97 cm

Assumption: 40% of the live load as a permanent load at point of time t =0:
Ratio=
0,40
fg2,0 =
100 * 5/384 * Ratio* qk * L4 / ( Ea/10 * Ii0)
=
0,98 cm
f0 =

fB0 + fg2,0

2,95 cm

from imposed load (short term ratio):


Ratio2 = 1 - Ratio
fq =
100 * 5/384 * Ratio2 * qk * L4 / ( Ea/10 * Ii0)

=
=

0,60
1,47 cm

From removal of temporary prop at point of time t =


:
fB =
fB0 * Ii0 / Ii

2,45 cm

Euro-Code 4

Folder: _EC4 Floors

From gk2 + qpermanent at point of time t =:


:
fg2 =
fg2,0 * Ii0 / Ii

1,22 cm

fd =

3,67 cm

0,72 cm

fB + fg2

Creep under continuous load only:


fk =
fd - f0
From shrinkage at point of time t =:
:
Final shrinkage value cS =
Nsch = (Ac * Ea / nS * cS) / 10
z'sS - (hd-hpb)/2
zsch =
Msch = Nsch * zsch / 100
fsch =
100 * 1/8 * Msch * L / ( Ea/10 * IiS )

325*10-6
=
=
=
=

1619,58 kN
8,02 cm
129,89 kN
1,33 cm

Maximum deflection:
max_f =

fB + fg2 + fsch + fq

6,47 cm

Recommended camber:
f0 =

fB0 + fg2,0

2,95 cm

Maximum deflection in final state:


f=
max_f - f0

3,52 cm

Structural verification:
f/100 / ( L / 250 )
=
0,73 < 1
The deflection in the working state meets the required standard!
Vibration behaviour:
=
10* / L *
(Ea * Ii0 / (gk * 98.1 ))
f=
/(2*)
The natural frequency should be no less than 3 Hz.
For sports or dance halls, it should be no less than 5 Hz.

25,63 (1/s)

4,08 Hz

Euro-Code 4

Folder: _EC4 Floors

POS.: Composite beams - Ultimate load bearing capacity:


q

System:

Beam length L =
Number of temporary props a =
Beam distance s =
Flange width b0 =

12,00 m
1,00
3,60 m
12,60 cm

Materials:
Concrete =
SEL("concrete/EC"; Name; )
Steel =
SEL("steel/EC"; NameEN; )
Beam type =
SEL("steel/profils"; Name; )
Nominal height NH = SEL("steel/"type; NH; )
A=
TAB("steel/"type; A; NH=NH)
h=
TAB("steel/"type; h; NH=NH)/10
t=
TAB("steel/"type; s; NH=NH)/10
Iy =
TAB("steel/"type; Iy ; NH=NH)
Mpl =
TAB("steel/"type; Mplyd ; NH=NH)
Mpl =
IF(Steel="S355";1,5;1)*Mpl
Shear connectors
22
hb =
100,00 mm
d=
22,00 mm
Distance of shear connectors eL =
15,00 cm
Ultimate strength fu =
450,00 N/mm

=
=
=
=
=
=
=
=
=
=

C25/30
S355
IPE
450
98,80 cm
45,00 cm
0,94 cm
33740,00 cm4
373,00 kNm
559,50 kNm

Load:
gk1 =
gk2 =
qk =

15,28 kN/m
7,74 kN/m (after removal of temporary props)
18,00 kN/m

Partial safety factors:


Dead load G =
Imposed Load Q =
Concrete c =
Construction steel a =
Profile steel sheeting ap =
Longitudinal shear vs =

1,35
1,50
1,50
1,10
1,10
1,25

beff
hd
hpb
Floor thickness hd =
Thickness of profile steel sheeting hpb =
Cross-sectional area of plate Ap =

16,00 cm
5,10 cm
15,62 kN/m

Euro-Code 4

Folder: _EC4 Floors

Material properties:
Ecm =
TAB("concrete/EC"; Ecm; Name=Concrete)
fck =
TAB("concrete/EC"; fck; Name=Concrete)
fctk005 = TAB("concrete/EC"; fctk05; Name=Concrete)
fck / c
fcd =

=
=
=
=

30500,00 N/mm
25,00 N/mm
1,80 N/mm
16,67 N/mm

Ea =
TAB("steel/EC"; E; NameEN=Steel)
=
210000,00 N/mm
TAB("steel/EC"; fy; NameEN=Steel)
=
355,00 N/mm
fyk =
fyk / a
=
322,73 N/mm
fyd =
Holorib sheeting in accordance with building regulations approval:
fyp =
280,00 N/mm
Conformation of fitness for purpose:
Stress resultants in ultimate state analysis of fitness for purpose:
G * ( gk1 + gk2 ) + Q * qk
=
58,08 kN/m
rd =
MSd =
rd * L / 8
=
1045,44 kNm
VSd =
rd *L / 2
=
348,48 kN
Cross section load bearing capacity with full shear connection:
2*L/8
=
3,00 m
beff =
beff =
MIN(beff ; s)
=
3,00 m
Av =

1.04 * h * t

Npl,a,Rd =
Ncd =
c =

43,99 cm

A * fyd / 10
0.85 * fcd * 10 * beff * ( hd - hpb )
0,85

=
=

3188,57 kN
4633,43 kN

Npl,a,Rd / ( 10 * c * fcd * beff )


=
7,50 cm
The plastic neutral axis is in the concrete chord above the profile steel sheeting.

zpl =

Distance to centre of gravity:


a=
h / 2 + hd - zpl / 2
Mpl,Rd =

34,75 cm

Npl,a,Rd * a / 100

Vpl,Rd = Av * fyk / ( 10 * (3) * a )

819,65 kN

Structural verifications:
MSd / Mpl,Rd
VSd / Vpl,Rd

=
=

0,94 < 1
0,43 < 1

Longitudinal shear capacity and shear connection:


=
hb / d
=
IF(hb /d>4; 1; 0.2 * ((hb/d)+1))
Marginal force of a shear connector:
PRd1 = (0.8 * fu * * d / ( 4 * vs ))/1000
PRd2 = (0,29 * * d * ( fck * Ecm) /vs)/1000
PRd =
MIN( PRd1 ; PRd2 )

1108,03 kNm

4,55 > 4 -> shear connectors are ductile


=
1,00

=
=
=

109,48 kN
98,05 kN
98,05 kN

Euro-Code 4

Folder: _EC4 Floors

Number of rows of shear connectors Nr =


1,00
(0.7 / ( Nr )) * (b0 / hpb) * (( hb /10) / hpb- 1 )
=
kt1 =
kt2 =
kt =
MIN ( kt1 ; kt2 )
=
PRd = kt * PRd
=

1,66
0,75
0,75
73,54 kN

Required number of shear connectors for full shear connection:


=
44 Dbel
erf_n =
Npl,a,Rd / PRd + 0.49
=
40 Dbel
vorh_n = 100*L/2/eL +0.49
because: erf_n / vorh_n
=
1,10 is a partial connection
The maximum transferrable concrete compression force is:
vorh_n * PRd = 2941,60 kN
Nc =
=
0,92 < 1
Degree of shear connection = Nc / Npl,a,Rd
Reduced plastic bending moment, calculated with linear interpolation:
Mpl + * ( Mpl,Rd - Mpl )
=
1064,15 kNm
MRd =
Structural verification:
MSd / MRd

0,98 < 1

Note: No reduction in interaction, because maximum moment and maximum lateral shear
force do not occur in the same place.
Shear connector configurations permissible?
a) Cross section class 1 or 2 OK
b) erf_
=

0.25 + 0.03 * L

0,61

erf_
/

0,66 < 1

c)
Mpl,Rd / ( 2.5 * Mpl )

0,79 < 1

All conditions a-c have to be met!


Connection of lateral concrete chord:
Lateral shear::
PRd / ( eL / 100 )
Sd =
Relevant:
Sd * 1 / 2
Sd,li =
( hd - hpb ) * 100
Acv =
Normal concrete =
Rd,2 =
0.2 * Acv * * fck / ( c *10 )

490,27 kN/m

=
=

245,13 kN/m
1090,00 cm/m
1,00
363,33 kN/m

Structural verification against diagonal strut failure:


=
0,67 < 1
Sd,li / Rd,2
This calculation disregards the input from profile steel sheeting!
EC4 Rd1 =

0.25 * fctk005 / c

0,30 MN/mm

NAD Rd2 =
Rd =
pd =
Rd,3 =

0.09 * fck(1/3)
MIN ( Rd1 ; Rd2 )
Ap * fyp /( ap * 10 )
2.5 * Acv * * ( Rd / 10 ) + pd

=
=
=
=

0,26 MN/mm
0,26 MN/mm
397,60 kN/m
468,45 kN/m

Euro-Code 4

Folder: _EC4 Floors

Structural verification of diagonal strut:


Sd,li / Rd,3
=
0,52 < 1
The cross reinforcement has been ignored in this calculation.
In the construction, provision should be made for 0.2% or the relevant cross section area Acv
that may also be taken into account
as part of the bending reinforcement to absorb the negative moment (moment at support) of
the transversal continuous composite floor.

You might also like