KEMBAR78
Cetpa Infotech Pvt. LTD: Department of Embedded System | PDF | Capacitor | Electrical Resistance And Conductance
0% found this document useful (0 votes)
90 views42 pages

Cetpa Infotech Pvt. LTD: Department of Embedded System

This document describes a microcontroller-based door locker access control system. It uses an 8-bit AT89C2051 microcontroller with 2KB of program memory to control the system. The system includes a keypad to enter a password, which is compared to a stored password. If the correct password is entered, the gate opens. If an incorrect password is entered, an alarm is activated. The default password is 123456. There is also a button inside the door to open/close it. The document lists the components used and provides details on programming the microcontroller.

Uploaded by

SiddharthRawat
Copyright
© © All Rights Reserved
We take content rights seriously. If you suspect this is your content, claim it here.
Available Formats
Download as DOC, PDF, TXT or read online on Scribd
0% found this document useful (0 votes)
90 views42 pages

Cetpa Infotech Pvt. LTD: Department of Embedded System

This document describes a microcontroller-based door locker access control system. It uses an 8-bit AT89C2051 microcontroller with 2KB of program memory to control the system. The system includes a keypad to enter a password, which is compared to a stored password. If the correct password is entered, the gate opens. If an incorrect password is entered, an alarm is activated. The default password is 123456. There is also a button inside the door to open/close it. The document lists the components used and provides details on programming the microcontroller.

Uploaded by

SiddharthRawat
Copyright
© © All Rights Reserved
We take content rights seriously. If you suspect this is your content, claim it here.
Available Formats
Download as DOC, PDF, TXT or read online on Scribd
You are on page 1/ 42

Department of Embedded System

CETPA INFOTECH PVT. LTD

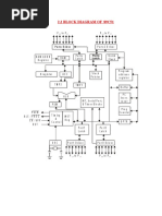
1. Introduction
2. Component Used
3. Circuit Diagram
4. 8051 Microcontroller Architecture
5. LED
6. Stepper Motor
7. Diode
8. Resistor
9. Crystal Oscillator
10. Voltage Regulator
11. Capacitor
12. Momentary switch
13. Source Code in Assembly
14. Bibliography

The microcontroller based Door locker is an access control system that allows only
authorized persons to access a restricted area. The system is fully controlled by the 8
bit microcontroller AT89C2051 which has a 2Kbytes of ROM for the program memory.

The system has a Keypad by which the password can be entered through it. When
the entered password equals with the password stored in the memory then the gate
gets open. If we entered a wrong password then the Alarm is switched on.
The default password is 123456 .There is an button which should be placed inside
the door so that the person inside can open/close the door.

Features :

Easy to use for day to day operation.


LCD display
Needs to be programmed only once.
Easy to program.

Benefits :

Accuracy
No manual intervention
Saves man power and money
Easy programming with the help of manual.

Sr. no.
1.
2.
3.
4.
5.
6.
7.
8.
9.
10.
11.

Component used
89c51 microcontroller (base + IC)
Diode (4007, .7v)
Uln 2003 (base + IC)
Unipolar Stepper motor
10k resistance
4.7k resistance
470 ohms resistance
Crystal oscillator (12Mhz frequency)
buzzer
Transformer (220v-909)
L.E.D.s

Quantity (no.s)
1
4
1
1
6
7
4
1
1
1
3

12.

Ceramic Capacitor (30pf-33pf)

13.

Electrolytic capacitor (100 microfarad,470 microfarad)

1,1

14.
15.

Seven segment(LT 542)


Voltage regulator (7805)(+5v)

2
1

16.

2-Pin connector

17.

5-pin connector

18.
19.

2- pin switches
Cello tape (for electrical use)

17
1

20.

Supply wire

2 mts

8051 Microcontroller

The AT89C51 is a low-power, high-performance CMOS 8-bit microcomputer with 4K


bytes of Flash programmable and erasable read only memory (PEROM). The device
is manufactured using Atmels high-density nonvolatile memory technology and is
compatible with the industry-standard MCS-51 instruction set and pin out. The onchip Flash allows the program memory to be reprogrammed in-system or by a
conventional non-volatile memory programmer. By combining a versatile 8-bit CPU
with Flash on a monolithic chip, the Atmel AT89C51 is a powerful microcomputer
which provides a highly-flexible and cost-effective solution to many embedded
control applications.

The AT89C51 provides the following standard features: 4K bytes of Flash, 128 bytes
of RAM, 32 I/O lines, two 16-bit timer/counters, a five vector two-level interrupt
architecture, a full duplex serial port, on-chip oscillator and clock circuitry. In
addition, the AT89C51 is designed with static logic for operation down to zero
frequency and supports two software selectable power saving modes. The Idle Mode
stops the CPU while allowing the RAM, timer/counters, serial port and interrupt
system to continue functioning. The Power-down Mode saves the RAM contents but
freezes the oscillator disabling all other chip functions until the next hardware reset.

Pin Configuration:

Pin Description:
VCC:
Supply voltage.
GND:
Ground.
Port 0:
Port 0 is an 8-bit open-drain bi-directional I/O port. As an output port, each pin can
sink eight TTL inputs. When 1s are written to port 0 pins, the pins can be used as
high impedance inputs. Port 0 may also be configured to be the multiplexed low
order
Address /data bus during accesses to external program and data memory. In this
mode P0 has internal pull ups. Port 0 also receives the code bytes during Flash
programming,
and outputs the code bytes during program verification. External pull ups are
required during program verification.

Port 1:
Port 1 is an 8-bit bi-directional I/O port with internal pull-ups. The Port 1 output
buffers can sink/source four TTL inputs. When 1s are written to Port 1 pins they are
pulled high by the internal pull-ups and can be used as inputs. As inputs, Port 1 pins
that are externally being pulled low will source current (IIL) because of the internal
pull-ups. Port 1 also receives the low-order address bytes during Flash programming
and verification.

Port 2:
Port 2 is an 8-bit bi-directional I/O port with internal pull-ups. The Port 2 output
buffers can sink/source four TTL inputs. When 1s are written to Port 2 pins they are
pulled high by the internal pull-ups and can be used as inputs. As inputs, Port 2 pins
that are externally being pulled low will source current (IIL) because of the internal
pull-ups.
Port 2 emits the high-order address byte during fetches from external program
memory and during accesses to external data memory that use 16-bit addresses
(MOVX @ DPTR). In this application, it uses strong internal pull-ups when emitting
1s. During accesses to external data memory that use 8-bit addresses (MOVX @ RI),
Port 2 emits the contents of the P2 Special Function Register. Port 2 also receives the
high-order address bits and some control signals during Flash programming and
verification.

Port 3:

Port 3 is an 8-bit bi-directional I/O port with internal pull-ups. The Port 3 output
buffers can sink/source four TTL inputs. When 1s are written to Port 3 pins they are
pulled high by the internal pull-ups and can be used as inputs. As inputs, Port 3 pins
that are externally being pulled low will source current (IIL) because of the pull-ups.
Port 3 also serves the functions of various special features of the AT89C51 as listed
below: Port 3 also receives some control signals for Flash programming and
verification.

ALE/PROG:
Address Latch Enable output pulse for latching the low byte of the address during
accesses to external memory. This pin is also the program pulse input (PROG) during
Flash programming. In normal operation ALE is emitted at a constant rate of 1/6 the
oscillator frequency, and may be used for external timing or clocking purposes. Note,
however, that one ALE
Pulse is skipped during each access to external Data Memory. If desired, ALE
operation can be disabled by setting bit 0 of SFR location 8EH. With the bit set, ALE
is active only during a MOVX or MOVC instruction. Otherwise, the pin is weakly pulled
high. Setting the ALE-disable bit has no effect if the microcontroller is in external
execution mode.

RESET:
Reset input. A high on this pin for two machine cycles while the oscillator is running
resets the device.

PSEN:
Program Store Enable is the read strobe to external program memory. When the
AT89C51 is executing code from external program memory, PSEN is activated twice
each machine cycle, except that two PSEN activations are skipped during each access
to external data memory.

EA/VPP:
External Access Enable. EA must be strapped to GND in order to enable the device to
fetch code from external program memory locations starting at 0000H up to FFFFH.
Note, however, that if lock bit 1 is programmed, EA will be internally latched on
reset. EA should be strapped to VCC for internal program executions. This pin also
receives the 12-volt programming enable voltage (VPP) during Flash programming,
for parts that require 12-volt VPP.

XTAL1:
Input to the inverting oscillator amplifier and input to the internal clock operating
circuit.

XTAL2:
Output from the inverting oscillator amplifier.

Oscillator Characters:
XTAL1 and XTAL2 are the input and output, respectively, of an inverting amplifier
which can be configured for use as an on-chip oscillator, as shown in Figure 1. Either
a quartz crystal or ceramic resonator may be used. To drive the device from an
external clock source, XTAL2 should be left unconnected while XTAL1 is driven as
shown in Figure 2. There are no requirements on the duty cycle of the external clock
signal, since the input to the internal clocking circuitry is through a divide-by-two
flip-flop, but minimum and maximum voltage high and low time specifications must
be observed.
Idle Mode:
In idle mode, the CPU puts itself to sleep while all the on chip peripherals remain
active. The mode is invoked by software. The content of the on-chip RAM and all the
special functions registers remain unchanged during this mode. The idle mode can be
terminated by any enabled interrupt or by a hardware reset. It should be noted that
when idle is terminated by a hard ware reset, the device normally resumes program
execution, from where it left off, up to two machine cycles before the internal reset
algorithm takes control. On-chip hardware inhibits access to internal RAM in this
event, but access to the port pins is not inhibited. To eliminate the possibility of an
unexpected write to a port pin when Idle is terminated by reset, the instruction
following the one that invokes Idle should not be one that writes to a port pin or to
external memory.
Programming the Flash:
The AT89C51 is normally shipped with the on-chip Flash memory array in the erased
state (that is, contents = FFH) and ready to be programmed. The programming
interface accepts either a high-voltage (12-volt) or a low-voltage (VCC) program
enable signal. The low-voltage programming mode provides a convenient way to
program the AT89C51 inside the users system, while the high-voltage programming
mode is compatible with conventional third party Flash or EPROM programmers. The
AT89C51 is shipped with either the high-voltage or low-voltage programming mode
enabled.
The AT89C51 code memory array is programmed byte by byte in either programming
mode. To program any nonblank byte in the on-chip Flash Memory, the entire
memory must be erased using the Chip Erase Mode.
Programming Algorithm:

Before programming the AT89C51, the address, data and control signals should be
set up according to the Flash programming mode table. To program the AT89C51,
take the following steps.
1. Input the desired memory location on the address lines.
2. Input the appropriate data byte on the data lines.
3. Activate the correct combination of control signals.
4. Raise EA/VPP to 12V for the high-voltage programming mode.
5. Pulse ALE/PROG once to program a byte in the Flash array or the lock bits. The
byte-write cycle is self-timed and typically takes no more than 1.5 ms.
Repeat steps 1 through 5, changing the address and data for the entire array or until
the end of the object file is reached.
Data Polling: The AT89C51 features Data Polling to indicate the end of a write cycle.
During a write cycle, an attempted read of the last byte written will result in the
complement of the written datum on PO.7. Once the write cycle has been completed,
true data are valid on all outputs, and the next cycle may begin. Data Polling may
begin any time after a write cycle has been initiated.
Ready/Busy: The progress of byte programming can also be monitored by the
RDY/BSY output signal. P3.4 is pulled low after ALE goes high during programming to
indicate BUSY. P3.4 is pulled high again when programming is done to indicate
READY.
Program Verify: If lock bits LB1 and LB2 have not been programmed, the
programmed code data can be read back via the address and data lines for
verification. The lock bits cannot be verified directly. Verification of the lock bits is
achieved by observing that their features are enabled.

Chip Erase: The entire Flash array is erased electrically by using the proper
combination of control signals and by holding ALE/PROG low for 10 ms. The code
array is written with all 1s. The chip erase operation must be executed before the
code memory can be re-programmed.

Reading the Signature Bytes: The signature bytes are read by the same
procedure as a normal verification of locations 030H, 031H, and 032H, except that
P3.6 and P3.7 must be pulled to a logic low. The values returned are as follows.
(030H) = 1EH indicates manufactured by Atmel
(031H) = 51H indicates 89C51
(032H) = FFH indicates 12V programming
(032H) = 05H indicates 5V programming

Special Function Registers:


A map of the on-chip memory area called the Special Function Register (SFR) space.
Note that not all of the addresses are occupied, and unoccupied addresses may not
be implemented on the chip. Read accesses to these addresses will in general return
random data, and write accesses will have an indeterminate effect. User software
should not write 1s to these unlisted locations, since they may be used in future
products to invoke.

Data Memory:
The AT89C52 implements 256 bytes of on-chip RAM. The upper 128 bytes occupy a
parallel address space to the Special Function Registers. That means the upper 128
bytes have the same addresses as the SFR space but are physically separate from
SFR space. When an instruction accesses an internal location above address 7FH, the
address mode used in the instruction specifies whether the CPU accesses the upper
128 bytes of RAM or the SFR space. Instructions that use direct addressing access
SFR space. new features. In that case, the reset or inactive values of the new bits
will always be 0.
Interrupt Registers:
The individual interrupt enable bits are in the IE register. Two priorities can be set for
each of the six interrupt sources in the IP register. specifies whether the CPU
accesses the upper 128 bytes of RAM or the SFR space. Instructions that use direct
addressing access SFR space. For example, the following direct addressing
instruction accesses the SFR at location 0A0H (which is P2).

Instructions that use indirect addressing access the upper 128 bytes of RAM. For
example, the following indirect addressing instruction, where R0 contains 0A0H,
accesses the data byte at address 0A0H, rather than P2 (whose address is 0A0H).
Timer 0 and 1:
Timer 0 and Timer 1 in the AT89C52 operate the same way as Timer 0 and Timer 1
in the AT89C51.

Timer 2:
Timer 2 is a 16-bit Timer/Counter that can operate as either a timer or an event
counter. The type of operation is selected by bit C/T2 in the SFR T2CON. Timer 2 has
three operating modes: capture, auto-reload (up or down counting), and baud rate
generator. The modes are selected by bits in T2CON. Timer 2 consists of two 8-bit
registers, TH2 and TL2. In the Timer function, the TL2 register is incremented every
machine cycle. Since a machine cycle consists of 12 oscillator periods, the count rate
is 1/12 of the oscillator frequency. In the Counter function, the register is
incremented in response to a 1-to-0 transition at its corresponding external input
pin, T2. In this function, the external input is sampled during S5P2 of every machine
cycle. When the samples show a high in one cycle and a low in the next cycle, the
count is incremented. The new count value appears in the register during S3P1 of
the cycle following the one in which the transition was detected. Since two machine
cycles (24 oscillator periods) are required to recognize a 1-to-0 transition, the
maximum count rate is 1/24 of the oscillator frequency. To ensure that a given level

is sampled at least once before it changes, the level should be held for at least one
full machine cycle.
Capture Mode:
In the capture mode, two options are selected by bit EXEN2 in T2CON. If EXEN2 = 0,
Timer 2 is a 16-bit timer or counter which upon overflow sets bit TF2 in T2CON. This
bit can then be used to generate an interrupt. If EXEN2 = 1, Timer 2 performs the
same operation, but a 1- to-0 transition at external input T2EX also causes the
current value in TH2 and TL2 to be captured into CAP2H and RCAP2L, respectively.
In addition, the transition at T2EX causes bit EXF2 in T2CON to be set. The EXF2 bit,
like TF2, can generate an interrupt.
Auto-reload (Up or Down Counter):
Timer 2 can be programmed to count up or down when configured in its 16-bit autoreload mode. This feature is invoked by the DCEN (Down Counter Enable) bit located
in the SFR T2MOD. Upon reset, the DCEN bit is set to 0 so that timer 2 will default to
count up. When DCEN is set, Timer 2 can count up or down, depending on the value
of the T2EX pin.
Interrupts:
The AT89C52 has a total of six interrupt vectors: two external interrupts (INT0 and
INT1), three timer interrupts (Timers 0, 1, and 2), and the serial port interrupt. Each
of these interrupt sources can be individually enabled or disabled by setting or
clearing a bit in Special Function Register IE. IE also contains a global disable bit, EA,
which disables all interrupts at once. Note that bit position IE.6 is unimplemented. In
the AT89C51, bit position IE.5 is also unimplemented. User software should not write
1s to these bit positions, since they may be used in future AT89 products. Timer 2
interrupt is generated by the logical OR of bits TF2 and EXF2 in register T2CON.
Neither of these flags cleared by hardware when the service routine is vectored . In
fact, the service routine may have to determine whether it was TF2 or EXF2 that
generated the interrupt, and that bit will have to be cleared in software. . The Timer
0 and Timer 1 flags, TF0 and TF1, are set at S5P2 of the cycle in which the timers
overflow.

The values are then polled by the circuitry in the next cycle.However, the Timer 2
flag, TF2, is set at S2P2 and is polled in the same cycle in which the timer overflows.

SERIAL COMMUNICATION:
Computers transfer data in two ways:
Parallel: Often 8 or more lines (wire conductors) are used to transfer data to a
device that is only a few feet away.
Serial: To transfer to a device located many meters away, the serial method is used.
The data is sent one bit at a time.

At the transmitting end, the byte of data must be converted to serial bits using
parallel-in-serial-out shift register. At the receiving end, there is a serial in-parallelout shift register to receive the serial data and pack them into byte. When the
distance is short, the digital signal can be transferred as it is on a simple wire and
requires no modulation. If data is to be transferred on the telephone line, it must be
converted from 0s and 1s to audio tones.
This conversion is performed by a device called a modem, Modulator/demodulator.
Serial data communication uses two methods; Synchronous method transfers a
block of data at a time Asynchronous method transfers a single byte at a time It is
possible to write software to use either of these methods, but the programs can be
tedious and long. There are special IC chips made by many manufacturers for serial
communications UART (universal asynchronous Receiver transmitter) USART
(universal synchronous asynchronous Receiver-transmitter). If data can be
transmitted and received, it is a duplex transmission. If data transmitted one way a
time, it is referred to as half duplex. If data can go both ways at a time, it is full
duplex.

A protocol is a set of rules agreed by both the sender and receiver on.
When the data begins and ends. Asynchronous serial data communication is widely
used for character-oriented transmissions;
Each character is placed in between start and stop bits, this is called framing.
Block-oriented data transfers use the synchronous method.
The start bit is always one bit, but the stop bit can be one or two bits The start bit is
always a 0 (low) and the stop bit(s) is 1 (high)

SBUF is an 8-bit register used solely for serial communication. For a byte data to be
transferred via the TxD line, it must be placed in the SBUF Register. The moment a
byte is written into SBUF, it is framed with the start and stop bits and transferred
serially via the TxD line SBUF holds the byte of data when it is received by 8051 RxD
line. When the bits are received serially via RxD, the 8051 de-frames it by
eliminating the stop and start bits, making a byte out of the data received, and then
placing it in SBUF
MOV SBUF,#D ;load SBUF=44h, ASCII for D
MOV SBUF,A ;copy accumulator into SBUF
MOV A,SBUF ;copy SBUF into accumulator
SCON is an 8-bit register used to program the start bit, stop bit, and data
bits of data framing, among other things.

SM0, SM1: They determine the framing of data by specifying the number of bits per
character, and the start and stop bits.
SM2: This enables the multiprocessing capability of the 8051.
REN (receive enable): It is a bit-addressable register. When it is high, it allows
8051 to receive data.
RxD pin: If low, the receiver is disable.
TI (transmit interrupt): When 8051 finishes the transfer of 8-bit character. It
raises TI flag to indicate that it is ready to transfer another byte.TI bit is raised at the
beginning of the stop bit
RI (receive interrupt): When 8051 receives data serially via RxD, it gets rid of the
start and stop bits and places the byte in SBUF register. It raises the RI flag bit to
indicate that a byte has been received and should be picked up before it is lost. RI is
raised halfway through the stop bit.

A light-emitting diode (LED) is a semiconductor light source. LEDs are used as


indicator lamps in many devices, and are increasingly used for lighting.

The LED is based on the semiconductor diode. When a diode is forward biased (switched
on), electrons are able to recombine with holes within the device, releasing energy in the
form of photons. This effect is called electroluminescence and the color of the light
(corresponding to the energy of the photon) is determined by the energy gap of the
semiconductor.
An LED is usually small in area (less than 1 mm2), and integrated optical components are
used to shape its radiation pattern and assist in reflection. LEDs present many advantages
over incandescent light sources including lower energy consumption, longer lifetime,
improved robustness, smaller size, faster switching, and greater durability and reliability.
However, they are relatively expensive and require more precise current and heat
management than traditional light sources. Current LED products for general lighting are
more expensive to buy than fluorescent lamp sources of comparable output.

The original LEDs only emitted light of one frequency or color of light. These were
blues, greens, yellows, oranges or reds and they were unsuited for domestic lighting.
Recent innovations in materials, doping and die structure have developed high brightness
LEDs that emit light in all visible frequencies to produce white light.
The high efficiency LEDs made by Luxeon can be used in a variety of applications. The
most appropriate solution is dependent on the overall budget, needs and type of
installation. Different light sources will be used in different applications based on the
needs of the people.
They also enjoy use in applications as diverse as replacements for traditional light
sources in automotive lighting (particularly indicators) and in traffic signals.

A stepper motor (or step motor) is a brushless, synchronous electric motor that
can divide a full rotation into a large number of steps. The motor's position can be
controlled precisely without any feedback mechanism (see Open-loop controller), as
long as the motor is carefully sized to the application. Stepper motors are similar to
switched reluctance motors (which are very large stepping motors with a reduced
pole count, and generally are closed-loop commutated.)

Fundamentals of Operation
Stepper motors operate differently from DC brush motors, which rotate when voltage
is applied to their terminals. Stepper motors, on the other hand, effectively have
multiple "toothed" electromagnets arranged around a central gear-shaped piece of
iron. The electromagnets are energized by an external control circuit, such as a
microcontroller. To make the motor shaft turn, first one electromagnet is given
power, which makes the gear's teeth magnetically attracted to the electromagnet's
teeth. When the gear's teeth are thus aligned to the first electromagnet, they are
slightly offset from the next electromagnet. So when the next electromagnet is
turned on and the first is turned off, the gear rotates slightly to align with the next
one, and from there the process is repeated. Each of those slight rotations is called a
"step," with an integer number of steps making a full rotation. In that way, the motor
can be turned by a precise angle.

Stepper motor characteristics


1. Stepper motors are constant power devices.
2. As motor speed increases, torque decreases.
3. The torque curve may be extended by using current limiting drivers and
increasing the driving voltage.
4. Steppers exhibit more vibration than other motor types, as the discrete step
tends to snap the rotor from one position to another.
5. This vibration can become very bad at some speeds and can cause the motor
to lose torque.
6. The effect can be mitigated by accelerating quickly through the problem
speeds range, physically damping the system, or using a micro-stepping
driver.
7. Motors with a greater number of phases also exhibit smoother operation than
those with fewer phases.

How Stepper Motors Work


Stepper motors consist of a permanent magnet rotating shaft, called the rotor, and
electromagnets on the stationary portion that surrounds the motor, called the stator.
Figure 1 illustrates one complete rotation of a stepper motor. At position 1, we can
see that the rotor is beginning at the upper electromagnet, which is currently active
(has voltage applied to it). To move the rotor clockwise (CW), the upper
electromagnet is deactivated and the right electromagnet is activated, causing the
rotor to move 90 degrees CW, aligning itself with the active magnet. This process is
repeated in the same manner at the south and west electromagnets until we once
again reach the starting position.

In the above example, we used a motor with a resolution of 90 degrees or


demonstration purposes. In reality, this would not be a very practical motor for most
applications. The average stepper motor's resolution -- the amount of degrees
rotated per pulse -- is much higher than this. For example, a motor with a resolution
of 5 degrees would move its rotor 5 degrees per step, thereby requiring 72 pulses
(steps) to complete a full 360 degree rotation.

You may double the resolution of some motors by a process known as "halfstepping". Instead of switching the next electromagnet in the rotation on one at a
time, with half stepping you turn on both electromagnets, causing an equal attraction
between, thereby doubling the resolution.

Figure 1
As you can see in Figure 2, in the first position only the upper electromagnet is
active, and the rotor is drawn completely to it. In position 2, both the top and right
electromagnets are active, causing the rotor to position itself between the two active
poles. Finally, in position 3, the top magnet is deactivated and the rotor is drawn all
the way right. This process can then be repeated for the entire rotation.

Figure 2

There are several types of stepper motors. 4-wire stepper motors contain only two
electromagnets, however the operation is more complicated than those with three or
four magnets, because the driving circuit must be able to reverse the current after
each step. For our purposes, we will be using a 6-wire motor.
Unlike our example motors which rotated 90 degrees per step, real-world motors
employ a series of mini-poles on the stator and rotor to increase resolution. Although
this may seem to add more complexity to the process of driving the motors, the
operation is identical to the simple 90 degree motor we used in our example.
An example of a multipole motor can be seen in Figure 3. In position 1, the north
pole of the rotor's perminant magnet is aligned with the south pole of the stator's
electromagnet. Note that multiple positions are alligned at once. In position 2, the
upper electromagnet is deactivated and the next one to its immediate left is
activated, causing the rotor to rotate a precise amount of degrees. In this example,
after eight steps the sequence repeats.

Figure 3

Stepper Motor Driver IC ULN2003

Pin Connection:

A diode is a two-terminal electronic component that conducts electric current in only


one direction. The term usually refers to a semiconductor diode, the most common
type today, which is a crystal of semiconductor connected to two electrical terminals,
a P-N junction.
The most common function of a diode is to allow an electric current in one direction
(called the diode's forward direction) while blocking current in the opposite direction
(the reverse direction). Thus, the diode can be thought of as an electronic version of
a check valve. This unidirectional behavior is called rectification, and is used to
convert alternating current to direct current, and remove modulation from radio
signals in radio receivers.

The electrical resistance of an object is a measure of its opposition to the passage


of a steady electric current. An object of uniform cross section will have a resistance
proportional to its length and inversely proportional to its cross-sectional area, and
proportional to the resistivity of the material.

The resistance of a resistive object determines the amount of current through the
object for a given potential difference across the object, in accordance with Ohm's
law: I =V/R
R is the resistance of the object, measured in ohms, equivalent to Js/C2
V is the potential difference across the object, measured in volts
I is the current through the object, measured in amperes
For a wide variety of materials and conditions, the electrical resistance does not
depend on the amount of current through or the amount of voltage across the
object, meaning that the resistance R is constant for the given temperature and
material. Therefore, the resistance of an object can be defined as the ratio of voltage
to current.In the case of nonlinear objects (not purely resistive, or not obeying
Ohm's law), this ratio can change as current or voltage changes; the ratio taken at
any particular point, the inverse slope of a chord to an IV curve, is sometimes
referred to as a "chordal resistance" or "static resistance".[

A crystal oscillator is an electronic circuit that uses the mechanical resonance of a


vibrating crystal of piezoelectric material to create an electrical signal with a very
precise frequency. This frequency is commonly used to keep track of time (as in
quartz wristwatches), to provide a stable clock signal for digital integrated circuits,
and to stabilize frequencies for radio transmitters and receivers. The most common
type of piezoelectric resonator used is the quartz crystal, so oscillator circuits
designed around them were called "crystal oscillators".
Quartz crystals are manufactured for frequencies from a few tens of kilohertz to tens
of megahertz.

A quartz crystal can be modelled as an electrical network with a low impedance


(series) and a high impedance (parallel) resonance point spaced closely together.

A voltage regulator is an electrical regulator designed to automatically maintain a


constant voltage level.It may use an electromechanical mechanism, or passive or
active electronic components. Depending on the design, it may be used to regulate
one or more AC or DC voltages.
Voltage regulators operate by comparing the actual output voltage to some internal
fixed reference voltage. Any difference is amplified and used to control the regulation
element in such a way as to reduce the voltage error. This forms a negative feedback
control loop; increasing the open-loop gain tends to increase regulation accuracy but
reduce stability (avoidance of oscillation, or ringing during step changes). There will
also be a trade-off between stability and the speed of the response to changes.
If the output voltage is too low the regulation element is commanded to produce
a higher output voltage - by dropping less of the input voltage or to draw input
current for longer periods
if the output voltage is too high the regulation element will normally be
commanded to produce a lower voltage. However, many regulators have overcurrent protection, so that they will entirely stop sourcing current (or limit the
current in some way) if the output current is too high, and some regulators may also
shut down if the input voltage is outside a given range
.

A capacitor or condenser is a passive electronic component consisting of a pair of


conductors separated by a dielectric (insulator). When a potential difference
(voltage) exists across the conductors, an electric field is present in the dielectric.
This field stores energy and produces a mechanical force between the conductors.
The effect is greatest when there is a narrow separation between large areas of
conductor, hence capacitor conductors are often called plates.
Capacitors are widely used in electronic circuits to block the flow of direct current
while allowing alternating current to pass, to filter out interference, to smooth the
output of power supplies, and for many other purposes. They are used in resonant
circuits in radio frequency equipment to select particular frequencies from a signal
with many frequencies.

TYPES OF CAPACITOR:

Aluminum Electrolytic Capacitors

Axial Leads

Radial Leads

Computer Grade

Snap Mount

Twist Lok

Surface Mount

Wet Tantalum

Surface Mount

Tantalum Capacitors

Solid Tantalum
( Axial Leads )

Solid Tantalum
( Radial Leads )

Foil Tantalum
( Axial Leads )

Dipped Tantalum

Ceramic Capacitors

Dip Guard

Monolithic
( Axial Leads )

Monolithic
( Radial Leads )

Disc

Surface Mount

Polypropylene
( Radial Leads )

Polystyrene
( Axial Leads )

Film Capacitors

Polyester
( Axial Leads )

Polyester
( Radial Leads )

Polypropylene
( Axial Leads )
Mica Capacitors

Dipped Mica

Metal Clad
Oil Capacitors

Transmitting

Hermetically Sealed Hermetically Sealed


( Axial Leads )
( Radial Leads )
Other Capacitor Types

Vacuum Capacitors

Trimmers

Feed Thru

In electronics, a switch is an electrical component that can break an electrical


circuit, interrupting the current or diverting it from one conductor to another.
The most familiar form of switch is a manually operated electromechanical
device with one or more sets of electrical contacts.

Each set of contacts can be in one of two states: either 'closed' meaning the
contacts are touching and electricity can flow between them, or 'open', meaning
the contacts are separated and nonconducting.

A switch may be directly manipulated by a human as a control signal to a system,


such as a computer keyboard button, or to control power flow in a circuit, such as
a light switch. Automatically-operated switches can be used to control the
motions of machines, for example, to indicate that a garage door has reached its
full open position or that a machine tool is in a position to accept another
workpiece. Switches may be operated by process variables such as pressure,
temperature, flow, current, voltage, and force, acting as sensors in a process and
used to automatically control a system.

$mod51
limit equ 38h
motor equ p2
key equ p0
lcd equ p1
rs equ p3.4
rw equ p3.3

en equ p3.2
org 0h
origin:
mov limit,#0h
mov 21h,#0h
acall lcd_ini
acall start
mov dptr,#show1
acall sur
mov sp,#50h
mov dptr,#show2
go:
clr a
movc a,@a+dptr
push 0e0h
inc dptr
jnz go
pop
pop
pop
pop
pop
pop
pop

60h
61h
62h
63h
64h
65h
66h

rty:
acall delay
mov key,#0f0h
mov a,key
acall delay
anl a,#0f0h
mov r7,a
cjne a,#0f0h,rowc1
sjmp rty
rowc1:
acall start
acall delay
mov key,#11110001b
mov a,key
anl a,#0f0h
cjne a,07h,row1

mov key,#11110010b
mov a,key
anl a,#0f0h
cjne a,07h,row2
mov key,#11110100b
mov a,key
anl a,#0f0h
cjne a,07h,row3
mov key,#11111000b
mov a,key
anl a,#0f0h
cjne a,07h,row4
vin:
mov key,#0f0h
mov a,key
anl a,#0f0h
mov r7,a
cjne a,#0f0h,row
sjmp vin
row:
mov key,#11110001b
mov a,key
anl a,#0f0h
cjne a,07h,row1
mov key,#11110010b
mov a,key
anl a,#0f0h
cjne a,07h,row2
mov key,#11110100b
mov a,key
anl a,#0f0h
cjne a,07h,row3
mov key,#11111000b
mov a,key
anl a,#0f0h
cjne a,07h,row4

row1:
mov a,r7
jnb acc.4,dis1
jnb acc.5,dis2
jnb acc.6,dis3
jnb acc.7,dis4
row2:
mov a,r7
jnb acc.4,dis5
jnb acc.5,dis6
jnb acc.6,dis7
jnb acc.7,dis8
row3:
mov a,r7
jnb acc.4,dis9
jnb acc.5,dis0
jnb acc.6,disa
jnb acc.7,disb
row4:
mov a,r7
jnb acc.4,disc
jnb acc.5,disd
jnb acc.6,dise
jnb acc.7,disf
dis1:
mov a,#'*'
acall dat
mov a,#'0'
ajmp thq
dis2:
mov a,#'*'
acall dat
mov a,#'1'
ajmp thq
dis3:
mov a,#'*'
acall dat
mov a,#'2'
ajmp thq
dis4:
mov a,#'*'
acall dat
mov a,#'3'

ajmp thq
dis5:
mov a,#'*'
acall dat
mov a,#'4'
ajmp thq
dis6:
mov a,#'*'
acall dat
mov a,#'5'
ajmp thq
dis7:
mov a,#'*'
acall dat
mov a,#'6'
ajmp thq
dis8:
mov a,#'*'
acall dat
mov a,#'7'
ajmp thq
dis9:
mov a,#'*'
acall dat
mov a,#'8'
ajmp thq
dis0:
mov a,#'*'
acall dat
mov a,#'9'
ajmp thq
disa:
mov a,#'*'
acall dat
mov a,#'A'
ajmp thq
disb:
mov a,#'*'
acall dat
mov a,#'B'
ajmp thq
disc:
mov a,#'*'
acall dat

mov a,#'C'
ajmp thq
disd:
mov a,#'*'
acall dat
mov a,#'D'
ajmp thq
dise:
mov a,#'*'
acall dat
mov a,#'E'
ajmp thq
disf:
mov a,#'*'
acall dat
mov a,#'F'
ajmp thq
thq:
inc limit
mov 34h,a
mov a,21h
cjne a,#0h,rt
mov sp,#71h
inc 21h
rt:
MOV A,34H
push 0E0H
mov a,limit
cjne a,#6h,gp
sjmp vinay1
gp:
ajmp vin
vinay1:
mov r5,#06h
mov r0,#61h
foo:
pop 0e0h
mov b,@r0
cjne a,b,out
inc r0
djnz r5,foo
acall start

mov dptr,#show4
acall sur
mov a,#0cch
setb rs0
mov r2,#45h
loop6:
mov motor,a
rr a
acall delay
acall delay
djnz r2,loop6
acall delay
acall delay
ACALL DELAY
acall start
clr rs0
mov dptr,#show5
acall sur
ACALL DELAY1
ACALL DELAY1
acall delay1
acall delay1
ajmp origin
out:
acall start
mov dptr,#show3
acall sur
acall delay1
acall delay1
acall delay1
ajmp origin
lcd_ini:
mov a,#38h
acall cmd
mov a,#01h
acall cmd
mov a,#06h
acall cmd
mov a,#0eh
acall cmd
mov a,#80h
acall cmd
ret

sur:
clr a
movc a,@a+dptr
acall dat1
inc dptr
jnz sur
ret
dat:
mov lcd,a
setb rs
clr rw
setb en
acall delay
clr en
acall delay1
ret
dat1:
mov lcd,a
setb rs
clr rw
setb en
acall delay
clr en
acall delay
acall delay
ret
cmd:
mov lcd,a
clr rs
clr rw
setb en
acall delay
clr en
ret
start:
mov a,#01h
acall cmd
ret
delay1:
mov r1,#04h

wu: mov r2,#0ffh


er: mov r3,#0ffh
dg: djnz r3,dg
djnz r2,er
djnz r1,wu
ret
delay:
mov tmod,#10h
mov th1,#0h
mov tl1,#0h
setb tr1
sd: jnb tf1,sd
clr tf1
clr tr1
ret
org 267h
show1: db
show2: db
show3: db
show4: db
show5: db

'enter password',0
'123456',0
'wrong password',0
'ready to open',0
'Thank you',0

end

SEDRA SMITH

INTRODUCTION TO 8051 MICROCONTROLLER MAZIDI

INTRODUCTION TO 8051 MICROCONTROLLER AYALA

www.wikipedia.com

You might also like