KEMBAR78
IO Data Cable Data Sheet | PDF | Valve | Electrical Connector
0% found this document useful (0 votes)
777 views194 pages

IO Data Cable Data Sheet

FESTO MPS I/O DATA CABLE

Uploaded by

adiamiru
Copyright
© © All Rights Reserved
We take content rights seriously. If you suspect this is your content, claim it here.
Available Formats
Download as PDF, TXT or read online on Scribd
0% found this document useful (0 votes)
777 views194 pages

IO Data Cable Data Sheet

FESTO MPS I/O DATA CABLE

Uploaded by

adiamiru
Copyright
© © All Rights Reserved
We take content rights seriously. If you suspect this is your content, claim it here.
Available Formats
Download as PDF, TXT or read online on Scribd
You are on page 1/ 194

MPS PA

Data sheets

Data sheet
Part no.:

10352

Page:1

GRE-1/4
Exhaust flow control valve
Feature

Data/description

Assembly position

Any

Adjusting element

Slotted head screw

Valve function

Flow control silencer function

Operating pressure

0 - 10 bar

Standard nominal flow rate in flow control direction 996 l/min


Operating medium

Compressed air, filtered, unlubricated


Filtered, lubricated air

Medium temperature

-10 - 70 C

Ambient temperature

-10 - 70 C

Product weight

25 g

Mounting type

Threaded

Pneumatic connection, port 1

G1/4

Materials information for screw-in stud

Wrought Aluminium alloy

Materials information for seals

NBR

Regulating screw material data

Brass

Printed:10.07.2006 13:58:46

Festo AG & Co. KG


Postfach
73734 Esslingen

Data sheet

Festo Didactic

034031
1/2

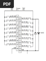
I/O cable

Description

D.MP-B-AN-KEAT

Designation

034031

Order No.

I/O cable

034031

Data sheet

Festo Didactic

2/2

Construction

Cable with 21 wires each of cross section of 0.34 mm2. 24 pin plug connectors
are fitted to both ends.

Function

The I/O cable connects an I/O terminal (Order No. 034035) to a control
cabinet. 16 I/O signals can be transmitted. In addition, the cable conducts the
sensor and actuator power supply.

Technical data
Wires per cable
Cross section
Plug type

21
0.34 sq. mm
Amphenol 24 pin

Wire colours and


pin allocations

01
02
03
04
05
06
07
08
09
10
11
12

13
14
15
16
17
18
19
20
21
22
23
24

01 Bit 0 Output word

white

13 Bit 0 Input word

grey-pink

02 Bit 1 Output word

brown

14 Bit 1 Input word

red-blue

03 Bit 2 Output word

green

15 Bit 2 Input word

white-green

04 Bit 3 Output word

yellow

16 Bit 3 Input word

brown-green

05 Bit 4 Output word

grey

17 Bit 4 Input word

white-yellow

06 Bit 5 Output word

pink

18 Bit 5 Input word

yellow-brown

07 Bit 6 Output word

blue

19 Bit 6 Input word

white-grey

08 Bit 7 Output word

red

20 Bit 7 Input word

grey-brown

09 24 V Power supply

black

21 24 V Power supply white-pink

10

22

11 0 V

Power supply

pink-brown

23 0 V

12 0 V

Power supply

purple

24

Power supply white-blue

034035
I/O terminal

Design

The terminals for 8 inputs and 8 outputs are combined in a basic unit. In addition,
distributor terminals are provided for 0 V and 24 V for the supply of sensors and
actuators. The base unit can be clipped onto top-hat rails. All contact points and the
current supply are linked to the 24-pin plug. The I/O terminal is connected to the
control cabinet by means of an I/O cable, which is not part of the scope of delivery
(Order No. 34031).

Function

The I/O terminal provides 8 inputs and 8 outputs on screw terminals. 24 LEDs are
available for status display to indicate the status of the I/Os.

Technical data

Festo Didactic GmbH & Co., 08/2001

Feature

Value

Number of inputs with LED

Number of outputs with LED

8A

Number of terminals 0 V

22

Number of terminals 24 V

12

Connector

Amphenol-Tuchel 24-pin, 57 GE series

Subject to change

1/2

034035
I/O terminal

PIN 1
PIN 2
PIN 3
PIN 4
PIN 5
PIN 6
PIN 7
PIN 8
PIN 9
PIN 10
PIN 11
PIN 12
PIN 13
PIN 14
PIN 15
PIN 16
PIN 17
PIN 18
PIN 19
PIN 20
PIN 21
PIN 22
PIN 23
PIN 24

24

13
1

12

24 VA

0 VA

24 VA

0 VA

O7

I7

O6

I6

O5

I5

O4

I4

O3

I3

O2

I2

O1

I1

O0

I0

0 VA
0 VA

24 VA
0 VB

0 VA
0 VA

0 VB

24 VA
24 VB

0 VB

24 VB

0 VB
24 VB
0 VB

0 VA
0 VA

24 VB
0 VB

0 VA
0 VA
0 VA
0 VA

24 VB
0 VB
0 VB
0 VB

24 VB
24 VB
24 VB

0 VB

O0
O1
O2
O3
O4
O5
O6
O7
24 VA
24 VA
0 VA
0 VA
I0
I1
I2
I3
I4
I5
I6
I7
24 VB
24 VB
0 VB
0 VB

Pin assignment

The inputs of the I/O terminal can be switched for the connection of either positive
switching (PNP) or negative switching (NPN) sensors via two slide switches.

Connection of positive
switching sensors (PNP):
both switches in PNP position

Connection of negative
switching sensors (NPN):
both switches in NPN position

0 VB

0 VB

0 VB

0 VB

0 VB

0 VB

PNP

12

24

0 VA

0 VA

I7

12

24

0 VA

0 VA

I7

24 VA

24 VA

24 VB

24 VA

24 VA

24 VB

NPN

PNP

Note

NPN

Slide switch positions

2/2

Subject to change

Festo Didactic GmbH & Co., 08/2001

Data sheet
Part no.:

34411

Page:1

MSFG-24DC/42AC-OD
Solenoid coil
Feature

Data/description

Assembly position

Any

Min. pickup time

10 ms

Duty cycle

100%

Characteristic coil data

24V DC: 4,5W


42V AC: 50/60Hz, AL7,5W,HL6W

Permissible voltage fluctuation

+/- 10 %

Medium temperature

-10 - 60 C

Protection class

IP65

Ambient temperature

-5 - 40 C

Product weight

65 g

Electrical connection

Plug vanes for MSSD-F


3-pin

Mounting type

With knurled nut


with accessories

Materials information, housing

PA

Materials information, plug

Steel

Material information, coil

Copper

Printed:10.07.2006 13:49:18

Festo AG & Co. KG


Postfach
73734 Esslingen

150768
Starting current limiter

Design

A relay and an electronic current limiter have been integrated on a circuit board. The
circuit board can be fitted via the attachments on the reverse side. Electrical
connection is effected via screw terminals.

Function

The device limits the surge current to a maximum of 2A the moment it is switched
on. Otherwise, the module operates in the same way as a relay.

Note

This module must only be used to operate consuming devices with a maximum static
current requirement of 1A. The current limiting effect must not be used for the
continuous current limiting of a consuming device.

SPS

24 V

0V

0V

IN 24 V OUT 0 V

0V

Connection diagram

Festo Didactic GmbH & Co., 08/2001

Subject to change

1/2

150768
Starting current limiter

Technical data

2/2

Feature

Value

Control voltage

24 V DC

Current

1A

Current limitation

2A

Max. limitation duration

50 ms

Max. switching frequency

1/s

Subject to change

Festo Didactic GmbH & Co., 08/2001

152894
Service unit with on/off valve

Design

The filter regulator with pressure gauge, on/off valve, push-in fitting and quick
coupling plug is mounted on a swivelling retainer. The filter bowl is fitted with a
metal bowl guard. The unit is mounted on the profile plate by means of cheese head
screws and T-head nuts (mounting alternative C). Attached is a quick coupling
socket with threaded bush and connector nut for plastic tubing PUN 6 x 1.

Function

The filter with water separator cleans the compressed air of dirt, pipe scale, rust and
condensate.
The pressure regulator adjusts the compressed air supplied to the set operating
pressure and compensates for pressure fluctuations. An arrow on the housing
indicates the direction of flow. The filter bowl is fitted with a filter drain screw. The
pressure gauge shows the preset pressure. The on/off valve exhausts the entire
control. The 3/2-way valve is actuated via the blue sliding sleeve.

Note

When constructing a circuit, please ensure that the filter regulator is installed in the
vertical position. The pressure regulator is fitted with an adjusting knob, which can
be turned to set the required pressure. By sliding the adjusting knob towards the
housing, the setting can be locked.

Festo Didactic GmbH & Co., 04/2001

Subject to change

1/2

152894
Service unit with on/off valve

Pneumatic

Technical data

Medium

Compressed air

Design

Sintered filter with water separator, diaphragm control valve

Assembly position

Vertical 5

Standard nominal flow rate *

750 l/min

Upstream pressure max.

1600 kPa (16 bar)

Operating pressure max.

1200 kPa (12 bar)

Connection

Coupling plug fore coupling socket G 1/8


QS-plug fitting for plastic tubing PUN 6 x 1

Upstream pressure: 1000 kPa (10 bar), Operating pressure: 600 kPa (6 bar),
Differential pressure: 100 kPa (1 bar).

2/2

Subject to change

Festo Didactic GmbH & Co., 04/2001

Data sheet
Part no.:

153495

Page:1

LRMA-QS-4
Pressure regulator
Feature

Data/description

Actuator lock

Knurled screw with lock nut

Assembly position

Any

Design structure

directly-controlled piston regulator


with looped-through compressed air supply

Controller function

with secondary exhaust


Output pressure constant

Pressure gauge

with pressure gauge

Pressure control range

1 - 8 bar

Inlet pressure 1

0 - 9 bar

Standard nominal flow rate

50 l/min

Operating medium

Filtered compressed air

Ambient temperature

0 - 60 C

Product weight

45 g

Mounting type

with through hole

Pneumatic connection, port 1

QS-4

Pneumatic connection, port 2

QS-4

Materials information for screw-in stud

Nickel plated
Brass

Materials information, housing

PBT-reinforced

Materials information for thread seal

PTFE

Printed:10.07.2006 14:00:12

Festo AG & Co. KG


Postfach
73734 Esslingen

160236
Pressure vessel

Pressure vessel
Function

The pressure vessel is used for storage of pressurized media.

Design

The pressure vessel is used for the storage of pressurized media.

Technical data

Parameter

Value

Medium

Water

Design

Welded vessel

Mounting

Mounting bracket

Connection

Volume

2l

Pressure range *

-0,95 bar to 16 bar

Materials

Steel (X 5 Cr Ni 18 10)

Weight

1,681 kg

Subject to change

Note

* If ou use the pressure vessel within the pressure control station, the maximum
operating pressure must not exceed 0,5 bar!

Festo Didactic GmbH & Co. KG, 02/2004

Subject to change

1/1

162844
Pressure gauge

Pressure gauge

Symbol
Description

This pressure gauge (to EN 837-1) is designed for pressure measurement and
display in controls.
The maximum pressure at continuous operation (dead load) is at of the full scale
value. The Pressure gauge is free of paint-wetting impairment substances.

Festo Didactic GmbH & Co. KG, 03/2004

Subject to change

1/2

162844
Pressure gauge

Technical data

Parameter

Value

Nominal diamenter

63 mm

Indicating range

0...1 bar

Operating pressure

0...0,7 bar

Medium

Liquid and gaseous media (not permissible:


oxygen, acetylene)

Design

Bourdon tube pressure gauge

Connection

G1/4(Type MA-40-...-1/8-EN: R1/8)

Anschlusslage

Rear side (centrically)

Temperaturbereich

-20C...+60C

Measuring device class (DIN 16005/EN 837-1)

2,5

Vibration resistance (DIN IEC 68-2-6/EN 837-1)

5 m/s2 at 10 ... 150 Hz

Resistance to shocks

150 m/s2 at 11 ms

(DIN IEC 68-2-27/EN 837-1)


Protection class

IP 43

Materials
Housing
Window shield
Dial
Labelling
Connection thread

PS, black
SAN
ABS white
black, blue
Brass

Subject to change

2/2

Subject to change

Festo Didactic GmbH & Co. KG, 03/2004

Data sheet
Part no.:

165323

Page:1

SOEG-E-Q30-PS-S-2L
Receiver
Feature

Data/description

Conforms to standard

DIN EN 60947-5-2

Short circuit strength

Pulsing

Type of light

Infrared

Measurement method

Through-beam sensor
Receiver

Switching element function

Dark switching

Polarity protected

for all electrical connections

Upper limit of adjustment range

6 mm

Setting options

Potentiometer

Operating reserve display

Green LED

Operating status display

Yellow LED

Max. switching frequency

1.000 Hz

Operating voltage DC

10 - 30 V

Idle current

30 mA

Max. output current

200 mA

Residual ripple

20 %

Switch output

PNP

Voltage drop

2V

CE Symbol

In compliance with EU directive 89/336/EWG (EMV)

Corrosion resistance classification CRC

Protection class

IP65

Ambient temperature

-5 - 55 C
-25 - 55 C

Product weight

18 g

Printed:10.07.2006 13:56:31

Festo AG & Co. KG


Postfach
73734 Esslingen

Data sheet
Part no.:

165323

Page:2

SOEG-E-Q30-PS-S-2L
Receiver
Feature

Data/description

Working range

0 - 6.000 mm

Electrical connection

M8x1
Plug
3-pin

Mounting type

with through hole

Materials note

Copper and Teflon-free

Materials information, housing

PBT-reinforced

Printed:10.07.2006 13:56:31

Festo AG & Co. KG


Postfach
73734 Esslingen

Data sheet
Part no.:

165353

Page:1

SOEG-S-Q30-S-L
Transmitter
Feature

Data/description

Conforms to standard

DIN EN 60947-5-2

Type of light

Infrared

Measurement method

Through-beam sensor
Transmitter

Polarity protected

for all electrical connections

Upper limit of adjustment range

6 mm

Max. switching frequency

1.000 Hz

Operating voltage DC

10 - 30 V

Idle current

25 mA

Residual ripple

20 %

Voltage drop

2V

CE Symbol

In compliance with EU directive 89/336/EWG (EMV)

Corrosion resistance classification CRC

Protection class

IP65

Ambient temperature

-5 - 55 C
-25 - 55 C

Product weight

18 g

Electrical connection

M8x1
Plug
3-pin

Mounting type

with through hole

Materials note

Copper and Teflon-free

Materials information, housing

PBT-reinforced

Printed:10.07.2006 13:55:43

Festo AG & Co. KG


Postfach
73734 Esslingen

170701, 170702, 170703, 170705, 304518, 690590


Pipe fittings

Function

Piping of process engineering systems is quick, reliable and leak-proof using the
piping and push-fit connector system. The individual components of the piping
system are:
Order No. 170701
Push-in L-connector 90 (see above)
Order No. 170702
Push-in T-connector (see above)
Hand lever valve (see above.)
Order No. 170703
Order No. 170705
Plug
Straight piping sections
available in different lengths
Order No. 304518
Order No. 690590
Push-in L-connector 90 (see above)
Order No.
7658
Pipe cutter

Design

The piping system consists of pipes and push-fit connectors made of plastic.

Technical data

Parameter

Value

Operating characteristics
Cold water system
Hot water system
Central heating system

20 C/10 bar
65 C/7 bar
82 C/4 bar

Withdrawal force

> 1200 N/20 C

Bursting pressure

> 40 bar/20 C

Flow media

Water, miscellaneous gases

Operating pressure

Max. 6 bar at 80 C

Material

Plastic PEM (Polymerelectrolytmembranes)

Piping diameter, external

15 mm

Festo Didactic GmbH & Co. KG, 03/2009

Subject to change

1/2

170701, 170702, 170703, 170705, 304518, 690590


Pipe fittings

Assembly/dismantling

A pipe cutter is required to cut the piping to length.


Piping is assembled without the need for tools.
Assembly:
Simply cut the piping to length using plastic pipe cutters and ensure that the
pipe is free of sharp edges, longitudinal grooves or other damage.
Prior to pushing-in, the fitting must be in the unlocked position, whereby a
narrow gap exists between the screw cap and the body of the fitting.
Insert the piping past the O-ring up to the stop in the connector. The O ring in the
support sleeve ensures additional sealing of the connection.
Tighten the screw cap up to the stop on the housing. This presses the O-ring onto
the piping, thereby securing the connector.
Check the established connection by attempting to withdraw the piping.

Zweite Abdichtung = Second seal


Einsteckmarkierung = Plug-in mark
Dismantling:
Unscrew the screw cap until a narrow gap is created and the two arrows snap
into the opposite position. Press back and hold the retaining element using your
fingers or with the help of releasing tool. The pre-fitted piping can now be pulled
out.

2/2

Subject to change

Festo Didactic GmbH & Co. KG, 03/2009

170704
Double non-return valve

Function

This valve has a shut-off function whereby flow is only possible in one direction.
The valve has an additional functional screw for manual exhausting.

Note

The direction of the non-return function must be noted when installing the valve.
The valve must not be used for gas, heating oil or compressed air applications.
Attachments and piping must be kept clean and undamaged prior to usage.

Assembly/dismantling

Piping can be assembled without the need for tools.


Assembly: The piping is inserted into the push-in connector up to the stop.

Dismantling: To release the connection, release the collet on the push-in connector
and pull out the piping.

Festo Didactic GmbH & Co. KG, 03/2009

nderungen vorbehalten

1/2

170704
Double non-return valve

Technical data

Parameter

Value

Operating characteristics
Cold water system
Hot water system

20 C/10 bar
65 C/6 bar

Flow medium

Water

Material

Polyacetal (POM)*

Plug-in connection for piping diameter, external

15 mm

* Polyoxymethylene/polyacetal (POM)
Structural formula:
Polyacetals (POM) are universal materials for functional components in precision
mechanics and in apparatus engineering. They offer excellent characteristics
such as low frictional resistance, excellent abrasion resistance, excellent spring
power, high fatigue resistance, excellent electrical characteristics, high dielectric
strength, low dielectric loss factor, good chemical resistance, particularly to
solvents and they are extremely resistant to stress crack formation.
Polyacetals (POM) are thermoplastics, which and have been on the market since
1959.

2/2

Subject to change

Festo Didactic GmbH & Co. KG, 03/2009

170709
Temperature sensor

Function

The temperature sensor comprises a resistance thermometer made of platinum and


with exchangeable measuring insert. The sensor consists of a shield tube, a
connecting head and the measuring insert. When installing the sensor, make sure
that the sensor accepts the temperature to be measured as accurately as possible.
Heat absorption or heat supply through the sensor is to be avoided.

Design

The temperature sensor is screwed into the threaded hole of a container t.


Resistance basic values of Pt 100 resistances as a function of temperature:
Temperature [C] 100.00
0.00
100.00
200.00
Basic value [W]
60.25
100.00
138,50
175.84

Characteristic line: Resistance curve of Pt 100 across temperature within a range


of 100 C to +200 C

Festo Didactic GmbH & Co. KG, 07/2006

Subject to change

1/4

170709
Temperature sensor

Note

The permissible flow velocity is 3 m/s.


In order to dismantle the sensor, it is not necessary to release the entire mounting
on the container. It is sufficient to loosen both of the set screws (see fig. below). This
then enables you to pull the thermoelement out of the protective sleeve.

Dismantling of the sensor

1 Set screw (2x)

Technical data

3 Thermoelement

2 Protective sleeve

Parameter

Value

Design

To DIN 43 763

Measuring range

50 C +150 C

Measuring resistance

Pt 100

Material

Plastic

Tolerance
0 C
100 C

+/ 0.12
+/ 0.30

Material:
Casing
Protective sleeve

Stainless steel
Stainless steel

Dimensions
Length

100 mm

Measuring insert length


Screw-in thread

145 mm
G

Electrical connection

2/4

Subject to change

Cable, 750 mm long

Festo Didactic GmbH & Co. KG, 07/2006

170709
Temperature sensor

Pin allocation

Ws

Simatic S7
range of values

Gn

The table below contains the digitalised measured value representation of the
Simatic S7 for the standard temperature range of the generator.
Temperature range -

Decimal unit

Hexadecimal unit

Range

Standard PT 100
850C
>1000.0

32767

7FFFH

1000.0

10000

2710H

.
850.1

.
8501

.
2135H

850.0

8500

2134H

.
200.0

.
2000

.
F830H

200.1

2001

F82FH

.
243.0

.
2430

.
F682H

<-243.0

32768

8000H

Overflow

Overload range

Nominal range

Underload range

Underflow

Festo Didactic GmbH & Co. KG, 07/2006

Subject to change

3/4

4/4

Subject to change

Festo Didactic GmbH & Co. KG, 07/2006

170712
Pump

Typical areas of application

Recirculating pump for water, antifreeze compounds in heating systems for


motor vehicles, boats, caravans, etc.
Recirculating pump for fresh water cooling in vehicles.
All-purpose pump for applications where self-priming is not required.

Mounting instructions

These pumps are standard intake centrifugal pumps and must be filled with the
pumping medium prior to commissioning.
These pumps must not be operated dry. A brief period of dry operation does not
damage the pump. Please note that if the pump is operated dry for more than
30 minutes, it will be rendered unusable. If run dry, a noise will become audible.
Important: This pump must always operate in the specified direction of rotation.
The pumps are designed for continuous operation and voltage fluctuations of 20%.
They must not be used for waste water containing coarse dirt particles.
The pumps can be installed in any working position horizontal or vertical. In order
to avoid the formation of air pockets, the pump outlet should be turned upwards in
the case of horizontal mounting or aligned so that it is positioned at the upper side
of the pump.

Festo Didactic GmbH & Co. KG, 06/2006

Subject to change

1/4

170712
Pump

Design

The pump is held within a clamping ring and is mounted onto a profile plate using
two screws and T-head nuts.

Individual components of the pump:


1)
Housing, 20
2)
Impeller
4)
Screw
5)
Clamping ring
7)
Shaft
8)
Seal 9)

Note

3)
O-ring
6)
Washer
Magnet housing

When in operation, note the polarity of the voltage applies. The cable connections
are colour coded:
Operating voltage
Positive terminal red
Negative terminal black

The maximum cable length is 44 m at:


Cable cross section: 1.0 mm2
Operating voltage: 24 V

2/4

Subject to change

Festo Didactic GmbH & Co. KG, 06/2006

170712
Pump

Technical data

Parameter

Value

Pump housing

Fibreglass reinforced plastic (PPA,


GF 30 %)

Shaft

Stainless steel

Wearing plate

Stainless steel

O-ring

EPDM

Impeller

Body: Fibreglass reinforced plastic (PPS, GF


40 %)
Magnet: Ferrite
Bearing: Resin-bound carbon

Magnet housing

Fibreglass reinforced plastic (PSU,


GF 30 %)

Motor flange

Fibreglass reinforced plastic (PA66,


GF 30 %)

Motor housing

Steel, iron-zinc treated,

Motor cover

Fibreglass reinforced plastic (PA 66,


GF 30 %)

Schrauben

Steel, iron-zinc treated,

Motor

Bearing mounted, permanent magnet motor


12/24 V

Motor bracket?

Aluminium, varnished

Protection class

IP 67 (DIN 40050)

Connection

20 mm ()

Push-in connection for piping diameter, external

15 mm

Interference supressed

EN 55014

Temperature range
Fluidt
Environment

40C + 100C
40C +70C

Max. system pressure

2.5 bar

Operating voltage

24V DC

Power

26 W

Max. flow

10 l/min

Dimensions:
Length

170 mm

Width
Height

62 mm
75 mm

Weight

Festo Didactic GmbH & Co. KG, 06/2006

0.53 Kg

Subject to change

3/4

170712
Pump

Pressure and performance

Pressure (bar)

Delivery rate (l/min)

Current at 24 V (A)

0.1

26

1.1

0.2

19,5

1.0

0.3

9,0

0.75

Measured values apply for a tubing connection of (20 mm)

4/4

Subject to change

Festo Didactic GmbH & Co. KG, 06/2006

170713
Heating unit

Function

The heating unit functions via a 230 V AC power supply. Two operating modes
facilitate strictly digital or analogue operation. If the digital operating mode is used,
the heater is switched on and off via a 24 V input.
In the case of analogue operation, heating power can be infinitely adjusted via a 0 to
10 V signal.
An LED indicates the switching status and also any faults.

Setup

The heater is screwed into a 50 mm diameter hole in a container and retained via a
threaded sleeve.

The submersible heater must only be operated when entirely submersed in fluid.

Technical data

Parameter

Value

Heating power

1000 W / 230 V AC

Power supply

24 V DC / 100 mA

Digital input

24 V DC / 12 mA

Analogue input

0 to 10 V

Dimensions
Heater tube
Retaining thread

150 mm x 20 mm diameter
G 1 "

Materials (heater tube casing)

Stainless steel

Connections
Heater
Control

Mains cable with plug, 2000 mm long


4-pin M8 plug

Festo Didactic GmbH & Co. KG, 06/2007

Subject to change without notice

1/

170713
Heating unit

LED display

Parameter

Value

Digital operation:
24 V at digital input and

Green on

24 V at analogue input

continuously

Heater on

0 V at digital input and


24 V at analogue input

Green off

Heater off

Analogue operation:

Flashing green

Heater
actuated

24 V at digital input and


0 to 10 V at analogue input
Excessively high temperature at heater tube:

Red on continuously

Heater off

Flashing red

Heater off

Heater is shut down at TH > approx. 50 C,


and is switched back on automatically at TH < 45 C
Excessively high temperature at power section:
Heater is shut down at component temperature TC > 90 C,
and is switched back on automatically at TC < 85 C

Electrical pin allocations

Parameter

Value

24 V

supply

Plug pin 1

(brown)

0V

supply

Plug pin 4

(blue)

24 V

digital input

Plug pin 3

(black)

0 to 10 V / 24 V

analogue input

Plug pin 2

(white)

The heating tube is subject to high temperatures risk of burns!

2/

Subject to change without notice

Festo Didactic GmbH & Co. KG, 06/2007

170714
Proportional valve

Proportional valve
Function

The proportional valve facilitates flow control of neutral gases and fluids. It can be
used as a remote controllable final control element or in closed control loops.
The proportional valve is a directly actuated 2/2- way valve. The valve piston is lifted
of its seat as a function of the solenoid coil current and releases the flow from
connection 1 to connection 2. Once the valve is de-energised, it is closed via a reset
spring.
The control signal, which is transformed into a PMW-signal, lifts the piston of its
seat. The frequency of the PWM-signal could be changed. The value depends on
what kind of valve is used.

Design

The proportional valve is mounted on an angle bracket and can be attached to an


MPS profile plate using a screw and T-head nut.

Information

The maximum flow rate for water should not exceed 3 m/s.

Festo Didactic GmbH & Co. KG, 03/2009

nderungen vorbehalten

1/7

170714
Proportional valve

Technical Data of
the valve

Parameter

Value

Permissible operating voltage

24 V DC

(to be connected to control electronics)


Power consumption (solenoid)

8W

Operation

permanent

Degree of protection

IP 65

Nominal size

7,1 mm

Operating pressure

max. 1 bar pressure difference

Ambient operating temperature

max. +75 C

Response sensitivity

< 2% of final value

Repetition accuracy

< 3 % of final value

Flow media

Neutral media
e.g. water, compressed air

Flow rate coefficient

15,0 l/min; 0,9 m/h

Temperature of medium

-10 C to +90 C

Materials
Housing
Internal valve parts
Seal

Brass
Stainless steel
FPM

Dimensions
Height with plugged in control electronics
Length

129,5 mm
40 mm

Pipe connection

G 3/8

Electrical connection

Contact box with 4 pins

Subject to change

2/7

nderungen vorbehalten

Festo Didactic GmbH & Co. KG, 03/2009

170714
Proportional valve

Technical Data of
the control electronic

Parameter

Value

Permissible voltage supply

24 VDC +/- 10%

Residual ripple

max. 10 %

Input signal

0 ... 10 V, 0 ... 20 mA, 4 ... 20 mA

Power consumption

0,8 W

Current consumption at approx.. 24V

max. 1100 mA

Min. current

Adjustable between 15 50% of the


max. current

Max. current

Adjustable between 30 100 % of the


max. current

Time ramp

optional ON/OFF, adjustable between 0,1 3s

Adjustable switching frequency

40 700 Hz

Ambient operating voltage

-10 to + 75C

Material (Housing)

Plastic

Electrical connection

Contact box with 4 pins

Subjects to change

Festo Didactic GmbH & Co. KG, 03/2009

nderungen vorbehalten

3/7

170714
Proportional valve

Connecting instruction

Pin assignment
1
2
3
4
5

gasket
connector
printed circuit
cap and gasket
screw

9
10
11
12

6
7
8

6
7
8
9
10
11
12

4/7

wire wound coil


wire wound coil
protection earth
supply 24V DC
control signal
neutral conductor 0 V
protection earth

nderungen vorbehalten

Festo Didactic GmbH & Co. KG, 03/2009

170714
Proportional valve

Set potentiometer

P1
P2
P3
P4
D1

minimum flow rate (point of origin)


ramp time
maximum flow rate
switching frequency
input signal

Flow curve

X1

The minimum control range can be adjusted by the potentiometer P1

X2

The maximum control range can be adjusted by the potentiometer P3

Festo Didactic GmbH & Co. KG, 03/2009

nderungen vorbehalten

5/7

170714
Proportional valve

DIP-switches

Setup the input signal by using the switches D1. The graphic below shows, how the
switches has to be set. The factory-setting for the input signal is 0-10 V.
S1
S2
S3
S4

0-10 V DC:
0-20 mA:
4-20 mA:

control signal
ramp ON/OFF
control signal
control signal

S1 OFF, S3 ON, S4 OFF


S1 ON, S3 ON, S4 OFF
S1 OFF, S3 OFF, S4 OFF

Activate the ramp function while (switching ON S3), to delay the flow rate at fast
signal changes. The ramp time can set with the potentiometer P2 in a range between
0.1 and 3 seconds. By using the proportional valve in the compact workstation, the
ramp function is not needed and could stay off. The factory setting for the ramp time
is no ramp.
Notes for Installation

For commissioning the proportional valve, following criteria has to be fulfilled:


The tank has to be filled to the lowest level (~4 l)
Open the relevant hand valves, so that the medium gets in a circle way through
the proportional valve back in the tank.
Ramp function has to be off.
Setting the minimum and maximum flow rate
Switch on the pump and the proportional valve by activating them from the
controlling software. Setup the control value of the proportional valve to 1 V. Control
the pump digital, thus with maximum control value. Now setup the flow rate to
~0.25 l/min via the potentiometer P1.
In the next step, setup the proportional valve with 10 V, maximum control value.
Via the potentiometer P3, the maximum flow rate can be adjusted. Twist the
potentiometer until the flow rate has reached an value of ~2.7 l/min.

6/7

nderungen vorbehalten

Festo Didactic GmbH & Co. KG, 03/2009

170714
Proportional valve

Information
The setup of the maximum flow rate affects the minimum flow rate marginally. Due
to a restart, the setup of the minimum flow solves the problem.
Some mounting conditions create unwanted vibrations. In this cases increase the
switching frequency via the potentiometer P4. The problem should be solved.
Factory setting is 300 Hz.
By changing the switching frequency a unwanted effect occurs. The minimum and
maximum flow rate also changes its value. Restart the mentioned steps above to
solve the problem.

Festo Didactic GmbH & Co. KG, 03/2009

nderungen vorbehalten

7/7

170715
2/2 way solenoid valve DN10

2/2 way solenoid valve

Schaltzeichen

Function

The 2/2-way solenoid valve is a direct controlled valve. If electrical current is not
flowing through the coil, the valve is closed by spring power. There is no pilot
pressure necessary to open the valve.

Functional principle

In normal position the armature with seal is pressed from spring power on the valve
seat.
The medium reinforces the seal effect. Engaging the selenoid coil the armature is
lifted from the valve seat whereby it is released. The medium is possible to flow
unchecked from P to A. Deactivating the selenoid coil the clip presses on the
armature whereby the valve is locked.
Design

The 2/2-way solenoid valve is mounted with plug connectors into the piping.

Festo Didactic GmbH & Co. KG, 02/2009

Subject to change

1/2

170715
2/2 way solenoid valve DN10

Assembly position

The assembly position of the valve is in any direction, preferably vertical position.

Medium

Neutral gases, liquids and steam.

Electrical connection

Plug vanes to DIN 43650 A for a connector socket Type 2508.

Note

For a firm attachment, a pipe clamp may be fitted in front and behind the valve.

Technical data

Parameter

Wert

Nominal diameter

10 mm (DN10)

Connection

G 1/2

Pressure difference

0...0,3 bar

Static pressure

max. 10 bar

Max. anbiant air temperature

50 C

Body material

Brass

Cores

Stainless steel (1.4105)

Assembly position

Arbitrary, preferably vertical position

Operating voltage

24 VDC 10 %

Operating cycles

max. 360/min.

Viscosity of usable media

max. 21 mm2/s (3 E)

Power consumption

8W

Kv-Value (water, +20C)

1,2 m3/h (measurement 1 bar valve input free


outlet

Protection class

IP 54

Weight

0,415 kg

Subject to change

Electrical pin assignment


1
2
3

24 V (black)
Ground (black)
PE (gn/ge)

2
3

2/2

Subject to change

Festo Didactic GmbH & Co. KG, 02/2009

170716
Ball valve

Ball valve
Function

Swivelling of the lever, causes the flow to be shut off completely in both directions.

Design

The ball valve is installed in the piping by means of quick push-pull connectors.

Note

The figure above shows the ball valve in closed position. If the lever is turned to 90
ball valve is opened completely.

Technical data

Parameter

Value

Connection

15 mm

Nominal size

15

Pressure range

0 ... 7 bar

Temperature range (with plastic connectors)

0 ... +65 C

Actuating force

5 Nm

Weight

Approx. 0,45 kg

Subject to change

Festo Didactic GmbH & Co. KG, 02/2004

Subject to change

1/1

Data sheet
Part no.:

175056

Page:1

GRLA-M5-QS-4-LF-C
One-way flow control valve
Feature

Data/description

Assembly position

Any

Adjusting element

Slotted head screw

Valve function

Exhaust-air one-way flow control valve

Operating pressure

0,2 - 10 bar

Standard flow rate in direction of flow control: 6 -> 80 l/min


0 bar
Standard flow rate in blocked direction: 6 -> 0 bar 100 - 150 l/min
Standard nominal flow rate in flow control direction 40 l/min
Standard nominal flow rate in non-return direction 50 - 75 l/min
Operating medium

Filtered, unlubricated compressed air, 40 m filtration


Filtered, lubricated compressed air, 40 m filtration

Medium temperature

-10 - 60 C

Ambient temperature

-10 - 60 C

Max. tightening torque

1,5 Nm

Product weight

9g

Mounting type

Threaded

Pneumatic connection, port 1

M5

Pneumatic connection, port 2

QS-4

Materials information for screw-in stud

Nickel plated
Brass

Materials information for seals

NBR

Materials information, housing

Zinc die-casting

Release ring material data

POM

Regulating screw material data

Brass

Swivel joint material data

Zinc die-casting

Printed:10.07.2006 13:55:01

Festo AG & Co. KG


Postfach
73734 Esslingen

Data sheet
Part no.:

186353

Page:1

QSML-M7-6
Push-in/threaded L-fitting
Feature

Data/description

Size

Mini

Nominal size

4 mm

Type of seal on screw-in stud

Sealing ring

Design structure

Push/pull principle

Operating pressure

-0,95 - 10 bar

Operating medium

Filtered compressed air

Corrosion resistance classification CRC

Ambient temperature

0 - 60 C

Max. tightening torque

2 Nm

Pneumatic connection

M7
for tubing, 6mm outside diameter

Materials information, housing

PBT-reinforced

Printed:10.07.2006 13:54:02

Festo AG & Co. KG


Postfach
73734 Esslingen

Data sheet
Part no.:

189971

Page:1

DRE-4-F05-Q10-FO
Semi-rotary drive
Feature

Data/description

Size of actuator

Rotation angle adjustment range

90 deg

Flange hole pattern

F05

Swivel angle

90 deg

Fitting connection conforms to standard

ISO 5211

Cushioning

none

Assembly position

Any

Mode of operation

single-acting

Design structure

Rack and pinion

Position detection

none

Closing direction

Spring force, opening

Valve connection conforms to standard

VDI/VDE 3845 (NAMUR)

Operating pressure

2 - 10 bar

Operating medium

Dried compressed air, lubricated or unlubricated

Corrosion resistance classification CRC

Ambient temperature

-20 - 80 C

Torque at 6 bar

26,9 Nm

Spring return moment

10,3 Nm

Efficiency of actuator

80 %

Air consumption per cycle

0,3 l

Product weight

1.200 g

Shaft connection

V14

Pneumatic connection

G1/8

Printed:10.07.2006 13:51:47

Festo AG & Co. KG


Postfach
73734 Esslingen

Data sheet
Part no.:

189971

Page:2

DRE-4-F05-Q10-FO
Semi-rotary drive
Feature

Data/description
Sub-base

Materials note

Contains PWIS substances

Materials information for drive shaft

Aluminium
Anodised

Materials information for cover

PA

Materials information for seals

NBR

Materials information, housing

Aluminium
Anodised

Printed:10.07.2006 13:51:47

Festo AG & Co. KG


Postfach
73734 Esslingen

Data sheet
Part no.:

196927

Page:1

CPE10-M1BH-5L-M7
Solenoid valve
Feature

Data/description

Nominal size

4 mm

Exhaust-air function

throttleable

Type of actuation

electrical

Sealing principle

soft

Assembly position

Any

Manual override

resetting
with accessories, detenting

Design structure

Piston slide

Type of reset

Air spring

Type of piloting

Piloted

Flow direction

non reversible

Valve function

5/2
monostable

Valve position identification

Inscription label holder

Operating pressure range, external pilot air

-0,9 - 10 bar

Operating pressure range, internal pilot air

3 - 8 bar

Control pressure characteristics (diagram)

Diagram

b value

0,41

C value

1,43 l/sbar

Standard nominal flow rate

350 l/min

Switching time off

16 ms

Switching time on

16 ms

Operating pressure

3 - 8 bar

Duty cycle

Kabelsteckdose KMYZ-9-...
100% mit Haltestromabsenkung

Printed:10.07.2006 13:50:45

Festo AG & Co. KG


Postfach
73734 Esslingen

Data sheet
Part no.:

196927

Page:2

CPE10-M1BH-5L-M7
Solenoid valve
Feature

Data/description

Characteristic coil data

24V DC: 1W

Operating medium

Dried filtered compressed air, TF


Dried, filtered and lubricated compressed air, TFG
Filtered, unlubricated compressed air, 40 m filtration
Dried compressed air, lubricated or unlubricated
Filtered, lubricated compressed air, 40 m filtration

Corrosion resistance classification CRC

Medium temperature

-5 - 50 C

Protection class

IP65
to IEC 60529
with plug socket

Pilot medium

Dried compressed air, lubricated or unlubricated

Ambient temperature

-5 - 50 C

Product weight

0,056 kg

Mounting type

with through hole

Pilot exhaust port 82

M3

Pilot exhaust port 84

M3

Pilot air port 12

M3

Pilot air port 14

M3

Pneumatic connection, port 1

M7

Pneumatic connection, port 2

M7

Pneumatic connection, port 3

M7

Pneumatic connection, port 4

M7

Pneumatic connection, port 5

M7

Materials information for seals

NBR

Materials information, housing

Aluminium die cast

Printed:10.07.2006 13:50:45

Festo AG & Co. KG


Postfach
73734 Esslingen

Data sheet
Part no.:

196927

Page:3

CPE10-M1BH-5L-M7
Solenoid valve
Feature

Data/description

Authorisation

c UL us - Recognized (OL)

Printed:10.07.2006 13:50:45

Festo AG & Co. KG


Postfach
73734 Esslingen

304518
Piping

Function

Technical data

This plastic piping made of polyethylene is used to establish all connections, with
the exception of piping with acrylic glass.

Parameter

Value

Material

Polyethylene (PE)**

Temperature and pressure


Hot water
Cold water
Periodic with interruptions *

6 bar at 65 C
12 bar at 20 C
114 C

Expansion

1 % across the overall length (20 C 82 C)

Medium

Water

Light

Protect against ultraviolet light (long term solar


irradiation, etc.)

Dimensions
Piping diameter, external
Piping length

15 mm
2m

*Never use this piping in conjunction with an uncontrolled heat source!


**Lead-free and non-toxic. Long service life.

Festo Didactic GmbH & Co. KG, 06/2006

Subject to change

1/2

2/2

Subject to change

Festo Didactic GmbH & Co. KG, 06/2006

374134
Gear motor

Design

The 24 V D.C. motor is permanently attached to a reversible worm gear. The motor
shaft and drive shaft are positioned at right angles. The gear motor can be attached
via the worm gear housing by means of three screws. The mounting holes are for
selftapping screws M5. Electrical connection is by means of 2 flat.

Function

The gear motor serves as a drive for the various conveyors.

Technical data

Festo Didactic GmbH & Co., 08/2001

Feature

Value

Nominal voltage

24 V

Nominal current

1,5 A

Nominal speed of drive shaft

65 r.p.m

Reduction stages

Nominal torque

1 Nm

Reversible

yes

Starting torque

7 Nm

Connection

2 flat pins

Weight

450 g

Subject to change

1/2

373134

100

10

r.p.m

80

70

35

60

30

50
%

I1

40

n1

25

40

20

30

15

20

10

10

Efficiency

50

Current I

Rotational speed n

Gear motor

0
0

5
Torque M

Nm

10

Characteristic curve

2/2

Subject to change

Festo Didactic GmbH & Co., 08/2001

526213
Analogue terminal

9 10 11 12 13 14 15

1...

Function

The analogue terminal is an optimised terminal strip for the connection of analogue
sensors and actuators to a control unit (PLC, EasyPortDA, Simu-Box etc.) via 15 pin
2
Sub-D interfaces. A 15-pin cable (not included) with a core cross-section of 0.25 mm
connects the analogue terminal parallel to the control unit. 4 analogue input signals
and 2 analogue output signals can be connected.

Design

The analogue terminal is to be mounted on an H-rail.

Technical data

Parameter

Value

Number of analogue inputs

Number of analogue outputs

Number of earth for inputs and outputs

Nominal voltage VN

125 V

Max. Current-carrying capacity per branch

2.5 A

Number of pins

15

Dimensions
Length

45 mm

Width
Height

65 mm
42 mm

Ambient temperature (operation)

-20 C 50 C

The function of the terminals is described in general in the allocation list and subject
to the function scope of the industrial controller.
Therefore please observe the notes regarding the connection procedure of the
controller.

Festo Didactic GmbH & Co. KG, 06/20065

Subject to change

1/2

526213
Analogue terminal

Pin allocation

PIN allocation

Analogue

Function

Terminal

OUT

VO1

VO2

AGNDO

II2

II1

AGNDI

VI2

VI1

IO2

IO1

10

II4

12

II3

13

VI4

14

VI3

15

IN

OUT

IN

U
I
E
A
GND

2/2

Analogue
terminal

= Voltage
= Current
= Input
= Output
= Earth

Subject to change

Festo Didactic GmbH & Co. KG, 06/20065

526214
Analogue comparator 0 - 10 V

24 V DC
Uref
Uin
GND
0V

1 (low)
1 (mid)
1 (high)

9
Error

GND

2
0-10 V Analog
Comparator

+10V

6
7

1
2
3
4
5
6
7
8
9

Festo Didactic GmbH & Co., 06/2003

GND

LEVEL2

AIn

LEVEL1
+24V

GND

Digital outputs
Display of output error
Potentiometer LEVEL2 (upper threshold)
Analogue input
Reference voltage linear displacement sensor
Display of external operating voltage
External operating voltage
Potentiometer LEVEL1 (lower threshold)
Display of switching status of the outputs

Subject to change

1/2

526214
Analogue comparator 0 - 10 V

Design

The comparator is mounted onto top-hat rails. The electrical connection is effected
by means of screw terminals.

Function

The comparator converts the analogue output signal of the linear displacement
sensor in a digital output signal. 3 digital outputs are available:
1: Measured value lower than threshold 1
2: Measured value between threshold 1 and threshold 2
3: Measured value higher than threshold 2
The thresholds are adjustable by means of two potentiometers LEVEL1 and LEVEL2.
The active output is displayed by a LED.

Digital
outputs

UHyst.
high
UHyst.
mid

low

Level 1

Level 2

+10 V

Analog
input

Hysteresis of the switching outputs

Technical data

2/2

Electrical
Operating voltage

20 28 V DC

Current consumption

up to 200 mA

Switching outputs

3, PNP, normally open

Maximum switching current

50 mA per channel

Output URef

10 V DC (max. 50 mA)

Analogue input

0 10 V

Hysteresis UHyst.

80 mV

Degree of protection

IP 20

Elektrical connection

Screw terminals for cable with max. 0.75 mm

Subject to change

Festo Didactic GmbH & Co., 06/2003

Data sheet - Proximity Sensor SME-8-SL-LED-24 - 526622


Function

Feature
Operating voltage range DC
Operating voltage range AC
Switch output
Switching element function
Max. output current
Electrical connection

values
10 - 30 V
10 - 30 V
with contact, bipolar
Normally open contact
500 mA
Plug
M8x1
3-pin
for T-slot
DIN EN 60947-5-2
No
Reed magnetic
No
Yellow LED
0.05 ms
<= 0.6 ms
500 Hz
50 V
10 VA
10 W
0V
0.8 kV
Not available
3
to EU directive for EMC
IP65
IP67
-20 - 60 C

Design
Conforms to standard
Short circuit strength
Measuring principle
Polarity protected
Operating status display
Switch-off time
Switch-on time
Max. switching frequency
Insulation voltage
Max. contact rating AC
Max. contact rating DC
Voltage drop
Surge strength
Overload withstand capability
Degree of contamination
CE mark (see declaration of conformity)
Protection class
Ambient temperature

09.03.2009 - Subject to change

Festo AG & Co. KG

1/2

Feature
Tightening torque
Product weight
Reproducibility of switching value
Connector exit direction
Mounting type

values
0.2 Nm
5g
+/- 0,1 mm
axial
Clamped in T-slot
Insertable into slot lengthwise
Free of copper and PTFE
Conforms to RoHS
Epoxy resin
PC
PET
High alloy steel, non-corrosive
PUR

Materials note
Materials information, housing

Materials information, cable sheaths

09.03.2009 - Subject to change

Festo AG & Co. KG

2/2

529141
Analog-cable, parallel

Analog-cable, parallel
Function

Pin-assignment
Analog data cable

The analog data cable is 15-pole cable with diameter of 0.25 mm. It connects an
analog terminal parallel to a controller (SPS, Easyport; etc.). It is possible to transfer
4 analog output signals and 2 analog input signals. In addition the ground is routed
in the cable.
Connection designation

Analog data cable

Analog

15-pole Sub D

Function

Colour
code

OUT

IN

OUT

IN

UA1

WH

UA2

BN

AGNDA

GN

IE2

YE

IE1

GY

AGNDE

PK

UE2

BU

UE1

RD

IA2

BK

IA1

10

GYPK

IE4

12

RDBU

IE3

13

WHGY

UE4

14

BNGN

UE3

15

WHYE

Analog data cable Pin assignment

Festo Didactic GmbH & Co. KG, 03/2009

Subject to change

1/1

Data sheet
Part no.:

529351

Page:1

HPV-14-20-A
Feed separator
Feature

Data/description

Stroke

20 mm

Piston diameter

14 mm

Max. replacement accuracy

0,3 mm

Max. stem backlash Sx

0,05 mm

Max. stem backlash Sz

0,03 mm

Max. angular gripper jaw backlash ax

0,12 deg

Max. angular gripper jaw backlash ay

0,2 deg

Max. angular gripper jaw backlash az

0,175 deg

Mounting of external fingers

Through-hole

Cushioning

none

Assembly position

Any

Mode of operation

double-acting

Design structure

twin piston
Piston rod
Stopper
Non-rotating

Position detection

with proximity sensor

Variants

Single-ended piston rod

Protection against torque/guide

Square guide

Operating pressure

3 - 8 bar

Advancing time

25 ms

Return-stroke time

25 ms

Repetition accuracy

<= 0,15 mm

Operating medium

Filtered, unlubricated compressed air, 40 m filtration


Filtered, lubricated compressed air, 40 m filtration

Printed:10.07.2006 13:47:44

Festo AG & Co. KG


Postfach
73734 Esslingen

Data sheet
Part no.:

529351

Page:2

HPV-14-20-A
Feed separator
Feature

Data/description

Corrosion resistance classification CRC

Ambient temperature

5 - 60 C

Max. force on finger Fz static

100 N

Max. torque at finger Mx static

5 Nm

Max. torque at finger My static

5 Nm

Theoretical force at 6 bar, return stroke

75 N

Theoretical force at 6 bar, advance stroke

90 N

Twisting torque Mz (graph)

5 Nm

Product weight

290 g

Mounting type

Optional
Internal thread and centring sleeve
With through-hole and centring sleeve

Pneumatic connection

M5

Materials note

Copper and Teflon-free

Printed:10.07.2006 13:47:44

Festo AG & Co. KG


Postfach
73734 Esslingen

Data sheet
Part no.:

529955

Page:1

SDE1-D10-G2-H18-C-PU-M8
Pressure sensor
Feature

Data/description

Assembly position

Any

Short circuit strength

Pulsing

Measured variable

Relative pressure

Measurement method

Piezoresistive pressure sensor with display

Polarity protected

for all electrical connections

Threshold setting range

0,2 - 9,98 bar

Hysteresis adjustment range [bar]

0 - 9 bar

Operating pressure

0 - 10 bar

Analogue output

0 - 10 V

Operating voltage DC

15 - 30 V

Max. output current

150 mA

Switch output

PNP

Operating medium

Filtered, unlubricated compressed air, 40 m filtration


Filtered, lubricated compressed air, 40 m filtration

CE Symbol

In compliance with EU directive 89/336/EWG (EMV)

Corrosion resistance classification CRC

Medium temperature

0 - 50 C

Protection class

IP65

Ambient temperature

0 - 50 C

Product weight

70 g

Pressure measuring range

0 - 10 bar

Accuracy, FS

2%

Electrical connection

M8x1
Plug
to EN 60947-5-2

Printed:10.07.2006 13:46:26

Festo AG & Co. KG


Postfach
73734 Esslingen

Data sheet
Part no.:

529955

Page:2

SDE1-D10-G2-H18-C-PU-M8
Pressure sensor
Feature

Data/description
Round design
4-pin

Mounting type

with top-hat rail

Pneumatic connection

G1/8

Materials information, housing

POM-reinforced
PA

Printed:10.07.2006 13:46:26

Festo AG & Co. KG


Postfach
73734 Esslingen

Quarter turn actuators DAPS

Actuators
Quarter turn actuators

Key features

1.2

-T-L-Y-

Size
0015 ... 1920

Torque
15 ... 1,920 Nm

Swivel angel
0 90

The quarter turn actuators DAPS are


specially tailored to the requirements
of the process industry. The torque is
generated
via a scotch-yoke
g
y
mechanism. This is advantageous for
overcoming the valves high breakaway torques.
Given their robustness and graduated
torques, the DAPS quarter turn actuators are predominantly used to control
valves through which various media
flow and whose angle of rotation is
limited to 90
90, ee.g.
g ball valves and
butterfly valves.

2005/04 Subject to change Products 2004/2005

 Compact design
 Torque characteristics adjusted to
the process valves
 For the same housingg size,, the
single-acting drive has half the
torque of the double-acting drive
 Low wearing thanks to the simple
and robust mechanical system
 Adjustable swivel angle
 Selected types according to ATEX
directive for explosive atmospheres
 www.festo.com/en/ex

 Port pattern to Namur VDI/


VDE 3845 for attaching solenoid
valves

7 / 1.2-1

Quarter turn actuators DAPS, double-acting


Product range overview

Actuators
Quarter turn actuators

Flange hole pattern - Connection dimensions to DIN ISO 5211 and Namur VDI/VDE 3845
Connection
F03
F04
F04
F05
F05
F07
F07
F10
Square
V11
V11
V14
V14
V17
V22

F10

F12

F12
V36

F14
V36

F14
V46

F16
V46

V27

DAPS-0015--F03
DAPS-0015--F04
DAPS-0030--F03
DAPS-0030--F04
DAPS-0060--F04
DAPS-0060--F05
DAPS-0106--F0507
DAPS-0180--F0710
DAPS-0240--F0710
DAPS-0360--F0710
DAPS-0480--F1012
DAPS-0960--F12
DAPS-0960--F14
DAPS-1920--F14
DAPS-1920--F16









Hole ppattern for Namur


accessories

30
80

30
80

30
80

30
80

30
80

30
80

30
80

30
80

30
80

30
80

30
80

30
80

30
80

30
80

Shaft
height
20
20
20
20
20
20
20
30
30
30
30
30
30
30
30

1.2

7 / 1.2-2

Products 2004/2005 Subject to change 2005/04

Quarter turn actuators DAPS, single-acting


Product range overview

F10

F12

F12
V36

F14
V36

F14
V46

F16
V46

V27

DAPS-0015--F03
DAPS-0015--F04
DAPS-0030--F04
DAPS-0030--F05
DAPS-0053--F0507
DAPS-0090--F0710
DAPS-0120--F0710
DAPS-0180--F0710
DAPS-0240--F1012
DAPS-0480--F12
DAPS-0480--F14
DAPS-0960--F14
DAPS-0960--F16









Hole ppattern for Namur


accessories

30
80

30
80

30
80

30
80

30
80

30
80

30
80

30
80

30
80

30
80

30
80

30
80

30
80

30
80

Shaft
height
20
20
20
20
20
30
30
30
30
30
30
30
30

Actuators
Quarter turn actuators

Flange hole pattern - Connection dimensions to DIN ISO 5211 and Namur VDI/VDE 3845
Connection
F03
F04
F04
F05
F05
F07
F07
F10
Square
V11
V11
V14
V14
V17
V22

1.2

2005/04 Subject to change Products 2004/2005

7 / 1.2-3

Quarter turn actuators DAPS


Peripherals overview

2
3

Actuators
Quarter turn actuators

1.2

Mounting attachments and accessories


Brief description

 Page

Square design
pneumatic, electrical or inductive sensing
Square design
electrical, electrically explosion-proof or inductive sensing
Round design, variant AR
electrical, inductive or inductively explosion-proof sensing
Round design, variant RO
electrical, inductive or inductive Namur sensing
Basic valve with pilot control valve for F solenoid coil

7 / 1.2-61

Basic valve with pilot control valve for N1 solenoid coil

7 / 2.1-10

Basic valve with pilot control valve, solenoid coil and socket

7 / 2.1-10

For F solenoid coil and explosion-proof F solenoid coil

7 / 2.1-4

Brass or stainless steel, corrosion-resistant

7 / 2.2-2

2
3
4
5

6
7

Limit switch attachment


QH-DR-E
Limit switch attachment
DAPZ
Limit switch attachment
DAPZ
Limit switch attachment
DAPZ
Solenoid valve
MFH
Solenoid valve
MN1H
Solenoid valve
MGTBH
Solenoid valve
NVF3
Ball valve
VAPB

7 / 1.2-4

7 / 1.2-54
7 / 1.2-58
7 / 1.2-56
7 / 2.1-10

Products 2004/2005 Subject to change 2005/04

Quarter turn actuators DAPS


Type codes

DAPS

0240

090

F1012

Type
DAPS

Quarter turn actuator

Size
Nominal torque 15 Nm
Nominal torque 30 Nm
Nominal torque 53 Nm
Nominal torque 60 Nm
Nominal torque 106 Nm
Nominal torque 180 Nm
Nominal torque 240 Nm
Nominal torque 360 Nm
Nominal torque 480 Nm
Nominal torque 960 Nm
Nominal torque 1,920 Nm

Actuators
Quarter turn actuators

0015
0030
0053
0060
0106
0180
0240
0360
0480
0960
1920
Swivel angle
090

90

1.2
Closing direction
R

Closes to right

Mode of operation
S

Double-acting
Single-acting

Spring strength
1
2
3
4

Omitted for double-acting


For connection pressure 2.8 bar
For connection pressure 3.5 bar
For connection pressure 4.2 bar
For connection pressure 5.6 bar

Flange hole pattern


F03
F04
F05
F07
F10
F12
F14
F16

Flange hole pattern F03


Flange hole pattern F04
Flange hole pattern F05
Flange hole pattern F07
Flange hole pattern F10
Flange hole pattern F12
Flange hole pattern F14
Flange hole pattern F16

2005/04 Subject to change Products 2004/2005

7 / 1.2-5

Quarter turn actuators DAPS, double-acting


Technical data

-Y-

Function

-T-L-

Size
0015 ... 1920

Torque
15 ... 1,920 Nm

Actuators
Quarter turn actuators

General technical data


Size

1.2

Pneumatic connection
Design
Assembly position
Swivel angle
End-position adjusting range
at 90
Closing direction

[]
[]

Operating and environmental conditions


Size
Operating pressure1)
[bar]
Operating medium
Ambient temperature
[C]
Corrosion resistance class CRC2)
1)
2)

Swivel angel
0 90

0015 0360

0480 1920

G
Scotch yoke system, double-acting
Any
90
5

G

Closes to right

0015 1920
1 8.4
Dried compressed air, lubricated or unlubricated
20 +80
3

Minimum operating pressures vary for single-acting quarter turn actuators depending upon spring quantity.
Corrosion resistance class 3 according to Festo standard 940 070
Components requiring higher corrosion resistance. External visible parts in direct contact with industrial atmospheres or media such as solvents and cleaning agents, with a predominantly functional requirement for
the surface.

Air consumption [l/cycle] at 6 bar


Size
DAPS-0015
DAPS-0030
DAPS-0060
DAPS-0106
DAPS-0180

Size
0.72
1.44
3
5.04
8.64

Weight [g]
Size
DAPS-0015
DAPS-0030
DAPS-0060
DAPS-0106
DAPS-0180

7 / 1.2-6

DAPS-0240
DAPS-0360
DAPS-0480
DAPS-0960
DAPS-1920

12
17.4
24
48
96

Size
750
1,000
1,900
2,300
4,100

DAPS-0240
DAPS-0360
DAPS-0480
DAPS-0960
DAPS-1920

5,200
6,200
8,200
17,400
30,700

Products 2004/2005 Subject to change 2005/04

Quarter turn actuators DAPS, double-acting


Actual torque [Nm] as a function of operating pressure [bar] and swivel angle []
Size
Swivel angle
g
Operating pressure [bar]
[]
2.5
3
4
DAPS-00155

DAPS-0030
3

DAPS-0060

DAPS-0106

DAPS-0180

DAPS-0240

DAPS-0360
3

DAPS-0480

DAPS-0960
9

DAPS-1920
9

0
50
90
0
50
90
0
50
90
0
50
90
0
50
90
0
50
90
0
50
90
0
50
90
0
50
90
0
50
90

6.7
3.3
5
13.4
6.7
10
26.8
13.4
20.1
47.5
23.5
35.5
80.4
40.2
60.6
107.1
53.5
80.3
160.8
80.4
121.2
214.3
107.1
160.7
428.6
214.3
321.4
857.1
428.6
642.9

8
4
6
16.1
8
12
32.1
16.1
24.1
57
28
43
96
48
72
128.6
64.3
96.4
192
96
144
257.1
128.6
192.9
514.3
257.1
385.7
1,028.6
514.3
771.4

10.7
5.4
8.1
21.4
10.7
16.1
42.9
21.4
32.1
76
38
57
128.4
64.8
97.2
171.4
85.7
128.6
256.8
129.6
194.4
342.9
171.4
257.1
685.7
342.9
514.3
1,371.4
685.8
1,028.6

5.6

13.4
6.7
10.1
26.8
13.4
20.1
53.6
26.8
40.2
95
47
71
160.8
80.4
121.2
214.3
107.1
160.7
321.6
160.8
242.4
428.6
214.3
321.4
857.1
428.6
642.9
1,714.3
857.1
1,285.7

15
7.5
11.3
30
15
22.5
60
30
45
106
53
80
180
90
135
240
120
180
360
180
270
480
240
360
960
480
720
1,920
960
1,440

16.1
8
12.1
32.1
16.1
24.1
64.3
32.1
48.2
114
57
86
193.2
96
145.2
257.1
128.6
192.9
386.4
192
290.4
514.3
257.1
358.7
1,028.6
514.3
771.4
2,057.1
1,028.6
1,542.9

18.8
9.4
14.1
37.5
18.8
28.1
75
37.5
56.3
133
66
100
225.6
112.8
169.2
300
150
225
451.2
225.6
338.4
600
300
450
1,200
600
900
2,400
1,200
1,800

21.4
10.7
16.1
42.9
21.4
32.1
85.7
42.9
64.3
151
76
114
264.8
128.4
193.2
342.9
171.4
257.1
513.6
264.8
386.4
685.7
342.9
514.3
1,371.4
685.7
1,028.6
2,742.9
1,371.4
2,057.1

Torque for size at 5.6 bar and swivel angle 0

Materials
Quarter turn actuators
Housing
Cover
Shaft
External screws
Seals

Wrought aluminium alloy


Wrought aluminium alloy
Stainless steel
Stainless steel
Nitrile rubber

2005/04 Subject to change Products 2004/2005

7 / 1.2-7

Actuators
Quarter turn actuators

Technical data

1.2

Quarter turn actuators DAPS, double-acting


Technical data
Download CAD data  www.festo.com/en/engineering

Actuators
Quarter turn actuators

Dimensions
Size 0015 0360

1.2

7 / 1.2-8

Products 2004/2005 Subject to change 2005/04

Quarter turn actuators DAPS, double-acting


Technical data

DAPS-0015--F03
DAPS-0015--F04
DAPS-0030--F03
DAPS-0030--F04
DAPS-0060--F04
DAPS-0060--F05
DAPS-0106--F0507
DAPS-0180--F0710
DAPS-0240--F0710
DAPS-0360--F0710
Size
DAPS-0015--F03
DAPS-0015--F04
DAPS-0030--F03
DAPS-0030--F04
DAPS-0060--F04
DAPS-0060--F05
DAPS-0106--F0507
DAPS-0180--F0710
DAPS-0240--F0710
DAPS-0360--F0710

B1

B2

B3

52 2
52.2

24 2
24.2

28

59 2
59.2

27 7
27.7

31 5
31.5

70 4
70.4

32 7
32.7

37 7
37.7

83.3
107.5
111.1
118

38.5
51
51
56

H3

D1

D2

D3

D4

D6

D7

H1

H2

92
9.2

13

72 2
72.2

28

10 9
10.9

13

79 2
79.2

31 5
31.5

14 5
14.5

13

90 4
90.4

37 7
37.7

16.2
20.2
22.5
25.5

17
22
22
22

103.3
137.5
141.1
148

44.8
56.5
60.1
62

44.8
56.5
60.1
62

36
42
36
42
42
50
50
70
70
70

70
102
102
102

M8
M10
M10
M10

M5
M5
M5
M5
M5
M6
M6
M8
M8
M8

H5

H6

L1

T1

T2

T3

T4

1

2

20

08
0.8

32
3.2

159

10

13 2
13.2

11

20

08
0.8

32
3.2

174

10

13 2
13.2

11

20

198

13

16 5
16.5

14

10

20
30
30
30

4
4
4
4

236.5
289.9
313.6
339.3

9
12
12
12

13
16
17
19

19.3
24.8
24.8
24.3

17
22
22
22

12
15
15
19

2005/04 Subject to change Products 2004/2005

8
8
8
8
8
9
12
15
15
15

Actuators
Quarter turn actuators

Size

1.2

7 / 1.2-9

Quarter turn actuators DAPS, double-acting


Technical data
Download CAD data  www.festo.com/en/engineering

Actuators
Quarter turn actuators

Dimensions
Size 0480 1920

1.2

7 / 1.2-10

Products 2004/2005 Subject to change 2005/04

Quarter turn actuators DAPS, double-acting


Technical data

DAPS-0480--F1012
DAPS-0960--F12
DAPS-0960--F14
DAPS-1920--F14
DAPS-1920--F16
Size
DAPS-0480--F1012
DAPS-0960--F12
DAPS-0960--F14
DAPS-1920--F14
DAPS-1920--F16

B1

B2

B3

D1

D2

D3

D4

D6

D7

H1

134.9

62

72.9

125

M12

27

164.9

74 5
74.5

93 5
93.5

36 5
36.5

27

198

207 7
207.7

93

114 7
114.7

M10
M12
M16
M16
M20

29

168

102
125
140
140
165

46

36

237 7
237.7

H2

H3

L1

T1

T2

T3

T4

1

2

72.9

30

387.7

15

19

29.5

27

19

93 5
93.5

30

479 4
479.4

19 5
19.5

38 5
38.5

36

24

114 7
114.7

30

601

18
18
24
24
30

18 5
18.5

48 5
48.5

46

32

Actuators
Quarter turn actuators

Size

1.2

2005/04 Subject to change Products 2004/2005

7 / 1.2-11

Quarter turn actuators DAPS, double-acting


Technical data
Ordering data Actuators
Part No. Type
Size 0015
533 417 DAPS-0015-090-R-F03
533 475 DAPS-0015-090-R-F04
Size 0030
533 418 DAPS-0030-090-R-F03
533 476 DAPS-0030-090-R-F04

Actuators
Quarter turn actuators

Size 0060
533 419 DAPS-0060-090-R-F04
533 477 DAPS-0060-090-R-F05

1.2

Size 0106
533 420 DAPS-0106-090-R-F0507
Size 0180
533 421 DAPS-0180-090-R-F0710

Part No.

Type

Size 0240
533 422 DAPS-0240-090-R-F0710
Size 0360
533 423 DAPS-0360-090-R-F0710
Size 0480
533 424 DAPS-0480-090-R-F1012
Size 0960
533 425 DAPS-0960-090-R-F12
533 478 DAPS-0960-090-R-F14
Size 1920
533 426 DAPS-1920-090-R-F14
533 479 DAPS-1920-090-R-F16

Ordering data Wearing parts kits


Part No. Type

Part No.

Size 0015
397 470 DAPS-0015

Size 0240
397 475 DAPS-0240/S0120

Size 0030
397 471 DAPS-0030/S0015

Size 0360
397 476 DAPS-0360/S0180

Size 0060
397 472 DAPS-0060/S0030

Size 0480
397 477 DAPS-0480/S0240

Size 0106
397 473 DAPS-0106/S0053

Size 0960
397 478 DAPS-0960/S0480

Size 0180
397 474 DAPS-0180/S0090

Size 1920
397 479 DAPS-1920/S0960

7 / 1.2-12

Type

Products 2004/2005 Subject to change 2005/04

Quarter turn actuators DAPS, single-acting


Technical data

-Y-

Function

-L-

Size
0015 ... 0960

Torque
15 ... 960 Nm

General technical data


Size
Pneumatic connection
Design
Assembly position
Swivel angle
End position adjusting range
at 90
Closing direction

[]
[]

Operating and environmental conditions


Size
Operating pressure1)
[bar]
Operating medium
Ambient temperature
[C]
Corrosion resistance class CRC2)
1)
2)

0015 0180

0240 0960

G
Scotch yoke system, single-acting
Any
90
5

G

Actuators
Quarter turn actuators

-T-

Swivel angel
0 90

Closes to right

1.2
0015 0960
1 8.4
Dried compressed air, lubricated or unlubricated
20 +80
3

Minimum operating pressures vary for single-acting quarter turn actuators depending upon spring quantity.
Corrosion resistance class 3 according to Festo standard 940 070
Components requiring higher corrosion resistance. External visible parts in direct contact with industrial atmospheres or media such as solvents and cleaning agents, with a predominantly functional requirement for
the surface.

Air consumption [l/cycle] at 6 bar


Size
DAPS-0015
DAPS-0030
DAPS-0053
DAPS-0090
DAPS-0120

Size
0.36
0.72
1.08
2.16
3

Weight [g]
Size

DAPS-0180
DAPS-0240
DAPS-0480
DAPS-0960

4.32
6
12
24

Size

DAPS-0015
DAPS-0030
DAPS-0053
DAPS-0090
DAPS-0120

1,300
2,200
3,200
5,400
6,900

Materials
Quarter turn actuators
Housing
Cover
Shaft
External screws
Seals

Wrought aluminium alloy


Wrought aluminium alloy
Stainless steel
Stainless steel
Nitrile rubber

2005/04 Subject to change Products 2004/2005

DAPS-0180
DAPS-0240
DAPS-0480
DAPS-0960

8,700
11,000
23,300
41,400

7 / 1.2-13

Quarter turn actuators DAPS, single-acting


Technical data

Actuators
Quarter turn actuators

Actual torque [Nm] as a function of operating pressure [bar], spring strength and swivel angle []
Spring
p g
Spring
p g torque
q
Operating pressure [bar]
strength
g
[Nm]
2.5
2.8
3
0
50
90
0
50
90
0
50
90
0
50

1.2

90

3.5
0

50

90

4.2
0

50

90

13.8
12.6
11.3

7.4
6.5
5.6

11.3
9.4
7.5

16.3
12.5
8.8

27.5
25.1
22.5

15
13.2
11.3

22.5
18.8
15

19.5
16.5
13

28.5
22
15

48.5
44
40

26
23.1
19.5

39.5
33
26

63.8
56.3
48.8

33.8
28.1
22.6

48.8
37.5
26.3

82.5
75.1
67.5

45
39.4
33.9

67.5
56.3
45

47.1
32.1

85
75
65

45
37.5
30

65
50
35

110
100
90

60
52.5
45

90
75
60

100.7 51.4
85.7 40.2

70.7
48.2

127.5 67.5
112.5 56.3
97.5 45

97.5
75
52.5

165
150
135

90
78.8
67.5

135
112.5
90

80

134.3 68.6
114.3 53.6

94.3
64.3

170
150
130

90
75
60

130
100
70

220
200
180

120
105
90

180
105
120

120

160

268.6 137.1 188.6 340


228.6 107.1 128.6 300

260

180
150
120

260
200
140

440
400
360

240
210
180

360
300
240

240

320

537.1 274.3 377.1 680


457.1 214.3 257.1 600

520

360
300
240

520
400
280

880
800
720

480
420
360

720
600
480

DAPS-0015
1
5.0
2
6.3
3
7.5
4
10.0

3.7
4.7
5.6
7.5

7.5
9.4
11.3
15

6.2

2.9

3.7

7.5

3.7

8.4
7.2

4.2
3.3

5.9
4

10.6
9.4
8.2

5.6
4.7
3.7

8.1
6.3
4.4

DAPS-0030
1
10.0
2
12.5
3
15.0
4
20.0

7.5
9.4
11.3
15

15
18.8
22.5
30

12.3

5.9

7.3

15

7.5

10

16.8
14.3

8.6
6.7

11.8
8

21.3
18.8
16.3

11.3
9.4
7.5

DAPS-0053
1
17.5
2
22
3
26
4
35

13
16.5
19.5
26

26.5
33
40
53

21.8

10.2

12.8

26.5

13

17.5

29.6
25.1

14.9
11.8

20.6
14.1

37.5
33
29

DAPS-0090
1
30
2
37.5
3
45
4
60

22.5
28.1
33.9
45

45
56.3
67.5
90

37

17.7

22

45

22.5

30

50.4
42.9

25.7
20.1

35.4
24.1

DAPS-0120
1
40
2
50
3
60
4
80

30
37.5
45
60

60
75
90
120

49.3

23.6

29.3

60

30

40

67.1
57.1

34.3
26.8

DAPS-0180
1
60
2
75
3
90
4
120

45
56.3
67.5
90

90
112.5
135
180

73.9

35.4

43.9

90

45

60

DAPS-0240
1
80
2
100
3
120
4
160

60
75
90
120

120
150
180
240

98.6

47.1

58.6

120

60

DAPS-0480
1
160
2
200
3
240
4
320

120
150
180
240

240
300
360
480

197.1 94.3

117.1 240

DAPS-0960
1
320
2
400
3
480
4
640

240
300
360
480

480
600
720
960

394.3 188.6 234.3 480

7 / 1.2-14

Products 2004/2005 Subject to change 2005/04

Quarter turn actuators DAPS, single-acting


Actual torque [Nm] as a function of operating pressure [bar], spring strength and swivel angle []
Spring
p g
Operating pressure [bar]
strength
5
5.6
6
0
50
90
0
50
90
0
50
90

7
0

DAPS-0015
1
2
3
4

16.1
14.9
12.3

8.7
7.7
5.9

13
11.1
7.3

18.8
17.6
15

10.3
9.3
7.5

15.7
13.8
10

19.4
16.8

15.6
11.8

23.8
21.3

DAPS-0030
1
2
3
4

32.2
29.6
24.6

17.5
15.6
11.8

25.9
22.1
14.6

37.6
35
30

20.7
18.8
15

31.3
27.5
20

38.6
33.6

31.1
23.6

47.5
42.5

DAPS-0053
1
2
3
4

56.6
52.6
43.6

30.6
26.9
20.4

45.6
38.6
25.6

66
62
53

36.3
32.5
26

55
48
35

68.3
59.3

54.3
41.3

84
75

10.4
8.6

21
17.1

36.2
29.7

50

13.1
11.3

26.4
22.5

45.5
39

90

8
0

50

90

20
16.3

28.3
25.7

15.7
13.9

24.5
20.7

40
32.5

56.4
51.4

31.7
27.9

48.9
41.4

70
57

99.7
90

54.8
48.3

85.7
72.7

Actuators
Quarter turn actuators

Technical data

1.2

DAPS-0090
1
2
3
4

96.5
88.9
73.9

52.2
46.8
35.4

77.7
66.4
43.9

112.6
105
90

61.9
56.5
45

93.8
82.5
60

115.7
100.7

DAPS-0120
1
2
3
4

128.6
118.6
86.7

69.6
62.1
40

130.6
88.6
46.7

150
140
106.7

82.5
75
52

125
110
66.7

154.3
120

DAPS-0180
1
2
3
4

192.9
177.9
147.9

104.5
93.2
707.7

155.4
132.9
87.9

225
210
180

123.8
112.5
90

187.5
165
120

231.4
201.4

DAPS-0240
1
2
3
4

257.1
237.1
197.1

139.3
124.3
94.3

207.1
177.1
117.1

300
280
240

165
150
120

250
220
160

308.6
268.6

DAPS-0480
1
2
3
4

514.3
474.3
394.3

278.6
248.6
118.6

414.3
354.3
234.3

600
560
480

330
300
240

500
440
320

617.1
537.1

DAPS-0960
1
2
3
4

1,028.6 557.1
948.6 497.1
788.6 377.1

828.6
708.6
468.6

1,200
1,120
960

660
600
480

1,000
880
640

1,234.3 668.6
1,074.3 548.6

63
51.4

83.6
60

125.4
102.9

167.1
137.1

334.3
274.3

93.2
70.7

142.5
127.5

124.3
80

190
153.3

186.4
141.4

285
255

248.6
188.6

380
340

497.1
377.1

760
680

994.3
754.3

1,520
1,360

79.1
67.5

105
80

157.5
135

210
180

420
360

840
720

120
97.5

169.3
154.3

95.2
83.6

146.8
124.3

160
113.3

225.7
186.7

126.4
100

195.7
146.7

240
195

338.6
308.6

189.6
167.6

293.6
284.6

320
260

451.4
411.4

252.9
222.9

391.4
331.4

640
250

902.9
822.9

505.7
445.7

782.9
662.9

1,280
1,040

1,805.7 1,011.4 1,565.7


1,645.7 891.4 1,325.7

Torque for size at 5.6 bar and swivel angle 0

2005/04 Subject to change Products 2004/2005

7 / 1.2-15

Quarter turn actuators DAPS, single-acting


Technical data
Download CAD data  www.festo.com/en/engineering

Actuators
Quarter turn actuators

Dimensions
Size 0015 0180

1.2

7 / 1.2-16

Products 2004/2005 Subject to change 2005/04

Quarter turn actuators DAPS, single-acting


Technical data

DAPS-0015--F03
DAPS-0015--F04
DAPS-0030--F04
DAPS-0030--F05
DAPS-0053--F0507
DAPS-0090--F0710
DAPS-0120--F0710
DAPS-0180--F0710
Size
DAPS-0015--F03
DAPS-0015--F04
DAPS-0030--F04
DAPS-0030--F05
DAPS-0053--F0507
DAPS-0090--F0710
DAPS-0120--F0710
DAPS-0180--F0710

B1

B2

B3

59 2
59.2

27 7
27.7

31 5
31.5

70 4
70.4

32 7
32.7

37 7
37.7

83.3
107.5
111.1
118

38.5
51
51
56

H3

D1

D2

D3

D4

D6

D7

H1

H2

10 9
10.9

13

79 2
79.2

31 5
31.5

14 5
14.5

13

90 4
90.4

37 7
37.7

16.2
20.2
22.5
25.5

17
22
22
22

103.3
137.5
141.1
148

44.8
56.5
60.1
62

44.8
56.5
60.1
62

36
42
42
50
50
70
70
70

70
102
102
102

M8
M10
M10
M10

M5
M5
M5
M6
M6
M8
M8
M8

H5

H6

L1

T1

T2

T3

T4

1

2

20

08
0.8

32
3.2

233 3
233.3

10

13 2
13.2

11

20

259

13

16 5
16.5

14

10

20
30
30
30

4
4
4
4

303.5
393.7
409.6
474

9
12
12
12

13
16
17
19

19.3
24.8
24.8
24.3

17
22
22
22

12
15
15
19

2005/04 Subject to change Products 2004/2005

8
8
8
9
12
15
15
15

Actuators
Quarter turn actuators

Size

1.2

7 / 1.2-17

Quarter turn actuators DAPS, single-acting


Technical data
Download CAD data  www.festo.com/en/engineering

Actuators
Quarter turn actuators

Dimensions
Size 0240 0960

1.2

Size
DAPS-0240--F1012
DAPS-0480--F12
DAPS-0480--F14
DAPS-0960--F14
DAPS-0960--F16
Size
DAPS-0240--F1012
DAPS-0480--F12
DAPS-0480--F14
DAPS-0960--F14
DAPS-0960--F16

7 / 1.2-18

B1

B2

B3

D1

D2

D3

D4

D6

D7

H1

134.9

62

72.9

125

M12

27

164.9

74 5
74.5

93 5
93.5

36 5
36.5

27

198

207 7
207.7

93

114 7
114.7

M10
M12
M16
M16
M20

29

168

102
125
140
140
165

46

36

237 7
237.7

H2

H3

L1

T1

T2

T3

T4

1

2

72.9

30

520.5

15

19

29.5

27

19

93 5
93.5

30

648 2
648.2

19 5
19.5

38 5
38.5

36

24

114 7
114.7

30

828

18
18
24
24
30

18 5
18.5

48 5
48.5

46

32

Products 2004/2005 Subject to change 2005/04

Quarter turn actuators DAPS, single-acting


Ordering data
Part No. Type

Part No.

Type

Size 0180
533 447
533 448
533 449
533 450

DAPS-0180-090-RS1-F0710
DAPS-0180-090-RS2-F0710
DAPS-0180-090-RS3-F0710
DAPS-0180-090-RS4-F0710

Size 0240
533 451
533 452
533 453
533 454

DAPS-0240-090-RS1-F1012
DAPS-0240-090-RS2-F1012
DAPS-0240-090-RS3-F1012
DAPS-0240-090-RS4-F1012

Size 0480
533 455
533 488
533 456
533 489
533 457
533 490
533 458
533 491

DAPS-0480-090-RS1-F12
DAPS-0480-090-RS1-F14
DAPS-0480-090-RS2-F12
DAPS-0480-090-RS2-F14
DAPS-0480-090-RS3-F12
DAPS-0480-090-RS3-F14
DAPS-0480-090-RS4-F12
DAPS-0480-090-RS4-F14

Size 0960
533 459
533 492
533 460
533 493
533 461
533 494
533 462
533 495

DAPS-0960-090-RS1-F14
DAPS-0960-090-RS1-F16
DAPS-0960-090-RS2-F14
DAPS-0960-090-RS2-F16
DAPS-0960-090-RS3-F14
DAPS-0960-090-RS3-F16
DAPS-0960-090-RS4-F14
DAPS-0960-090-RS4-F16

Ordering data Wearing parts kits


Part No. Type

Part No.

Type

Size 0015
397 471 DAPS-0030/S0015

Size 0180
397 476 DAPS-0360/S0180

Size 0030
397 472 DAPS-0060/S0030

Size 0240
397 477 DAPS-0480/S0240

Size 0053
397 473 DAPS-0106/S0053

Size 0480
397 478 DAPS-0960/S0480

Size 0090
397 474 DAPS-0180/S0090

Size 0960
397 479 DAPS-1920/S0960

Size 0015
533 427
533 480
533 428
533 481
533 429
533 482
533 430
533 483

DAPS-0015-090-RS1-F03
DAPS-0015-090-RS1-F04
DAPS-0015-090-RS2-F03
DAPS-0015-090-RS2-F04
DAPS-0015-090-RS3-F03
DAPS-0015-090-RS3-F04
DAPS-0015-090-RS4-F03
DAPS-0015-090-RS4-F04

Size 0030
533 431
533 484
533 432
533 485
533 433
533 486
533 434
533 487

DAPS-0030-090-RS1-F04
DAPS-0030-090-RS1-F05
DAPS-0030-090-RS2-F04
DAPS-0030-090-RS2-F05
DAPS-0030-090-RS3-F04
DAPS-0030-090-RS3-F05
DAPS-0030-090-RS4-F04
DAPS-0030-090-RS4-F05

Size 0053
533 435
533 436
533 437
533 438

DAPS-0053-090-RS1-F0507
DAPS-0053-090-RS2-F0507
DAPS-0053-090-RS3-F0507
DAPS-0053-090-RS4-F0507

Size 0090
533 439
533 440
533 441
533 442

DAPS-0090-090-RS1-F0710
DAPS-0090-090-RS2-F0710
DAPS-0090-090-RS3-F0710
DAPS-0090-090-RS4-F0710

Size 0120
533 443
533 444
533 445
533 446

DAPS-0120-090-RS1-F0710
DAPS-0120-090-RS2-F0710
DAPS-0120-090-RS3-F0710
DAPS-0120-090-RS4-F0710

Actuators
Quarter turn actuators

Technical data

1.2

Size 0120
397 475 DAPS-0240/S0120
2005/04 Subject to change Products 2004/2005

7 / 1.2-19

Data sheet
Part no.:

533417

Page:1

DAPS-0015-090-R-F03
Semi-rotary drive
Feature

Data/description

Size of actuator

0015

Rotation angle adjustment range

90 deg

Flange hole pattern

F03

Swivel angle

90 deg

End-position adjustment range at 90

-5 - 5 deg

Fitting connection conforms to standard

ISO 5211

Cushioning

none

Assembly position

Any

Mode of operation

double-acting

Design structure

Yoke kinematics

Position detection

none

Closing direction

right-closing

Valve connection conforms to standard

VDI/VDE 3845 (NAMUR)

Operating pressure

1 - 8,4 bar

Nominal operating pressure

5,6 bar

ATEX identification

II 2 GD c T5 T80C

ATEX ambient temperature

-20C <= Ta <= +60C

Operating medium

Dried compressed air, lubricated or unlubricated

CE Symbol

In accordance with EU directive 94/9/EG (ATEX)

Corrosion resistance classification CRC

Ambient temperature

-20 - 80 C

Torque at rated operating pressure and 0


rotation angle

15 Nm

Printed:10.07.2006 13:44:44

Festo AG & Co. KG


Postfach
73734 Esslingen

Data sheet
Part no.:

533417

Page:2

DAPS-0015-090-R-F03
Semi-rotary drive
Feature

Data/description

Air consumption per cycle

0,06 l

Product weight

750 g

Shaft connection

V11

Pneumatic connection

G1/8

Materials note

Contains PWIS substances

Materials information for drive shaft

High alloy steel

Materials information for cover

Wrought Aluminium alloy

Materials information, housing

Wrought Aluminium alloy

Printed:10.07.2006 13:44:44

Festo AG & Co. KG


Postfach
73734 Esslingen

Data sheet
Part no.:

534304

Page:1

VAPB-1/2-F-40-F03
Ball valve
Feature

Data/description

Nominal size

15 mm

Type of actuation

pneumatic

Sealing principle

soft

Assembly position

Any

Design structure

Ball valve

Valve function

2/2

Nominal operating pressure

40 bar

Standard nominal flow rate

283,33 l/min

Operating medium

Neutral liquid
Water
Neutral gases
Compressed air

Corrosion resistance classification CRC

Medium temperature

-20 - 150 C

Product weight

400 g

Mounting type

Line installation

Pneumatic connection, port 1

Rp1/2

Pneumatic connection, port 2

Rp1/2

Materials information for seals

PTFE

Materials information, housing

Brass

Printed:14.07.2006 16:20:29

Festo AG & Co. KG


Postfach
73734 Esslingen

Data sheet
Part no.:

534469

Page:1

DAPZ-SB-M-250AC-DR-RO
Limit switch attachment
Feature

Data/description

Based on the standard

VDI/VDE 3845 (NAMUR)

Design

Round

Assembly position

Any

Short circuit strength

Yes

Switching element function

Normally closed contact

Polarity protected

for operating voltage

Operating voltage AC

250 V

CE Symbol

73/23EEC (low voltage)

Corrosion resistance classification CRC

Protection class

IP65

Ambient temperature

-25 - 100 C

Mounting type

with through hole

Printed:10.07.2006 13:43:49

Festo AG & Co. KG


Postfach
73734 Esslingen

Data sheet
Part no.:

535987

Page:1

NVF3-MOH-5/2-K-1/4-EX
Solenoid valve
Feature

Data/description

Nominal size

7 mm

Exhaust-air function

throttleable

Type of actuation

electrical

Sealing principle

soft

Assembly position

Any

Manual override

detenting

Design structure

Poppet seat

Type of reset

mechanical spring

Type of piloting

Piloted

Flow direction

non reversible

Valve function

5/2
monostable

Operating pressure

2 - 10 bar

b value

0,33

C value

4,2 l/sbar

Standard nominal flow rate

900 l/min

Switching time off

100 ms

Switching time on

50 ms

ATEX identification

II 2 G c T4

ATEX ambient temperature

-5C <= Ta <= +40C

Operating medium

Filtered, unlubricated compressed air, 40 m filtration


Filtered, lubricated compressed air, 40 m filtration

CE Symbol

In accordance with EU directive 94/9/EG (ATEX)

Corrosion resistance classification CRC

Printed:10.07.2006 13:42:29

Festo AG & Co. KG


Postfach
73734 Esslingen

Data sheet
Part no.:

535987

Page:2

NVF3-MOH-5/2-K-1/4-EX
Solenoid valve
Feature

Data/description

Product weight

260 g

Mounting type

with through hole

Pilot exhaust port 84

M5

Pneumatic connection, port 1

G1/4

Pneumatic connection, port 3

G1/4

Pneumatic connection, port 5

G1/4

Materials note

Contains PWIS substances

Materials information, housing

Aluminium die cast


Anodised

Printed:10.07.2006 13:42:29

Festo AG & Co. KG


Postfach
73734 Esslingen

Data sheet - Linear drive DLP-100--A -  (187480)


Function

Feature
Size of actuator
Stroke
Stroke reserve
Piston diameter
Based on the standard

values
100
0 mm
2 mm
100 mm
DIN 3358
VDI/VDE 3845 (NAMUR)
No cushioning
Any
double-acting
For proximity sensor
VDI/VDE 3845 (NAMUR)
2 - 10 bar
6 bar
II 2G
c T4
II 2D
c 120C
-20C <= Ta <= +60C
Dried compressed air, lubricated or unlubricated
to EU directive explosion protection (ATEX)
3
-20 - 80 C
4,524 N
4,712 N
95 %
1,200 g
92 g
3,100 g

Cushioning
Assembly position
Mode of operation
Position detection
Valve connection conforms to standard
Operating pressure
Nominal operating pressure
ATEX category Gas
Explosion ignition protection type Gas
ATEX category Dust
Explosion ignition protection type Dust
Explosion-proof ambient temperature
Operating medium
CE mark (see declaration of conformity)
Corrosion resistance classification CRC
Ambient temperature
Theoretical force at 6 bar, return stroke
Theoretical force at 6 bar, advance stroke
Efficiency of actuator
Moving mass with 0 mm stroke
Additional weight per 10 mm stroke
Basic weight for 0 mm stroke

09.03.2009 - Subject to change

Festo AG & Co. KG

1/2

Feature
Additional mass factor per 10 mm of stroke
Pneumatic connection
Materials information for cover
Materials information for seals

values
25 g
G1/4
Wrought Aluminium alloy
NBR
TPE-U(PU)
Wrought Aluminium alloy
Smooth anodised
High alloy steel, non-corrosive

Materials information, housing


Materials information for piston rod

09.03.2009 - Subject to change

Festo AG & Co. KG

2/2

Data sheet
Part no.:

537723

Page:1

SOEG-RTH-Q20-PP-S-2L-TI
Diffuse light sensor
Feature

Data/description

Design

Block design

Conforms to standard

DIN EN 60947-5-2

Short circuit strength

Pulsing

Type of light

Reduction factors

Measured variable

Position

Measuring principle

Optoelectronic

Measurement method

Diffuse reflection sensor with background suppression

Switching element function

Switchable

Polarity protected

for all electrical connections

Setting range lower limit

25 mm

Upper limit of adjustment range

100 mm

Setting options

Teach-In
Teach-in via electrical connection

Operating reserve display

Green LED

Operating status display

Yellow LED

Max. switching frequency

1.000 Hz

Operating voltage DC

10 - 30 V

Idle current

35 mA

Max. output current

100 mA

Residual ripple

10 %

Switch output

PNP

Voltage drop

<= 2,4 V

CE Symbol

73/23EEC (low voltage)


In compliance with EU directive 89/336/EWG (EMV)

Printed:10.07.2006 13:39:39

Festo AG & Co. KG


Postfach
73734 Esslingen

Data sheet
Part no.:

537723

Page:2

SOEG-RTH-Q20-PP-S-2L-TI
Diffuse light sensor
Feature

Data/description

Corrosion resistance classification CRC

Protection class

IP67

Ambient temperature

-5 - 60 C
-20 - 60 C

Authorisation

c UL us - Listed (OL)

Product weight

7g

Reference material

18 %

Max. grey tone shift

7%

Max. spot diameter

5 x 5 mm with a sensing range of 60 mm

Working range

25 - 100 mm

Electrical connection

M8x1
Plug
4-pin

Mounting type

with through hole

Materials note

Copper and Teflon-free

Materials information, housing

ABS

Printed:10.07.2006 13:39:39

Festo AG & Co. KG


Postfach
73734 Esslingen

Data sheet
Part no.:

539639

Page:1

VPPE-3-1/8-6-010
Proportional pressure regulator
Feature

Data/description

Nominal diameter, pressurisation

5 mm

Nominal diameter, exhaust

2,5 mm

Type of actuation

electrical

Sealing principle

soft

Assembly position

Any

Design structure

Piloted piston regulator

Short circuit strength

for all electrical connections

Safety instructions

Safety setting, VPPE

Polarity protected

for all electrical connections

Pressure control range

0,15 - 6 bar

Inlet pressure 1

7 - 8 bar

Max. pressure hysteresis

0,15 bar

Standard nominal flow rate

600 l/min

Operating voltage DC

21,6 - 26,4 V

Max. electrical power consumption

3,6 W

Residual ripple

10 %

SETPOINT/ACTUAL values

Voltage type 0 - 10 V

Operating medium

Neutral gases
Filtered compressed air, 40 m filtration

CE Symbol

In compliance with EU directive 89/336/EWG (EMV)

Corrosion resistance classification CRC

Medium temperature

10 - 50 C

Protection class

IP65

Printed:10.07.2006 13:37:36

Festo AG & Co. KG


Postfach
73734 Esslingen

Data sheet
Part no.:

539639

Page:2

VPPE-3-1/8-6-010
Proportional pressure regulator
Feature

Data/description

Ambient temperature

10 - 50 C

Product weight

420 g

Electrical connection

Plug
Round design
M12x1
4-pin

Mounting type

with through hole

Pneumatic connection, port 1

Female thread G1/8

Pneumatic connection, port 2

Female thread G1/8

Materials information, housing

Wrought Aluminium alloy

Materials information for membrane

NBR

Printed:10.07.2006 13:37:36

Festo AG & Co. KG


Postfach
73734 Esslingen

541148
2/2-way solenoid valve

Function

This solenoid valve enables the flow control of neutral gases, vapours and liquids.
It can be used as a remotely adjustable final control element or in closed control
loops. This solenoid valve is a directly actuated 2/2-way valve. It is closed in the deenergised state and spring returned.
In the normal position, the spring presses the armature and seal onto the valve seat,
with the medium thereby supporting the sealing action. Once the solenoid coil is
switched on, the armature is lifted off the valve seat by the magnetic force und is
thereby released. This enables the medium to flow unrestricted from P to A. When
the solenoid coil is switched off, the spring presses the armature onto the valve seat
and thereby closes the valve.

Versorgungsspannung

Connection diagram

1
2

Festo Didactic GmbH & Co. KG, 06/2006

Supply voltage +
Supply voltage -

Subject to change

1/4

541148
2/2-way solenoid valve

Design

Directly actuated 2/2-way solenoid valves are equipped with a fully plastic
encapsulated DC solenoid, which actuates the solenoid armature. The armature
adjustment is effected via a PTFE bellows with an allocated safety membrane for
additional protection. The valve seal is directly attached to the bellows.

Dimensions

A
= 83 mm
B = 38 mm
B1 = 45 mm

Media

2/4

Aggressive, neutral, gaseous and liquid media, that do not adversely affect the
physical and chemical properties of the respective housing and sealing material.

Subject to change

Festo Didactic GmbH & Co. KG, 06/2006

541148
2/2-way solenoid valve

Technical data

Parameter

Value

Function

Directly actuated, closed in de-energised state

Nominal size of valve seat

4 mm

Voltage supply

24 V DV

Solenoid coil current consumption

5.5 W

Permissible voltage deviation to VDE

10 %/+6 %

Operating pressure

0 3 bar

Kv value

0.30 m /h

Max. ambient temperature

40 C

Weight

0.21 kg

Connection
Push-in connector for piping diameter, external

G
15 mm

Type of connection

Threaded collar

Max. switching frequency

2000 3000/hrs (depending on the viscosity


of the flow medium)

Rel. duty cycle

100 %

Valve body material

Hard PVC grey

Sealing material

FPM

Protection class EN 605229

IP 54

Festo Didactic GmbH & Co. KG, 06/2006

Subject to change

3/4

4/4

Subject to change

Festo Didactic GmbH & Co. KG, 06/2006

541150
Motor controller

Function

The Maxi-1Q-4-30 controller is a motor controller with speed adjustment


for 24V DC motors. It ensures the reliable switching on and off of motors.
In the off status, the dynamic braking is active. The IxR amplification can be adjusted
by means of a bridge between GND and terminal 3 (amplification 1) or terminal 4
(amplification 2).

Design

The motor controller is to be mounted on an H-rail.

IxR amplification

Bridges

Function

None

Minimum amplification

GND and terminal 3

Adjustable amplification

GND and terminal 4

Maximum amplification, fixed

Festo Didactic GmbH & Co. KG, 06/2006

Subject to change

1/4

541150
Motor controller

+VCD

Anschlussbelegung

GRD
0V +VCD
Start

Poti zum Einstellen


der max. Drehzahl

Klemmen zum Brcken


der IxR Verstrkung

2/4

R+

Ref. 10V

A2

n-setpoint

R-

Ref. 0V

A1

Start

0V

Earth

0V

AGNDO (Analogue earth for outputs)

+VCC (supply voltage)

IxR amplification 2

IxR amplification 1

GND (earth) amplification 1+2

Supply voltage

Motor (-)

Motor (+)

Earth

Subject to change

Externe potentiometer 10 k.
Speed setpoint adjustment

Motor connection

Festo Didactic GmbH & Co. KG, 06/2006

541150
Motor controller

Technical data: Input circuit

Technical data: Output


circuit

Parameter

Value

Nominal voltage/triggering voltage

24V DC

Nominal voltage range min./max.

18V 35V DC

Input current for Vn

10 mA

Analogue input voltage range

0V 10V DC

Parameter

Value

Switching voltage range / motor voltage

18V 35V DC

Max. Permanent-load current

3.5 A

Current limiter up to therm. cut-off

15 A

Speed

0V V CC adjustable

Power driver

MOS-FET

Festo Didactic GmbH & Co. KG, 06/2006

Subject to change

3/4

4/4

Subject to change

Festo Didactic GmbH & Co. KG, 06/2006



8]TI%

1SHYPEV-RWXEPPEXMSR(IZMGIW1SYRXMRK(ITXLQQ"2

6IWMHYEP'YVVIRX4VSXIGXMZI(IZMGIW

71VIWMHYEPGYVVIRXSTIVEXIHGMVGYMXFVIEOIVW
6''&W TVSHYGXSZIVZMI[
3ZIVZMI[


2YQFIVSJ 6EXIHGYVVIRX 6EXIHVIWMHYEP


TSPIW
-R
GYVVIRX- R

1;

Q%





























6IWMHYEPGYVVIRXSTIVEXIHGMVGYMXFVIEOIVWX]TI% %

WLSVXXMQIHIPE]IHWYTIVVIWMWXERX

WIPIGXMZI











 

JSV,^XS,^






JSV:%'







1SYRXEFPIEY\MPMEV]
W[MXGL



*SVHIWGVMTXMSRWIIGLETXIV6IWMHYEPGYVVIRXTVSXIGXMZIHIZMGIW
+IRIVEPHEXE

!8]TI%JSV%'ERHTYPWEXMRK('VIWMHYEPGYVVIRXW

8IGLRMGEPWTIGMJMGEXMSRW
7XERHEVHW

-)')2 :() 4EVX -)')2 :() 4EVX 


ERHTSPI

:IVWMSRW
6EXIHZSPXEKIW9R
6EXIHGYVVIRXW-R
6EXIHVIWMHYEPGYVVIRXW-

: %'

  


  


   ,^
   ,^   ,^
   ,^



Q%

 

)RGPSWYVIW

KVE]TPEWXMG 6%0

8IVQMREPW

8YRRIPXIVQMREPWEXFSXLIRHW[MXL[MVITVSXIGXMSRPS[IV 'SRHYGXSV
GSQFMRIHXIVQMREPJSVWMQYPXERISYWGSRRIGXMSRSJFYWFEVW GVSWWWIGXMSRQQ
TMRX]TI ERHGSRHYGXSVW
JSV1;
EX-R!%%%


6IGSQQIRHIH
XMKLXIRMRKXSVUYI2Q

JSV1;

EX-R!%%





JSV1;

EX-R!%%%%









WGVI[XIVQMREPWJSVEY\MPMEV]W[MXGLIW
1EMRWGSRRIGXMSRW

IMXLIVXSTSVFSXXSQ

1SYRXMRKTSWMXMSRW

EWVIUYMVIH

1SYRXMRK

GERFIWRETTIHSRXSQQWXERHEVHQSYRXMRKVEMP 8,EGGXS)2

(IKVIISJTVSXIGXMSR

-4EGGXS)2 :()4EVX
-4JSVMRWXEPPEXMSRMRHMWXVMFYXMSRFSEVHW
-4JSVMRWXEPPEXMSRMRQSPHIHTPEWXMGIRGPSWYVI

8SYGLTVSXIGXMSR

TVSXIGXMSREKEMRWXGSRXEGX[MXLJMRKIVWSVXLIFEGOSJXLILERHEGGXS)2
:()4EVX

1MRMQYQSTIVEXMSREPZSPXEKIJSV
XIWXJYRGXMSRSTIVEXMSR

:%'




"W[MXGLMRKG]GPIW IPIGXVMGEPERHQIGLERMGEPXIWXG]GPIXSVIKYPEXMSRW

7IVZMGIPMJI
7XSVEKIXIQTIVEXYVI

'



%QFMIRXXIQTIVEXYVI

'


JSVZIVWMSRW[MXLXLIW]QFSP





6IWMWXERGIXSGPMQEXI
EGGXS-)'

G]GPIW ' VIPEMVLYQMHMX]

'*'ERHWMPMGSRIJVII

]IW

7MIQIRW)8&8



1SHYPEV-RWXEPPEXMSR(IZMGIW1SYRXMRK(ITXLQQ"2



6IWMHYEP'YVVIRX4VSXIGXMZI(IZMGIW

8]TI%

71VIWMHYEPGYVVIRXSTIVEXIHGMVGYMXFVIEOIVW
6''&W X]TI%%
&IRIJMXW

%TTPMGEXMSR

d 8IVQMREPW[MXL[MVITVSXIGXMSRGERFIHMVIGXP]FYWFEVQSYRXIHXS
XLIYRHIVRIEXLSJHIZMGIW[MXLXIVQMREPWMRXLILSPITMXGLIK[MXL
7<QMRMEXYVIGMVGYMXFVIEOIVW
d %REY\MPMEV]W[MXGLGERFIJMXXIHXSXLIVMKLXLERHWMHISJXLI
IRGPSWYVIF]XLIGYWXSQIV
d 3TIVEXMRKLERHPIERHXIWXFYXXSRGERFIPSGOIHF]QIERWSJE
LERHPIPSGOMRKHIZMGI
d 4EVXMGYPEVP]WYMXEFPIJSVMRWXEPPEXMSRMRJPEXHMWXVMFYXMSRFSEVHW

d 4IVWSRRIPERHJMVITVSXIGXMSR
 - R  Q%EHHMXMSREPTVSXIGXMSRMRXLIGEWISJHMVIGXGSRXEGX
 - R  Q%TVIZIRXMZIJMVITVSXIGXMSRMRXLIGEWISJKVSYRHJEYPX
GYVVIRXW
d 4VSHYGXWXERHEVHW-)')2  :() 4EVX  
-)')2  :() 4EVX  -)')2 
:() 4EVX 
d 9R :XS,^GERFIYWIHMRW]WXIQWYTXS
 :%'
d 9R  :XS ,^GERFIYWIHMRW]WXIQWYTXS  :%'
d (IJMRMXMSRSJWYVKIGYVVIRX[MXLWXERHGETEFMPMX][MXLGYVVIRX
[EZIJSVQ WEGGSVHMRKXS(-2 :() 4EVX 
d 7X]TIGERFIYWIHEWYTWXVIEQKVSYTW[MXGLJSVWIPIGXMZI
XVMTTMRKGSRXVEV]XSHS[RWXVIEQWXERHEVH6''&W
:IV]LMKLWYVKIGYVVIRX[MXLWXERHGETEFMPMX]" O%
d /X]TIWYTIVVIWMWXERX7LSVXXMQIHIPE]IHXVMTTMRKMRXLI
GEWISJXVERWMIRXPIEOEKIGYVVIRXW
,MKLWYVKIGYVVIRX[MXLWXERHGETEFMPMX]" O%
d    ,^iZIVWMSRJSVYWI[MXLTS[IVWYTTP]JVIUYIRGMIW
FIX[IIRERH ,^

7IPIGXMSRERHSVHIVMRKHEXE
1E\MQYQTIV
QMWWMFPIWLSVX
GMVGYMXWIVMIW
JYWI

6EXIH
6EXIH
VIWMHYEP GYVVIRX
GYVVIRX
-

-R

Q%

1; :IV
WMSR

3VHIV2S

;IMKLX
 YRMX
ETTVS\

47
4YRMX

OK

9RMXW

-RWXERXERISYWXVMTTMRKWWYVKIGYVVIRX[MXLWXERHGETEFMPMX]" O%
   :%'   ,^
TSPI

 



71



 
 







71
71
71
71
71


















71
71







 




71
71












71
71












71
71







 






71
71
71
71
















71
71














71
71
71
71

















71
71
71











   :%'   ,^


TSPI



%HHMXMSREPGSQTSRIRXWWIITEKI 
EGGIWWSVMIWWIITEKI 



7MIQIRW)8&8

 =SYGERSVHIVXLMWUYERXMX]SVEQYPXMTPIXLIVISJ

Data sheet - Ball valve VZBA-R12-63-32L-F0304-R - 542009


Function

Feature
Design structure

values
3-way ball valve
L hole
mechanical
soft
Line installation
Rp1/2
Slot direction = flow direction
F03
F04
12.5 mm
15
None
reversible
63 bar
8 Nm
Neutral liquids
Neutral gases
-10 - 140 C
4.7 m3/h
+/- 20 %
Contains PWIS substances
High alloy steel, non-corrosive
1.4408
PTFE
High alloy steel, non-corrosive
1.4401
High alloy steel, non-corrosive
1.4401
700 g
3

Type of actuation
Sealing principle
Mounting type
Process valve connection
Switching position indicator
Flange hole pattern
Inside diameter
Nominal diameter DN
Manual override
Flow direction
Nominal pressure of process valve
Actuation torque
Operating medium
Medium temperature
Flow rate Kv, L hole
Flow rate tolerance Kv
Materials note
Materials information, housing
Material number for housing
Materials information for seals
Material information, globe
Material number for ball
Materials information for shaft
Material number for shaft
Product weight
Corrosion resistance classification CRC

09.03.2009 - Subject to change

Festo AG & Co. KG

1/1

HWS100/A
SPECIFICATIONS
A227-01-01/A-C

1
2
3
4
5
6
7
8
9
10
11
12
13
14
15
16
17
18
19
20
21
22
23
24
25
26
27

MODEL
ITEMS
Nominal Output Voltage
Maximum Output Current
Maximum Output Power
Efficiency (Typ)
(*1) 100VAC
200VAC
Input Voltage Range
(*2)
Input Current (100/200VAC)(Typ) (*1)
Inrush Current(Typ)
(*3)
PFHC
Power Factor (100/200VAC)(Typ) (*1)
Output Voltage Range
0<Ta<60C
Maximum Ripple & Noise
(*4) -10<Ta<0C
Maximum Line Regulation
(*5)
Maximum Load Regulation
(*6)
Temperature Coefficient
Over Current Protection
(*7)
Over Voltage Protection
(*8)
Hold-up Time (Typ)
(*9)
Leakage Current
(*10)
Remote Sensing
Parallel Operation
Series Operation
Operating Temperature
(*11)
Operating Humidity
Storage Temperature
Storage Humidity
Cooling
Withstand Voltage

28 Isolation Resistance
29 Vibration
30 Shock (In package)
31 Safety
32
33
34
35

Line DIP
Conducted Emission
Radiated Emission
Immunity

36 Weight(Typ.)
37 Size (W x H x D)

V
A
W
%
%
A
V
mV
mV
mV
mV
A
V
-

(*12)

mm

HWS100 HWS100 HWS100 HWS100 HWS100


-24/A
-48/A
-15/A
-12/A
-5/A
24
48
15
12
5
4.5
2.1
7
8.5
20
105
100.8
100
102
108
83
84
83
83
84
86
86
86
87
87
85 ~ 265VAC (47 ~ 63Hz) or 120 ~ 370VDC
0.9/0.45
1.3/0.65
14A at 100VAC, 28A at 200VAC, Ta=25C, Cold Start
Built to meet IEC61000-3-2
0.98/0.90
0.99/0.95
2.97~3.96 4.0~6.0
9.6~14.4 12.0~18.0 19.2~28.8 38.4~52.8
150
200
150
120
120
150
180
240
180
180
160
160
96
192
48
60
20
20
384
192
120
96
40
40
Less than 0.02% / C
21.0 ~
21.0 ~
8.92 ~
7.35 ~
4.72 ~
2.20 ~
4.13~4.95 6.25~7.25 15.0~17.4 18.8~21.8 30.0~34.8 55.2~64.8
20ms
Less than 0.5mA. 0.2mA(Typ) at 100VAC / 0.4mA(Typ) at 230VAC
Possible
Possible
-10 ~+60C (-10 ~+40C:100%,+50C:60%,+60C:20%)
30 ~ 90%RH (No dewdrop)
-30 ~ +85C
10 ~ 95%RH (No dewdrop)
Convection Cooling
Input - FG : 2kVAC (20mA), Input - Output : 3kVAC (20mA)
Output - FG : 500VAC (100mA) for 1min
More than 100M at 25C and 70%RH Output - FG : 500VDC
At no operating, 10 ~ 55Hz (Sweep for 1min)
19.6m/s2 Constant, X,Y,Z 1hour each.
Less than 196.1m/s2
Approved by UL60950-1, CSA60950-1, EN60950-1, EN50178
Built to meet UL508, DENAN
Built to meet SEMI-F47 (200VAC Line only)
Built to meet EN55011/EN55022-B, FCC-B, VCCI-B
Built to meet EN55011/EN55022-B, FCC-B, VCCI-B
Built to meet IEC61000-4-2(Level 2,3), -3(Level 3), -4(Level 3),
-5(Level 3,4), -6(Level 3), -8(Level 4), -11
500g
33 x 82 x 160 ( Refer to Outline Drawing )
HWS100
-3/A
3.3
20
66
78
81

*Read instruction manual carefully, before using the power supply unit.
=NOTES=
*1. At 100/200VAC, Ta=25C and maximum output power.
*2. For cases where conformance to various safety specs (UL, CSA, EN) are required,
to be described as 100 ~ 240VAC(50/60Hz).
*3. Not applicable for the in-rush current to Noise Filter for less than 0.2ms.
*4. Measure with JEITA RC-9131A probe, Bandwidth of scope :100MHz.
*5. 85 ~ 265VAC , constant load.
*6. No load-Full load, constant input voltage.
*7. Constant current limit and Hiccup with automatic recovery.
Not operate at over load or dead short condition for more than 30seconds.
*8. OVP circuit will shutdown output, manual reset (Re power on).
*9. At 100/200VAC , nominal output voltage and maximum output current.
*10. Measured by the each measuring method of UL,CSA,EN and DENAN(at 60Hz).
*11. Ratings - Derating at standard mounting.
- Load (%) is percent of maximum output power or maximum output current, whichever is greater.
- As for other mountings, refer to derating curve (A227-01-02/A_).
*12. As for DENAN, built to meet at 100VAC.

HWS100/A
OUTPUT DERATING
A227-01-02/A

Ta(C)
-10 ~+30
40
50
60

LOAD(%)
MOUNTING B,C,D
100
80
60
20

MOUNTING A
100
100
60
20

OUTPUT DERATING CURVE


120

LOAD(%)

100
80

MOUNTING A
MOUNTING B,C,D

60
40
20
0
-10

10

20

30

40

50

60

70

Ta(C)

MOUNTING A
(STANDARD MOUNTING)

MOUNTING B

MOUNTING C

MOUNTING D

DON'T USE

544245
Flow sensor Type 2

Function

The transparent liquid flowing-in in the direction of the arrow adopts a centrifugal
motion via the rotating body in the measuring chamber and directed onto the lightweight, three-vane rotor. The speed of the rotor is proportional to flow and is sensed
contactlessly via the built-in optoelectronic infrared system (diode and photo
transistor).
The integral amplifier supplies a steady square-wave signal, whereby the signal level
is dependent on the applied supply voltage (8 24V DC). Thanks to the special
configuration of the rotor, any potential gas bubbles in the liquid (trapped air) are
not dispersed, but are transported with the liquid.
The assembly position is arbitrary. The direction of flow is indicated by an arrow on
the sensor housing. Stabilizing sections upstream or downstream of the measuring
device are not required. Volumetric flow rate fluctuations or pulsation does not have
a negative effect on the measuring result. A protective filter is mounted on the inlet
side.
All sensor housing components in contact with media are made of polyvinylidene
fluoride (PVDF).

Design

The flow sensor is to be fitted into piping with the help of adapters.

Note

Design in use: B.S.P. (British Standard Pipe Thread = Abbreviation for


British pipe thread)

Festo Didactic GmbH & Co. KG, 06/2006

Subject to change

1/4

544245
Flow sensor Type 2

Note

The polarity of the applied voltage is to be observed during operation. The cable
connections are colour coded:
Operating voltage
Positive terminal
white
Negative terminal
green
Output signal
Square wave signal
brown

Electrical design

Technical data

Parameter

Value

Permissible operating voltage

8 24V DC

Current consumption

18 30 mA

Frequency range (output)

40 1200 Hz

Max. Load

2.2 k

Signal pick-up

Infrared (optoelectronic)

K-Factor (pulse / dm3)

8000

Measuring range

0.3 9.0 l/min

Measurement uncertainty

1 % of measured value, at 20 C

Linearity

1 % of measured value

Viscosity

Max. 15 cSt (je nach Messbereich)

Operating pressure

Max. 10 bar

Standard temperature range

40 C +85 C

Polarity-reversal protection

Yes

Materials:
all components in contact with media
Seals

PVDF
Viton

Dimensions
Length
Connecting thread

2/4

47 mm
G

Push-in connection for piping diameter, external

15 mm

Electrical connection

Cable

Subject to change

Festo Didactic GmbH & Co. KG, 06/2006

544245
Flow sensor Type 2

Characteristic curves and


scales

Sensor

Pressure loss curve

Festo Didactic GmbH & Co. KG, 06/2006

Subject to change

3/4

544245
Flow sensor Type 2

Dimensions for B.S.P (British Standard Pipe Thread = Abbreviation for British pipe
thread) and N.P.T. (National Standard Taper Pipe Thread = American tapered pipe
thread.) design
A
L
D
d

Maintenance

4/4

12.7 mm
47 mm

13 mm

The protective filter on the inlet side requires cleaning.

Subject to change

Festo Didactic GmbH & Co. KG, 06/2006

549826
Pressure sensor

Pressure sensor

Schematic diagram
Function

The pressure measurement transducer uses ceramic measurement cell as sensor.


The electronics transduces the measured signal into output signals of 010 V.
Because of its robust design, this sensor is for use in rough industry environment as
well.
The maximum process temperature range must not exceed 100 C.

Design

To protect the electronics against vibrations and humidity it is infused.


The sensor can be connected with 2 wire or 3 wire technology.
The pressure compensation is realized by a hole at top of the sensor.

Festo Didactic GmbH & Co. KG, 03/2009

Subject to change

1/3

549826
Drucksensor

Note
Pin assignment

Watch the polarity of connected voltage supply.


Parameter

Value

2-wire technology (4..20mA)


1
2
3
Ground

positive terminal
negative terminal
not used
connected

3-wire technology (0..20mA / 0..10V)


1
2
3
Ground

output signal
negative terminal / output signal
positive terminal
connected

Subject to change

Technical diagram

2/3

Subject to change

Festo Didactic GmbH & Co. KG, 03/2009

549826
Pressure sensor

Technical data

Parameter

Value

Measurement range

0 400 mbar

Electrical connection

Push-in elbow connector to DIN 43650

Protection class

IP 65

Process connection

Parts in contact with measured substance

Ceramic, stainless steel, NBR-sealing ring

Measurement system

Ceramic cell

Temperature ranges
Process temperature (at max.
environment temperature of 50C)
Storage temperature
permissible environment temperature
compensated temperature range

-25 C..+100 C
-40 C..+85 C
-25 C..85 C
-10 C..55 C

Temperature influence
on zero point
on range

0,25 % f.E./10 K
0,15 % f.E./10 K

Power supply
nominal voltage
voltage range
max. permissible voltage supply

24 V DC
11 V DC..40 V DC
40 V DC

Signal output
2-wire technology
3-wire technology

4..20 mA
0..20 mA or 0..10 V

Current limiting at output signal

At 110 % of pressure range

Adjustment range

Zero point 10 %

Characteristic curve deviation


(Linearity, hysteresis, repeatability)

0,5% f.E. (zero point adjustment)

Response time

3 ms

Load RLmax

(Usup ply 11)


0,02

Load at signal output 0..10 V

2,5 k

Weight

approx. 300 g

Noise immunity

to DIN 50082

Subject to change

Festo Didactic GmbH & Co. KG, 03/2009

Subject to change

3/3

689200
Tank, round

Function

The round tank has a capacity of 3 l (effective operating capacity) and can be used
for liquids and solids.
The tank cover is provided with several holes with threaded connection for inflow
and for sensors. Holes not required are provided with a blanking plug.
A connector d40 is fitted at the lower end of the container for discharge.

Design

The container is attached laterally to a profile column via brackets, using screws and
T-head screws and is then mounted to the profile plate.
Different design variants with different profile feet can be used within MPS-PA.

Note

Carefully tighten the mounting screws.

Festo Didactic GmbH & Co. KG, 06/2006

Subject to change

1/2

689200
Tank, round

Technical data

Parameter

Value

Material

Macrolon 2805

Permissible operating temperature

Max. +65 C

Capacity

Max. 4 l total volume of container-

Effective operating capacity


Container scaling

3l
0.5 3 l

Dimensions of cylinder approx.


Diameter external/internal
Height external/internal

150 mm/140 mm
210 mm/200 mm

Dimensions of frustum (below) approx.


Diameter external/internal
Height external/internal
Push-in connections for piping diameter,
external

2/2

Subject to change

60 mm/50 mm
90 mm/80 mm
15 mm

Festo Didactic GmbH & Co. KG, 06/2006

689201
Tank, rectangular

Function

The rectangular tank has a capacity of 10 l (effective operating capacity) and can be
used for fluids and solids.
A hole with threaded connection is provided for discharge at the bottom of the
container. Holes with threaded connection and water tank connection are located at
the side for inflow and sensors. One hole each is provided for the assembly of a
heating element and temperature sensor. Holes that are not required are sealed
with a blanking plug. The cover has several apertures, so-called stubs. One of the
stubs is intended for the stirrer.
Different container variants can be used within MPS-PA.

Design

The container is attached laterally to two profile columns via brackets, using four
screws and T-head nuts, and then mounted onto the slotted profile plate.
Different design variants with different profile feet are possible within MPS-PA.

Note

Carefully tighten the mounting screws.

Festo Didactic GmbH & Co. KG, 06/2006

Subject to change

1/2

689201
Tank, rectangular

Technical data

Parameter

Value

Material

Macrolon 2805

Permissible operating temperature

Max. +65 C

Capacity

Max. 12 l total volume of container

Effective operating capacity


Container scaling

10 l
0.5 10 l

Dimensions
Width external/internal

200 mm/190 mm

Depth external/internal
Height external/internal

200 mm/190 mm
350mm/340 mm

Push-in connections for piping diameter,

15 mm

external

2/2

Subject to change

Festo Didactic GmbH & Co. KG, 06/2006

red/rot

14

70

7000

40 VDC

12

60

6000

rpm*)

3450

3600

3700

10

50

5000

Ncm*)

3.9

3.8

3.9

40

4000

A*)

1.9

0.9

0.6

R = 20C
W = 100K

rpm**)

4350

4200

4400

A**)

0.34

0.17

0.11

2
0

10
0

1000
0
-2

71

71

50

5000

390

390

40

4000

390

24 VDC

40 VDC

current/Strom I (A)

GR 42x40

2
1

30
20
10

rated speed/Drehzahl n (rpm)

6000

efficiency/Wirkungsgrad (%)

60

MN
0

5.3

5.7

5.7

A*)

2.7

1.2

0.8

2.8

70

7000

Ncm**)

32

33

36

2.4

60

6000

A**)

13.2

5.68

3.97

50

5000

rpm**)

4550

3800

3950

1.8

40

4000

10.5

6.3

gcm2

110

110

110

490

490

490

16

18

0.8
0.4
0

20
10
0

20
Ncm

N = f (M)

J = f (M)

0
-2

MN
0

10

12

14

16

18

20
Ncm

In accordance with EN 60034


Belastungskennlinien gezeichnet nach VDE 530

40

4000

2
0

R = 20C
W = 100K

J = f (M)

GR 42x25, 40V

10

12

14

16

18

1000
0
-4

MN
4

60

6000

50

5000 N = f (M)

40

4000

1
0

30

12

16

20

24

28

32

36

20
10
0

R = 20C
W = 100K

J = f (M)

2000
1000
0
-4

70

7000

60

6000

50

5000

40

4000

20
Ncm

19

1
0

30
20
10
0

40
Ncm

3000

2000

7000

2000

0
-2

10

3000

70

MN

20

R = 20C
W = 100K

J = f (M)

N = f (M)

3000

1000

30

MN
4

12

16

20

24

28

32

36

GR 42x40, 24V

*) w = 100 K; **) R = 20 C

18

5000

L
G/GR 42x25 700,8
G/GR 42x40 850,8

GR 42x40, 12V

current/Strom I (A)

24

rated speed/Drehzahl n (rpm)

A**)

efficiency/Wirkungsgrad (%)

0.12

14

GR 42x25, 24V

current/Strom I (A)

0.18

12

R = 20C
W = 100K

N = f (M)

0.44

10

1000

Ncm*)

30

50

3400

1.2

10

2000

3100

6000

3750

60

3000

rpm*)

A**)

GR 42x25, 12V

71

12

4.1

gcm2

7000

7000

6.5

70

2000

70

14

14

3000

A**)

12 VDC

20

J = f (M)

current/Strom I (A)

2.76

Faxial = 30N.
Fradial = 60N.

Leads/
Litzen AWG 22 Tr 64 UL Style 1569

0.2 B

7 2

current/Strom I (A)

30

rated speed/Drehzahl n (rpm)

7.8

efficiency/Wirkungsgrad (%)

A**)

6
current/Strom I (A)

22

320.1

201

300 30

N = f (M)

20

*22-0.05

Characteristic diagram / Belastungskennlinien

24 VDC

19

5 g5

27.5
+

1 0.3

40
Ncm

R = 20C
W = 100K

J = f (M)
N = f (M)

3000
2000
1000
0
-4

MN
4

GR 42x40, 40V

12

16

20

24

28

32

36

40
Ncm

GR 42, 15 - 20 W

0.2 A

Welle hinten
Shaft back
5 x 45 mm
-

12 VDC

Ncm**)

42 0.3

Welle vorne
Shaft front
5 x 20 mm
5 x 45 mm
5 x 45 mm
3 x 12 mm

GR 42x25

Data / Leistungsdaten
Rated voltage/
Nennspannung
Continuous rated speed/
Nenndrehzahl
Continuous rated torque/
Nenndrehmoment
Continuous current/
Nennstrom
Starting torque/
Anlaufmoment
Starting current/
Anlaufstrom
No load speed/
Leerlaufdrehzahl
No load current/
Leerlaufstrom
Demagnetization current/
Entmagnetisierstrom
Rotor inertia/
Trgheitsmoment
Weight of motor/
Motorgewicht

32 0.1

black/
schwarz

rated speed/Drehzahl n (rpm)

Data / Leistungsdaten

*22 -0.05

rated speed/Drehzahl n (rpm)

Allgemeine Informationen ber die Eigenschaften


unserer Kollektormotoren siehe S. 8
Der Motor wird standardmig mit Litzen (300 mm)
geliefert
Sonderwicklungen auf Anfrage erhltlich
Auf Anfrage verschiedene Wellenlngen bzw. beidseitige Wellen gem unserem Programm lieferbar
Schutzart IP 50, auf Anfrage auch hher
Die Motorwelle ist kugelgelagert. Projektbezogen ist
der Motor auch mit Gleitlager erhltlich (G 42)

rated speed/Drehzahl n (rpm)

General information about the characteristics of


our commutated motors, see page 8
the standard version has leads (300 mm)
special windings available on request
different shaft lengths or shaft on both sides
available as per our program
protection class IP 50, higher class available on
request.
ball bearing in the motor shaft. For projects the
motor is also available with slide bearing (G 42)

Rated voltage/
Nennspannung
Continuous rated speed/
Nenndrehzahl
Continuous rated torque/
Nenndrehmoment
Continuous current/
Nennstrom
Starting torque/
Anlaufmoment
Starting current/
Anlaufstrom
No load speed/
Leerlaufdrehzahl
No load current/
Leerlaufstrom
Demagnetization current/
Entmagnetisierstrom
Rotor inertia/
Trgheitsmoment
Weight of motor/
Motorgewicht

45 1
6.5mm
Depth/Tiefe

On request/auf Anfrage

0.03

M3 al
4m

90

0.06 A

90 1

30

Standard/Standard

37
48
54
50
51
52

gearbox / Als Getriebemotor


brake / Als Bremsmotor
controller / Mit Regelelektronik
tacho generator / Mit Tachogenerator
magnetic pulse generator / Mit magnetischem Impulsgeber
incremental encoder / Mit Inkrementalgeber

Dimensions in mm / Mazeichnung in mm
5-0.1
2.7

With
With
With
With
With
With

P./S.

efficiency/Wirkungsgrad (%)

Versions of GR 42 / Ausfhrungen GR 42

GR 42, 15 - 20 W

efficiency/Wirkungsgrad (%)

efficiency/Wirkungsgrad (%)

UL

GR 42, 15 - 20 W

690579
Stirrer

Function

The mixing of liquid in the container is effected by means of the stirrer, using an
unregulated 24V DC motor. The stirrer (impeller) creates a strong, axial dispersal
with a strong circulation, whereby the rotational flow around the stirring axis is
minimal. Mixing is therefore effected mainly by means of vertical circulation.

Design

The stirrer is mounted to the profile of the tank.

Note

Only for low viscosity container contents. The cover must remain closed during
operation.

Festo Didactic GmbH & Co. KG, 07/2009

Subject to change

1/2

690579
Stirrer

Electrical connections

Technical data

2/2

The polarity of the applied voltage must be monitored during operation. The cable
connections are colour coded.

Parameter

Value

Positive terminal (+)

Pin 4 / Red

Negative terminal (-)

Pin 3 / Black

Parameter

Value

Nominal voltage

24V DC

Nominal power consumption

20 W

Revolution per min.

3600- 4200

Connection

2-core cable

Service life

Approx. 200 hours

Subject to change

Festo Didactic GmbH & Co. KG, 07/2009

690588
Capacitive proximity sensor

Function

The operational principle of a capacitive proximity sensor is based on the evaluation


of a change in capacitance of a capacitor in an RC resonant circuit. If a material
approaches the proximity sensor, the capacitance of the capacitor increases. This
leads to a change in vibration response of the RC circuit which is then evaluated. The
change in capacitance depends mainly on the distance, dimensions and the
dielectric constants of the respective materials.
The proximity sensor has a PNP output, i.e. the signal line is switched to a positive
potential in the switched status. The switch is designed in the form of a normally
open contact. The connection of the load is effected between proximity sensor
signal output and earth.
A yellow light emitting diode (LED) indicates the switching status and the green light
emitting diode (LED) the ready status. The sensitivity of the sensor can be
individually adapted with the help of a small adjusting screw..
The capacitive proximity sensor cannot be fitted flush.

Design

The capacity proximity sensor can be fitted in a mounting bracket using two locking
nuts. The proximity sensor is of cylindrical design and has an M 18x1 thread.

Festo Didactic GmbH & Co. KG, 06/2006

Subject to change

1/4

690588
Capacitive proximity sensor

Note

The polarity of the applied voltage is to be monitored during operation. The cable
connections are colour coded.

Parameter

Value

Operating voltage
1
Positive terminal
3
Negative terminal

Brown
Blue

Black

Load output

Connection diagram

2/4

Subject to change

Festo Didactic GmbH & Co. KG, 06/2006

690588
Capacitive proximity sensor

Technical data

Parameter

Value

Permissible operating pressure

12 48V DC

Switch output

PNP, normally open contact

Nominal switching distance (adjustable)

9.5 10 mm

Hysteresis (regarding nominal switching

1.9 2 mm

distance)
Maximum current on contact

200 mA

Maximum switching frequency

25 Hz

Current consumption when idling (at 55 V)

20 mA

Permissible operating/ambient temperature

-10 C +50 C

Protection class

IP 65

Polarity reversal protection, short-circuit proof

Resistant to sustained short-circuit and


overload-proof

Materials
Front cap
Housing

PTFE
Brass, nickel-plated

Dimensions of housing

M18 x 59.7 mm

Type of mounting

Flush

Displays
Supply voltage LED
Switching element ON LED
Type of connection

Green
Yellow
Connectors M8
3-ping

Weight

55 g

Electrical connection

Cable, 2000 mm long

Dimensions

Festo Didactic GmbH & Co. KG, 06/2006

Subject to change

3/4

4/4

Subject to change

Festo Didactic GmbH & Co. KG, 06/2006

691225
Float flow sensor

Function

The device consists of a vertically arranged tapered glass tube opening at the top,
through which the fluid to be measured flows. A conical float within the tube is lifted
by the flow of liquid and kept afloat, if equilibrium exists between the downwards
directed weight of the float on the one hand and the upwards directed force of flow
and buoyancy force on the other.
The volumetric flow can be read off via an externally fitted scale and the float level
marking. Bevelled notches on the float cause the float to rotate and prevent any
jamming.

Design

The flow meter downstream of the flow sensor is fitted with a metering tube made of
Trogamid T, which is suitable for use with neutral or aggressive media. The
threaded connectors moulded at the ends of the meter tube are used to receive
valve fittings. O-rings embedded at the front ensure a reliable seal between the
meter tube and valve fitting without generating radial forces which could cause the
tube to burst.
The graduated scale printed on the meter tube is adjusted according to the
respective flow medium and indicates the flow volume in l/h or m/h. Moulded
dovetailed groovess are provided to fit nominal value pointers, limit value and signal
devices.

Festo Didactic GmbH & Co. KG, 03/2009

Subject to change

1/4

691224
Float flow sensor

Note

The use of float flow sensors is limited to the measurement of small to medium
volumetric flow of low viscosity liquids without solid particles or of gas flow at low
pressures

Technical drawing

6
5

1
5
6

1 Meter tube
4 Locking nut

2/4

Subject to change

2 Float
5 Float trap

3 Screwed connector
6 O-ring (seal)

Festo Didactic GmbH & Co. KG, 03/2009

691225
Float flow sensor

Technical data

Parameter

Value

Measuring range for water.

40 400 l/h

Housing shape

Tapered bodyr

Meter tube size nominal size

15 mm

Materials
Meter tube
Connecting piece

Trogamid-T
PVC-U

Type of connection

Threaded connector ends with valve fitting

Sealing material

EPDM

Operating pressure

Max. 10 bar

Dimensions
Internal diameter x length

20 mm x 208 mm (L4)

Weight

0.12 Kg

Push-in connector for piping diameter, external

15 mm

Festo Didactic GmbH & Co. KG, 03/2009

Subject to change

3/4

4/4

Subject to change

Festo Didactic GmbH & Co. KG, 03/2009

691282
Float sensor

Function

This float sensor is intended for lateral installation in compact tanks. Due to the fact
that this sensor is made of polypropylene (PP), this model can be used for
temperatures of up to 107 C in water, oil (except of mineral oils) and all chemicals.
These sensors are ideal for use in the food industry, medical engineering, for motor
oil and in water treatment.
With its long service life, this sensor offers accurate and reproducible results for the
monitoring of high, low and intermediate filling levels. Assembly is effected via a
"-NPT external thread. The sensor operates within an overall range of -40 C to
107 C and at a pressure of 7 bar. The mode of operation of the sensor is simple and
based directly on the change in fluid level. The magnet integrated in the float
actuates the hermetically sealed reed switch in the housing. By turning the switch
180, the reed switch becomes a normally open contact (NO) or normally closed
contact (NC). Arrows are marked on the outside of the housing to facilitate this
setting. The electrical connection is effected by means of a 2.5 m long connecting
cable. The sensor is attached from the inside.

Festo Didactic GmbH & Co. KG, 06/2006

Subject to change

1/4

691282
Float switch

Technical data

Parameter

Value

Material
Polypropylene**
PVC

Switching tube/float
Cable sleeve
Temperature
Polypropylene**

-40 C 107 C

Min. density of liquid


Polypropylene**

0.55

Operating pressure

7 bar

Reed switch type

20 VA

Connecting cable (length 2.5 m)

22 AWG

Float travel

55 mm

Protection class DIN 40050

IP64

Shipping weight (approx.)

80 g

** Not suitable for mineral oils

Dimensions

Lg
2)

1)

3)
4)

2/4

Lg 101.6 mm

L 69.8 mm

1) 2.5 m

2) Sealing ring Buna N

3) 5/8

4) Locking nut, Nylon

Subject to change

Festo Didactic GmbH & Co. KG, 06/2006

691282
Float sensor

Installation

The switching function can be reversed by turning the float switch 180. The
standard switching function is NO (normally open), if the arrow mark on the
mounting element points upwards.

If the float switch is mounted such that the float drops with the level of liquid, the
switching position is NO (normally open).

If the float switch is mounted such that the float rises with the level of liquid, the
switching position is NC (normally closed).

Electrical pin allocation

Parameter
Positive terminal

Negative terminal

Value
Red
Plug pin:

Black
Plug pin:

Plug pin is unallocated

Festo Didactic GmbH & Co. KG, 06/2006

Subject to change

3/4

4/4

Subject to change

Festo Didactic GmbH & Co. KG, 06/2006

MV-50-1000-en-07
2003-36

1/7

MV
DN 50-1000

Knife gate valve

The Stafsj MV knife gate valve is a valve designed for a wide range of process industry applications. Its
main applications are fluids and suspensions up to 5%. It is also used in services with sludge, powder,
pellets and other solid materials. Common applications are pulp, recycled pulp, waste water and in different
types of food industry.
The MV is designed of a one piece or a two piece valve body in stainless steel, nodular or cast iron and a
stainless steel gate. The retainer ring mechanically locks the seat, making it easy to replace. The unique
Stafsj box packing TwinPackTM gives high operation reliability.
Due to the flexible design of the MV, it can be provided with different types of manual and automatic
actuators and accessories, such as limit switches. The MV knife gate valve can also be upgraded to be a
control valve.
The Stafsj knife gate valve MV is designed, manufactured, inspected and tested according to the European
directive Pressure Equipment Directive (PED 97/23/EC) category II module A1 and is therefore CE marked.

0640
AB STAFSJ BRUK, SE-618 95 STAVSJ, SWEDEN

TEL: +46 (0)11-39 31 00

FAX: +46 (0)11-39 30 67

MV-50-1000-en-07
2003-36

2/7

MV
DN 50-1000

Knife gate valve


Design data
Maximum working pressure body at 20C
DN
50-125
150-300
350-600
700-1000

Maximum differential pressure preferred direction at 20C

bar
16
10
6
4

DN
50-125
150-300
350-600
700-1000

bar
16
10
6
4

The MV knife gate valves with seat in E/N/V, also manages a certain differential pressure in the reversed direction. The design varies
between valve body in stainless steel (E) and nodular iron (L).

Maximum differential pressure reversed direction at 20C


DN

Stainless steel (E)


bar
3,5
3,0
-

50-200
250
300-450
500-1000

Nodular iron (L)


bar
3,5
3,5
3,0
-

Basic equipment
A. Valve body
Material
Maximum temp. C
Not recommended
Stainless steel
E
W1.4408
300
Nodular iron
L
GGG50
200
Corrosive media
Cast iron DN 750, 900, 1000
A
GG20
150
Corrosive media
Valve bodies in nodular and cast iron are painted with a wet epoxy colour to a minimum thickness of 80m.

B. Gate
Stainless steel
Stainless steel

Body
E/L/A
L DN 50-500

Material
SS2347
SS2333

C. Retainer ring
Body Material
Seat
Stainless steel
E
SS2343
E/N/V/P/PV/M
Cast iron
L/A GG20
E/N/V/P/PV/M
Zinced carbon steel
E/L/A
U
Retainer rings in cast iron are painted with a wet epoxy colour to a minimum thickness of 80m.

D. Seat
EPDM
Nitrile
Viton
PTFE with o-ring nitrile
PTFE with o-ring viton
Polyurethane
Metal with o-ring nitrile/viton
Metal with Grafoil

E
N
V
P
PV
U
M
MHT

Maximum temp. C
120
100
180
100
180
90
100/180
300(E)/200(L)/150(A)

Not recommended
Oil, grease

pH
1-13
0-14
1-12

Maximum temp. C
260
280
650

E. Box packing
TM

TwinPack
PTFE
Garlock 127

TY
TF
TG

F. Flange drilling
EN 1092 PN 10
EN 1092 PN 16
ANSI B16.5 Class 150
JIS B 2238 10K
BS 10 Table D

G. Face-to-face dimensions
Stafsj standard see table p. 6
MSS SP-81, TAPPI TIS 405-8

AB STAFSJ BRUK, SE-618 95 STAVSJ, SWEDEN

TEL: +46 (0)11-39 31 00

FAX: +46 (0)11-39 30 67

MV-50-1000-en-07
2003-36

3/7

MV
DN 50-1000

Knife gate valve


Actuator

Manual
Automatic
Hand wheel
HW
Pneumatic cylinder
AC
Hand lever
DN 50-150
HL *
Electric motor
EM
Ratchet wrench
DN 50-150
RW
Hydraulic cylinder
MH
Chain wheel
CW
Bevel gear
BG
* Differential pressures according to design data are not valid for hand lever (HL). For more information, please contact Stafsj.
Pneumatic cylinder recommended sizes at 5 bar air pressure
DN
50
65
80
100
125
AC
100-80
100-80
100-100 100-100 100-150
Maximum
3,5
3,5
3,5
3,5
3,5
force (kN)

150
100-150
3,5

200
160-250
9,0

250
160-250
9,0

300
160-300
9,0

350
200-350
14,1

DN
400
450
500
600
700
750
800
900
1000
AC
200-400 200-450 200-500 250-600 250-700 320-750 320-800 320-900 320-1000
Maximum
14,1
14,1
14,1
22,1
22,1
36,2
36,2
36,2
36,2
force (kN)
The table gives recommended cylinder sizes at normal operation at 5 bar air pressure. For other operating conditions, please contact
Stafsj or your local representative for advice.
Electric motor recommended sizes with AUMA multi-turn
DN
50
65
80
100
125
AUMA
SA 07.1
SA 07.1
SA 07.1
SA 07.1
SA 07.1
Attachment
F10/A
F10/A
F10/A
F10/A
F10/A

150
SA 07.1
F10/A

200
SA 07.5
F10/A

250
SA 07.5
F10/A

300
SA 10.1
F10/A

350
SA 10.1
F10/A

DN
400
450
500
600
700
750
800
900
1000
AUMA
SA 10.1
SA 10.1
SA 10.1
SA 10.1
SA 14.1
SA 14.1
SA 14.1
SA 14.5
SA 14.5
Attachment
F10/A
F10/A
F10/A
F10/A
F14/A
F14/A
F14/A
F14/A
F14/A
Electric motors are mounted according to standard ISO 5210. The table gives recommended motor sizes at normal operation. For other
operating conditions, please contact Stafsj or your local representative for advice.
For other actuators, please contact Stafsj or your local representative for advice.

Accessories
Limit switches
Mechanical
Inductive

Ersce E100
ifm electronic IG-2008-ABOA / IG0006
ifm electronic IG-3008-BPKG / IG5401

Accessories to pneumatic cylinder


Solenoid valve
Metal Work SOV 35 SOS OO
Metal Work SOV 45 SOS OO
Magnetic limit switch
Elobau 102 247
Elobau 102 290 PE
Control valve
Retainer ring V-port
Positioner

2-wire 20-250 V AC/DC


3-wire 10-36 V DC PNP

2-wire 10-250 V AC/DC


3-wire 10-30 V DC

DN 50-600
PMV Palmstierna

Purge port
The MV knife gate valve DN 500-1000 is equipped with purge ports with pipe thread G1/2 acc. to ISO 228/1.
Valve sizes DN 50-450 can be equipped with purge ports on order.
For advice regarding accessories, please contact Stafsj or your local representative.

AB STAFSJ BRUK, SE-618 95 STAVSJ, SWEDEN

TEL: +46 (0)11-39 31 00

FAX: +46 (0)11-39 30 67

MV-50-1000-en-07
2003-36

4/7

MV
DN 50-1000

Knife gate valve


1
2c
2b
2
18

2b

25

2a

5b

4b

5a

4a

28

17
20

15

21

16

6
7
8c
8b
8a
8
9
12

STAFSJ

12a

9a
13
10

Part list DN 50-800 (one piece body)


Pos Part
Material
1

Hand wheel

Pos

Part

Material
A2

DN 50-300 Aluminium,

8b

Washer

ENAC-AlSi9Cu3(Fe)

8c

Nut

A2 + zinc

DN>300 Cast iron GG20

Box packing*

See equipment E

Yoke

Stainless steel SS2333-02

9a

Box bottom

Plastic DN 500-800

2a

Bearing

Brass SS5170-00

10

Valve body

See equipment A

2b

Slide washer

POM

12

Retainer ring

2c

Bearing

Brass SS5170-00

12a Locking screw

Stem

Stainless steel DN50-250 SS2320-02

13

Seat*

See equipment D

DN>250 SS2383-02

15

Bushing

Oil-bronze

16

Gate guard

Stainless steel SS2333-02

See equipment C
A2

Stem nut

Brass SS5170-00

4a

Washer

A2

4b

Screw

A2

17

Gate clevis

Stainless steel SS2346-02

Tie rod

Stainless steel SS2333-02

18

Cylinder

See data sheet

5a

Washer

A2

20

Clevis pin

Stainless steel SS2346-02

5b

Nut

A2

21

Split pin

Stainless steel SS2343-02

Gate

See equipment B

25

Piston rod

Stainless steel SS2383-02

Beam

Aluminium EN AW-6063-T6

28

Locking nut

Stainless steel SS2346-02

Gland

Stainless steel SS2343

8a

Stud bolt

A2 + zinc

AB STAFSJ BRUK, SE-618 95 STAVSJ, SWEDEN

not for HW

Recommended spare parts

TEL: +46 (0)11-39 31 00

FAX: +46 (0)11-39 30 67

MV-50-1000-en-07
2003-36

5/7

MV
DN 50-1000

Knife gate valve


1
18

2
4d
4c

5b

4b

5a

4a

25
28
17
20

21
7
8c

15

8b
8a
16

8
9

10a

11

12

14

13

10b

Part list DN 750, 900, 1000 (two piece body)


Pos Part
Material

Pos

Part

Material

Hand wheel

Cast iron GG20

8c

Nut

A2 + zinc

Yoke

Cast iron GG20

Box packing*

See equipment E

Stem

Stainless steel SS 2383-02

10a Valve body

Stem nut

DN750 Brass SS5170-00

10b Valve body

See equipment A

DN>800 Brass SS5453

11

Body gasket

PTFE

Stainless steel SS2333-02

12

Retainer ring

See equipment C

4a

Stem nut holder

See equipment A

4b

Screw

A2

13

Seat*

See equipment D

4c

Washer

A2

14

Guide strip

HD-polyethylene

4d

Nut

A2

15

Bushing

Oil-bronze

Tie rod

Stainless steel SS2333-02

16

Stainless steel SS2333-02

5a

Washer

A2

17

Gate guard,
not for HW
Gate clevis

5b

Nut

A2

18

Cylinder

See data sheet

Gate

See equipment B

20

Clevis pin

Stainless steel SS2346-02

Beam

Aluminium EN AW-6063-T6

21

Split pin

Stainless steel SS2343-02

Gland

Stainless steel SS2343

25

Piston rod

Stainless steel SS2383-02

8a

Stud bolt

A2 + zinc

28

Locking nut

Stainless steel SS2346-02

8b

Washer

A2

AB STAFSJ BRUK, SE-618 95 STAVSJ, SWEDEN

Stainless steel SS2346-02

Recommended spare parts


TEL: +46 (0)11-39 31 00

FAX: +46 (0)11-39 30 67

MV-50-1000-en-07
2003-36

6/7

MV
DN 50-1000

Knife gate valve

STAFSJ

STAFSJ

STAFSJ

Dimensions (mm)
DN
A
B
C
D
E
F
G
H
J
K
L

50
52
41
91
80
200
56
360
475
116
620
230

65
64
41
107
80
200
65
380
495
130
650
250

80
79
51
124
80
200
88
405
545
135
690
275

100
103
51
154
80
200
102
453
593
155
765
323

125
128
56
179
80
250
116
495
685
178
830
365

150
153
60
204
80
250
130
550
740
205
910
420

200
202
60
267
145
315
160
694
1017
268
1115
555

DN
500
600
700
750
A
470
560
665
710
B
114
114
118
118
C
580
680
800
860
D
250
260
310
305
E
520
635
635
635
F
313
370
390
490
G
1315
1540
1750
1880
H
1865
2355
2513
2900
J
625
740
865
930
K
2010
2340
2650
2830
L
1127
1352
1565
1635
Actuator EM is rotated 45 for DN 50-150.

800
760
118
900
310
635
490
1970
3030
985
2970
1780

900
855
118
1010
320
635
580
2220
3380
1160
3340
1985

1000
950
150
1110
320
635
640
2400
3670
1280
3630
2215

250
250
69
320
145
315
192
779
1102
320
1250
640

300
302
78
374
145
315
230
879
1252
375
1400
740

350
332
78
419
175
400
210
993
1415
420
1550
820

400
380
89
479
175
400
245
1083
1555
490
1690
910

450
428
89
535
200
520
280
1180
1680
560
1820
990

250
40

300
55

350
90

400
120

450
180

Weight, valve incl. hand wheel (HW)


DN
kg

50
7

65
7

80
8

100
10

125
13

150
15

200
31

DN
kg

500
245

600
340

700
460

750
700

800
540

900
900

1000
1500

AB STAFSJ BRUK, SE-618 95 STAVSJ, SWEDEN

TEL: +46 (0)11-39 31 00

FAX: +46 (0)11-39 30 67

MV-50-1000-en-07
2003-36

7/7

MV
DN 50-1000

Knife gate valve


Pressure tests
Pressure tests are performed with water at 20C according to ISO 5208 meaning:
1,5 x maximum working pressure for open valve shell test
1,1 x maximum differential pressure for closed valve obturator tightness test

Leakage rate
For soft sealed valves rate A according to ISO 5208 no visible leakage for the duration of the test
TAPPI TIS 405-8, MSS SP-81

Materials corresponding foreign materials


Sweden

Germany

USA

Stafsj
standard

Type of
material

SS

W. Nr.

DIN

A2
AISI 304
EN AW-6063-T6
GG25
GGG50
SS0120-00
SS1312
SS2303-03
SS2320-02
SS2333-02
SS2343-12
SS2343-28
SS2346-02
SS2347-02
SS2383-02
SS5170-00
SS2377-02
W1.4408

Stainless
Stainless
Aluminium
Cast iron
Nodular iron
Cast iron
Carbon steel
Stainless
Stainless
Stainless
Stainless
Stainless
Stainless
Stainless
Stainless
Brass
Stainless
Stainless

SS2333
AISI 304
EN AW-6063-T6
SS0125-00
SS0727
SS0120-00
SS1312
SS2303-03
SS2320-02
SS2333-02
SS2343-12
SS2343-28
SS2346-02
SS2347-02
SS2383-02
SS5170-00
SS2377-02
W1.4408

W1.4301
W1.4301

X5CrNi18 M 10
X5CrNi18 M 10
AlMgSi 0,5
GG 25
GGG 50
GG 20
RSt 37-2
X20Cr13
X6Cr17
X5CrNi18 M 10
G-X6CrNiMo 18 10
X3CrNiMo17 13 3
X10CrNiS 18-9
X5CrNiMo17 12 2
X12CrmOS17
CuZn39Pb3
X2CrNiMoN22 5 3
G-X6CrNiMo 18 10

0.6025
0.7050
0.6020
W1.4021
W1.4016
W1.4301
W1.4408
W1.4436
W1.4305
W1.4401
W1.4104
W1.4462
W1.4408

ASTM

Japan

UNS

BS

JIS

304
304

S30400
S30400

304S15
304S15

SUS 304
SUS 304
FC 250
FCD 500
FC 200

420
430
304

S42010
S43000
S30400

303
316
430 F

S31600
S43020

Grade 260
Grade 500/7
Grade 220
40 B
420S37
430S17
304S15
316 C 16
Gr 316 S 33
303S31
316S31

AA 6063
A 48 No 40 B
A 48 No 30 B
A 36

A 743-91 CF-8M
A 240, Type 316

C 36000
S31803
A 743-91 CF-8M

All specifications subject to change without notice.


AB STAFSJ BRUK, SE-618 95 STAVSJ, SWEDEN

England

AISI

CZ 121
318S13
316 C 16

SUS 420J1
SUS 430
SUS 304
SCS 14
SUS303
SUS 316
430 F
SCS 14

www.stafsjo.com
TEL: +46 (0)11-39 31 00

FAX: +46 (0)11-39 30 67

691326
Ultrasonic sensor

Function

The functional principle of an ultrasonic sensor is based on the generation of


acoustic waves and their detection following reflection via an object.
The carrier of acoustic waves is normally the atmospheric air. An ultrasonic
generator is actuated for a brief period and emits a pulse of ultrasonic energy which
is inaudible to the human ear. Once emitted, the pulse of ultrasonic energy is
reflected via an object located within range and bounced back to the receiver. The
duration of the ultrasonic pulse is evaluated by means of downstream electronics.
Within a certain range the output signal is proportional to the signal duration of the
ultrasonic pulse.
The object to be detected can be of different materials. Neither shape or colour, nor
liquid or powdery condition, have any or only a minimal effect on detection. In the
case of an object with a smooth, even surface, the surface must be aligned vertically
to the ultrasonic beam.
In its factory condition, the output signal increases with growing distance between
sensor and the object to be measured.
This setting is not suitable for level measurement in a container.
With increasing filling level, the distance between the sensor and the item to be
measured (water surface), the distance is reduced, whereas the gauge signal should
increase. This is why the setting of the increasing output signal has been reversed.
Similarly the measuring range of the sensor has been adjusted to the container.

Festo Didactic GmbH & Co. KG, 03/2009

Subject to change

1/4

691326
Ultrasonic sensor

Technical data

Parameter

Value

Analogue output (VO)


Voltage range

0 10 V

Protection class

IP 67

Weight

Max. 67 g

Ambient temperature

-25 70 C

Switching point error

2.5 % (-25 to 70 C)

Rated operating voltage Ve

24V DC

Operating voltage range VB

10 35 V DC (at 12 20V DC,


sensitivity reduced by up to 20 %)

Permissible residual ripple

10 %

Idle current I0

< 50 mA

Measuring range
programmed
factory setting

48 270 mm
50 300 mm

Characteristic curve
programmed
factory setting

Falling
Rising

Installation

Dimensions diagram, all dimensions in mm

2/4

Subject to change

Festo Didactic GmbH & Co. KG, 03/2009

691326
Ultrasonic sensor

Free spaces

Keep free space within distance "x" around the sound cone clear of interfering
objects. Angular misalignment of 3 applies for smooth surfaces.

Switching range
(Vendor settings)

Festo Didactic GmbH & Co. KG, 03/2009

Subject to change

3/4

691326
Ultrasonic sensor

Connection

Pin assignment:
1
24V (brown)
2
n. c.
3
0V
(blue)
4
Analogue output (black)

4/4

Subject to change

Festo Didactic GmbH & Co. KG, 03/2009

CENTERLINE-Butterfly Valves Series VIA/RS

RS/DB-0004-GB/10.01/GP

Material Selection DN 40-600

7
8
4

8
7
7

12

8
10
4
3
8
7
12

1
3

5
1
2

6
2

DN 40-300

11

DN 350-600

Component
Parts not in
contact with
the medium

Material specification
1)

Body (1)

EN-GJL-250
EN-GJS-400-15
GP 240 GH
Chromium steel X20Cr13
Stainless steel X5CrNiMo 18/10
Spring steel, galvanized
DU/ plastics 2)
Spring steel, galvanized
Steel
Bronze
Galvanized steel

Shaft (4) and


Pin (5)
Roll pin (6)
Bushing (7)
Retaining ring (8)
Key (10)
Bushing (11)
Screw (12)
1)

only wafer body with centering lugs (DN50-300)

2)

according to the manufacturers choice

Material no.
JL-1040
JS-1030
1.0619
1.4021
1.4401

Parts in
contact with
the medium

Component Material specification

Material no.

Temperature range

Disc (2)

JS-1030

-10 C, top temperature limited

JS-1030

-10 C bis +80 C

JS-1030

-10 C, top temperature limited

UHMWPE

-10 C bis +70 C

2.0975.01

limited by body liner

Ductile iron, nickel-plated


GGG-40-gal Ni1)
Ductile iron, VIADURcoated1)
Ductile iron, ECTFEcoated
Ductile iron,
Hostalen Gur lined
Aluminium bronze
G-CuAl 10Ni
Stainless steel, according to
manufacturers choice
G-X5CrNiMo 19-11-2
G-X5CrNiMoNb 18/10
Duplex steel
G-X2CrNiMoCuN 27 77 43
Hastelloy C*
G-NiMo16Cr
Body liner (3) EPDM

by body liner

by body liner

limited by body liner


1.4408
1.4581
9.4517

limited by body liner

2.4883

limited by body liner


-34 C to +120 C

(ethylene-propyleneterpolymer)
EPDM-H

-34 C to +140 C

(ethylene-propyleneterpolymer)
NBR (perbunane)
(copolymer of acrylonitrilebutadiene rubber)

(with KTW-approval)

(up to 100C with


intermittend operation)

HNBR

-20 C to +120 C

-20 C to +80 C

(hydrogenated acrylonitrilebutadiene rubber)


FPM (Viton)*

-5 C to +150 C

(copolymer of vinyl
fluoride)
CSM (Hypalon)

-20 C to +80 C

(chlorine-sulfonated
polyethylene)

(up to 100C with


intermittend operation)

* or equivalent
1)
only DN 200-600

We reserve the right for changes to all technical data.

CENTERLINE-Butterfly Valves Series VIA/RS

Shaft end
DN 40-300

Wafer body

RS/DB-0006-GB/10.01/GP

Dimensions/ Weights DN 40-600


Lug body

Shaft end
DN 350-600

O=number
of bores

Dimensions in mm, bare shaft


Measure- Pressure
ment class
A1)
A2)
B
C1)
C2)
D4)
E4)
H4)
L4)
M
M
M
N
N
N
O
O
O
P
R
S4)
T
U
V
W
X

1)

PN 10
PN 16
ANSI 150
PN 10
PN 16
ANSI 150
PN 10
PN 16
ANSI 150

403)
11/2

50
2"

65
21/2

80
3"

100
4"

125
5"

202
202
72
130
130

202
202
72
130
130

225
225
79
146
146
65
14
16

240
251
86
154
165

268
286
101
167
185

292
314
112
180
202

43
110
110
-

43
125
125
120,7

46
52
145
160
180
145
160
180
139,7 152,4 190,5
M 16
M 16
5/8"-11 UNC

4
4
-

Size
150 200
6"
8"
320
342
125
195
217
90
15
19

386
401
156
230
245

56
60
210
240
295
210
240
295
215,9 241,3 298,5
M 20
M 20
3/4"-10 UNC
8
8

250
10"

462
542
462
542
192
242
270
300
270
300
125
18
24
68
78
350
400
355
410
362 431,3
M 20
M 24
7/8"-9 UNC

8
12

300
12"

350
14"

16
16

39
7

56
13

71
19

93
27

12

16
14
100

70
22-0,1

144
49

191
70

240
90

291
111

Body made of GGG/GS-C

2)

20
130
-

327
129

50/4 x 7

70/4 x 9

102/4 x 11

F05

F07

F10

Body made of GG 3)Inner parts DN 50

4)

934
424
510
210
25
80
154
725
770
749,3
M 27
M 33
11/4"-7
UNC

20

5
117
37

600
24"

20
20

3,5
39
7

500
20"

677
743
793
302
341
366
375
402
427
175
23
65
78
102
114
127
460
515
565
620
470
525
585
650
476,3 539,8 577,9 635
M 24
M 27
M 30
1"-8 UNC
11/8"-7 UNC

12
12

8
55
17-0,1

450
18"

627
277
350
-

35
14-0,1

400
16"

371
423
472
141
162
181
45
140/4 x 18
F14

7
575
221
70
165/4
x 22
F16

Dimensions in accordance with DIN/ISO

Weights in kg
Bare shaft
valve

40

50

65

80

100

125

150

Size
200

250

300

350

400

450

500

600

Wafer body*

2,2

2,2

2,8

3,4

4,7

6,8

7,6

11,5

19,6

31,2

50

72

92

111

195

Lug body

3,4

3,4

4,0

4,8

6,9

10,6

11,4

15,9

26,0

38,2

60

92

108

151

245

* version with centering lugs made of GG25 up to DN300

Valve with hand lever

Valve with gear operator

Valve with Revo actuator

Dimensions in mm*, with actuations


40

50

65

80

100

125

150

Size
200

250

300

350

400

450

500

600

181
181
200
206
206
172
172
230
200
65
216
216
38
33
175

181
181
200
206
206
172
172
230
200
65
216
216
38
33
175

197
197
200
222
222
188
188
230
200
65
232
232
38
33
175

205
216
200
230
241
196
207
230
200
65
266,5
277,5
52,5
41
205

218
236
200
243
261
209
227
230
200
65
308
326
67
55
214

231
253
240
256
278
222
244
230
250
65
321
343
67
55
214

246
268
240
271
293
237
259
230
250
65
361
383
79
67
267

281
296
240
306
321
272
287
230
250
65
396
411
79
67
267

346
346
312
312
230
250
65
456
456
94
78
355

376
376
342
342
230
250
65
486
486
94
78
355

437
402
285
400
96
652
135
119
388

462
427
285
400
96
677
135
119
388

489
454
285
400
96
704
135
119
510

514
479
285
400
96
729
135
119
510

616
560
366
610
123
962
211
211
533

400

450

500

600

Measurement
A1)
A2)
B
C1)
C2)
D1)
D2)
E
F
G
H1)
H2)
L1
L2
M

* Dimensions apply to valves PN 10/16 p 10 bar, Revo actuator, double-acting at 5 bar air supply
1)
Body made of GGG/GS-C
2)
Body made of GG

Weights in kg**
Valve with
Hand lever
Gear operator
Revo actuator

40

50

65

80

100

125

150

Size
200

250

300

350

3,8
10,2
4,3

3,8
10,2
4,3

4,4
10,8
4,9

4,6
11,0
5,6

5,9
12,3
8,1

8,5
14,8
10,6

9,5
15,8
11,4

13,6
19,9
19,4

24,5
27,6
31,2

35,9
39,0
43,2

66,8 88,8 108,8 127,8 230,0


76,0 104,0 129,0 148,0 318,0

** Weights apply to valves with wafer body

We reserve the right for changes to all technical data.

CENTERLINE-Butterfly Valves Series VIA/RS

10

1. Series:
A

5. Body Design / Material:


Series VIA/RS

2. Size:
G
H
K
L
M
N
P
R
S
T

=
=
=
=
=
=
=
=
=
=

040
050
065
080
100
125
150
200
250
300

U
V
W
X
Y
Z
2
3
4
7

(1,5)
(2)
(2,5)
(3)
(4)
(5)
(6)
(8)
(10)
(12)

= 350
= 400
= 450
= 500
= 600
= 700
= 800
= 900
= 1000
= 1200

(14)
(16)
(18)
(20)
(24)
(28)
(32)
(36)
(40)
(48)

3. Disc Material and Shutoff Pressure:


B
G
S
C
H
T
A
F
R
K
L
P
N
M

=
=
=
=
=
=
=
=
=
=
=
=
=
=

Stainless steel )
3,5 bar
Stainless steel
10 bar
Stainless steel
16 bar
Ductile iron, nickel-plated 2) 6) 3,5 bar
Ductile iron, nickel-plated 2) 10 bar
Ductile iron, nickel-plated 2) 16 bar
Aluminium bronze 6)
3,5 bar
Aluminium bronze
10 bar
Aluminium bronze
16 bar
ECTFE, coated
10 bar
Rilsan, coated 2)
10 bar
Hostalen-GUR 3)
10 bar
Duplex
10 bar
Hastelloy
10 bar

4. Pressure Class:
Body
Design

DN
PN

Wafer body PN 6*
PN 10
PN 16
PN 10/16
ANSI 150**
MSS-SP 44
Lug-type
PN10
body/
PN16
Flanged
PN 10/16
body
ANSI 150**
MSS-SP 44

1=
2=
5=
7=
8=

Wafer body GGG40


Wafer body GG25 *5)
Lug body GGG40
Lug body GS-C25
Flanged body GGG40

(only DN40-600)
(only DN40-300)
(only DN40-600)
(only DN700-1200)

6. Body Liner Material:


B
C
E
F
H
V

=
=
=
=
=
=

NBR (Buna-N 4))


HNBR (only DN40-600)
EPDM
EPDM-H with KTW-approval
CSM (Hypalon 4))
FPM (Viton 4))

7. Shaft Material:
1
2

=
=

Cr steel (standard)
CrNi steel

8. + 9. Design 1):
00 =
UD =

UG =

Standard
Pressure and leak test BA/BN acc.
to DIN 3230-T3 as well as material
certification for body approved acc.
to EN 10204- 3.1B
Pressure and leak test BA/BN acc.
to DIN 3230-T3 as well as material
certification for body approved acc.
to EN 10204- 3.1B as well as
separate KKS head flange tag

10. Actuation 1):

40150

200450

500600

7001200

A
D
N
D
N
-

A
D
N
B
C
N
-

B
C
N
B
C
N
-

B
C
S

* DN50-300 only GG
** not DN40
1
) further versions available on request
2
) not DN40-150
3
) only DN50-800
4
) Registered trademark or trade name
5
) with centering lugs, not DN40
6
) not DN50-80

F = bare shaft
G = Gear operator with hand wheel
H = 10 pos. hand lever (only up to DN200)

Each CENTERLINE Butterfly Valve Series VIA/RS has a name


plate with the model number stamped on. This number is complete to such an extent that it specifies each detail of the valve. It can
be taken from the model numbering system above.
Ordering example:
CENTERLINE Butterfly Valve Series VIA/RS, DN 100, PN10/16,
shutoff pressure of 10 bar, wafer body GGG40, shaft made of Cr
steel, stainless steel disc, body liner EPDM, with 10 pos. hand
lever
Modell Number: AMGD1E100H

RS/DB-0002-GB/09.01/GP

Model Numbers DN 40-1200

Model Numbers for Gear Operators


The model number of the gear operator is composed of a basic number and a specification number. The basic
number is to be taken from the table below. The specification number is based on the following code:

Basic number
GH2 0200A

Specification number
H10A

see below:
Design/Equipment:
A = bare shaft
H = hand wheel
J = hand wheel, lockable
K = chain wheel

Attachments:
A = without
C = limit switch IP65,
open position
D = limit switch IP65,
closed position
E = limit switch IP65,
open/closed position

Version:
1 = weatherproof (standard)
2 = waterproof

Body finish:
0 = primer coat

Basic numbers for gear operators


CENTERLINE Valve Series VIA/RS
DN
Shutoff pressure
40-100
125-200
250-300
350-400
450-500
600
700

3,5 bar, 10 bar, 16 bar


3,5 bar, 10 bar, 16 bar
16 bar
3,5 bar, 10 bar,
3,5 bar, 10 bar, 16 bar
16 bar
3,5 bar, 10 bar
16 bar
3,5 bar, 10 bar
16 bar

Gear Operator
Basic number
GH2-0100AGH2-0200AGH2-0300AGH2-0300BGH2-0500BGH2-0500AGH2-0500BGH2-0600AGH2-0600BGH2-0700A-

CENTERLINE Valve Series VIA/RS


DN
Shutoff pressure
700
800

900

1000
1200

3,5 bar, 10 bar


16 bar
10 bar
3,5 bar
16 bar
10 bar
3,5 bar
3,5 bar, 10 bar
3,5 bar, 10 bar

Gear Operator
Basic number
GH2-0700BGH2-0800AGH2-0800BGH2-0800CGH2-0900AGH2-0900BGH2-0900CGH2-1000AGH2-1200B-

Selection table hand lever/gear operator


The following table is a recommendation
Shutoff pressure

40-125

16 bar
10 bar
3,5 bar

150
Hand lever

Hand lever up to DN200, gear operator available from DN40 on

We reserve the right for changes to all technical data.

DN
200

250
Gear Operator

300-1200

CENTERLINE-Butterfly Valves Series VIA/RS

Component
Actuation

Version
Hand lever, 10 positions
Hand lever, infinitely adjustable
Gear operator
Pneumatic Revo actuator
Hydraulic actuator
Electric actuator

Shaft

Body liner

Disc

Lower shaft

Body

Version

Material

40-200
40-200
40-1200
40-1200
40-1200
40-1200

40-1200

Chromium steel

40-1200

Cr Ni steel

40-1200
40-500
40-1200
40-1200
40-600
40-1200
200-600
40-1200
40-700
200-1200
40-1200
40-600
700-1200
40-1200
40-800

NBR
HNBR
EPDM
FPM
CSM
EPDM-H
Ductile iron, nickel-plated
Stainless steel
Aluminium bronze
GGG-Rilsan coated 1)
GGG-ECTFE coated 1)
Hastelloy-C 1) 2)
Hastelloy-C22C 1) 2)
Duplex 9.4517 1)
Hostalen GUR lined 1)

40-1200

Chromium steel

40-700

Cr Ni steel

DN 350-600

DN 700-900

DN
10001200

PN 6/10/16/ANSI 150
PN 10/16/ANSI 150 PN 10/16/ANSI 150

Lug
body

GGG-40
GS-C25

PN 10/16/ANSI 150 PN 10/16/ANSI 150 PN 16/MSS-SP44


PN 10/16/ANSI 150 PN 10/16/ANSI 150
-

PN 6/10/16/ANSI 150

only for shutoff pressure of 10 bar


or equivalent
3)
DN 40 only wafer body, not PN 6 and ANSI 150

We reserve the right for changes to all technical data.

Material

GG 25
GGG-40

Flanged
body

2)

DN

Wafer
body

Wafer
body with
GG 25
centering
lugs

1)

DN 40-300

RS/DB-0003-GB/12.01/GP

Possible Combinations

3)

GGG 40

PN 10

PN 10/16

CENTERLINE-Butterfly Valves Series VIA/RS

DN

PN

50

65

2,5

80

100

125

150

200

250

10

300

12

350

14

400

16

450

18

500

20

600

24

PN10
PN16
ANSI 150
PN10
PN16
ANSI 150
PN10
PN16
ANSI 150
PN10
PN16
ANSI 150
PN10
PN16
ANSI 150
PN10
PN16
ANSI 150
PN10
PN16
ANSI 150
PN10
PN16
ANSI 150
PN10
PN16
ANSI 150
PN10
PN16
ANSI 150
PN10
PN16
ANSI 150
PN10
PN16
ANSI 150
PN10
PN16
ANSI 150
PN10
PN16
ANSI 150

Qty.
4
4
4
4
4
4
8
8
4
8
8
8
8
8
8
8
8
8
8
12
8
12
12
12
12
12
12
16
16
12
16
16
16
20
20
16
20
20
20
20
20
20

for wafer bodies


bolt with nut
thread
length
(mm/inch)
M16
100
M16
100
5
8"-11 UNC
4
M16
110
M16
110
5
8"-11 UNC
4
M16
110
M16
110
5
8"-11 UNC
5
M16
120
M16
120
5
8"-11 UNC
5
M16
120
M16
120
3
4"-10 UNC
512
M20
130
M20
130
3
4"-10 UNC
5 12
M20
130
M20
130
3
4"-10 UNC
5 12
M20
150
M24
150
7
8"-9 UNC
6 12
M20
160
M24
160
7
8"-9 UNC
7
M20
160
170
M24
1"-8 UNC
8
M24
180
M27
200
1"-8 UNC
9
M24
200
M27
220
118"-7 UNC
10
M24
220
M30
240
118"-7 UNC
10
M27
240
M33
260
114"-7 UNC
12

For weld neck flanges according to DIN 2632 (PN10), DIN 2633 (PN16) or ANSI 150 B 16.5.

DR 20.2.2003

We reserve the right for changes to all technical specifications.

Qty.

for lug bodies


bolt without nut
thread

8
8
8
8
8
8
16
16
8
16
16
16
16
16
16
16
16
16
16
24
16
24
24
24
24
24
24
32
32
24
32
32
32
40
40
32
40
40
40
40
40
40

M16
M16
5
8"-11 UNC
M16
M16
5
8"-11 UNC
M16
M16
5
8"-11 UNC
M16
M16
5
8"-11 UNC
M16
M16
3
4"-10 UNC
M20
M20
3
4"-10 UNC
M20
M20
3
4"-10 UNC
M20
M24
7
8"-9 UNC
M20
M24
7
8"-9 UNC
M20
M24
1"-8 UNC
M24
M27
1"-8 UNC
M24
M27
118"-7 UNC
M24
M30
118"-7 UNC
M27
M33
114"-7 UNC

length
(mm/inch)
35
35
112"
35
35
134"
40
40
134"
40
40
134"
45
45
2"
45
45
2"
50
50
2"
50
50
212"
60
60
212"
60
65
234"
70
75
234"
70
75
3"
70
90
3"
90
100
412"

RS/DB-0013-GB/02.03/GP

Bolt Dimensions DN 50 - 600

691383
Float sensor (overflow protection)

Function

Technical data

The single flow sensor is suitable for flat tanks or in restricted spaces. It is designed
solely for vertical installation.
The medium to be measured presses the float upwards and, from a specific position,
actuates a switch.

Parameter

Value

Material
Switching tube
Float

Polysulfone
Polysulfone

Temperature Cable
Stranded wire

40 C +80 C
40 C +107 C

Float immersion depth for density 1:

15 mm

Operating pressure

3 bar

Min. Density of liquid:

0.75

Reed switch type:

SPST 50 VA cable
SPST 20 VA stranded wire

Electr. connection: (length approx. 0.6 m)

Cable: 0.34 mm2 PVC


Stranded wire: AWG 22 PVC

Protection type DIN 40050

IP64

Shipping weight (approx.)

20 g

Mounting thread

1/8 NPT

Festo Didactic GmbH & Co. KG, 06/2006

Subject to change

1/2

691383
Float sensor (overflow protection)

Technical drawing

L1= Switch activation when reaching the nominal filling level (based on specific
weight of 1.0)
Polysulfone float: 19.0 mm

Electrical pin allocation

Parameter

Value

Positive terminal

Red
Plug pin:

Black
Plug pin:

Negative terminal

Plug pin 2 is unallocated

2/2

Subject to change

Festo Didactic GmbH & Co. KG, 06/2006

696655
Measuring transducer PT100/U

Function

Technical data
Measuring transducer

The measuring transducer converts the measured value of the PT100 resistance into
a voltage within the range of 0 to 10 V, whereby the measuring transducer is in the
range of 0 to 100 C. It is operated using a DC voltage of 24V.
It can be plugged into the basic terminal block and simply removed again by pulling
out.

Parameter

Value

Temperature range

0 C 100 C

Operating voltage

24V DC(+/10 %)

Nominal voltage

30 A

Output

0 10 V

Load resistance

500 k

Error output (positive switching)

Ub/max. 20 mA

Transmission error (based on final value)

0.3 %

Temperature coefficient

< 0.02 %/K

Electromagnetic compatibility
Test according to IEC 801-2/4/5

B passed according to EN 50082 P.2 (E3.94)

Permissible ambient temperature

0 C + 55 C

Weight

29.8 g

Colour

Grey

Festo Didactic GmbH & Co. KG, 06/2006

Subject to change

1/4

696655
Measuring transducer PT 100/U

Note regarding basic


terminal block

The basic terminal block has a lateral inscription plate. It is equipped with
2-wire terminals. Front wiring; connections: CAGE CLAMP connection

Measuring transducer PT100/U with basic terminal block:


1)
Measuring transducer PT100/U (plug-in)
2)
Basic terminal block
3)
Inscription plate

0V

Err

Out

+24V

Electrical pin allocation

1 2

0V

U
4

2/4

Subject to change

Festo Didactic GmbH & Co. KG, 06/2006

696655
Measuring transducer PT100/U

Technical data Basic


terminal block

Parameter

Value

Cross-section

0.08 2.5 mm
28 14 AWG

Rated voltage EN

400 V

Rated transient voltage

6 kV

Degree of contamination

Nominal current

10 A

Weight

21.028 g

Colour

Grey

Type of wiring

Front wiring

Total number of connection points

Total number of potentials

Height

28 mm/1.1 in

Width

22 mm/0.866 in

Depth

50 mm/1.97 in

Strip length

8 9 mm/0.33 in

Festo Didactic GmbH & Co. KG, 06/2006

Subject to change

3/4

4/4

Subject to change

Festo Didactic GmbH & Co. KG, 06/2006

696656
Measuring transducer frequency/voltage

f
U

Function

Technical data
measuring transducer

The measuring transducer converts the measured value of the flow sensor into a
voltage within a range of 0 to 10 V. It is operated using a DC voltage of 24 V.
It can be plugged into the basic terminal block and simply removed using this again
by pulling out.

Parameter

Value

Permissible ambient temperature

55 C

Operating voltage

20 30V DC

Current consumption

12 mA

Linearity error

<0.1 %

Transmission error

<0.1 %

Input
Square-wave frequency generator

0 1kHz

Signal level
Peak time

6VSS 30VSS
3s

Output
Output signal
Output load
Colour

Festo Didactic GmbH & Co. KG, 06/2006

0 10 V
>2k
Grey

Subject to change

1/4

696656
Measuring transducer - frequency/voltage

Note regarding
basic terminal block

The basic terminal block has a lateral inscription plate. It is equipped with
2-wire terminals. Front wiring; connections: CAGE CLAMP connection

Measuring converter f/V with basic terminal block:


1)
Measuring converter f/V (plug)
2)
Basic terminal block
3)
Inscription plate

Electrical pin allocation

2/4

Subject to change

Festo Didactic GmbH & Co. KG, 06/2006

696656
Measuring transducer frequency/voltage

Technical data
basic terminal block

Parameter

Value

Cross-section

0.08 2.5 mm
28 14 AWG

Rated voltage EN

400 V

Rated transient voltage

6 kV

Degree of contamination

Nominal current

10 A

Weight

21.028 g

Colour

Grey

Type of wiring

Front wiring

Total number of connection points

Total number of potentials

Height

28 mm/1.1 in

Width

22 mm/0.866 in

Depth

50 mm/1.97 in

Strip length

8 9 mm/0.33 in

Festo Didactic GmbH & Co. KG, 06/2006

Subject to change

3/4

4/4

Subject to change

Festo Didactic GmbH & Co. KG, 06/2006

696660
Filter

Function

This filter offers extremely high germ protection, extensive water throughput
of 13 l/min, as well as convenient cartridge replacement. Flow is effected throughout
the total length of the filter bed, hence maximum possible molecular sieving and
wideband absorption with a retention constant of 0.5 m. Germ protection for
15,000 litres at constant 30 l/min, 200,000-qm filtering surface.

Design

The filter design consists of the filter housing with integrated shut-off valve and
exhaust, the filter cartridge, 2 x 10mm-connections, bracket and hose clamps.
The filter cartridge is equipped with 3-level filtration.
Level 1
Prefilter against coarse contamination
Level 2
Main filter against chlorine, tank additives, pesticides, industrial chemical
contamination, other inorganic chemicals such as atrazine, simazine, lindane,
dioxine, etc. Retains germs, bacteria and cysts >=0.5 m, e.g. e-coli bacteria (
0.5 m).
Level 3
Secondary filter against aerosols, with protective mesh made of PP, minerals
remain in the drinking water.

Festo Didactic GmbH & Co. KG, 06/2006

Subject to change

1/2

696660
Filter

Technical data

Parameter

Value

Max. Flow volume/water throughput

13.04 l/min

Max. Input pressure

7.6 bar.

Weight

1886 g + 500 g

Max. ambient temperature

50 C

Dimensions
Height
Diameter
Push-in connection for piping diameter, external

2/2

Subject to change

327 mm
130 mm
15 mm

Festo Didactic GmbH & Co. KG, 06/2006

MPS PA
Compact
Workstation

Electronic Terminal Block with Miniature Switching Relay

1/2
Data sheet

56 mm / 2.2 in

1 changeover contact

91 mm / 3.58 in

Item-No.

Description
Switching relay terminal block

UN
DC 12 V
DC 24 V

IN
17 mA
10 mA

Switching relay terminal block with miniature switching


relay 1 changeover contact
for medium switching powers.

Safe electrical isolation meets DIN VDE 0140,


DIN EN 61140.

Mounting on DIN 35 rail.

DC-Load limiting value graph

U (V)

10

10

1010,1

10
/ (A)

Note: Inductive loads have to be attenuated by


an appropriate protective circuit in order to
protect relay coils and contacts !

WAGO Kontakttechnik GmbH & Co. KG


Subject to design changes
29.06.2007 / d630300e.doc

Postfach 2880 D-32385 Minden


Hansastr. 27 D-32423 Minden

859-303
859-304

Pack.-unit
pcs
1
1

Technical Data
Contact material
Input nominal voltage UN
Input voltage range
Input nominal current IN
(coil 20 C)
Max. switching voltage
Max. continuous current
(terminal blocks in a row)
(50C)
(70C)*
Max. switching power
(resistive)
(resistive)
Making capacity

AgSnO2
see description
UN -15 %...+20 %
see description
AC 250 V
5A
3A
AC 1250 VA
DC see load limiting value graph
10 A at max. 4 s
and 10 % relative cyclic duration factor
100 mA / AC/DC 12 V

Recommended min. load


Max. number of switching
-1
-1
operations with/without load
6 min / 20 s
Operating power
< 320 mW
Pull-in/dropout/bounce time typ 5 ms / 6 ms / 5 ms
Operation at normal rating
100 % continuous duty
Dielectric strength
contact/coil
4 kV
Surge voltage strength
contact/coil (1.2/50 s)
6 kV
Open contact
1 kV
Nominal voltage acc. to
VDE 0110 Part1/ 4.97
IEC 60664-1
250 V / 4 kV / 3
7
Mechanical life
2 x 10 switching operations
5
at max. load (resistive)
3 x 10 switching operations
Ambient operating temperature
at UN
-25 C...+50 C
-25 C...+40 C
at 1.2 x UN
*at 3 A continuous current
-25 C...+70 C

Tel.:
Fax.:

05 71 / 8 87-0
E-Mail:
05 71 / 8 87-169 Web:

info@wago.com
http://www.wago.com

Electronic Terminal Block with Miniature Switching Relay

2/2

1 changeover contact

Data sheet

Storage temperature
Terminal block width
Wire connection

-40 C...+70 C
6 mm / 0.236 in
CAGE CLAMP
2
0.08-2.5 mm / AWG 28-14
5-6 mm / 0.22 in

Stripped length
Standards / prescriptions
Approvals

Accessories
End and intermediate plate
Comb type jumper bar 2-way
3-way
4-way
5-way
10-way
Test pin 1mm

WAGO Kontakttechnik GmbH & Co. KG


Subject to design changes
29.06.2007 / d630300e.doc

Postfach 2880 D-32385 Minden


Hansastr. 27 D-32423 Minden

Tel.:
Fax.:

VDE 0435 Part 201, DIN EN 61810-1


VDE 0140, DIN EN 61140
CULUS
UL508 / CSA22.2
E175199
CB scheme
IEC 60947-1 / IEC 60947-5-1
DEMKO DK-7574
AC15
3A
AC 250 V
DC13
0.5 A
DC 24 V
859-525
859-402
859-403
859-404
859-405
859-410
859-500

05 71 / 8 87-0
E-Mail:
05 71 / 8 87-169 Web:

info@wago.com
http://www.wago.com

Relay Socket with Small Switching Relay

1/2

Socket with relay (2 changeover contacts) and status indication

Data sheet

14

A1
+

11
12
24
21
22

A2
Similar photo

Item-No.

Description
Socket with relay, DC 24 V, 2 changeover contacts

788-312

Pack.-unit
pcs
1

Relay socket for DIN 35 carrier rails.

Technical Data

Status indication through pluggable LED module (red).

Insulated, pluggable jumper system suitable for both coil


and load side.

CAGE CLAMP S connection.


Solid wires, fine-stranded wires with crimped ferrules or
ultrasonically bonded wire ends can be inserted directly.

Quick exchange of the relay and the status indication


during maintenance, without having to detach the wiring.

Safe electrical isolation in accordance with DIN VDE 0140


Part 1.

Contact material
AgNi 90/10
Input nominal voltage UN
DC 24 V
Input voltage range
UN 10 %
19 mA
Current input at UN (20 C)
Max. switching voltage
AC 250 V
Max. making current (resistive)
at 10 % continuous duty
4 s (AC) 15 A
Max. continuous current
2x8A
Max. switching power
(resistive)
2 x AC 2000 VA
(resistive)
DC see load limiting value graph
Max. number of switching
-1
-1
operations with/without load
6 min / 1200 min
Operating power
400 mWtyp.
Pull-in/dropout/bounce timetyp. 7 ms / 2 ms / 3 ms
Operation at normal rating
100 % continuous duty
Dielectric strength
contact/coil
5 kV
open contact
1 kV
Nominal voltage acc. to
VDE 0110 Part1 / 4.97
IEC 60664-1
250 V / 4 kV / 3
6
Mechanical life
30 x 10 switching operations
Degree of protection
IP 20
Relay type
RT 2
Ambient operating temperature -25 C ... +50 C
Storage temperature
-40 C ... +70 C
Dimensions (WxHxD)
(15x53*x86) mm / (0.59x2.09x3.39) in
* from upper edge of DIN 35 rail

Voltage [V]

DC-Load limiting value graph


300

2 poles resistive load

200

2 contacts in series

100
50
40
30

1 contact

20
10

0,1 0,2

0,5

10

20

Current [A]

Note: Inductive loads have to be attenuated by


an appropriate protective circuit in order to
protect relay coils and contacts !

WAGO Kontakttechnik GmbH & Co. KG


Subject to design changes
15.06.2007 / dj31200e.doc

Postfach 2880 D-32385 Minden


Hansastr. 27 D-32423 Minden

Tel.:
Fax.:

05 71 / 8 87-0
E-Mail:
05 71 / 8 87-169 Web:

info@wago.com
http://www.wago.com

Relay Socket with Small Switching Relay

2/2

Socket with relay (2 changeover contacts) and status indication

Commoning possibilities on the contact side:


-relay internal contacts 11/21
-relay spanning contacts 11/11

Data sheet

Wire connection
Stripped length
Standards / prescriptions
Approvals

Accessories:
Comb type jumper bar
18 A, 2-way
18 A, 2-way
Operat. indication DC 12-24 V
Relay RT2, 2 CO
WMB Multi marking system

CAGE CLAMP S
0,34-2,5 mm / AWG 22-12
9-10 mm / 0.37 in
DIN VDE 0140 Part1, DIN EN 61140
DIN VDE 0160, EN 50178
Class of protection II
CULUS
UL508 / CSA22.2
E175199
Only use replacement relay 788-156 for
UL applications (see accessories)
788-113
859-402
788-120
788-156
(General catalogue W3 Vol.1 Chapt.8)

Commoning possibilities on the coil side:


-contacts A2/A2

WAGO Kontakttechnik GmbH & Co. KG


Subject to design changes
15.06.2007 / dj31200e.doc

Postfach 2880 D-32385 Minden


Hansastr. 27 D-32423 Minden

Tel.:
Fax.:

05 71 / 8 87-0
E-Mail:
05 71 / 8 87-169 Web:

info@wago.com
http://www.wago.com

BE.EL.0528
Potentiometer

Potentiometer

Description

Technical data

The potentiometer can be used with a voltage supply of 10VDC or 24VDC.


By using a series resistance the voltage at the potentiometer can be divided in that
way so that if you use 24VDC as input it is possible to reach an adjustable range of
the set point from approx. 011 V.
Electrical connection with clamps, using screws.
The installation of the potentiometer is on a top hat rail.

Parameter

Value

Resistance

10 k

Tolerance

20 %

Power of the potentiometer

1W

Power of the resistance

0,25 W

Temperature range

0...+60C

Installation

Top hat rail, EN 50022

Abmessungen H x B x T

75 x 45 x 65 mm

Subject to change

Festo Didactic GmbH & Co. KG, 11/2004

Subject to change

1/2

BE.EL.0528
Potentiometerbaustein

Dimensions

Basic circuit diagram

Electrical pin assignment


24V

10V

SW

0V

Terminal strip, top view

2/2

Subject to change

Festo Didactic GmbH & Co. KG, 11/2004

BE.EL.0545
Messwandler Strom/Spannung

Messwandler Strom/Spannung

Funktion

Technische Daten
Messwandler

Der Messwandler wandelt den Messwert des Ultraschallsensors in eine Spannung


im Bereich von 0 bis 10V. Er wird mit einer Gleichspannung von 24 V betrieben.
Er ist steckbar auf dem Basisklemmenblock montiert und kann durch Ziehen einfach
aus diesem entfernt werden.

Parameter

Wert

Eingangssignal

4...20mA

Eingangsstrom

22 mA

Eingangswiderstand

400 O

Spannungsfall Eingang max.

8V

Ausgangssignal

0...10V

Brde

2kO

Drahtbrucherkennung

LED grn = aus

bertragungsfehler (bezogen auf Endwert)

0,15%/0,1%

Temperaturkoeffizient (bezogen auf Endwert)

0,02%/K

Grenzfrequenz (Sinus)

1 kHz

Isolationsspannung Eingang/Ausgang

4kV, 50Hz, 1min

Versorgungsspannung RW 6%

DC 20V...30V

Zul. Umgebungstemperatur

0C...+55C

Farbe

grau

nderungen vorbehalten

Quelle: WAGO Kontakttechnik GmbH

Festo Didactic GmbH & Co. KG, 02/2004

nderungen vorbehalten

1/3

BE.EL.0545
Messwandler Strom/Spannung

Hinweis zum
Basisklemmenblock

Der Basisklemmenblock ist mit seitlicher Beschriftung ausgefhrt. Er besitzt 2Leiter-Klemmen. Frontverdrahtung; Anschlsse: CAGE CLAMP-Anschluss.

Messwandler f/U mit Basisklemmenblock


1)
2)
3)

2/3

Messwandler I/U (steckbar)


Basisklemmenblock
Beschriftungsfeld

nderungen vorbehalten

Festo Didactic GmbH & Co. KG, 02/2004

BE.EL.0545
Messwandler Strom/Spannung

Technische Daten
Basisklemmenblock

Parameter

Wert

Querschnitt von [mm]

0,08 mm

Querschnitt bis [mm]

2,5 mm

Querschnitt von [AWG]

28 AWG

Querschnitt bis [AWG]

14 AWG

Bemessungsspannung EN

400 V

Bemessungsstospannung

6 kV

Verschmutzungsgrad

Nennstrom

10 A

Gewicht

21,028 g

Farbe

grau

Verdrahtungsart

Frontverdrahtung

Gesamte Anzahl der Klemmstellen

Gesamte Anzahl der Potenziale

Hhe [mm]

28 mm

Hhe [inch]

1,1 in

Breite [mm]

22 mm

Breite [inch]

0,866 in

Tiefe [mm]

50 mm

Tiefe [inch]

1,97 in

Abisolierlnge von [mm]

8 mm

Abisolierlnge bis [mm]

9 mm

Abisolierlnge [inch]

0,33 in

nderungen vorbehalten

Quelle: WAGO Kontakttechnik GmbH

Festo Didactic GmbH & Co. KG, 02/2004

nderungen vorbehalten

3/3

BE.EL.0599
Pressure sensor

Pressure sensor
Function

The pressure measurement transducer uses ceramic measurement cell as sensor.


The electronics transduces the measured signal into output signals of 420mA
(optional 0..10 V).
Because of its robust design, this sensor is used in rough industry environment as
well.

Design

To protect the electronics against vibrations and humidity it is compound-filled.


The sensor can be connected with 3 wire technology. The pressure compensation is
realized by a hole at the top of the sensor

Note

Do not use force at mounting the sensor.


Use a screwdriver to fix the pressure transducer (Max. torque 50Nm).
You reach the complete impermeability if the pressure transducer is hand-screwed.
Go easy with the equipment, it is very damageable.
Watch the polarity of connected voltage supply.

Pin assignement

Parameter

Value

3-wire-technology ( 0..10 V)
1
2
3
Earthing

feed-in +
feed-in signal +
Ground

Subject to change

Festo Didactic GmbH & Co. KG, 03/2006

Subject to change

1/3

BE.EL.0599
Pressure sensor

Technical drawing

2/3

Subject to change

Festo Didactic GmbH & Co. KG, 03/2006

BE.EL.0599
Pressure sensor

Technical data

Parameter

Value

Measurement range

0 ... 50 mbar

Output signal
Feed-in

0 ... 10 V/3-wire
1436 VDC

Accuracy

0,5 % FSO IEC 60770

Response time

5 ms

Current consumption
Signal output current:
Signal output voltage:

max. 25 mA
max. 7 mA

Electrical connection

Male and female plug DIN 43650

Protection class

IP 65

Short-circuit resistance

Permanent

Inverse-polarity protection

Permutation causes no damage, but sensor is


out of order

Mechanical connection

G 1/2 DIN 3852

Materials
Pressure connection/box
Seals (medium-contacted)
Dividing membrane

Stainless steel 1.4571


O-rings FKM
Ceramics Al2O3

Temperature range
Medium
Storage
Electronics

-25 C..+125 C
-40 C..+125 C
-25 C..+85 C

Temperature error
zero point and range
compensated range

0,3 % FSO/10 K
-25...85 C

Weight

ca. 200 g

Fitting position

any

Product life

100x106 Lastzyklen

Mechanical stability
Vibration
Shock

10 g RMS (20...2000 Hz )
100 g/11 ms

Subject to change

Festo Didactic GmbH & Co. KG, 03/2006

Subject to change

3/3

BE.PC.0002
Pipe, transparent

Pipe, transparent

Function

Technical data

The transparent pipe is used for flow inspection of the liquid medium.

Parameter

Value

Material

PMMA

Softening temperature

100 C

Flash point

250 C (ASTM D1929-68)

Ignition temperature

400 C (ASTM D1929-68)

Density

1,18 g/cm3 bei 20 C

Thermal disruption

250 C

Subject to change

Festo Didactic GmbH & Co. KG, 03/2009

Subject to change

1/1

BE.SI.0193
Ultrasonic sensor

Ultrasonic sensor
Function

The operational principle of an ultrasonic sensor is based on the generation of


acoustic waves and their detection following reflection by an object. Normally,
atmospheric air acts as a carrier of the ultrasonic waves.
A sound generator is actuated for a short period of time and emits an ultrasonic
pulse which is inaudible to the human ear. Following emission, the ultrasonic pulse
is reflected by an object located within range and echoed back to the receiver. The
duration of the ultrasonic pulse is evaluated electronically. Within a certain range,
the output signal is proportional to the signal duration of the ultrasonic pulse.
The object to be detected can be made of different materials. The shape or colour,
solid, fluid or powdery condition do not have any or a very minimal effect on
detection.
In the case of objects of smooth, even surface, the surface must be aligned vertically
to the ultrasonic beam.
With this kind of sensor you are able to do two kinds of measurements:
First you can measure the distance between the sensor and an object. The
manufacturer setup of the sensor is ideal for this kind of measurement. Rising
output signal at rising distance to the object.
But for measuring the filling level of a container a different setup is necessary
because with a rising filling level the distance of the measured object (water surface)
to the sensor is getting smaller.
Therefore the signal output was changed from rising to falling characteristics. Also
the measurement range was changed so that we can get maximum output signal at
maximum and the minimum output signal at minimum filling level.
See the explanations at pages 3 and 4 for detailed information.

Festo Didactic GmbH & Co. KG, 03/2006

Subject to change

1/4

BE.SI.0193
Ultrasonic sensor

Technical data

Parameter

Value

Protection class

IP 67

Weight

max. 67 g

Ambient temperature

-25 to 70 C

Switching point error

2,5 % (-25 to 70 C)

Rated operation voltage UE

24 VDC

Operation voltage range UB

20...30 VDC (at 12...20 VDC reduced


sensitivity up to 20 %)

Permissible residual ripple

10 %

Idle current consuption I0

50 mA

Switch output (NC/NO) / Frequency output (FA)


Rated operating current Ie
Voltage drop Ud

150 mA
3 V at 150 mA

Analog output (UA/IA)


Current range
Shunt

4...20 mA
0...300

Sensor activ

Operating voltage or high impedance


input current IE max. 16 mA

Sensor not activ

0...3 V
Input current IE max 11 mA

Subject to change

Mounting & dimensions

figure of the sensor, all dimensions in mm

2/4

Subject to change

Festo Didactic GmbH & Co. KG, 03/2006

BE.SI.0193
Ultrasonic sensor

Free space diagram

Free space
Free space at distance x around the sonic lobe axis has to be free of disturbing
objects. Angular misallignment of 3 is for smooth surfaces.

There are two different setups of the sensors (manufacturer and Adiro). See the
diagrams below for detailed information!
From April, 1st. 2004 all ultrasonic sensors, mounted in our products, will have the
Adiro setup. Sensors with Adiro setup can be identified by a special label.
Switching range
(manufacturer setup)

Festo Didactic GmbH & Co. KG, 03/2006

Subject to change

3/4

BE.SI.0193
Ultrasonic sensor

Switching range
(Adiro setup)

Adiro setup details

Parameter
Measurement range

Value
From: 50 mm
To:

Max. measurement range

From: 46 mm
To:

Output (current)

345 mm

346 mm

420 mA

Subject to change

A
E

Beginning of switching range (programmable)


End of switching range

Connection

Pin assignment
1
3
4

24 V (brown)
0V
(blue)
analog output (black)

The connections are polarity-safe, short circuit proof and overload-proof.


At occurrence of disturbances screened cables are recommended.

4/4

Subject to change

Festo Didactic GmbH & Co. KG, 03/2006

BG.EL.0162
Float switch, heater protective switch

Float switch
Function

See data sheet of 691282.


The assembly is made of the float switch 691282 which is using a pluggable
connector. Therefore the float switch can be used as a protection for the heater
(170713).
The float switch (S117/LA-101.4) has to be mounted into the tank in normally-open
position. The float switch shall switch on at the secured water-level. At the secured
water level the heating (170713) is totally submerged into water.
Therefore the heater can be switched on only, if the heating rod is completely
surrounded by water. See also safety instructions of the heating.

Technical Data

See data sheet of 691282.

Dimension

See data sheet of 691282.

Mounting

Please note: The heater protective switch must be mounted as normally open
contact (NO). See also data sheet of 691282.

Example PI diagram temperature workstation

Festo Didactic GmbH & Co. KG, 03/2009

Subject to change

1/3

BG.EL.0162
Float switch, heater protective switch

Wiring diagram

Cable layout

To heater

To XMA1

Pin 1 (brown)

Pin 1 (free)

Pin 3 (blue)

Pin 3
Pin 4
red

black

Pin 4 (black)

Float switch

2/3

Subject to change

Festo Didactic GmbH & Co. KG, 03/2009

BG.EL.0162
Float switch, heater protective switch

Assembly instructions
for upgrade
old tanks PN 170707

1.
2.
3.
4.
5.
6.
7.
8.

Festo Didactic GmbH & Co. KG, 03/2009

Switch off supply voltage of station and empty tank.


Remove straight connection from pump (P101) to tank (B101) and also the
plug below the temperature sensor (B104).
Remove 90 angle joint and short tube section (85 mm)
Connect 90 angle with long tube section (195 mm) and plug in to the lower
tank connector.
Connect float switch (normally open contact) within tank (B101) above
temperature sensor. Screw box nut from the outside.
Remove port at heater (E104) and connect this port to plug at switch cable.
Attach switch cables connector to heater.
Test for leaks

Subject to change

3/3

Refrigeration engineering for laboratory


and analytical applications

Operating manual
Circulating cooler
DLK 402
Version 080312

Operating manual

Circulating cooler DLK 402


Scope of application
As a substitute for cooling systems that are cooled with mains water; to dissipate process heat; to
thermostat equipment such as centrifuges, microscopes, spectrometers, distillation apparatus,
rotary evaporators, electrophoresis apparatus, reaction vessels.
All circulating coolers can be used as closed or open systems.
Installation
The unit must be installed so that optimum air circulation is guaranteed, i.e. there must be a gap of
at least 20 cm on all sides. Installation sites which are exposed to excessive thermal loads (max.
+28C) or direct sunlight must be avoided because this could cause the cooler to malfunction.
Technical design
The refrigeration module in the cooler consists of a hermetically sealed refrigerant circuit that is
air-cooled with an axial fan. The heat exchanger is made of non-ferrous metal and has one 3/4"
filling port as well as two 1/4" threaded female connections. A variety of hose connector fittings is
available for the 1/4" coolant inlet/outlet connections.
The unit is also fitted with a circulating pump that is not self-priming; however, after the heat
exchanger has been filled and closed, the cooler can also be operated with open systems as long as
the open bath is at a higher level than the cooler. In this case, the system can be vented via the vent
screw on the filling port and it must be filled from an external bath.
Start-up
If the cooler is being used in a closed system, connect the hoses, i.e. from your system to the inlet
(left-hand connector) and then from the outlet (right-hand connector) back to your system.
Make sure there is sufficient coolant at hand and that it is suitable for the temperature range (risk
of freezing).
Temperature range -10C / +40C!
Caution! Do not use silicone fluid or distilled / demineralised water because this may cause the
unit to malfunction. (Silicone hoses and copper piping are used in the unit).
Connect the unit to the power supply using the cable (IEC C14 socket with two micro fuses at the
top of the rear side). Make sure that the supply voltage is correct (230 V / 50 Hz) - otherwise the
unit may malfunction. With voltage supplied to the unit, there is a blue dot in the display when the
unit is switched off.
The system can now be filled with the coolant through the 3/4" filling port. Fill the unit's coolant
tank up to the "max" mark.
Now switch the unit on using the ON/OFF standby button on the membrane keypad of the control
panel.
The current coolant temperature is shown on the display, and the refrigeration module starts
cooling (provided that the displayed temperature is higher than the SET temperature).
Now manually switch on the circulating pump by pressing the PUMP button on the control panel.
The external cooling system is vented as the coolant circulates. Finally, check the filling level and
top up with coolant to the "max" mark, if necessary.
Caution! Do not connect the cooling system to the water mains to fill it because the maximum
pressure in the cooler's heat exchanger is 0.5 bar!

Level indicator
The level of coolant is shown by the level indicator behind the blue window.
"min" = minimum level of coolant to ensure the unit functions correctly, although with a reduced
cooling capacity.
"max" = maximum filling level. This guarantees 100 % cooling capacity.
Filling level alarm "Flo"
A float switch is installed in the coolant tank (underneath the "min" mark). This signals an alarm if
the level of coolant is too low. In this case, "Flo" flashes in the display and an alarm buzzes. The
alarm buzzer can be silenced by pressing the DOWN arrow button on the control panel.
If the coolant level is too low, the float switch turns off the refrigeration module and the
circulating pump to protect them against technical defects. The cooling and circulating sections
only operate if there is sufficient coolant.
If the unit is started without coolant, the coolant alarm is activated immediately after the ON/OFF
button has been pressed. Coolant must then be filled into the unit. When the corresponding level is
reached, the float switch turns on the cooling system and re-enables the pump. However, the
circulating pump has to be switched on manually by pressing the PUMP button.
Control system
The system is consisting of a electronic on/off controller with digital display, setpoint adjustment
(SET button) and an internal PT-100 temperature sensor. Control accuracy +/-1 K. The controller
displays the actual value after the unit has been switched on. To adjust the setpoint, press the SET
button and then change the displayed value using the arrow buttons. After completing the setting
procedure, check the setpoint value by briefly pressing the SET button. The setpoint can be
adjusted within the operating range.
The blue LEDs on the right-hand side of the display have the following meanings:
"1" = cooling on
"pump" = circulating pump on
"alarm" = filling level or temperature alarm.
Temperature alarm
An operating range of -10 / +40C has been programmed into the temperature controller. If the
temperature goes beyond these limits to -12 or +42C, the temperature controller signals a
temperature limit alarm. The temperature shown in the display flashes, an alarm buzzer sounds
and the "alarm" LED lights up.
The temperature alarm is automatically canceled once the displayed temperature returns to the
permitted operating range.
Draining out the coolant
Switch off the circulation pump with the PUMP button ("pump" LED goes out). Disconnect the
return hose (attached to the inlet of the cooler) and place the end into a appropriately sized
container. Switch on the circulation pump with the PUMP button. The coolant will now be
pumped out of the cooler into the external container. This continues until the float switch
automatically switches off and the "Flo" alarm appears. Press the ON/OFF button to switch off the
controller.
The remaining coolant can then stay in the tank after closing the filling port or it can be completely
drained out through the 3/4" port.

Decommissioning
If the cooler is to be switched off for a short time, it can remain in the standby mode (small blue
dot in the display). However, if the cooler is not going to be used for a long period or is to be
transported, it must be disconnected from the power supply (pull out the mains plug) and the
coolant must be completely drained out.
Maintenance
The fully hermetic refrigerant circuit is suitable for continuous operation and does not require any
maintenance.
The black cooling air condenser inside the unit, behind the protective screen, should be checked
and cleaned at regular intervals (depending on the amount of soiling at the point of installation).
To do this, first disconnect the mains plug. Then remove the four screws fastening the screen to
the back wall of the unit and pull the screen out backwards. The black fin condenser is now
accessible and can be cleaned with a brush or compressed air.
Caution! If the condenser is not cleaned regularly it may overheat and cause the unit to
malfunction.

Refrigerant circuit

Circuit diagram
R1

L
K2

K1

Ks

1 2 3 4 5

230V

W1

67 8

E1 PT100
9 10 11 12

M1
Ft

V1

Y1

M2

SW

F1

V1

M1
W2
N

M2

PE L

Refrigerant

R 134 a

Capacity:

120 grams

PE PE

Terminal
strip:
Voltage: 230 V / 50 Hz

Amperage: 1.5 A

Parts list

Qty.

M1

Compressor

TL 4 GX

W1

Condenser

FCE 12.1.180

V1

Ventilator

EM 3020-4001

Ft

Filter dryer

10-6-2

Y1

Capillary tube

W2

Evaporator

M2

Refrigerant pump

1048-21

SW

Float switch

LS03 hinged

Ks

IEC C14 socket with fuses and line filter

KFA / 6.3 AT

F1

Temperature sensor

PT 100-J 0.6m

R1

Thermostat

ST71-KD1AAR.03FS

Code

Designation

308

Parts list (elect. + refrig.)

DLK 402

ST71-KD1AAR.03FS
Thermostatic controller
Order number 900210.034

Connection diagram

Product description
The microprocessor-based controller ST71-KD1AAR.03FS is used for thermostatic temperature control and is fitted
with the corresponding connection for a Pt100 resistive sensor. The unit requires a 230V AC voltage supply and it has
two output relays to control a compressor, a fan and a water pump. The float switch is connected to the digital input.
The controller can be connected to a network via an ST bus interface.
Sensor: Pt100-2L
Measuring range: -50...130C
Front panel dimensions: 72mm x 36mm
Mounting dimensions: 67.5mm x 31.5mm
Protection rating: IP65 (front)
Connections: screw terminals

SOFTWARE .03
Setting options
UP button
Increases the setpoint value
In the menu: selects the next parameter level (P-- or A--) or the next parameter name (P 1, P 2, ...)
In the menu: increases the parameter value

DOWN button
Decreases the setpoint value
In the menu: selects the previous parameter level (A-- or P--) or the previous parameter name (P 2, P
1, ...)
In the menu: decreases the parameter value
Acknowledges alarms

set

pump

on/off

SET button
Displays the current setpoint value
In the menu: confirms the selected parameter level or parameter name
Can be used in conjunction with the the UP and DOWN buttons to change parameter values or
setpoint values.

Function button 2 default setting: water pump ON/OFF


Switches the water pump ON/OFF during normal operation
Switches the controller ON/OFF (standby)
Setting setpoint P1
Coupled to an output relay

Function button 1 default setting: standby


Switches the water pump ON/OFF during normal operation
Switches the controller ON/OFF
Toggles between setpoints
Coupled to an output relay

Display
3-digit 7-segment display for measured values and parameters
3 parameter display LEDs
compressor (blue)
pump (blue)
alarm (red) illuminated if there is a pending error message
(temperature limit, F1H, F1L, FLO see under Status messages)

Status messages
Message

Cause

Action

OFF, ' .'

Standby mode, no temperature control

Switch on with button or control input

Temperature indicator
flashes, buzzer sounds
1 sec on : 1 sec off

Cooling chamber temperature outside the


alarm limits defined by parameters P30,
P31

-----

F 1H or F1L
display flashes, buzzer
sounds
1 sec on : 1 sec off

Check the sensor


Sensor error F1
(H: break or L: short-circuit on sensor F1)

FLo
Buzzer sounds
1 sec on : 1 sec off

Tank is empty

EP

Data lost in parameter memory


If the error cannot be remedied by switching
(control contacts 1 and 2 are zero-current) the unit OFF and back ON, the controller
needs to be repaired

Switch off unit using the


ON/OFF standby button or top up the tank

After the error has been remedied, the previously-set display mode is activated again.
The alarm buzzer can be switched off by pressing the UP or DOWN button. The buzzer switches on again if there is a
new or additional alarm.

You might also like