KEMBAR78
Computer Data Lines Circuit | PDF
100% found this document useful (1 vote)
1K views1 page

Computer Data Lines Circuit

The document is a wiring diagram for a 2005 Kia Sorento EX that shows the computer data lines circuit. It includes a diagram with labels for various computer data lines and components in the vehicle.

Uploaded by

PedroPalotes
Copyright
© © All Rights Reserved
We take content rights seriously. If you suspect this is your content, claim it here.
Available Formats
Download as PDF, TXT or read online on Scribd
100% found this document useful (1 vote)
1K views1 page

Computer Data Lines Circuit

The document is a wiring diagram for a 2005 Kia Sorento EX that shows the computer data lines circuit. It includes a diagram with labels for various computer data lines and components in the vehicle.

Uploaded by

PedroPalotes
Copyright
© © All Rights Reserved
We take content rights seriously. If you suspect this is your content, claim it here.
Available Formats
Download as PDF, TXT or read online on Scribd
You are on page 1/ 1

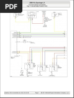
2005 Kia Sorento EX

SYSTEM WIRING DIAGRAMS


Fig. 8: Computer Data Lines Circuit

jueves, 11 de agosto de 2016 12:23:58


12:23:54 p.m. Page 1 2011 Mitchell Repair Information Company, LLC.

You might also like