KEMBAR78
Sheet Metal Unfolding Techniques | PDF | Teaching Mathematics | Nature
0% found this document useful (0 votes)
170 views11 pages

Sheet Metal Unfolding Techniques

This document presents methods for computing the flat patterns of sheet metal parts made through bending. It describes the unbending method, which uses formulas to compute the unfolded length of bends based on parameters like thickness, radii, and angle. It provides the formulas for different computation types (neutral fiber, internal dimension, etc.) and discusses using correction values from material tables. Samples are given to demonstrate applying these methods to compute the unfolded length of a part.

Uploaded by

Nina Gregorio
Copyright
© © All Rights Reserved
We take content rights seriously. If you suspect this is your content, claim it here.
Available Formats
Download as PDF, TXT or read online on Scribd
0% found this document useful (0 votes)
170 views11 pages

Sheet Metal Unfolding Techniques

This document presents methods for computing the flat patterns of sheet metal parts made through bending. It describes the unbending method, which uses formulas to compute the unfolded length of bends based on parameters like thickness, radii, and angle. It provides the formulas for different computation types (neutral fiber, internal dimension, etc.) and discusses using correction values from material tables. Samples are given to demonstrate applying these methods to compute the unfolded length of a part.

Uploaded by

Nina Gregorio
Copyright
© © All Rights Reserved
We take content rights seriously. If you suspect this is your content, claim it here.
Available Formats
Download as PDF, TXT or read online on Scribd
You are on page 1/ 11

TS7 Unfolding Computation Methods

Manufacturing of sheet metal parts requires the computation of their flat patterns.
For parts made by bending, breaking or rolling, this document presents how TopSolid 7 computes the
dimensions of flat patterns.

1. Unbending method.
An unbending method provides a method to compute the unfolded length of a bend.
A bend is a cylindrical face with thickness than can be described by:
- Thickness: Th
- Internal Radius: IR
- Aperture Angle: AA
- External Radius: ER
- Bending Angle: BA

Flat bend is described by its unfolded length.


An unbending method is described by:
- A computation type: T
- A k factor: K
- A correction value: C

Computation type indicates how the base length of the unfolded bend is computed.
Available computation types are:
- Neutral Fiber: NF
- Internal Dimension: ID
- External Dimension: ED
- Tangent Internal Dimension: TID
- Tangent External Dimension: TED

K factor gives the ratio of thickness that is added to the internal radius to compute the compensated base
length. Its value must stand between 0 and 1.

C gives a correction value that is added to the base unfolded length. Its value can be positive or negative.

2. Unfolded length.
For each computation type, unfolded length is computed with the general following formulas:
Neutral Fiber:
UL = (IR + K . Th) . AA + C
Base unfolded length for bending angle >, = and < to 90, for neutral fiber, with k = 0.35 and C = 0.

Most of the time, neutral fiber method is used with no correction (C = 0).
It is also the base of some other computation method where k is a function of thickness and internal radius
as for method DIN6935 where K = (0.65 + 0.5 . log(IR / Th) ) / 2.

Internal Dimension:
UL = 2 . (IR + K . Th) . Tan(AA / 2) + C
With K = 0, it gives
UL = 2 . IR . Tan(AA / 2) + C

Base unfolded length for bending angle >, = and < to 90, for internal dimension, with k = 0 and C = 0.

External Dimension:
UL = 2 . ((IR + Th) - K . Th) . Tan(AA / 2) + C
With K = 0, it gives
UL = 2 . (IR + Th). Tan(AA / 2) + C
Base unfolded length for bending angle >, = and < to 90, for external dimension, with k = 0 and C = 0.

Tangent Internal Dimension:


UL = 2 . ((IR + K . Th) . Tan(Max(AA, Pi / 2) / 2) + C
With K = 0, it gives
UL = 2 . (IR . Tan(Max(AA, Pi / 2) / 2) + C

Base
unfolded length for bending angle >, = and < to 90, for tangent internal dimension, with k = 0 and C = 0.

Tangent External Dimension:


UL = 2 . ((IR + Th) - K . Th) . Tan(Max(AA, Pi / 2) / 2) + C
With K = 0, it gives
UL = 2 . (IR + Th) . Tan(Max(AA, Pi / 2) / 2) + C

Base
unfolded length for bending angle >, = and < to 90, for tangent external dimension, with k = 0.35 and C = 0.
Most of the time, internal dimension, external dimension, tangent internal dimension and tangent external
dimension methods are used with K = 0.
Usually, correction values are given by tables storing the correction values for different materials,
thicknesses, internal radius (given by the V of the bending tool) and bending angles.
Using these methods leads to ignore the bending radii defined on the part, using the dimensions and
corrections coming from measurements and tryouts.

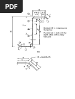
3. Samples.
3.1. Part.
3.2. Neutral fiber with k = 0.33 and C = 0.

UL = 51.34 + 13.24 + 102.34 + 9.56 + 207.27 + 4.58 + 146.27


= 534.6
3.3. Internal dimension with K = 0 and C = 0.

UL = 51.34 + 8.66 + 8.66 + 102.34 + 5 + 5 + 207.27 + 2.07 + 2.07 + 146.27


= 538.7

3.4. Tangent external dimension with k = 0 and different corrections.


C1 = -4.6mm (BA = 60)
C2 = -7.9mm (BA = 90)
C3 = -2.4mm (BA = 135)

UL = 51.34 + 9 - (2.3 + 2.3) + 9 + 102.34 + 9 - (3.95 + 3.95) + 207.27 + 3.73 (1.2 + 1.2) + 3.73 + 146.27
= 51.34 + 9 4.6 + 9 + 102.34 + 9 7.9 + 207.27 + 3.73 2.4 + 3.73 + 146.27
= 535.78
C1 C2 C3

4. Equivalent K factor.
For any unfolded length, and a given internal radius and thickness, it is possible to recompute an equivalent
K factor that with produce the same unfolding length (assuming that correction is null).
Keq = (UL / AA IR) / Th

5. Unbending method in TopSolid 7.


5.1. Definition.
In TopSolid 7, unbending methods can be defined once you create a part (and that is what we recommend).
It is done using the Unfolding Rules command.
With this command, you can define a global unbending method with computation type, k factor and
correction, or selected an unfolding rules document that will describe a more complex behavior.

TopSolid provides the most common unfolding rules used, standing in the TopSolid Mechanical library:
Especially, Steel Tables unfolding rules document is using bending tools and bending tables for steel.
It also defines a default unbending method for hem bends:

A limit bending radius is defined in the Processes index. Upon the defined value, bend are rolled and
their unbending length is computed with neutral fiber method with k = 0.5.

You can define your own unbending tables using Unfolding Rules documents.

5.2. Unbending dimensions computation.


When and unbending method is used, bending tool are searched using their associated bending radius.
If you part contains one or several bends with some radius values that are not registered in your table, and
if no other default unbending method is defined, unfolding may fail.
Unbending Methods Check command may help you to solve these conflicts.
Unbending Process command allows you to define local unbending method on given bends.
It is also possible to impose a bending tool for the whole par using Part Inclusion command in the Bend
Tool section:

You might also like