KEMBAR78
Differential Distillation Guide | PDF | Distillation | Applied And Interdisciplinary Physics
100% found this document useful (1 vote)
2K views5 pages

Differential Distillation Guide

This document describes an experiment to verify Rayleigh's equation for differential distillation in a binary system. The experiment involves collecting distillate samples from the distillation of a known mixture and measuring properties like composition and amount. Data is then used to calculate values and verify the equation by plotting terms and measuring the area under the curve.

Uploaded by

instrutech
Copyright
© © All Rights Reserved
We take content rights seriously. If you suspect this is your content, claim it here.
Available Formats
Download as DOC, PDF, TXT or read online on Scribd
100% found this document useful (1 vote)
2K views5 pages

Differential Distillation Guide

This document describes an experiment to verify Rayleigh's equation for differential distillation in a binary system. The experiment involves collecting distillate samples from the distillation of a known mixture and measuring properties like composition and amount. Data is then used to calculate values and verify the equation by plotting terms and measuring the area under the curve.

Uploaded by

instrutech
Copyright
© © All Rights Reserved
We take content rights seriously. If you suspect this is your content, claim it here.
Available Formats
Download as DOC, PDF, TXT or read online on Scribd
You are on page 1/ 5

Simple Distillation

instrutech
INSTRUCTION MANUAL
Diferential Distillation
Aim
To verify the Rayleigh’s equation for a diferential distillation in a binary system
Theory
In the case of a diferential distillation, the vapor at any time is in equilibrium with the liquid from which
it rises but changes continuously in the composition. Thus, the mathematical approach used must be
diferential.
Assume that L mol of liquid in the still of composition x mol fraction A and that an amount dD mol
of distillate is vaporized, of mol fraction y_ in equilibrium with the liquid.
Material Balance
The rate of depletion of liquid is equal to the rate of distillate output. The instantaneous rate of
depletion of a component in the liquid is therefore, In - out = accumulation.

Taking balance on more volatile component,

Therefore rearrangement gives,

This equation can be integrated to get the following form which is called the Rayleigh’s Equation,

where, F = moles of feed of composition xF, W = moles of residual liquid of composition xW, W and xw
can be obtained by material balance,

The integral in eqn. 5 can be solved analytically (provided the relationship between y and x is available)
or
graphically (calculating the area under the curve for the plot of
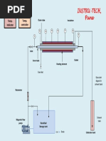
Apparatus
Figure: Schematic of the setup

Procedure
1. Prepare a calibration plot of mole fraction (x) vs. refractive index (h) of pure components A and B.
2. Weigh 8 nos. of tagged stoppered conical flasks.
3. Start the flow of water through the condenser.
4. Fill 3/4th (approx. 1200 ml) volume of the distillation flask with a mixture of A and B of known
Composition (xF). The mixture is weighed (w) before charging in the distillation flask.
5. Start heating at a slow rate. When the mixture starts boiling, collect the distillate in a weighed 50 ml
Flask. After approximately 30 ml of the distillate has been collected, remove the flask and collect next
8 to 10 drops of the distillate in tagged test-tube and then put another flask for the collection of the
Distillate. This procedure should be repeated for collecting 8 distillate samples.
6. Measure the refractive indices (RI) of the samples collected in the test-tubes (_ 1t, _2t,...,_12t). Weigh
The samples collected in the conical flasks (w 1, w2... w12). Measure the RI of the bulk from each of
the flasks (eta1b, eta2b, ..., _12b).

Observations and Calculations:

Data from the literature –

1. Molecular weights of A and B.


2. Refractive indices of A and B.
3. Densities of A and B.
4. Vapor liquid equilibrium data for A and B at atmospheric pressure.
Calibration data for mole fraction vs. RI

S.N. Mole fraction of Refractive index


A
1 0
2 0.1
3 0.2
4 0.3
5 0.4
6 0.5
7 0.6
8 0.7
9 0.8
10 0.9
11 1.0

Calculations
1. Calculate D (amount of distillate) (from weighed 30 ml sample) and xD (distillate composition) (from
refractive index of 30 ml sample) for each sample.
2. Calculate W (amount of residue still left in the flask) and XW (composition of residue) using Eqn. 7
and 8 for each fraction.
3. Calculate y_ (vapor phase composition) for each sample (from Refractive index of 8 drops collected.)
4. Calculate x (liquid phase composition in equilibrium with y _) using Raoult’s law.
5. Complete the following Table.

S.N. F X D XD W X y x ln(F/W)i 1/(y_ − x)


f W
1
2
3
4
5
6
7
8

6. Calculate

7. Plot and measure the area under the curve.


8. Now verify Eqn. 6.

9. Calculate

% Error =

Systems:
Water-ethanol, water-methanol.

You might also like