KEMBAR78
NAND Flash Data Recovery Cookbook References | PDF | Computer Hardware | Data Management
0% found this document useful (0 votes)
403 views2 pages

NAND Flash Data Recovery Cookbook References

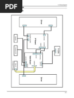
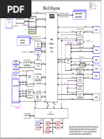
This document provides an overview of flash data recovery techniques for recovering data from flash memory devices, including SSDs and USB flash drives. It discusses the main types of flash memory cells used in storage devices and how each type is read and written. It also describes common failure modes in flash memory and reverse engineering techniques that can be used to recover data from damaged or inaccessible flash memory chips.

Uploaded by

dreamyson1983
Copyright
© © All Rights Reserved
We take content rights seriously. If you suspect this is your content, claim it here.
Available Formats
Download as PDF, TXT or read online on Scribd
0% found this document useful (0 votes)
403 views2 pages

NAND Flash Data Recovery Cookbook References

This document provides an overview of flash data recovery techniques for recovering data from flash memory devices, including SSDs and USB flash drives. It discusses the main types of flash memory cells used in storage devices and how each type is read and written. It also describes common failure modes in flash memory and reverse engineering techniques that can be used to recover data from damaged or inaccessible flash memory chips.

Uploaded by

dreamyson1983
Copyright
© © All Rights Reserved
We take content rights seriously. If you suspect this is your content, claim it here.
Available Formats
Download as PDF, TXT or read online on Scribd
You are on page 1/ 2

1%   

1%&<


A
 >   A# ) #

7
  A*  

(7
A
# & 

 A ),# #

 
   A ),# # B, ) #

4
 $"A,#,#

+ ) B #B6/S60

1%(    
S7
 7* *HE#= 
 ## 8#
# #$ 
S ##
# 8#
,)-82543
S7
 7* *HE#= 
 ## 8#
# #$ 
S ##
# 8#
B,)-82543
",# # 2

$<OO999 #   O]O )#O 8 


O)8
O' # 
\6
O\6 O
55^)^6$)%3
-!2

$<OO%#O]O )#O!O$ O!^^6^()$)%3


/  H AE>'
6 2

$<OO 8  #  #
8#O)$
/ 9)
 O3
0  H A   

$ #
%&2

$<OO 8  #  #
8#O)$
"
O3
1  I A   

$ #
%(2

$<OO 8  #  #
8#O)$
-
$  O3
4<*>
4  2

$<OO$ 8 %8 %


#   O6O6O9#9#

)
) # O3
5S< #3
4 

5$2

$<OO 9##$ )#O9##O&#


^' 
^
#^(8$3
6S< #  !
2

$<OO 9##$ )#O9##O ^%# ^


V'*3
 $$
#6

 2

$<OO88
  O#$

#)% 
O
    * * $
2

$<OO  8#
 $   O
/O 8#

  O    # # %%8)$%#
O$O0-4-6V@ P)RT @3
"2

$<OO  
#  O$
O6O60O4O9  #% # 
3
-S $$
#6$ 2

$<OO88
  O)) 8 
#) O3
/4 = !+ 42

$<OO88
  O9$ 

O8$)O6/O6O@ $)%3
0S ),222 %E>
$ $  
  

 
   05
2

$<OO 
  O 9
8 )8 $%  #$% 
 ) 
3
1),222 %E>
 * 
* ? 2

$<OO 
  O/05
3
4S G$4$ 2

$<OO9998
8   O8 O"666)
  O#) 3
5S4 #  
 *5$ 2
8 #8 B8?B ##6B
$#66"3
6S477
* 2999

  3

  # 4
 2

$<OO999 )
    O% 


# O3

  #
  2

$<OO999 )
    O))

  O3
"5> 
  #
  !6  
  
2

$<OO9998
8   O9
NH,9>8R57;3

-SE>  <2

$<OO8
8 O1&*=/ 1 3
/  44 

$ &B:(B4
88
B62>? #
B'!B +#
' # 3
0SG$4$ . 2

$<OO9998
8   O9
NH 0*)P,3
1SB) 
 2

$<OO999$#  O8$$
O$$# 
#\6
O=
^#$
#^^% ^$)%3
4 *4  4
 2(
()B  8 3
5    > !6    2R# 88 B
7)#
9.# #
B6653
"6),222 %6 

 !((/&)2,2

$<OO 
  O$ "666
%  

##$ #$/6"
3
"' +2

$<OO999 8 ) )8O]O/560O # 


55$)%3
"S772

$<OO999   
 O9O^  ^)^% $)%3
""S4 7   2

$<OO999$#  O8$$
O$$# 
#
\6
O'$ ^%^7^. )^^ ^$)%3
"-S!7557 2

$<OO999    O %# ^)# ^)^% 


3

"/S $$
) !#4 
  2

$<OO88
  O;    
;

#O3

 
   16

You might also like