KEMBAR78
Process Block Flow Diagram | PDF
0% found this document useful (0 votes)
156 views2 pages

Process Block Flow Diagram

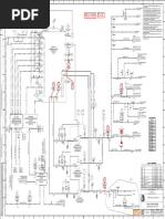
The document describes a process involving the transfer of HT fractions between various tanks and process units. Streams 01 and 02 transfer HT fractions from processing units HT1 and HT2 into storage tanks OB1096 and OB1097. Streams 03-07 then transfer fractions from the tanks to downstream process units PD1218 and PD0215. Streams 05, 08, 09 and 10 further transfer the fractions between additional processing units. Steam is also supplied to the storage tanks through streams 11 and 12.
Copyright
© © All Rights Reserved
We take content rights seriously. If you suspect this is your content, claim it here.
Available Formats
Download as DOCX, PDF, TXT or read online on Scribd
0% found this document useful (0 votes)
156 views2 pages

Process Block Flow Diagram

The document describes a process involving the transfer of HT fractions between various tanks and process units. Streams 01 and 02 transfer HT fractions from processing units HT1 and HT2 into storage tanks OB1096 and OB1097. Streams 03-07 then transfer fractions from the tanks to downstream process units PD1218 and PD0215. Streams 05, 08, 09 and 10 further transfer the fractions between additional processing units. Steam is also supplied to the storage tanks through streams 11 and 12.
Copyright
© © All Rights Reserved
We take content rights seriously. If you suspect this is your content, claim it here.
Available Formats
Download as DOCX, PDF, TXT or read online on Scribd
You are on page 1/ 2

HT Fraction To HF1 To HT1

From HT1 01
reprocess reprocess

HT Fraction 02
From HT2

12

LP steam Inlet 11 OB 1096 OB 1097

T22 T110

1000m3 1000m3
05 08

06 04 03
07

PD1218

PD0215
To PP5008 A/S
09 10 recirkulation

PP5048
Descriptions:

Stream numbers:

01: T22 or T110 supply from HT1 to tanks OB1096/OB1097

02: T22 or T110 supply from HT2 to tanks OB1096 / OB1097

03: T110 outflow from tank OB1097 to PD1218

04: T22 fraction out flow from tank OB1096 to PD1218

05: PD1218 discharge line to HF1 carrying HT fraction (T22 or T110)

06: T22 fraction out flow from tank OB1096 to PD0215

07: T110 fraction out flow from tank OB1097 to PD0215

08: PD0215 discharge line to HT1 carrying HT fraction (T22 or T110)

09: T22 or T110 fractions suction line to PP5048

10: PP5048 discharge line to PP5008 A/S outlet to re-circulation line

11: Steam supply to OB1096

12: steam supply to OB1097

You might also like