KEMBAR78
Ipisb-Nk PDF | PDF | Computer Hardware | Digital Electronics
75% found this document useful (4 votes)
2K views80 pages

Ipisb-Nk PDF

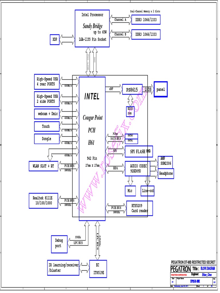
This document provides a block diagram of a computer motherboard. It shows the dual-channel memory slots connected to an Intel Sandy Bridge processor. The processor is connected via the DMI link to the Cougar Point PCH chipset which controls ports, buses, and connections to components like USB, SATA, audio, LAN, and PCIe. The diagram labels the various components and connections of the motherboard.

Uploaded by

Rat Noe
Copyright
© © All Rights Reserved
We take content rights seriously. If you suspect this is your content, claim it here.
Available Formats
Download as PDF, TXT or read online on Scribd
75% found this document useful (4 votes)
2K views80 pages

Ipisb-Nk PDF

This document provides a block diagram of a computer motherboard. It shows the dual-channel memory slots connected to an Intel Sandy Bridge processor. The processor is connected via the DMI link to the Cougar Point PCH chipset which controls ports, buses, and connections to components like USB, SATA, audio, LAN, and PCIe. The diagram labels the various components and connections of the motherboard.

Uploaded by

Rat Noe
Copyright
© © All Rights Reserved
We take content rights seriously. If you suspect this is your content, claim it here.
Available Formats
Download as PDF, TXT or read online on Scribd
You are on page 1/ 80

5 4 3 2 1

Dual-Channel Memory x 2 Slots


Intel Processor
Channel A DDR3 1066/1333
Sandy Bridge
up to 65W Channel B DDR3 1066/1333
D
XDP LGA-1155 Pin Socket D

FDI LINK

DMI
High-Speed USB
4 rear PORTS 480Mb/s
eDP PS8615 LVDS panel
INTEL

m
High-Speed USB
2 side PORTS 480Mb/s

.co
C
EDID C

webcam + Dmic rom


480Mb/s Cougar Point
Touch

fix
480Mb/s PCH 3Gbps SATA0
Dongle SATA BUS SATA1
480Mb/s H61

se
SPI SPI FLASH 8MB
480Mb/s
942 Pin AMP

.ro
PCIE BUS 27mm X 27mm SSM2306
WLAN SLOT + BT HDA
AUDIO CODEC
100MHz 92HD89D Headphone
B
w B

Mic Line-out
w
Realtek 8111E PCIE BUS
10/100/1000 100MHz
w

PCIE BUS
RTS5209
100MHz Card reader
LPC BUS
33MHz

33MHz
Debug LPC BUS
port
A A

PEGATRON DT-MB RESTRICTED SECRET


IR learning/receiver EC
/blaster Title : BLOVK DIAGRAM
IT8519E PEGATRON CORPORATION Engineer: Ethan_Chen
Size Project Name Rev
A3 IPISB-NK 1.03
Date: Wednesday, April 20, 2011 Sheet 1 of 80
5 4 3 2 1
5 4 3 2 1

Dual-Channel Memory x 2 Slots


Intel Processor
100MHz Channel A DDR3 1066/1333
PCI-E X16 MXM SLOT PCI-E BUS
panel LVDS Sandy Bridge
up to 65W Channel B DDR3 1066/1333
D
XDP LGA-1155 Pin Socket D

EDID
rom

FDI LINK

DMI
High-Speed USB HDMI
4 rear PORTS conn.
480Mb/s

Ext. in
USB 3.0
2 side PORTS
INTEL
C C
option
webcam + Dmic DVI Scalar board M-star/
480Mb/s Cougar Point ST/STDP5300H TSUMU88ADT3
Touch
480Mb/s PCH 3Gbps SATA0
Dongle SATA BUS SATA1
480Mb/s H61
SPI SPI FLASH 8MB
480Mb/s
942 Pin AMP
PCIE BUS 27mm X 27mm SSM2306
WLAN SLOT + BT HDA
AUDIO CODEC
100MHz 92HD89D AMP
PCIE BUS
SSM2306
B TI TUSB7320 USB 3.0 B

HOST Controller 100MHz


DRV604 Headphone
subwoofer Mic
Realtek 8111E PCIE BUS
10/100/1000 100MHz
PCIE BUS
RTS5209
Line-out
100MHz Card reader
TVT SLOT 1.5x PCIE BUS
100MHz
LPC BUS
33MHz

33MHz
Debug LPC BUS
port
A A

PEGATRON DT-MB RESTRICTED SECRET


IR learning/receiver EC
/blaster Title : BLOVK DIAGRAM
IT8519E PEGATRON CORPORATION Engineer: Ethan_Chen
Size Project Name Rev
A3 IPISB-NK 1.03
Date: Wednesday, April 20, 2011 Sheet 2 of 80
5 4 3 2 1
5 4 3 2 1

PCH Buffer Through Mode for Pre-Silicon


Intel Processor
Sandy Bridge

XMM3 / XMM4

XMM1 / XMM2
M_CHA_CLK[0..3]/#
LGA-1155 Pin Socket CPU XDP
D
M_CHB_CLK[0..3]/# D

RSVD_001/002

BCLK/#_0

CK_100M_DMI/#

CK_100M_CPUXDP/#
100 MHz
CK_100M_PCHXDP/#
100 MHz PCH XDP
CK_100M_PE16/#
100 MHz PCIEx16 Slot
C C
CK_100M_PE1/#
100 MHz PCIEx1 Slot
Intel CK_100M_LAN/#
Intel 82579 25 MHz
100 MHz
Platform Controller Hub

CK_100M_1394/#
Cougar Point 100 MHz VT6315N 1394 24.576 MHz

942 Pin CK_33M_TPM


33 MHz TPM Header
CK_48M_SIO
48 MHz
B
Fintek F71869E B
CK_33M_SIO
33 MHz
CK_33M_SL1
33 MHz PCI Slot
CK_33M_PCIFB

CKKIN_PCILOOPBACK
AZ_BITCLK AUDIO CODEC
HDA_BCLK
24 MHz
ALC888S-VD
SPI_CLK
SPI_CLK SPI ROM
XTAL25_IN RTCX 33 MHz
A A

PEGATRON DT-MB RESTRICTED SECRET


<Core Design>

Title : CLCOK DISTRIBUTION


25MHz 32.768KHz PEGATRON CORPORATION Engineer: Ethan_Chen
Size Project Name Rev
A3 IPISB-NK 1.03
Date: Wednesday, April 20, 2011 Sheet 3 of 80
5 4 3 2 1
5 4 3 2 1

+19VSB TPS51125 Reset PWR_SW#


2 Power
circuit
Button 7 SLP_S4#
+5VA
+3VA 1-1 SLP_S3#
8
D
+3VA_EC 1 +3VA_EC D

WRST# 6 PM_PWRBTN#
PWRBTN#
EC
SLP_S3#
3 VSUS_ON 5 PM_RSMRST#
RSMRST# SLP_S4#
IT8519E 1-2 DPWROK
Intel
DPWROK
ENTRIP1
ENTRIP2
TPS51125
SLP_SUS# LAN
PCH
SUS_PWRGD 2-1
+3P3VSB 4

ALL_SYSTEM_PWRGD
XDP
+5VSB EC etc.
Cougar
SUSC#_PWR 9 SUSC_EC#
1Kohm Point
14 PLTRST#
+1P5V_DUAL_PWRGD
C +12VSUS UMC4N PLTRST# C

PWROK
+5V_DUAL PCH_PWROK
+5VO 5903 11 ALL_SYSTEM_PWRGD
NMOS APWROK
+3P3V_DUAL AND PWROK
+3VO 5903 SYS_PWROK
NMOS SYS_PWROK
+1P5V_DUAL DRAMPWROK PROCPWRGD
8202 17 3.3V TO 1.1V
+VTT_DDR LIN REG. SHIFTER

CPUPWRGD
DRAM_PWROK
+1P1VSB_USB
RT9045
15 16
SUSB#_PWR 10 SUSB_EC#
1Kohm

B
+12V +12VSUS 4502 B

+5V SM_DRAMPWROK UNCOREPWRGOOD


+5VO 5903 18 PLTRST_CPU#
+3P3V NMOS RESET#

Sandy
+1P05V_CPUIO_PWRGD
+1P05V_PCH_PWRGD

+3VO 5903
NMOS
+1P8V_SFR
+1.8V 2304
NMOS
Bridge
+1P5V
+1.8V 9024
+10P5V_PCH LIN REG.

+10P5V_CPUIO
+1.8V 9026
LDO

+0P925V_SA
A
12 CPU_VRON A

VR_ON
+V_AXG
Vcore <Core Design>

PGOOD
Title : POWER SEQUENCE
13 VRM_PWRGD PEGATRON CORPORATION Engineer: Ethan_Chen
Size Project Name Rev
A3 IPISB-NK 1.03
Date: Wednesday, April 20, 2011 Sheet 4 of 80
5 4 3 2 1
5 4 3 2 1

D D

C C

B B

<Core Design>

A Title : POWER SEQUENCE A

PEGATRON CORPORATION Engineer: Ethan_Chen


Size Project Name Rev
A IPISB-NK 1.03
Date: Wednesday, April 20, 2011 Sheet 5 of 80

5 4 3 2 1
5 4 3 2 1

D D

C C

B B

<Core Design>

A Title : POWER SEQUENCE A

PEGATRON CORPORATION Engineer: Ethan_Chen


Size Project Name Rev
A IPISB-NK 1.03
Date: Wednesday, April 20, 2011 Sheet 6 of 80

5 4 3 2 1
5 4 3 2 1

D D

C C

B B

<Core Design>

A
Title : POWER SEQUENCE A

PEGATRON CORPORATION Engineer: Ethan_Chen


Size Project Name Rev
A IPISB-NK 1.03
Date: Wednesday, April 20, 2011 Sheet 7 of 80

5 4 3 2 1
5 4 3 2 1

D D

C C

B B

<Core Design>

A Title : POWER SEQUENCE A

PEGATRON CORPORATION Engineer: Ethan_Chen


Size Project Name Rev
A IPISB-NK 1.03
Date: Wednesday, April 20, 2011 Sheet 8 of 80

5 4 3 2 1
5 4 3 2 1

XU1A
15 M_CHA_DQ[0..63] M_CHA_MAA[0..15] 15
M_CHA_DQS0 AK3 AV27 M_CHA_MAA0
15 M_CHA_DQS0 SA_DQS_0 SA_MA_0
M_CHA_DQS0# AK2 AY24 M_CHA_MAA1
15 M_CHA_DQS0# SA_DQS#_0 SA_MA_1 AW24 M_CHA_MAA2
M_CHA_DQ0 AJ3 SA_MA_2 AW23 M_CHA_MAA3
M_CHA_DQ1 AJ4 SA_DQ_0 SA_MA_3 AV23 M_CHA_MAA4
M_CHA_DQ2 AL3 SA_DQ_1 SA_MA_4 AT24 M_CHA_MAA5
M_CHA_DQ3 AL4 SA_DQ_2 SA_MA_5 AT23 M_CHA_MAA6
M_CHA_DQ4 AJ2 SA_DQ_3 SA_MA_6 AU22 M_CHA_MAA7
M_CHA_DQ5 AJ1 SA_DQ_4 SA_MA_7 AV22 M_CHA_MAA8
M_CHA_DQ6 AL2 SA_DQ_5 SA_MA_8 AT22 M_CHA_MAA9
D D
M_CHA_DQ7 AL1 SA_DQ_6 SA_MA_9 AV28 M_CHA_MAA10
SA_DQ_7 SA_MA_10 AU21 M_CHA_MAA11
SA_MA_11 AT21 M_CHA_MAA12
M_CHA_DQS1 AP3 SA_MA_12 AW32 M_CHA_MAA13
15 M_CHA_DQS1 SA_DQS_1 SA_MA_13
M_CHA_DQS1# AP2 AU20 M_CHA_MAA14
15 M_CHA_DQS1# SA_DQS#_1 SA_MA_14 AT20 M_CHA_MAA15
M_CHA_DQ8 AN1 SA_MA_15
M_CHA_DQ9 AN4 SA_DQ_8
M_CHA_DQ10 AR3 SA_DQ_9
M_CHA_DQ11 AR4 SA_DQ_10
M_CHA_DQ12 AN2 SA_DQ_11 AW29
SA_DQ_12 SA_WE# M_CHA_WE# 15
M_CHA_DQ13 AN3 AV30 M_CHA_CAS# 15
M_CHA_DQ14 AR2 SA_DQ_13 SA_CAS# AU28
SA_DQ_14 SA_RAS# M_CHA_RAS# 15
M_CHA_DQ15 AR1
SA_DQ_15

M_CHA_DQS2 AW4 AY29 M_CHA_BA0 15


15 M_CHA_DQS2 SA_DQS_2 SA_BS_0
M_CHA_DQS2# AV4 AW28 M_CHA_BA1 15
15 M_CHA_DQS2# SA_DQS#_2 SA_BS_1 AV20 M_CHA_BA2 15
M_CHA_DQ16 AV2 SA_BS_2
M_CHA_DQ17 AW3 SA_DQ_16
M_CHA_DQ18 AV5 SA_DQ_17
M_CHA_DQ19 AW5 SA_DQ_18 AU29
SA_DQ_19 SA_CS#_0 M_CHA_CS#0 15
M_CHA_DQ20 AU2 AV32 M_CHA_CS#1 15
M_CHA_DQ21 AU3 SA_DQ_20 SA_CS#_1 AW30
M_CHA_DQ22 AU5 SA_DQ_21 SA_CS#_2 AU33
M_CHA_DQ23 AY5 SA_DQ_22 SA_CS#_3
SA_DQ_23
C C
M_CHA_DQS3 AV8 AV19 M_CHA_CKE0 15
15 M_CHA_DQS3 SA_DQS_3 SA_CKE_0
M_CHA_DQS3# AW8 AT19 M_CHA_CKE1 15
15 M_CHA_DQS3# SA_DQS#_3 SA_CKE_1 AU18
M_CHA_DQ24 AY7 SA_CKE_2 AV18
M_CHA_DQ25 AU7 SA_DQ_24 SA_CKE_3
M_CHA_DQ26 AV9 SA_DQ_25
M_CHA_DQ27 AU9 SA_DQ_26
M_CHA_DQ28 AV7 SA_DQ_27 AV31
SA_DQ_28 SA_ODT_0 M_CHA_ODT0 15
M_CHA_DQ29 AW7 AU32 M_CHA_ODT1 15
M_CHA_DQ30 AW9 SA_DQ_29 SA_ODT_1 AU30
M_CHA_DQ31 AY9 SA_DQ_30 SA_ODT_2 AW33
SA_DQ_31 SA_ODT_3

M_CHA_DQS4 AV37
15 M_CHA_DQS4 SA_DQS_4
M_CHA_DQS4# AV36 AY25 M_CHA_CLK0 15
15 M_CHA_DQS4# SA_DQS#_4 SA_CK_0 AW25 M_CHA_CLK0# 15
M_CHA_DQ32 AU35 SA_CK#_0 AU24
SA_DQ_32 SA_CK_1 M_CHA_CLK1 15
M_CHA_DQ33 AW37 AU25 M_CHA_CLK1# 15
M_CHA_DQ34 AU39 SA_DQ_33 SA_CK#_1 AW27
M_CHA_DQ35 AU36 SA_DQ_34 SA_CK_2 AY27
M_CHA_DQ36 AW35 SA_DQ_35 SA_CK#_2 AV26
M_CHA_DQ37 AY36 SA_DQ_36 SA_CK_3 AW26
M_CHA_DQ38 AU38 SA_DQ_37 SA_CK#_3
M_CHA_DQ39 AU37 SA_DQ_38
SA_DQ_39

M_CHA_DQS5 AP38
15 M_CHA_DQS5 SA_DQS_5
M_CHA_DQS5# AP39
B 15 M_CHA_DQS5# SA_DQS#_5 B
M_CHA_DQ40 AR40
M_CHA_DQ41 AR37 SA_DQ_40
M_CHA_DQ42 AN38 SA_DQ_41
M_CHA_DQ43 AN37 SA_DQ_42
M_CHA_DQ44 AR39 SA_DQ_43
M_CHA_DQ45 AR38 SA_DQ_44
SA_DQ_45 VP
M_CHA_DQ46 AN39 HR1
M_CHA_DQ47 AN40 SA_DQ_46 AW18 SM_DRAMRST# 1 2
SA_DQ_47 SM_DRAMRST# DDR3_DRAMRST# 15,16
0
M_CHA_DQS6 AK38
15 M_CHA_DQS6 SA_DQS_6

1
M_CHA_DQS6# AK39 I
15 M_CHA_DQS6# SA_DQS#_6 HC1
M_CHA_DQ48 AL40 0.1UF/16V

2
M_CHA_DQ49 AL37 SA_DQ_48
SA_DQ_49 X7R 10%
M_CHA_DQ50 AJ38
M_CHA_DQ51 AJ37 SA_DQ_50
M_CHA_DQ52 AL39 SA_DQ_51
M_CHA_DQ53 AL38 SA_DQ_52
SA_DQ_53 GND
M_CHA_DQ54 AJ39
M_CHA_DQ55 AJ40 SA_DQ_54
SA_DQ_55 AV13
SA_DQS_8 AV12
M_CHA_DQS7 AF38 SA_DQS#_8
15 M_CHA_DQS7 SA_DQS_7
M_CHA_DQS7# AF39
15 M_CHA_DQS7# SA_DQS#_7
M_CHA_DQ56
M_CHA_DQ57
AG40
AG37 SA_DQ_56 SA_ECC_CB_0
AU12
AU14 NOTE:
A SA_DQ_57 SA_ECC_CB_1 A
M_CHA_DQ58 AE38 AW13 Sugar Bay platform does not support ECC
M_CHA_DQ59 AE37 SA_DQ_58 SA_ECC_CB_2 AY13
M_CHA_DQ60 AG39 SA_DQ_59 SA_ECC_CB_3 AU13
M_CHA_DQ61 AG38 SA_DQ_60 SA_ECC_CB_4 AU11
M_CHA_DQ62 AE39 SA_DQ_61 SA_ECC_CB_5 AY12 PEGATRON DT-MB RESTRICTED SECRET
M_CHA_DQ63 AE40 SA_DQ_62 SA_ECC_CB_6 AW12
SA_DQ_63 SA_ECC_CB_7
Title : DDR3_A 1-6
DDR3_A PEGATRON CORPORATION Engineer: Ethan_Chen
Size Project Name Rev
SOCKET_1155P
I A3 IPISB-NK 1.03
Date: Wednesday, April 20, 2011 Sheet 9 of 80
5 4 3 2 1
5 4 3 2 1

XU1B
16 M_CHB_DQ[0..63] M_CHB_MAA[0..15] 16
M_CHB_DQS0 AH7 AK24 M_CHB_MAA0
16 M_CHB_DQS0 SB_DQS_0 SB_MA_0
M_CHB_DQS0# AH6 AM20 M_CHB_MAA1
16 M_CHB_DQS0# SB_DQS#_0 SB_MA_1 AM19 M_CHB_MAA2
M_CHB_DQ0 AG7 SB_MA_2 AK18 M_CHB_MAA3
M_CHB_DQ1 AG8 SB_DQ_0 SB_MA_3 AP19 M_CHB_MAA4
M_CHB_DQ2 AJ9 SB_DQ_1 SB_MA_4 AP18 M_CHB_MAA5
M_CHB_DQ3 AJ8 SB_DQ_2 SB_MA_5 AM18 M_CHB_MAA6
M_CHB_DQ4 AG5 SB_DQ_3 SB_MA_6 AL18 M_CHB_MAA7
M_CHB_DQ5 AG6 SB_DQ_4 SB_MA_7 AN18 M_CHB_MAA8
D D
M_CHB_DQ6 AJ6 SB_DQ_5 SB_MA_8 AY17 M_CHB_MAA9
M_CHB_DQ7 AJ7 SB_DQ_6 SB_MA_9 AN23 M_CHB_MAA10
SB_DQ_7 SB_MA_10 AU17 M_CHB_MAA11
SB_MA_11 AT18 M_CHB_MAA12
M_CHB_DQS1 AM8 SB_MA_12 AR26 M_CHB_MAA13
16 M_CHB_DQS1 SB_DQS_1 SB_MA_13
M_CHB_DQS1# AL8 AY16 M_CHB_MAA14
16 M_CHB_DQS1# SB_DQS#_1 SB_MA_14 AV16 M_CHB_MAA15
M_CHB_DQ13 AL7 SB_MA_15
M_CHB_DQ9 AM7 SB_DQ_8
M_CHB_DQ11 AM10 SB_DQ_9
M_CHB_DQ15 AL10 SB_DQ_10
M_CHB_DQ12 AL6 SB_DQ_11 AR25
SB_DQ_12 SA_CK[2] M_CHB_WE# 16
M_CHB_DQ8 AM6 AK25 M_CHB_CAS# 16
M_CHB_DQ14 AL9 SB_DQ_13 SA_CK[1] AP24
SB_DQ_14 SA_ODT[2] M_CHB_RAS# 16
M_CHB_DQ10 AM9
SB_DQ_15

M_CHB_DQS2 AR8 AP23 M_CHB_BA0 16


16 M_CHB_DQS2 SB_DQS_2 SB_BS_0
M_CHB_DQS2# AP8 AM24 M_CHB_BA1 16
16 M_CHB_DQS2# SB_DQS#_2 SB_BS_1 AW17 M_CHB_BA2 16
M_CHB_DQ16 AP7 SB_BS_2
M_CHB_DQ17 AR7 SB_DQ_16
M_CHB_DQ18 AP10 SB_DQ_17
M_CHB_DQ19 AR10 SB_DQ_18 AN25
SB_DQ_19 SB_CS#_0 M_CHB_CS#0 16
M_CHB_DQ20 AP6 AN26 M_CHB_CS#1 16
M_CHB_DQ21 AR6 SB_DQ_20 SB_CS#_1 AL25
M_CHB_DQ22 AP9 SB_DQ_21 SB_CS#_2 AT26
M_CHB_DQ23 AR9 SB_DQ_22 SB_CS#_3
C SB_DQ_23 C

M_CHB_DQS3 AN13 AU16 M_CHB_CKE0 16


16 M_CHB_DQS3 SB_DQS_3 SB_CKE_0
M_CHB_DQS3# AN12 AY15 M_CHB_CKE1 16
16 M_CHB_DQS3# SB_DQS#_3 SB_CKE_1 AW15
M_CHB_DQ24 AM12 SB_CKE_2 AV15
M_CHB_DQ25 AM13 SB_DQ_24 SB_CKE_3
M_CHB_DQ26 AR13 SB_DQ_25
M_CHB_DQ27 AP13 SB_DQ_26
M_CHB_DQ28 AL12 SB_DQ_27 AL26
SB_DQ_28 SB_ODT_0 M_CHB_ODT0 16
M_CHB_DQ29 AL13 AP26 M_CHB_ODT1 16
M_CHB_DQ30 AR12 SB_DQ_29 SB_ODT_1 AM26
M_CHB_DQ31 AP12 SB_DQ_30 SB_ODT_2 AK26
SB_DQ_31 SB_ODT_3

M_CHB_DQS4 AN29
16 M_CHB_DQS4 SB_DQS_4
M_CHB_DQS4# AN28 AL21 M_CHB_CLK0 16
16 M_CHB_DQS4# SB_DQS#_4 SB_CK_0 AL22 M_CHB_CLK0# 16
M_CHB_DQ32 AR28 SB_CK#_0 AL20
SB_DQ_32 SB_CK_1 M_CHB_CLK1 16
M_CHB_DQ33 AR29 AK20 M_CHB_CLK1# 16
M_CHB_DQ34 AL28 SB_DQ_33 SB_CK#_1 AL23
M_CHB_DQ35 AL29 SB_DQ_34 SB_CK_2 AM22
M_CHB_DQ36 AP28 SB_DQ_35 SB_CK#_2 AP21
M_CHB_DQ37 AP29 SB_DQ_36 SB_CK_3 AN21
M_CHB_DQ38 AM28 SB_DQ_37 SB_CK#_3
M_CHB_DQ39 AM29 SB_DQ_38
SB_DQ_39

M_CHB_DQS5 AP33
B 16 M_CHB_DQS5 SB_DQS_5 B
M_CHB_DQS5# AR33
16 M_CHB_DQS5# SB_DQS#_5
M_CHB_DQ40 AP32
M_CHB_DQ41 AP31 SB_DQ_40
M_CHB_DQ42 AP35 SB_DQ_41
M_CHB_DQ43 AP34 SB_DQ_42
M_CHB_DQ44 AR32 SB_DQ_43
M_CHB_DQ45 AR31 SB_DQ_44
M_CHB_DQ46 AR35 SB_DQ_45
M_CHB_DQ47 AR34 SB_DQ_46
SB_DQ_47

M_CHB_DQS6 AL33
16 M_CHB_DQS6 SB_DQS_6
M_CHB_DQS6# AM33
16 M_CHB_DQS6# SB_DQS#_6
M_CHB_DQ48 AM32
M_CHB_DQ52 AM31 SB_DQ_48
M_CHB_DQ55 AL35 SB_DQ_49
M_CHB_DQ51 AL32 SB_DQ_50
M_CHB_DQ54 AM34 SB_DQ_51
M_CHB_DQ49 AL31 SB_DQ_52
M_CHB_DQ53 AM35 SB_DQ_53
M_CHB_DQ50 AL34 SB_DQ_54
SB_DQ_55 AN16
SB_DQS_8 AN15
M_CHB_DQS7 AG35 SB_DQS#_8
16 M_CHB_DQS7 SB_DQS_7
M_CHB_DQS7# AG34
16 M_CHB_DQS7# SB_DQS#_7
A
M_CHB_DQ56
M_CHB_DQ57
AH35
AH34 SB_DQ_56 SB_ECC_CB_0
AL16
AM16 NOTE: A

M_CHB_DQ58 AE34 SB_DQ_57 SB_ECC_CB_1 AP16


M_CHB_DQ59 AE35 SB_DQ_58 SB_ECC_CB_2 AR16
Sugar Bay platform does not support ECC
M_CHB_DQ60 AJ35 SB_DQ_59 SB_ECC_CB_3 AL15
M_CHB_DQ61 AJ34 SB_DQ_60 SB_ECC_CB_4 AM15 PEGATRON DT-MB RESTRICTED SECRET
M_CHB_DQ62 AF33 SB_DQ_61 SB_ECC_CB_5 AR15
SB_DQ_62 SB_ECC_CB_6
M_CHB_DQ63 AF35
SB_DQ_63 SB_ECC_CB_7
AP15 Title : DDR3_B 2-6
PEGATRON CORPORATION Engineer: Ethan_Chen
DDR3_B Size Project Name Rev
SOCKET_1155P A3 IPISB-NK 1.03
I
Date: Wednesday, April 20, 2011 Sheet 10 of 80
5 4 3 2 1
5 4 3 2 1

XU1C

B11 C13
21 PEG_RXP0 PEG_RX_0 PEG_TX_0 PEG_TXP0 21
B12 C14
21 PEG_RXN0 PEG_RX#_0 PEG_TX#_0 PEG_TXN0 21
D12 E14 XU1D
21 PEG_RXP1 PEG_RX_1 PEG_TX_1 PEG_TXP1 21
D D11 E13 D
21 PEG_RXN1 PEG_RX#_1 PEG_TX#_1 PEG_TXN1 21
+1P05V_CPUIO AC8
FDI_TX_0 FDI_TXP0 28
C10 G14 AC7
21 PEG_RXP2 PEG_RX_2 PEG_TX_2 PEG_TXP2 21 FDI_TX#_0 FDI_TXN0 28
C9 G13
21 PEG_RXN2 PEG_RX#_2 PEG_TX#_2 PEG_TXN2 21

1
I FDI_TX_1
AC2
FDI_TXP1 28
E10 F12 HR2 AC3
21 PEG_RXP3 PEG_RX_3 PEG_TX_3 PEG_TXP3 21 FDI_TX#_1 FDI_TXN1 28
E9 F11 24.9
21 PEG_RXN3 PEG_RX#_3 PEG_TX#_3 PEG_TXN3 21
1% AD2
FDI_TX_2 FDI_TXP2 28
B8 J14 AD1
21 PEG_RXP4 PEG_TXP4 21 FDI_TXN2 28

2
B7 PEG_RX_4 PEG_TX_4 J13 FDI_TX#_2
21 PEG_RXN4 PEG_RX#_4 PEG_TX#_4 PEG_TXN4 21
FDI_COMP AE2 AD4
FDI_COMPIO FDI_TX_3 FDI_TXP3 28
C6 D8 AE1 AD3
21 PEG_RXP5 PEG_RX_5 PEG_TX_5 PEG_TXP5 21 FDI_ICOMPO FDI_TX#_3 FDI_TXN3 28
C5 D7
21 PEG_RXN5 PEG_RX#_5 PEG_TX#_5 PEG_TXN5 21
A5 D3
21 PEG_RXP6
A6 PEG_RX_6 PEG_TX_6 C3
PEG_TXP6 21 FDI
21 PEG_RXN6 PEG_RX#_6 PEG_TX#_6 PEG_TXN6 21
E2 E6 AC5 AD7
21 PEG_RXP7 PEG_RX_7 PEG_TX_7 PEG_TXP7 21 28 FDI_FSYNC_0 FDI_FSYNC_0 FDI_TX_4 FDI_TXP4 28
E1 E5 AC4 AD6
21 PEG_RXN7 PEG_RX#_7 PEG_TX#_7 PEG_TXN7 21 28 FDI_LSYNC_0 FDI_LSYNC_0 FDI_TX#_4 FDI_TXN4 28
F4 F8 AE7
21 PEG_RXP8 PEG_RX_8 PEG_TX_8 PEG_TXP8 21 FDI_TX_5 FDI_TXP5 28
F3 F7 AE8
21 PEG_RXN8 PEG_RX#_8 PEG_TX#_8 PEG_TXN8 21 FDI_TX#_5 FDI_TXN5 28
AE5
28 FDI_FSYNC_1 FDI_FSYNC_1
G2 G10 AE4 AF3
21 PEG_RXP9 PEG_RX_9 PEG_TX_9 PEG_TXP9 21 28 FDI_LSYNC_1 FDI_LSYNC_1 FDI_TX_6 FDI_TXP6 28
G1 G9 AF2
21 PEG_RXN9 PEG_RX#_9 PEG_TX#_9 PEG_TXN9 21 FDI_TX#_6 FDI_TXN6 28
H3 G5 AG2
21 PEG_RXP10 PEG_RX_10 PEG_TX_10 PEG_TXP10 21 FDI_TX_7 FDI_TXP7 28
H4 G6 AG3 AG1
21 PEG_RXN10 PEG_RX#_10 PEG_TX#_10 PEG_TXN10 21 28 FDI_INT FDI_INT FDI_TX#_7 FDI_TXN7 28
C J1 K7 C
21 PEG_RXP11 PEG_RX_11 PEG_TX_11 PEG_TXP11 21
J2 K8
21 PEG_RXN11 PEG_RX#_11 PEG_TX#_11 PEG_TXN11 21
K3 J5
21 PEG_RXP12 PEG_RX_12 PEG_TX_12 PEG_TXP12 21
K4 J6 SOCKET_1155P
21 PEG_RXN12 PEG_RX#_12 PEG_TX#_12 PEG_TXN12 21
I
L1 M8
21 PEG_RXP13 PEG_RX_13 PEG_TX_13 PEG_TXP13 21
L2 M7
21 PEG_RXN13 PEG_RX#_13 PEG_TX#_13 PEG_TXN13 21
M3 L6
21 PEG_RXP14 PEG_RX_14 PEG_TX_14 PEG_TXP14 21
M4 L5
21 PEG_RXN14 PEG_RX#_14 PEG_TX#_14 PEG_TXN14 21
N1 N5
21 PEG_RXP15 PEG_RX_15 PEG_TX_15 PEG_TXP15 21
N2 N6
21 PEG_RXN15 PEG_RX#_15 PEG_TX#_15 PEG_TXN15 21

PEG
W5 V7
24 DMI_RXP0 DMI_RX_0 DMI_TX_0 DMI_TXP0 24
W4 V6
24 DMI_RXN0 DMI_RX#_0 DMI_TX#_0 DMI_TXN0 24
V3 W7
24 DMI_RXP1 DMI_RX_1 DMI_TX_1 DMI_TXP1 24
V4 W8
24 DMI_RXN1 DMI_RX#_1 DMI_TX#_1 DMI_TXN1 24
Y3 Y6
24 DMI_RXP2 DMI_RX_2 DMI_TX_2 DMI_TXP2 24
Y4 Y7
24 DMI_RXN2 DMI_RX#_2 DMI_TX#_2 DMI_TXN2 24
AA4 AA7
B 24 DMI_RXP3 DMI_RX_3 DMI_TX_3 DMI_TXP3 24 B
AA5 AA8
24 DMI_RXN3 DMI_RX#_3 DMI_TX#_3 DMI_TXN3 24
+1P05V_CPUIO

DMI
1

I
HR3
24.9
1%
2

B5 PEG_COMP
PEG_ICOMPO C4
PEG_RCOMPO B4
PEG_COMPI

P3 P8
SHORT B4 & C4 TOGETHER, ROUTE AS A SINGLE 4 MIL TRACE TO HR3.2
PE_RX_0 PE_TX_0
P4
PE_RX#_0 PE_TX#_0
P7 ROUTE B5 TO HR3.2 AS A SEPERATE 10 MIL TRACE
NOBOM HT26 1 R2
PE_RX_1 PE_TX_1
T7
R1 T8
PE_RX#_1 PE_TX#_1
T4 R6
PE_RX_2 PE_TX_2
NOBOM HT27 1 T3
PE_RX#_2 PE_TX#_2
R5

NOBOM HT28 1 U2
PE_RX_3 PE_TX_3
U5
U1 U6 1 HT39 NOBOM
PE_RX#_3 PE_TX#_3

A GEN A

SOCKET_1155P
I

Processor PCI Express* PEGATRON DT-MB RESTRICTED SECRET


Receive/ Transmit
Differential Pair. These
Title : PCIE/DMI/FDI 3-6
signals are available for PEGATRON CORPORATION Engineer: Ethan_Chen
Workstation only. Size Project Name Rev
A3 IPISB-NK 1.03
Date: Wednesday, April 20, 2011 Sheet 11 of 80
5 4 3 2 1
5 4 3 2 1

XU1E

W2 P34
28 CK_100M_DMI BCLK_0 VCCSA_VID VCCSA_VID 70
W1 T2
28 CK_100M_DMI# BCLK#_0 VCCSA_SENSE VCCSA_SENSE 70
C40 A36
78 CK_100M_CPU_XDP RSVD_001 VCC_SENSE VCC_SENSE 72
D D40 B36 D
78 CK_100M_CPU_XDP# RSVD_002 VSS_SENSE VSS_SENSE 72

NOTE: Place HR57 near CPU 2"~3" VCCIO_SENSE


AB4
AB3
VCCIO_SENSE 70
VSSIO_SENSE VSSIO_SENSE 70
+1P05V_CPUIO
NOTE: Place near CPU +1P5V_DUAL L32
VCCAXG_SENSE VCCAXG_SENSE 72
M32
VSSAXG_SENSE VSSAXG_SENSE 72

1
NI I I NI I
HR5 HR6 HR7 HR4 HR57 +5V +1P05V_CPUIO +1P05V_CPUIO
90.9 110 75 51 200
1% 1% 1% 1%
NOTE:

1
I I

1
72 VIDSCLK
C37
VIDSCLK
HR52 I I HR10 Place near XDP connector
B37 10K HR8 HR9 51
72 VIDSOUT VIDSOUT
72 VIDALERT# I HR11 1 2 H_VIDALERT# A37 51 51
VIDALERT#

2
44.2

2
1% F36
18 PLTRST_CPU# RESET#
J40 P33
26,78 CPUPWRGD UNCOREPWRGOOD VCCP_SELECT VCCIO_SEL 70
26 DRAM_PWROK I HR70 1 2SM_DPWROK AJ19
SM_DRAMPWROK L39
TDO TDO 78
1

1
120
I
HR58 NOTE: 1%
NI
HR59 TDI
L40
M40
TDI 78
TCK TCK 78
1K For VR Debug 100 L38
TMS TMS 78
J39
TRST# TRST# 78
2

2
NOTE:
C C
TBD: CRB 0.7 is NI
MISC

1
I Place near CPU I I
GND +1P8V_SFR +1P05V_CPUIO GND HR53 HR12 HR13
NOTE: 4.7K
+3P3VSB
51 51

CRB UN-STUFF

2
1

I
1

1
HR14 NI NI I NI
DVT 2.2K HR16 HR17 HR18 HR19 NI
1K 1K 51 51 NOTE: GND HR15
220
GND GND
2

25 PECI_PCH NI HR21 1 2 0 TBD: CRB is NI


2

2
J35 K38
59 H_PECI PECI PRDY# H_PRDY# 78
CATERR_R# E37 K40
57 CATERR_R# CATERR# PREQ# H_PREQ# 78
59,72,80 PROCHOT#
H34
PROCHOT# DBR#
E39 DBR# VP HR54 1 2 0
SYS_RESET_DBR# 78,79
G35
25 H_THMTRIP# E38 THERMTRIP#
25 PM_SYNC PM_SYNC
H_DDR_VREF AJ22
SM_VREF
H40
BPM#_0 BPM0# 78
AJ33 H38
26 SKTOCC# SKTOCC# BPM#_1 BPM1# 78
PROC_SEL K32 G38
28 PROC_SEL PROC_SEL BPM#_2 BPM2# 78
G40
BPM#_3 BPM3# 78
G39
BPM#_4 BPM4# 78
F38
BPM#_5 BPM5# 78
E40
B CFG[2]: PCI Express* Static x16 Lane Numbering Reversal. BPM#_6 F40
BPM6# 78 B
BPM#_7 BPM7# 78
- 1 = Normal operation
- 0 = Lane numbers reversed 78 CPU_CFG0
H36
CFG_0
NOBOM ST5 1 H_CFG1 J36
CFG_1
1K 2 1 HR27 NI H_CFG2 J37
CFG_2
NOTE: CFG[0~15] is IPU NOBOM
NOBOM
ST6
ST7
1
1
H_CFG3
H_CFG4
K36
L36 CFG_3
1K 2 1 HR29 NI H_CFG5 N35 CFG_4 B39
1K 2 1 HR30 NI H_CFG6 L37 CFG_5 RSVD_024 J33
CFG6 CFG5 Description CFG_6 RSVD_030
NOBOM ST8 1 H_CFG7 M36
CFG_7 RSVD_037
L34
NOBOM ST17 1 H_CFG8 J38
CFG_8 RSVD_036
L33
1 1 X16(Default) NOBOM ST18 1 H_CFG9 L35
CFG_9 RSVD_033
K34
NOBOM ST19 1 H_CFG10 M38
CFG_10
NOBOM ST20 1 H_CFG11 N36
CFG_11 RSVD_040
N33
1 0 2X8 NOBOM ST21 1 H_CFG12 N38
CFG_12 RSVD_039
M34
NOBOM ST22 1 H_CFG13 N39
CFG_13
+1P5V_DUAL NOBOM ST23 1 H_CFG14 N37
CFG_14 RSVD_018
AV1
0 1 Reserved NOBOM ST28 1 H_CFG15 N40
CFG_15 RSVD_020
AW2
1

I RSVD_038
L9
D3R39 0 0 X8, X4/X4 GND J9
RSVD_032
100 NOBOM ST29 1 H_CFG16_SNB_PCUSTB0 G37
CFG_16 RSVD_034
K9
1% NOBOM ST48 1 H_CFG17_SNB_PCUSTB1 G36
CFG_17
2

L31
H_DDR_VREF AT14 RSVD_035
RSVD_016 J31
AY3 RSVD_050 K31
A RSVD_023 RSVD_053 A
1

I H7
RSVD_028 RSVD_051
AD34
1

D3R40 I H8
RSVD_029 RSVD_052
AD35
D3CB17
100
1% 0.1UF/16V PEGATRON DT-MB RESTRICTED SECRET
2

X7R 10%
2

Title : MISC 4-6


SOCKET_1155P Engineer:
I
PEGATRON CORPORATION Ethan_Chen
GND GND Size Project Name Rev
A3 IPISB-NK 1.03
Date: Wednesday, April 20, 2011 Sheet 12 of 80
5 4 3 2 1
5 4 3 2 1

D D
+VCORE +VCORE +1P05V_CPUIO +V_AXG
XU1F XU1H XU1G
+1P5V_DUAL
A12 F32 M13 AB33
A13 VCC_001 VCC_082 F33 VCCIO_34 AB34 VCCAXG_01
A14 VCC_002 VCC_083 F34 A11 AJ13
Place on the bottom under XU1 AB35 VCCAXG_02
A15 VCC_003 VCC_084 G15 A7 VCCIO_01 VDDQ_01 AJ14 AB36 VCCAXG_03
A16 VCC_004 VCC_085 G16 AA3 VCCIO_02 VDDQ_02 AJ23 AB37 VCCAXG_04
VCC_005 VCC_086 VCCIO_03 VDDQ_04 VCCAXG_05

1
A18
VCC_006 VCC_087
G18 AB8
VCCIO_04 VDDQ_05
AJ24 I I I AB38
VCCAXG_06
A24 G19 AF8 AR20 HCB1 HCB6 HCB3 AB39
A25 VCC_007 VCC_088 G21 AG33 VCCIO_05 VDDQ_06 AR21 22UF/6.3V 22UF/6.3V 22UF/6.3V AB40 VCCAXG_07

2
A27 VCC_008 VCC_089 G22 AJ16 VCCIO_06 VDDQ_07 AR22 X5R 20% X5R 20% X5R 20% AC33 VCCAXG_08
A28 VCC_009 VCC_090 G24 AJ17 VCCIO_07 VDDQ_08 AR23 mx_c0805_small mx_c0805_small mx_c0805_small AC34 VCCAXG_09
B15 VCC_010 VCC_091 G25 AJ26 VCCIO_08 VDDQ_09 AR24 AC35 VCCAXG_10
B16 VCC_011 VCC_092 G27 AJ28 VCCIO_09 VDDQ_10 AU19 AC36 VCCAXG_11
B18 VCC_012 VCC_093 G28 AJ32 VCCIO_10 VDDQ_11 AU23 AC37 VCCAXG_12
VCC_013 VCC_094 VCCIO_11 VDDQ_12 GND GND GND VCCAXG_13
B24 G30 AK15 AU27 AC38
B25 VCC_014 VCC_095 G31 AK17 VCCIO_12 VDDQ_13 AU31 AC39 VCCAXG_14
B27 VCC_015 VCC_096 G32 AK19 VCCIO_13 VDDQ_14 AV21 AC40 VCCAXG_15
B28 VCC_016 VCC_097 G33 AK21 VCCIO_14 VDDQ_15 AV24 T33 VCCAXG_16
B30 VCC_017 VCC_098 H13 AK23 VCCIO_15 VDDQ_16 AV25 T34 VCCAXG_17
B31 VCC_018 VCC_099 H14 AK27 VCCIO_16 VDDQ_17 AV29 T35 VCCAXG_18
B33 VCC_019 VCC_100 H15 AK29 VCCIO_17 VDDQ_18 AV33 T36 VCCAXG_19
B34 VCC_020 VCC_101 H16 AK30 VCCIO_18 VDDQ_19 AW31 T37 VCCAXG_20
C15 VCC_021 VCC_102 H18 B9 VCCIO_19 VDDQ_20 AY23 T38 VCCAXG_21
C16 VCC_022 VCC_103 H19 D10 VCCIO_20 VDDQ_21 AY26 T39 VCCAXG_22
C18 VCC_023 VCC_104 H21 D6 VCCIO_21 VDDQ_22 AY28 T40 VCCAXG_23
C19 VCC_024 VCC_105 H22 E3 VCCIO_22 VDDQ_23 U33 VCCAXG_24
C C21 VCC_025 VCC_106 H24 E4 VCCIO_23 AJ20 U34 VCCAXG_25 C
C22 VCC_026 VCC_107 H25 G3 VCCIO_24 VDDQ_03 U35 VCCAXG_26
C24 VCC_027 VCC_108 H27 G4 VCCIO_25 U36 VCCAXG_27
C25 VCC_028 VCC_109 H28 J3 VCCIO_26 U37 VCCAXG_28
C27 VCC_029 VCC_110 H30 J4 VCCIO_27 U38 VCCAXG_29
C28 VCC_030 VCC_111 H31 J7 VCCIO_28 U39 VCCAXG_30
C30 VCC_031 VCC_112 H32 J8 VCCIO_29 U40 VCCAXG_31
C31 VCC_032 VCC_113 J12 L3 VCCIO_30 W33 VCCAXG_32
C33 VCC_033 VCC_114 J15 L4 VCCIO_31 W34 VCCAXG_33
C34 VCC_034 VCC_115 J16 L7 VCCIO_32 W35 VCCAXG_34
C36 VCC_035 VCC_116 J18 N3 VCCIO_33 W36 VCCAXG_35
D13 VCC_036 VCC_117 J19 N4 VCCIO_35 W37 VCCAXG_36
D14 VCC_037 VCC_118 J21 N7 VCCIO_36 W38 VCCAXG_37
D15 VCC_038 VCC_119 J22 R3 VCCIO_37 Y33 VCCAXG_38
D16 VCC_039 VCC_120 J24 R4 VCCIO_38 Y34 VCCAXG_39
D18 VCC_040 VCC_121 J25 R7 VCCIO_39 Y35 VCCAXG_40
D19 VCC_041 VCC_122 J27 U3 VCCIO_40 Y36 VCCAXG_41
D21 VCC_042 VCC_123 J28 U4 VCCIO_41 Y37 VCCAXG_42
D22 VCC_043 VCC_124 J30 U7 VCCIO_42 Y38 VCCAXG_43
D24 VCC_044 VCC_125 K15 V8 VCCIO_43 VCCAXG_44
D25 VCC_045 VCC_126 K16 W3 VCCIO_44
D27 VCC_046 VCC_127 K18 VCCIO_45
D28 VCC_047 VCC_128 K19
D30 VCC_048 VCC_129 K21 SOCKET_1155P
D31 VCC_049 VCC_130 K22
VCC_050 VCC_131 I
D33 K24 +0P925V_SA
D34 VCC_051 VCC_132 K25
D35 VCC_052 VCC_133 K27 H10
D36 VCC_053 VCC_134 K28 H11 VCCSA_01
B E15 VCC_054 VCC_135 K30 H12 VCCSA_02 B
E16 VCC_055 VCC_136 L13 J10 VCCSA_03
E18 VCC_056 VCC_137 L14 K10 VCCSA_04
E19 VCC_057 VCC_138 L15 K11 VCCSA_05
E21 VCC_058 VCC_139 L16 L11 VCCSA_06
E22 VCC_059 VCC_140 L18 L12 VCCSA_07
E24 VCC_060 VCC_141 L19 M10 VCCSA_08
E25 VCC_061 VCC_142 L21 M11 VCCSA_09
E27 VCC_062 VCC_143 L22 M12 VCCSA_10
E28 VCC_063 VCC_144 L24 VCCSA_11
E30 VCC_064 VCC_145 L25
E31 VCC_065 VCC_146 L27
E33 VCC_066 VCC_147 L28 +1P8V_SFR
E34 VCC_067 VCC_148 L30
E35 VCC_068 VCC_149 M14 AK11
F15 VCC_069 VCC_150 M15 AK12 VCCPLL_01
F16 VCC_070 VCC_151 M16 VCCPLL_02
F18 VCC_071 VCC_152 M18
F19 VCC_072 VCC_153 M19
F21 VCC_073 VCC_154 M21
F22 VCC_074 VCC_155 M22
F24 VCC_075 VCC_156 M24
F25 VCC_076 VCC_157 M25
F27 VCC_077 VCC_158 M27 SOCKET_1155P
F28 VCC_078 VCC_159 M28
VCC_079 VCC_160 I
F30 M30
F31 VCC_080 VCC_161
VCC_081
A A

SOCKET_1155P PEGATRON DT-MB RESTRICTED SECRET


I
Title : VCC 5 - 6
PEGATRON CORPORATION Engineer: Ethan_Chen
Size Project Name Rev
A3 IPISB-NK 1.03
Date: Wednesday, April 20, 2011 Sheet 13 of 80
5 4 3 2 1
5 4 3 2 1

XU1I XU1J XU1K


A17 AM27 AV11 G8
VSS_001 VSS_091 VSS_181 VSS_271
A23
VSS_002 VSS_092
AM3 AV14
VSS_182 VSS_272
H1 AB7
RSVD_04 FC_AH1
AH1 SA_DIMM_VR NI HR42 1 2 0
DIMM_VREF_A 15
A26
VSS_003 VSS_093
AM30 AV17
VSS_183 VSS_273
H17 AD37
RSVD_05 FC_AH4
AH4 SB_DIMM_VR NI HR43 1 2 0
DIMM_VREF_B 16
A29 AM36 AV3 H2 AG4
A35 VSS_004 VSS_094 AM37 AV35 VSS_184 VSS_274 H20 AJ29 RSVD_08 AT11
D D
AA33 VSS_005 VSS_095 AM38 AV38 VSS_185 VSS_275 H23 AJ30 RSVD_10 RSVD_15 AP20
VSS_006 VSS_096 VSS_186 VSS_276 RSVD_11 RSVD_14

1
AA34
VSS_007 VSS_097
AM39 AV6
VSS_187 VSS_277
H26 AJ31
RSVD_12 RSVD_13
AN20 I I
AA35 AM4 AW10 H29 AV34 AU10 HC2 HC3
AA36 VSS_008 VSS_098 AM40 AW11 VSS_188 VSS_278 H33 AW34 RSVD_19 RSVD_17 AY10 0.1UF/16V 0.1UF/16V

2
AA37 VSS_009 VSS_099 AM5 AW14 VSS_189 VSS_279 H35 RSVD_21 RSVD_22
AA38 VSS_010 VSS_100 AN10 AW16 VSS_190 VSS_280 H37 P35
AA6 VSS_011 VSS_101 AN11 AW36 VSS_191 VSS_281 H39 P37 RSVD_43
AB5 VSS_012 VSS_102 AN14 AW6 VSS_192 VSS_282 H5 P39 RSVD_44
GND GND
Stuff
VSS_013 VSS_103 VSS_193 VSS_283 RSVD_45
AC1
AC6 VSS_014 VSS_104
AN17
AN19
AY11
AY14 VSS_194 VSS_284
H6
H9
R34
R36 RSVD_46 resistors
VSS_015 VSS_105 VSS_195 VSS_285 RSVD_47
AD33
VSS_016 VSS_106
AN22 AY18
VSS_196 VSS_286
J11 R38
RSVD_48 RSVD_07
AF4 HR42/HR43
AD36 AN24 AY35 J17 R40 AB6
AD38 VSS_017
VSS_018
VSS_107
VSS_108
AN27 AY4 VSS_197
VSS_198
VSS_287
VSS_288
J20 RSVD_49 RSVD_03
RSVD_06
AE6 for future
AD39 AN30 AY6 J23 AJ11
AD40 VSS_019 VSS_109 AN31 AY8 VSS_199 VSS_289 J26 RSVD_09 IVB VREF
AD5 VSS_020 VSS_110 AN32 B10 VSS_200 VSS_290 J29
AD8 VSS_021 VSS_111 AN33 B13 VSS_201 VSS_291 J32 A38 D38
capability
AE3 VSS_022 VSS_112 AN34 B14 VSS_202 VSS_292 K1 AU40 NCTF_01 RSVD_27 C39
AE33 VSS_023 VSS_113 AN35 B17 VSS_203 VSS_293 K12 AW38 NCTF_02 RSVD_26 C38
AE36 VSS_024 VSS_114 AN36 B23 VSS_204 VSS_294 K13 C2 NCTF_03 RSVD_25 J34
AF1 VSS_025 VSS_115 AN5 B26 VSS_205 VSS_295 K14 D1 NCTF_04 RSVD_31 N34
AF34 VSS_026 VSS_116 AN6 B29 VSS_206 VSS_296 K17 NCTF_05 RSVD_41
AF36 VSS_027 VSS_117 AN7 B32 VSS_207 VSS_297 K2
AF37 VSS_028 VSS_118 AN8 B35 VSS_208 VSS_298 K20 1
AF40 VSS_029 VSS_119 AN9 B38 VSS_209 VSS_299 K23 NP_NC1 2
AF5 VSS_030 VSS_120 AP1 B6 VSS_210 VSS_300 K26 NP_NC2 3
AF6 VSS_031 VSS_121 AP11 C11 VSS_211 VSS_301 K29 NP_NC3 4
AF7 VSS_032 VSS_122 AP14 C12 VSS_212 VSS_302 K33 NP_NC4 5
C AG36 VSS_033 VSS_123 AP17 C17 VSS_213 VSS_303 K35 NP_NC5 6 C
AH2 VSS_034 VSS_124 AP22 C20 VSS_214 VSS_304 K37 NP_NC6 7
AH3 VSS_035 VSS_125 AP25 C23 VSS_215 VSS_305 K39 NP_NC7
AH33 VSS_036 VSS_126 AP27 C26 VSS_216 VSS_306 K5
AH36 VSS_037 VSS_127 AP30 C29 VSS_217 VSS_307 K6
AH37 VSS_038 VSS_128 AP36 C32 VSS_218 VSS_308 L10
AH38 VSS_039 VSS_129 AP37 C35 VSS_219 VSS_309 L17 SOCKET_1155P
AH39 VSS_040 VSS_130 AP4 C7 VSS_220 VSS_310 L20
VSS_041 VSS_131 VSS_221 VSS_311 I
AH40 AP40 C8 L23
AH5 VSS_042 VSS_132 AP5 D17 VSS_222 VSS_312 L26
AH8 VSS_043 VSS_133 AR11 D2 VSS_223 VSS_313 L29
AJ12 VSS_044 VSS_134 AR14 D20 VSS_224 VSS_314 L8
VSS_045 VSS_135 VSS_225 VSS_315
AJ15
VSS_046 VSS_136
AR17 D23
VSS_226 VSS_316
M1 I I
AJ18
AJ21 VSS_047 VSS_137
AR18
AR19
D26
D29 VSS_227 VSS_317
M17
M2 BACKPLATE1 ILM1
AJ25 VSS_048 VSS_138 AR27 D32 VSS_228 VSS_318 M20
AJ27 VSS_049 VSS_139 AR30 D37 VSS_229 VSS_319 M23
AJ36 VSS_050 VSS_140 AR36 D39 VSS_230 VSS_320 M26
AJ5 VSS_051 VSS_141 AR5 D4 VSS_231 VSS_321 M29
AK1 VSS_052 VSS_142 AT1 D5 VSS_232 VSS_322 M33
AK10 VSS_053 VSS_143 AT10 D9 VSS_233 VSS_323 M35
AK13 VSS_054 VSS_144 AT12 E11 VSS_234 VSS_324 M37
AK14 VSS_055 VSS_145 AT13 E12 VSS_235 VSS_325 M39
AK16 VSS_056 VSS_146 AT15 E17 VSS_236 VSS_326 M5
AK22 VSS_057 VSS_147 AT16 E20 VSS_237 VSS_327 M6
AK28 VSS_058 VSS_148 AT17 E23 VSS_238 VSS_328 M9
AK31 VSS_059 VSS_149 AT2 E26 VSS_239 VSS_329 N8
AK32 VSS_060 VSS_150 AT25 E29 VSS_240 VSS_330 P1
AK33 VSS_061 VSS_151 AT27 E32 VSS_241 VSS_331 P2
B AK34 VSS_062 VSS_152 AT28 E36 VSS_242 VSS_332 P36 B
AK35 VSS_063 VSS_153 AT29 E7 VSS_243 VSS_333 P38
AK36 VSS_064 VSS_154 AT3 E8 VSS_244 VSS_334 P40
AK37 VSS_065 VSS_155 AT30 F1 VSS_245 VSS_335 P5
VSS_066 VSS_156 VSS_246 VSS_336 INTEL LGA 1156P BACK PLATE,3 SCREW INTEL LGA1156 SOCKET ILM
AK4 AT31 F10 P6
AK40 VSS_067 VSS_157 AT32 F13 VSS_247 VSS_337 R33 PT44P11-6401 SOCKET1156_ILM
AK5 VSS_068 VSS_158 AT33 F14 VSS_248 VSS_338 R35
AK6 VSS_069 VSS_159 AT34 F17 VSS_249 VSS_339 R37
AK7 VSS_070 VSS_160 AT35 F2 VSS_250 VSS_340 R39
AK8 VSS_071 VSS_161 AT36 F20 VSS_251 VSS_341 R8
AK9 VSS_072 VSS_162 AT37 F23 VSS_252 VSS_342 T1
AL11 VSS_073 VSS_163 AT38 F26 VSS_253 VSS_343 T5
AL14 VSS_074 VSS_164 AT39 F29 VSS_254 VSS_344 T6
AL17 VSS_075 VSS_165 AT4 F35 VSS_255 VSS_345 U8
AL19 VSS_076 VSS_166 AT40 F37 VSS_256 VSS_346 V1 CON2
AL24 VSS_077 VSS_167 AT5 F39 VSS_257 VSS_347 V2 1
AL27 VSS_078 VSS_168 AT6 F5 VSS_258 VSS_348 V33 2 NP_NC1
AL30 VSS_079 VSS_169 AT7 F6 VSS_259 VSS_349 V34 3 NP_NC2
AL36 VSS_080 VSS_170 AT8 F9 VSS_260 VSS_350 V35 4 NP_NC3
AL5 VSS_081 VSS_171 AT9 G11 VSS_261 VSS_351 V36 NP_NC4
AM1 VSS_082 VSS_172 AU1 G12 VSS_262 VSS_352 V37 INTEL_1156_BP
AM11 VSS_083 VSS_173 AU15 G17 VSS_263 VSS_353 V38
AM14 VSS_084 VSS_174 AU26 G20 VSS_264 VSS_354 V39
AM17 VSS_085 VSS_175 AU34 G23 VSS_265 VSS_355 V40 NI
AM2 VSS_086 VSS_176 AU4 G26 VSS_266 VSS_356 V5
AM21 VSS_087 VSS_177 AU6 G29 VSS_267 VSS_357 W6
AM23 VSS_088 VSS_178 AU8 G34 VSS_268 VSS_358 Y5
AM25 VSS_089 VSS_179 AV10 G7 VSS_269 VSS_359 Y8
VSS_090 VSS_180 AY37 VSS_270 VSS_360
A VSS_NCTF_03 A
A4 B3
AV39 VSS_NCTF_01 VSS_NCTF_04
VSS_NCTF_02

PEGATRON DT-MB RESTRICTED SECRET


GND GND GND
GND GND
GND SOCKET_1155P
I
Title : VSS 6 - 6
SOCKET_1155P Engineer:
I
PEGATRON CORPORATION Ethan_Chen
Size Project Name Rev
A3 IPISB-NK 1.03
Date: Thursday, April 21, 2011 Sheet 14 of 80
5 4 3 2 1
5 4 3 2 1

M_CHA_MAA[0..15] 9

D D
M_CHA_DQ[0..63] 9

(9.2H)

DIMMA0A
M_CHA_MAA0 98 5 M_CHA_DQ4 I
M_CHA_MAA1 97 A0 DQ0 7 M_CHA_DQ0 +1P5V_DUAL +1P5V_DUAL
M_CHA_MAA2 96 A1 DQ1 15 M_CHA_DQ2 DIMMA0B
M_CHA_MAA3 95 A2 DQ2 17 M_CHA_DQ3 75 76
M_CHA_MAA4 92 A3 DQ3 4 M_CHA_DQ1 81 VDD1 VDD2 82
M_CHA_MAA5 91 A4 DQ4 6 M_CHA_DQ5 87 VDD3 VDD4 88
M_CHA_MAA6 90 A5 DQ5 16 M_CHA_DQ7 93 VDD5 VDD6 94
M_CHA_MAA7 86 A6 DQ6 18 M_CHA_DQ6 99 VDD7 VDD8 100
M_CHA_MAA8 89 A7 DQ7 21 M_CHA_DQ13 105 VDD9 VDD10 106
M_CHA_MAA9 85 A8 DQ8 23 M_CHA_DQ12 111 VDD11 VDD12 112
M_CHA_MAA10 107 A9 DQ9 33 M_CHA_DQ15 117 VDD13 VDD14 118
M_CHA_MAA11 84 A10/AP DQ10 35 M_CHA_DQ14 123 VDD15 VDD16 124
M_CHA_MAA12 83 A11 DQ11 22 M_CHA_DQ8 VDD17 VDD18
M_CHA_MAA13 119 A12/BC# DQ12 24 M_CHA_DQ9
M_CHA_MAA14 80 A13 DQ13 34 M_CHA_DQ11 2 3
M_CHA_MAA15 78 A14 DQ14 36 M_CHA_DQ10 8 VSS1 VSS2 9
A15 DQ15 39 M_CHA_DQ16 13 VSS3 VSS4 14
DQ16 41 M_CHA_DQ21 19 VSS5 VSS6 20
102 DQ17 51 M_CHA_DQ18 25 VSS7 VSS8 26
9 M_CHA_CLK1 CK1 DQ18 VSS9 VSS10
104 53 M_CHA_DQ23 31 32
9 M_CHA_CLK1# CK1# DQ19 VSS11 VSS12
101 40 M_CHA_DQ20 37 38
9 M_CHA_CLK0 CK0 DQ20 VSS13 VSS14
103 42 M_CHA_DQ17 43 44
9 M_CHA_CLK0# CK0# DQ21 VSS15 VSS16
C 50 M_CHA_DQ19 48 49 C
121 DQ22 52 M_CHA_DQ22 54 VSS17 VSS18 55
9 M_CHA_CS#1 S1# DQ23 VSS19 VSS20
114 57 M_CHA_DQ24 60 61
9 M_CHA_CS#0 S0# DQ24 VSS21 VSS22
59 M_CHA_DQ25 65 66
120 DQ25 67 M_CHA_DQ26 71 VSS23 VSS24 72
9 M_CHA_ODT1 ODT1 DQ26 VSS25 VSS26
116 69 M_CHA_DQ27 127 128
9 M_CHA_ODT0 ODT0 DQ27 VSS27 VSS28
56 M_CHA_DQ29 133 134
113 DQ28 58 M_CHA_DQ28 138 VSS29 VSS30 139
9 M_CHA_WE# WE# DQ29 GND VSS31 VSS32
110 68 M_CHA_DQ31 144 145
9 M_CHA_RAS# RAS# DQ30 VSS33 VSS34
115 70 M_CHA_DQ30 150 151
9 M_CHA_CAS# CAS# DQ31 VSS35 VSS36
129 M_CHA_DQ33 155 156
79 DQ32 131 M_CHA_DQ36 161 VSS37 VSS38 162
9 M_CHA_BA2 108 BA2 DQ33 141 M_CHA_DQ39 167 VSS39 VSS40 168
9 M_CHA_BA1 109 BA1 DQ34 143 M_CHA_DQ38 172 VSS41 VSS42 173
9 M_CHA_BA0 BA0 DQ35 130 M_CHA_DQ32 178 VSS43 VSS44 179
74 DQ36 132 M_CHA_DQ37 184 VSS45 VSS46 185
9 M_CHA_CKE1 73 CKE1 DQ37 140 M_CHA_DQ35 189 VSS47 VSS48 190
9 M_CHA_CKE0 CKE0 DQ38 142 M_CHA_DQ34 195 VSS49 VSS50 196
201 DQ39 147 M_CHA_DQ45 VSS51 VSS52
197 SA1 DQ40 149 M_CHA_DQ44 +1P5V_DUAL +1P5V_DUAL 207
SA0 DQ41 157 M_CHA_DQ46 198 GND1 208
DQ42 159 M_CHA_DQ47 125 EVENT# GND2
188 DQ43 146 M_CHA_DQ40 TEST 205 +VTT_DDR
9 M_CHA_DQS7 GND DQS7 DQ44 NP_NC1

1
186 148 M_CHA_DQ41 77 206
9 M_CHA_DQS7# DQS#7 DQ45 NC1 NP_NC2
9 M_CHA_DQS6
171
DQS6 DQ46
158 M_CHA_DQ43 I I 122
NC2 GND
169 160 M_CHA_DQ42 D3R31 D3R30 203
9 M_CHA_DQS6# DQS#6 DQ47 VTT1
154 163 M_CHA_DQ48 1K 1K 204
9 M_CHA_DQS5 DQS5 DQ48 VTT2
152 165 M_CHA_DQ49 1% 1% +3P3V
9 M_CHA_DQS5#

2
DQS#5 DQ49

1
9 M_CHA_DQS4
137
DQS4 DQ50
175 M_CHA_DQ55 DIMM_CA_VREF_A 126
VREFCA I I I
B 135 177 M_CHA_DQ54 DIMM_VREF_A 1 199 D3CB1 D3CB49 D3CB16 B
9 M_CHA_DQS4# DQS#4 DQ51 14 DIMM_VREF_A VREFDQ VDDSPD
64 164 M_CHA_DQ53 0.1UF/16V 0.1UF/16V 4.7UF/6.3V
9 M_CHA_DQS3

2
62 DQS3 DQ52 166 M_CHA_DQ52 DDR3_S-DIMM_204P X7R 10% X7R 10% X5R 10%
9 M_CHA_DQS3# DQS#3 DQ53

1
47 174 M_CHA_DQ51 mx_c0805_small
9 M_CHA_DQS2 DQS2 DQ54

1
45 176 M_CHA_DQ50 C9351 C9350
9 M_CHA_DQS2# DQS#2 DQ55

1
9 M_CHA_DQS1
29 181 M_CHA_DQ60 I I I I I 1UF/6.3V 1UF/6.3V

2
27 DQS1 DQ56 183 M_CHA_DQ61 D3R22 D3R32 D3CB48 D3CB15 C9373
9 M_CHA_DQS1# DQS#1 DQ57 X5R 10% X5R 10% GND GND GND
12 191 M_CHA_DQ63 1K 1K 0.1UF/16V 0.1UF/16V 1UF/6.3V
9 M_CHA_DQS0

2
10 DQS0 DQ58 193 M_CHA_DQ62 1% 1% X7R 10% X7R 10% I I
9 M_CHA_DQS0# X5R 10%

2
DQS#0 DQ59 180 M_CHA_DQ57
187 DQ60 182 M_CHA_DQ56
DM7 DQ61 GND GND
170 192 M_CHA_DQ58
153 DM6 DQ62 194 M_CHA_DQ59
DM5 DQ63 GND GND GND GND GND
136
63 DM4
46 DM3
28 DM2
GND DM1
11
DM0
202 30
16,47,48,55,78,79 SMB_CLK_M SCL RESET# DDR3_DRAMRST# 9,16
200
16,47,48,55,78,79 SMB_DATA_M SDA
DDR3_S-DIMM_204P
I

A A

Title : DDR3 CHANNEL A


PEGATRON CORPORATION Engineer: Ethan_Chen
Size Project Name Rev
A3 IPISB-NK 1.03
Date: Wednesday, April 20, 2011 Sheet 15 of 80
5 4 3 2 1
5 4 3 2 1

M_CHB_DQ[0..63] 10

M_CHB_MAA[0..15] 10

D D

+1P5V_DUAL
(5.2H) +1P5V_DUAL
DIMMB0B
DIMMB0A 75 76
M_CHB_MAA0 98 5 M_CHB_DQ0 81 VDD1 VDD2 82
M_CHB_MAA1 97 A0 DQ0 7 M_CHB_DQ4 87 VDD3 VDD4 88
M_CHB_MAA2 96 A1 DQ1 15 M_CHB_DQ7 93 VDD5 VDD6 94
M_CHB_MAA3 95 A2 DQ2 17 M_CHB_DQ6 99 VDD7 VDD8 100
M_CHB_MAA4 92 A3 DQ3 4 M_CHB_DQ1 105 VDD9 VDD10 106
M_CHB_MAA5 91 A4 DQ4 6 M_CHB_DQ5 111 VDD11 VDD12 112
M_CHB_MAA6 90 A5 DQ5 16 M_CHB_DQ2 117 VDD13 VDD14 118
M_CHB_MAA7 86 A6 DQ6 18 M_CHB_DQ3 123 VDD15 VDD16 124
M_CHB_MAA8 89 A7 DQ7 21 M_CHB_DQ8 VDD17 VDD18
M_CHB_MAA9 85 A8 DQ8 23 M_CHB_DQ9
M_CHB_MAA10 107 A9 DQ9 33 M_CHB_DQ15 2 3
M_CHB_MAA11 84 A10/AP DQ10 35 M_CHB_DQ14 8 VSS1 VSS2 9
M_CHB_MAA12 83 A11 DQ11 22 M_CHB_DQ13 13 VSS3 VSS4 14
M_CHB_MAA13 119 A12/BC# DQ12 24 M_CHB_DQ12 19 VSS5 VSS6 20
M_CHB_MAA14 80 A13 DQ13 34 M_CHB_DQ10 25 VSS7 VSS8 26
M_CHB_MAA15 78 A14 DQ14 36 M_CHB_DQ11 31 VSS9 VSS10 32
A15 DQ15 39 M_CHB_DQ17 37 VSS11 VSS12 38
DQ16 41 M_CHB_DQ16 43 VSS13 VSS14 44
102 DQ17 51 M_CHB_DQ23 48 VSS15 VSS16 49
10 M_CHB_CLK1 CK1 DQ18 VSS17 VSS18
104 53 M_CHB_DQ22 54 55
10 M_CHB_CLK1# CK1# DQ19 VSS19 VSS20
101 40 M_CHB_DQ20 60 61
10 M_CHB_CLK0 CK0 DQ20 VSS21 VSS22
103 42 M_CHB_DQ21 65 66
10 M_CHB_CLK0# CK0# DQ21 VSS23 VSS24
C 50 M_CHB_DQ19 71 72 C
121 DQ22 52 M_CHB_DQ18 127 VSS25 VSS26 128
10 M_CHB_CS#1 S1# DQ23 VSS27 VSS28
114 57 M_CHB_DQ24 133 134
10 M_CHB_CS#0 S0# DQ24 VSS29 VSS30
59 M_CHB_DQ25 GND 138 139
120 DQ25 67 M_CHB_DQ27 144 VSS31 VSS32 145
10 M_CHB_ODT1 ODT1 DQ26 VSS33 VSS34
116 69 M_CHB_DQ26 150 151
10 M_CHB_ODT0 ODT0 DQ27 VSS35 VSS36
56 M_CHB_DQ29 155 156
113 DQ28 58 M_CHB_DQ28 161 VSS37 VSS38 162
10 M_CHB_WE# WE# DQ29 VSS39 VSS40
110 68 M_CHB_DQ30 167 168
10 M_CHB_RAS# RAS# DQ30 VSS41 VSS42
115 70 M_CHB_DQ31 172 173
10 M_CHB_CAS# CAS# DQ31 VSS43 VSS44
129 M_CHB_DQ36 178 179
79 DQ32 131 M_CHB_DQ37 184 VSS45 VSS46 185
10 M_CHB_BA2 108 BA2 DQ33 141 M_CHB_DQ38 189 VSS47 VSS48 190
10 M_CHB_BA1 109 BA1 DQ34 143 M_CHB_DQ39 195 VSS49 VSS50 196
10 M_CHB_BA0 BA0 DQ35 130 M_CHB_DQ32 VSS51 VSS52
74 DQ36 132 M_CHB_DQ33 +1P5V_DUAL +1P5V_DUAL 207
10 M_CHB_CKE1 73 CKE1 DQ37 140 M_CHB_DQ34 198 GND1 208
10 M_CHB_CKE0 +3P3V CKE0 DQ38 142 M_CHB_DQ35 125 EVENT# GND2
201 DQ39 147 M_CHB_DQ40 TEST 205 +VTT_DDR
SA1 DQ40 NP_NC1

1
197 149 M_CHB_DQ41 77 206
SA0 DQ41 NC1 NP_NC2
DQ42
157 M_CHB_DQ47 I I 122
NC2 GND
159 M_CHB_DQ46 D3R33 D3R36 203
188 DQ43 146 M_CHB_DQ44 1K 1K VTT1 204
10 M_CHB_DQS7 GND DQS7 DQ44 VTT2
186 148 M_CHB_DQ45 1% 1% +3P3V
10 M_CHB_DQS7#

2
DQS#7 DQ45

1
10 M_CHB_DQS6
171
DQS6 DQ46
158 M_CHB_DQ42 DIMM_CA_VREF_B 126
VREFCA I I
169 160 M_CHB_DQ43 DIMM_VREF_B 1 199 D3CB52 D3CB5
10 M_CHB_DQS6# DQS#6 DQ47 14 DIMM_VREF_B VREFDQ VDDSPD
154 163 M_CHB_DQ52 0.1UF/16V 4.7UF/6.3V
10 M_CHB_DQS5

2
152 DQS5 DQ48 165 M_CHB_DQ53 DDR3_DIMM_204P X7R 10% X5R 10%
10 M_CHB_DQS5# DQS#5 DQ49
137 175 M_CHB_DQ54 I mx_c0805_small
10 M_CHB_DQS4 DQS4 DQ50

1
B 135 177 M_CHB_DQ55 B
10 M_CHB_DQS4# DQS#4 DQ51

1
10 M_CHB_DQS3
64
DQS3 DQ52
164 M_CHB_DQ49 I I I I I
62 166 M_CHB_DQ48 D3R35 D3R37 D3CB51 D3CB50 C9374 GND GND
10 M_CHB_DQS3# DQS#3 DQ53
47 174 M_CHB_DQ50 1K 1K 0.1UF/16V 0.1UF/16V 1UF/6.3V
10 M_CHB_DQS2

2
45 DQS2 DQ54 176 M_CHB_DQ51 1% 1% X7R 10% X7R 10%
10 M_CHB_DQS2# X5R 10%

2
29 DQS#2 DQ55 181 M_CHB_DQ61
10 M_CHB_DQS1 DQS1 DQ56
27 183 M_CHB_DQ60
10 M_CHB_DQS1# DQS#1 DQ57
12 191 M_CHB_DQ58
10 M_CHB_DQS0 DQS0 DQ58
10 193 M_CHB_DQ59 GND GND GND GND GND
10 M_CHB_DQS0# DQS#0 DQ59 180 M_CHB_DQ57
187 DQ60 182 M_CHB_DQ56
170 DM7 DQ61 192 M_CHB_DQ62
153 DM6 DQ62 194 M_CHB_DQ63
136 DM5 DQ63
63 DM4
46 DM3
28 DM2
GND DM1
11
DM0
202 30
15,47,48,55,78,79 SMB_CLK_M SCL RESET# DDR3_DRAMRST# 9,15
1

15,47,48,55,78,79 SMB_DATA_M
200
SDA I
D3C4
DDR3_DIMM_204P 0.1UF/16V
2

I X7R 10%
GND

A A

Title : DDR3 CHANNEL B


PEGATRON CORPORATION Engineer: Ethan_Chen
Size Project Name Rev
A3 IPISB-NK 1.03
Date: Wednesday, April 20, 2011 Sheet 16 of 80
5 4 3 2 1
5 4 3 2 1

+1P5V_DUAL

NOTE:

1
D I I I I D
D3CB18 D3CB19 D3CB20 D3CB21 Place those cap close to CH A DIMM0
1UF/6.3V 1UF/6.3V 1UF/6.3V 1UF/6.3V

2
X5R 10% X5R 10% X5R 10% X5R 10%

GND GND GND GND

NOTE:

1
I I I I Place those cap close to CH B DIMM0
D3CB32 D3CB33 D3CB34 D3CB35
1UF/6.3V 1UF/6.3V 1UF/6.3V 1UF/6.3V

2
X5R 10% X5R 10% X5R 10% X5R 10%

GND GND GND GND

Place those cap between CH A DIMM0 to CH B DIMM0

C C
TBD

1
+ + + +
1

1
I I I I I I D3CE3 D3CE1 D3CE2 D3CE4
D3CB72 D3CB73 D3CB74 D3CB75 D3CB76 D3CB77 330UF/2V 330UF/2V 330UF/2V 330UF/2V
22UF/6.3V 22UF/6.3V 22UF/6.3V 22UF/6.3V 22UF/6.3V 22UF/6.3V NI NI NI NI
2

2
X5R 20% X5R 20% X5R 20% X5R 20% X5R 20% X5R 20%

GND GND GND GND


GND GND GND GND GND GND

Place D3CB77 near CH B DIMM0

B B

NOTE:
DIMM Placement for different platform

DIMM DIMM
2 1 4 3 2 1 4 3

A LGA1155 A
LGA1156
SNB
LFD/CKD
PEGATRON DT-MB RESTRICTED SECRET
Title : DDR3 TERMINATION A&B
CH A CH B CH A CH B PEGATRON CORPORATION Engineer: Ethan_Chen
Size Project Name Rev
A3 IPISB-NK 1.03
Date: Thursday, April 21, 2011 Sheet 17 of 80
5 4 3 2 1
5 4 3 2 1

I R429

D 0 D

PLTRST_CPU# 12,18
+3P3V

NI +3P3V

1
R130

14
1KOhm
5% 74LVC14AD
VCC

2
1 2 NI SR195 1 2 22
PCIE_RST# 21,37,39,44,47,48,52
NI
NI Q10 3 GND
R129 PMBS3904 C U9391A

7
1 2 1 B NI

10KOhm E
5% 2 GND

178 ohm in CRB and PDG


GND
I HR46 1 2 180 1%
DPWROK_IN 59
C C
I HR48 1 2 1K
CPURST_XDP# 78,79

1
I
HR49
75
I 0 R432 +3VA +BATT
1% +3P3VSB
26,49,59,79 PLTRST#

2
PM_RSMRST_IN# 59

2
+BATT +3P3VSB

1
I O2R3 PR924

1
R143 10K 7.5M
PLTRST_CPU#

2
GND O2R4 1K I 1%

1
PR925 I 10K +5VA

1
1M R144
I

2
I 1K PU702

2
0 8 1 I I R430 DPWROK 26,59,79

1
I R431 7 VCC OUT1 2

2
26,59 PM_RSMRST# 6 OUT2 -IN1 3 0
5 -IN2 +IN1 4
+IN2 VEE

1
I LM393

1
O2R5 I
O2R6 10K SR20 C60
10K 6.8M 0.1UF
I

2
1

2
I
NI 1%

2
+3VA_EC +3VA_EC +12V
Rev C61 SR25

2
0.1UF 10M GND

2
B 1.1 I
I GND B
GND GND

1
R1804 R1803 GND
4.7K 4.7K
GND GND
NI NI
NI
PCH
1

Q63
G

2N7002
3

S 2

59 SML0_CLK_EC SML1_CLK 23
D

I R1811 0 NI
1

Q64
G

2N7002
3

S 2

59 SML0_DATA_EC SML1_DATA 23
D

I R1812 0

EC +3P3V +3P3V
+12V

R1816 R1815
2.2KOHM 2.2KOHM
NI NI
GPU TEMP
1

Q61
G

2N7002
3

S 2

SMB1_CLK_MXM 21
NI
D

I R1813 0
1

A A
Q62
G

2N7002
3

S 2

SMB1_DATA_MXM 21
NI
D

I R1814 0 PEGATRON DT-MB RESTRICTED SECRET


Title : PLTRST_CPU#&SMbus
PEGATRON CORPORATION Engineer: Ethan_Chen
Size Project Name Rev
A3 IPISB-NK 1.03
Date: Friday, April 22, 2011 Sheet 18 of 80
5 4 3 2 1
5 4 3 2 1

D D

C C

B B

A Title : PLTRST_CPU#&SMbus A

PEGATRON CORPORATION Engineer: Ethan_Chen


Size Project Name Rev
A IPISB-NK 1.03
Date: Wednesday, April 20, 2011 Sheet 19 of 80

5 4 3 2 1
5 4 3 2 1

D D

+3P3V +3P3V +19V

+5V +5V_LCD
Q9307
1

2
AP2306GN
converter Conn.
R133 R88
1K 1K R8823 I

2 S
4.7K

D
3
2

2
+19V I I D8865

G
1
I
1 2 I

1
SCR_PWM 34
1SS355PT SB R78
1 2
IN_CON1 D8864

1
1 1 2 10K R77
Panel_ID0 25 LCD_BL_PWM 59 I
+3.3V
C 2 1SS355PT I 1 2 C
PLED Panel_ID1 25

2
3 +3P3V R76
IDELED

GND1
4 from EC R8822 10K Q9306 3 10

1
5 LVDS_BL_PWM_MOS 8.2K C I

2
NC

1
6 INV_EN 1 B
I C82
I

1
SLEEP_LED#
7 1UF/16V + I

2
GND2
8 I R87 E X7R 10% CE2
1

PWRBTN#
D4502 10K 3 2
PMBS3904 100uF/16V
CB78 D
WAFER_HD_8P 1 2 I
SCR_BL_EN 34

2
I 0.1UF/25V 1SS355PT SB GND Q9305
EMI
2

1
G 2N7002
2 S

2
GND D8845 I
1 2 LVDS_LCDEN R75
LCD_BACKOFF_EC# 59
1SS355PT I 4.7
GND
from EC D4503
5%
GND GND GND GND

1 1
2 1 NI
34 SCR_LVDS_EN
SB 1SS355PT NI
C81
0.1UF/16V

LCD ON/OFF

2
D8844
2 1
59 LCD_VDD_EN_EC
I 1SS355PT GND
from EC

B B

A A

Title : converter
PEGATRON CORPORATION Engineer: Ethan_Chen
Size Project Name Rev
Custom IPISB-NK 1.03
Date: Friday, April 22, 2011 Sheet 20 of 80
5 4 3 2 1
5 4 3 2 1
MXM1A
279 +5V
34 DVI_CLK_MXM DP_A_AUX
277
34 DVI_DATA_MXM DP_A_AUX#
276
34 DVI_HPD_MXM DP_A_HPD
1 I 2 0.1UF/16V
NCB181 DVI_TXP2_MXM_C 255 150 PEG_TXP0_MUX_C 1
NCB144 I 2 0.1UF/16V
34 DVI_TXP2_MXM DP_A_L0 PEX_TX0 PEG_TXP0 11
1 I 2 0.1UF/16V
NCB178 DVI_TXN2_MXM_C 253 148 PEG_TXN0_MUX_C 1
NCB138 I 2 0.1UF/16V
34 DVI_TXN2_MXM DP_A_L0# PEX_TX0# PEG_TXN0 11
1 I 2 0.1UF/16V I
2.5A
NCB179 DVI_TXP1_MXM_C 261 149 PEG_RXP0_C 1
NCB170 2 0.1UF/16V +3P3V
34 DVI_TXP1_MXM DP_A_L1 PEX_RX0 PEG_RXP0 11
1 I 2 0.1UF/16V
NCB180 DVI_TXN1_MXM_C 259 147 PEG_RXN0_C 1
NCB171 I 2 0.1UF/16V MXM1B
34 DVI_TXN1_MXM DP_A_L1# PEX_RX0# PEG_RXN0 11

9
7
5
3
1 I 2 0.1UF/16V
NCB185 DVI_TXP0_MXM_C 267
34 DVI_TXP0_MXM DP_A_L2
1 I 2 0.1UF/16V
NCB182 DVI_TXN0_MXM_C 265 144 PEG_TXP1_MUX_C 1
NCB141 I 2 0.1UF/16V 1 11

5V_5
5V_4
5V_3
5V_2
34 DVI_TXN0_MXM DP_A_L2# PEX_TX1 PEG_TXP1 11 5V_1 GND_1
1 I 2 0.1UF/16V I
1A
NCB184 DVI_CLKP_MXM_C 273 142 PEG_TXN1_MUX_C 1
NCB135 2 0.1UF/16V 36
34 DVI_CLKP_MXM DP_A_L3 PEX_TX1# PEG_TXN1 11 GND_2
1 I 2 0.1UF/16V
NCB183 DVI_CLKN_MXM_C 271 143 PEG_RXP1_C 1
NCB169 I 2 0.1UF/16V 278 37
34 DVI_CLKN_MXM DP_A_L3# PEX_RX1 PEG_RXP1 11 3V3_1 GND_3
141 PEG_RXN1_C 1
NCB168 I 2 0.1UF/16V
PEG_RXN1 11
280 46
PEX_RX1# 4 3V3_2 GND_4 47
26,37,44,47,48,52 PCIE_WAKE# WAKE# GND_5
272
DP_B_AUX PEX_TX2
138 PEG_TXP2_MUX_C 1
NCB136 I 2 0.1UF/16V
PEG_TXP2 11 GND_6
52
typeA NUT 270
DP_B_AUX# PEX_TX2#
136 PEG_TXN2_MUX_C 1
NCB143 I 2 0.1UF/16V
PEG_TXN2 11
NOBOM T6905 1 TP_MXM_CLK_REQ# [OD] 154
CLK_REQ# GND_7
53
+3P3V 274
DP_B_HPD PEX_RX2
137 PEG_RXP2_C 1
NCB167 I 2 0.1UF/16V
PEG_RXP2 11 GND_8
58
D 248
DP_B_L0 PEX_RX2#
135 PEG_RXN2_C 1
NCB166 I 2 0.1UF/16V
PEG_RXN2 11
38
OEM_1 GND_9
59 D
I I 246 39 64
DP_B_L0# OEM_2 GND_10
H_MXM1 H_MXM2 254 122 PEG_TXP3_MUX_C 1
NCB134 I 2 0.1UF/16V
PEG_TXP3 11
40 65
DP_B_L1 PEX_TX3 OEM_3 GND_11
252
DP_B_L1# PEX_TX3#
120 PEG_TXN3_MUX_C 1
NCB130 I 2 0.1UF/16V
PEG_TXN3 11
41
OEM_4 GND_12
70
I I 260
DP_B_L2 PEX_RX3
123 PEG_RXP3_MUX_C 1
NCB165 I 2 0.1UF/16V
PEG_RXP3 11
42
OEM_5 GND_13
71

1
258
DP_B_L2# PEX_RX3#
121 PEG_RXN3_MUX_C 1
NCB164 I 2 0.1UF/16V
PEG_RXN3 11
43
OEM_6 GND_14
76
TC217BC136D106 TC217BC136D106 266 44 77
2.2K 2.2K DP_B_L3 +5V OEM_7 GND_15
264
DP_B_L3# PEX_TX4
116 PEG_TXP4_C 1
NCB117 I 2 0.1UF/16V
PEG_TXP4 11
45
OEM_8 GND_16
82
NR116 NR115 114 PEG_TXN4_C 1
NCB113 I 2 0.1UF/16V 83
PEX_TX4# PEG_TXN4 11 GND_17
117 PEG_RXP4_C 1
NCB163 I 2 0.1UF/16V
PEG_RXP4 11
10 88

2
PEX_RX4 RSVD_1 GND_18
GND GND 36 HDMI_CLK_MXM
225
DP_C_AUX PEX_RX4#
115 PEG_RXN4_C 1
NCB162 I 2 0.1UF/16V
PEG_RXN4 11
12
RSVD_2 GND_19
89
223 14 94
36 HDMI_DATA_MXM DP_C_AUX# CB90 RSVD_3 GND_20

1
36 HDMI_HPD_MXM
234
DP_C_HPD PEX_TX5
110 PEG_TXP5_C 1
NCB125 I 2 0.1UF/16V
PEG_TXP5 11
16
RSVD_4 GND_21
95
10UF/16V CB76 CB94
36 HDMI_TXP2_MXM
I 0.1UF/10V 1 2 C48 HDMI_TXP2_MXM_C201 108 PEG_TXN5_C 1
NCB127 I 2 0.1UF/16V
PEG_TXN5 11
159 100
DP_C_L0 PEX_TX5# RSVD_5 GND_22
36 HDMI_TXN2_MXM
I 0.1UF/10V 1 2 C50 HDMI_TXN2_MXM_C199 111 PEG_RXP5_C 1
NCB161 I 2 0.1UF/16V
PEG_RXP5 11
X5R 10% 0.1UF/16V 0.1UF/16V 161 101

2
DP_C_L0# PEX_RX5 I I RSVD_6 GND_23
36 HDMI_TXP1_MXM
I 0.1UF/10V 1 2 C49 HDMI_TXP1_MXM_C207
DP_C_L1 PEX_RX5#
109 PEG_RXN5_C 1
NCB160 I 2 0.1UF/16V
PEG_RXN5 11 0805 163
RSVD_7 GND_24
106
I 0.1UF/10V 1 2 C51 HDMI_TXN1_MXM_C205 I 165 107
36 HDMI_TXN1_MXM DP_C_L1# RSVD_8 GND_25
36 HDMI_TXP0_MXM
I 0.1UF/10V 1 2 C53 HDMI_TXP0_MXM_C213 104 PEG_TXP6_C 1
NCB140 I 2 0.1UF/16V
PEG_TXP6 11
167 112
DP_C_L2 PEX_TX6 RSVD_9 GND_26
36 HDMI_TXN0_MXM
I 0.1UF/10V 1 2 C54 HDMI_TXN0_MXM_C211 102 PEG_TXN6_C 1
NCB145 I 2 0.1UF/16V
PEG_TXN6 11
227 113
DP_C_L2# PEX_TX6# RSVD_10 GND_27
36 HDMI_CLKP_MXM
I 0.1UF/10V 1 2 C56 HDMI_CLKP_MXM_C219
DP_C_L3 PEX_RX6
105 PEG_RXP6_C 1
NCB159 I 2 0.1UF/16V
PEG_RXP6 11
229
RSVD_11 GND_28
118
36 HDMI_CLKN_MXM
I 0.1UF/10V 1 2 C55 HDMI_CLKN_MXM_C217
DP_C_L3# PEX_RX6#
103 PEG_RXN6_C 1
NCB158 I 2 0.1UF/16V
PEG_RXN6 11 GND 231
RSVD_12 GND_29
119
+3P3V 233 124
RSVD_13 GND_30
98 PEG_TXP7_C 1
NCB123 I 2 0.1UF/16V
PEG_TXP7 11
235 125
PEX_TX7 RSVD_14 GND_31
232
DP_D_AUX PEX_TX7#
96 PEG_TXN7_C 1
NCB121 I 2 0.1UF/16V
PEG_TXN7 11
237
RSVD_15 GND_32
133
230
DP_D_AUX# PEX_RX7
99 PEG_RXP7_C 1
NCB156 I 2 0.1UF/16V
PEG_RXP7 11 CB86
238
RSVD_16 GND_33
134

1
236 97 PEG_RXN7_C 1
NCB157 I 2 0.1UF/16V
PEG_RXN7 11
239 139
208 DP_D_HPD PEX_RX7# 10UF/16V CB87 CB75 CB1 240 RSVD_17 GND_34 140
DP_D_L0 RSVD_18 GND_35
206 92 PEG_TXP8_C 1
NCB132 I 2 0.1UF/16V
PEG_TXP8 11
X5R 10% 0.1UF/16V 0.1UF/16V 4.7UF/6.3V 241 145

2
DP_D_L0# PEX_TX8 I I RSVD_19 GND_36
214 90 PEG_TXN8_C 1
NCB137 I 2 0.1UF/16V
PEG_TXN8 11
0805 X5R 10% 242 146
DP_D_L1 PEX_TX8# RSVD_20 GND_37
212
DP_D_L1# PEX_RX8
93 PEG_RXP8_C 1
NCB154 I 2 0.1UF/16V
PEG_RXP8 11
I
I
243
RSVD_21 GND_38
151
220 91 PEG_RXN8_C 1
NCB155 I 2 0.1UF/16V
PEG_RXN8 11
245 152
218 DP_D_L2 PEX_RX8# 247 RSVD_22 GND_39 157
DP_D_L2# RSVD_23 GND_40
226
DP_D_L3 PEX_TX9
86 PEG_TXP9_C 1
NCB114 I 2 0.1UF/16V
PEG_TXP9 11
249
RSVD_24 GND_41
166
224
DP_D_L3# PEX_TX9#
84 PEG_TXN9_C 1
NCB142 I 2 0.1UF/16V
PEG_TXN9 11 GND GND_42
173
PEX_RX9
87 PEG_RXP9_C 1
NCB152 I 2 0.1UF/16V
PEG_RXP9 11
E4
GND_74 GND_43
174
C
PEX_RX9#
85 PEG_RXN9_C 1
NCB153 I 2 0.1UF/16V
PEG_RXN9 11
E3
GND_75 GND_44
179 C
NOBOM T73 1 31 +19V 275 180
DVI_HPD GND_76 GND_45
80 PEG_TXP10_C 1
NCB124 I 2 0.1UF/16V
PEG_TXP10 11
268 185
PEX_TX10 GND_77 GND_46
78 PEG_TXN10_C 1
NCB122 I 2 0.1UF/16V
PEG_TXN10 11
269 186
PEX_TX10# GND_78 GND_47
22 L1_TX0+_MXM
202
LVDS_LTX0 PEX_RX10
81 PEG_RXP10_C 1
NCB177 I 2 0.1UF/16V
PEG_RXP10 11 CB93 CB88
263
GND_79 GND_48
191

1
22 L1_TX0-_MXM
200
LVDS_LTX0# PEX_RX10#
79 PEG_RXN10_C 1
NCB176 I 2 0.1UF/16V
PEG_RXN10 11
262
GND_80 GND_49
192
196 10UF/25V 10UF/25V CB89 CB77 257 197
22 L1_TX1+_MXM LVDS_LTX1 GND_81 GND_50
22 L1_TX1-_MXM
194 74 PEG_TXP11_C 1
NCB139 I 2 0.1UF/16V
PEG_TXP11 11
X5R 10% X5R 10% 0.1UF/25V 0.1UF/25V 256 198

2
LVDS_LTX1# PEX_TX11 I I GND_82 GND_51
22 L1_TX2+_MXM
190
LVDS_LTX2 PEX_TX11#
72 PEG_TXN11_C 1
NCB133 I 2 0.1UF/16V
PEG_TXN11 11
I I 251
GND_83 GND_52
203
22 L1_TX2-_MXM
188
LVDS_LTX2# PEX_RX11
75 PEG_RXP11_C 1
NCB172 I 2 0.1UF/16V
PEG_RXP11 11
250
GND_84
22 L1_TX3+_MXM
184 73 PEG_RXN11_C 1
NCB173 I 2 0.1UF/16V
PEG_RXN11 11
244 17
182 LVDS_LTX3 PEX_RX11# 228 GND_85 GND_53 15
22 L1_TX3-_MXM LVDS_LTX3# GND_86 GND_54
68 PEG_TXP12_C 1
NCB119 I 2 0.1UF/16V
PEG_TXP12 11
222 13
PEX_TX12 GND_87 GND_55
22 L1_TXC+_MXM
178 66 PEG_TXN12_C 1
NCB120 I 2 0.1UF/16V
PEG_TXN12 11 GND 221
LVDS_LCLK PEX_TX12# GND_88
22 L1_TXC-_MXM
176
LVDS_LCLK# PEX_RX12
69 PEG_RXP12_C 1
NCB175 I 2 0.1UF/16V
PEG_RXP12 11
216
GND_89 GND_56
301
PEX_RX12#
67 PEG_RXN12_C 1
NCB174 I 2 0.1UF/16V
PEG_RXN12 11
215
GND_90 GND_57
300
210 299
GND_91 GND_58
22 L2_TX0+_MXM
195 62 PEG_TXP13_C 1
NCB131 I 2 0.1UF/16V
PEG_TXP13 11
209 298
LVDS_UTX0 PEX_TX13 GND_92 GND_59
22 L2_TX0-_MXM
193
LVDS_UTX0# PEX_TX13#
60 PEG_TXN13_C 1
NCB129 I 2 0.1UF/16V
PEG_TXN13 11
204
GND_93 GND_60
297
22 L2_TX1+_MXM
189
LVDS_UTX1 PEX_RX13
63 PEG_RXP13_C 1
NCB151 I 2 0.1UF/16V
PEG_RXP13 11
+3P3V
GND_61
296
22 L2_TX1-_MXM
187 61 PEG_RXN13_C 1
NCB150 I 2 0.1UF/16V
PEG_RXN13 11
295
183 LVDS_UTX1# PEX_RX13# 286 GND_62 294
22 L2_TX2+_MXM LVDS_UTX2 PWR_SRC_2_1 GND_63
22 L2_TX2-_MXM
181 56 PEG_TXP14_C 1
NCB118 I 2 0.1UF/16V
PEG_TXP14 11 GND 287 319
LVDS_UTX2# PEX_TX14 PWR_SRC_2_2 GNG_64
22 L2_TX3+_MXM
177 54 PEG_TXN14_C 1
NCB116 I 2 0.1UF/16V
PEG_TXN14 11
288
LVDS_UTX3 PEX_TX14# PWR_SRC_2_3
22 L2_TX3-_MXM
175
LVDS_UTX3# PEX_RX14
57 PEG_RXP14_C 1
NCB148 I 2 0.1UF/16V
PEG_RXP14 11
289
PWR_SRC_2_4

1
55 PEG_RXN14_C 1
NCB149 I 2 0.1UF/16V
PEG_RXN14 11 I NI 290 317
171 PEX_RX14# 291 PWR_SRC_2_5 GND_65 316
22 L2_TXC+_MXM LVDS_UCLK +19V PWR_SRC_2_6 GND_66
22 L2_TXC-_MXM
169
LVDS_UCLK# PEX_TX15
50 PEG_TXP15_C 1
NCB126 I 2 0.1UF/16V
PEG_TXP15 11
292
PWR_SRC_2_7 GND_67
314
+3P3V MXM_DDC_CLK 35 48 PEG_TXN15_C 1
NCB128 I 2 0.1UF/16V 2.2K 2.2K 293 315
46 MXM_DDC_CLK LVDS_DDC_CLK PEX_TX15# PEG_TXN15 11 PWR_SRC_2_8 GND_68
+3P3VSB
46 MXM_DDC_DATA
MXM_DDC_DATA 33 51 PEG_RXP15_C 1
NCB147 I 2 0.1UF/16V
PEG_RXP15 11
NR110 NR109 SR197 318 313

2
LVDS_DDC_DAT PEX_RX15 PWR_SRC_2_9 GND_69
49 PEG_RXN15_C 1
NCB146 I 2 0.1UF/16V
PEG_RXN15 11 I 2 0 1
PCIE_RST# 18,37,39,44,47,48,52
302 312
PEX_RX15# PWR_SRC_1_1 GND_70
1

25 303 311
R138 R137 20,59 MXM_BL_EN 27 PNL_BL_EN 155 304 PWR_SRC_1_2 GND_71 310
20 MXM_BL_PWM PNL_BL_PWM PEX_REFCLK CLK_PEGA 28 PWR_SRC_1_3 GND_72
100K 100K 23 153 NR130 305 321
20,59 MXM_LCDEN PNL_PWR_EN PEX_REFCLK# CLK_PEGA# 28 PWR_SRC_1_4 GND_73
B
NI NI
PEX_RST#
156 NI 1 0 2
PLTRST_MXM# 59
306
PWR_SRC_1_5 B
19 PEX_STD_SW# 307
2

281 PEX_STD_SW# 308 PWR_SRC_1_6


20,25,36,46 MXM_PRESENT# PRSNT_L# PWR_SRC_1_7
2 309 GND
PRSNT_R# 2N7002 320 PWR_SRC_1_8

1
MXM_PWR_EN_R 8 24 MXM Q59 PWR_SRC_1_9

G
6 PWR_EN TH_PWM 20 MXM_OVERT#_R

S 2
NR139 1 0 2 I E1 PWR_GOOD TH_OVERT# 22 MXM_ALERT#_R MXM_OVERT# 25 MXM_314P

D
25,26,59 PCH_PWROK +19V PWR_SRC_1 TH_ALERT#
NR138 1 0 2 NI E2 29 I
25 MXM_PWR_EN PWR_SRC_2 HDMI_CEC
1

1
NOBOM 18 I NR129
PWR_LEVEL
T7 1 MXM_PLEVEL
NP_NC1
284 C9364 C118
10KOhm NI 1 0 2
34 285 470PF/50V 0.1UF/16V
18 SMB1_CLK_MXM
2

32 SMB_CLK NP_NC2 R709


18 SMB1_DATA_MXM SMB_DAT X7R 10% Y5V +80-20%
283 I 1 0 2
SIDE1 282 NI NI 2 MXM_ALERT# 25
SIDE2
1

GND PEX_STD_SW#: NR131


C192 C193 172 26 TP_MXM_GPIO0 1 T2 NOBOM GND GND PCI-Express swing
168 VGA_BLUE GPIO0 28 TP_MXM_GPIO1 1 T4 NOBOM
10PF/50V 10PF/50V select pin, system
2

VGA_RED GPIO1
NI NI 170
VGA_GREEN GPIO2
30 TP_MXM_GPIO2 1 T3 NOBOM
164 must tie to GND to
162 VGA_HSYNC select high (desktop)
21 VGA_VSYNC
GND GND VGA_DISABLE# swing level or float
158
160 VGA_DDC_DAT (NC) for low swing.
VGA_DDC_CLK
MXM_314P
I

A A

Title : MXM
PEGATRON CORPORATION Engineer: Ethan_Chen
Size Project Name Rev
Custom IPISB-NK 1.03
Date: Thursday, April 21, 2011 Sheet 21 of 80
5 4 3 2 1
5 4 3 2 1

I
LCD CONN NB & GPU colay 3
I
4 RN4382B
0
1 2 RN4377A
0
200Ohm/100Mhz

4
32 LVDS_L3P_NB LVDS_U3P_NB 32
GL716 +5V_LCD +5V_LCD GL712 NI
32 LVDS_L3N_NB NI 200Ohm/100Mhz
LVDS_U3N_NB 32

1
D I I D
3 I 4 RN4377B 1 I 2 RN4382A
0 0
1 2 RN4378A 3 4 RN4383B
0 0
200Ohm/100Mhz

2
WtoB_CON_30P +5V_LCD
32 LVDS_LCLKP_NB LVDS_UCLKP_NB 32
GL720 31 NI
32 LVDS_LCLKN_NB NI 200Ohm/100Mhz 29 SIDE1 30 GL713
LVDS_UCLKN_NB 32
29 30

1
L1_TX3+_NB_C 27 28 L2_TX3+_NB_C NI

3
27 28

1
I L1_TX3-_NB_C 25
25 26
26 L2_TX3-_NB_C I CB251 NI
3 I 4 RN4378B 23 24 1 I 2 RN4383A 0.1UF/25V CB250
0 0

2
1 2 RN4379A L1_TXC+_NB_C 21 23 24 22 L2_TXC+_NB_C 3 4 RN4384B mx_c0603_small 0.1UF/25V
0 0

2
L1_TXC-_NB_C 19 21 22 20 L2_TXC-_NB_C Y5V +80-20% mx_c0603_small
17 19 20 18 200Ohm/100Mhz Y5V +80-20%
17 18

2
L1_TX2+_NB_C 15 16 L2_TX2+_NB_C GND
32 LVDS_L2P_NB 15 16 LVDS_U2P_NB 32
GL714 L1_TX2-_NB_C 13 14 L2_TX2-_NB_C GL711 NI
32 LVDS_L2N_NB NI 200Ohm/100Mhz 11 13 14 12
LVDS_U2N_NB 32
L1_TX1+_NB_C 9 11 12 10 L2_TX1+_NB_C

3
9 10
I L1_TX1-_NB_C 7
7 8
8 L2_TX1-_NB_C I
3 I 4 RN4379B 5 6 1 I 2 RN4384A
0 5 6 0
1 2 RN4380A L1_TX0+_NB_C 3 4 L2_TX0+_NB_C 3 4 RN4385B
0 3 4 0
L1_TX0-_NB_C 1 2 L2_TX0-_NB_C
1 2 32 200Ohm/100Mhz
SIDE2

2
32 LVDS_L1P_NB P370 LVDS_U1P_NB 32
GL715 NI
32 LVDS_L1N_NB NI 200Ohm/100Mhz I GL717
LVDS_U1N_NB 32

3
I I
3 I 4 RN4380B 1 I 2 RN4385A
0 0
C 1 2 RN4381A 3 4 RN4386B C
0 0
200Ohm/100Mhz
4

2
32 LVDS_L0P_NB LVDS_U0P_NB 32
GL718 NI
32 LVDS_L0N_NB NI 200Ohm/100Mhz GL719
LVDS_U0N_NB 32
1

3
I
I 1
0
2 RN4386A
3 4 RN4381B GND
0

I
I 3
0
4 RN4392B
1 2 RN4387A
0
200Ohm/100Mhz
4

2
21 L1_TX3+_MXM L2_TX3+_MXM 21
21 L1_TX3-_MXM
GL726 +5V_LCD +5V_LCD NI L2_TX3-_MXM 21
NI 200Ohm/100Mhz GL727
1

3
I I
1

1
3 I 4 RN4387B 1I 2 RN4392A
0 CB79 CB80 0
1 2 RN4388A 3 4 RN4393B
0 0
0.1UF/25V 0.1UF/25V
2

2
EMI EMI 200Ohm/100Mhz
4

2
WtoB_CON_30P
21 L1_TXC+_MXM L2_TXC+_MXM 21
B
21 L1_TXC-_MXM
GL730 GND 31 GND GL721 NI L2_TXC-_MXM 21
B
NI 200Ohm/100Mhz 29 SIDE1 30
L1_TX3+_MXM_C 27 29 30 28 L2_TX3+_MXM_C
1

3
27 28
I L1_TX3-_MXM_C 25
25 26
26 L2_TX3-_MXM_C I
3 I 4 RN4388B 23 24 1 I 2 RN4393A
0 23 24 0
1 2 RN4389A L1_TXC+_MXM_C 21 22 L2_TXC+_MXM_C 3 4 RN4394B
0 21 22 0
L1_TXC-_MXM_C 19 20 L2_TXC-_MXM_C
17 19 20 18 200Ohm/100Mhz
17 18
4

2
L1_TX2+_MXM_C 15 16 L2_TX2+_MXM_C
21 L1_TX2+_MXM 15 16 L2_TX2+_MXM 21
21 L1_TX2-_MXM
GL724 L1_TX2-_MXM_C 13 14 L2_TX2-_MXM_C NI L2_TX2-_MXM 21
NI 200Ohm/100Mhz 11 13 14 12 GL723
L1_TX1+_MXM_C 9 11 12 10 L2_TX1+_MXM_C
1

3
9 10
I L1_TX1-_MXM_C 7
7 8
8 L2_TX1-_MXM_C I
3 I 4 RN4389B 5 6 1 I 2 RN4394A
0 5 6 0
1 2 RN4390A L1_TX0+_MXM_C 3 4 L2_TX0+_MXM_C 3 4 RN4395B
0 3 4 0
L1_TX0-_MXM_C 1 2 L2_TX0-_MXM_C
1 2 32 200Ohm/100Mhz
SIDE2
4

4
21 L1_TX1+_MXM L2_TX1+_MXM 21
21 L1_TX1-_MXM
GL725 P371 GL722 NI L2_TX1-_MXM 21
NI 200Ohm/100Mhz I
1

1
I I
3 I 4 RN4390B 1 I 2 RN4395A
0 0
1 2 RN4391A 3 4 RN4396B
0 0
200Ohm/100Mhz
4

2
21 L1_TX0+_MXM L2_TX0+_MXM 21
21 L1_TX0-_MXM
GL728 NI L2_TX0-_MXM 21
NI 200Ohm/100Mhz GL729
A A
1

3
I I
3 4 RN4391B 1 2 RN4396A
0 0
GND

Title : LVDS CON


PEGATRON CORPORATION Engineer: Ethan_Chen
Size Project Name Rev
A3
IPISB-NK 1.03
Date: Thursday, April 21, 2011 Sheet 22 of 80
5 4 3 2 1
5 4 3 2 1

NOTE: Strapping Options Flash +3P3V


I
U2A
SATA1GP AV14 BN4
GNT1# /GPIO19 Boot Device PCIRST# C/BE0#
IPU 20K AV15
PME# C/BE1#
BP7
BH8 BG2
R17 1 8.2K 2 I DEVSEL# BH9 PAR C/BE2# BP13
BD15 DEVSEL# C/BE3#
0 0 LPC 28 CK_33M_PCIFB CLKIN_PCILOOPBACK
R21 1 8.2K 2 I IRDY# BF11
IRDY#
1
R373788.2K 2 I SERR# BR6
SERR#
1 0 PCI R23 1 8.2K 2 I STOP# BC12
STOP#
D 1
R373798.2K 2 I PLOCK# BA17
PLOCK#
12/6 0200-00JK000--->0200-00KJ000 D
R22 1 8.2K 2 I TRDY# BC8
TRDY#
1 1 SPI R41 1 8.2K 2 I PERR# BM3
PERR#
R20 1 8.2K 2 I FRAME# BC11
FRAME#

BF15
AD0
strapping GPIO, GNT3#_GPIO55 IPU 20K Native Core BE2 GNT3#/GPIO55 AD1
BF17
GNT2#_GPIO53 IPU 20K Native Core BU12 BT7
don't use it. IPU 20K
GNT1#_GPIO51 Native Core AV8
GNT2#/GPIO53 AD2 BT13
GNT0# BA15 GNT1#/GPIO51 AD3 BG12
GNT0# AD4 BN11
AD5 BJ12
AD6

1
BU9
AD7
NI NI NI NI AD8
BR12
SR4 SR3 SR2 SR1 BJ3
1K 1K 1K 1K
PCI AD9 BR9
AD10 BJ10
34,59 DVI_HPD_MXMSCR

2
AD11 BM8
34,59 DVI_HPD_PCHSCR AD12 BF3
AD13 BN2
GND GND GND GND AD14 BE4
AD15 BE6
AD16
1
R373828.2K 2 NI Native Core AV11 REQ3#/GPIO54 AD17
BG15
+3P3V 1
R373808.2K 2 NI Native Core BK8 REQ2#/GPIO52 AD18
BC6
R27 1 8.2K 2 I Native Core BT5 REQ1#/GPIO50 AD19
BT11
1
R373818.2K 2 I REQ0# BG5
REQ0# AD20
BA14
+3P3V BL2
AD21 BC4
C AD22 BL4 C
AD23
34 GPIO_RX R57 1 8.2K 2 I PIRQA# BK10
PIRQA# AD24
BC2
R91 1 8.2K 2 I PIRQB# BJ5
PIRQB# AD25
BM13
R62 1 8.2K 2 I PIRQC# BM15
PIRQC# AD26
BA9
R70 1 8.2K 2 I PIRQD# BP5
PIRQD# AD27
BF9
R92 1 8.2K 2 I GPI Core BN9
PIRQE#/GPIO2 AD28
BA8
R54 1 8.2K 2 I GPI Core AV9
PIRQF#/GPIO3 AD29
BF8
R93 1 8.2K 2 I GPI Core BT15
PIRQG#/GPIO4 AD30
AV17
R94 1 8.2K 2 I GPI Core BR4
PIRQH#/GPIO5 AD31
BK12

34 GPIO_TX
46 MXM_DDC_CLK_X
46 MXM_DDC_DAT_X
46 DDC_DATA_CLK_SW
+3P3VSB +3P3VSB +3P3VSB
+3P3VSB

1
I I I
I2C/en(dis)able/S3
1

1
I I I I I I SR16 SR17 SR18
SR5 SR6 SR7 SR8 SR9 SR10
for accelerometer 2.7K 2.7K 2.2K 2.2K 2.2K 2.2K
SMBUS 10K 2.2K 10K

2
2

2
37,52,55 SMB_CLK
BT47
SMBCLK SMBALERT#/GPIO11
BN49 Native Sus WAKE_INT#
NI CON5132 +3P3VSB BR49
37,52,55 SMB_DATA SMBDATA
7 5
SIDE2 5
4
4 BT51
SML0CLK SML0ALERT#/GPIO60
BU49 Native Sus Boot_BLK_WRITE_EN 49
3 BM50
3 SML0DATA

1
B 2 WAKE_INT# B
2
6
SIDE1 1
1
SML1ALERT#/PCHHOT#/GPIO74
BR46 Native Sus Boot_BLK_rec# 49
C9368
18 SML1_CLK Native Sus BJ46 470PF/50V

2
SML1CLK/GPIO58
1

EMI 18 SML1_DATA Native Sus BK46 SML1DATA/GPIO75 X7R 10%


1

WTOB_CON_5P EC7
NI
1

0.1UF/16V C9366
2

GND C9367 470PF/50V NI NI NI NI NI NI +3P3VSB


2

470PF/50V X7R 10% SC1 SC2 SC3 SC44 SC5 SC6 GND
2

X7R 10% NI 150PF/50V 150PF/50V 150PF/50V 150PF/50V 150PF/50V 150PF/50V


2

NI

1
GND GND NI
GND GND GND GND GND GND GND SR19
1K
RTC SPI

2
49 RTCRST#
BT41
RTCRST# SPI_CS1#
AR56 PCH_SPI_CS1# 1 ST39 NOBOM
SPI_CS0#
AT57 PCH_SPI_CS0# I SR21 1 2 0 SPI_CS0# 55
49 SRTCRST#
BN37
SRTCRST# SPI_MOSI
AU53 IPD 20K PCH_SPI_MOSI I SR22 1 2 0 SPI_MOSI 55
SPI_MISO
AT55 IPU 20K I SR24 1 2 0
SPI_MISO 55
PCH_RTCX1 BR39
RTCX1 SPI_CLK
AR54 PCH_SPI_CLK I SR23 1 2 0 SPI_CLK 55

I PCH_RTCX2 BN39
RTCX2
I SR15
XY5 1 2
10M

Crystal Holder I
Y5 mx_r0603_small
32.768Khz
A
11 22
Rev=1.0 A

GND GND COUGARPOINT


3 4
3

4
1

I I
SC8 SC9 PEGATRON DT-MB RESTRICTED SECRET
<Core Design>

18PF/50V 18PF/50V
Title : PCI/SM/SPI/RTC 1-9
2

PEGATRON CORPORATION Engineer: Ethan_Chen


GND GND GND Size Project Name Rev
A3 IPISB-NK 1.03
Date: Wednesday, April 20, 2011 Sheet 23 of 80
5 4 3 2 1
5 4 3 2 1

U2B

11 DMI_TXN0
D33
DMI0RXN USBP0N
BF36 IPD 20K USBN4 51
11 DMI_TXP0
B33
DMI0RXP USBP0P
BD36 IPD 20K USBP4 51
J36
11 DMI_RXN0 DMI0TXN
IPD 20K
#1 USB Debug port
H36 BC33
11 DMI_RXP0 DMI0TXP USBP1N USBN9 51
USBP1P
BA33 IPD 20K USBP9 51
D A36 D
11 DMI_TXN1 DMI1RXN
B35 BM33 IPD 20K
11 DMI_TXP1
P38 DMI1RXP USBP2N BM35 IPD 20K
USBN2 51 Rear x4
11 DMI_RXN1 DMI1TXN USBP2P USBP2 51
R38
11 DMI_RXP1 DMI1TXP
USBP3N
BT33 IPD 20K USBN3 51
11 DMI_TXN2
B37
DMI2RXN USBP3P
BU32 IPD 20K USBP3 51
C36
11 DMI_TXP2 DMI2RXP
11 DMI_RXN2
H38
DMI2TXN USBP4N
BR32 IPD 20K USBN_Web 49
11 DMI_RXP2
J38
DMI2TXP USBP4P
BT31 IPD 20K USBP_Web 49 Web Cam
E37 BN29 IPD 20K
11 DMI_TXN3 DMI3RXN USBP5N USBN8 49
F38 BM30 IPD 20K
11 DMI_TXP3
M41 DMI3RXP USBP5P USBP8 49 Touch Panel
11 DMI_RXN3 DMI3TXN
NOTE: 11 DMI_RXP3
P41
DMI3TXP USBP6N
BK33 IPD 20K
USBP6P
BJ33 IPD 20K
Used for for DMI, PCIe(PCIe 2.0 jitter spec compliant).
USBP7N
BF31 IPD 20K
CLKIN_DMI_N P33
CLKIN_DMI_N USBP7P
BD31 IPD 20K
CLKIN_DMI_P R33
CLKIN_DMI_P
USBP8N
BN27 IPD 20K 1 NI
0
2 URN41A
USBN0 45
USBP8P
BR29 IPD 20K 3 NI
0
4 URN41B
USBP0 45
+1P05V_PCH

1
I I IPD 20K
#9 USB
x2 Debug port
BR26
USBP9N USBN1 45
SR36 SR37
USBP9P
BT27 IPD 20K USBP1 45 Side

1
10K 10K I DMI 3 NI
0
4 URN42B
USBN0_TVT 48
SR30
USBP10N
BK25 IPD 20K USBN10 47
1 NI
0
2 URN42A
USBP0_TVT 48
49.9 BJ25 IPD 20K USBP10 47 WL
2

2
USBP10P
1%
BJ31 IPD 20K USBN_Dougle 51

2
USBP11N
C
USBP11P
BK31 IPD 20K USBP_Dougle 51 Dongle C
GND GND DMICOMP B31
DMI_IRCOMP
E31
DMI_ZCOMP USBP12N
BF27 IPD 20K
NOTE: USBP12P
BD27 IPD 20K

trace length < 450 mils DMI2RBIAS A32


DMI2RBIAS USBP13N
BJ27 IPD 20K
USBP13P
BK27 IPD 20K
52 USB3_RX_N_R
URN36A 1
0
2 NI

1
52 USB3_RX_P_R
URN36B 3
0
4 NI I
52 USB3_TX_N_R
URN37A 1
0
2 NI SR31
52 USB3_TX_P_R
URN37B 3
0
4 NI 750
+3P3VSB
1% USB
USB3.0 REAR

2 OC0#/GPIO59
BM43 Native Sus OC48# 51

1
GND OC1#/GPIO40
BD41 Native Sus OC23# 51
PCIE OC2#/GPIO41
BG41 Native Sus OC2#_GPIO41 I 2 8.2K 1 R37387 I
OC3#/GPIO42
BK43 Native Sus OC3#_GPIO42 I 2 8.2K 1 R37386 SR32
OC4#/GPIO43
BP43 Native Sus OC01# 45
10K
URN38B 3
0
4 3.0 USB3_RX_N J20 BJ41 Native Sus OCD# 51

2
44 USB3_PE1_RXN2 PERn1 OC5#/GPIO9
44 USB3_PE1_RXP2
URN38A 1
0
2 3.0 USB3_RX_P L20
PERp1 OC6#/GPIO10
BT45 Native Sus I 2 8.2K 1 R37383
44 USB3_PE1_TXN2
URN40B 3
0
4 3.0 USB3_PE1_TXN2_R I SC20 2 1 0.1UF/16V X7R 10% USB3_PE1_TXN2_C F25
PETn1 OC7#/GPIO14
BM45 Native Sus SMI#_3.0 44
44 USB3_PE1_TXP2
URN40A 1
0
2 3.0 USB3_PE1_TXP2_R I SC19 2 1 0.1UF/16V X7R 10% USB3_PE1_TXP2_C F23
PETp1
P20
USB3.0 SIDE 39 CR_PE1_RXN2
R20 PERn2 DDRTEMP_HOT 59
39 CR_PE1_RXP2 PERp2
CR 39 CR_PE1_TXN2 I SC27 2 1 0.1UF/16V X7R 10% PCH_CR_TXN_C C22
PETn2
B 39 CR_PE1_TXP2 I SC28 2 1 0.1UF/16V X7R 10% PCH_CR_TXP_C A22
PETp2 NOTE: B
H17 Used for integrated graphics, generate USB backbone,
47 PE1_RXN0_WLAN PERn3
J17
47 PE1_RXP0_WLAN PERp3
WLAN 47 PE1_TXN0_WLAN I SC29 2 1 0.1UF/16V X7R 10% PE1_TXN0_WLAN_C E21
PETn3 24MHz HDA bit, and 48MHz clock.
47 PE1_TXP0_WLAN I SC32 2 1 0.1UF/16V X7R 10% PE1_TXP0_WLAN_C B21
PETp3 BD38 CLKIN_DOT_96N
P17 CLKIN_DOT_96N BF38 CLKIN_DOT_96P
48 PE1_RXN1_TV PERn4 CLKIN_DOT_96P
M17
48 PE1_RXP1_TV PERp4
TVT 48 PE1_TXN1_TV I SC33 2 1 0.1UF/16V X7R 10% PE1_TXN1_TV_C F18
PETn4

1
48 PE1_TXP1_TV I SC34 2 1 0.1UF/16V X7R 10% PE1_TXP1_TV_C E17
PETp4 I I
SR33 SR34
N15 10K 10K
52 PE1_RXN1_LAN_R PERn5
M15
LAN REAR MODULE 52 PE1_RXP1_LAN_R
I SC48 2 1 0.1UF/16V X7R 10% PE1_TXN1_LAN_C B17 PERp5

2
52 PE1_TXN1_LAN_R PETn5
52 PE1_TXP1_LAN_R I SC49 2 1 0.1UF/16V X7R 10% PE1_TXP1_LAN_C C16
PETp5
37 PCIE_RXN4_LAN J15 GND GND
L15 PERn6
37 PCIE_RXP4_LAN PERp6
LAN 37 PCIE_TXN4_LAN I SC15 2 1 0.1UF/16V X7R 10% PCH_PE1_TXN1_C A16
PETn6 USBRBIAS#
BP25 USBRBIAS
37 PCIE_TXP4_LAN I SC16 2 1 0.1UF/16V X7R 10% PCH_PE1_TXP1_C B15
PETp6 USBRBIAS
BM25

NOBOM ST16 1 TP_PCH_RN7 J12


PERn7 NOTE:

1
NOBOM ST14 1 TP_PCH_RP7 H12
PERp7 I
NOBOM ST13 1 TP_PCH_TN7 F15
PETn7
SR35 trace length < 200 mils
NOBOM ST15 1 TP_PCH_TP7 F13
for H61, PETp7 22.6
1%
NOBOM ST9 1 TP_PCH_RN8 H10
PCIe ports 7 and 8 are disabled.
2
PERn8
NOBOM ST10 1 TP_PCH_RP8 J10
PERp8
A NOBOM ST11 1 TP_PCH_TN8 B13
PETn8 A
NOBOM ST12 1 TP_PCH_TP8 D13
PETp8
GND

PEGATRON DT-MB RESTRICTED SECRET


<Core Design>
COUGARPOINT
Title : PCIE/USB/DMI 2-9
PEGATRON CORPORATION Engineer: Ethan_Chen
Size Project Name Rev
A3 IPISB-NK 1.03
Date: Thursday, April 21, 2011 Sheet 24 of 80
5 4 3 2 1
5 4 3 2 1

NOTE:

SR40 SR41 Description

I NI iAMT
U2C
NI I non iAMT AC56
SATA0RXN AB55 SATA_RXN0 33
CLINK SATA0RXP AE46
SATA_RXP0 33
SATA0TXN SATA_TXN0 33
IPU 32/ IPD 100 BA50
CL_CLK1 SATA0TXP
AE44
SATA_TXP0 33
D IPU 32/ IPD 100 BF50
CL_DATA1 D
DVT BF49 AA53
CL_RST1# SATA1RXN AA56 SATA_RXN1 33
SATA1RXP SATA_RXP1 33
AG49
SATA1TXN SATA_TXN1 33
AG47
SATA1TXP SATA_TXP1 33
BC46
21,26,59 PCH_PWROK APWROK AL50
SATA2RXN AL49
SATA2RXP

1
NI SATA2TXN
AL56
SC30 AL53
SATA2TXP
100PF/50V

2
AN46
SATA3RXN
FAN SATA3RXP
AN44
AN56 NOTE: Strapping Options Flash
GND SATA3TXN AM55
SATA3TXP
59 DDRTEMP_WARM SATA1GP
NOBOM ST24 1 TP_PCH_PWM0 BN21 AN49 GNT1# Boot Device
NOBOM ST25 1 TP_PCH_PWM1 BT21 PWM0 SATA4RXN AN50 /GPIO19
PWM1 SATA4RXP
20,21,36,46 MXM_PRESENT# NOBOM ST26 1 TP_PCH_PWM2 BM20
PWM2 SATA4TXN
AT50
NOBOM ST27 1 TP_PCH_PWM3 BN19
PWM3 SATA4TXP
AT49

AT46
0 0 LPC
21 MXM_ALERT# SATA5RXN AT44
SATA5RXP AV50
SATA5TXN AV49
1 0 PCI
21 MXM_OVERT# SATA5TXP
+3P3V
1 1 SPI
I SR45 1 2 10K REVID IPU 20K GPI Core BT17 TACH0/GPIO17
C I SR46 1 2 10K IPU 20K GPI Core BR19 TACH1/GPIO1
Panel_ID0
Panel_ID0 20
C
I SR47 1 2 10K IPU 20K GPI Core BA22 TACH2/GPIO6
I IPU 20K GPI Core BR16 GPI Core
I
SR48 1 2 10K BC54 10K 2 1 SR60
TACH3/GPIO7 SATA0GP/GPIO21
I SR49 1 2 10K IPU 20K GPI Core BU16 TACH4/GPIO68 SATA1GP/GPIO19
AY52 GPI Core IPU 20K SATA1GP_GPIO19 10K 2 1 SR61 I
I SR50 1 2 10K IPU 20K GPI Core BM18 TACH5/GPIO69 SATA2GP/GPIO36
BB55 GPI Core IPD 20K SATA2GP_GPIO36 10K 2 1 SR62 NI
I SR51 1 2 10K IPU 20K Native Core BN17 TACH6/GPIO70 SATA3GP/GPIO37
BG53 GPI Core IPD 20K SATA3GP_GPIO37 10K 2 1 SR63 NI +3P3V
I IPU 20K Native Core BP15 GPI Core
I
SR52 1 2 10K AU56 10K 2 1 SR64
TACH7/GPIO71 SATA4GP/GPIO16
SATA5GP/GPIO49
BA56 GPI Core SATA5GP_GPIO49 10K 2 1 SR65 I

SST IPD 10K BC43


SST

1
Panel_ID1
Panel_ID1 20
NOTE:
I I
+1P05V_PCH +1P05V_PCH

1
21 MXM_PWR_EN DVT NI SR138 SR298
SC31 trace length 10K 10K
2

1
2 220PF/50V I I DVT

2
32 EDPRST NI X7R 10% < 450 mils SR66 SR67 +3P3V

2
SR90 37.4 49.9
10K 1% 1% NI
GND GND GND SR89
49 LPC_SMI#
1

1
SATAICOMPI
AJ55 10K I
AJ53 SATAICOMP SR68

1
SATAICOMPO
GND
AE54 NOTE: 10K
GPIO SATA3COMPI AE52 SATA3COMP GND
trace length < 200 mils

2
SATA3RCOMPO
GPIO 17/38/39: Board ID.
100: 1.00 GPI Core BA53
SCLOCK/GPIO22 SATALED#
BF57 OD HD_LED# 54
GPI Core BE54
SLOAD/GPIO38
101: 1.01 GPI Core BF55
SDATAOUT0/GPIO39
110: 1.02 GPI Core AW53
SDATAOUT1/GPIO48 TP16
AE50
B B
111: 1.03
0xx: TBD SATA3RBIAS
AC52 SATA3RBIAS
NOTE:
trace length < 450 mils

1
I
SR70
CLKIN_SATA_N AF55 750
AG56
CLKIN_SATA_P CLKIN_SATA_N
CLKIN_SATA_P 1%

2
+3P3V +3P3V +3P3V
1

I I
SR38 SR39 GND

1
10K 10K
+3P3V I I I
SR74 SR72 SR73
2

10K 10K 10K


I SR55 1 2 10K REVBC
HOST

2
I SR56 1 2 10K SLOAD_GPIO38
I SR57 1 2 10K SDATAOUT0/GPIO39 GNDGND
A20GATE
BB57
A20GATE 59
I SR58 1 2 10K
INIT3_3V#
BN56 IPU 20K INIT3_3V#
BG56
RCIN# AV52 RST_KB# 59
SERIRQ SERIRQ 49,59
AY20 E56
NC_1 THRMTRIP# H_THMTRIP# 12
2

MFG_NET
PECI
H48 IPD 0.35K PECI_PCH 12
E20 NI NI PMSYNCH
F55
PM_SYNC 12
NOBOM 0 SR69 SR71
MFG1 SB 10K 10K

1
A
3 1 A
1

GPI1 NP_NC1
4
GPI2 NP_NC2
2 NI
6 5 SR79
GND NP_NC3 GND GND 1K
GPIO 49/22: REV ID.
PEGATRON_MFG GND
0: REV B PEGATRON DT-MB RESTRICTED SECRET
<Core Design>
2

COUGARPOINT
GND 1: REV C
GND
Title : SATA/HOST/FAN 3-9
PEGATRON CORPORATION Engineer: Ethan_Chen
Size Project Name Rev
A3 IPISB-NK 1.03
Date: Wednesday, April 20, 2011 Sheet 25 of 80
5 4 3 2 1
5 4 3 2 1

+3P3V NOTE: +3P3VSB +3VA +3P3VSB


PDG 0.7 is 1Kohm

1
I NI NI I I I NI NI NI I I I I
SR100 SR101 SR299 SR300 SR104 SR301 SR106 SR107 SR108 SR109 SR110 SR302 SR303
U2D 10K 10K 10K 10K 10K 10K 4.7K 10K 10K 10K 10K 10K
1K
+3P3V NI
+3P3V SR80
LPC scalar_PWM__EN 20

2
10K
1 2 LDRQ1#_GPIO23 IPU 20K Native Core BA20 LDRQ1#/GPIO23

1
BMBUSY#/GPIO0
AW55 GPI Core
BMBUSY#_GPIO0
D NI CLKRUN#/GPIO32
BC56 GPO Core CLKRUN#_GPIO32 PM_CLKRUN# 59 D
SR81
HDA_DOCK_EN#/GPIO33
BC25 GPO Core HDA_DOCK_EN#_GPIO33 R335 1 0Ohm 2 I
10K
49,59,60 LAD0 IPU 20K BK15 FWH0/LAD0 STP_PCI#/GPIO34
BL56 GPI Core WLAN_CLKREQ# 47
49,59,60 LAD1 IPU 20K BJ17 BJ57 GPO Core
2
FWH1/LAD1 GPIO35 TVT_CLKREQ# 48
49,59,60 LAD2 IPU 20K BJ20 FWH2/LAD2 GPIO8
BP51 GPO Sus IPU 20K EXT_SMI# 59
49,59,60 LAD3 IPU 20KBG20 FWH3/LAD3 LAN_PHY_PWR_CTRL/GPIO12
BK50 Native Sus EXT_SCI# 59
HDA_DOCK_RST#/GPIO13
BA25 GPI Sus HDA_DOCK_RST#_GPIO13
LDRQ0# IPU 20K BK17 LDRQ0# GPIO15
BM55 GPO Sus IPD 20K GPIO15
GPIO24/MEM_LED
BP53 GPO Sus GPIO24_MEM_LED NI SR114 2 1 0 SKTOCC# 12
49,59,60 LPC_FRAME#
BG17
FWH4/LFRAME# GPIO28
BJ55 GPO Sus IPU 20K GPIO28
SLP_LAN#/GPIO29
BH49 GPI Sus SLP_LAN#_GPIO29 1 ST37 NOBOM
GPIO27
BJ43 GPI DSW IPU 20K GPIO27
I
GPIO31
BG43 GPI DSW IPD TBD GPIO31
E21:12
NOTE:
NOTE: HDA_SYNC

1
NI NI NI GPIO27 can be configured as wake input
On-die PLL VR voltage selector. SR155 SR111 SR112 +3P3V +3P3VSB
MINI_JUMPER 10K to allow wakes from Deep Sleep.
AUDIO 1K 1K
Hi: supplied by 1.5V.
NOTE:

2
Low: supplied by 1.8V. 40 AZ_SDATA_IN0 IPD 20K BD22
HDA_SDIN0

1
NOBOM ST30 1 TP_PCH_SDIN1 IPD 20K BF22
HDA_SDIN1 I I I I I External PU resistor required
NOBOM ST31 1 TP_PCH_SDIN2 IPD 20K BK22
HDA_SDIN2
SR115 SR116 SR118 SR119 SR129
I 1 NOBOM ST32 1 TP_PCH_SDIN3 IPD 20K BJ22
HDA_SDIN3
GND GND GND 10K 10K 10K 10K 10K if used for CLKREQ# functionality.
E21 2
HEADER_1X3P 3 +3P3VSB

2
NOTE: HDA_SDO NI 1 2 SR82 1K PCIECLKRQ2#/GPIO20
AV43
BL54
Native Core
Native Sus IPU TBD PCIECLKRQ5#_GPIO44
SHUT_DOWN# 40,41,43
PCIECLKRQ5#/GPIO44
Disable ME in Manufacturing Mode +3P3VSB NI 1 2 SR83 1K
PCIECLKRQ6#/GPIO45
AV44 Native Sus IPU 20K PCIECLKRQ6#_GPIO45
C
PCIECLKRQ7#/GPIO46
BP55 Native Sus IPU 20K PCIECLKRQ7#_GPIO46 C

--> connect to VCC. I SR113 1 2 1K


GPIO57
BT53 GPI Sus GPIO57

40 AZ_SDATA_OUT I SR85 1 2 33 HDA_SDO_R IPD 20K BT23


HDA_SDO TBD

1
+3P3VSB +3VA NI NI NI NI NI
40 AZ_SYNC I SR86 1 2 33 HDA_SYNC_R IPD 20K BP23
HDA_SYNC
SR133 SR117 SR256 SR180 SR130
10K 10K 10K 1K 47K

1
40 AZ_BITCLK I SR87 1 2 33 HDA_BITCLK_24MHZ_R BU22
HDA_BCLK I NI
SR124 SR159

2
40 AZ_RST# I SR88 1 2 33 HDA_AZRST#_R BC22
HDA_RST#
10K 10K

2
1

NI NI NI NI NI GND GND GND GND GND


SC35 SC36 SC37 SC38 SC53
BATLOW#/GPIO72
AV46 Native Sus IPU 20K BATLOW#_GPIO72
10PF/50V 10PF/50V 10PF/50V 10PF/50V 22PF/50V
2

NPO 5% NPO 5% NPO 5% NPO 5%


SUSWARN#/SUSPWRDNACK/GPIO30
BU46 GPI DSW PCH_SUSWARN#
I SR158 1 2 0
GND SUSACK#
BP45 IPU TBD PCH_SUSACK#
GND GND GND GND 79 PCH_JTAG_TMS IPU 20K BC50
JTAG_TMS
79 PCH_JTAG_TDO
BF47
JTAG_TDO SUSCLK/GPIO62
BA47 Native Sus SUSCLK_GPIO62
TBD 79 PCH_JTAG_TDI IPU 20K BC52
JTAG_TDI
79 PCH_JTAG_TCK IPD 20K BA43
JTAG_TCK SUS_STAT#/GPIO61
BN54 Native Sus SUS_STAT#_GPIO61 1 ST38 NOBOM
NOTE: CRB 0.7 is 1.1K ohm with 1% 79 PCH_JTAG_RST
BC49
TP12 NOTE:

1
NI NI
For platform not supporting deep +3P3VSB
NOTE: SR183 SC45 PIN HIGH LOW DESCRIPTION
sleep connect directly to RSMRST#. 1K 10PF/50V
GPIO15 Enable Disable TLS confidentiality

2
1

The DSW rails must be stable for at least 10 ms SUSACK# and SUSWARN# NPO 5%
NI

2
B B
before DPWROK is asserted to PCH. SR182 can be tied together if EC/SIO GPIO28 Enable Disable On-Die PLL VR
10K
57,59,69,72,78 VRM_PWRGD NI SR186 1 2 0 does not want to involve in
2

GND GND
D53 the handshake mechanism +3P3VSB +BATT +3P3VSB +3P3V
12,78 CPUPWRGD BG46 PROCPWRGD
12 DRAM_PWROK BJ38 DRAMPWROK
21,25,59 PCH_PWROK PWROK for the Deep Sleep state

1
59 SYS_PWROK
BJ53
SYS_PWROK I
TBD: Both are 390Kohm in CRB 0.7 entry and exit. SR75 I I NI
10K SR76 SR77 SR78
1

+3P3V +BATT +BATT 1M 4.7K 1K


1

NI NI I NI

2
SR96 SC40 SR97 SC41
1

10K 22UF/6.3V 10KOhm 100PF/50V BJ48 modem_wake_event


2

RI#
X5R 20% NPO 5% I I I
2

mx_c0805_small SR144 SR92 SR94 BC44


WAKE# PCIE_WAKE# 21,37,44,47,48,52
10K 390K 390K
BM38 INTRUDER#
INTRUDER# 49
2

INTRUDER#
GND GND GND GND
DSWVRMEN BR42
DSWVRMEN SPKR
BE56 IPD 20K SPKR 40
PCH_INTVRMEN BN41
BK48 INTVRMEN
18,49,59,79 PLTRST# PLTRST#
SYS_RESET# BE52
SYS_RESET# PWRBTN#
BT43 IPU 20K PCH_PWRBTN# I SR139 2 1 0
PM_PWRBTN# 59
BK38
18,59 PM_RSMRST# RSMRST#
18,59,79 DPWROK BT37
DPWROK
NI SR143 1 2 0
1

BM53
SLP_S3# SLP_S3# 57,59,60
1

A
+3VA I SLP_S4#
BN52
SLP_S4# 57,59,60 A
1

SR84 NI NI I SLP_S5#/GPIO63
BH50 Native Sus
1

1K SR93 SC42 SR95 I BC41 SLP_A# 1 ST36 NOBOM


SR190 1K 100PF/50V 100K SR98 SLP_A# BD43 O
SLP_SUS# 59
2

SLP_SUS#
I NPO 5% 100K
SQ8_C

10K
PEGATRON DT-MB RESTRICTED SECRET
<Core Design>
2

2
1

I SQ8 3 NI
2

I 3 PMBS3904 C SC54
Title : AUDIO/LPC/MISC 4-9
2

SR191 C I RSMRST_CUTOFF 1 B 100PF/50V


GND
2

SLP_SUS# 1 21 B SQ3 GND GND NPO 5%


PMBS3904 E
4.7K E 2
GND PEGATRON CORPORATION Engineer: Ethan_Chen
2 GND COUGARPOINT Size Project Name Rev

GND GND
A3 IPISB-NK 1.03
Date: Wednesday, April 20, 2011 Sheet 26 of 80
5 4 3 2 1
5 4 3 2 1

U2E

Y18
TP6
Y17
TP7 CRT_HSYNC
AR4 VGA_HSYNC_3P3V I SR245 1 2 33
AB18
TP8 CRT_VSYNC
AR2 VGA_VSYNC_3P3V I SR246 1 2 33
AB17
TP9 AN6 VGA_RED_S JP20 1 2 SHORT_PIN
DVT CRT_RED
NOBOM
AN2 VGA_GREEN_S JP21 1 2 SHORT_PIN
CRT_GREEN
D
49 DE_DDCA_CLK NOBOM D
AW3 AM1 VGA_BLUE_S JP22 1 2 SHORT_PIN
CRT_DDC_CLK CRT_BLUE
AW1
CRT_DDC_DATA NOBOM
49 DE_DDCA_DATA

1
NI NI NI

1
SC50 SC51 SC52 I I I
22PF/50V 22PF/50V 22PF/50V SR247 SR248 SR249

2
150 150 150
1% 1% 1%

2
GND GND GND

Place capacitors close to PCH for EMI GND GND GND

DAC_IREF
AT3 DACREFSET
NOTE:
AM6 Place RGB resistors close to PCH within 250mils
CRT_IRTN

1
I
+3P3V SR131 Replace DACREFSET resistor DVT
1K
1% close to PCH within 500mils
DE_VGA_HSYNC 49

2
DE_VGA_VSYNC 49
NR111
NR112 2.2K GND GND DE_VGA_RED 49
2.2K
C
I I NOBOM ST72 1 TP_PCH_DDPBAUXP R8
DDPB_AUXP DDPB_0P
R14 DDPB_0P C32 2 1 0.1UF/10V I
DVI_TXP2_PCH 34 DE_VGA_GREEN 49
C
NOBOM ST73 1 TP_PCH_DDPBAUXN R9
DDPB_AUXN DDPB_0N
R12 DDPB_0N C33 2 1 0.1UF/10V I
DVI_TXN2_PCH 34
M11 DDPB_1P C34 2 1 0.1UF/10V I
DDPB_1P DVI_TXP1_PCH 34 DE_VGA_BLUE 49
AL15 M12 DDPB_1N C35 2 1 0.1UF/10V I
34 DVI_CLK_PCH SDVO_CTRLCLK DDPB_1N DVI_TXN1_PCH 34
34 DVI_DATA_PCH IPD 20K AL17
SDVO_CTRLDATA DDPB_2P
H8 DDPB_2P C36 2 1 0.1UF/10V I
DVI_TXP0_PCH 34
K8 DDPB_2N C37 2 1 0.1UF/10V I
DDPB_2N DVI_TXN0_PCH 34
L5 DDPB_3P C38 2 1 0.1UF/10V I
DDPB_3P DVI_CLKP_PCH 34
T1 M3 DDPB_3N C39 2 1 0.1UF/10V I
34 DVI_HPD_PCH DDPB_HPD DDPB_3N DVI_CLKN_PCH 34

SDVO_INTP
U2 IPD 50 SDVO_INTP 1 ST78 NOBOM
1

SDVO_INTN
T3 IPD 50 SDVO_INTN 1 ST79 NOBOM
I
SR120
SDVO_STALLP
W3 IPD 50 SDVO_STALLP 1 ST83 NOBOM
+3P3V 100K
SDVO_STALLN
U5 IPD 50 SDVO_STALLN 1 ST84 NOBOM
2

SDVO_TVCLKINP
U8 IPD 50 SDVO_TVCLKINP 1 ST85 NOBOM

SDVO_TVCLKINN
U9 IPD 50 SDVO_TVCLKINN 1 ST86 NOBOM
GND
NR113
NR114 2.2K
2.2K
I I NOBOM ST76 1 TP_PCH_DDPDAUXP U14
DDPC_AUXP DDPC_0P
L2 DDPC_0P C40 2 1 0.1UF/10V I
HDMI_TXP2_PCH 36
NOBOM ST77 1 TP_PCH_DDPDAUXN U12
DDPC_AUXN DDPC_0N
J3 DDPC_0N C42 2 1 0.1UF/10V I
HDMI_TXN2_PCH 36
G2 DDPC_1P C41 2 1 0.1UF/10V I
DDPC_1P HDMI_TXP1_PCH 36
AL12 G4 DDPC_1N C43 2 1 0.1UF/10V I
36 HDMI_CLK_PCH DDPC_CTRLCLK DDPC_1N HDMI_TXN1_PCH 36
AL14 F3 DDPC_2P C45 2 1 0.1UF/10V I
36 HDMI_DAT_PCH DDPC_CTRLDATA DDPC_2P HDMI_TXP0_PCH 36
F5 DDPC_2N C44 2 1 0.1UF/10V I
B DDPC_2N HDMI_TXN0_PCH 36 B
E4 DDPC_3P C46 2 1 0.1UF/10V I
DDPC_3P HDMI_CLKP_PCH 36
N2 E2 DDPC_3N C47 2 1 0.1UF/10V I
36 HDMI_HPD_PCH DDPC_HPD DDPC_3N HDMI_CLKN_PCH 36
+3P3V
1

I
SR121
1K
2

EDP
NR118
2.2K
GND
C57 2 1 0.1UF/10V EDP DP_AUX N6 D5
32 DP_AUX_PCH_D DDPD_AUXP DDPD_0P DP0_PCH_D 32
C58 2 1 0.1UF/10V EDP DP_AUX# R6 B5
32 DP_AUX#_PCH_D DDPD_AUXN DDPD_0N DP0#_PCH_D 32
C6
DDPD_1P DP1_PCH_D 32
AL9 D7
DDPD_CTRLCLK DDPD_1N DP1#_PCH_D 32
EDP_EN IPD 20K AL8
DDPD_CTRLDATA DDPD_2P
B7 DP2_PCH_D 1 ST96 NOBOM
DDPD_2N
C9 DP2#_PCH_D 1 ST97 NOBOM
DDPD_3P
E11 DP3_PCH_D 1 ST98 NOBOM
32 DP_HPD_PCH_D
M1
DDPD_HPD DDPD_3N
B11 DP3#_PCH_D 1 ST99 NOBOM
To enable portD
1

EDP
SR122
1K
2

A A

GND COUGARPOINT
PEGATRON DT-MB RESTRICTED SECRET
<Core Design>

Title : VGA/DP/HDMI 5-9


PEGATRON CORPORATION Engineer: Ethan_Chen
Size Project Name Rev
A3 IPISB-NK 1.03
Date: Wednesday, April 20, 2011 Sheet 27 of 80
5 4 3 2 1
5 4 3 2 1

U2F

C42 B51
11 FDI_TXN0 FDI_RXN0 FDI_FSYNC0 FDI_FSYNC_0 11
B43 E49
11 FDI_TXP0 FDI_RXP0 FDI_LSYNC0 FDI_LSYNC_0 11
F45
11 FDI_TXN1 FDI_RXN1
F43
11 FDI_TXP1 FDI_RXP1
H41
11 FDI_TXN2 FDI_RXN2
J41 C52
11 FDI_TXP2 FDI_RXP2 FDI_FSYNC1 FDI_FSYNC_1 11
C46 D51
11 FDI_TXN3 FDI_RXN3 FDI_LSYNC1 FDI_LSYNC_1 11
D47
D
11 FDI_TXP3
B45 FDI_RXP3 FDI D
11 FDI_TXN4 FDI_RXN4
A46
11 FDI_TXP4 FDI_RXP4
B47
11 FDI_TXN5 FDI_RXN5
C49
11 FDI_TXP5 FDI_RXP5
J43 H46
11 FDI_TXN6 FDI_RXN6 FDI_INT FDI_INT 11
H43
11 FDI_TXP6 FDI_RXP6
M43
11 FDI_TXN7 FDI_RXN7
P43
11 FDI_TXP7 FDI_RXP7

M48
RSD
Reserved_001
12 PROC_SEL I HR23 2 1 4.7K DF_TVS IPU 20K R47
DF_TVS Reserved_013
AB50
Y41 Y50
M50 Reserved_002 Reserved_014 AB49
M49 Reserved_003 Reserved_015 AB44
Place HR23 close to NVRAM connector U43 Reserved_004 Reserved_016 U49
J57 Reserved_005 Reserved_017 R44
and minimize this stub to <100 mils Reserved_006 Reserved_018 U50
Reserved_019 U46
with PCH and NVRAM connector Reserved_020 U44
G56 Reserved_021 H50
AB46 Reserved_007 Reserved_022 K46
K49 Reserved_008 Reserved_023 L56
K50 Reserved_009 Reserved_024 J55
Reserved_010 Reserved_025 F53
Y44 Reserved_026 H52
C L53 Reserved_011 Reserved_027 E52 C
Reserved_012 Reserved_028

Reserved_029
R50 TP_NV_RCOMP 1 ST1 NOBOM

+1P05V_PCH

1 I DVT - delete 0ohm


SR136
90.9
CLOCK
1% R52
CLKOUT_ITPXDP_N CK_100M_CPUXDP# 78
N52
CK_100M_CPUXDP 78
2

CLKOUT_ITPXDP_P
P31
CLKOUT_DMI_N CK_100M_DMI# 12
XCLK_RCOMP AL2 R31
XCLK_RCOMP CLKOUT_DMI_P CK_100M_DMI 12
N56 TP_CLKOUT_DP#_CLKOUT_BCLK1# 1 ST40 NOBOM
CLKOUT_DP_N M55 TP_CLKOUT_DP_CLKOUT_BCLK1 1 ST41 NOBOM
CLKOUT_DP_P
AE2
CLKOUT_PCIE7N CK_100M_USB3# 44
PCH_CLKIN_BCLK_GND0# W53 AF1
CLKIN_GND0_N CLKOUT_PCIE7P CK_100M_USB3 44
PCH_CLKIN_BCLK_GND0 V52
CLKIN_GND0_P AB3
CLKOUT_PCIE6N CLK_100M_MINI4# 48
AA2
CLKOUT_PCIE6P CLK_100M_MINI4 48
PCH_CLKIN_DMI2_GND1# R27
PCH_CLKIN_DMI2_GND1 P27 CLKIN_GND1_N AF3
CLKIN_GND1_P CLKOUT_PCIE5N CLK_100M_MINI1# 47
AG2
CLKOUT_PCIE5P CLK_100M_MINI1 47
Y9
CLKOUT_PCIE4N CK_100M_PCHXDP# 79
1

B B
I I I I CLKOUT_PCIE4P
Y8
CK_100M_PCHXDP 79
SR125 SR126 SR127 SR128
10K 10K 10K 10K AB9
CLKOUT_PCIE3N CK_PCIE_LAN# 52
AB8
CLKOUT_PCIE3P CK_PCIE_LAN 52 FRO REAR I/O MODULE, LAN
2

AB12
CLKOUT_PCIE2N CK_100M_LAN# 37
AB14
CLKOUT_PCIE2P CK_100M_LAN 37
GND GND GND GND AA5
CLKOUT_PCIE1N CK_PCIE_USB3# 52
W5
I 2 10K 1 REFCLK14IN AN8 CLKOUT_PCIE1P CK_PCIE_USB3 52 FRO REAR I/O MODULE, USB3.0
SR157 REFCLK14IN AE6
CLKOUT_PCIE0N CK_100M_CR# 39
AC6
CLKOUT_PCIE0P CK_100M_CR 39
GND AG8
CLKOUT_PEG_A_N CLK_PEGA# 21
XTAL_25M_PCH_IN AJ3 AG9
XTAL25_IN CLKOUT_PEG_A_P CLK_PEGA 21
XTAL_25M_PCH_OUT AJ5 AE12 TP_CLKOUT_PEG_B# 1 ST54 NOBOM
XTAL25_OUT CLKOUT_PEG_B_N AE11 TP_CLKOUT_PEG_B 1 ST55 NOBOM
CLKOUT_PEG_B_P
I 1 SR140 2 1% H31
TP21 CLKOUT_PCI0
AT11 IPD 20K PCH_CLKOUT_PCI0 I SR262 1 2 22 OHM
CLK_DBGPCI1 60
1MOHM J31
TP25 CLKOUT_PCI1
AN14 IPD 20K PCH_CLKOUT_PCI1 PROTO SR151 1 2 22 OHM
CK_33M_DEBUG2 49
C29
TP29 CLKOUT_PCI2
AT12 IPD 20K PCH_CLKOUT_PCI2 I SR251 1 2 22 OHM
CLK_KBCPCI 59
I E29
TP33 CLKOUT_PCI3
AT17 IPD 20K PCH_CLKOUT_PCI3 1 ST56 NOBOM
Y12 J27
TP22 CLKOUT_PCI4
AT14 IPD 20K PCH_CLKOUT_PCI4 I SR253 1 2 22 OHM
CK_33M_PCIFB 23
25Mhz L27
TP26
1 2 F28
TP30 CLKOUTFLEX0/GPIO64
AT9 IPD 20K TP_CLKOUTFLEX0_GPIO64 1 ST2 NOBOM
GND E27
TP34 CLKOUTFLEX1/GPIO65
BA5 IPD 20K TP_CLKOUTFLEX1_GPIO65 1 ST4 NOBOM
A
3 J25
TP23 CLKOUTFLEX2/GPIO66
AW5 IPD 20K TP_CLKOUTFLEX2_GPIO66 1 ST3 NOBOM A
1

I I L25
TP27 CLKOUTFLEX3/GPIO67
BA2 IPD 20K TP_CLKOUTFLEX2_GPIO67 1 ST35 NOBOM
SC55 SC56 C26
TP31
27PF/50V 27PF/50V B27
NOTE:
2

NPO 5% NPO 5% L22 TP35


J22 TP24
1.Prioritize 27/14/24/48/25-MHz FLEX on FLEX1/3.
PEGATRON
<Core Design> DT-MB RESTRICTED SECRET
B25 TP28

GND GND GND


D25 TP32
TP36 2.Do not configure 27/14/24/48/25-MHz FLEX clock on FLEX0/2 Title : CLK/NVRAM/FDI 6-9
if more than 2 PCI clocks + PCI loopback are routed. PEGATRON CORPORATION Engineer: Ethan_Chen
COUGARPOINT
Size Project Name Rev
3.With 2 PCI clocks routed (or less), prioritize the FLEX clocks to FLEX1/3
a. 27MHz(SSC/non-SSC) b.14.31818MHz c.24/48 d.25MHz
A3 IPISB-NK 1.03
Date: Wednesday, April 20, 2011 Sheet 28 of 80
5 4 3 2 1
5 4 3 2 1

U2G
+1P05V_PCH NOTE: +1P05V_PCH
Install those cap during initial power-on. NOTE:
F20 AC24 VccAPLLEXP, VccAPLLSATA, and VccAPLLDMI2 can be NC
F30 VccIO_024 VccCore_001 AC26
V25 VccIO_025 VccCore_002 AC28
V27 VccIO_026 VccCore_003 AC30
in On-Die VR mode. +1P05V_PCH
1 VccIO_027 VccCore_004

1
I I I I V31
VccIO_028 VccCore_005
AC32 I I
SCB1 SCB2 SCB3 SCB4 V33 AE24 SCB14 SCB15
VccIO_029 VccCore_006
10UF/6.3V 10UF/6.3V 0.1UF/16V 0.1UF/16V Y24 AE28 1UF/10V 10UF/6.3V NI NI
2

2
X5R 10% X5R 10% Y26 VccIO_030 VccCore_007 AE30 X5R 10% SL1
D mx_c0603_small SR168 D
mx_c0805_small mx_c0805_small Y30 VccIO_031 VccCore_008 AE32 mx_c0805_small 2 1 VCCAPLLEXP_R 2 1
Y32 VccIO_032 VccCore_009 AE34
Y34 VccIO_033 VccCore_010 AE36 0 1UH/300mA
GND GND GND GND VccIO_034 VccCore_011 GND GND
V22 AG32 mx_l0805_small
VccIO_035 VccCore_012

1
VccCore_013
AG34 NI NI
AA34 AJ32 SCB20 SCB21
VccIO_022 VccCore_014
1

1
NOTE: I I AA36 AJ34 1UF/16V 10UF/6.3V

2
SCB5 SCB6 VccIO_023 VccCore_015 AJ36
VccCore_016 X7R 10% X5R 10%
Splitting 2 power trace/shape 0.1UF/16V 0.1UF/16V Y20 AL32
mx_c0603_small mx_c0805_small
2

2
Y22 VccIO_036 VccCore_017 AL34
VccIO_037 VccCore_018 AN32
on pin Y20/Y22/V22 to other pins. VccCore_019
VccCore_020
AN34 GND GND NI
GND GND AR32 SL2
+1P05V_CPUIO VccCore_021 AR34 2 1
VccCore_022

NOTE: B41
E41 VccDMI_02 NOTE: 10UH/125mA
mx_l0805_small
VccDMI_01

1
Trace needs 1 Splitting 2 power trace/shape NI NI
I SCB22 SCB23
to be at least SCB7 +1P05V_PCH on pins AV24/AV26 to AY25/AY27, 1UF/10V 10UF/6.3V

2
20 mils width 1UF/16V mx_c0603_small X5R 10%
2

with full VSS/ X7R 10%


AE40
and AE40 to AG38/AG40. mx_c0805_small
mx_c0603_small VccIO_018
VCC reference AC20
VccSSC_01
GND AE20 GND GND NI NI
plane VccSSC_02
SR162 SL3

1
+1P05V_PCH
VccIO_001
AV24 I I 2 1 VCCAPLLDMI2_R 2 1
AV26 SCB32 SCB33
C AL40 VccIO_002 AY25 0 1UH/300mA C
1UF/16V 1UF/16V

2
VccIO_008 VccIO_003

1
AN40
VccIO_009 VccIO_004
AY27 X7R 10% X7R 10% NI NI mx_l0805_small
AN41
VccIO_010 mx_c0603_small mx_c0603_small SCB24 SCB25
NOTE:
1

I V36 1UF/16V 10UF/6.3V

2
SCB8 BA38 VccIO_013
VccIO_019 X7R 10% X5R 10% Backup to 0 ohm 1/8W(0805)JUMP
1UF/16V Y36
NOTE: GND GND mx_c0603_small mx_c0805_small
2

VccIO_012
X7R 10% if power noise is pass on SL3 and SL4.
NOTE: mx_c0603_small VccIO_014
Y28 Splitting 2 power traces NOTE: GND GND
Splitting 2 power trace/shape GND on pins AC20 to AE20. If filter is unstuffed, 0 ohm resistor(SR163) I
SL4
+1P05V_PCH must be stuffed in R and L site. 2 1

AG38
AG40 VccIO_020
+1P05V_PCH
NOTE: 10UH/125mA
mx_l0805_small
VccIO_021

1
AG41
VccIO_007 I CRB 0.7:

1
AJ38
VccIO_011 VccDIFFCLKN_01
AE15 I SCB27
1

I AE17 SCB26 10UF/6.3V SCB27 is NI and

2
SCB9 VccDIFFCLKN_02 AG15 1UF/16V X5R 10%

2
VccDIFFCLKN_03

1
1UF/16V I X7R 10% mx_c0805_small SR163 is 0 ohm.
2

X7R 10% SCB65


mx_c0603_small +3P3V
mx_c0603_small 1UF/16V

2
X7R 10% GND GND I
GND mx_c0603_small SL5
2 1
AG24 GND
+1P05V_PCH AG26 VccASW_004 600Ohm/100Mhz/0.5A
VccASW_005

1
AG28 mx_l0603_small
VccASW_006

1
AJ24
VccASW_007 NI SCE1 SCE4
B B
AJ26 +1P05V_PCH +1P05V_PCH SCB28 22UF/6.3V 22UF/6.3V
NOTE:

2
VccASW_008
AJ28 NI 1UF/16V I I

2
AL24 VccASW_009
VccASW_010 SR160 X7R 10% Backup SL5 to 10X2121R0040(1 ohm/0402)
1

I I I NI AL28
VccASW_011 VccAFDIPLL
C54 VCCFDIPLL 2 1 NI mx_c0603_small
SCB12 SCB10 SCB11 SCB16 AN22 SR161 if have no power noise issue.
10UF/6.3V AN24 VccASW_012 AL5 VCCACLKPLL 0 2 1
1UF/16V 1UF/16V 1UF/16V
2

NOTE:
X5R 10% AN26 VccASW_013 VccAClk
X7R 10% X7R 10% X7R 10% VccASW_014 GND GND GND
0
mx_c0805_small mx_c0603_small mx_c0603_small mx_c0603_small AN28
VccASW_015 VccAFDIPLL and VccAClk I
AR24 SL6
GND GND GND GND AR26 VccASW_016 can be NC in on-die VR mode. 2 1
AR28 VccASW_017 B53 VCCAPLLEXP
VccASW_018 VccAPLLEXP
NOTE: AR30
VccASW_019
10UH/125mA

1
AR36 U56 VCCAPLLSATA mx_l0805_small
VccASW_020 VccAPLLSATA

1
Install SCB12 during initial power-on. AR38
AU30 VccASW_021 A19 VCCAPLLDMI2
I
SCB29
SCE2
22UF/6.3V
SCE5
22UF/6.3V NOTE:

2
VccASW_022 VccAPLLDMI2
AU36 1UF/16V I I Backup to 0 ohm 1/8W(0805)JUMP

2
+1P05V_PCH VccASW_023 AJ20 VCCCLKDMI
VccClkDMI X7R 10%
AU34 AT1 VCCADAC mx_c0603_small if power noise is pass on SL6 and SL7.
AV36 VccASW_003 VccADAC
VccASW_002
AU32
VccASW_001 VccADPLLA
AB1 VCCA_DPLLA GND GND GND I
1

NI SL7
SCB13 AC2 VCCA_DPLLB 2 1
VccADPLLB
0.1UF/16V
2

10UH/125mA

1
mx_l0805_small

1
I SCE3 SCE6
GND SCB30 22UF/6.3V 22UF/6.3V

2
A 1UF/16V I I A

2
X7R 10%
mx_c0603_small

COUGARPOINT GND GND GND


PEGATRON DT-MB RESTRICTED SECRET
<Core Design>

Title : VCC/PLL 7-9


PEGATRON CORPORATION Engineer: Ethan_Chen
Size Project Name Rev
A3 IPISB-NK 1.03
Date: Wednesday, April 20, 2011 Sheet 29 of 80
5 4 3 2 1
5 4 3 2 1

I
SR170 +5VSB
10
U2H 2 1 I +3P3VSB
+3P3VSB SD1
1
AV28 BT25 V5REF_SUS 3
VccSusHDA V5REF_Sus 2

1
NI I NOTE: BAT54CW

1
I NI SCB46 SCB47
SCB35 SCB36 I +5V 0.1UF/16V 0.1UF/16V NI or install is decided to DSW support or not.

2
0.1UF/16V 0.1UF/16V SR171

2
D X7R 10% X7R 10% 10 D
BOTTOM 2 1 I +3P3V
GND GND SD2
GND GND 1
BF1 V5REF 3
+3P3VSB V5REF 2

1
AN52
VccSPI I BAT54CW
SCB48
NOTE: 1UF/16V

2
1
I X7R 10%
Place SCB59 and SCB66 near pin AU20, SCB37 mx_c0603_small
1UF/16V

2
SCB60 near pin AL38, X7R 10% GND
mx_c0603_small
SCB61 and SCB67 near BC17. +1P8V_SFR +1P8V_SFR +1P8V_SFR
NOTE: GND

+3P3V Splitting 2 power trace/shape on


pin AV20/AU20 and AU22. AU20
AV20 Vcc3_3_09
AU22 Vcc3_3_10
Vcc3_3_07 AJ1
VccVRM_01
1

1
I I NI I I I AL38
Vcc3_3_05 VccVRM_04
R2
SCB58 SCB59 SCB66 SCB60 SCB61 SCB67 AN38 R54
22UF/6.3V Vcc3_3_06 VccVRM_03 R56
1UF/16V 1UF/16V 0.1UF/16V 0.1UF/16V 0.1UF/16V
2

2
X5R 20% BC17 VccVRM_02
X7R 10% X7R 10% X7R 10% X7R 10% X7R 10% Vcc3_3_02

1
C mx_c0805_small mx_c0603_small mx_c0603_small BD17
Vcc3_3_03 NI I C

BOTTOM
BD20
Vcc3_3_04
SCB49
0.1UF/16V
SCB31
10UF/6.3V
NOTE:

2
GND GND GND GND GND GND X7R 10% X5R 10% Install SCB31 during initial power-on.
mx_c0805_small
+3P3V
NOTE: A12
GND GND

AF57 Vcc3_3_08
Install SCB58 during initial power-on. Vcc3_3_01 +1P8V_SFR
1

I I VccDFTERM_01
T55
SCB38 SCB39 T57
VccDFTERM_02
0.1UF/16V 0.1UF/16V
2

1
X7R 10% X7R 10% NI
SCB52
0.1UF/16V

2
GND GND X7R 10%

BT35 GND +3P3VSB


VccSus3_3_011

+1P05V_CPUIO VccSus3_3_002
AV30
AV32 NOTE:
VccSus3_3_003 AY31
VccSus3_3_004 AY33
Splitting 2 power trace/shape on
D55 VccSus3_3_005 BJ36
V_PROC_IO VccSus3_3_006 pin AV28, AY31/AY33, and AV30/AV32.

1
B56
V_PROC_IO_NCTF VccSus3_3_007
BK36 I I I
BM36 SCB53 SCB54 SCB69
B VccSus3_3_008 B
I 0.1UF/16V 0.1UF/16V 2.2UF/6.3V NOTE:

2
1

SCB40 I I VccSus3_3_009
AT40 X7R 10% X7R 10% X5R 10%
4.7UF/6.3V SCB62 SCB63 AU38
VccSus3_3_010 mx_c0603_smallPlace SCB53 near pin BT35, SCB54 near pin U31.
X5R 10% 0.1UF/16V 0.1UF/16V
2

mx_c0603_small X7R 10% X7R 10% U31 GND GND GND ,and SCB69 near pin AV30/AT40.
VccSus3_3_001

+3VA
GND GND GND
AV40
VccDSW3_3

1
I
SCB55
0.1UF/16V
2

X7R 10% NOTE:


+1P5V_STBY_INT BA46 Place SCB56 near PCH within 40mils.
+1P1V_DSW_INT AV41 DcpSST
DcpSusByp GND
+BATT
+1P1V_INT_DCPSUS1 AA32
VCCSUS_INT AT41 DcpSus_01 BU42
+1P1V_USB A39 DcpSus_02 VccRTC
DcpSus_03
1

I NI DcpRTC
BR54 DCPRTC_NCTF
SCB41 SCB42 BT56
DcpRTC_NCTF
1

1
0.1UF/16V 0.1UF/16V NI NI NI I I
2

X7R 10% X7R 10% SCB43 SCB44 SCB45 I SCB56 C59


A 0.1UF/16V 0.1UF/16V 0.1UF/16V SCB57 0.1UF/16V 1UF/16V A
2

X7R 10% X7R 10% X7R 10% 0.1UF/16V X7R 10% 2 X7R 10%
2

X7R 10% mx_c0603_small

GND GND GND GND GND


COUGARPOINT GND GND GND
PEGATRON DT-MB RESTRICTED SECRET
<Core Design>

NOTE: CRB 0.7 is 1uF


Title : VCCSUS 8-9
Just for measurement.
PEGATRON CORPORATION Engineer: Ethan_Chen
Size Project Name Rev
A3 IPISB-NK 1.03
Date: Wednesday, April 20, 2011 Sheet 30 of 80
5 4 3 2 1
5 4 3 2 1

U2I U2J
BC15 A26 L12 P22
BC20 Vss_0125 Vss_0005 A29 L17 Vss_0231 TP1 L31
BC27 Vss_0126 Vss_0006 A42 L38 Vss_0232 TP2 L33
BC31 Vss_0127 Vss_0007 A49 L41 Vss_0233 TP3 M38
BC36 Vss_0128 Vss_0008 A9 L43 Vss_0234 TP4 L36
BC38 Vss_0129 Vss_0009 AA20 M20 Vss_0235 TP5 BM46
BC47 Vss_0130 Vss_0010 AA22 M22 Vss_0236 TP10 BA27
BC9 Vss_0131 Vss_0011 AA24 M25 Vss_0237 TP11 AE49
BD25 Vss_0132 Vss_0012 AA26 M27 Vss_0238 TP13 AE41
BD33 Vss_0133 Vss_0013 AA28 M31 Vss_0239 TP14 AE43
D D
BF12 Vss_0134 Vss_0014 AA30 T52 Vss_0240 TP15 BA36
BF20 Vss_0135 Vss_0015 AA38 T6 Vss_0260 TP17 AY36
BF25 Vss_0136 Vss_0016 AB11 U11 Vss_0261 TP18 Y14
BF33 Vss_0137 Vss_0017 AB15 U15 Vss_0262 TP19 Y12
BF41 Vss_0138 Vss_0018 AB40 U17 Vss_0263 TP20
BF43 Vss_0139 Vss_0019 AB41 U20 Vss_0264
BF46 Vss_0140 Vss_0020 AB43 U22 Vss_0265
BF52 Vss_0141 Vss_0021 AB47 U25 Vss_0266
BF6 Vss_0142 Vss_0022 AB52 U27 Vss_0267
BG22 Vss_0143 Vss_0023 AB57 U33 Vss_0268
BG25 Vss_0144 Vss_0024 AB6 U36 Vss_0269
BG27 Vss_0145 Vss_0025 AC22 U38 Vss_0270
Vss_0146 Vss_0026 Vss_0271
BG31
BG33 Vss_0147 Vss_0027
AC34
AC36
U41
U47 Vss_0272 VSS_NCTF_001
A4
BM57
TP_VSS_NCTF1
TP_VSS_NCTF5
1
1
ST33 NOBOM
ST34 NOBOM NOTE:
BG36 Vss_0148 Vss_0028 AC38 U53 Vss_0273 VSS_NCTF_005 BP1 TP_VSS_NCTF6 1 ST87 NOBOM
BG38 Vss_0149 Vss_0029 AC4 V20 Vss_0274 VSS_NCTF BOM option depend on thermal result
BH52 Vss_0150 Vss_0030 AC54 V38 Vss_0275
BH6 Vss_0151 Vss_0031 AE14 V6 Vss_0276
BJ1 Vss_0152 Vss_0032 AE18 W1 Vss_0277
BJ15 Vss_0153 Vss_0033 AE22 W55 Vss_0278
Vss_0154 Vss_0034 Vss_0279
BK20
Vss_0155 Vss_0035
AE26 W57
Vss_0280 I 1 0 2 GR748 PCH_PWM8615 20,32
BK41 AE38 Y11
BK52 Vss_0156 Vss_0036 AE4 Y15 Vss_0281 AG12
Vss_0157 Vss_0037 Vss_0282 L_BKLTCTL PCH_PWMCTL 32
BK6
Vss_0158 Vss_0038
AE47 Y38
Vss_0283 L_BKLTEN
AG18 I 1 0 2 GR745 PCH_BL_EN 20,32,59
BM10
Vss_0159 Vss_0039
AE8 Y40
Vss_0284 L_VDD_EN
AG17 I 1 0 2 GR747 PCH_LVDS_EN 20,32,59
BM12 AE9 Y43
BM16 Vss_0160 Vss_0040 AF52 Y46 Vss_0285
BM22 Vss_0161 Vss_0041 AF6 Y47 Vss_0286 M33
C BM23 Vss_0162 Vss_0042 AG11 Y49 Vss_0287 Vss_0241 M36 C
BM26 Vss_0163 Vss_0043 AG14 Y52 Vss_0288 Vss_0242 M46
BM28 Vss_0164 Vss_0044 AG20 Y6 Vss_0289 Vss_0243 M52
BM32 Vss_0165 Vss_0045 AG22 AL43 Vss_0290 Vss_0244 M57
BM40 Vss_0166 Vss_0046 AG30 AL44 Vss_0291 Vss_0245 M6
BM42 Vss_0167 Vss_0047 AG36 R36 Vss_0292 Vss_0246 M8
BM48 Vss_0168 Vss_0048 AG43 P36 Vss_0293 Vss_0247 M9
BM5 Vss_0169 Vss_0049 AG44 R25 Vss_0294 Vss_0248 N4
BN31 Vss_0170 Vss_0050 AG46 P25 Vss_0295 Vss_0249 N54
BN47 Vss_0171 Vss_0051 AG5 Vss_0296 Vss_0250 R11
BN6 Vss_0172 Vss_0052 AG50 Vss_0251 R15
BP3 Vss_0173 Vss_0053 AG53 A6 Vss_0252 R17
BP33 Vss_0174 Vss_0054 AH52 B2 VSS_NCTF_002 Vss_0253 R22
BP35 Vss_0175 Vss_0055 AH6 BM1 VSS_NCTF_003 Vss_0254 R4
BR22 Vss_0176 Vss_0056 AJ22 BP57 VSS_NCTF_004 Vss_0255 R41
BR52 Vss_0177 Vss_0057 AJ30 BT2 VSS_NCTF_007 Vss_0256 R43
BU19 Vss_0178 Vss_0058 AJ57 BU4 VSS_NCTF_008 Vss_0257 R46
BU26 Vss_0179 Vss_0059 AK52 BU52 VSS_NCTF_009 Vss_0258 R49
BU29 Vss_0180 Vss_0060 AK6 BU54 VSS_NCTF_010 Vss_0259
BU36 Vss_0181 Vss_0061 AL11 BU6 VSS_NCTF_011 G54
BU39 Vss_0182 Vss_0062 AL18 D1 VSS_NCTF_012 Vss_0214 H15
C19 Vss_0183 Vss_0063 AL20 F1 VSS_NCTF_013 Vss_0215 H20
C32 Vss_0184 Vss_0064 AL22 VSS_NCTF_014 Vss_0216 H22
C39 Vss_0185 Vss_0065 AL26 Vss_0217 H25
C4 Vss_0186 Vss_0066 AL30 Vss_0218 H27
D15 Vss_0187 Vss_0067 AL36 Vss_0219 H33
D23 Vss_0188 Vss_0068 AL41 Vss_0220 H6
D3 Vss_0189 Vss_0069 AL46 Vss_0221 J1
Vss_0190 Vss_0070 GND Vss_0222
D35 AL47 J33
B D43 Vss_0191 Vss_0071 AM52 Vss_0223 J46 B
D45 Vss_0192 Vss_0072 AM3 Vss_0224 J48
E19 Vss_0193 Vss_0073 AM57 Vss_0225 J5
E39 Vss_0194 Vss_0074 AN11 Vss_0226 J53
E54 Vss_0195 Vss_0075 AN12 Vss_0227 K52
E6 Vss_0196 Vss_0076 AN15 Vss_0228 K6
E9 Vss_0197 Vss_0077 AN17 Vss_0229 K9
F10 Vss_0198 Vss_0078 AN18 Vss_0230 BA49
F12 Vss_0199 Vss_0079 AN20 Vss_0119 BB1
F16 Vss_0200 Vss_0080 AN30 AY22 Vss_0120 BB3
F22 Vss_0201 Vss_0081 AN36 C12 Vss_0004 Vss_0121 BB52
F26 Vss_0202 Vss_0082 AN4 AE56 Vss_0003 Vss_0122 BB6
F32 Vss_0203 Vss_0083 AN43 BR36 Vss_0001 Vss_0123 BC14
F33 Vss_0204 Vss_0084 AN47 AU2 Vss_0002 Vss_0124 AV18
F35 Vss_0205 Vss_0085 AN54 VssADAC Vss_0104 AV22
F36 Vss_0206 Vss_0086 AN9 Vss_0105 AV34
F40 Vss_0207 Vss_0087 AR20 Vss_0106 AV38
F42 Vss_0208 Vss_0088 AR22 Vss_0107 AV47
Vss_0209 Vss_0089 GND Vss_0108
F46 AR52 AV6
F48 Vss_0210 Vss_0090 AR6 A54 Vss_0109 AW57
F50 Vss_0211 Vss_0091 AT15 A52 TS_VSS1 Vss_0110 AY38
F8 Vss_0212 Vss_0092 AT18 F57 TS_VSS2 Vss_0111 AY6
Vss_0213 Vss_0093 AT43 D57 TS_VSS3 Vss_0112 B23
Vss_0094 AT47 TS_VSS4 Vss_0113 BA11
Vss_0095 AT52 Vss_0114 BA12
Vss_0096 AT6 Vss_0115 BA31
Vss_0097 AT8 Vss_0116 BA41
GND Vss_0098 GND Vss_0117
AU24 BA44
Vss_0099 AU26 Vss_0118
A Vss_0100 A
AU28
Vss_0101 AU5
Vss_0102 AV12
Vss_0103 GND
COUGARPOINT
PEGATRON DT-MB RESTRICTED SECRET
<Core Design>

COUGARPOINT
GND
Title : VSS 9-9
PEGATRON CORPORATION Engineer: Ethan_Chen
Size Project Name Rev
A3 IPISB-NK 1.03
Date: Wednesday, April 20, 2011 Sheet 31 of 80
5 4 3 2 1
5 4 3 2 1

12/30 1uF --> 10uF


+1P2V_SW +1P2V_edp

L6331 L6328
1 2 1 2

2.2UH 600Ohm/100Mhz/0.5A
0.2 I
check pwr noise

1
I I
C17 C18 C14 C15 C20 C19
D 0.1UF 0.01UF 4.7UF/16V 10UF/6.3V 0.1UF 0.1UF D

2
X7R 10% X7R 10% X5R 10% X5R 10%
I I I I I
GND GND GND GND GND GND

+3P3V +VDDIOX

L6329
1 2

600Ohm/100Mhz/0.5A
I

1
U86
C13
4.7UF/16V 6 53

2
VDDRX TA0p 54 LVDS_L0P_NB 22
X5R 10% TA0n LVDS_L0N_NB 22
+VDDIO 13 51
I 14 VDDIOX1 TB0p 52 LVDS_L1P_NB 22
L6330 VDDIOX2 TB0n 48 LVDS_L1N_NB 22
GND TC0p LVDS_L2P_NB 22
1 2 38 49
50 VDDIO1 TC0n 43 LVDS_L2N_NB 22
VDDIO2 TD0p 44 LVDS_L3P_NB 22
600Ohm/100Mhz/0.5A
2 TD0n LVDS_L3N_NB 22

1
I I +1P2V_edp 19 46
+3P3V C30 C28 C29 C27 C16 VDD12 TCK0p 47 LVDS_LCLKP_NB 22
1UF/25V 0.1UF 0.1UF+1P2V_SW 16 TCK0n 41 LVDS_LCLKN_NB 22
0.47UF/16V 0.47UF/16V
1

2
X7R 10% 15 SW_OUT2 TA1p 42 LVDS_U0P_NB 22
X7R 10% X7R 10% SW_OUT1 TA1n LVDS_U0N_NB 22
I 1% 1M R48 39
1 2 I I I I TB1p 40 LVDS_U1P_NB 22
C TB1n 36 LVDS_U1N_NB 22 C
GND GND GND GND GND TC1p LVDS_U2P_NB 22
C21 2 1 0.1UF/10V I DP0_PCH_D_C 4 37
1% I 100K1 R34 2 27 DP0_PCH_D C22 2 1 0.1UF/10V I DP0#_PCH_D_C 5 DRX0p TC1n 31 LVDS_U2N_NB 22
27 DP0#_PCH_D C23 2 1 0.1UF/10V I DP1_PCH_D_C 7 DRX0n ENBLT/TD1p 32 LVDS_U3P_NB 22
27 DP1_PCH_D C24 2 1 0.1UF/10V I DP1#_PCH_D_C 8 DRX1p PWMO/TD1n 34 LVDS_U3N_NB 22
27 DP1#_PCH_D C25 2 1 0.1UF/10V I DP_AUX#_PCH_D_C 1 DRX1n TCK1p 35 LVDS_UCLKP_NB 22
27 DP_AUX#_PCH_D GND DAUXn TCK1n LVDS_UCLKN_NB 22
C26 2 1 0.1UF/10V I DP_AUX_PCH_D_C 2
27 DP_AUX_PCH_D DAUXp
+3P3V 27 1 R39 2 1% I
RLV_AMP 22 4.99K +VDDIO
RLV_CFG
1% I 100K1 R81 2 NI +3P3V
20,31 PCH_PWM8615
1 0 2 GR742 NI I2C_CFG 12
I2C_CFG
U87 1 0 2 GR746 NI ENPVCC/I2C_ADDR 33 26 1 R83 2 1% I
1 8 20,31,59 PCH_LVDS_EN 1 0 2 GR744 NI RLV_SSC 23 ENPVCC REXT 10 4.99K R46 2 10K I 1
2 A0 VCC 7 20,31,59 PCH_BL_EN RLV_LNK/GPIO0 21 RLV_SSC PD# 9 R47 2 10K I 1
I 1% 1M R80 3 A1 WP 6 RLV_LNK/GPIO0 RST# 3
1 2 4 A2 SCL 5 MSDA 24 GND1 28
GND SDA MSCL 25 CSDA/MSDA GND2 57
PD#/RST# one GPIO to PCH
CAT24C02WI_GT3 +3P3V CSCL/MSCL EPAD 18
I R25 30 GNDX2 17
GND DDC_SDA GNDX1
I2C_CFG = "H" 1 4.7K 2 29 20 1 0 2 GR741 NI EDPRST 25
DDC_SCL TESTMODE
EEPROM for Initial Code NI1 0 2 GR743 45
PWMI NC1
55
GND I2C Address: 0xA0 I R28 27 DP_HPD_PCH_D 11 56
1 4.7K 2 HPD NC2
+3P3V
PS8615QFN56GTR-A2
1

2
R29 R30 R43 I
Power On Configuration 31 PCH_PWMCTL 12/6 0208-000H000--->0208-000K000
GND
4.7K 4.7K 100K
I I 1%
2
2

NI R18 NI R49
2

1
B 1 4.7K 2 I2C_CFG 1 4.7K 2 GR740 GR739 NI B
GND +VDDIO
0 0
I2C_CFG: Initial code loading selection, internal pull-down ~80K GND
I I
L: Hardware self configuration NI +3P3V
1
1

M: No initial code loading, external I2C control is expected U88


H: Load initial code from external EEPROM through MSCL/MSDA 1 8
2 A0 VCC 7 1 0 2 GR738 NI
A1 WP GND
NI R19 3 6 1 0 2 GR737 NI
A2 SCL SML1_CLK_EC 59
ENPVCC/I2C_ADDR 1 4.7K 2 +VDDIO 4 5 1 0 2 GR736 NI
GND SDA SML1_DATA_EC 59
I2C_ADDR: I2C slave address selection, internal pull-down ~80K CAT24C02WI_GT3
L: 0x10h ~0x1Fh
H: 0xB0h ~0xBFh

GND
GND 1% 1 I 2 R31RLV_SSC1% 1 I 2 R24 +VDDIO
4.7KOHM 4.7KOHM
RLV_SSC: LVDS SSC selection, internal pull-down ~80K
L: SSC off
M: +/- 0.5% central spreading
H: +/- 1% central spreading

NI R36 NI R84
GND 1 4.7K 2 RLV_CFG 1 4.7K 2 +VDDIO
RLV_CFG: LVDS color depth and data mapping selection, internal pull-down ~80K
L: 8-bit LVDS, VESA mapping
M: 8-bit LVDS, JEIDA mapping
A H: 6-bit LVDS, both VESA and JEIDA mapping A

I R37
RLV_LNK/GPIO0 1 4.7K 2 +VDDIO
RLV_LNK: LVDS single link or dual link selection, internal pull-down ~80K
L: Single link LVDS
H: Dual link LVDS Title : PS8615
PEGATRON CORPORATION Engineer: Ethan_Chen
Size Project Name Rev
A3 IPISB-NK 1.03
Date: Thursday, April 21, 2011 Sheet 32 of 80
5 4 3 2 1
5 4 3 2 1

S
A
T
A
C
O
N
N
E
C
T
O
R
+5V
I
D L294 P113 D
1 2 SATA_CON1_5V 1
2

1
80Ohm/100Mhz/2A 3
I C209 C324 4
22UF/6.3V 0.1UF/16V

2
WAFER_HD_4P
X5R 10% X7R 10%
+12V I I
GND GND
L296
1 2 SATA_CON1_12V

1
80Ohm/100Mhz/2A +
I CE101 C330 C331
100uF/16V 0.1UF/16V 0.1UF/16V

2
I X7R 10% X7R 10%

2
I I
GND GND GND
GND
CHANNEL 1 MASTER
White
ODD
I
CHANNEL 0 MASTER P112
1 8
C Dark Blue 25 SATA_TXP1
I C323 1 2 0.01UF/25V SATA_TXP1_C 2 GND1 HOLD1
TX+
C
I C318 1 2 0.01UF/25V SATA_TXN1_C 3
25 SATA_TXN1 4 TX-
HDD I
25 SATA_RXN1
I C322 1 2 0.01UF/25V SATA_RXN1_C 5 GND2
RX-
P110 I C326 1 2 0.01UF/25V SATA_RXP1_C 6
1 8 25 SATA_RXP1 7 RX+ 9
GND1 HOLD1 GND3 HOLD2
25 SATA_TXP0 I TC1 1 2 0.01UF/25V X7R 10% SATA_TXP0_C 2
TX+
25 SATA_TXN0 I TC4 1 2 0.01UF/25V X7R 10% SATA_TXN0_C 3
TX-
SATA_CON_7P
4
GND2
25 SATA_RXN0 I TC2 1 2 0.01UF/25V X7R 10% SATA_RXN0_C 5
RX-
25 SATA_RXP0 I TC3 1 2 0.01UF/25V X7R 10% SATA_RXP0_C 6
RX+ GND
7 9
GND3 HOLD2
SATA_CON_7P

GND
1

C351
B B
0.1UF/16V
2

+5V
+5V X7R 10%
EMI
GND
L299 ODD_LED I
1 2 SATA_CON3_5V P114

1
1
1

80Ohm/100Mhz/2A 2 R7462
2

I C211 C349 ODD_EJECT_CON 3 820 OHM


22UF/6.3V 0.1UF/16V 4 R106 1%
2

X5R 10% X7R 10% 4.7KOHM

2
WAFER_BOX_4P I
I I 5%
GND GND
I
1

R367
470 Ohm
5% GND ODD_LED_OUT
I
1

3
R195
C350 I C PQ41
ODD_EJECT 0.1UF/16V 54 ODD_LED 1 2 M_LED0_B 1 B PMBS3904
2

54,59 ODD_EJECT ODD_LED_OUT ODD_LED


54 ODD_LED_OUT X7R 10% E SOT23

GND
EMI 3.3K 2 I

A A

Title : SATA
PEGATRON CORPORATION Engineer: Ethan_Chen
Size Project Name Rev
A3 IPISB-NK 1.03
Date: Wednesday, April 20, 2011 Sheet 33 of 80
5 4 3 2 1
5 4 3 2 1

SB
P332 +3P3V +3P3V +3P3V +3P3V
1
2 0 ER30 SB
SENSE_LINEIN
LINEIN_L_C 40
40 POWER UART & GPIO

2
3 0 ER29 SB LINEIN_R_C 40 SB
4 P333 R117 R118 R119 R126

1
+5V_LCD
2 1 SBGR720 2 0 1 SCR_BL_EN 20 8.2K 8.2K 8.2K 8.2K
WAFER_HD_1X4P C9355 C9354 C9353 4 3 SBGR721 2 0 1 SCR_LVDS_EN 20
6 5 SBGR731 2 0 1
AUDIO 470PF/50V 470PF/50V 470PF/50V +5V SCR_PWM 20

1
8 7 SB SB SB SB
X7R 10% X7R 10% X7R 10% +3P3V
AGND
59 DDCCLK_EC SBGR726 2 0 1 10 9 SBGR722 2 0 1
SCR_IN_SW 59
NI NI NI
59 DDCDAT_EC SBGR727 2 0 1 12 11 SBGR725 2 0 1
V_UP 59
59 UART_TX SBGR718 2 0 1 14 13 SBGR724 2 0 1
V_DOWN 59
AGND AGND AGND 59 UART_RX SBGR719 2 0 1 16 15 SBGR723 2 0 1
V_M 59
1 0 2 GR733 SB 18 17 SBGR732 2 0 1
23 GPIO_TX GPO_MODE 59

1
23 GPIO_RX 1 0 2 GR734 SB 20 19

1
CB81 CB82 CB85

1
0.1UF/25V 0.1UF/25V 0.1UF/25V WAFER_HD_2X10P C9370

2
EMI EMI EMI

1
C9372 C9371 470PF/50V

2
1

1
D 470PF/50V 470PF/50V C9358 C9359 C9360 C9369 X7R 10% D

2
GND GND GND X7R 10% X7R 10% C9356 C9357 GND 470PF/50V 470PF/50V 470PF/50V 470PF/50V

2
NI
470PF/50V 470PF/50V X7R 10% X7R 10% X7R 10% X7R 10%

2
NI NI

1
X7R 10% X7R 10% NI NI NI NI
C9361 C9362 C9363 GND
GND GND NI NI
470PF/50V 470PF/50V 470PF/50V

2
12/13 GND GND GND X7R 10% X7R 10% X7R 10% GND
GND GND 1208-017M000--> NI NI NI
1208-017W000
SB
1 2 RN4502A GND GND GND
0
+5V
NI
4

21 DVI_TXP2_MXM
GL732 +3P3V
200Ohm/100Mhz +5V
21 DVI_TXN2_MXM
DVI from MXM
1

SB SB

2
3 4 RN4502B SB RN4501A 2 1
0 0

2
P373 R107
SB 1 2 R13 8.2K
1 2 NI

4
1 2 RN4503A DVI_TXP2_MXM_R 3 4 DVI_CLKP_MXM_R 8.2K
0 3 4 DVI_CLKP_MXM 21
DVI_TXN2_MXM_R 5 6 DVI_CLKN_MXM_R GL733

1
7 5 6 8 SB
200Ohm/100Mhz
NI DVI_CLKN_MXM 21

1
7 8
4

DVI_TXP1_MXM_R 9 10 SB
21 DVI_TXP1_MXM

1
9 10 DVI_HPD_MXM 21
GL731 DVI_TXN1_MXM_R 11 12 SB
13 11 12 14 RN4501B 4 3
21 DVI_TXN1_MXM 200Ohm/100Mhz 13 14 0
DVI_TXP0_MXM_R 15 16 Q46 3
1

15 16
SB DVI_TXN0_MXM_R 17 18 R105 C
3 4 RN4503B 19 17 18 20 1 2HOT_PLUG_MXM 1 B
0 19 20
21 22
SIDE1 SIDE2
SB 23 24 Q27 3 8.2KOHM E +3P3V
1 2 RN4504A NP_NC1 NP_NC2 R128 C 2
0 PMBS3904
1 2 1 B
WTOB_CON_20P SB SB

2
GND GND

DVI_DDCA_DATA_MXM
DVI_DDCA_CLK_MXM
NI
4

8.2K E GND R192


21 DVI_TXP0_MXM 2
GL734 SB 8.2K
200Ohm/100Mhz +5V PMBS3904
21 DVI_TXN0_MXM
+3P3V SB
1

1
SB DVI_HPD_MXMSCR 23,59
SB GND Q53 3

1
3 4 RN4504B 6 SB 5 RN4509C R205 C
0 2.2k
C SB SB 4 SB 3 RN4509B CLK_GATE_MXM 1 2HOT_PLUG_MXMSCR 1 B C
2.2k
2.2K 2.2K 8 SB 7 RN4509D
2.2k E
R120 R110 2 SB 1 RN4509A DATA_GATE_MXM 8.2K

1
2.2k 2

G
PMBS3904

2
DVI_CLK_Q23 R111 2 1 33
SB

S 2
SB DVI_CLK_MXM 21

D
SB

1
G
Q23 GND
DVI_DATA_Q24 R109 2 1 33

S 2
2N7002 DVI_DATA_MXM 21
SB

D
SB

1
Q24 C133 C134
2N7002 10PF/50V 10PF/50V

2
SB
NI NI
GND GND

+3P3V
SB +5V
1 2 RN4506A
0
+5V

2
NI
4

2
R115
27 DVI_TXP2_PCH
GL736 R14 8.2K
27 DVI_TXN2_PCH 200Ohm/100Mhz 8.2K
DVI from PCH
1

1
SB
SB SB

1
3 4 RN4506B SB RN4505B 4 3 SB
0 0 DVI_HPD_PCH 27
P372
SB 1 2
1 2

1
1 2 RN4507A DVI_TXP2_PCH_R 3 4 DVI_CLKP_PCH_R Q47 3
0 3 4 200Ohm/100Mhz DVI_CLKP_PCH 27
DVI_TXN2_PCH_R 5 6 DVI_CLKN_PCH_R R108 C
7 5 6 8 GL735 1 2HOT_PLUG_PCH 1 B
NI 7 8 DVI_CLKN_PCH 27
4

27 DVI_TXP1_PCH
DVI_TXP1_PCH_R 9 10 NI

4
9 10
GL737 DVI_TXN1_PCH_R 11 12 SB Q28 3 8.2K E +3P3V
13 11 12 14 RN4505A 2 1 R127 C 2
27 DVI_TXN1_PCH 200Ohm/100Mhz 13 14 0 PMBS3904
DVI_TXP0_PCH_R 15 16 1 2 1 B
SB SB
1

15 16

2
SB DVI_TXN0_PCH_R 17 18
B 3 4 RN4507B 19 17 18 20 8.2K E R193 B
0 19 20 2
21 22 SB GND 8.2K
SIDE1 SIDE2
SB 23
NP_NC1 NP_NC2
24 PMBS3904
1
0
2 RN4508A SB DVI_HPD_PCHSCR 23,59

1
Q54 3 SB
WTOB_CON_20P GND
R206 C
NI
4

GND GND +5V 1 2HOT_PLUG_PCHSCR 1 B


27 DVI_TXP0_PCH
GL738 +3P3V
200Ohm/100Mhz 8.2K E
27 DVI_TXN0_PCH
1

6 SB 5 RN4510C 2
PMBS3904
2.2k
1

SB SB SB 4 SB
2.2k
3 RN4510B CLK_GATE_PCH SB SB
3 4 RN4508B 2.2K 2.2K 8 SB 7 RN4510D
0 2.2k
R125 R114 2 SB 1 RN4510A DATA_GATE_PCH

1
2.2k

G
GND
2

DVI_DDCA_CLK_PCH DVI_CLK_Q25 R112 2 1 33

S 2
DVI_CLK_PCH 27
SB

D
1
G

DVI_DDCA_DATA_PCH Q25 DVI_DATA_Q26 R113 2 1 33


3

S 2

2N7002 DVI_DATA_PCH 27
SBM2RN5B SB
D

DVI_TXP2_PCH 3 4 DVI_TX2_LS SB
680
1

1
Q26 C135 C136
SBM2RN5A 2N7002 10PF/50V 10PF/50V
2

2
DVI_TXN2_PCH 1 2 SB NPO 5% NPO 5%
680
NI NI
3 GND GND
D
SBM2RN6D +3P3V MQ19
DVI_TXP1_PCH 7 8 DVI_TX1_LS 2N7002
680 1
SB
G
SBM2RN6C 2 S
DVI_TXN1_PCH 5 6 3
D
680
+3P3V MQ18
2N7002 GND
1
SB
SBM2RN6B G
DVI_TXP0_PCH 3 4 DVI_TX0_LS 2 S
680 3
D
+3P3V MQ16
A
SBM2RN6A 2N7002 GND
A
DVI_TXN0_PCH 1 2 1
680 SB
G
2 S

SBM2RN5C GND
DVI_CLKP_PCH 5 6 DVI_CLK_LS
680 3
D
+3P3V MQ17
SBM2RN5D 2N7002
DVI_CLKN_PCH 7 8 1
680 SB
G
2 S Title : scaler conn
PEGATRON CORPORATION Engineer: Ethan_Chen
GND Size Project Name Rev
A2 IPISB-NK 1.03
Date: Friday, April 22, 2011 Sheet 34 of 80
5 4 3 2 1
5 4 3 2 1

D D

C C

B B

A A

<Core Design>

Title : N/A
Pegatron Corp. Engineer: Ethan_Chen
Size Project Name Rev
C IPISB-NK 1.03
Date: Wednesday, April 20, 2011 Sheet 35 of 80
5 4 3 2 1
5 4 3 2 1

21 HDMI_CLK_MXM
21 HDMI_DATA_MXM

21 HDMI_TXP2_MXM
21 HDMI_TXN2_MXM
+3P3V
21 HDMI_HPD_MXM HDMI_HPD_MUX 52
D D
21 HDMI_TXP1_MXM HDMI_CLK_MUX 52
21 HDMI_TXN1_MXM

DDCBUF
HDMI_DAT_MUX 52

1
REAR REAR REAR REAR
C601 C602 C603 C604
0.01UF/25V 0.01UF/25V 0.01UF/25V 0.01UF/25V

2
GND
REAR

49
48
47
46
45
44
43
42
41
40
39
38
37
U9383A

IN1_SDA

OUT_SDA
GND1

DDCBUF
IN1_D2p
IN1_D2n

IN1_D1p
IN1_D1n
GND2

IN1_SCL
IN1_HPD

OUT_HPD
OUT_SCL
GND
21 HDMI_TXP0_MXM 1 36
IN1_D3n OUT_D1n HDMI_TXP2 52
21 HDMI_TXN0_MXM 2 35
IN1_D3p OUT_D1p HDMI_TXN2 52
IN1_PEQ 3 34 PRE_EMI
4 IN1_PEQ PRE_EMI 33
21 HDMI_CLKP_MXM IN1_D4n OUT_D2n HDMI_TXP1 52
21 HDMI_CLKN_MXM 5 32
IN1_D4p OUT_D2p HDMI_TXN1 52
+3P3V 6 31 +3P3V
7 VDD VDD1 30
NC OUT_D3n HDMI_TXP0 52
27 HDMI_TXP2_PCH 8 29
IN2_D1n OUT_D3p HDMI_TXN0 52
27 HDMI_TXN2_PCH 9 28 CFG_HPD REAR
10 IN2_D1p CFG_HPD 27 U9383B
27 HDMI_HPD_PCH IN2_HPD OUT_D4n HDMI_CLKP 52
27 HDMI_TXP1_PCH 11 26 12/6 0208-000C000--->0208-000L000 50 57
IN2_D2n OUT_D4p HDMI_CLKN 52 GND2 GND9
12 25 PWDN 51 56

SW_MAIN
27 HDMI_TXN1_PCH

SW_DDC
IN2_PEQ

IN2_SDA
IN2_D2p PWDN GND3 GND8

IN2_SCL
IN2_D3n
IN2_D3p

IN2_D4n
IN2_D4p
52 55
GND4 GND7

CEXT
REXT
53 54
GND GND5 GND6
PS8271QFN48GTR-A1
C PS8271QFN48GTR-A1 C
create w/ via footprint one.
13
14
15
16
17
18
19
20
21
22
23
24
GND GND
SW_MAIN
SW_DDC
IN2_PEQ

27 HDMI_TXP0_PCH GND REAR


27 HDMI_TXN0_PCH R37435
499 Ohm
1%
27 HDMI_CLKP_PCH
1

27 HDMI_CLKN_PCH REAR R51 REAR R86


GND 1 4.7K 2 IN1_PEQ 1 4.7K 2 +3P3V

27 HDMI_CLK_PCH GND
REAR R89 REAR R90
27 HDMI_DAT_PCH
1

REAR GND 1 4.7K 2 IN2_PEQ 1 4.7K 2 +3P3V


C109
20,21,25,36,46 MXM_PRESENT# REAR SR43 1 2 0 2.2UF/6.3V
2

20,21,25,36,46 MXM_PRESENT# REAR


SR42 1 2 0 X5R 10% REAR R95 REAR R96
GND 1 4.7K 2 PWDN 1 4.7K 2 +3P3V

GND
REAR R98 REAR R97
GND 1 4.7K 2 CFG_HPD 1 4.7K 2 +3P3V

REAR R102 REAR R99


GND 1 4.7K 2 PRE_EMI 1 4.7K 2 +3P3V
B B

REAR R104 REAR R103


GND 1 4.7K 2 DDCBUF 1 4.7K 2 +3P3V

A A

PEGATRON DT-MB RESTRICTED SECRET


<Core Design>

Title : HDMI mux


PEGATRON CORPORATION Engineer: Ethan_Chen
Size Project Name Rev
A3 IPISB-NK 1.03
Date: Wednesday, April 20, 2011 Sheet 36 of 80
5 4 3 2 1
5 4 3 2 1

+5V_AMP

AMP POWER
+5VSB Q9348
NTR4502PT1G
NI
2 3

3 D
2
+12V

G
R100

11
100K

1
1 2 AZ_AVDD_GATE +
+12V
NI CE15
100uF/16V

2
1

2
D R101 R213 R67 R71 D6055 D
100KOHM 0 0 0 B540C_13_F SB

+5V

1
1
PC576 GND
0.1UF/16V
SB NI NOBOM NOBOM NOBOM NI

1
+5V GND

2
2D PC575
PR560
PU12 GND 0.1UF/16V

2
1 2 +4P8V_EN_A 1 6 Q9349 SB
2 EN VCC 5 +4P8V_DRI_C 11
3 GND DRI 4 G P3055LDG
1K FB PGOOD S GND

1
3

3
1
1% GND LINREG,9024 PR561 SB
PR537 8.2K
0 +4P8V
SB SB

2
+1P25V_PG_A_AMP

2
1

+4P8V_RC_A SB
PC580 SB

1
0.047UF/16V
2

1
NI PR547
PC581 4.99K PC578 PC577 C257 CB179
1

1000PF/50V 1% 10UF/6.3V 22UF/6.3V 0.1UF/16V 0.1UF/16V

2
GND PC579 SB GND GND

2
1000PF/50V
2

SB NI SB NI SB

+4P8V_FB_A SB

1
PC264 PC265

1
GND GND 0.022UF/25V 0.022UF/25V

2
PR550
1K GND GND GND GND
1%
2
1

SB

2
PC267 PC266
C 0.022UF/25V 0.022UF/25V GND R37506 R37507 C
2

3.3 3.3
1% 1%
+5V_AMP

1
2

R37508 R37509
3.3 3.3 AML47 SB
1% 1%
1 2 VDD1
GND GND 0 1 AR11 2
40 SPK_R+
1

70Ohm/100Mhz/3A
0 1 AR9 2 SPK_L- 40 40 SPK_R- 0 1 I AR12 2 JP10
1

GND GND

AMC176 1000PF/50V

AMC175 1000PF/50V
AMC19 AMC183 1 2
1
1000PF/50V AMC171

0 1 IAR10 2 SPK_L+ 40 AMC4 10UF/6.3V 0.1UF/16V I


1
1000PF/50V AMC172

22UF/6.3V X5R 10% X7R 10% SHORTPIN


2

I 180/100Mhz/2A
2

SB AML50 JP11
NOBOM
SPEAKER AMP
2

AML53 SB SB 1 2 1 2

2
1 2 GND

1
AGND_LOC1 AMC26 AMC157 SHORTPIN
1

AMC155 AMC33 180/100Mhz/2A 100PF/50V 1000PF/50V

1
1000PF/50V 100PF/50V SB JP12
NOBOM

2
SB 1 2
2

AMP1_2 AMP2_1

1
AMP1_1 SB AMC27 SB AMC313 AMP2_2 SHORTPIN
AMP3_2 SB SB U66 180/100Mhz/2A 100PF/50V 1000PF/50V AMP4_1
2

AMP3_1 AMC156 AMC34 14 12 OUTR1+ AML52 AGND_LOC1 AMP4_2 JP13


NOBOM

2
100PF/50V 15 VDD1 OUTR+ 11 OUTR1- 1 2 1 2
1000PF/50V VDD2 OUTR-
AGND_LOC1 4 INL1+ 1 75K 2 AMR51 INR1+_L 2
0.027U/50V 1
1

INL+ AUD_SPK_OUT_L 40
AML51 OUTL1- 2 X7R 10% AMC165 SB SB SHORTPIN
1 2 OUTL1+ 1 OUTL-
OUTL+ SB SB

1
1000PF/50V AMC173

1000PF/50V AMC174
SB SB 9 INR1+ 1 75K 2 AMR49 INR1+_R 2
0.027U/50V 1 SB NOBOM
INR+ AUD_SPK_OUT_R 40
1

1
1000PF/50V AMC169

1000PF/50V AMC170

180/100Mhz/2A 13 X7R 10% AMC166 P330


GND1 16 SB
SB SB

2
GND2

1
2
0.027U/50V
SB
1 INL1-R 1 75K 2 AMR42 INL1- 5 17 AMC46 AMC31 1 AMP1_1
2

AMC153 INL- GND3 18 100PF/50V 100PF/50V 2 AMP1_2 AGND_LOC1 GND


2 SB 1
0.027U/50V INR1-R 1 SB
75K 2 AMR50 INR1- 8 GND4 19 3 AMP2_1

2
NI NI AMC164 INR- GND5 20 4 AMP2_2
GND6 6
SB SB NC1 7 SB SB GND GND WAFER_BOX_4P_R/A
GND GND 3 NC2 10
26,40,41 SHUT_DOWN# SD# NC3 AGND_LOC1
2

B AMC154 SSM2306CPZ-R2 B
1

1000PF/50V AMR39

I
P6
1 AMP3_1
110K SB GND AGND AGND
Title : AMP/PWR
1%
2

2 AMP3_2 Engineer: Ethan_Chen


40 INLU66-
1

3 AMP4_1 PEGATRON CORPORATION


4 AMP4_2 Size Project Name Rev
SB
WAFER_BOX_4P_R/A 40 INRU66-
SB A2 IPISB-NK 1.03
GND Date: Thursday, April 21, 2011 Sheet 43 of 80

A A

5 4 3 2 1
5 4 3 2 1

Q60
+3P3VSB
APM2307AC-TRL U3301A
I +3VSUS +3VSUS trace sidth > 40mils
2 3 C2706 is for 8111E, place close to pin12 12

3 D
2
42 AVDD33_1 1

G
47 AVDD33_2 MDIP0 2 LAN_MDI0_P 38

11
AVDD33_3 MDIN0 LAN_MDI0_N 38
1

1
I I I I I I 48
AVDD33_4 MDIP1
4
LAN_MDI1_P 38
1

PR29 PC56 C3302 C3307 C3309 C3310 C3313 C3315 27 5


DVDD33_1 MDIN1 LAN_MDI1_N 38

1
200K 1UF/16V 0.1UF/16V 0.1UF/16V 0.1UF/16V 0.1UF/16V 0.1UF/16V 0.1UF/16V 39 7

2
1% mx_c0603_small NI DVDD33_2 MDIP2 8 LAN_MDI2_P 38
2

X7R 10% D8852 D8853 MDIN2 10 LAN_MDI2_N 38


D D
2

I MDIP3 LAN_MDI3_P 38
I MMSZ5228B_F AZ5123-01J
MDIN3
11
LAN_MDI3_N 38
NI

1
I GND

2
R3307 0 Ohm 5% LAN_VDDREG 34
35 VDDREG1
VDDREG2 +3VSUS +3VSUS +3VSUS
NOTE: [PIN33]
R1.02
1

1
GND I
I GND NI for 8105E-VC C3316 C3320 PU enable internal regulator

1
PR28 4.7UF/6.3V 0.1UF/16V I
internal LDO enabled

2
PD disable internal regulator

1
10K X5R 10% I
1K NI
2

+1P05V_LAN I R3303 0 10K


R3314 R3306
R1.01

2
GND I GND L3301

2
R3313 0 1 2 REGOUT 36
REGOUT 38 LAN_GPO
4.7UH GPO/SMBALERT 33 ENSWREG
ENSWREG

1
I 16
CLKREQB
C3326 C3306 O/D

1
0.1UF/16V 4.7UF/6.3V NI

2
X5R 10% 0
For 8111E EEPROM/ASF/Efuse Function (Default Efuse.)
I R3312 With ASF Without ASF
GND 8111E

2
EEPROM EEPROM
LAN_DAVDD 3 EFuse
6 AVDD10_1 (93C66 Only) (93C46)
AVDD10_2
1

1
I NI NI I I I NI 9 I NI
C C3301 C3305 C3308 C3311 C3312 C3314 C3319 45 AVDD10_3 R2734 C
AVDD10_4 GND
0.1UF/16V 0.1UF/16V 0.1UF/16V 0.1UF/16V 0.1UF/16V 0.1UF/16V 0.1UF/16V 13 I NI
R2736
2

2
DVDD10_1
2

29
NI NI 41 DVDD10_2
DVDD10_3 R2735 NI I
D8 D10 +3VSUS +3VSUS
MMSZ5228B_F AZ5123-01J NI NI
+1P05V_LAN R2728
GND
1

NI NI R2723 I I
2

1
I R3305 0 21
EVDD10
1K 1K

1
I I
GND GND C3323 C3324 R3320 R3316
1UF/10V 0.1UF/16V

2
14 LANSMCLK NI R3317 1 2 0
SMBCLK SMB_CLK 23,52,55
15 LANSMDATA NI R3318 1 2 0
SMBDATA SMB_DATA 23,52,55
I For 8105E EEPROM/Efuse Function

1
GND
10K
Without ASF
R3315
I C3321 1 2 0.1UF/16V X7R 10%
LAN_HSON 23 8105E
EEPROM

2
24 PCIE_RXN4_LAN I C3325 1 2 0.1UF/16V X7R 10%
LAN_HSOP 22 HSON
24 PCIE_RXP4_LAN HSOP (93C46) EFuse
+3P3V +3VSUS 18 GND
24 PCIE_TXN4_LAN
17 HSIN R2734 NI
24 PCIE_TXP4_LAN HSIP
I R2736 NI
1

+3VSUS
12/6 NI-->I R3319 19
B 1KOhm 10K
28 CK_100M_LAN
20 REFCLK_P R2735 NI B
R3310 28 CK_100M_LAN# REFCLK_N
3/8 I-->NI 30 EECS NI
EECS 40 R2728
NI
2

ISOLATEB 26 LED0 37
ISOLATEB LED1/EESK R2723 I
I 21,26,44,47,48,52 PCIE_WAKE#
I R3308 0 LANWAKE# O/D 28 LANWAKEB EEDI
32 EEDI
1

1
31 NI
LED3/EEDO +3VSUS
15KOHM NI R3322 0 Ohm 5% 25 10KOhm
59 PLTRST_LAN# PERSTB
R3311 R3309 NI
SR198 U3303
2

2
1

18,21,39,44,47,48,52 PCIE_RST# I 1 0 2 1 8
C3322 2 CS VCC 7
100PF/50V 3 SK DC 6
2

4 DI ORG

1
GND NPO 5% 5 NI
DO GND C3318
NI
I AT93C46 0.1UF/16V

2
LAN_LED0 38

1
GND LED1_EESK 38 R3301
I LED3_EEDO 38 10KOhm 10K
U3301B 12/6 1A20-000Z100--->1A20-002P100 R3304 GND
50 57 I

2
51 GND3 GND10 56 I C3304
52 GND4 GND9 55 2 1 X1_LAN 43
53 GND5 GND8 54 CKXTAL1 24
GND6 GND7 GND1
27PF/50V GND GND GND
44 49
1

RTL8111E-VL-CG CKXTAL2 GND2


Y10
GND
3

25Mhz
LAN_RSET 46
2

A I RSET A
GND

I C3303
2 1 X2_LAN <Core Design>
R3302
27PF/50V 2.49KOHM

GND GND
1% Title : LAN_RTL8111E-VB-GR
I
GND PEGATRON CORPORATION Engineer: Ethan_Chen
Size Project Name Rev
GND
RTL8111E-VL-CG
GND A3 IPISB-NK 1.03
Date: Wednesday, April 20, 2011 Sheet 37 of 80
5 4 3 2 1
5 4 3 2 1

+3P3VSB +3P3VSB

1
NI NI
ZR22 ZR23
510 510
1% 1%

2
37 LAN_LED0
HR71 2 I 249 1 1%

D D
37 LED1_EESK
HR77 2 I 249 1 1%

1
NI NI
CB482 CB483
1000PF/50V 1000PF/50V

2
I
J8
14
GND GND 14 16
ORANGE P_GND1
GREEN
13 18
13 NP_NC1
1 2RN233A I 1
0 D1+
2
D1-
4

3
3
L40 90OHM/100MHz/300mA TD0+ 4 D2+
37 LAN_MDI0_P D2-
NI 5
TD0- 6 CT2
37 LAN_MDI0_N
1

3 4RN233B I 7 CT1
0 D3+
1 2RN8A I 8
0 D3-
TD1+ 9
37 LAN_MDI1_P D4+
4

10
D4-
37 LAN_MDI1_N
L45 NI TD1-
90OHM/100MHz/300mA 12
12 17
1

3 4RN8B I YELLOW NP_NC2


0
C +5VSB 11 15 C
U25 11 P_GND2
LAN_JACK_14P
CH1 1 6CH4 +3P3VSB
GND
VN 2 5 VP

1
CH2 3 4 CH3 I
R703
510
GND CM1213_04SO

2
1 2RN191A I NI LAN_LINKP
0
4

L38 90OHM/100MHz/300mA TD2+


37 LAN_MDI2_P
NI
ACTIVE 37 LED3_EEDO
TD2-
37 LAN_MDI2_N
1

3 4RN191B I
0
1 2RN190A I
0

1
TD3+ NI NI
37 LAN_MDI3_P
4

CB171 CB481
37 LAN_MDI3_N
L39 NI TD3- 1000PF/50V 470PF/50V

2
90OHM/100MHz/300mA
1

1
3 4RN190B I
0
C31
GND GND 0.01UF/25V

2
X7R 10%
+5VSB
B U26 I B

CH1 1 6CH4 GND


VN 2 5 VP

CH2 3 4 CH3

CM1213_04SO
GND NI

0 Ohm EMI

ER31

GND GND

A A
0 Ohm EMI

ER39

GND GND Title : LAN-CONN


PEGATRON CORPORATION Engineer: Ethan_Chen
Size Project Name Rev
A3 IPISB-NK 1.03
Date: Wednesday, April 20, 2011 Sheet 38 of 80
5 4 3 2 1
5 4 3 2 1

store the desired


pre-configuration information?
Card_3V3
D
current: 250mA D

+3P3V_CR

1
I
C9333 F202 R37439
0.1UF/16V 0.35A/6V 0

2
NI

2
I
GND

1
NI
C9340 J56
0.1UF/16V SD_D3 SD_1 XD_1

2
SD_CMD SD_2 SD_DAT3 GND3 XD_2 XD_CD#
SR199 I +3P3V_CR SD_3 SD_CMD CD XD_3 XD_RDY
SD_VSS1 R/B#
18,21,37,44,47,48,52 PCIE_RST# I 1 0 2 CR20 SD_4
SD_VCC RE#
XD_4 XD_RE#
GND I R37401 SD_CLK SD_5 XD_5 XD_CE#
EEDI_CR 2 + 1 1 2 SD_6 SD_CLK CE# XD_6 XD_CLE
NI SD_D0 SD_7 SD_VSS2 CLE XD_7 XD_ALE
R3321 1 2 0I MS_INS# 150 SD_D1 SD_8 SD_DAT0 ALE XD_8 XD_WE#
59 PLT_RST_CR# SD_DAT1 WE#
WHITE SD_D2 SD_9 XD_9 XD_WP#
+3P3V_CR SD_CD# SD_CD1 SD_DAT2 WP# 43
GND1 GND4
3.3V: 1.2A
SD_CD# SD_CD2 XD_10
+3P3V_DUAL SP15 SD_WP XD_D7 SD_WP1 SD_CD(DETECT) GND5 XD_11 XD_D0
C SD_WP SD_WP2 GND2 D0 XD_12 XD_D1 C
NI R37431 1 2 SP14 XD_D6 SD_WP(PROTECT) D1 XD_13 XD_D2
0 D2 XD_14 XD_D3
D3
1

+3P3V I I XD_15 XD_D4


C9332 1 R37385 2 R3329 1 2 0 MS_CLK MS_1 D4 XD_16 XD_D5
I R37430 1 0 2 6.2K I MS_BS MS_2 MS_VSS1 D5 XD_17 XD_D6
0.1UF/16V
2

I MS_D1 MS_3 MS_BS D6 XD_18 XD_D7

48
47
46
45
44
43
42
41
40
39
38
37
1% MS_VCC1 D7
U3305 MS_D0 MS_4 XD_19
MS_D2 MS_5 MS_SDIO VCC

EECS
EESK
RREF
3V3_IN2
CLK_REQ#

EEDO

GPIO/EEDI
PERST#

MS_INS#
SD_CD#
SP15
SP14
MS_INS# MS_6 MS_RESERVED1 SD_10
GND GND MS_INS GND6
MS_D3 MS_7 SD_11
1 36 SP13 XD_D5 MS_CLK MS_8 MS_RESERVED2 GND7
24 CR_PE1_TXP2 HSIP SP13 MS_SCLK
2 35 SP12 MS_D3 XD_D4 MS_9 44
24 CR_PE1_TXN2 HSIN SP12 MS_VCC2 NP_NC1
3 34 SP11 XD_D3 MS_10 45
28 CK_100M_CR REFCLKP SP11 MS_VSS2 NP_NC2
4 33 SP10 MS_D2 XD_D2 46
28 CK_100M_CR# REFCLKN SP10 NP_NC3
AV12 5 32 SP9 MS_D0 XD_D1 47
AV12 SP9 NP_NC4
1

I
24 CR_PE1_RXP2 I SC39 2 1 0.1UF/16V CR_PE1_RXP2_C 6
HSOP SP8
31 SP8 XD_D0
C9331
24 CR_PE1_RXN2 I SC43 2 1 0.1UF/16V CR_PE1_RXN2_C 7
HSON SP7
30 SP7 MS_D1 XD_WP# CARD_READER_43P
4.7UF/10V GND 8 29 SP6 XD_ALE I
2

DV12 9 GND1 SP6 28 SP5 MS_BS XD_CLE CARD_3V3_CON


DV12 SP5
1

I Card_3V3 Card_3V3 10 27 DV12_S


Card1_3V3 DV12_S

1
C9334 +3P3V_CR 11 26 I I
NI NI 3V3_IN1 GND3 GND GND GND
0.1UF/16V 12 25 C9338 C9337
SD_CMD
DV33_18
2

22PF/50V 22PF/50V Card2_3V3 SD_D2


1

SD_CLK
xD_CD#

0.1UF/16V 4.7UF/10V
SD_D1
SD_D0

SD_D3

2
1

GND2

GND C3926 C3925 I I


SP1
SP2
SP3
SP4

/EMI_I /EMI_I C9336 C9335


2

10UF/10V 0.1UF/16V
2

RTS5209-GR
13
14
15
16
17
18
19
20
21
22
23
24

1
GND GND GND I I I
B C274 C273 C272 B
DV33_18

XD_WE#

SD_D2 4.7UF/10V 10UF/10V 0.1UF/16V


XD_RDY
XD_RE#
XD_CE#

pin#12:
XD_CD#

GND GND

2
GND GND SD_D3
conn pwr for SD_CMD
SD_CLK
2nd LUN only SD_D0
SP1
SP2
SP3
SP4

SD_D1
GND GND GND
C273:
10uF for SD
GND
UHS104 card.
1

I
C9339
0.1UF/16V
2

GND

A A

Title : CardReader
PEGATRON CORPORATION Engineer: Ethan_Chen
Size Project Name Rev
A3 IPISB-NK 1.03
Date: Wednesday, April 20, 2011 Sheet 39 of 80
5 4 3 2 1
5 4 3 2 1

+5V

I AVDD AVDD under 500mA, pop noise issue.


L5609
1 2 AVDD

1
180Ohm/100Mhz/2A I I I

1
D8862 ACB7 ACB6 ACB10

1
10UF/16V 0.1UF/16V 1UF/10V

2
D8855 X5R 10%
D MMSZ4690T1G D

NI AZ5125-01J

2
NI

AGND
GND +5V AGND 2 1 ER27
PVDD 1A 0
COMBO

+3P3V 2 1 ER28

1
I I I I 0
D8854 NI D8861 NI ACB13 ACB11 ACB12 ACB14 I COMBO
10UF/16V 0.1UF/16V 0.1UF/16V 10UF/16V

2
MMSZ4690T1G AZ5125-01J U3802A

1
I 27 28 MIC_LC AC4 I 1 2 10UF/6.3V X5R 10%
MIC_L_C 41

2
ACB3 38 AVDD1 PORTA_L(HP0)

2
39 AVDD2 29 AC3 I 1 2 10UF/6.3V X5R 10% AVDD
0.1UF/16V MIC_R_C 41

2
45 PVDD1 PORTA_R(HP0)
+3P3V PVDD2 23 AR4 1 1% I 2 39.2K
VREFOUT-A MIC1_VREF 41 SENSE_MIC 41

1
GND DVDD ~200mA
GND 3 31
HPOUT_L_beats 41 I
9 DVDD_IO PORTB_L(HP1) AR78
DVDD 32 AR66 1 1% I 2 20K 2.49K
PORTB_R(HP1) HPOUT_R_beats 41 SENSE_HP 41
2

1
1%

2
6 19 LINEIN_LC AC1 I 1 2 10UF/6.3V X5R 10%
26 AZ_BITCLK BITCLK PORTC_L LINEIN_L_C 34

1
D5 D6 I I 5
26 AZ_SDATA_OUT SDATA_OUT
MMSZ5228B_F AZ5125-01J ACB2 ACB8 10 20 LINEIN_RC AC2 I 1 2 10UF/6.3V X5R 10% AR69 1 1% I 210K
26 AZ_SYNC SYNC PORTC_R LINEIN_R_C 34 SENSE_LINEIN 34
AVDD NI NI 0.1UF/16V 1UF/10V R7475 1 I 2 22 RSDATA_IN0 8 24
1

2
26 AZ_SDATA_IN0 11 SDATA_IN VREFOUT_C/GPIO4

2
26,40 AZ_RST# RESET# AVDD
40 SPK_L+ 43
PORTD_+L

1
PORTD_-L
41 SPK_L- 43 I
1

1
GND GND GND GND AC49
AR74 44 SPK_R+ 43 I 1000PF/50V

2
PORTD_R+ 43 AR77 X7R 10%
10K PORTD_R- SPK_R- 43
1% SPKR_C 12 2.49KOHM
1 22 2 MIC_CLK_91 2 PCBEEP 15 1%
49 DMIC_CLK LINEOUT_L_beats 41
2

2
I R10 I R7474 DMIC_CLK/GPIO1 PORTE_L 16 AGND
PORTE_R LINEOUT_R_beats 41
0.1UF/16V 2 1 I
1 ACB18 2 0.1UF/16V 2 1 ACB21 I 1 22 2 MIC_DATA_91 4 AR68 1 1% I 2 39.2K
49 DMIC_DATA DMIC0/GPIO2 SENSE_LINOUT 41,52
I R7476 13 SENSE_A_91
SENSE_A

1
C 3
D 100K 14 SENSE_B_91 C
SENSE_B
1

Q9357 C241 C3816 2 1 4.7UF/6.3V 36


CAP+
1

2
2N7002 I AR75 15PF/50V 17 AR72 1 1% 2 20K

2
PORTF_L AUD_SPK_OUT_L 43 SENSE_SUB 41,52
1
I 10K C4 C314 X5R 10% I 35 18 AR67 AR65
26,40 SPKR CAP- PORTF_R AUD_SPK_OUT_R 43

1
G 1% 0.01UF/25V 15PF/50V 20K 20K SB I
2

2
2 S I AC48
X7R 10% 1% 1%
2

I GND 10UF/6.3V 2 1 AC36 SB 25 1000PF/50V


AD5 I I

2
I I 41 SUB_R Mono_Out 21 X7R 10%
1 GND 10UF/6.3V 2 1 AC37 SB VREFFILT 22
3 41 SUB_L 46 CAP2 34
26,40 AZ_RST# DMIC1/GPIO/SPDIFOUT1 V-
GND GND 2 +3P3V 37 AGND AGND
SHUT_DOWN#_R 47 VREG AGND
1 EAPD
BAW56WPT DVDD_CORE

1
26
I AVSS1

1
R209 30
AVSS_1

1
4.7K 48 33 C3815 I ACB16
SPDIFOUT0/GPIO3 AVSS_2
I ACB17 49 C3814 ACB15 10UF/16V

2
R277 GND 42 1UF/10V
10UF/16V 4.7UF/6.3V 4.7UF/6.3V X5R 10%

2
I 1 2 PVSS 7
26,41,43 SHUT_DOWN# X5R 10% DVSS X5R 10% X5R 10% I
0 I I I
92HD91B2X5NLGXYYX

GND GND GND AGND AGND AGND AGND AGND


JP26 NOBOM
1 2
INLU66- 43

SPEAKER
SHORTPIN
JP25 NOBOM
1 2
INRU66- 43
+5V
I=5/(100+40)=35.7mA SHORTPIN
NI NI
<Core Design>
P7 R73
1 BUZZ 2 1
2 SPKR_O
100 Max 40mA 50
U3802B AGND Title : IDT 92HD91B2X5NLGXYYX
AC_1205G mx_r0805_small 51 P_GND1
40Ohm 52 P_GND2 Pegatron Corp. Engineer: Ethan_Chen
53 P_GND3 Size Project Name Rev
P_GND4
54
55 P_GND5 A2 IPISB-NK 1.03
P_GND6
B NI 56
P_GND7
Date: Friday, April 22, 2011 Sheet 40 of 80 B
3 Q9 NI 57
C PMBS3904 R74 58 P_GND8
P_GND9
1

NI B 1 SPKR_B 2 1
SPKR 26,40
59
CB2 60 P_GND10
E 4.7K 61 P_GND11
0.1UF/16V
2

2 P_GND12
92HD91B2X5NLGXYYX

AGND I

GND GND

A A

5 4 3 2 1
5 4 3 2 1

10UF/6.3V X5R 10%


AGND ACE15 1 2 I
LINEOUT_R_beats 40
10UF/6.3V X5R 10% C5 1 2

Subwoofer

1
ACE14 1 2 I
40 LINEOUT_L_beats

1
R38

2
R32 10K NI ER37 0

29
REAR_SUB_R 52

2
ER41 10K U1

2
0 C7525 1 2 330PF/50V 1 28 330PF/50V 2 1 C7527 ER26 NI ER36 0

GND
2 2
+LD_L +LD_R REAR_SUB_L 52
0 J82
1 R58
I 2 1UF/16V 2 27 1 IR61 233K I SB 2

1
NI -LD_L -LD_R 2

2
I R59 33K I 22PF/50V 1 2 AC8 L4018 1 2 subwoofer_R SB ER43 1 5.1 2 subwoofer_R_R 6
40 SUB_R

1
3 26 R64 NI 120Ohm/100Mhz/0.6A SB ER44 1 5.1 2 SUB_L_R 3 6
ER40 33K I OUT_LDL OUT_LDR I 40 SUB_L 3
VP AC7 2 1 22PF/50V I 33K 4
ER33 4
2
LINOUT_L_AMP 1 4 25 I VP +3P3V SB 1 ER19 2 0 5

1
AGND1 Ex_UVP 40,52 SENSE_SUB 5
D 0 I
2 1 LINOUT_R_AMP D

1
5 24 C10 1 2 1UF/16V 0 1
26,40,43 SHUT_DOWN# EN_LD PGND1 NP_NC
I AR70 1 1% I 2 20K 2 R1421 10K 7
C7 1 2 1UF/16V 6 23 I 8 P_GND1
PVSS_LD PVDD_LD I P_GND2

1
I 7 22 +3P3V 2 R44 1 10K C9378 PHONE_JACK_5P
CN_LD CP_LD I C4044 C4045
470PF/50V

2
8 21 1 R37436 2 1 1000PF/50V 1000PF/50V
X7R 10% SB

2
CN_HP CP_HP
AGND AGND SB X7R 10% X7R 10%
C9 1 2 1UF/16V 9 20 C12 1 2 1UF/16V I
PVSS_HP PVDD_HP SB SB

1
I 10 19 I ACE18 C11
HPOUT_L_AMP EN_HP PGND2 1UF/16V 0.1UF/16V

2
1

11 18 I
FR16 22PF/50V 1 2 AC6 AGND2 NC

1
30K 12 17 I HPOUT_R_AMP AGND AGND AGND SB SB
OUT_HPL OUT_HPR 22PF/50V 1 2 AC12 C4042 C4043
I AGND AGND
2

1 R60 2 13 16 1 R63 2

2200PF/50V

2200PF/50V
2

2
-HP_L -HP_R

X7R 10%

X7R 10%
ER42 33K I 33K
0 C7526
I
1 2 330PF/50V 14 15 C7528 1 2 330PF/50VI FR17
+HP_L +HP_R
1

1
I 30K AGND

1
I DRV604PWPR I ER38 I C1093 2 1 0.1UF/16V
1

NI R35 0 X7R 10% NI

2
10K C8 1 2 1UF/16V I C1094 2 1 0.1UF/16V NI D8842
X7R 10% D8843 TVL040201AB0
2

1
NI

1
I I I C1095 2 1 0.1UF/16V TVL040201AB0

2
ACE13 1 2 I I X7R 10% AGND AGND
40 HPOUT_L_beats

2
I R45 I C1096 2 1 0.1UF/16V
10UF/6.3V X5R 10% 10K X7R 10%
ACE161 2 X5R 10% I C1097 2 1 0.1UF/16V

2
HPOUT_R_beats 40
X7R 10% AGND AGND
10UF/6.3V I
I R37503
1 2

AGND GND AGND


C C

MIC
2

AC11
1UF/25V NI ER35 0
REAR_L_C 52
1

X7R 10%
NI ER34 0
NI REAR_R_C 52
I R4013 1 4.7K 2
I I
I R4014 1
J87 J76
4.7K 2
40,41 MIC1_VREF
10
9
NP_NC2
NP_NC1
10
9
NP_NC2
NP_NC1
LINOUT_L_AMP I 1 ER25 2 0 Rear Line out
1 I ER16 2 0 R_MIC1_JD 5 1 I ER15 2 0 SENSE_HP_R 5 LINOUT_R_AMP I 1 ER24 2 0
40 SENSE_MIC 40,41 SENSE_HP
I L4015 120Ohm/100Mhz/0.6A 4 I L4017 120Ohm/100Mhz/0.6A 4
METAL

METAL
1 2 MIC_R_L 3 HPOUT_R_AMP 30 1 ER23 2HPOUT_R_AMP_RR
1 2 HPOUT_R_R 3
40 MIC_R_C
I L4016 120Ohm/100Mhz/0.6A 6 6 J89
1 2 MIC1_L_L 2 HPOUT_L_AMP 30 1 ER22 2HPOUT_L_AMP_LL1 2 HPOUT_L_R 2 2
40 MIC_L_C 2
1 1 Lineout_R_L 6
6

1
7 L4019 120Ohm/100Mhz/0.6A 7 Lineout_L_L 3
8 C9376 8 4 3
I 5 4
470PF/50V

2
40,52 SENSE_LINOUT 5
AUDIO_JACK_7P X7R 10% AUDIO_JACK_7P
1

I I 1
NI NP_NC

C474

C475
C9375 C4039 C4040 7
8 P_GND1
470PF/50V 100PF/50V 100PF/50V AGND
2

P_GND2

1
C4038 C4041 C9377 PHONE_JACK_5P

0.01UF/25V

0.01UF/25V
NI I I
220PF/50V 220PF/50V
Headphone 470PF/50V C4036 C4037

2
X7R 10% X7R 10% X7R 10% 1000PF/50V 1000PF/50V I

2
NI NI I X7R 10% X7R 10%
NI NI
AGND AGND AGND

AGND AGND AGND AGND

AGND AGND
AGND AGND AGND
1

2
1

B AGND C4034 C4035 B


NI NI 220PF/50V 220PF/50V

1
NI D8834 D8833 X7R 10% X7R 10%

1
D8831 TVL040201AB0 TVL040201AB0
I

1
TVL040201AB0 I
2

2
1
NI
2

NI D8829
NI D8830 TVL040201AB0
D8832 TVL040201AB0

2
AGND AGND TVL040201AB0 AGND AGND AGND

2
2
AGND AGND

AGND

R37511
1 2
40,41 MIC1_VREF <Core Design>
2.2K
COMBO
Title : Audio Jack
Pegatron Corp. Engineer: Ethan_Chen
Size Project Name Rev

MIC_R_L ACB20 1 2 1UF/10V COMBO combo


A2 IPISB-NK 1.03
Date: Wednesday, April 20, 2011 Sheet 41 of 80
1 AR73 2
J88
0
MIC1_L_L ACB19 1 2 1UF/10V COMBO 7 NI
1
HPOUT_L_R 2
6 AVDD
HPOUT_R_R 3
4
2

A 5 A
R37517
8 GND1 10KOhm
SENSE_HP_R

9 GND2
10 COMBO
1

11 NP_NC1
NP_NC2
PHONE_JACK_7P
1
G
1

SENSE_HP_D 1 AR71 2
2 S

COMBO SENSE_HP 40,41


D

AGND C9418
22PF/50V 0
2

Q9356 COMBO
COMBO
2N7002

COMBO
AGND AGND

5 4 3 2 1
5 4 3 2 1

D D

C C

B B

Title : IDT/89D3
PEGATRON CORPORATION Engineer: Ethan_Chen
Size Project Name Rev
C IPISB-NK 1.03
Date: Wednesday, April 20, 2011 Sheet 42 of 80

A A

5 4 3 2 1
5 4 3 2 1

+3P3V_DUAL

1
wake up I
UR7
function 10K

2
1
D +1P1VSB_USB +3P3V_DUAL +3P3V_DUAL_L D
NI
UR1
10K

2
1

1
I I
R79 R68 GND
4.7K 4.7K

A52

A12
A16
A28
A31
A33
A38

A43
A50

B17
B19
B24
B37
B40
B42
B44

A34
A39
A47
A51

A19
A21
A44
B11
B22
B26

A25
+3P3V_DUAL I

A1

A4

A6
A9
B1

B8

A3

B4
2

2
UU1A

AUX_DET

NC6

NC24

NC14
NC18
VDD11_1
VDD11_2
VDD11_3
VDD11_4
VDD11_5
VDD11_6
VDD11_7
VDD11_8

VDD11_9
VDD11_10
VDD11_11
VDD11_12
VDD11_13
VDD11_14
VDD11_15
VDD11_16
VDD11_17
VDD11_18
VDD11_19

VDD33_1
VDD33_2
VDD33_3
VDD33_4
VDD33_5

VDDA_3P3_1
VDDA_3P3_2
VDDA_3P3_4
VDDA_3P3_5
VDDA_3P3_6

VDDA_3P3_3
1

1
GND GND
I I I I B2
SCL USB_DM_DN1
B18
USB3N_1 45
UR5 UR4 UR3 UR2 A2 A20
SDA USB_DP_DN1 USB3P_1 45
10K 10K 10K 10K
TI_GPIO3 A49 B16
USB3_RXN1 45
2

2
TI_GPIO2 B46 GPIO0 USB_SSRXN_DN1 A18
GPIO1 USB_SSRXP_DN1 USB3_RXP1 45
TI_GPIO1 B47
TI_GPIO0 B48 GPIO2 B15
GPIO3 USB_SSTXN_DN1 A17 USB3_TXN1 45
A15 USB_SSTXP_DN1 USB3_TXP1 45
52,62 GRST# GRST# B33
B41 PWRON1# A36 PWRON1 45
28 CK_100M_USB3# PCIE_REFCLKN OVERCUR1# OC#1 45
A45
28 CK_100M_USB3 PCIE_REFCLKP A13
USB_DM_DN2 USB3N_2 44,45
A42 B12
24 USB3_PE1_TXN2 PCIE_RXN USB_DP_DN2 USB3P_2 44,45
C B39 C
24 USB3_PE1_TXP2 PCIE_RXP B9 USB3_RXN2 45
USB_SSRXP_DN2
24 USB3_PE1_RXN2 I SC47 2 1 0.1UF/16VUSB3_PE1_RXN2_R A41
PCIE_TXN USB_SSRXN_DN2
A10 USB3_RXP2 45
24 USB3_PE1_RXP2 I SC46 2 1 0.1UF/16VUSB3_PE1_RXP2_R B38
PCIE_TXP
A40 B10 USB3_TXN2 45
PERST# USB_SSTXN_DN2 A11
USB_SSTXP_DN2 USB3_TXP2 45
8,21,37,39,47,48,52 PCIE_RST# I 1 0 2 SR194
21,26,37,47,48,52 PCIE_WAKE# I 1 0 2 SR192 B35
WAKE# PWRON2#
B34
PWRON2 45
B36 A37
CLKREQ# OVERCUR2# OC#2 45
24 SMI#_3.0 I 1 0 2 SR189 B3
SMI# A27
NC3 B25
NC13
1

I B32
SC170 A32 JTAG_RST# A29
+3P3V_DUAL 1000PF/50V A35 JTAG_TCK NC4 B27
2

B31 JTAG_TDI NC15


GND B30 JTAG_TDO A30
JTAG_TMS NC5
1

GND B28
NC16
I
UR20 9.09K 1 1% 2 UR6 A24 A46
R1EXT NC7
4.7K I NC19
B43
B23
2

R1EXTRTN
NC9
A5 I
FREQSEL B14 B5 UU1B
FREQSEL NC21 1 9
A7 2 GND1 GND9 10
NC10 GND2 GND10
1

I B21
VSS_OSC NC22
B6 3
GND3 GND11
11
FR8 4 12
B X1_XO A22 A8 5 GND4 GND12 13 B
4.7K XO NC11 GND5 GND13
B7 6 14
X1_XI A23 NC23 7 GND6 GND14 15
2

PR458 1MOhm XI A48 8 GND7 GND15 16


1 2 NC8 B45 GND8 GND16 C1

NC12
NC17

VSS2
VSS1
NC1
NC2
NC20 GND17
I GND18
C2
GND I GND19
C3
Y25 48Mhz TUSB7320RKM C4

A14
A26
B13
B29

B20
A53
12/6 I-->NI 1 3 GND20
NI
1 2 TUSB7320RKM
SR187
2

4
1

0
I I GND GND
SC10 SC11 GND
GND 18PF/50V 18PF/50V GND
2

+3P3V_DUAL GND +1P1VSB_USB

+3P3V_DUAL_L
L5606
1 2
1

1
80Ohm/100Mhz/2A I I I I I I I I I I I I I I I I I I
I UC40 UC41 UC42 UC43 UC7 UC8 UC9 C1 UC44 UC45 UC46 UC47 UC48 UC49 UC50 UC51 UC10 UC11 UC12 C2
0.1UF/16V

0.1UF/16V

0.1UF/16V

0.1UF/16V

0.01UF/25V

0.01UF/25V

0.01UF/25V

0.1UF/16V

0.1UF/16V

0.1UF/16V

0.1UF/16V

0.1UF/16V

0.1UF/16V

0.1UF/16V

0.1UF/16V

0.01UF/25V

0.01UF/25V

0.01UF/25V
22UF/6.3V 22UF/6.3V
2

2
X7R 10%

X7R 10%

X7R 10%

X7R 10%

X7R 10%

X7R 10%
X5R 20% X5R 20%
I I

A A
1

I I I I I
UC29 UC30 UC31 UC32 UC39
0.1UF/16V 0.1UF/16V 0.1UF/16V 0.1UF/16V 0.1UF/16V GND PEGATRON DT-MB RESTRICTED SECRET
<Core Design>
2

GND
Title : USB 3.0 CONTROLLER
PEGATRON CORPORATION Engineer: Ethan_Chen
Size Project Name Rev
GND A3 IPISB-NK 1.03
Date: Thursday, April 21, 2011 Sheet 44 of 80
5 4 3 2 1
5 4 3 2 1

+3P3V_DUAL

1
I +VCC_USB1 2.0
URN13A J16 I
1 2 8 UR22
0 P_GND4
I 1 6 10K +5V_DUAL +VCC_USB1 +5V_DUAL
1 P_GND2
44 USB3N_1
3
0
4 URN23B USB3N_1- 2 I NI

2
3 2 UU6 UF1
3

1
90OHM/100MHZ/330mA
44 USB3P_1
1
0
2 URN23A
UL10
4
4 P_GND1
5
44 OC#1 OD 1
FLG# VOUT
5 2 1
7 2
I NI P_GND3 3 GND 4 1.6A/6V
44 PWRON1 EN/EN# VIN
USB_CON_1X4P

1
USB3P_1+ RT9711BPB I + I
UCB7 UCE8 R2 R6 NI
3 4 GND 0.1UF/16V 470UF/6.3V 4.7K 4.7K UR19
0

2
I NI 8.2K

2
1 NI 2 URN24A I NI
24 USBN0 0

2
D URN13B UU7 D
3 NI 4 URN24B GND
24 USBP0 0 CH4 6
+5VSB 1CH1
SR304
1 NI 2 URN26A GND GND GND GND
24 USBN1 0
VP 5 2VN 2 1
3 NI 4 URN26B 24 OC01#
24 USBP1 0
I CH3 4 3CH2
0
URN14A

1
1 2 GND NI
0
CM1213_04SO NI
UR16
+VCC_USB2 2.0 15K

1
90OHM/100MHZ/330mA J17

2
I UL12 8
3 4 URN25B NI 1 P_GND4 6
44 USB3N_2 0 1 P_GND2
USB3N_2- 2
3

4
2 +VCC_USB1 +VCC_USB2
44 USB3P_2
1
0
2 URN25A I USB3P_2+ 3
3
GND
URN14B 4 5
4 P_GND1
I 3
0
4 7 R37433
P_GND3 1 2
USB_CON_1X4P
0
close to USB conn.
NI

GND

I
URN27A
1 2
0

44 USB3_TXP1
USB3_SS_TXP1 I UC35 1 2 0.1UF/16V X7R 10% USB3_SS_TXP1_C
2

90OHM/100MHZ/330mA
UL2
NI
3

44 USB3_TXN1 I USB3_SS_TXN1 I UC36 1 2 0.1UF/16V X7R 10% USB3_SS_TXN1_C


C URN27B C
3 4
0
NI
UU14
1 10
2 TMDS_CH1- NC4 9
3 TMDS_CH1+ NC3 8
4 GND1 GND2 7
5 TMDS_CH2- NC2 6
TMDS_CH2+ NC1
I
URN28A IP4284CZ10-TB
1 2
0
GND GND
USB3_SS_RXP1
44 USB3_RXP1
2

90OHM/100MHZ/330mA
UL3
NI
3

I USB3_SS_RXN1
44 USB3_RXN1 URN28B
3 4
0 +VCC_USB1
I
URN30A
1 2
0
I UC37 1
USB3_SS_TXP2 2 0.1UF/16V X7R 10% USB3_SS_TXP2_C
NOTE:

11
13
44 USB3_TXP2
J134
2

90OHM/100MHZ/330mA
0722-0066000 ESD PROTECTION SOT1059 NXP/IP4284CZ10-TB

P_GND2
P_GND4
UL9 USB3_SS_RXN1 5
NI 4 SSRX-
USB3_SS_RXP1 6 PGND 0722-003Y000 ESD PROTECTION TSLP-9-1 INFINEON/ESD5V3U4U-HDMI
3

SSRX+
44 USB3_TXN2 I USB3_SS_TXN2 I UC38 1 2 0.1UF/16V X7R 10% USB3_SS_TXN2_C USB3P_1+ 3
URN30B 7 D+
3 4 USB3N_1- 2 GND
0 D-
NI USB3_SS_TXN1_C 8
SSTX-

P_GND1
P_GND3
UU15 1
1 10 USB3_SS_TXP1_C 9 VBUS
2 TMDS_CH1- NC4 9 SSTX+
3 TMDS_CH1+ NC3 8
B 4 GND1 GND2 7 USB_CON_9P B

10
12
5 TMDS_CH2- NC2 6
TMDS_CH2+ NC1 I
I
URN31A IP4284CZ10-TB
1 2
0
GND GND
USB3_SS_RXP2 GND
44 USB3_RXP2
Gold flash only
2

90OHM/100MHZ/330mA
UL14 +VCC_USB2
NI
Co-lay USB connecter
3

44 USB3_RXN2 I USB3_SS_RXN2

1213-00LH000 USB3.0
URN31B
3 4
0

11
13
1213-00LN000 USB2.0
J135

P_GND2
P_GND4
USB3_SS_RXN2 5
4 SSRX-
+3P3V_DUAL USB3_SS_RXP2 6 PGND
USB3P_2+ 3 SSRX+
7 D+
GND
1

USB3N_2- 2
D-
I USB3_SS_TXN2_C 8
SSTX-

P_GND1
P_GND3
UR30 1
10K USB3_SS_TXP2_C 9 VBUS
SSTX+
2

+5V_DUAL +VCC_USB2
I USB_CON_9P

10
12
OD UU16 I
1 5
44 OC#2 2 FLG# VOUT
3 GND 4
44 PWRON2 EN/EN# VIN
1

+ I I
2

RT9711BPB CE4104 CB4104 GND


470UF/6.3V 0.1UF/16V R3 R5
2

GND 4.7K 4.7K


2

I NI
1

A A
GND GND

GND GND

<Core Design>

Title : USB colay


PEGATRON CORPORATION Engineer: Ethan_Chen
Size Project Name Rev
A2 IPISB-NK 1.03
Date: Wednesday, April 20, 2011 Sheet 45 of 80
5 4 3 2 1
5 4 3 2 1

D D

+5V

+3P3V

1
NI
SR193
10K R337 1 0 2 I DDC_DATA_CLK_SW 23

1
I I

2
C9412
0.1UF/16V
U21

2
16 1 R334 1 0 2 NI
VCC S MXM_PRESENT# 20,21,25,36
GND
4 2
1A 1B1 3
C 7 1B2 5 C
2A 2B1 6
9 2B2 11
3A 3B1 MXM_DDC_CLK 21
10
3B2 MXM_DDC_CLK_X 23
12 14
4A 4B1 MXM_DDC_DATA 21
13
4B2 MXM_DDC_DAT_X 23
15 NI NI NI I NI I NI I NI NI
OE#

C9384

C9385

C9386

C9381

C9387

C9382

C9388

C9383

C9389

C9390
8
GND

1
SN74CBT3257DBQR

0.1UF/16V

0.1UF/16V

0.1UF/16V

0.1UF/16V

0.1UF/16V

0.1UF/16V

0.1UF/16V

0.1UF/16V

0.1UF/16V

0.1UF/16V
2

2
GND

GNDGNDGNDGNDGNDGNDGNDGNDGNDGND

+3P3V I
ZC11
0.1UF/16V
1 2

I
ZU4
EEPROM 2Kb
8 1
MXM_EEPROM_WP 7 VCC A0 2
B NI 2 0 1 R4764 MXM_DDC_CLK_SR 6 WP A1 3 B
NI 2 0 1 R4763 MXM_DDC_DATA_SR 5 SCL A2 4
SDA GND
1

I
ZR21
510
1%
2

GND GND

A A

<Core Design>

Title : N/A
PEGATRON CORPORATION Engineer: Ethan_Chen
Size Project Name Rev
A3 IPISB-NK 1.03
Date: Wednesday, April 20, 2011 Sheet 46 of 80
5 4 3 2 1
5 4 3 2 1

+3P3V_MINI1 +1P5V_MINI1

+3P3VSB +3P3V
J60
1 2
21,26,37,44,48,52 PCIE_WAKE# WAKE# 3.3V_1
3 4 R7306 R7307
5 Reserved1 GND7 6 0 0
7 Reserved2 1.5V_1 8
26 WLAN_CLKREQ# 9 CLKREQ# UIM_PWR 10
GND1 UIM_DATA I NI
11 12 +3P3VSB
28 CLK_100M_MINI1# REFCLK- UIM_CLK
13 14
28 CLK_100M_MINI1 REFCLK+ UIM_RESET
15 16 +3P3VSB_MINI
GND2 UIM_VPP R3227
D 4.7K SR217 D
17
Reserved/UIM_C8 GND8
18 2 0 1 I PCIE_RST# 18,21,37,39,44,48,52
19 20 MINICARD_DIS1#_R I
21 Reserved/UIM_C4W_DISABLE# 22 R171 1 0 2 NI
GND3 PERST# PLTRST_WLAN# 59
23 24
24 PE1_RXN0_WLAN 25 PERn0 +3.3Vaux 26
24 PE1_RXP0_WLAN 27 PERp0 GND9 28
29 GND4 1.5V_2 30 SMB_CLK_M_MINI0 R168 1 0 2 I
GND5 SMB_CLK SMB_CLK_M 15,16,48,55,78,79
31 32 SMB_DATA_M_MINI0 R169 1 0 2 I
24 PE1_TXN0_WLAN PETn0 SMB_DATA SMB_DATA_M 15,16,48,55,78,79
33 34
24 PE1_TXP0_WLAN +3P3V_MINI1 PETp0 GND10
35 36 LP10- 1 2RN249A I
GND6 USB_D- 0
37 38 LP10+
Reserved3 USB_D+

3
39 40
Reserved4 GND11 USBN10 24
41
Reserved5 LED_WWAN#
42 L41 NI
43 44 90OHM/100MHz/300mA
Reserved6 LED_WLAN# USBP10 24
45 46

2
47 Reserved7 LED_WPAN# 48 3 4RN249B I
Reserved8 1.5V_3 0
49 50
51 Reserved9 GND12 52
Reserved10 3.3V_2

1
2
C247 C283
53 56 R7 0.1UF/16V 0.1UF/16V

2
54 GND13 NP_NC2 55
GND14 NP_NC1 4.7K
GND I I NI
MINI_PCI_LATCH_52P GND GND

1
I
+1P5V_MINI1 +3P3V_MINI1
GND
C C
GND GND

2
+3P3V I I I I
C562 C561 C560 C559 C558 C551
10UF/6.3V 0.1UF/16V 0.01UF/25V 10UF/6.3V 0.1UF/16V 0.01UF/25V

1
X5R 10% X7R 10% X5R 10% X7R 10%
+1P5V +1P5V_MINI1
R3706 I I
1 2
1

1
70Ohm/100Mhz/3A I I
R7309 I C76 C557 C570
1 2 4.7UF/16V 0.1UF/16V 0.1UF/16V
2

2
+3P3V_MINI1
X5R 10%
0 I
GND I GND GND
+3P3VSB

R7308
1 2 H16 H20

NI A40M20-42C1AS A40M20-42C1AS

I I

B B

GND GND

A A

Title : Mini Card(WL)


PEGATRON CORPORATION Engineer: Ethan_Chen
Size Project Name Rev
A3 IPISB-NK 1.03
Date: Wednesday, April 20, 2011 Sheet 47 of 80
5 4 3 2 1
5 4 3 +3P3V_MINI4 +1P5V_MINI4 2 1
+3P3VSB +3P3V
J61

2
1 2
21,26,37,44,47,52 PCIE_WAKE# WAKE# 3.3V_1
3 4 R7323 R7314
5 Reserved1 GND7 6
Reserved2 1.5V_1 0 Ohm 0 Ohm
7 8
26 TVT_CLKREQ# 9 CLKREQ# UIM_PWR 10

1
11 GND1 UIM_DATA 12 TVT NI +3P3VSB
28 CLK_100M_MINI4# REFCLK- UIM_CLK
13 14
28 CLK_100M_MINI4 REFCLK+ UIM_RESET
15 16 +3P3VSB_MINI4
GND2 UIM_VPP R3233
4.7KOHM SR218
D 17
19 Reserved/UIM_C8 GND8
18
20 MINICARD_DIS4#_R
5% 2 0 1 I PCIE_RST# 18,21,37,39,44,47,52 D
Reserved/UIM_C4W_DISABLE# TVT
21 22 R172 1 0 Ohm 2 NI
GND3 PERST# PLTRST_TVT# 59
23 24
24 PE1_RXN1_TV 25 PERn0 +3.3Vaux 26
24 PE1_RXP1_TV 27 PERp0 GND9 28
29 GND4 1.5V_2 30 SMB_CLK_M_MINI4 R170 0 Ohm TVT
GND5 SMB_CLK SMB_CLK_M 15,16,47,55,78,79
31 32 SMB_DATA_M_MINI4 R173 0 Ohm TVT
24 PE1_TXN1_TV PETn0 SMB_DATA SMB_DATA_M 15,16,47,55,78,79
33 34
+3P3V_MINI4 24 PE1_TXP1_TV PETp0 GND10
35 36 TVTD- 5% 1 2RN4511A I
GND6 USB_D- 0Ohm
37 38 TVTD+
Reserved3 USB_D+

3
39 40
Reserved4 GND11 USBN0_TVT 24
41
Reserved5 LED_WWAN#
42 L42 NI
43 44 90OHM/100MHz/300mA
Reserved6 LED_WLAN# USBP0_TVT 24
45 46

2
47 Reserved7 LED_WPAN# 48 5% 3 4RN4511B I
Reserved8 1.5V_3 0Ohm
49 50
51 Reserved9 GND12 52
Reserved10 3.3V_2

1
2
C252 C287
53 56 R8 0.1UF/16V 0.1UF/16V

2
54 GND13 NP_NC2 55
GND14 NP_NC1 4.7K Y5V +80-20% Y5V +80-20%
+3P3V GND I TVT NI
MINI_PCI_LATCH_52P GND GND

1
TVT
+1P5V_MINI4 +3P3V_MINI4
GND

C GND GND C

2
TVT TVT
R7322 C576 C574 C575 C572 C573 C552
1 2 10UF/6.3V 0.1UF/16V 0.01UF/25V 10UF/6.3V 0.1UF/16V 0.01UF/25V

1
+3P3V_MINI4 TVT X7R 10% TVT X7R 10%
+1P5V +1P5V_MINI4 X5R 10% X5R 10%
TVT 0 Ohm
R3707 TVT TVT
+3P3VSB 1 2
1

1
R7315 70Ohm/100Mhz/3A
1 2 TVT C555 C556 C70
0.1UF/16V 0.1UF/16V 4.7UF/16V
2

2
NI 0 Ohm TVT TVT X5R 10% H22 H21

GND GND GND TVT

A40M20-42C1AS A40M20-42C1AS

TVT TVT

GND GND

B B

A A
<Core Design>

Title : Mini Card(Capture)


PEGATRON CORPORATION Engineer: Ethan_Chen
Size Project Name Rev
A3 IPISB-NK 1.03
Date: Wednesday, April 20, 2011 Sheet 48 of 80
5 4 3 2 1

External RTC Circuitry SRTCRST# 23

+3VA +BATT
I I
1K D20
RTCRST# 23,49
1 R116 2 1 I

CLR CMOS AND PASSWORD


1% 3 1 R40 2 1%
BAT 1 2 R303_D8 2 20K
I
BAT54CW
CIRCUIT
D R33 CMOS RTC D
I 1K I PASSWORD

2
1% NI 1 R42 2 1% 2-4 CLEAR
BATT2
2
1

R37434 20K 1-3 CLEAR


3V/220mAh XBT1 2.2MOhm 4-6 Default

1
KTS
BATT_HOLDER
0.05 I I 3-5 Default
LITHIUM BATT
I SCB64 C3
3

1
CR2032
1UF/16V 1UF/16V

2
X7R 10% X7R 10%
mx_c0603_small mx_c0603_small
GND
E69:35
GND GND GND E69 E69:46
NOTE: 26 INTRUDER#
1
3
2
4
RTCRST# 23,49
Battery Socket Place C6 near PCH. MINI_JUMPER 5 6
MINI_JUMPER
I
HEADER_2X3P I
I
+3P3VSB +3P3VSB

GND GND
PVT NI
2

R8825
PROTO
4.7K
HEADER_1X2P
2
R8826
1

C PROTO 1 C
23 Boot_BLK_rec#
E18 2 1
E19 Boot_BLK_WRITE_EN 23
1
2

HEADER_1X2P
HF
4.7K
VGA Debug
2

PROTO PROTO +5V


GND R8824
4.7K P69 DE_VGA_RED 27
17
1

2 SIDE1 1
4 2 1 3
27 DE_VGA_BLUE 4 3
6 5
GND 8 6 5 7 DE_VGA_GREEN 27
27 DE_VGA_HSYNC 8 7
10 9
12 10 9 11
27 DE_DDCA_CLK 12 11 DE_DDCA_DATA 27
14 13
16 14 13 15

3
RN3B
0Ohm
4
Touch Panel 18 16
SIDE2
15
DE_VGA_VSYNC 27
WtoB_CON_2X8P
I 5% LP8+ +5V_DUAL GND NI GND
24 USBP8
1

NI I GR39 GR41 GR40


L110 F203 150 150 150
90Ohm/100Mhz P57 1 2 1% 1% 1%
LP8- I I I
24 USBN8
4

RN3A 1 I
1.6A/6V
1 2 2 GND GND GND
B 0Ohm B
3
I 5% 4
1

5 EMI
EC6
WAFER_BOX_5P 0.1UF/16V
2

GND

GND +5V_DUAL HP debug port


+3P3V
NI R37442 1 0 2 P12
+3P3V_DUAL 1 2
NI SERIRQ 25,59
I R37432 1 0 2 3 4
26,59,60 LPC_FRAME# LAD1 26,59,60
3 0 4 5 6
RN36B 26,59,60 LAD3
I 8
LAD2 26,59,60
24 USBP_Web P84 9 10
26,59,60 LAD0 LPC_SMI# 25
3

H_LP2+
8 18,26,59,79 PLTRST# 1 2 11 12 1 2
180OHM/100MHz/300mA SIDE1 CK_33M_DEBUG2 28
1
L57 I 2 1 R145 0 HEADER_2X6P_K7 SR105 0
3 2
24 USBN_Web VP
2

H_LP2-
4 3 VP VP
4
1 0 2 I GR730 2 0 1 5
5 PVT NI
RN36A 40 DMIC_CLK I GR729 2 0 1 6
NI 40 DMIC_DATA 7 6
GND
7 9
NI SIDE2
22PF/50V NI
1

A 22PF/50V WTOB_CON_7P A
1

C3924 NI GND GND


/EMI_I C3923 EC5
2

/EMI_I 0.1UF/16V
2

GND
GND
Title : SATA
GND PEGATRON CORPORATION Engineer: Ethan_Chen
Size Project Name Rev
A3 IPISB-NK 1.03
Date: Wednesday, April 20, 2011 Sheet 49 of 80
5 4 3 2 1
5 4 3 2 1

+12V +5V
I
P70

2
1 R1086
2 1 D42
3 2 I 470
3 1SS355PT

1
+ 4 I
CE872 5 4

1
NC R1087
100uF/16V
I WAFER_HD_4P CFAN_PWM_R_3
CPUFAN_PWM 59

2
I 470
D D

R994 NI
CFAN_D_3
CPUFAN_TACH 59
GND 0
+3P3V

1
D102 NI
1 R990 CB162
3 1 2 0.1UF/16V

2
2
4.7K CPU FAN DIMM FAN NUT
BAW56WPT

1
NI I I GND FH1 FH2
CB163
0.1UF/16V
2

I I
TC217BC63D47 TC217BC63D47
GND

GND GND

1308-000D000 5.6mm
C FH3 FH4 C

I I
TC217BC63D47 TC217BC63D47

GND GND

DIMM FAN
+3P3V
B B

I +5V

1
U10 I
LM358 R134
3 A+ 8 4.7K
+ VCC 1

2
2 A- - AO
1

I
MEMFAN_VB+ 5 B+ CB83 +5V +5V
+ BO 7 0.1UF/16V
2

MEMFAN_VB- 6 B- - GND 4
P78 D11
1

GND 1 MEMFAN_TACH 1
I 2 MEMFAN_PWR 3
MEMFAN_TACH 59
GND R140 3 2
I GND 8.2K
I C132 3
S
WAFER_BOX_3P BAW56WPT
2

I
R136 1000PF/50V I I
100K X7R 10% Q20
1 2 2 1 MEMFAN_G 1 APM3095PUC GND
59 MEMFAN_PWM G
2 D

1
I NI
1

NI R135 CB165
CB107 30K 0.1UF/16V

2
2.2UF/6.3V 1%
2

A X5R 10% 2 1 A

GND
1

1
GND I I
R139 CB164
10K 0.1UF/16V

2
1% Title : FAN
2

PEGATRON CORPORATION Engineer: Ethan_Chen


GND
Size Project Name Rev
GND A3 IPISB-NK 1.03
Date: Wednesday, April 20, 2011 Sheet 50 of 80
5 4 3 2 1
5 4 3 2 1

DOUGLE
I
1 2 RN4403A
0
+SBVD
G/F I +5V_DUAL
J10
UF8
D 1 D
24 USBN_Dougle 1

1
USBN_D 2 1 2
L61 NI 3 2
3

1
180OHM/100MHz/300mA USBP_D 4
4 1.1A/6V

1
24 USBP_Dougle
5 + I

4
P_GND1

1
NI UU8 6
P_GND2 I I UR18
I CM1213_04SO UCB6 UCB8 8.2K
3 4 RN4403B USB_CON_1X4P 0.1UF/16V 100uF/16V
0

2
CH1 1 6CH4 +5VSB
OCD# 24
I

1
VN 2 5 VP NI
NI1 0
2 URN32A
USBN2_R 52 I UC16
CH2 3 4 CH3 GND GND GND UR17 0.1UF/16V

2
15K

2
I 1 0
2 URN4A
GND +SBV23 I +5V_DUAL
GND GND
UF6
USB2_N
24 USBN2
1 2
2

90OHM/100MHZ/330mA
UL5 1.6A/6V
NI

1
3

USB2_P USB_1X4P USB_1X4P I


24 USBP2 G/F G/F

5
UR12

1
I + 8.2K

P_GND2 P_GND1

P_GND2 P_GND1
I 3 0
4 URN4B UCB4 I

2
1 1 0.1UF/16V UCE6

2
1 1
C NI UU4 2 2 470uF/6.3V C

2
CM1213_04SO 3 2 3 2
3 3
NI3 0
4 URN32B
USBP2_R 52
4
4
4
4 OC23# 24
CH1 1 6CH4 +5VSB

VN 2 5 VP

1
J11 J12 NI

6
NI1 0
2 URN33A
USBN3_R 52
CH2 3 4 CH3 GND GND I UC14
I I UR14 0.1UF/16V

2
15K

2
I 3 0
4 URN5B GND GND GND

USB3_N GND GND


24 USBN3
3

NI
UL8
90OHM/100MHZ/330mA
2

USB3_P
24 USBP3

I 1 0
2 URN5A

NI3 0
4 URN33B
USBP3_R 52

B B
NI1 0
2 URN34A
USBN8_R 52
+SBV48 I +5V_DUAL
UF7
I 1 0
2 URN7A
1 2

USB9_N
24 USBN9 G/F G/F 1.6A/6V
2

1
USB_1X4P USB_1X4P
5

5
90OHM/100MHZ/330mA I
UL7 UR13
P_GND2 P_GND1

P_GND2 P_GND1
NI

1
I + 8.2K
3

24 USBP9
USB9_P 1 1 UCB5 I

2
2 1 2 1 0.1UF/16V UCE7

2
2 2
NI UU5 3 3 470uF/6.3V

2
3 4 URN7B CM1213_04SO 4 3 4 3
I 0 4 4
CH1 1 6CH4 +5VSB OC48# 24
NI3 0
4 URN34B
USBP8_R 52 VN 2 5 VP J13 J14
6

1
NI
NI1 0
2 URN35A
USBN4_R 52
CH2 3 4 CH3 I I GND GND I UC15
UR15 0.1UF/16V

2
15K

2
I 3 0
4 URN8B GND GND GND

USB4_N GND GND


A 24 USBN4 A
3

NI
UL6
90OHM/100MHZ/330mA
2

USB4_P
24 USBP4
Title : Dongle&rear USB
I 1 0
2 URN8A
PEGATRON CORPORATION Engineer: Ethan_Chen
Size Project Name Rev
NI3 0
4 URN35B
USBP4_R 52 A3 IPISB-NK 1.03
Date: Wednesday, April 20, 2011 Sheet 51 of 80
5 4 3 2 1
5 4 3 2 1

D D

REAR
CON3824

GND 33 32
30 SIDE3 SIDE2 29 REAR
40,41 SENSE_LINOUT 30 29 GND
28 27 CON3827

Line-out +
41 REAR_R_C
26 28
26
27
25
25
USBN3_R
USBP3_R
51
51
+5V_DUAL Dual USB #3,4 61
61 62
62
24 23 +3P3VSB 1 2
41 REAR_L_C 24 23 1 2
22 21 3 4
subwoofer 41 REAR_SUB_R
20
18
22
20
21
19
19
17
5
7
3
5
4
6
6
8
PE1_RXN1_LAN_R
PE1_RXP1_LAN_R
24
24
41 REAR_SUB_L 18 17 USBN4_R 51 7 8
40,41 SENSE_SUB 16 15 +3P3V_DUAL 9 10 PE1_TXN1_LAN_R 24
16 15 USBP4_R 51 9 10
GND 14 13 GND 11 12 PE1_TXP1_LAN_R 24
12 14 13 11 13 11 12 14
51 USBN2_R 12 11 BLASTER_DETECT 53,59 +1P1VSB_USB 13 14
+5V_DUAL 10 9 15 16
51 USBP2_R 10 9 BLASTER_TX 53,59 15 16 USB3_RX_N_R 24
AGND 8 7 +5VSB 17 18
6 8 7 5 19 17 18 20 USB3_RX_P_R 24
51 USBN8_R 6 5 19 20
4 3 21 22

Dual USB #1,2 GND


51 USBP8_R
2 4
2
3
1
1 GND
IR blaster +5V_DUAL
23 21
23
22
24
24
USB3_TX_N_R
USB3_TX_P_R
24
24
34 31 25 26
SIDE4 SIDE1 27 25 26 28
27 28 CK_PCIE_LAN# 28
C 29 30 CK_PCIE_LAN 28
C
FPC_CON_30P 31 29 30 32
33 31 32 34
21,26,37,44,47,48 PCIE_WAKE# 33 34 CK_PCIE_USB3# 28
SR220 35 36
35 36 CK_PCIE_USB3 28
59 PLTRST_LU_R# NI 1 0 2 37
37 38
38
SR219 39 40 HDMI_CLKN 36
23,37,55 SMB_CLK 39 40
18,21,37,39,44,47,48 PCIE_RST# rear 1 0 2
23,37,55 SMB_DATA
41
41 42
42 HDMI_CLKP 36
43 44
44,62 GRST# 43 44
45 46 HDMI_TXN2 36
47 45 46 48
47 48 HDMI_TXP2 36
49 50
51 49 50 52
51 52 HDMI_TXN1 36
53 54 HDMI_TXP1 36
55 53 54 56
36 HDMI_CLK_MUX 55 56
57 58 HDMI_TXN0 36
36 HDMI_DAT_MUX 57 58
59 60 HDMI_TXP0 36
36 HDMI_HPD_MUX 59 60
63 64
63 64
FPC_CON_60P

GND
GND

B B

A A

Title : accelerometer
PEGATRON CORPORATION Engineer: Ethan_Chen
Size Project Name Rev
A3 IPISB-NK 1.03
Date: Wednesday, April 20, 2011 Sheet 52 of 80
5 4 3 2 1
5 4 3 2 1

+3P3V

+3P3V IR blaster

2
PHONE_JACK_5P

1
D8841 8
O2R2 1SS355PT 7 P_GND2
D 10K NI 1 P_GND1 D
NP_NC
I

1
5

2
4 5
GND 4
I 1 R1810 2 3
52,59 BLASTER_TX 3
100 2 5% 1 6
52,59 BLASTER_DETECT 6
R50 1K 2
2
I

1
P53
C303 C304 I
10PF/50V 10PF/50V

2
+3P3V
I I

59 IR_RX_NR# GND
1

GND GND
O2R1

1
10K 3 +3P3V
D
I Q12 D8859
2N7002 MMSZ4690T1G
2

1
1 NI I
59 IRLED# I

1
G CB172

2
2 S C52 C203 1000PF/50V

2
0.1UF/16V 0.1UF/16V

2
NI NI
GND GND

GND GND GND


C C

+3P3V

1
R291 R294
300 300

2
I I

1
1

1
R4 +5VSB
R9 R11 C244 1.8K C199 VDD_2
1.8K 100K 0.1UF/16V 0.1UF/16V

2
X7R 10% I

2
2 P310

2
NI 1 2
59 IR_RX_LR# I GND I GND 3 4
8 1 I I R26 Q11_B_C 5 6
7 VCC OUT1 2 PU241_2 2 1K 1 Q11_C 7 8
OUT2 -IN1

1
6 3 PU241_3
5 -IN2 +IN1 4 R7458 WAFER_BOX_2X4P_R/A
+IN2 VEE 3 Q11
I 12K C245

1
PU241
C PMBS3904 C243

0.1UF/16V
+
B 1 Q11_B 1 2 CE5

2
1

LM393 10UF/25V

2
1
R16 R52 E
I

2
2 I 0.01UF/25V R182
47K 100K
X7R 10% 100
B 1% B
I
2

I X7R 10%

2
I
I I
I I GND
GND GND GND GND GND

A A

<Core Design>

Title : IR LEDs
PEGATRON CORPORATION Engineer: Ethan_Chen
Size Project Name Rev
A3 IPISB-NK 1.03
Date: Thursday, April 21, 2011 Sheet 53 of 80
5 4 3 2 1
5 4 3 2 1

+5V_DUAL

1
R37397 R37398 +3P3V_DUAL
D 240 240 D

2
I I

1
I
4.7K
PWR_LED+ R368

2
3

1
NI C
CB159 B 1 SIO_LED1_B R330 1 2 I
PWR_LED 59
0.1UF/25V 4.7K

2
mx_c0603_small E I
2 PMBS3904
Q13
GND

GND

I +5V_DUAL
R37400 SW10
1 2 PWRBTN#_R 1
59,78,79 PWRBTN# PWR_LED+ 2 1
2

1
75 PWR_LED- 3
3

1
I 4
4
R363 R362 +3P3V_DUAL
CB252 I 5 240 240
0.1UF/25V 6 5
33,59 ODD_EJECT

2
mx_c0603_small 7 6 9
33 ODD_LED_OUT

2
7 SIDE1 I I

1
C 8 10 I C
8 SIDE2
GND WtoB_CON_8P PWR_LED- 4.7KOHM
R357
GND

2
3

1
I I C R332 I

1
CB161 CB160 NI B 1 SIO_LED2_B 1 2
PWR_LED# 59
0.1UF/16V 0.1UF/16V CB146

2
0.1UF/25V E I 4.7K

2
mx_c0603_small 2 PMBS3904
Q21
GND GND

GND
GND

B Power supply LED B

HDD LED
+5V
+5VA +5VSB

1
R365 R366
300 300
+3P3V +5V
R364 R369

2
I I 470 470
1

NI I

1
I I
R229 R131 original:

+
I
10K 8.2K
WHITE 0713-018L000
2

1
CR15 I
CR17

+
2
I GREEN
Q48 3
R132 C
1 2 1 B

2
I
TD1 3 E
Q29 8.2K
1 R141 C 2
PMBS3904
A 25 HD_LED# A
NI 3 1 2 1 B
I
1 2 2 GND
33 ODD_LED
8.2K PMBS3904 E GND
SR188 2
0 BAT54AW <Core Design>
I
I
GND Title : PWE LED
PEGATRON CORP. Engineer: Ethan_Chen
Size Project Name Rev
A3 IPISB-NK 1.03
Date: Thursday, April 21, 2011 Sheet 54 of 80
5 4 3 2 1
5 4 3 2 1

SM BUS Control +3P3V

CRB is 8.2Kohm

1
I NI NI
D R65 D
1 2 R55 R56
To PCH, PCI, and PCIE Slot 2.7K 2.7K
0

2
2 S
D
23,37,52 SMB_DATA SMB_DATA_M 15,16,47,48,78,79

3
I
NI

G
R66
Q7 1 2

1
2N7002
0

2 S
D
23,37,52 SMB_CLK SMB_CLK_M 15,16,47,48,78,79

3
NI +12V

G
Q14

1
2N7002

1
I
R15
8.2K

2
PWROK_R_Q

C C

SPI BIOS ROM - 64 Mb or 32Mb +3P3VSB +3P3VSB

1
+3P3VSB I I
I F3R3 F3R2
E16 8.2K 8.2K +3P3VSB

2
1 2
3
5 6
7 8

1
NI I
HEADER_2X4P_K4 F3CB3 F3CB4
0.1UF/16V 0.1UF/16V
64Mb: 05X00Z2GE330

2
GND NOTE:
B B
NI Dual SPI BIOS ROM I
F3R4
0 F3R1 and F3R7 are 33ohm. F3U2 GND GND

1 2 SPI_CS#_E16 1 8
23 SPI_CS0# CS# VCC
SPI_MISO 2 7 SPI_HOLD
23 SPI_MISO FWH_WP# 3 SO NC 6 SPI_CLK
4 WP# SCK 5 SPI_MOSI
GND SI
SPI32Mb

GND
23 SPI_MOSI

23 SPI_CLK

NOTE:
Dual SPI BIOS ROM
F3R5 and F3R6, F3R8 and F3R9 are 33ohm.

I E16:12

A
MINI_JUMPER_BLACK A

PEGATRON DT-MB RESTRICTED SECRET


Title : SM BUS & SPI ROM
PEGATRON CORPORATION Engineer: Ethan_Chen
Size Project Name Rev
A3 IPISB-NK 1.03
Date: Wednesday, April 20, 2011 Sheet 55 of 80
5 4 3 2 1
5 4 3 2 1

H3
H1 H2
1 9
1 9 1 9 2 NP_NC GND8 8
2 NP_NC GND8 8 2 NP_NC GND8 8 3 GND1 GND7 7
3 GND1 GND7 7 3 GND1 GND7 7 4 GND2 GND6 6
4 GND2 GND6 6 4 GND2 GND6 6 GND3 GND5 5
GND3 GND5 5 GND3 GND5 5 GND4
D GND4 GND4 D
C315D157N
C315D157N C315D157N NOBOM
NOBOM NOBOM
GND GND
GND GND GND GND

H4 H5 H6 H7

1 9 1 9 1 9 1 9
2 NP_NC GND8 8 2 NP_NC GND8 8 2 NP_NC GND8 8 2 NP_NC GND8 8
3 GND1 GND7 7 3 GND1 GND7 7 3 GND1 GND7 7 3 GND1 GND7 7
4 GND2 GND6 6 4 GND2 GND6 6 4 GND2 GND6 6 4 GND2 GND6 6
GND3 GND5 5 GND3 GND5 5 GND3 GND5 5 GND3 GND5 5
GND4 GND4 GND4 GND4
C C
C315D157N C315D157N C315D157N C315D157N
NOBOM NOBOM NOBOM NOBOM
GND GND GND GND AGND AGND GND GND

H11
H8 H9 H10
1 9
1 9 1 9 1 9 2 NP_NC GND8 8
2 NP_NC GND8 8 2 NP_NC GND8 8 2 NP_NC GND8 8 3 GND1 GND7 7
3 GND1 GND7 7 3 GND1 GND7 7 3 GND1 GND7 7 4 GND2 GND6 6
4 GND2 GND6 6 4 GND2 GND6 6 4 GND2 GND6 6 GND3 GND5 5
GND3 GND5 5 GND3 GND5 5 GND3 GND5 5 GND4
B GND4 GND4 GND4 B
C315D157N
C315D157N C315D157N C315D157N NOBOM
NOBOM NOBOM NOBOM
GND GND
GND GND GND GND GND GND

08M1-14B2200 08M1-14B3100
08M1-14B2000 08M1-14B3000
I 08M1-14B2100 08M1-14B3200
PCB_BRD1
<Core Design>
A A
PCB
Title : SCREW HOLE
IPISB-NK 1.01 PEGATRON CORPORATION Engineer: Ethan_Chen
VESA mount hole Size Project Name Rev
A IPISB-NK 1.03
Date: Wednesday, April 20, 2011 Sheet 56 of 80
5 4 3 2 1
5 4 3 2 1

D D

+3P3VSB

1
+3P3VSB +3P3VSB
R4814
200
VP

1
PMBS3906 2

VP
R8828 E

+
VP VP
2 1
26,59,60 SLP_S3# B 1 PVT NI GREEN GREEN
C CR4 CR24 CR25
4.7K Q9344 3

2
1 + 2
VP
PVT NI

1
+3P3VSB
GREEN R4820 R4821
GND
VP 200 200

1
R4815

2
200 3

VP

VP
D
C C
VP
PVT NI VP
2

PMBS3906 2 1 Q9308
VP
R8829 59,64,69 SUS_PWRGD 3
E G 2N7002 D
2 1 2 S
26,59,60 SLP_S4#
VP
B 1
C CR3 1 Q9309
4.7K Q9345 3 26,59,69,72,78 VRM_PWRGD
G 2N7002
1 + 2 2 S
VP

GREEN
GND
PVT NI
+3P3VSB VP GND GND
1

CR5
+

GREEN PVT NI +3P3VSB


VP
1 2

1
R4817
R4816 200
200 PVT NI
CR23

VP
2

3
VP

B D + B
1 2
R8827
VP
2 1 1 Q9343
59,60 SUSB_EC#
G 2N7002
2 S GREEN
GND
4.7K VP
= PSON#?
VP
GND

+3P3VSB
1

R4818
200 PVT NI
VP
2

PMBS3906 2
VP

R8830 E
2 1
12 CATERR_R# B 1
C
LED1
4.7K Q9346 3
1 + 2
VP
A A
CR6
GND
VP

R1.01 new add


Title : Debug LED
PEGATRON CORPORATION Engineer: Ethan_Chen
Size Project Name Rev
A3 IPISB-NK 1.03
Date: Wednesday, April 20, 2011 Sheet 57 of 80
5 4 3 2 1
5 4 3 2 1

D D

C C

B B

A Title : PLTRST_CPU#&SMbus A

PEGATRON CORPORATION Engineer: Ethan_Chen


Size Project Name Rev
A IPISB-NK 1.03
Date: Wednesday, April 20, 2011 Sheet 58 of 80

5 4 3 2 1
5 4 3 2 1

place under ChA dimm


+1P5V_DUAL

+3VA +3VA_EC +BATT I


R3001 U3002
66~73 GPI (input only)

2
1 2 3
VBAT ADC0/GPI0
66 GPI NI R3027 1 2 0
ODD_EJECT 33,54
67 GPI PR385
ADC1/GPI1 SUS_PWRGD 57,64,69

1
0 127 68 GPI 51K
VSTBY4 ADC2/GPI2 ALL_SYSTEM_PWRGD 69,80
C3011 C3013 C3014 121 69 GPI
VSTBY5 ADC3/GPI3 VRM_PWRGD 26,57,69,72,78 1%

1
I 10UF/10V 0.1UF/16V 0.1UF/16V 114 70 GPI

1
D VSTBY6 ADC4/WUI28/GP14 DDCCLK_EC 34 I D
Y5V +80-20% X7R 10% X7R 10% C3003 C3004 92
VSTBY3 ADC5/DCD1#/WUI29/GP15
71 ADC
0.1UF/16V 0.1UF/16V 50 72 ADC CURRENT_MODIFY 68

2
I I I VSTBY1 ADC6/DSR1#/WUI30/GP16

1
X7R 10% X7R 10% 26
VSTBY2 ADC7/CTS1#/WUI31/GP17
73 ADC SLP_SUS# 26 I
PRT7
I I
GND GND 100K Thermal sensor
+3VA +3P3V 24 PU GPI
PWM0/GPA0 PWR_LED# 54 1%
GND R3002 25 PU GPI

2
PWM1/GPA1 PWR_LED 54
1 2 74
AVCC PWM2/GPA2
28 PU GPI PLT_RST_CR# I 39
mx_r0603_small
I
PWM3/GPA3
29 PU GPI R3029 1 2 0

1
0 C3002 11 30 PU GPI DDRTEMP_HOT 24
10UF/10V C3018 VCC PWM4/GPA4 31 PU GPI I R3032 1 2 0 LCD_BL_PWMI R3030
20 1 2 0 GND
PWM5/GPA5

1
Y5V +80-20% 0.1UF/16V I CTX1/ 32 PU GPI PCH_BL_EN 20,31,32 DDRTEMP_WARM 25
I

2
PWM6/SSCK/GPA6 CPUFAN_PWM 50
X7R 10% C3010
PWM7/RIG1#/GPA7
34 PU GPI MEMFAN_PWM 50
1 2 0.1UF/16V CRX1/

2
I

RING#/P
X7R 10%
NOBOM RXD/SIN0/GPB0
108 PU GPI
UART_RX 34
GND JP3001 GND GND TXD/SOUT0/GPB1
109 PD GPI
UART_TX 34
UART: 0 to 3.3V level
SHORTPIN 112 PD GPI NI R3025 1 2 0
10 WRFAIL#/CK32KOUT/LPCRST#/GPB7 NI R3037 1 2 0 PM_RSMRST# 18,26
26,49,60 LAD0 9 LAD0/GPM0 PM_RSMRST_IN# 18
26,49,60 LAD1 LAD1/GPM1
26,49,60 LAD2
8
LAD2/GPM2 KSO16/SMOSI/GPC3
56 PD GPI KSO16 60
26,49,60 LAD3
7
LAD3/GPM3 TMRI0/WUI2/GPC4
120 PD GPI PLTRST_LU_R# 52
28 CLK_KBCPCI
13
LPCCLK/GPM4 KSO17/SMISO/GPC5
57 PD GPI KSO17 60
26,49,60 LPC_FRAME#
6
LFRAME#/GPM5 TMRI1/WUI3/GPC6
124 PU GPI I PCH_PWROK 21,25,26
18,26,49,79 PLTRST#
22
LPCRST#/WUI4/GPD2 PWUREQ#/BBO/SMCLK2ALT/GPC7
16 PU GPI PD402
SYS_PWROK 26
5 BAT54CW
25,49 SERIRQ SERIRQ/GPM6
1SS355PT 1 2 D8846 I OD 15
ECSMI#/GPD4
1
DVI_HPD_PCHSCR 23,34
26 EXT_SMI# 1SS355PT 1 2 D8847 I OD 23
ECSCI#/GPD3 RI1#/WUI0/GPD0
18 3
26 EXT_SCI#
OD 126 21 PU 2
25 A20GATE GA20/GPB5 RI2#/WUI1/GPD1 SLP_S4# 26,57,60 DVI_HPD_MXMSCR 23,34
OD 4 33 PD GPI
25 RST_KB# KBRST#/GPB6 GINT/CTS0#/GPD5 LCD_BACKOFF_EC# 20
69 EC_RST#
14
WRST# TACH0A/GPD6
47 PD GPI I R3031 1 2 0
48 PD GPI MXM_BL_EN 20,21
C TACH1A/TMA1/GPD7 CPUFAN_TACH 50 C

1
I

1
60 KSI0
58
KSI0/STB# 100KOHM NI
59 19 PD GPI SC59
60 KSI1 KSI1/AFD# L80HLAT/BAO/WUI24/GPE0 VSUS_ON 64,69
1

NI NI 60 82 PD GPI R3120 100PF/50V


SUSC_EC# 60,63

2
60 KSI2 KSI2/INIT# EGAD/WUI25/GPE1
SC57 SC58 61 83 PD GPI
SUSB_EC# 57,60

2
60 KSI3 KSI3/SLIN# EGCS#/WUI26/GPE2
100PF/50V 100PF/50V 62 84 PU GPI
CPU_VRON 72
2

60 KSI4 KSI4 EGCLK/WUI27/GPE3 PWR_SW#


60 KSI5
63
KSI5 PWRSW/GPE4
125 PD GPI

1
60 KSI6
64
KSI6 RTS1#/WUI5/GPE5
35 PD GPI DDCDAT_EC 34 NI
60 KSI7
65
KSI7 LPCPD#/WUI6/GPE6
17 PU IGPI
R3035 1 2 0
DPWROK_IN 18 GND SC60
36 20 GND 100PF/50V
PLTRST_LAN# 37

2
60 KSO0 37 KSO0/PD0 L80LLAT/WUI7/GPE7 NI R3038 1 2 0
GND GND KSO1/PD1 DPWROK 18,26,79
60 KSO1 38
60 KSO2 KSO2/PD2
39
KSO3/PD3 SSCE1#/GPG0
106 GPO PLTRST_MXM# 21
60 KSO3 40 107 PD GPO GND
60 KSO4 41 KSO4/PD4 DTR1#/SBUSY/GPG1/ID7 100 SLP_S3# 26,57,60
60 KSO5 KSO5/PD5 SSCE0#/GPG2 PLTRST_WLAN# 47
42
KSO6/PD6 DSR0#/GPG6
104 GPI PLTRST_TVT# 48
+3VA 60 KSO6 43
60 KSO7 44 KSO7/PD7
60 KSO8 KSO8/ACK#
NI 45
KSO9/BUSY CLKRUN#/WUI16/GPH0/ID0
93 PD GPI OD PM_CLKRUN# 26
1

60 KSO9 46
KSO10/PE WUI17/SIN1/SMCLK3/GPH1/ID1
94 PD GPI IR_RX_LR# 53
60 KSO10
10K
51
KSO11/ERR# WUI18/SOUT1/GPH2/SMDAT3/ID2
95 PD GPI SLP_SUS#_EC 64
60 KSO11 52
KSO12/SLCT HSCE#/WUI19/GPH3/ID3
96 PD GPI
R3008 60 KSO12 53
KSO13 HSCK/GPH4/ID4
97 PD GPI
60 KSO13 54 98 PD GPI
2

60 KSO14 KSO14 HMISO/GPH5/ID5


55
KSO15 HMOSI/GPH6/ID6
99 PD GPI
60 KSO15

GPI PD 119 +3VA_EC


53 IR_RX_NR# CRX0/GPC0
52,53 BLASTER_TX GPI PD 123
CTX0/TMA0/GPB2
I

1
52,53 BLASTER_DETECT PU 85
PS2CLK0/TMB0/GPF0
B
53 IRLED# GPI PU 86
PS2DAT0/TMB1/GPF1 10K
B

34 V_UP
V_UP PU 87
PS2CLK1/DTR0#/GPF2
V_DOWN PU 88 R3209
34 V_DOWN PS2DAT1/RTS0#/GPF3
34 V_M
V_M PU 89

2
PS2CLK2/WUI20/GPF4
34 SCR_IN_SW
SCR_IN_SW PU 90
PS2DAT2/WUI21/GPF5

18 SML0_CLK_EC GPI 110


SMCLK0/GPB3
18 SML0_DATA_EC OD GPO 111
SMDAT0/GPB4
PWR_SW# 0 2 1 R3211 I
PWRBTN# 54,78,79
32 SML1_CLK_EC OD GPI 115
SMCLK1/GPC1
32 SML1_DATA_EC OD GPI PD 116
SMDAT1/GPC2
12 H_PECI I 117
SMCLK2/PECI/WUI22/GPF6
12,72,80 PROCHOT# OD GPI PU 118
SMDAT2/PECIRQT#/WUI23/GPF7
PLEASE DO NOT PLACE
GPI 81
26 PM_PWRBTN# DAC5/RIG0#/GPJ5 ANY PULL-UP RESISTOR
34 GPO_MODE GPI 80
DAC4/DCD0#/GPJ4
I R3033 1 2 0 79
20,21 MXM_LCDEN
GPI 78 DAC3/TACH1B/GPJ3 ON GPG0, GPG2 AND
20 LCD_VDD_EN_EC DAC2/TACH0B/GPJ2
I R3034 1 2 0 GPI 77
GPJ1 GPG6 (Reserved
20,31,32 PCH_LVDS_EN GPI 76
50 MEMFAN_TACH TACH2/GPJ0 hardware strapping).
EC_XIN 128 1
NI 1 2 R3047 EC_XOUT 2 CK32K/GPJ6 VSS2 12
CK32KE/GPJ7 VCORE 27
VSS3
1

10M 49
NI VSS1 91
NI 0 I 1 15 2 R3009 SCE#_EC 101 VSS4 113
60 SCE# FSCE# VSS6

1
NI X3002 R3023 I 1 15 2 R3011 SCK_EC 105 122 NI
60 SCK FSCK VSS5

1
R3024 32.768Khz I 1 15 2 R3010 SI_EC 102
2

60 SI FMOSI 0 Ohm
1

I 1 0 2X3002_IN 11 22 X3002_OUT I 1 0 2 R3026 SO_EC 103 75 C3015 C3021


R3028 60 SO FMISO AVSS R3056
GND GND 0.1UF/16V 1UF/10V

2
1

0 NI 3 4 NI IT8519E X7R 10%


3

2
A C3023 C3019 A
I NI
10PF/50V 10PF/50V
2

GND GND GND GND GND


Please place crystal circuit near to EC
GND <Core Design>

Title : EC_IT8519E-1
PEGATRON CORPORATION Engineer: Ethan_Chen
Size Project Name Rev
Custom IPISB-NK 1.03
Date: Thursday, April 21, 2011 Sheet 59 of 80
5 4 3 2 1
5 4 3 2 1

Keyboard Connector(debug)
VP

SPI ROM+ 59 KSO0 26


J3103

External programming conn.


25 26 28
59 KSO1 25 GND2
59 KSO2 24
23 24
59 KSO3 23
59 KSO4 22
21 22
59 KSO5
+3VA_SPI +3VA_SPI 20 21
59 KSO6
19 20
59 KSO7 19
+3VA 59 KSO8 18
18

1
I I 59 KSO9 17
16 17
59 KSO10
10K 8.2K 15 16
59 KSO11 15
D R3122 R3119 +3VA_SPI 59 KSO12 14 D
13 14
59 KSO13
2

2
U9216 R3103 I 0 +3VA_SPI 12 13
59 KSO14 12
1 8 1 2 59 KSO15 11
59 SCE# CS# VCC 11
2 7 SPI_HOLD# I R3121 2 1 8.2K 59 KSO16 10
59 SO 3 SO HOLD# 6 9 10
WP# SCK SCK 59 59 KSO17 9
4 5 59 KSI0 8
GND SI SI 59 8
59 KSI1 7
7

1
MX25L512CMI-12G 59 KSI2 6
C3115 5 6
GND 59 KSI3
4 5
I 0.1UF/16V 59 KSI4

2
3 4
X7R 10% 59 KSI5 3
59 KSI6 2 27
I 1 2 GND1
59 KSI7 1
GND

NINININININININININININININININININININININININININI FPC_CON_26P

CN3101B
CN3101A

CN3102B
CN3102A

CN3103B
CN3103A

CN3104B
CN3104A

CN3105B
CN3105A

CN3106B
CN3106A
CN3107D
CN3107C
CN3101D
CN3101C

CN3102D
CN3102C

CN3103D
CN3103C

CN3104D
CN3104C

CN3105D
CN3105C

CN3106D
CN3106C
12/13 CN3101~7 GND
Touch PAD(deleted) I-->VP
05X00Z2FC330 32Mb
01/11 NI

7
5
3
1
7
5
3
1
7
5
3
1
7
5
3
1
7
5
3
1
7
5
3
1
7
5
0500-00P5000 (512Kb SPI)

For Instant Key & Switch

8
6
4
2
8
6
4
2
8
6
4
2
8
6
4
2
8
6
4
2
8
6
4
2
8
6
33PF/50V
33PF/50V
33PF/50V
33PF/50V
33PF/50V
33PF/50V
33PF/50V
33PF/50V
33PF/50V
33PF/50V
33PF/50V
33PF/50V
33PF/50V
33PF/50V
33PF/50V
33PF/50V
33PF/50V
33PF/50V
33PF/50V
33PF/50V
33PF/50V
33PF/50V
33PF/50V
33PF/50V
33PF/50V
33PF/50V
C C

Note: Close to EC

GND

Debug Card CON +3P3V

For EC PU/PD
NI 100KOHM 1 2 R3230
26,57,59 SLP_S3#
NI 100KOHM 1 2 R3231
26,57,59 SLP_S4#
VP I 4.7K 1 2 R3229
14
13

57,59,60 SUSB_EC#
J120 I 4.7K 1 2 R3232
59,63 SUSC_EC#
SIDE2
SIDE1

1 NI
2 1 3 CB158
26,49,59 LAD0 2 3
4 5 0.1UF/16V
26,49,59 LAD1
2

6 4 5 7
26,49,59 LAD2 6 7 GND
8 9
26,49,59 LAD3 8 9
SIDE4
SIDE3

10 11
26,49,59 LPC_FRAME# 10 11
12 GND
28 CLK_DBGPCI1 12
ZIF_CON_12P
16
15

GND
1

NI
C3802
10PF/50V
2

B B

GND

PR914
1 2
57,59,60 SUSB_EC# SUSB#_PWR 63,65,66,69
1K

A A

<Core Design>

Title : EC_IT8519E-2
PEGATRON CORPORATION Engineer: Ethan_Chen
Size Project Name Rev
Custom IPISB-NK 1.03
Date: Thursday, April 21, 2011 Sheet 60 of 80
5 4 3 2 1
5 4 3 2 1

change to SIMULA /AJ261B-Y090-42F, p/n applying....

H/L
I
J2 +19VA_VIN +19VA +19VSB_R
Q9350
S1 P_GND
S2 P_GND 1 8
S3 P_GND 1 (+)SPRING I L6321 1 2 70Ohm/100Mhz/3A 2 7

D
P1 2 (-)SPRING I L6322 1 2 70Ohm/100Mhz/3A 3 6

1
NP_NC1
P2 NP_NC2 4 5

G
D D
P3 NP_NC3 S4 SIGNAL I L6323 1 2 70Ohm/100Mhz/3A PC233 PR181 PR190 PR191 PR192
ADATPTER_ID 80

1
0.1UF/50V 100 Ohm 100 Ohm 100 Ohm 100 Ohm I PC231

2
I L6324 1 2 70Ohm/100Mhz/3A +19VA_SN_A PR9209 1UF/16V TPC8107
DC_POWER_JACK_2P EMI

2
200K mx_c0603_small I

2
NI NI NI I

1
1% X7R 10% D8814
GND C9365 +19VA_SN_A I SS14

2
1
470PF/50V GND I

1
X7R 10% PC232

1
PC234 1UF/50V +19VSB_HB_C

2
NI I
0.1UF/50V

2
X7R 10%
GND GND
EMI

1
GND I
GND +19VA PR380
75K L/H
1%
0 Ohm VP

2
1
I
ER32 PR112 +19V_OV_A
+19VA 100K
3
1% D
I

2
GND GND PQ117
1

OVP# 1 2N7002
PR9210 G
100KOHM 2 S
3
1% D

1
I I I
2

1
C PQ115 PR186 PC206 +19V_UV_A C
1 2N7002 49.9K 1000PF/50V
G 1% X7R 10%
H/L 3
D

2
2 S I

2
PQ116
UVP# 1 2N7002
G
2 S
GND GND GND

GND

+19VA

OVP +19VA +19VA


UVP
~24V ~15.2V
1

1
I
PD110 PR9211 PR99 I
BAT54AW 40.2KOHM I I +19VA_SN_A 100KOHM PR96
1% PD111
BAT54AW PU110 1% 100K
1%
2

2
I 2 LM393 I
3

3 OVP_EN 1 8
B 1 2 OUT1 VCC 7 UVP# PR101 243KOHM B
OVP_REF 3 -IN1 OUT2 6 1 2
4 +IN1 -IN2 5 UVP_REF I 1% 1 2
VEE +IN2

1
I UVP1_REF
1

I PC200 I I
1

1
PC230
X5R 10% 1000PF/50V PR97 I PR9214

1
PR9212 10UF/6.3V X7R 10% 1K PR9213 PC236 49.9K
2

4.7KOHM GND +19VA 1% 18.2KOHM 1000PF/50V 1%

2
1% 1% X7R 10%

2
2

2
I I

1
GND GND I NI
PR287 PR435
10K 10K GND GND GND
GND 1% 1%

2
+2P5VREF

2
PQ259

PC203
1

I H431BN

3
X5R 10% I
10UF/6.3V
2

A A

GND GND
PEGATRON DT-MB RESTRICTED SECRET
Title : UVP, OVP & +19VSB
PEGATRON CORPORATION Engineer: Ethan_Chen
Size Project Name Rev
A3 IPISB-NK 1.03
Date: Wednesday, April 20, 2011 Sheet 61 of 80
5 4 3 2 1
5 4 3 2 1

D D

C C

for USB3.0 controller only


1.01 +3P3VSB --> +1P5V_DUAL +1P1VSB_USB
+1P5V_DUAL
+5V_DUAL +5VSB Imax=1A
GRST# 44,52 Trace Width>40mil
1

I
R69 U9374 +1P1VSB_USB
4.7K 9
B 1 GND2 8 B
2

+1P1VSB_USB_EN 2 PGOOD GND1 7


3 EN ADJ 6
4 VIN VOUT 5
VDD NC
RT9025_25PSP

2
I
PR705
1

PC76 PC705 PC709 0

1
1000PF/50V 0.1UF/16V 0.1UF/16V
X7R 10% X7R 10% GND I PC708 PC706
X7R 10%
2

1
I I PR702 4.99KOhm PR703 1.91KOHM 10UF/6.3V 10UF/6.3V

2
I 1 2 +1P1V_DUAL_VREF_A 1 2 X5R 10% X5R 10%

+1P1V_DUAL_FB
I I 1%
1% I I

GND GND GND GND GND GND

1 2

I
PC707
33PF/50V
NPO 5%

A A

PEGATRON DT-MB RESTRICTED SECRET


Title : +1P1VSB_USB
PEGATRON CORPORATION Engineer: Ethan_Chen
Size Project Name Rev
A3 IPISB-NK 1.03
Date: Thursday, April 21, 2011 Sheet 62 of 80
5 4 3 2 1
5 4 3 2 1

Dual_PWR Load SW
PQ918
+3P3VSB 8 D S 1
7 2
+3P3V_DUAL +3P3V_DUAL
PR917
6 3
Imax=1.35A

1
5 G 4 +3V__DUAL_DRI NI

D IRF8707PBF
PC913
0.1UF/16V
Trace Width>60mil D

2
22K

1
I I X7R 10%
PC925
0.01UF/25V I

2
X7R 10% GND

GND
PQ919
+5VSB 8 D S 1
7 2
+5V_DUAL +5V_DUAL
6 3 PR918
Imax=6.7A

1
5 G 4 +5V_DUAL_DRI1 1 2 NI
I PC920
TDC=4.69A

1
IRF8707PBF PC924 499K 0.1UF/16V

2
I 0.1UF/25V I X7R 10% Trace Width>190mil Q9358 +19VSB +19V
X7R 10%

2
PQ920 GND
+19VSB ==> +19V
+5VSB 8 D S 1
7 2
GND +5V_DUAL
1 2 3 Imax=6A
6 3 PR919 47K 47K TDC=4.2A

1
5 G 4 +5V_DUAL_DRI2 1 2 NI

1
I PC921 E 47K C I Trace Width>160mil
1

1
PC926 499K B B PR372

S3_DRI_IN
IRF8707PBF 0.1UF/16V GND

2
I 0.1UF/25V I X7R 10% 200K PC249 I
C E 1% 0.1UF/16V PQ46
X7R 10%
2

2
I 10K
X7R 10% SI4835DDY-T1-GE3

2
UMC4N GND 6 UMC4N 4 1 8

S
C I 2 7 C
GND NI
+19VSB S3_DRI PR718 1 2 0 R37513 3 6
I PR915 1 2 +19V_HB_C 4 5
C

4
3

G D
1 2 SUSC#_PWR
47K

59,60 SUSC_EC#
10K

1
B

SUSC#_PWR PR931 1K I
100KOHM PR371
2

B
47K

NI
10K
47K

5% I 75K

1
Dual power enable I 1%
PR11
1

2
PQ916 10KOhm
GND 1%

2
I
GND
Main power enable 3
Main_PWR Load SW PR923
D
I
PQ206
1 2 1 2N7002 GND
PQ923 60,65,66,69 SUSB#_PWR
G
+3P3VSB 8 D S 1 +3P3V
+3P3V 22K 2 S
7 2
6 3 PR921 Imax=2.94A
I
1

1
5 G 4 +3V_DRI 1 2 NI
TDC=2.085A I
PC914 PC237
IRF8707PBF 22K 0.1UF/16V Trace Width>120mil 0.1UF/16V +5V +3P3V
2

2
1

I I X7R 10% X7R 10% PD201


PC929 I 1
0.01UF/25V 3
2

X7R 10% GND 2


B B
BAT54AW
GND GND GND NI
PQ922
+5VSB 8 D S 1
7 2
+5V +5V
6 3 PR922
Imax=4.57A
1

5 G 4 +5V_DRI 1 2 NI
I PC923
TDC=3.199A
1

IRF8707PBF PC928 22K 0.1UF/16V


2

I 0.1UF/25V X7R 10% Trace Width>180mil


X7R 10% I
2

PVT
GND
PQ921 GND
+1P5V_DUAL 8 D S 1
7 2
+1P5V +1P5V
1

6 3 PR920 NI
5 4 +1.5V_DRI 1 2 PC922 Imax=0.5A
G
0.1UF/16V Trace Width>180mil
2
1

I 22K
S0_DRI_IN

IRF8707PBF X7R 10%


I PC927
0.01UF/25V I
2

I X7R 10% GND


UMC4N
GND
+19VSB S0_DRI PR717 1 2 0
I
C

4
3

E
47K

A A
B

+12V PR716 1 2 0 I
1

NI
2

B
47K

5%
10K
47K

PR715 1 2 0 100KOHM PEGATRON DT-MB RESTRICTED SECRET


I PR932
1

Title : ATX POWER_24P


C

PQ917
2

PEGATRON CORPORATION Engineer: Ethan_Chen


1

GND GND
Size Project Name Rev
,69,70 +1P05V_PCH_PWRGD
NI PC930 0.01UF/25V GND A3 IPISB-NK 1.03
2

X7R 10%
Date: Thursday, April 21, 2011 Sheet 63 of 80
5 4 3 2 1
5 4 3 2 1

+19VSB +19VSB
+19VSB +19VSB

1
Iin=3.27A I Iin=1.63A
I U9372

2
Trace Width>130mil PR400
150K PR395
TPS51125ARGER +5VA Trace Width>65mil
1% 2.2 Ohm 1
22UF/6.3V 2 PC965 GND

2
+19VSB 5% NI mx_c0805_small +19VSB
+5V_IN +3V_IN
I

1
EC power NO BOM
3VA_5VA_EN 13 17 1
10UF/6.3V 2PC992 GND
EN0 VREG5
PJP214 I mx_c0805_small PJP506
+3VA 1 2
1 2

1
2 1
2 1 PC325
D
I 2MM_OPEN_5MIL D

1
PR398 GND 2 1 5V3V_VCC_C 16 8 1
10UF/6.3V 2PC993 GND +
3MM_OPEN_5MIL VIN VREG3

1
+ 10KOhm I mx_c0805_small I I NI
NOBOM

1
NI I I 1% 0.1UF/50V PC335 PC329 PCE416

5
6
7
8
PCE417 PC320 PC334 4.7UF/25V 4.7UF/25V 33UF/25V

2
33UF/25V X7R 10% I Ir=2980mA

D
4.7UF/25V 4.7UF/25V 0.1 0.1
2

2
Ir=2980mA I PQ26
EVT2 0.1 0.1 GND EVT2
+5V_BST_D 22 9 +3V_BST_D IRF8707PBF

G
EVT2

S
VBST1 VBST2

8
7
6
5

1
GND GND GND

4
3
2
1
GND GND GNDI PR396 PR405
PQ43 2.2 Ohm 2.2 Ohm
+5VSB

G
S
IRF8707PBF VP 5% 5%
Imax=12.41A PR383 I I
+3P3VSB

1
2
3
4

2
0Ohm +5V_BST1_D mx_r0603_small +3V_BST1_D mx_r0603_small
TDC=8.687A +5V_HGR_D
mx_r0603_small
2 1 +5V_HG_D 21 10 +3V_HG_D VP PR391 0 Ohm Imax=9.43A
DRVH1 DRVH2
Trace Width>500mil I 5% +3V_HGR_D
TDC=6.601A

1
PC324
I PC332 0.1UF/16V PR382 Trace Width>380mil
+5VSB PR389 0.1UF/16V X7R 10% 8.2KOHM

2
8.2K X7R 10% +3P3VSB
PJP300 PJP302
PL401 I PL403
+5V_PHASE1_D I

2
1 2+5V_PHASE_S 1 2 20 11 +3V_PHASE2_D 1 2 +3V_PHASE_S 1 2
I LL1 LL2
3.3UH/14A PQ412 3.3UH/14A
SHORTPIN SHORTPIN
1

+I I IRFH7914PBF I I
1

1
NO BOM NO BOM PQ24 I + I
560UF/6.3V

N
I
1

1
I
PCE307

PC318 I IRF8707PBF PC322 PCE303


8

6
D

2
10UF/6.3V PC319 PC254 PC321

SHORTPIN

SHORTPIN
N
I

1000PF/50V
2

NOBOM

NOBOM
1

mx_c0805_small 680PF/50V 10UF/6.3V

560UF/6.3V
1000PF/50V X7R 10%
2

PJP303

PJP305
X5R 10% X7R 10% PC253 +5V_LGR_C VP PR388 0 Ohm +5V_LG_D 19 12 +3V_LG_D
VP PR393 0 Ohm +3V_LGR_C X7R 10% mx_c0805_small
DRVL1 DRVL2

5
6
7
8
C
I 680PF/50V 5% 5% +3V_SN_C mx_c0603_small X5R 10% C
2

1
X7R 10%

D
mx_c0603_small NI PR399
+5V_SN_C

NI

1
1

GND GND 8.2KOHM 1Ohm

G
GND

S
5%
1

PR387
SHORTPIN

SHORTPIN

PR838 r1206_h26 GND GND

I
NOBOM

NOBOM

1Ohm 8.2KOHM
1 S

4 G

4
3
2
1

2
PR406
2 PJP301

PJP304

r1206_h26
I

GND
2

+5V_VO1_C 24 7 +3V_VO2_C
VO1 VO2 GND GND
2

GND GND GND 1 Ohm PR269 I


PR268 4.7 OHM GND 1 2 +3V_FB_1_C
+5V_FB_1_C 1 2 5%

I mx_r0603_small 13KOHM

1
PR997 2 1 15KOhm +5V_FB_C 2 5 +3V_FB_C 2 1 PR401
VFB1 VFB2
1

I 1% 1% I

2
D8851 D8849
1

1
NI PC327 I MMSZ4690T1G AZ5123-01J D8848 PC333
PC550 2 1 PC326 I NI MMSZ5228B_F PC323 2 1 NI
1

0.1UF/50V 0.1UF/16V I 0.1UF/16V


2

2
1

1
PR719 1 2 0 18 I
I 0.47UF/16V +VREF2V Y5V +80-20% 0.47UF/16V

1
PR999 D8850 NI VCLK PR404 PC551
AZ5125-01J GND I
10KOhm 20KOhm 0.1UF/50V

2
NI 3 GND GND
1%
GND PR720 1 2 0 VREF +VREF2V 1% I
I +5VA
2

2
GND VP
I PC337 0.22UF/16V
GND GND 1 2 GND GND GND
GND GND PR721 1 2 0 SKIPSEL 14
NI SKIPSEL
B B

GND PR722 1 2 0 TONSEL 4 1 ENTRIP1_A PR392 1 2 200KOHM GND


NI TONSEL ENTRIP1 I 1%

PC330 1 2 0.1UF/16V GND


NI
+VREF2V PR723 1 2 0
VP
23 6 ENTRIP2_A PR402 1 2 200KOHM GND
PGOOD ENTRIP2 I 1%
PR724 1 2 0 +3VA +3VA +5VA
+3VA
NI PC331 1 2 0.1UF/16V GND
3 NI
D
I
+5VA PR725 1 2 0 PQ118
NI 1 2N7002

2
G
2 S

1
PR384
PR136 8.2KOHM PR134
+3P3VSB PR131 1 2 100KOHM 100KOHM 5% 100KOHM
I 3
1%
NI
I
D

1
NI
GND1
GND2
GND3
GND4
GND5
GND6

GND I

2
1% 1% PQ119
57,59,69 SUS_PWRGD
NI 1 2N7002
D8839 G
15
25
26
27
28
29

2 1 2 S
59 SLP_SUS#_EC 3
D
BAT54WS I
PQ120
A PR135 1 2 100KOHM
1 2N7002 A
GND 59,69 VSUS_ON I
1% G
NI 2 S
D8836
2 1
69 FORCE_OFF#
1

BAT54WS
PR137
100KOHM GND GND Title : +3VA&+3VSB&+5VSB
I
PEGATRON CORPORATION Engineer: Ethan_Chen
2

1%
Size Project Name Rev
GND Custom IPISB-NK 1.03
Date: Thursday, April 21, 2011 Sheet 64 of 80
5 4 3 2 1
5 4 3 2 1

+5VSB +5VSB

PR544 1 2 4.7 OHM +12V_VDDC_VDD


I 5%

1
PR147 GND PC533 2 1 1UF/16V
+5VSB 100KOHM I D8857 D8856
NI X7R 10% AZ2015-01H.R7G MMSZ4690T1G
mx_c0603_small NI NI +5VSB

2
1%

2
1
D D
PR146

1
100KOHM
D8858
65,66,69 SUSB#_PWR NI
3 +12V_VDDC_IN_PQ
2 D GND GND AZ2015-01H.R7G
1% NI I NI
PQ208 1 PR548 2 1 PR553 2 +12V_VDDC_TON PU751

2
Main power enable
1 2N7002 2MOHM 2MOHM
3 G 5% 5%
D
2 S I I 2 9 GND
VDD VDDP
NI
1

PR144 1 2 10K 1 PQ207 PC451 PC537 1 2 1UF/16V GND


NI G 2N7002 0.1UF/16V I X7R 10% mx_c0603_small
2 S X7R 10% I
2

NI PD504
BAT54CW +5VSB
PR545
1 +AC_BAT_SYS
GND GND GND 16 13 +12V_VDDC_BOOT +12V_VDDC_BOOT_25 3
TON BOOT Iin=2.98A
Main power enable
2
0 Ohm Trace Width>120mil +19VSB
5% +12V_VDDC_IN_PQ
PJP215
PR139 1 2 10K +12V_DEM_C 15 I
0,63,65,66,69 SUSB#_PWR EN/DEM
I PC538 1 2 0.1UF/25V +12V_VDDC_IN_PQ 2
2 1
1
I X7R 10% mx_c0603_small
GND PC446 1 2 0.1UF/16V 69 +12V_PWRGD 4
PGOOD 3MM_OPEN_5MIL

1
I X7R 10% +

1
I I NI NOBOM
GND PC448 1 2 0.1UF/16V +1.8V_EN 14 PC548 PC540 PCE418
C I X7R 10% LEN 33UF/25V C
4.7UF/25V 4.7UF/25V

2
5
6
7
8
0.1 0.1 Ir=2980mA EVT2
I

PQ505
I
PR132 1 2 10K 5

IRF8707PBF
D
GND 69 +1.8V_PWRGD LPGOOD

S
+3P3V I PR133 1 2 10K GND GND GND
PR556

4
3
2
1
+3P3V NO BOM 12 +12V_VDDC_HG_D +12V_VDDC_HG_R_D
PR557 UGATE
I
+12V
S

1 2 +1P8V_HT_+1P5V_DUAL 3 2 +1P8V_HT_LDRV_C 7
D2

1 2 LDRV 0 Ohm 5% Imax=3.3A


3

11

5% 8.2KOHM
2MM_OPEN_5MIL
Trace Width>140mil
G

PR626
1

Q9354 VP +12V
G
1

PC539 10UF/6.3V IPDH6N03LAG 2 3 PL120


D2

2 1 I I 11 +12V_VDDC_PHASE_D 1 2
S

I X5R 10% I PR554 PHASE


PR562 1 2 0 Ohm IPDH6N03LAG 100 Ohm 4.7UH
NI 5% Q9355 1% 0.2

1
1+1P8V_HT_LDVR_GND

PR563 1 2 0 Ohm PR546 PJP504

I
I +
2

1
GND NI 5% 5.23KOHM SHORTPIN PCE503
1% I NOBOM PC541 PC547 270UF/16V
10 +12V_VDDC_ILIM_A 1 2 +12V_VDDC_ILIM_R_A 2 1 1000PF/50V 10UF/16V I

2
OC
1

I X5R 10%
PC532
+1.8V I

5
6
7
8
39PF/50V
2

1
PQ508
I
+12V_VDDC_SUR_S PC543
Imax=2.5A

IRF8707PBF
D
NPO 5%
680PF/50V GND GND
PR543
1

TDC=1.75A I mx_c0603_small

2
1
B PR727 B
PC535
LGATE
8 +12V_VDDC_LG_D +12V_VDDC_LG_R_D I X7R 10%
Trace Width>70mil 0 0.033U/16V PR539 NI

4
3
2
1
VP X7R 10% 1Ohm
2

0 Ohm r1206_h26
2

5%
+1P8V_HT_R_FB

2
+1P8V_SFR NO BOM VP PR540
PR555 8.2KOHM
1 2 +1P8V_HT_VDDR_R PR552 1 I 2 14.3KOHM 5%
1 2 1% NI GND GND
2MM_OPEN_5MIL GND
PC536 2 1 39PF/50V
PC542 10UF/6.3V I NPO 5% GND
2 1 PR541 10KOhm
I X5R 10% 1 2 GND
I 1% GND
PC544 10UF/6.3V PJP505
2 1 +1P8V_HT_LDRV_A 6 SHORTPIN
LFB
I X5R 10% PR558 30KOHM NOBOM
1 +12V_VDDC_VOUT_A 2 1 +12V_VDDC_VOUT_FB_A 0 2 1 PR726 +12V_VDDC_VOUT_R_A 2 1
VOUT I 1% VP
PR549 75KOHM
GND 17 3 +12V_VDDC_FB_A 1 2 PC546 1 2 0.1UF/25V GND
GND FB
19
GND1
I 1% I X7R 10%
20
GND2 PC545 2 1 56PF/50V
1

NI
PR559 PR551 4.99KOhm
RT8204LGQW 10KOhm 1 2 GND
A 1% I 1% A
2

I
GND

GND
PEGATRON DT-MB RESTRICTED SECRET
+12V & +1P8V
Title :
PEGATRON CORPORATION Engineer: Ethan_Chen
Size Project Name Rev
A3 IPISB-NK 1.03
Date: Wednesday, April 20, 2011 Sheet 65 of 80
5 4 3 2 1
5 4 3 2 1

I
PU400
+5VSB +5V_DUAL +5VSB
PR417 10K PR416 4.7 OHM
1 2 1 2 +1P5V_DUAL_VDD 2 9

I
VDD VDDP
1% I 5%
PC415 1UF/16V PC411 1 2 1UF/16V GND
GND 2 1 I X7R 10% mx_c0603_small
I X7R 10% mx_c0603_small I
PD400 +AC_BAT_SYS
+1P5V_DUAL_IN_PQ BAT54CW +5V_DUAL
PR425 1MOhm
PR745
0 Ohm 1 Iin=1.92A

1
D
PC417
0.01UF/25V I
1 2
5%
+1P5V_DUAL_TON 16
TON BOOT
13 +1P5V_DUAL_BOOT 3
+1P5V_DUAL_BOOT_25
2
Trace Width>70mil D
X7R 10% I 5%

2
I +19VSB
+1P5V_DUAL_IN_PQ NO BOM
15 PJP507
EN/DEM PC416 1 2 0.1UF/25V +1P5V_DUAL_IN_PQ 1 2
GND 1 2
I X7R 10% mx_c0603_small
69 +1P5V_DUAL_PWRGD 4 2MM_OPEN_5MIL
PGOOD

1
+ NI

1
I I PCE419
60,63,65,69 SUSB#_PWR I PR140 1 2 10K +1P05V_PCH_EN 14
LEN
PC432 PC420 15UF/25V
4.7UF/25V 4.7UF/25V ESR=90mOhm/Ir=1A

2
+1P5V_DUAL NI PR141 1 2 10K
GND 0.1 0.1
5
PJP508 PC449 1 2 0.1UF/16V LPGOOD

5
6
7
8
NO BOM 1 2 2MM_OPEN_5MIL I X7R 10%

I
1 2 PR418 10K I GND +1.5V_DUAL

D
GND GND
PJP513 2 1 PQ414
NO BOM 1 2 2MM_OPEN_5MIL
+5V_DUAL
IRF8707PBF Imax=24.35A

S
1 2
63,69,70 +1P05V_PCH_PWRGD UGATE
12 +1P5V_DUAL_HG_D PR410
VP
0 Ohm
5%
+1P5V_DUAL_HG_R_D
TDC=17.045A
I

4
3
2
1
PC409
I
2 1 10UF/6.3V
X5R 10%
+1P05V_PCH_VIN_S 11 +1P05V_PCH_LDRV_C 7
LDRV 5% Trace Width>960mil
8.2KOHM +1P5V_DUAL
G

2 3 PR415
+1P05V_PCH
D2

PL5
S

1
GND Imax=6.4A PQ417 I PHASE
11 +1P5V_DUAL_PHASE_D 1 2
PR409
IPDH6N03LAG
TDC=4.48A 100 Ohm 1.2UH/29A

1+1P05V_PCH_LDVR_GND
C I 1% I I I C

1
+1P05V_PCH PJP400 PQ416 PQ415 PC406 + PCE400 + PCE401

I
2

1
PJP509 SHORTPIN IRFH7914PBF IRFH7914PBF 10UF/6.3V

1
NO BOM 1 1 2
2 2MM_OPEN_5MIL PR413 NOBOM PC410 X5R 10% + NI I
10 1
+1P5V_DUAL_ILIM_A 2 +1P5V_DUAL_ILIM_R_A2 1 PCE4107

820UF/2.5V

820UF/2.5V
D
6

D
6

8
1000PF/50V
I

2
OC

1
PJP514 I 330UF/2V
NO BOM 1 2 2MM_OPEN_5MIL +1P05V_PCH_ROUT PC405 9.53KOHM NI

2
1 2
39PF/50V 1%

1
NPO 5% I +1P5V_DUAL_SUR_S
PC422 GND GND GND
1

I PR426 680PF/50V

2
1
PR728 PC414
LGATE
8 +1P5V_DUAL_LG_D 0 Ohm +1P5V_DUAL_LG_R_D I mx_c0603_small GND
PC407 10UF/6.3V 0 0.033U/16V VP 5% PR623 X7R 10%
2 1 X7R 10% 1Ohm NI

S
VP
2

I X5R 10% r1206_h26


2

1
+1P05V_PCH_Q_R_FB

2
PC421 10UF/6.3V PR424
2 1 8.2KOHM
I X5R 10% PR461 1 2 8.06KOHM 5%
I 1% NI GND GND
GND
PCE408 PC413 2 1 39PF/50V
2 1 I NPO 5% GND GND
+

220UF/2V PR462 1 2 20KOhm GND


I 1% GND
NI PJP401
+1P05V_PCH_LDRV_A 6 SHORTPIN
LFB
NOBOM
B 1 +1P5V_DUAL_VOUT_A 0 2 PR7301 0 2 1 PR729 +1P5V_DUAL_VOUT_R_A 2 1 B
GND VOUT
VP VP
PR412 10KOhm
17 3 +1P5V_DUAL_FB_A 1 2 PC412 1 2 0.1UF/25V GND
GND FB
19
GND1
I 1% I X7R 10%
20 NI PC419 56PF/50V
GND2 2 1

PR414 10KOhm
RT8204LGQW 1 2 GND
I 1%

GND

A A

+1P5V_DUAL&+1P05V_PCH
Title :
PEGATRON CORPORATION Engineer: Ethan_Chen
Size Project Name Rev
A3 IPISB-NK 1.03
Date: Wednesday, April 20, 2011 Sheet 66 of 80
5 4 3 2 1
5 4 3 2 1

D
+VTT_DDR D
Imax=1.5A
+5V_DUAL
Trace Width>60mil +5V +1P5V_DUAL

1
NI I I
+1P5V_DUAL I PR163 PR162 PR159
PU411 0 0 100K
9 mx_r0603_small mx_r0603_small
1%
+VTT_DDR 1 GND2 8 mx_r0402_small

2
2 VIN NC3 7
3 GND1 NC2 6 VTT_DDR_VCNTL
4 REFEN VCNTL 5 +0P75V_REF_10
VOUT NC1
RT9045GSP

I I I

1
I I I PC418 PR161 PC424
PC423 PC426 PC425 1UF/6.3V 100K 1000PF/50V
10UF/6.3V 10UF/6.3V 10UF/6.3V X5R 10% 1% X7R 10%

2
X5R 10% X5R 10% X5R 10% mx_c0402_small mx_r0402_small mx_c0402_small
mx_c0805_small
mx_c0805_small mx_c0805_small

GND GND GND GND GND GND GND


C C

B B

A A

+VTT_DDR
Title :
PEGATRON CORPORATION Engineer: Ethan_Chen
Size Project Name Rev
A3 IPISB-NK 1.03
Date: Wednesday, April 20, 2011 Sheet 67 of 80
5 4 3 2 1
5 4 3 2 1

D D

C +19VSB_R C

PJP701
1 2
2

I
SHORTPIN PR285
DVT
NO BOM 10 OHM
1%
1

I +3P3VSB
1

PR282 I
1

I U9378
INA199A1 use 1.5mOHM
C9352 4 3
IN+ V+
1082-001O000 (6m OHM) 0.1UF/25V 5 2
2

IN- GND
1

6 1
OUT REF

1
I I
PR286 INA199A3DCKR PC328
10 OHM 0.1UF/16V
PJP702

2
+19VSB 1% GND
2

1 2

GND
SHORTPIN
NO BOM
GND

SR169 1 2 NI
B 59 CURRENT_MODIFY 0 Ohm B

A A

PEGATRON DT-MB RESTRICTED SECRET


Title : N/A

PEGATRON CORPORATION Engineer: Ethan_Chen


Size Project Name Rev
A3 IPISB-NK 1.03
Date: Wednesday, April 20, 2011 Sheet 68 of 80
5 4 3 2 1
5 4 3 2 1

D
+3P3V D

1
PR138
100KOHM
I

To EC

2
1% +3VA +3VA_EC +3VA_EC

PR710 1 2 0 ALL_SYSTEM_PWRGD 59,80


59,64 VSUS_ON

2
NI I I
NI PR959 1 2 100KOHM 5% D3107
60,63,65,66 SUSB#_PWR 100K 100K
1SS355PT
R3118 R3117
I
D8837 2 1 1SS355PT
57,59,64 SUS_PWRGD D3108

1
NI
2 1
EC_RST# 59
PR709 1 2 0
65 +12V_PWRGD
NI
Main power enable 1SS355PT To EC RESET
PR713 1 2 0 I
65 +1.8V_PWRGD

1
NI
+3P3VSB SUSB#_PWR C3103
FORCE_OFF# 64
D8840 2 1 1SS355PT 4.7UF/10V
66 +1P5V_DUAL_PWRGD

2
1
I Y5V +80-20%

2
PR712
C D8860 2 1 1SS355PT D8835 I C
63,66,70 +1P05V_PCH_PWRGD 1M
NI 1SS355PT 3
D GND
I I
I

2
PR707 1 2 0 PQ122
70 +1P05V_CPUIO_PWRGD

1
I 1 2N7002
U9382 G
PR733 1 2 0 1 A 5 2 S
70 +VCCSA_PWRGD VCC
NI 3
D

1
26,57,59,72,78 VRM_PWRGD
PR711 1 2 0 2 B I I
I PQ121 C9347
3 4 1 2N7002 22UF/6.3V

2
GND
Y G X5R 10%
NC7SZ08P5X 2 S
I mx_c1206

GND
GND GND GND

11/17 change to 22uF

B B

A A

Title : +1P05V_ME
PEGATRON CORPORATION Engineer: Ethan_Chen
Size Project Name Rev
A3 IPISB-NK 1.03
Date: Wednesday, April 20, 2011 Sheet 69 of 80
5 4 3 2 1
5 4 3 2 1

I
+AC_BAT_SYS
PU9 Iin=1.026A
+5V +5V +5V
PR450 10KOhm PR419 4.7 OHM +VCCIO_VIN Trace Width>70mil +19VSB
1 2 1 2 +VCCIO_VDD 2 9 +VCCIO_VDDP

I
VDD VDDP
1% I 5% NO BOM
PC430 1UF/16V PC437 1 2 1UF/16V GND PU10
GND 2 1 I X7R 10% mx_c0603_small +VCCIO_VIN 1
1 2
2

1
63,66,69 +1P05V_PCH_PWRGD
1 2 PC431 I X7R 10% mx_c0603_small I
PR732 NI 0.01UF/25V PD401 2MM_OPEN_5MIL

1
+VCCIO_VIN +5V I
D 0 X7R 10%
PR746
BAT54CW + NI D

1
I PR440 1MOhm 1 PC123 PCE420
1 2 +VCCIO_TON 16 13 +VCCIO_BOOT +VCCIO_BOOT_IN 3 10UF/25V 15UF/25V
TON BOOT
I 5% 2 X5R 10% ESR=90mOhm/Ir=1A

2
0 Ohm
GND 5%
+VCCIO_EN 15 I
EN/DEM PC439 1 2 0.1UF/25V GND
GND
I X7R 10% mx_c0603_small
+3P3V 69 +1P05V_CPUIO_PWRGD 4
PGOOD
D8838 2 1 1SS355PT
I PR142 1 2 10K I +VCCSA_PCH_EN 14
LEN

5
6
7
8
GND NI PR143 1 2 10K
5 I

D
+1P05V_CPUIO PC450 1 2 0.1UF/16V LPGOOD PQ419
I X7R 10% IRF8707PBF +1P05V_CPUIO

S
PJP511 1 2 NOBOM
3MM_OPEN_5MIL 1 2 69 +VCCSA_PWRGD Imax=18.2A

4
3
2
1
PJP515 1 2 NOBOM 12 +VCCIO_UGATE PR433 0 Ohm +VCCIO_UGATE_IN
TDC=12.74A
3MM_OPEN_5MIL 1 2 UGATE VP 5% I Trace Width>720mil
PC445 2 1 10UF/6.3V +VCCSA_VIN_S +VCCSA_LDRV_C 7
I X5R 10% LDRV 5%
11 8.2KOHM +1P05V_CPUIO
G PR420
2 3 L6327
D2

1
C GND I 11 +VCCIO_PHASE 1 2 C
S

PR459 PHASE
+0P925V_SA PQ420 100 Ohm I I 0.3UH/48A
IPDH6N03LAG 1% PQ418 PQ429
Imax=8.8A I PJP402 IRFH7914PBF IRFH7914PBF
I

I
1+VCCSA_LDVR_GND2

1
TDC=6.16A PR452 8.2KOHM
SHORTPIN
NOBOM PC427 PC408

D
6

D
6

8
+0P925V_SA 10 +VCCIO_OC 1 2 +VCCIO_OC_IN 2 1 1000PF/50V 10UF/6.3V

2
OC

1
I X5R 10%
PJP512 1 2 NOBOM +VCCSA_ROUT PC440 I 1%
3MM_OPEN_5MIL 1 2
39PF/50V I
2

1
NPO 5%
PJP516 1 2 NOBOM PC447
1 2
1

3MM_OPEN_5MIL I PR438 680PF/50V

2
1
PR731 PC441
LGATE
8 +VCCIO_LGATE 0 Ohm +VCCIO_LGATE_IN I mx_c0603_small
0.033U/16V VP 5% PR624 X7R 10%

S
0
PC443 2 1 22UF/6.3V
VP
X7R 10% 1Ohm NI
2

1
I X5R 20% EVT2 r1206_h26
2 +VCCSA_Q_R_FB

2
PR439
PC442 2 1 22UF/6.3V PR451 8.25kOHM 8.2KOHM
I X5R 20% 1 2 5% GND GND
EVT2 I 1% NI GND GND GND
PCE409 2 1 220UF/2V GND
NI PC444 2 1 39PF/50V
+

I NPO 5%
PR457 59KOHM
1 2 GND
GND +VCCSA_ROUT GND
B B
From CPU
I 1% PJP403
PR735 1 2 100 Ohm +VCCSA_LDRV_A 6 SHORTPIN
LFB
I 1% NOBOM
PR734 1 2 0 1 +VCCIO_VOUT 0 2 1 PR738 PR736 1 2 100 Ohm +VCCIO_FB_R 2 1
12 VCCSA_SENSE VOUT
I VP I 1%

17 3 +VCCIO_FB PR460 1 2 8.06KOHM PC428 1 2 0.1UF/25V GND


GND FB
1

19
GND1 I 1% I X7R 10%
I 20
PR182 GND2 PC429 2 1 56PF/50V 0 2 1 PR737
VCCIO_SENSE 12
80.6KOhm NI I
1% PJP404
2

From CPU
GND RT8204LGQW PR453 1 2 21KOhm GND SHORTPIN
I 1% NOBOM
+5VSB 2 1
EVT2 VSSIO_SENSE 12
1

PR454
10KOhm +5V +5V
VCCSA_VID_REF_D1 1%
1

+3P3V
I NI GND
2

1
PR187
10K PR455 PR456
3
D I D
3 10KOhm 10KOhm
PQ236 NI 1% 1% without VCCIO_SEL trigger,
2

2N7002 PQ124
2

2
NI NI

1
1
G
2N7002
G
1
R37429
output = 1.05V
VCCSA_VID# 2 S NI
S 2
1KOhm
1

+5V PC90 3
A D 1% A
0.1UF/16V NI

2
NI
From CPU NI 1 2 10KVCCSA_VID_Base X7R 10% PQ123
2

I
From CPU PEGATRON DT-MB RESTRICTED SECRET
PR267 3 mx_c0603_small 2N7002 1
1

C PQ1 PC246 G 3 Q9353


S 2
12 VCCSA_VID I 1 2 10K 1 B PMBS3904 0.1UF/16V C9348 C
PR188 X7R 10% 0.1UF/16V B 1 2 1
E I VCCIO_SEL 12 +1P05V_CPUIO CONTROLLER
2

2
mx_c0603_small X7R 10% E
R37428
1KOhm
Title :
NI 2 1%
PMBS3904 PEGATRON CORPORATION Engineer: Ethan_Chen
NI NI
Size Project Name Rev
GND GND GND GND GND GND GND GND A3 IPISB-NK 1.03
Date: Wednesday, April 20, 2011 Sheet 70 of 80
5 4 3 2 1
5 4 3 2 1

+1P05V_CPUIO +1P05V_CPUIO

NI NI NI NI NI NI NI NI

1
PCB11 PCB12 PCB13 PCB14 PCB20 PCB25 PCB26 PCB19
22UF/6.3V 22UF/6.3V 22UF/6.3V 22UF/6.3V 22UF/6.3V 22UF/6.3V 22UF/6.3V 22UF/6.3V
X5R 20% X5R 20% X5R 20% X5R 20% X5R 20% X5R 20% X5R 20% X5R 20%

2
mx_c0805_small mx_c0805_small mx_c0805_small mx_c0805_small mx_c0805_small mx_c0805_small mx_c0805_small mx_c0805_small

D D

NI NI NI NI NI NI NI NI

1
PCB16 PCB17 PCB18 PCB15 PCB22 PCB24 PCB23 PCB21
22UF/6.3V 22UF/6.3V 22UF/6.3V 22UF/6.3V 22UF/6.3V 22UF/6.3V 22UF/6.3V 22UF/6.3V
X5R 20% X5R 20% X5R 20% X5R 20% X5R 20% X5R 20% X5R 20% X5R 20%

2
mx_c0805_small mx_c0805_small mx_c0805_small mx_c0805_small mx_c0805_small mx_c0805_small mx_c0805_small mx_c0805_small

01/08 add for CRB recommend


01/08 add for CRB recommend GND GND

+1P05V_CPUIO

I I I I I

1
PCB2 PCB3 PCB4 PCB5 PCB6
22UF/6.3V 22UF/6.3V 22UF/6.3V 22UF/6.3V 22UF/6.3V
2 X5R 20% X5R 20% X5R 20% X5R 20% X5R 20%

2
C mx_c0805_small mx_c0805_small mx_c0805_small mx_c0805_small mx_c0805_small C

GND GND GND GND GND

I I I I
1

1
PCB10 PCB9 PCB8 PCB7
22UF/6.3V 22UF/6.3V 22UF/6.3V 22UF/6.3V
X5R 20% X5R 20% X5R 20% X5R 20%
2

2
mx_c0805_small mx_c0805_small mx_c0805_small mx_c0805_small

GND GND GND GND


Place close to CPU bottom side
1

1
B B
+ + + +
PCE11 PCE12 PCE13 PCE15
820UF/2.5V 820UF/2.5V 820UF/2.5V 220UF/2V
I I I I
2

GND GND GND GND

2011/01/14 change to I

A A

PEGATRON DT-MB RESTRICTED SECRET


Title : 1P05V_CPUIO CAP

PEGATRON CORPORATION Engineer: Ethan_Chen


Size Project Name Rev
A3 IPISB-NK 1.03
Date: Wednesday, April 20, 2011 Sheet 71 of 80
5 4 3 2 1
5 4+5V 3 2 1
+1P05V_CPUIO
59 CPU_VRON +1P05V_CPUIO PR3 1 2 2.2 Ohm I
5% I PU20

1
+1P05V_CPUIO +3P3V DVT GND PC11 2 1 4.7UF/6.3V 10
VCC

1
PR91 PR87 X5R 10% I PC238 PC239 PC241
1KOhm 1KOhm PR5 0.1UF/10V PR6 0.1UF/10V PR4 0.1UF/10V
1% 1% +19V_CPU_IN 110 Ohm 54.9 OHM 75 OHM
0.1 0.1 0.1

2
1

1
I NI 1% 1% 1%
NI I NI

2
PR180 PR189 mx_r0402_small
mx_r0402_small PR7 1 2 1KOhm 12 I I NI

2
VRMP
1KOhm 1KOhm 1% I mx_r0402_small SDIO
4 mx_r0402_small
GND mx_r0402_small
GND mx_r0402_small
GND VIDSOUT 12
1% 1% GND PC12 2 1 0.01UF/25V
NI I I X7R 10% mx_c0402_small 5 VIDSCLK 12

2
SCLK
D mx_r0402_small mx_r0402_small GND PR216 1
1%
2 1KOhm
NImx_r0402_small 9 6
D
26,57,59,69,78 VRM_PWRGD ENABLE ALERT# VIDALERT# 12
PC2 1 2 0.1UF/10V GND

1
0.1 I mx_c0402_small DRON
33 DRVON 73,74,76
32 PWM1 73 PR259
PR8 mx_r0402_small PC13 PC14 mx_c0402_small PC121 1 2 0.1UF/10V PWM1/ADDR 35 10KOhm
GND CSN1 CSN1 72,73
1 2 2 1 PR9 1 I 3KOHM
2 2 1 0.1 I mx_c0402_small 1%
1% I 1% I X7R 10% 7 34 VCORE_CSP1_1 PR74 1 2 100KOHM I

2
VR_RDY CSP1
47 OHM 330PF/50V 1200PF/50V PR75 4.7KOHM NI 1% mx_r0402_small mx_r0402_small
VCORE_DIFFOUT 52 72,73 CSP1 1 2 PC217 1 2 0.1UF/10V
X7R 10% DIFFOUT
PR10 I 1% 0.1 I mx_c0402_small GND
1 2 I PC15 2 1 22PF/50V VCORE_COMP 48 30 PWM2 73
COMP PWM2
I 1% I NPO 5%
CSN2
39 CSN2 72,73
1KOhm mx_c0402_small
mx_r0402_small 38 VCORE_CSP2_1 PR77 1 2 100KOHM
CSP2
VCORE_FB 49
FB
PR78 4.7KOHM NI 1% mx_r0402_small
72,73 CSP2 1 2 PC220 1 2 0.1UF/10V
I PR17 mx_r0402_small
PC17 mx_c0402_small I 1% 0.1 I mx_c0402_small
PR16 1 2 1% 1 2 2 1 VCORE_TRBST 50 31 PWM3 74
TRBST PWM3/VBOOT

1
2KOhm mx_r0402_small I 1% I X7R 10%
CSN3
37 CSN3 72,74
402 OHM 4700PF/25V PR82
1

36 VCORE_CSP3_1 PR80 1 2 100KOHM 10K


CSP3
PR20 1 2 40.2KOHM PR81 4.7KOHM NI 1% mx_r0402_small
I
PR18 1% I mx_r0402_small 72,74 CSP3 1 2 PC223 1 2 0.1UF/10V

2
499KOhm PJP7 I 1% 0.1 I mx_c0402_small
1

I PC23 +VCORE 2 1 PR26 1 2 100 Ohm 29 PR260 1 2 59KOHM GND


2

IMAX
4700PF/25V 1% I mx_r0402_small NC1
40 I 1% GND
X7R 10% SHORTPIN
2

C I 12 VCC_SENSE NOBOM PR40 1 2 0 Ohm VCORE_VSP 1


VSP NC2
41
C
GND mx_c0402_small 5% I mx_r0402_small

1
GND PC24 2 1 0.1UF/16V PC201
EVT2 GND
X7R 10% NI mx_c0402_small 1000PF/50V
X7R 10% 44 VCORE_CSSUM PR84 1 2 43KOHM CSP1 72,73

2
CSSUM
I mx_c0402_small 1% I
+5V PR41 1 2 0 Ohm VCORE_VSN 51 45 VCORE_CSCOMP PR92 1 2 56KOHM PR94 1 2 I PR85 1 2 43KOHM
12 VSS_SENSE VSN CSCOMP CSP2 72,73
5% I mx_r0402_small I 133KOHM 1% 1% I

1
PJP8 PC26 1% mx_r0402
1

GND 2 1 PR27 1 2 100 Ohm 0.1UF/16V 47 VCORE_ILIM PR93 1 2 36KOHM 1 2


ILIM
PR42 1% I mx_r0402_small X7R 10% 1% I PC212 2 1 X7R 10% PR86 1 2 43KOHM CSP3 72,74

2
0 Ohm SHORTPIN NI PRT4 100KOHM 2200PF/50V I mx_c0402_small
1% I
5% NOBOM mx_c0402_small I 1% mx_r0603_small
NI GND PC214 1 2 I PR2 1 2 1KOhm PC213 2 1 470PF/50V EVT2
2

mx_r0402_small 2200PF/50V X7R 10% 1% EVT2 I I X7R 10%


VCORE_IOUT 43 mx_c0402 Place close to L6332 PR88 1 2 1% CSN1 72,73
IOUT
DROOP
46 VCORE_DROOP PR95 1 2 3.92KOhm 10 OHM I mx_r0402_small
I 1%
1

PR98 1 2 1% PC215 2 1 X7R 10% PR89 1 2 1% CSN2 72,73


1

PR43 PC33 +3P3V PR209 1 2 1KOhm VCORE_PGA PC120 1 2 0.1UF/10V GND


VCORE PORTION 10 OHM I mx_r0402_small
680PF/50V I mx_c0603_small
10 OHM I mx_r0402_small
30KOHM 0.1UF/16V 1% I mx_r0402_small 0.1 NI mx_c0402_small CSREF
42 VCORE_CSREF EVT2
1% X7R 10% PR100 1 2 6.49KOHM PR90 1 2 1% CSN3 72,74
2

I PR44 1 2 1KOhm I 1% 10 OHM I mx_r0402_small


2

I mx_c0402_small 1% I mx_r0402_small GND PC216 1 2 1000PF/50V


8
VR_RDYA
X7R 10% I mx_c0402_small PR83 1 2 27.4kOHM GND
1% I mx_r0402_small
PC88 2 1 680PF/50V PR45 1 2 47 OHM VCORE_DIFFOUTA 17 28 PWMA PWMA 76
DIFFOUTA PWMA/IMAXA
X7R 10% I mx_c0402_small 1% I mx_r0402_small CSNA
26 CSNA CSNA 76
GND PC207 2 1 22PF/50V VCORE_COMPA 19 25 VCORE_CSPA1 PR107 1 2 100KOHM
B NPO 5% I mx_c0402_small
COMPA CSPA
NI 1% mx_r0402_small B
PR46 1 I 3KOHM2 PC209 2 I 1 1500PF/50V 76 CSPA PR104 1 2 3.6KOHM PC225 1 2 0.1UF/10V
1% X7R 10% 1% I 0.1 I mx_c0402_small I
GND PC122 1 2 4700PF/25V VCORE_FBA 16 PR109
FBA
X7R 10% NI mx_c0402_small CSSUMA
24 VCORE_CSSUMA 1 2 CSPA
PR47 1 2 2KOhm PR48 1 2 8.06KOHM VCORE_TRBSTA
1% I mx_r0402_small 1% I mx_r0402_small 21KOhm
GND PC87 1 2 4700PF/25V PR49 1 2 402 OHM PC210 1 2 4700PF/25V 18 22 VCORE_CSCOMPA PR110 1 2 1% PR123 1 2 1% 1%
TRBSTA CSCOMPA
X7R 10% I mx_c0402_small 1% I mx_r0402_small
X7R 10% I mx_c0402_small EVT2 43KOHM I mx_r0402 82.5KOHM I mx_r0402_small

GND PC211 2 1 0.1UF/16V VCORE_VSPA 15 20 VCORE_ILIMA PR111 1 2 40.2KOHM PRT5 1 2 I PC218 2 1 3300PF/25V EVT2
VSPA ILIMA
X7R 10% NI mx_c0402_small I 1% 100KOHM 1% I X7R 10%
12 VCCAXG_SENSE PR50 1 2 0 Ohm EVT2 mx_r0603_small
1

5% I mx_r0402_small PC208 PR169 1 2 7.68KOHM PC226 2 1 150PF/50V


PJP9 1000PF/50V I 1% I NPO 5%
+V_AXG 2 1 PR51 1 2 100 Ohm X7R 10% Place close to L6335
2

NOBOM 1% I mx_r0402_small I V_GT PORTION PC224 1 2 1000PF/50V PR262 1 2 1%


SHORTPIN mx_c0402_small X7R 10% I mx_c0402_small
1KOhm I mx_r0402_small
12 VSSAXG_SENSE PR66 1 2 0 Ohm VCORE_VSNA 14 PR185 1 2 1% PC1 2 1 1200PF/50V PR374 1 2 1% CSNA
VSNA
5% I mx_r0402_small 10 OHM I X7R 10% I mx_c0402_small 10 OHM I mx_r0402_small
PJP10 VCORE_IOUTA 23 mx_r0402_small
2 1 PR67 1 2 100 Ohm IOUTA 21 VCORE_DROOPA PR376 1 2 16.5KOHM PC227 1 2 1000PF/50V
GND DROOPA
NOBOM 1% I mx_r0402_small +5V PR70 1 2 1KOhm VCORE_BOOTA 27
VBOOTA
I 1% X7R 10% I mx_c0402_small
SHORTPIN 1% NI mx_r0402_small EVT2
PR71 10K 3 PROCHOT# 12,59,80
PC221 2 1 0.1UF/16V 1 2 13 VR_HOT#
GND GND TSENSEA
FLAG/GND

X7R 10% NI mx_c0402_small I TSENSE


2 VCORE_TSENSE PR377 1 2 0 Ohm
11 5% I PR258 1 2 51OHM +1P05V_CPUIO GND
A ROSC
A
GND1
GND2
GND3
GND4
GND5
GND6
GND7
GND8

+5V PR68 1 2 0 Ohm PR73 1 2 0 Ohm mx_r0402_small 1% I mx_r0402_small


5% NI mx_r0402_small 5% I mx_r0402_small
1

1
PRT6
1

PC222 PRT3 PR72 PR373


NCP6121S52MNR2G PC228 100KOHM PR179 <Core Design>
53

54
55
56
57
58
59
60
61
1

0.1UF/16V PR69 100KOHM 8.25kOHM PC219 9.09KOHM 0.1UF/16V 1% 8.25kOHM


X7R 10% 30KOHM 1% 1% 0.1UF/16V 1% X7R 10% I 1%
2

I 1%
I I
X7R 10% I mx_r0603_small
I Title : VCORE CONTROLLER
2

2
I
mx_c0402_small I I mx_c0402_small
2

mx_r0402 mx_r0603_small mx_r0402_small mx_c0402_small mx_r0402_small Engineer: Ethan_Chen


PEGATRON CORPORATION
Place close to L6332
EVT2 GND GND EVT2 Size Project Name Rev
GND GND Place close to L6335
EVT2
GND GND GND A3 IPISB-NK 1.03
Date: Wednesday, April 20, 2011 Sheet 72 of 80
5 4 3 2 1

+19VSB +19V_CPU_IN
EVT2
+12V PJP216
2 1
2 1
+8V +5V
3MM_OPEN_5MIL
1

1
PJP217 +
PR342 NOBOM NI

1
2.2 Ohm 2 1 I I PCE421
2 1
1

1
5% PQ422 PC148 PC149 15UF/25V

2
I PR353 PR448 PQ421 ESR=90mOhm/Ir=1A

8
7
6
D 5

8
7
6
D 5
BSC889N03LS BSC889N03LS 4.7UF/25V 4.7UF/25V
2

2
mx_r0603_small
2.2 Ohm 2.2 Ohm 3MM_OPEN_5MIL
Id=45A/Pd=28W Id=45A/Pd=28W 0.1 0.1
5% 5% NOBOM
I NI
D I NI D
2

S
I
mx_r0603_small mx_r0603_small

G
PD10 GND GND GND

1
2
3
4

1
2
3
4
1 PC240 0.1UF/50V
3 CORE_PWM1_BOOT_R 2 1
2 Fsw = 390kHz
I X7R 10% PR344
V_CPU_CORE @ TDC= 85A Iin,rms = 14A
1
1 2 CORE_PWM1_HGR
BAT54CW PR367 Delta I = (12-1.1)/0.3*268.62/1000 = 9.76A
L.L. = 1.7mohm
CORE_PWM1_VCC

mx_sot323 2.2 Ohm 0 Ohm ripple = 9.76*ESR/number = 8.54mV

1
5% I
I CORE_PWM1_HG VP PR345
2

mx_r0603_small I 8.2K
1% +VCORE
PU15 mx_r0402_small

2
8 L6332
CORE_PWM1_BOOT1 DRVH 7 1 2
2 BST SW 5
72 PWM1 PWM DRVL
72,73,74,76 DRVON 1 2 3 0.3UH/48A
EN

1
4
VCC FLAG
9 I I
PR364 6 R121
GND

1
I 2.2 Ohm I I 1Ohm
1

1
PC150 5% NCP5901MNTBG PQ403 PQ404 r1206_h26 PJP11

1
0.1UF/16V I NTMFS4839NHT1G NTMFS4839NHT1G SHORTPIN PJP12 I

2
X7R 10% mx_r0603_small PR346 NOBOM SHORTPIN PC151
2

1
5 D
6
7
8

5 D
6
7
8
mx_c0603_small CORE_PWM1_LG 1 2 NI SHORTPIN NOBOM 22UF/6.3V

2
Core_PWM1_SN PC152 SHORTPIN X5R 10%

2
GND 0 Ohm 680PF/50V mx_c1206

2
I X7R 10%

1
G

G
C
VP PC153 mx_c0402_small C
GND 1000PF/50V

4
3
2
1

4
3
2
1
mx_c0603_small

2
GND GND GND

GND GND
CORE_PWM1_LGR 72 CSP1
+19V_CPU_IN
+12V 72 CSN1
+5V
+8V
1

1
PR347 + NI
1

1
2.2 Ohm PR436 I I CE4105
5% PR348 2.2 Ohm PC154 PC181 15UF/25V
I 2.2 Ohm 5% 4.7UF/25V 4.7UF/25V
2

2
5

5
mx_r0603_small
5% NI 0.1 0.1
2

I mx_r0603_small PQ423 PQ424


2

I
mx_r0603_small

8
7
6
D 5

8
7
6
D 5
BSC889N03LS BSC889N03LS
PD7 Id=45A/Pd=28W Id=45A/Pd=28W
1 PC155 0.1UF/50V GND GND GND
3 CORE_PWM2_BOOT_R 2 1 I NI

S
2

G
1

I X7R 10%
CORE_PWM2_VCC

1
2
3
4

1
2
3
4
PR411 PR349
B BAT54CW 2.2 Ohm CORE_PWM2_HG 1 2 CORE_PWM2_HGR B
mx_sot323 5%
I 0 Ohm
2

1
mx_r0603_small I
VP PR350
I 8.2K
1% +VCORE
PU16
8 2 L6333
1
CORE_PWM2_BOOT DRVH 7 CORE_PWM2_PH 1 2
2 BST SW 5
72 PWM2 PWM DRVL
72,73,74,76 DRVON 1 2 3 0.3UH/48A
EN

1
4
VCC FLAG
9 I I
PR368 6 I I R122
GND

1
2.2 Ohm PQ405 PQ406 1
5

1
5% NCP5901MNTBG NTMFS4839NHT1G NTMFS4839NHT1G r1206_h26 PJP13

1
I SHORTPIN PJP14 I

2
5 D
6
7
8

5 D
6
7
8
GND PR351 SHORTPIN PC157
mx_r0603_small NOBOM

1
I CORE_PWM2_LG 1 2 Core_PWM2_LGR_15 NI NOBOM 22UF/6.3V

2
1

PC156 Core_PWM2_SN PC158 SHORTPIN X5R 10%

2
0.1UF/16V 0 Ohm 680PF/50V SHORTPIN
S

2
I
G

G
X7R 10% 5% X7R 10% mx_c1206
2

1
mx_c0603_small VP PC159 mx_c0402_small
4
3
2
1

4
3
2
1
1000PF/50V
mx_c0603_small

2
GND
A
GND GND GND A
GND GND 72 CSP2
72 CSN2

PEGATRON DT-MB RESTRICTED SECRET


Title : VCORE DRIVER1-2
Pegatron Corp. Engineer: Ethan_Chen
Size Project Name Rev
A3 IPISB-NK 1.03
Date: Wednesday, April 20, 2011 Sheet 73 of 80
5 4 3 2 1
5 4 3 2 1

+19V_CPU_IN
+12V

+8V +5V
1

1
PR446 + NI
1

1
2.2 Ohm I I CE4106

5
5% PR352 PR444 PQ425 PC160 PC182 15UF/25V
I 2.2 Ohm 2.2 Ohm PQ426

8
7
6
D 5
BSC889N03LS 4.7UF/25V 4.7UF/25V
2

2
mx_r0603_small
5% 5%

8
7
6
D 5
Id=45A/Pd=28W BSC889N03LS 0.1 0.1
I NI Id=45A/Pd=28W
2

2
I
D I
mx_r0603_small mx_r0603_small D

S
PD8 NI

S
1 PC229 0.1UF/50V

G
GND GND GND

1
2
3
4
3 CORE_PWM3_BOOT_R 2 1

1
2
3
4
2
I X7R 10%

1
BAT54CW PR357 PR354
CORE_PWM3_VCC

mx_sot323 2.2 Ohm 1 2 CORE_PWM3_HGR


5%

1
I 0 Ohm I
2 mx_r0603_small 5% PR355
CORE_PWM3_HG
VP 8.2K
I 1% +VCORE
PU17

2
8 L6334
CORE_PWM3_BOOT 1 DRVH 7 CORE_PWM3_PH 1 2
2 BST SW 5
72 PWM3 PWM DRVL
72,73,76 DRVON 1 2 3 0.3UH/48A
EN

1
4
VCC FLAG
9 I I
PR369 6 I I R123
GND

1
2.2 Ohm PQ407 PQ408 1

1
5% NCP5901MNTBG NTMFS4839NHT1G NTMFS4839NHT1G r1206_h26 PJP15

1
I SHORTPIN PJP16 I

2
5 D
6
7
8

5 D
6
7
8
GND PR356 SHORTPIN PC163
mx_r0603_small NOBOM

1
CORE_PWM3_LG 1 2CORE_PWM3_LGR NI NOBOM 22UF/6.3V

2
Core_PWM3_SN PC164 SHORTPIN X5R 10%

2
I 0 Ohm 680PF/50V SHORTPIN

2
1

G
PC162 5% X7R 10% mx_c1206

1
C 0.1UF/16V VP PC165 mx_c0402_small C

4
3
2
1

4
3
2
1
X7R 10% 1000PF/50V
2

mx_c0603_small mx_c0603_small

2
GND GND GND
GND GND
GND 72 CSP3
72 CSN3

+12V==> +8V(Max=1A)
+8V +12V

I
I PD11
Q9352 1
1 8 3
2 VOUT VIN 7 2
3 GND1 GND4 6
4 GND2 GND3 5
NC1 NC2 BAT54CW
1

1
GS78L08SF mx_sot323
C9345 C9346
10UF/16V 10UF/16V
2

2
B X5R 10% X5R 10% B
I I

GND GND GND

A A

PEGATRON DT-MB RESTRICTED SECRET


Title : VCORE DRIVER 2-2
Pegatron Corp. Engineer: Ethan_Chen
Size Project Name Rev
A3 IPISB-NK 1.03
Date: Wednesday, April 20, 2011 Sheet 74 of 80

5 4 3 2 1
5 4 3 2 1

Output CAP
+VCORE
Place CPU bottom side

PL-CAP *4 +2(NI)
D D
MLCC *18 +3(NI)

1
+ + + + + +
PCE14 PCE16 PCE17 PCE18 PCE19 PCE25
820UF/2.5V 820UF/2.5V 820UF/2.5V 820UF/2.5V 820UF/2.5V 330UF/2V
I I I I I NI

2
2009/12/18 PCE26, PCE27=> NI
GND
2009/12/25 remove PCE26, PCE27
2009/12/25 PCE24, PCE25=>NI +VCORE

EVT2

I I I I I I I I I I I I I I I I I I
1

1
PC166 PC167 PC168 PC169 PC170 PC171 PC172 PC173 PC174 PC175 PC176 PC177 PC178 PC179 PC180 PC185 PC199 PC202
22UF/6.3V 22UF/6.3V 22UF/6.3V 22UF/6.3V 22UF/6.3V 22UF/6.3V 22UF/6.3V 22UF/6.3V 22UF/6.3V 22UF/6.3V 22UF/6.3V 22UF/6.3V 22UF/6.3V 22UF/6.3V 22UF/6.3V 22UF/6.3V 22UF/6.3V 22UF/6.3V
X5R 20% X5R 20% X5R 20% X5R 20% X5R 20% X5R 20% X5R 20% X5R 20% X5R 20% X5R 20% X5R 20% X5R 20% X5R 20% X5R 20% X5R 20% X5R 20% X5R 20% X5R 20%
2

2
mx_c0805_small mx_c0805_small mx_c0805_small mx_c0805_small mx_c0805_small mx_c0805_small mx_c0805_small mx_c0805_small mx_c0805_small mx_c0805_small mx_c0805_small mx_c0805_small mx_c0805_small mx_c0805_small mx_c0805_small mx_c0805_small mx_c0805_small mx_c0805_small

C C

2009/12/18 remove PC181, PC182, PC183, PC184, PC185,


GND
2009/12/18 PR180 change to NI
2009/12/21 PR180 change to I
2009/12/21 add PC185, PC199
2009/12/25 add PC200, PC201, PC202,
2009/01/09 remove PC200, PC201

B B

A A

<Core Design>

Title
<Title>

Size Document Number Rev


A3 IPISB-NK 1.03

Date: Wednesday, April 20, 2011 Sheet 75 of 80

5 4 3 2 1
5 4 3 2 1

+V_AXG_IN +19VSB

+12V PU18
2 1
2 1
+8V +5V
3MM_OPEN_5MIL
1

1
I I +
PR447 PQ427 PQ428 NI NOBOM

1
2.2 Ohm IRFH7914PBF IRFH7914PBF I I PCE422

5
5% PC187 PC186 15UF/25V

2
I PR362 PR445 ESR=90mOhm/Ir=1A

D
6

D
6

8
4.7UF/25V 4.7UF/25V
2

2
mx_r0603_small 2.2 2.2 0.1 0.1

D 2 I NI D

2
mx_r0603_small mx_r0603_small
GND GND GND

1 PC161 0.1UF/50V
3 AXG_PWM_BOOT_R2 1
2 Fsw = 480kHz

S
V_AXG @ TDC= 25A

1
I X7R 10%
Iin,rms = 4A

1
AXG_PWM_VCC

PD9 PR358 AXG_PWM_HG_15


BAT54CW 2.2 Ohm L.L. = 4.1mohm Delta I = (12-1.2)/0.8*223.85/1000 = 3.02A

1
I 5% I ripple = 3.02*ESR/number = 8.54mV
I PR360 AXG_PWM_HGR_15
2 mx_r0603_small 8.2K
I 1%
PU19 +V_AXG

2
8 L6335
1
AXG_PWM_BOOT DRVH 7 AXG_PWM_PH AXG_PWM_PH 1 2
2 BST SW 5
72 PWMA PWM DRVL
72,73,74 DRVON 1 2 3 0.4UH
EN

1
4
VCC FLAG
9 I I
PR370 6 R124
GND

1
2.2 Ohm 1Ohm

1
5% NCP5901MNTBG I I r1206_h26 PJP17

1
I PQ409 PQ410 SHORTPIN PJP18 I

2
5

5
NTMFS4839NHT1G NTMFS4839NHT1G SHORTPIN PC189
mx_r0603_small NOBOM

1
GND AXG_PWM_LG_15 AXG_PWM_LGR_15 NI NOBOM 22UF/6.3V

2
5 D
6
7
8

5 D
6
7
8
AXG_PWM_SN PC190 X5R 10%

2
I 680PF/50V

2
mx_c1206
1

PC188 I X7R 10%

1
C 0.1UF/16V PC191 mx_c0402_small C

S
G

G
X7R 10% 1000PF/50V
2

mx_c0603_small

4
3
2
1

4
3
2
1

2
GND GND GND GND

GND GND

72 CSPA
72 CSNA

Output CAP +V_AXG


B B

1
I I I I I + + + + +

1
PC205 PC192 PC193 PC194 PC195 PCE29 PCE30 PCE31 PCE32 PCE33
PL-CAP *4 22UF/6.3V 22UF/6.3V 22UF/6.3V 22UF/6.3V 22UF/6.3V 820UF/2.5V 820UF/2.5V 820UF/2.5V 820UF/2.5V 330UF/2V
X5R 20% X5R 20% X5R 20% X5R 20% X5R 20% I I I I NI
MLCC *6 2

2
mx_c0805_small mx_c0805_small mx_c0805_small mx_c0805_small mx_c0805_small

GND GND

+V_AXG

EVT2
I I I
1

1
A
PC242 PC197 PC196 A
22UF/6.3V 22UF/6.3V 22UF/6.3V
X5R 20% X5R 20% X5R 20%
2

2
mx_c0805_small mx_c0805_small mx_c0805_small
PEGATRON DT-MB RESTRICTED SECRET
Title : +V_AXG DRIVER
Pegatron Corp. Engineer: Ethan_Chen
GND Size Project Name Rev
A3 IPISB-NK 1.03
Date: Wednesday, April 20, 2011 Sheet 76 of 80
5 4 3 2 1
5 4 3 2 1

D D

C C

B B

A Title : PLTRST_CPU#&SMbus A

PEGATRON CORPORATION Engineer: Ethan_Chen


Size Project Name Rev
A IPISB-NK 1.03
Date: Wednesday, April 20, 2011 Sheet 77 of 80

5 4 3 2 1
5 4 3 2 1

D D

INTEL CPU XDP DEBUG PORT


NI
XDP1
+1P05V_CPUIO

43 55
44 VCC_OBS_AB TCK1 57
VCC_OBS_CD TCK0 TCK 12
52
TDO TDO 12

1
PROTO 54
TRSTn TRST# 12
HCB20 56
TDI TDI 12
0.1UF/16V 58
TMS 12

2
TMS

+1P05V_CPUIO
GND

1
3 NI
12 H_PREQ# OBSFN_A0
5 HR61
12 H_PRDY# OBSFN_A1
9 1.5K
12 BPM0# OBSDATA_A0
11
12 BPM1#

2
OBSDATA_A1
C
12 BPM2#
15
OBSDATA_A2 PROTO C
17 HR62
12 BPM3# OBSDATA_A3 39 CPUXDP_HOOK0 2 1
HOOK0 CPUPWRGD 12,26
21 +1P05V_CPUIO 249 1%
23 OBSFN_B0
27 OBSFN_B1
12 BPM4# OBSDATA_B0

1
NOTE: 12 BPM5#
29
OBSDATA_B1 NI
12 BPM6#
33
35 OBSDATA_B2 HR63 NOTE:
CRB is BTM 12 BPM7# OBSDATA_B3
1K Place HR64 near HR24, reduce stub

2
28 CK_100M_CPUXDP PROTO
HR68 1 2 0 CPU_XDPCLK PROTO
HR72 1 2 0 CPU_ITPCLK_HOOK4 40
ITPCLK/HOOK4 HOOK1
41 CPUXDP_HOOK1 PROTO HR66 2 1 3.3K
PWRBTN# 54,59,79
28 CK_100M_CPUXDP# PROTO
HR69 1 2 0 CPU_XDPCLK# PROTO
HR73 1 2 0 CPU_ITPCLK#_HOOK5 42
ITPCLK#/HOOK5 HOOK2
45 CPUXDP_HOOK2 PROTO HR64 1 2 1K
CPU_CFG0 12
HOOK3
47 CPUXDP_HOOK3 PROTO HR67 1 2 0
VRM_PWRGD 26,57,59,69,72
12 CK_100M_CPU_XDP NI HR74 2 1 0
HOOK6/RESET#
46
CPURST_XDP# 18,79
12 CK_100M_CPU_XDP# NI HR75 2 1 0
HOOK7/DBR#
48
SYS_RESET_DBR# 12,79

NOTE: 15,16,47,48,55,79 SMB_DATA_M


51
53 SDA
15,16,47,48,55,79 SMB_CLK_M SCL
Please close to each other to reduse stub.
1
GND1 2
GND2 7
GND3 8
4 GND4 13
B 6 OBSFN_C0 GND5 14 B
10 OBSFN_C1 GND6 19
12 OBSDATA_C0 GND7 20
16 OBSDATA_C1 GND8 25
18 OBSDATA_C2 GND9 26
OBSDATA_C3 GND10 31
GND11 32
22 GND12 37
24 OBSFN_D0 GND13 38
28 OBSFN_D1 GND14 49
30 OBSDATA_D0 GND15 50
34 OBSDATA_D1 GND16 59
36 OBSDATA_D2 GND17 60
OBSDATA_D3 GND18 61
NP_NC1 62
NP_NC2
NC

GND
BtoB_CON_60P

A A

PEGATRON DT-MB RESTRICTED SECRET


<Core Design>

Title : CPU XDP DEBUG


PEGATRON CORPORATION Engineer: Ethan_Chen
Size Project Name Rev
A3 IPISB-NK 1.03
Date: Wednesday, April 20, 2011 Sheet 78 of 80
5 4 3 2 1
5 4 3 2 1

+3VA
NOTE:
D Place strap resistors of TDO near to XDP connector, D
INTEL PCH XDP DEBUG PORT

1
PROTO and TDI and TMS near to CPU.
SR202
0
mx_r0805_small

2
3P3VSB_CPUXDP_JTAG +3P3VSB
TBD

1
NI
NI NI NI NI SR184

+3P3VSB XDP2 SR204 SR206 SR208 20K


200 200 200
PROTO

2
SR200
1 2 PCHXDP_VCC_OBS 43 55
44 VCC_OBS_AB TCK1 57
0 VCC_OBS_CD TCK0 PCH_JTAG_TCK 26
52
TDO PCH_JTAG_TDO 26
TRSTn
54 PCH_JTAG_RST_R NI SR250 2 1 0
PCH_JTAG_RST 26
1

NI 56
TDI PCH_JTAG_TDI 26
SCB80 58
TMS PCH_JTAG_TMS 26
0.1UF/16V
2

1
+3P3VSB
PROTO PROTO PROTO PROTO

1
GND NI PROTO NI
SCB34 SR203 SR205 SR207 SR209 SR258 SCB17

1
3 0.1UF/16V 51 100 100 100 10K 1UF/10V

2
OBSFN_A0
C 5 PROTO mx_c0603_small C

2
9 OBSFN_A1 SR210
11 OBSDATA_A0 1K
15 OBSDATA_A1

2
17 OBSDATA_A2
OBSDATA_A3 GND GND GND GND GND GND GND
39 PCHXDP_HOOK0_PWRGD
HOOK0

1
21
OBSFN_B0
+1P05V_PCH 23
OBSFN_B1
+1P05V_CPUIO NI
27 SR211
29 OBSDATA_B0
OBSDATA_B1 0
1

1
33

2
PROTO 35 OBSDATA_B2 PROTO
OBSDATA_B3 SR212
SR201
0
51
GND
NOTE:
2

2
PCHXDP_ITPCLK/HOOK4 40 41 PCHXDP_HOOK1
Place SR214 near to source in order to avoid stub.
42 ITPCLK/HOOK4 HOOK1 45
ITPCLK#/HOOK5 HOOK2 CK_100M_PCHXDP 28
47
HOOK3 CK_100M_PCHXDP# 28
HOOK6/RESET#
46 PCHXDP_HOOK6/RESET# NI SR213 2 1 0
PWRBTN# 54,59,78
48 HOOK7_DBR#
HOOK7/DBR#
PROTO SR214 2 1 0
PLTRST# 18,26,49,59
15,16,47,48,55,78 SMB_DATA_M
51
SDA NI SR215 2 1 0
CPURST_XDP# 18,78
15,16,47,48,55,78 SMB_CLK_M
53
SCL NI SR221 2 1 0
DPWROK 18,26,59

1
PROTO
1 SR260
GND1 2 0
B GND2 7 B
GND3 8

2
4 GND4 13
6 OBSFN_C0 GND5 14
OBSFN_C1 GND6 SR296
10 19
12 OBSDATA_C0 GND7 20 1 2
OBSDATA_C1 GND8 SYS_RESET_DBR# 12,78 GND
16 25
18 OBSDATA_C2 GND9 26
OBSDATA_C3 GND10 31 0
GND11 32 PROTO
22 GND12 37
24 OBSFN_D0 GND13 38
28 OBSFN_D1 GND14 49
30 OBSDATA_D0 GND15 50
34 OBSDATA_D1 GND16 59
36 OBSDATA_D2 GND17 60 PCHXDP_GND18
OBSDATA_D3 GND18 61
NP_NC1 62
NP_NC2
NC
1

NI
SR216
BtoB_CON_60P
0
2

GND GND
A A

PEGATRON DT-MB RESTRICTED SECRET


<Core Design>

Title : PCH XDP DEBUG


PEGATRON CORPORATION Engineer: Ethan_Chen
Size Project Name Rev
A3 IPISB-NK 1.03
Date: Wednesday, April 20, 2011 Sheet 79 of 80
5 4 3 2 1
5 4 3 2 1

+5VA
+19VA

1
ALL_SYSTEM_PWRGD 59,69
+3VA PR278
4.7K
1%

1
3
D

2
PR280 +19VA_SN_A PR276 NI
30K 10K PQ705
1% 1% ATX_PWRGD_A 1
G 2N7002

2
NI NI 3 2 S NI
D
D PU700 D
1 8 PQ704
2 OUT1 VCC 7 ADP_ID_A 1
3 -IN1 OUT2 6 RT2_OP-_A G 2N7002 GND
4 +IN1 -IN2 5 RT2_OP+_A PR273 1 2 10 OHM 2 S NI
VEE +IN2 ADATPTER_ID 61
NI 1%
LM393 NI

1
1
GND GND D8823 GND

1
PC260 MMSZ4690T1G

1
PC256 PR272 0.1UF/50V NI

2
PR194 0.01UF/25V 49.9KOHM X7R 10%

2
10KOhm X7R 10% 1% NI
1%

2
NI NI

2
NI

GND GND GND


GND PROCHOT_1 PR275 1 2 4.7KOHM
NI 1%

PR274 1 2 3.9KOHM
NI 1%
C C

1
NI

1
PR261 NI
3.9KOHM PC257 voltage
0.022UF/16V
1% confirm

2
+5VA X7R 10%

2
25V? 16V?
+5VA

1
PC259
0.01UF/25V +5VA GND

2
1

NI X7R 10% GND


PR202
NI
16KOHM

1
1% NI 1%
GND
2

10KOhm
PR198
PU701 NI

2
PROCHOT_UOT1_A 1 8
PR199 1 2 604KOhm 2 OUT1 VCC 7 PROCHOT_UOT2_A
PR203 1 2 100KOHM NI 1% 3 -IN1 OUT2 6
NI 1% 4 +IN1 -IN2 5 PROCHOT_OP2+_A
VEE +IN2
LM393

GND
PR277 1 2 330KOHM
B +5VA NI 1% B
PROCHOT_OP2-_A
1

PR200 NI
133KOHM PC258
1% 0.022UF/16V
2

X7R 10%
2

NI
PROCHOT_OP1+_A SR135 1 2 0 PROCHOT# 12,59,72
3
D NI
GND
1

PQ706
PR201 1
80.6KOhm G 2N7002
2 S NI
1%
2

NI

GND
GND
1

A
PC261 A
0.01UF/25V
2

X7R 10%
NI
<Core Design>

GND Title : <Title>


<OrgName> Engineer: Ethan_Chen
Size Project Name Rev
A3 IPISB-NK 1.03
Date: Wednesday, April 20, 2011 Sheet 80 of 80
5 4 3 2 1

You might also like