KEMBAR78
5-Postbox With LCD Display | PDF | Digital Electronics | Electronics
0% found this document useful (0 votes)
668 views1 page

5-Postbox With LCD Display

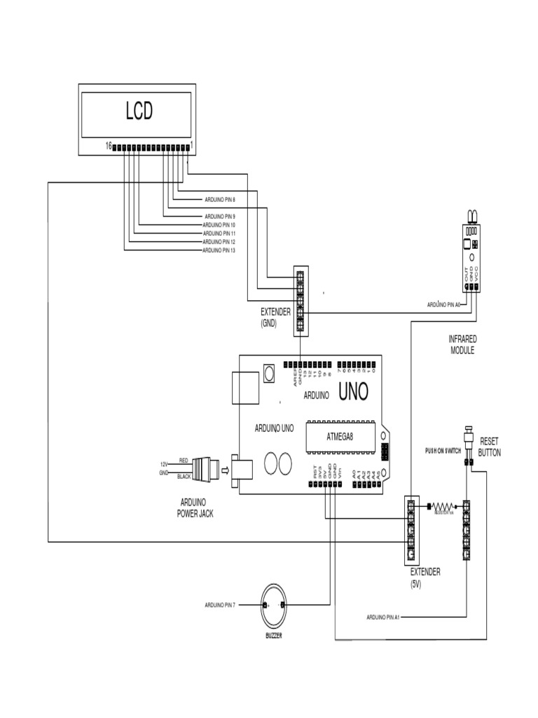
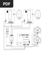
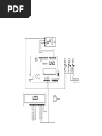
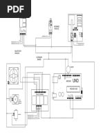
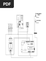
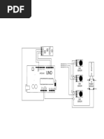
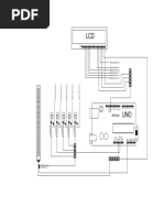
An Arduino Uno is connected to an infrared module, LCD display, push button switch, buzzer, and extender board. The infrared module is connected to digital pins 8-13 on the Arduino. The LCD display is connected to digital pins 7 and 8. The push button switch is connected to digital pin 7. The buzzer is connected between digital pin 7 and a 10k resistor. Power is supplied to components via the Arduino power jack and extender board.

Uploaded by

Liyana Zainurin
Copyright
© © All Rights Reserved
We take content rights seriously. If you suspect this is your content, claim it here.
Available Formats
Download as PDF, TXT or read online on Scribd
0% found this document useful (0 votes)
668 views1 page

5-Postbox With LCD Display

An Arduino Uno is connected to an infrared module, LCD display, push button switch, buzzer, and extender board. The infrared module is connected to digital pins 8-13 on the Arduino. The LCD display is connected to digital pins 7 and 8. The push button switch is connected to digital pin 7. The buzzer is connected between digital pin 7 and a 10k resistor. Power is supplied to components via the Arduino power jack and extender board.

Uploaded by

Liyana Zainurin
Copyright
© © All Rights Reserved
We take content rights seriously. If you suspect this is your content, claim it here.
Available Formats
Download as PDF, TXT or read online on Scribd
You are on page 1/ 1

LCD

16 1

ARDUINO PIN 8

ARDUINO PIN 9
ARDUINO PIN 10
ARDUINO PIN 11
ARDUINO PIN 12
ARDUINO PIN 13

GND
VCC
OUT
ARDUINO PIN A0
EXTENDER
(GND)
INFRARED
MODULE

AREF
GND

2
7
6
5

0
1
13
12
11
10
9
8
ARDUINO UNO
ARDUINO UNO
ATMEGA8
RESET
PUSH ON SWITCH BUTTON
12V RED

GND
GND
RST
3V3

Vin
GND

5V

A0
A1
A2
A3
A4
A5
BLACK

ARDUINO
POWER JACK RESISTOR 10k

EXTENDER
(5V)

ARDUINO PIN 7 + -
ARDUINO PIN A1

BUZZER

You might also like