KEMBAR78
051790F0 | PDF | Computer Memory | Electrical Circuits
0% found this document useful (0 votes)
542 views19 pages

051790F0

The document is a bill of materials for a printed circuit board (PCB) listing over 200 components including capacitors, diodes, connectors, inductors, resistors, and other parts. It provides information on the part reference designator, manufacturer part number, component description, schematic reference, and PCB footprint for each component.

Uploaded by

Rohmad Fauzi
Copyright
© © All Rights Reserved
We take content rights seriously. If you suspect this is your content, claim it here.
Available Formats
Download as PDF, TXT or read online on Scribd
0% found this document useful (0 votes)
542 views19 pages

051790F0

The document is a bill of materials for a printed circuit board (PCB) listing over 200 components including capacitors, diodes, connectors, inductors, resistors, and other parts. It provides information on the part reference designator, manufacturer part number, component description, schematic reference, and PCB footprint for each component.

Uploaded by

Rohmad Fauzi
Copyright
© © All Rights Reserved
We take content rights seriously. If you suspect this is your content, claim it here.
Available Formats
Download as PDF, TXT or read online on Scribd
You are on page 1/ 19

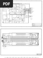
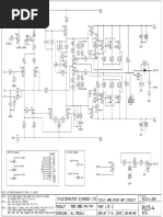
051790F0.

sch-1 - Wed Dec 08 10:46:55 2004


051790F0.sch-2 - Wed Dec 08 10:47:20 2004
051790F0.sch-3 - Wed Dec 08 10:47:08 2004
051790F0.sch-4 - Wed Dec 08 10:47:10 2004
051790F0.sch-5 - Wed Dec 08 10:47:16 2004
051790F0.sch-6 - Wed Dec 08 10:46:58 2004
051790F0.sch-7 - Wed Dec 08 10:47:14 2004
051790F0.sch-8 - Wed Dec 08 10:47:00 2004
051790F0.sch-9 - Wed Dec 08 10:47:04 2004
051790F0.sch-10 - Wed Dec 08 10:47:06 2004
051790F0.sch-11 - Wed Dec 08 10:47:12 2004
051790F0.sch-12 - Wed Dec 08 10:47:24 2004
051790F0.sch-13 - Wed Dec 08 10:47:22 2004
051790F0.sch-14 - Wed Dec 08 10:47:27 2004
051790F0.sch-15 - Wed Dec 08 10:47:29 2004
051790F0.PPS
Bill Of Materials for 051790F0.sch on Wed Dec 08 10:48:26 2004
-------------------------------------------------------------------------------------------------------------------------------------------------------
Qty Reference HMG# Description Audit Schematic Part PCB Decal
-------------------------------------------------------------------------------------------------------------------------------------------------------
1 P6 NON-PART PAD ARRAY EDGE CONN 20 COND 0.1"LS DWB122 20PIN-FINGERS 20PIN-FINGERS
2
1 PCB1 80-1790 PCB 80-1790 dbx DRIVERACK PA PT2044 80XXXXYY BARCODE
14 A7-18 A20 A22 NON-PART NON-PART, PCB ONLY, BREAKOFF PART PT1481 BRKOFF BRKOFF
12 C6-7 C28 C30 C35-36 56-0000 CAP 0.001uF FILM PTR 100V 5% AF TA PT1629 C0.001UF100JR RFCC200
C41-42 C47-48
C189-190
1 C83 56-0005 CAP 0.0068uF FILM PTR 100V 5% RF TA PT1307 C0.0068UF100JR RFDC200
4 C69 C89 C157-158 62-1311 CAP 0.01uF CER 50V 20% Y5V 0603 TA PT2665 C0.01UC50M0603 0603
2 C52 C97 56-0033 CAP 0.027uF FILM PTR 100V 5% RF TA PT1282 C0.027UF100JR RFEF200
91 C3-4 C19-20 C22 C27 62-1310 CAP 0.1uF CER 16V 20% Y5V 0603 TA PT2696 C0.1UC16M0603 0603
C34 C40 C57-68
C71-72 C75-76 C78
C90-91 C105-108
C110 C113-114
C116-119 C122
C125-126 C129-132
C135 C160-164
C168-169 C171-176
C181-188 C192
C196-210 C212-214
C216 C240 C242-244
3 C17-18 C191 OMIT OMIT CAP 0.1uF CER 16V 20% Y5V 0603 TA (62-1310) PT2711 C0.1UC16M0603O 0603
2 C87-88 56-0012 CAP 0.1uF FILM MTPT 50V 5% RF TA PT1200 C0.1UF50JR RFEC200
2 C215 C217 62-3209 CAP 0.22uF CER 50V 10% X7R 1206 TA PT2271 C0.22UC50K1206 1206
4 C226-229 62-1308 CAP 1000pF CER 50V 20% Y5V 0603 TA PT2651 C1000PC50M0603 0603
2 C159 C177 60-0064 CAP 1000uF EL 16V 20% GP 10x17R 5LL BK PT1334 C1000UE16MR REM200P
2 C92-93 60-1073 CAP 1000uF EL 35V 20% HT 13x25R 5LL BK PT1971 C1000UE35MR1 REQ200P
4 C5 C79-81 60-0201 CAP 100uF EL 16V 20% GP 6x8R 5LS TA PT1378 C100UE16MR REG200P
19 C1 C21 C74 C77 60-1074 CAP 10uF EL 50V 20% HT 5x11R 5LS TA PT1972 C10UE50MR1 REE200P
C94-95 C127-128
C133-134 C166 C170
C193-195 C211
C218-219 C241
20 C2 C11-12 C23-26 62-1304 CAP 120pF CER 50V 5% NPO 0603 TA PT2655 C120PC50J0603 0603
C56 C73 C82 C84 C96
C98-100 C111-112
C136-138
8 C123-124 C155-156 62-1300 CAP 15pF CER 50V 5% NPO 0603 TA PT2659 C15PC50J0603 0603
C222-225
1 C70 60-0010 CAP 22uF EL 35V 20% GP 5x11R 5LS TA PT2110 C22UE35MR REE200P
10 C14 C33 C39 C45 C51 60-0402 CAP 22uF ELNP 25V 20% GP 6x11R 5LS TA PT1084 C22UN25MR REG200
C147 C149 C152 C154
C165
8 C53 C109 C143 C145 62-1306 CAP 330pF CER 50V 10% X7R 0603 TA PT2653 C330PC50K0603 0603
C148 C150-151 C153
8 C9-10 C15-16 C29 62-1307 CAP 470pF CER 50V 10% X7R 0603 TA PT2652 C470PC50K0603 0603
C85-86 C115
1 C140 62-1302 CAP 47pF CER 50V 5% NPO 0603 TA PT2657 C47PC50J0603 0603
4 C54-55 C101-102 60-0054-01 CAP 47uF EL 16V 20% GP 5x11R 5LS TA PT1108 C47UE16MR REE200P
12 C8 C13 C31-32 62-1303 CAP 68pF CER 50V 5% NPO 0603 TA PT2656 C68PC50J0603 0603
C37-38 C43-44
C49-50 C121 C146
12 D16 D20 D23-28 70-0000 DIO 1N4001 50V 1 AMP AMMO TA PT1003 D1N4001-R RDB200
D30-31 D33 D35
25 D1-7 D9 D13-15 70-0113 DIO MMBD4148SE DUAL 75V 600mA SOT-23 TA PT1326 D1N4148SE-S SOT-23
D21-22 D37-48
1 D8 OMIT OMIT DIO MMBD4148SE DUAL 75V 600mA SOT-23 TA (70-0113) PT1327 D1N4148SE-S-O SOT-23
1 D34 70-0147 DIO SCHOTTKY 1A SS14 DO-214AC/SMA PT1877 DSS14S DO-214AC/SMA
Page 1
051790F0.PPS
2 A4-5 NON-PART NON-PART, FIDUCIAL, TARGET FOR AUTO INSERTION PT1271 FIDUCIAL FIDUCIAL
4 A1-3 A6 NON-PART NON-PART FIDUCIAL TARGET FOR AI AND XRAY PT2796 FIDUCIAL-XRAY FIDUCIAL-XRAY
2 J7 J9 32-0172 HCN CONN 30 PIN .5 MM CNTS 1X30 FML RA PT2724 HCN320172 HC320172
1 J12 32-0176 HCN CONN 20 PIN FEM VRT MNT SMT PT2773 HCN320176 HC102V079050FS
1 P3 32-1055 HDR, 20 PIN, 0.1" SPC, 2 X 10, VERT, MALE PT1340 HDR321055 HC102
2 P4-5 32-1080 HDR, 3 PIN, 0.1" SPC, 1 X 3, LCK, R/A, MALE PT1073 HDR321080 HC3L
1 P1-A OMIT OMIT HDR 3 PIN 0.1" SPC 1 X 3 VERT MALE CUT FROM 14 PIN (32-1067) PT2703 HDR321067-O HC31
1 P2 OMIT OMIT HDR 5 PIN 0.1" SPC 1 X 5 VERT MALE PT2788 HDR321074-O HC51M
1 P21 OMIT OMIT HDR 14 PIN 0.1" SPC 2 X 7 VERT MALE (32-1083) PT2127 HDR321083-O HC72
1 H1 OMIT OMIT, HDR, 5 PN, 0.079" SP, 1 X 5, 0.020" PS LK SD PO VT MA PT1825 HDR321101-O HC579LSPM
(32-1101)
1 P8 OMIT OMIT HDR 3 PIN .098 SPC 3X1 SHROUDED VERTICAL MT. (32-1243) PT2795 HDR321243-O HC31V98SP
4 HS1-4 70-4215 HEATSINK, TO-220, VERT PT1339 HS704215 HS704215
3 J3 J8 J10 32-0206 CON, JACK, XLR, R/A, PCA A SERIES PT1219 J320206 XLRF-1
1 LBL1 30-0121 LABEL BARCODE AUTOINSERTABLE RAW PT2790 LABEL300121 LABEL300121
39 DS1-2 DS5 DS7-8 70-3207 LED GREEN D1206 T&R PT1902 LEDG703207 D1206
DS10-11 DS15-18
DS24-28 DS34-36
DS41-48 DS54-55
DS57-58 DS63-64
DS66-67 DS72-75
10 DS9 DS14 DS20 70-3209 LED RED D1206 T&R PT1901 LEDR703209 D1206
DS30-31 DS39 DS50
DS60 DS69 DS78
19 DS3-4 DS6 DS12-13 70-3208 LED YELLOW D1206 T&R PT1900 LEDY703208 D1206
DS19 DS23 DS29 DS33
DS38 DS40 DS49 DS51
DS59 DS61 DS68 DS70
DS76 DS79
9 L1 L3-4 L6 L11-12 26-0000 IND FBD 600 OHM @ 100Hz 200mA 0603 TA PT2728 LFB260000 0603
L16-18
12 L2 L9-10 L13-14 26-0001 IND FBD 2.5K OHM @ 100Hz, 50mA 0603 TA PT2729 LFB260001 0603
L19-25
1 R150 26-0217 IND FBD 2.5K OHM @ 70MHz 0805 TA PT1261 LFB260217 0805
1 L8 26-0002 IND PWR 100uH 3A PT2754 LI260002 UP3B
2 LP1-2 NON-PART NON-PART 6 POS NOT INSTALLED UNTIL MECHANICAL ASSY(LIGHT PIPE) PT1967 LP242015-6 LP242015-6
6 LP3-8 NON-PART NON-PART 8 POS NOT INSTALLED UNTIL MECHANICAL ASSY(LIGHT PIPE) PT1968 LP242015-8 LP242015-8
1 GP1 NON-PART NON-PART MECCA GND/PWR TIE POINT 4 POS PT2482 MECCA4 MECCA4
6 MH3-6 MH8 MH12 NON-PART NON-PART, MOUNTING HOLE, 0.130" NON-PLATED, #4 PT1242 MH130 MH130
2 MH7 MP2 NON-PART NON-PART, MOUNTING HOLE, 0.156" NON-PLATED,#6 PT1044 MH156 MH156
2 MH1-2 NON-PART NON-PART TOOLING PIN HOLE 156MIL HOLE PT2794 MH156-TOOL MH156-TOOL
1 MH10 NON-PART NON-PART MECHANICAL PLATED HOLE 225 PAD 130 HOLE #4 PT1998 MP225H130 MP225H130
4 MP1 MP3-5 NON-PART NON-PART, MECHANICAL PLATED HOLE, 300 PAD, 156 HOLE, #6 PT1045 MP300H156 MP300H156
6 J1-2 J4-6 J11 32-0204 CON, PLUG, XLR, R/A, PCA A SERIES PT1218 P320204 XLRM-1
1 Q1 70-1035 XSTR, 2N44402, PNP, SIGNAL, TO-92, AMMO PT1527 Q2N4402 TO92(EBC)-V
10 Q2-3 Q8-15 70-1058 XSTR, 2N3904, NPN, SOT-23, T&R PT1203 Q2N3904-S SOT-23
21 L15 L26-30 R7 R11 50-1300 RES 0 5% 1/16W SM 0603 TA PT2508 R0-B5-0603 0603
R13 R35 R37 R91
R200 R222 R277 R289
R335 R338-339
R341-342
6 R8 R10 R12 R58-59 OMIT OMIT RES 0 5% 1/16W SM 0603 TA (50-1300) PT2509 R0-B5-0603O 0603
R295
7 R157-158 R167-168 50-0317 RES 0 5% 1/4W CF RR TA PT1008 R0-E5-R RRA200
R170-172
1 R160 OMIT OMIT RES 0 5% 1/4W CF RR TA (50-0317) PT1596 R0-E5-RO RRA200
2 R163-164 52-1340 RES 10.7K 1% 1/16W SM 0603 TA PT2592 R10.7KB1-0603 0603
5 R39 R54 R183-184 52-1304 RES 100 1% 1/16W SM 0603 TA PT2512 R100-B1-0603 0603
R312
4 R103-104 R253-254 52-1360 RES 100K 1% 1/16W SM 0603 TA PT2613 R100KB1-0603 0603
43 R1-4 R6 R14 R16 R20 52-1338 RES 10K 1% 1/16W SM 0603 TA PT2584 R10KB1-0603 0603
R23 R28-29 R36 R49
R56 R112 R118 R124
Page 2
051790F0.PPS
R130 R136 R143 R159
R185-188 R192-193
R197 R199 R201 R209
R212-213 R218-219
R223 R236 R244 R266
R334 R340 R383-384
12 R34 R57 R64-65 52-1342 RES 13.3K 1% 1/16W SM 0603 TA PT2594 R13.3KB1-0603 0603
R72-73 R80-81
R88-89 R281-282
1 R267 52-1362 RES 150K 1% 1/16W SM 0603 TA PT2615 R150KB1-0603 0603
1 R153 52-1344 RES 15K 1% 1/16W SM 0603 TA PT2596 R15KB1-0603 0603
4 R92 R149 R233 R235 52-1305 RES 169 1% 1/16W SM 0603 TA PT2513 R169-B1-0603 0603
11 R156 R173-174 52-1313 RES 1K 1% 1/16W SM 0603 TA PT2550 R1KB1-0603 0603
R210-211 R269-274
1 R336 52-1372 RES 1M 1% 1/16W SM 0603 TA PT2625 R1MB1-0603 0603
4 R74 R90 R226 R232 52-1317 RES 2.21K 1% 1/16W SM 0603 TA PT2555 R2.21KB1-0603 0603
10 R24 R66 R83 R109 52-1319 RES 2.67K 1% 1/16W SM 0603 TA PT2557 R2.67KB1-0603 0603
R121 R133 R146 R190
R231 R247
2 R175 R337 52-1300 RES 20 1% 1/16W SM 0603 TA PT2507 R20-B1-0603 0603
16 R38 R43 R176-182 52-1306 RES 200 1% 1/16W SM 0603 TA PT2514 R200-B1-0603 0603
R189 R191 R194-196
R332-333
8 R46-48 R94-96 R224 52-1346 RES 20K 1% 1/16W SM 0603 TA PT2598 R20KB1-0603 0603
R228
1 R255 52-1364 RES 221K 1% 1/16W SM 0603 TA PT2617 R221KB1-0603 0603
13 R40 R75 R82 R98-100 52-1316 RES 2K 1% 1/16W SM 0603 TA PT2553 R2KB1-0603 0603
R154-155 R221
R229-230 R241 R262
12 R5 R26 R50 R110 52-1322 RES 3.16K 1% 1/16W SM 0603 TA PT2560 R3.16KB1-0603 0603
R113 R122 R125 R134
R137 R147 R237 R248
6 R41 R111 R123 R135 52-1323 RES 3.24K 1% 1/16W SM 0603 TA PT2561 R3.24KB1-0603 0603
R148 R249
26 R25 R31-33 R60-63 52-1324 RES 3.32K 1% 1/16W SM 0603 TA PT2562 R3.32KB1-0603 0603
R68-71 R76-79
R84-87 R105 R165
R321-322 R357-358
50 R9 R67 R161-162 52-1307 RES 332 1% 1/16W SM 0603 TA PT2543 R332-B1-0603 0603
R203-204 R234 R242
R251-252 R256-257
R259-260 R264-265
R279-280 R283-284
R287-288 R291-294
R297-300 R302-305
R307-310 R313-316
R318-320 R323
R325-328
6 R101-102 R152 R261 50-1325 RES 33K 5% 1/16W SM 0603 TA PT2589 R33KB5-0603 0603
R263 R275
1 R169 52-1301 RES 39.2 1% 1/16W SM 0603 TA PT2515 R39.2-B1-0603 0603
1 R382 52-1355 RES 39.2K 1% 1/16W SM 0603 TA PT2608 R39.2KB1-0603 0603
13 R21-22 R107-108 52-1327 RES 4.53K 1% 1/16W SM 0603 TA PT2565 R4.53KB1-0603 0603
R119-120 R131-132
R144-145 R245-246
R364
1 R30 52-1368 RES 475K 1% 1/16W SM 0603 TA PT2621 R475KB1-0603 0603
2 R330-331 52-1356 RES 49.9K 1% 1/16W SM 0603 TA PT2609 R49.9KB1-0603 0603
17 R151 R198 R202 R250 52-1308 RES 499 1% 1/16W SM 0603 TA PT2545 R499-B1-0603 0603
R258 R278 R285-286
R290 R296 R301 R306
R311 R317 R324 R329
R365
Page 3
051790F0.PPS
6 R19 R55 R117 R129 52-1331 RES 5.76K 1% 1/16W SM 0603 TA PT2576 R5.76KB1-0603 0603
R142 R243
4 R97 R141 R225 R227 52-1357 RES 57.6K 1% 1/16W SM 0603 TA PT2610 R57.6KB1-0603 0603
11 R15 R27 R42 R44-45 52-1332 RES 6.04K 1% 1/16W SM 0603 TA PT2577 R6.04KB1-0603 0603
R51 R93 R114 R126
R138 R238
12 R17-18 R52-53 52-1303 RES 60.4 1% 1/16W SM 0603 TA PT2511 R60.4-B1-0603 0603
R115-116 R127-128
R139-140 R239-240
1 R268 52-1358 RES 63.4K 1% 1/16W SM 0603 TA PT2611 R63.4KB1-0603 0603
1 R220 52-1311 RES 681 1% 1/16W SM 0603 TA PT2548 R681-B1-0603 0603
9 R205-208 R214-217 52-1335 RES 7.5K 1% 1/16W SM 0603 TA PT2581 R7.5KB1-0603 0603
R276
2 R106 R166 52-1336 RES 8.06K 1% 1/16W SM 0603 TA PT2582 R8.06KB1-0603 0603
2 SC14-15 34-0125 SWITCH CAP, BLACK, ROUND PT1354 SC340125 SC340125-FPE
1 SC13 34-0198-C SWITCH CAP LIGHT PIPE SNGL LED HORZ PT2504 SC340198C SC340198C
12 SC1-12 34-0199-A SWITCH CAP dbx LIGHTED PT2024 SC340199A PCBNULL
1 SW2 44-0050 SWITCH DPDT MINI IN-OUT 6 PIN E-SWITCH PT1256 SW440050 SW440050
2 SW1 SW16 44-0051 SWITCH, 4PDT, MINI IN-OUT, 12 PIN, E-SWITCH PT1257 SW440051 SW440051
1 SW15 44-0119 ENCODER 20mm D SHAFT 30 POS W/SWITCH VERT MOUNT PT1890 SW440119 SW440119
12 SW3-7 SW9-14 SW17 44-0185 SWITCH, SPST, LITE TOUCH, MINI, W/ PROJECTED PLUNGER SMT PT1962 SW440185 SW4PTACT-3
7 TP1-2 TP4 TP8-10 NON-PART NON-PART, TEST POINT, ENGINEERING PROBE POINT PT1653 TESTPOINT TESTPOINTSM
TP12
1 U28 70-4014 V-REG, 7805, +5V, 1.5 AMP, TO-220 PT1591 U7805 TO220(IGO)-V
1 U10 70-4123 V-REG, 7815, +15V, 1 AMP, TO-220 PT1592 U7815 TO220(IGO)-V
1 U12 70-4124 V-REG, 7915, -15V, 1 AMP, TO-220 PT1594 U7915 TO220(GIO)-V
1 U7 72-0046 IC 25AA640 64K SERIAL EEPROM TA PT2774 U25AA260 SO8
1 U5 72-6318 IC 32K x 8 SRAM 15ns SOJ28 PT2294 U32K8S15-J SOJ28-300
6 U2 U33 U36 U38 U42 72-1439 IC, 5532MD, DUAL BIPOLAR OPAMP, SO8-200 PT1306 U5532MD-S SO8-200
U51
2 U25 U48 72-5426 IC, 74AC04, HEX INVERTER, SO14, T&R PT1325 U74AC04-S SO14
1 U21 72-5437 IC 74VHC273 FLIP-FLOP OCTAL-D SO20W T&R PT1909 U74VHC273-S SO20W
1 U17 72-0045 IC 74VHC373 OCTAL LATCH SO20W PT2771 U74VHC373-S SO20W
1 U44 72-0044 IC 74VHC4040 12 BIT RIPPLE COUNTER SO16 PT2759 U74VHC4040-S SO16
1 U20 72-6316 IC 78L32P-24 8 BIT MICROCONTROLLER 3.3V PT2316 U78L32P-24 PLCC-44
1 U11 72-1485 IC AK4356 192kHz 24 BIT 6 CHANNEL DAC PT2717 UAK4356-Q QFP44-10X10
1 U26 72-1266 IC, AK5383, 96 kHz, DUAL 24BIT ADC, SO28W PT1557 UAK5383-S SO28W
1 U1 72-6305 IC DSP56367 DSP 150MHZ QFP144-20X20 PT2452 UDSP56367-Q QFP144-20X20
1 U24 70-4021 V-REG, LD1117V33, +3.3V, 0.8 AMP, TO-220, BULK PT1795 ULD1117V33 TO220(GOI)-V
1 U14 70-0063 V-REG LM2575S-ADJ SWITCHING REG 1A TO-263(5) PT2739 ULM2575S-ADJ TO-263(5)
1 U16 70-4007 V-REG, LM317T, ADJ REG, 1.5 AMP, TO-220 PT1785 ULM317T TO220(AOI)-V
2 U4 U18 72-5434 IC NC7SZ125 TINYLOGIC BUFFER SOT23-5 TA PT1881 UNC7SZ125-S SOT23-5
1 U3 72-6308 IC NCP304 VOLTAGE DETECTOR SC-82AB PT2393 UNCP304 SC-82AB
11 U8-9 U15 U19 U22-23 72-1480 IC NJM4580 DUAL OP-AMP SO8 PT1374 UNJM4580-S SO8
U27 U60-62 U70
1 U13 72-0042-00V1 IC CPLD ispLSI2064VE dbx Driverack PA V1 PT2785 UP720042 QFP100-14X14
1 U6 72-5539-03V1 IC AM29LV040B 512K x 8 FLASH MEMORY dbx Driverack PA V1 PT2292 UP725539 PLCC/R-32
1 Y3 76-0202 XTAL 24.000MHz METAL CAN SURFACE MOUNT T&R PT1928 Y24.000M760202 XTAL2-V
1 X7 76-0006 XTAL 24.576MHz SMT CX16F/CS49G PKG PT2713 Y24.576M760006 YCX16F/CX49G

Page 4

You might also like