KEMBAR78
ACS800 Multidrive Course for Technicians | PDF | Engineering | Computer Engineering
0% found this document useful (0 votes)
249 views2 pages

ACS800 Multidrive Course for Technicians

This 2-day hands-on course teaches installation, operation, maintenance and fault tracing of ABB's ACS800 Multidrive. The course objectives are to describe the hardware, use the control panel, activate software, and perform basic installation, commissioning, service and fault tracing. Taught through classroom instruction and lab exercises, topics include drive features, construction, applications, control panel use, optional equipment, preventative maintenance and DriveWindow software. The agenda covers drive portfolio, structure, control panel operation, start-up procedure, exercises and fault tracing over the two days.

Uploaded by

alexandra nocera
Copyright
© © All Rights Reserved
We take content rights seriously. If you suspect this is your content, claim it here.
Available Formats
Download as PDF, TXT or read online on Scribd
0% found this document useful (0 votes)
249 views2 pages

ACS800 Multidrive Course for Technicians

This 2-day hands-on course teaches installation, operation, maintenance and fault tracing of ABB's ACS800 Multidrive. The course objectives are to describe the hardware, use the control panel, activate software, and perform basic installation, commissioning, service and fault tracing. Taught through classroom instruction and lab exercises, topics include drive features, construction, applications, control panel use, optional equipment, preventative maintenance and DriveWindow software. The agenda covers drive portfolio, structure, control panel operation, start-up procedure, exercises and fault tracing over the two days.

Uploaded by

alexandra nocera
Copyright
© © All Rights Reserved
We take content rights seriously. If you suspect this is your content, claim it here.
Available Formats
Download as PDF, TXT or read online on Scribd
You are on page 1/ 2

Course description

ABB Drive ACS800 Multidrive


Start-up, Operation, Maintenance and Fault tracing
hands- on

Course duration Course Objectives

The course duration is 2 days. Upon completion of this course, students will be able
to:
Course type
Describe the hardware structure of the product
Classroom course with hands-on lab activities led by
an instructor. Use the functions of the control panel

Course goal Activate and use the ACS800 software

Selection, installation, operation, maintenance Describe the basics of installation, commissioning


, start-up the ACS800 Multidrive and service operations for the ACS800 single
drives
Student profile
Describe the basic principles of fault tracing
This course is intended for electricians, technicians,
and engineers, who install, operate, Main topics
maintenance ACS800 multidrive.
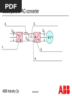
Overview of the ACS800 features
Description
Hardware construction
This contains hands-on exercises with ACS800
Single drive demo cases. Component and board functions

ACS800 standard application program

Control panel functions

Optional equipment overview

Preventive maintenance

Fault tracing principles

Installation principles

DriveWindow commissioning and operations

ABB Ltd.
Ree Tower, Number 9, Doan Van Bo st,
Dist 4, Ho Chi Minh city
www.abb.com.vn
Agenda

ABB Drive ACS800 Multidrive


Start-up, Operation, Maintenance and Fault tracing
hands- on

Day 1 Day 2

8h30 Course information 8h30 DriveWindow

8h40 LV Drive service introduction 9h30 DriveWindow exercise

8h50 ACS800 porfolio 10h15 Break

9h30 ACS800 Life cycle 10h30 Fault tracing

9h45 ACS800 Multidrive structure 11h00 Installation

10h15 Break 12h00 Lunch

10h30 Control panel operation 13h00 Preventive maintenance

11h30 Option 13h30 ACS800 maintenance

12h00 Lunch 14h15 Break

13h00 Software features 14h30 DriveWindow exercise continue

14h00 Start-up procedure 15h30 Q&A

14h30 Break 16h End of course

14h45 Exercise with control panel

16h End of day 1

ABB Ltd.
Central plaza, 6th floor, 17 Le Duan str.,
District 1, Ho Chi Minh city, Viet Nam
www.abb.com.vn

You might also like