KEMBAR78
Electronics Schematic Diagram | PDF
100% found this document useful (1 vote)
114 views1 page

Electronics Schematic Diagram

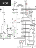
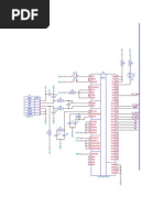
1. The document describes the schematic of an Arduino Uno board. 2. It shows the microcontroller, voltage regulators, USB-serial chip, and pin connections. 3. The main components are an ATmega328P microcontroller, a PL2303 USB-serial chip, and voltage regulators to supply power to the various components.

Uploaded by

carlos
Copyright
© © All Rights Reserved
We take content rights seriously. If you suspect this is your content, claim it here.
Available Formats
Download as PDF, TXT or read online on Scribd
100% found this document useful (1 vote)
114 views1 page

Electronics Schematic Diagram

1. The document describes the schematic of an Arduino Uno board. 2. It shows the microcontroller, voltage regulators, USB-serial chip, and pin connections. 3. The main components are an ATmega328P microcontroller, a PL2303 USB-serial chip, and voltage regulators to supply power to the various components.

Uploaded by

carlos
Copyright
© © All Rights Reserved
We take content rights seriously. If you suspect this is your content, claim it here.
Available Formats
Download as PDF, TXT or read online on Scribd
You are on page 1/ 1

1 2 3 4

5V 5V

TXD RXD
U4
R5
ATmega328P DIP28PIN
C4
RESET 29 23 AD0 1
A PC6(RESET) PC0(ADC0) A
24 AD1 2

RESET
PC1(ADC1)
25 AD2 3

AD1
S1 C14 PC2(ADC2)
26 AD3 4
PC3(ADC3)
27 AD4/SDA 5
PC4(ADC4)
18 28 AD5/SCL 6
AVCC PC5(ADC5)
4
VCC
GND 6 19

32
31
30
29
28
27
26
25
VCC ADC6

AREF
22
U3 ADC7

TEST
NC
NC
RTS_N
DTR_N
TXD

RESERVED

GND
PL2303_QFN32 GND 30 TXD 1
PD0(RXD)
USBVCC 20 31 RXD 2
AREF PD1(TXD)
1 24 32 IO2 3
VDD_25 NC PD2(INT0)

IOL1
2 23 1 IO3 4
RXD GP1 PD3(INT1)
3 22 2 IO4 5
RI_N GP0 PD4(XCK/T0)
F2 4 21 9 IO5 6
GND NC C10 PD5(T1)
5 20 10 IO6 7
VDD_3.3 VDD_5 PD6(AIN0)
6 19 Y1 R3 7 11 IO7 8
DSR_N RESET_N PB6(XTAL1/TOSC1) PD7(AIN1)
7 18 8
CN1 DCD_N GND C8 PB7(XTAL2/TOSC2)
8 17
B CTS_N VO_3.3 B
1 R10

SHTD_N
2 D-
USB-B

3 D+ 12 IO8 10A*2
PB0(ICP)

GP3
GP2

DM
NC
NC

NC
DP
4 R9 13 IO9 9A*2
PB1(OC1A)
C9 GND 5 14 SS 8A*2
AGND PB2(OC1B)
GND 3 15 MOSI 7A*2
GND PB3(MOSI/OC2)
5

9
10
11
12
13
14
15
16
21 16 MISO 6A*2
GND PB4(MISO)

JP2
17 SCK 5A*2
PB5(SCK)
GND 4A*2
3A*2
AREF
2A*2
LED2 AD4/SDA
R6 1A*2
R11 AD5/SCL
GND

5V
U1 R8
AMS117-3.3V RXD LED4
D1 VIN 5V GND
PWR R4 3.3V 5V
C 3 2 JP1 C
1

R7
8 TXD LED3
7
6
RESET
5
R1 GND LED1
C1 4
5V C2 C5 3
VIN 2
1

USBVCC
GND
GND

Q1
5V
U2
J1 5V
3.3V
MISO +5
MISO 1 2
3 2 SCK MOSI
1

SCK 3 4 MOSI
D C6 RESET GND D
RESET 5 6

GND
GND GND

1 2 3 4

You might also like