KEMBAR78
CAD Parts List for Engineers | PDF | Chemical Elements | Transition Metals
0% found this document useful (0 votes)
287 views3 pages

CAD Parts List for Engineers

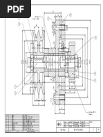
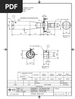
The document contains a bill of materials and engineering drawing for a roller bracket assembly. The bill of materials lists 6 items including hexagon head screws, a bush, spindle, roller, base, and bracket. The engineering drawing shows the assembly in an exploded view with dimensions. It includes views, title block with project details, and notes.
Copyright
© © All Rights Reserved
We take content rights seriously. If you suspect this is your content, claim it here.
Available Formats
Download as PDF, TXT or read online on Scribd
0% found this document useful (0 votes)
287 views3 pages

CAD Parts List for Engineers

The document contains a bill of materials and engineering drawing for a roller bracket assembly. The bill of materials lists 6 items including hexagon head screws, a bush, spindle, roller, base, and bracket. The engineering drawing shows the assembly in an exploded view with dimensions. It includes views, title block with project details, and notes.
Copyright
© © All Rights Reserved
We take content rights seriously. If you suspect this is your content, claim it here.
Available Formats
Download as PDF, TXT or read online on Scribd
You are on page 1/ 3

PRODUCED BY AN AUTODESK EDUCATIONAL PRODUCT PRODUCED BY AN AUTODESK EDUCATIONAL PRODUCT

PRODUCED BY AN AUTODESK EDUCATIONAL PRODUCT


n )
tio m
va l.co
4

no ai
.in gm
3
gm @
5
/t ion

2
om at
.c ov

1
ok nn
bo .i

6
ce tgm
.fa (
w n
w tio

6 4 ISO 4017 - M10 x 20 Stainless Steel, 440C Hexagon head screws


5 2 Bush Brass, Soft Yellow
/w a

4 1 Spindle Cast Steel


:/ ov

3 1 Roller Cast Iron


2 1 Base Cast Iron
tp nn

1 2 Bracket Cast Iron


Item Qty Part Name Material / Dimension Description
ht M I

Mechanical Engineering Design - CAD


TG

Scale: Unit : Designer : Sheet :


1:2 mm Gundhi A4 - 1 / 3
Title : Material :
Roller Bracket
PRODUCED BY AN AUTODESK EDUCATIONAL PRODUCT
PRODUCED BY AN AUTODESK EDUCATIONAL PRODUCT

N9 12 134 12
N9 2

N8
1

12
n )
tio m
32
12

va l.co

50
R3

no ai
10

40
2- 12
62

R1
6 R3 R5

.in gm
R5

12
PRODUCED BY AN AUTODESK EDUCATIONAL PRODUCT

PRODUCED BY AN AUTODESK EDUCATIONAL PRODUCT


R12

10
5

gm @
N8 50 12 12 11 5

/t ion
46 66 N8
74
N8

om at

3
14
12
.c ov
100 R3
4 17 66 2x45 5 4-M10 50 N8

ok nn
5,1 25

N9 bo .i 3
ce tgm
3 Notes :
1. General Tolerance 0.2
5,1

12
20
10

32

25
20
2. General Roughness N8
.fa (

50
w n
w tio

6 4 ISO 4017 - M10 x 20 Stainless Steel, 440C Hexagon head screws


5 2 Bush Brass, Soft Yellow
/w a

4 1 Spindle Cast Steel


:/ ov

3 1 Roller Cast Iron


100

45
95
87

25
32

2 1 Base Cast Iron


tp nn

1 2 Bracket Cast Iron


Item Qty Part Name Material / Dimension Description
ht M I

R6
R6
Mechanical Engineering Design - CAD
TG

45 Scale: Designer :
Unit : Sheet :
58 1:2 mm Gundhi A4 - 2 / 3
Title : Material :

9
Roller Bracket
PRODUCED BY AN AUTODESK EDUCATIONAL PRODUCT
PRODUCED BY AN AUTODESK EDUCATIONAL PRODUCT

1 6 2 5 3 4

n )
tio m
va l.co
no ai
.in gm
PRODUCED BY AN AUTODESK EDUCATIONAL PRODUCT

PRODUCED BY AN AUTODESK EDUCATIONAL PRODUCT


gm @
/t ion
om at
.c ov
ok nn
bo .i
ce tgm
.fa (
w n
w tio

6 4 ISO 4017 - M10 x 20 Stainless Steel, 440C Hexagon head screws


5 2 Bush Brass, Soft Yellow
/w a

4 1 Spindle Cast Steel


:/ ov

3 1 Roller Cast Iron


2 1 Base Cast Iron
tp nn

1 2 Bracket Cast Iron


Item Qty Part Name Material / Dimension Description
ht M I

Mechanical Engineering Design - CAD


TG

Scale: Unit : Designer : Sheet :


1:2 mm Gundhi A4 - 3 / 3
Title : Material :
Roller Bracket
PRODUCED BY AN AUTODESK EDUCATIONAL PRODUCT

You might also like