KEMBAR78
What Is Distributed Control System? | PDF | Transmission Medium | Systems Engineering
0% found this document useful (0 votes)
168 views4 pages

What Is Distributed Control System?

Distributed control system is a server-based system used to control large, complex industrial processes across geographic areas. Controllers are distributed throughout the plant and connected to field devices and human-machine interfaces via high-speed communication networks. Engineering stations are used for system configuration while operating stations execute commands. Remote stations located near reactors also allow for operation. Controllers communicate with devices using protocols like Foundation Fieldbus and collect data to send to operating and engineering stations for monitoring purposes.

Uploaded by

Narasimha Prabhu
Copyright
© © All Rights Reserved
We take content rights seriously. If you suspect this is your content, claim it here.
Available Formats
Download as DOCX, PDF, TXT or read online on Scribd
0% found this document useful (0 votes)
168 views4 pages

What Is Distributed Control System?

Distributed control system is a server-based system used to control large, complex industrial processes across geographic areas. Controllers are distributed throughout the plant and connected to field devices and human-machine interfaces via high-speed communication networks. Engineering stations are used for system configuration while operating stations execute commands. Remote stations located near reactors also allow for operation. Controllers communicate with devices using protocols like Foundation Fieldbus and collect data to send to operating and engineering stations for monitoring purposes.

Uploaded by

Narasimha Prabhu
Copyright
© © All Rights Reserved
We take content rights seriously. If you suspect this is your content, claim it here.
Available Formats
Download as DOCX, PDF, TXT or read online on Scribd
You are on page 1/ 4

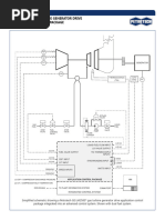
Distributed Control system

What is Distributed Control System?

Distributed Control System is a server based system specially designed control system used
to control complex, large and geographically distributed applications in industrial processes.
In this, controllers are distributed throughout the entire plant area.

These distributed controllers are connected to both field devices and operating HMI’s
(Human machine interface) through high speed communication networks (Ether net) as
shown in figure.

Discrete Field devices such as sensors and actuators are directly connected to input and
output controller modules through communication bus. These field devices or smart
instruments are capable of communicating with PLC’s or other controllers while interacting
with real world parameters like temperature, pressure, etc.

DCS Architecture:

ES: Engineering station:

Engineering server work station is used for configuring of the control system, development of
process logics ,also for user management and act as domain(Host) server of the network time
synchronization will be done here along with GPS clock (through GPS Master).Engineering
server also configured for alarm and event log history

This controller is the supervisory controller over all the distributed processing controllers.
Control algorithms and configuration of various devices are executed in this controller.
Network communication between processing and engineering PC can be implemented by
simplex or redundant configurations.

BS: Batch station: Batch station is related to batch related activity. Phases, Recipe (Batch
report/E BPR) will be run by this station

CH: Continuous Historian:

Continuous Historian records and logs the data every second and generate the data in the
form of graphical trends
Distributed Control system

BH: Batch Historian

Batch related such as phases and recipe will be saved here.

OS: Operating station

Operating station will be used for execution of commands, EM’s, Phases, Recipe using
different user access levels/privileges (rights)

ROS: Remote operating stations (Clients)

These are as same as operating stations located in different area’s based on requirement for
operation near the reactor.

All work stations were interconnected through ether net with different IP addresses were
assigned.

RIO panel: Remote input output panel

This are the panel where field devices/instruments were connected to analog and discrete
cards depend on the respective analog and digital signals .
Distributed Control system

Controllers are distributed geographically in various section of control area and are connected
to operating and engineering stations which are used for data monitoring, data logging,
alarming and controlling purpose via another high speed communication bus.

These communication protocols are of different types such as foundation filed bus, HART,
Profibus, Modbus, etc. DCS provides information to multiple displays for user interface.

DCS overall network works in 4 to 20 mA current.

Basic Elements of Distributed Control System

Distributed Control System continuously interacts with the processes in process control
applications ones it gets instruction from the operator. It also facilitates to variable set points
and opening and closing of valves for manual control by the operator. Its human machine
interface (HMI), face plates and trend display gives the effective monitoring of industrial
processes.

Distributed controller or Local control unit


It can be placed near to field devices (sensors and actuators) or certain location where these
field devices are connected via communication link. It receives the instructions from the
engineering station like set point and other parameters and directly controls field devices.

It can sense and control both analog (Continuous variable signals such as pressure, vacuum,
temperature, RPM)and digital(ON/OFF signals) inputs / outputs by analog and digital I/O
modules. These modules are extendable according to the number of inputs and outputs. It
collects the information from discrete field devices and sends this information to operating
and engineering stations.

Communication media and protocol


Communication media consists of transmission cables to transmit the data such as coaxial
cables, copper wires, fiber optic cables and sometimes it might be wireless. Communication
protocols selected depends on the number of devices to be connected to this network.
Distributed Control system

For example, RS232 supports only for 2 devices and Profibus for 126 devices or nodes. Some
of these protocols include Ethernet, Device Net, foundation filed bus, Modbus, CAN, etc.

In DCS, two or more communication protocols are used in between two or more areas such
as between field control devices and distributed controllers and other one between distributed
controllers and supervisory control stations such as operating and engineering stations.

You might also like