KEMBAR78
Process Flow Diagram Pra Rancangan Pabrik Benzene Dari Touene Dengan Thermal Hydrodealkylation Kapasitas 400.000 Ton Per Tahun | PDF | Toluene | Organic Compounds
0% found this document useful (0 votes)
513 views2 pages

Process Flow Diagram Pra Rancangan Pabrik Benzene Dari Touene Dengan Thermal Hydrodealkylation Kapasitas 400.000 Ton Per Tahun

Process flow Diagram and Block Diagram of Thermal Hydrodelakylation Proccess of Toluene in Producing Benzene

Uploaded by

Eko Priyadi
Copyright
© © All Rights Reserved
We take content rights seriously. If you suspect this is your content, claim it here.
Available Formats
Download as PDF, TXT or read online on Scribd
0% found this document useful (0 votes)
513 views2 pages

Process Flow Diagram Pra Rancangan Pabrik Benzene Dari Touene Dengan Thermal Hydrodealkylation Kapasitas 400.000 Ton Per Tahun

Process flow Diagram and Block Diagram of Thermal Hydrodelakylation Proccess of Toluene in Producing Benzene

Uploaded by

Eko Priyadi
Copyright
© © All Rights Reserved
We take content rights seriously. If you suspect this is your content, claim it here.
Available Formats
Download as PDF, TXT or read online on Scribd
You are on page 1/ 2

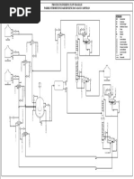
Process Flow Diagram

Pra Rancangan Pabrik Benzene dari Touene dengan Thermal Hydrodealkylation


Kapasitas 400.000 Ton per Tahun
KETERANGAN

Flow Control Temperature ( C)


Steam FC

Cooling Water Level Control Nomor Aliran


LC

Purging
Temperature Control Tekanan (atm)
TC
18

1 17 Flow Meter Valve

15

T-2 FC FC
TC
32

2 345.9
22
34 651.56
370.8
316.6

21 Con-1 300.15
3
34 19 24
283.5
Ec
HE-1 C-1 14 P-3
13 HE-3
4
34
34

500.15 F TC 523.15

T-3

10
34 894.15

32
11 FD-1 LC
345.9

12 TC 300.719 20
34
R SB MD-1
743.15

34

577.3

16
9
32

8 283.5
23
C-2 1.1
FD-2 TC
519.51
TC
1.1
1.1
450.15

308.15
7
6
398.95 25
Vpr
HE-2

FC
LC 305.15 28
5 1.1
HE-4
308.15

P-2
T-1 300.15
TC
P-1 27
528.05
LC
26 Con-2 DIGAMBAR OLEH : DIPERIKSA OLEH :
T-4
1. EKO ADITTYA PRIYADI
MD-2 2016710450211 DONNA IMELDA, ST., M.Si.
2. ADITIYA CANDRA PERMANA
2016710450219
P-4

PABRIK BENZENE DARI TOLUENE DAN HIDROGEN


Condensat DENGAN HIDRODEALKILASI TOLUENE

Hot Water JURUSAN TEKNIK KIMIA


FAKULTAS TEKNOLOGI INDUSTRI
UNIVERSITAS JAYABAYA
Fuel
JAKARTA

Arus (Kg/jam)
Komposisi
1 2 3 4 5 6 7 8 9 10 11 12 13 14 15 16 17 18 19 20 21 22 23 24 25 26 27 28
Toluene 0,000 1,722 1,722 1,722 63155,229 74121,569 74121,569 74121,569 74121,569 1,722 74121,569 11118,494 11118,494 11118,494 2,461 11116,033 1,722 0,738 39,202 11076,831 11076,831 55,384 11021,447 55,384 10966,339 55,107 55,107 10966,339
Hidrogen 3379,648 8056,879 8056,879 8056,879 0,000 0,000 0,000 0,000 0,000 8056,879 0,000 6682,416 6682,416 6682,416 6681,759 0,657 4677,231 2004,528 0,657 0,000 0,000 0,000 0,000 0,000 0,000 0,000 0,000 0,000
Methane 0,034 275,303 275,303 275,303 0,000 0,000 0,000 0,000 0,000 275,303 0,000 11237,453 11237,453 11237,453 393,311 10844,143 275,270 118,041 10844,143 0,000 0,000 0,000 0,000 0,000 0,000 0,000 0,000 0,000
Benzene 0,000 53,305 53,305 53,305 947,328 1199,577 1199,577 1199,577 1199,577 53,305 1199,577 50858,888 50858,888 50858,888 85,475 50773,413 53,305 32,169 70,221 50703,192 50703,192 50449,676 253,516 50449,676 252,248 1,268 1,268 252,248
Dphenyl 0,000 0,000 0,000 0,000 0,000 0,505 0,505 0,505 0,505 0,000 0,505 3811,610 3811,610 3811,610 0,000 3811,610 0,000 0,000 0,160 3811,450 3811,450 0,000 3811,450 0,000 0,505 3810,945 3810,945 0,505
Total 3379,682 8387,211 8387,211 8387,211 64102,558 75321,651 75321,651 75321,651 75321,651 8387,211 75321,651 83708,861 83708,861 83708,861 7163,005 76545,856 5007,529 2155,477 10954,383 65591,473 65591,473 50505,060 15086,413 50505,060 11219,093 3867,320 3867,320 11219,093
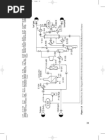
Blok Diagram
Pra Rancangan Pabrik Benzene dari Touene dengan Thermal Hydrodealkylation
Kapasitas 400.000 Ton per Tahun

14
18
15
17
22
11
Hidrogen T-04
PIPA T-02
HIDROGEN 13
25 T-02
11 Diphenyl
26
12 19
715 DIFENIL

19 19 19 MD
3
11 R-01 FD-01 9 8 MD 10 02
12 KP-01
5 01

4
10
FD-02
16
6 FD-01

20
Toluene T-03
T-03
MD- MD-
23 Benzene
T-01 52 01 02 BENZENA

TOLUENA

You might also like