KEMBAR78
02 Transformer Protection RET670 | PDF | Transformer | Relay
0% found this document useful (0 votes)
644 views20 pages

02 Transformer Protection RET670

Uploaded by

Sunny Rath
Copyright
© © All Rights Reserved
We take content rights seriously. If you suspect this is your content, claim it here.
Available Formats
Download as PDF, TXT or read online on Scribd
0% found this document useful (0 votes)
644 views20 pages

02 Transformer Protection RET670

Uploaded by

Sunny Rath
Copyright
© © All Rights Reserved
We take content rights seriously. If you suspect this is your content, claim it here.
Available Formats
Download as PDF, TXT or read online on Scribd
You are on page 1/ 20

TRANSFORMER PROTECTION

AMIT LOHIYA
TRANSFORMER PROTECTION WITH RET670 RELAY

Internal electrical faults in transformers


cause immediate damage and can often
lead to production loss for long duration
which leads to revenue loss.

This Presentation describes the basic


principles & functions of RET670 relay used
for Transformer Protection.

Restricted © Siemens AG 20XX


Page 2 XX.XX.20XX Author / Department
RET670 Relay Hardware

Transformer Module
Binary Input Module
Binary Output Module
Communication Module
Power Source Module
Analog to Digital Converter
Central Processing Unit
Protection Functions in RET670 Relay

FUNCTION DEVICE NO
Transformer Differential Protection 87T
Restricted Earth Fault Protection 64R
Over Current Protection 50/51
Earth Fault Protection 50N/51N
Thermal Overload Protection 49
Over Excitation Protection 24
Over Voltage Protection 59
Under Voltage Protection 27
Breaker Failure Protection 50BF

Restricted © Siemens AG 20XX


Page 4 XX.XX.20XX Author / Department
Transformer Differential Protection 87T
The transformer differential protection is a
UNIT protection and also serves as the
MAIN protection of transformers in case of
winding failure.

The protective zone of a differential protection


is clearly demarcated by input CTs to relay.

Restricted © Siemens AG 20XX


Page 5 XX.XX.20XX Author / Department
Transformer Differential Protection 87T
FEATURES

1. Magnitude Compensation
2. Vector Group Compensation
3. Zero Sequence Current Elimination
4. Inrush Stabilization
5. Over Excitation Stabilization
6. Internal/External Fault Discriminator
7. Restrained Tripping
8. Unrestrained Tripping
9. CT Polarity Inversion

Restricted © Siemens AG 20XX


Page 6 XX.XX.20XX Author / Department
Transformer Differential Protection 87T
CHARACTERISTICS

Restricted © Siemens AG 20XX


Page 7 XX.XX.20XX Author / Department
Transformer Differential Protection 87T
CHARACTERISTICS

Values of the matrix A & B coefficients


depend on:

1.Power transformer winding


connection type, such as star or delta

2.Transformer vector group such as


Yd1, Dy11 and so on.

3.Settings for elimination of zero


sequence currents for individual
windings.

Restricted © Siemens AG 20XX


Page 8 XX.XX.20XX Author / Department
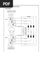
Restricted Earth Fault Protection 64R
Restricted Earth Fault means an earth
fault from a restricted or localized
zone of a circuit.

The term "REF protection method "


means not to sense any earth
faults outside this restricted zone.

Out Zone Fault 

Restricted © Siemens AG 20XX


Page 9 XX.XX.20XX Author / Department
Restricted Earth Fault Protection 64R
REF is very sensitive for internal earth
fault and hence requires a
STABILISING RESISTOR to reduce
its sensitivity.

During fault, the maximum internal


fault current developed can reach high
voltages that can damage the relay
insulation.

Hence, a NON-LINEAR RESISTOR


(Metrosil) is used to limit this voltage
to a safe level.

In Zone Fault 

Restricted © Siemens AG 20XX


Page 10 XX.XX.20XX Author / Department
Over Current/Earth Fault Protection 51/50/51N/50N

Used as a back-up short circuit protection of power transformers.

OC4PTOC/EF4PTOC Function has 4 different, individual settable steps.


Delay time characteristics
Definite time delay
Inverse time delay (IDMT)
PHPIOC/EFPIOC provides instantaneous phase/earth overcurrent protection

Restricted © Siemens AG 20XX


Page 11 XX.XX.20XX Author / Department
Over Current/Earth Fault Characteristics

Restricted © Siemens AG 20XX


Page 12 XX.XX.20XX Author / Department
Thermal Overload Protection 49
Thermal Overloads effect
Forced ageing of Insulation,
Degrade quality of transformer oil

This function estimates the


heat content of transformer
using Thermal model, which is
based on current measurement.
Function has two warning levels

Restricted © Siemens AG 20XX


Page 13 XX.XX.20XX Author / Department
Over-Excitation Protection 24

The power transformers today operate most of the


time near their designated limits.
Overvoltage and/or under frequency will result in an
excessive flux density level leading to eddy currents
flow.
The capability of a transformer to withstand over-
excitation depends on its thermal capacity and is
illustrated in the form of a thermal capability curve.
OEXPVPH function has thermal memory to mimic
thermal content of transformer.

Restricted © Siemens AG 20XX


Page 14 XX.XX.20XX Author / Department
Over Excitation Protection 24
Characteristics

 TAILOR MADE LAW

Over-Excitation capability curve &


V/Hz protection setting 

Restricted © Siemens AG 20XX


Page 15 XX.XX.20XX Author / Department
Over Excitation Protection 24
Characteristics

 IEEE Curve

Restricted © Siemens AG 20XX


Page 16 XX.XX.20XX Author / Department
Under & Over Voltage Protection 27/59
Under voltage protection (UV2PTUV)
is used to detect low power system
Voltage which can occur during faults
or abnormal conditions.

Over voltage protection OV2PTOV is


used to detect high power system
voltage which may occur during
abnormal conditions, such as, sudden
load loss, open line ends on long
lines.

UV2PTUV & OV2PTOV are two step


functions which can be set
independently.

Restricted © Siemens AG 20XX


Page 17 XX.XX.20XX Author / Department
Breaker Failure Protection 50BF
In the design of the fault clearance
system the N-1 criterion is often
used. This means that a fault needs to
be cleared even if any component in
the fault clearance system is faulty.

Breaker failure protection (CCRBRF)


ensures fast back-up tripping of
surrounding breakers in case of own
breaker failure to open.

CCRBRF can also give a re-trip

Restricted © Siemens AG 20XX


Page 18 XX.XX.20XX Author / Department
QUESTIONS
CONTACT INFORMATION

AMIT LOHIYA

PROTECTION ENGINEER

IPM / MFCL PANAGARH / ELECTRICAL


Mobile 1: +91 83 72 80 88 39

E-mail: amitkumarlohiya212@gmail.com

THANK YOU & HAVE A GREAT DAY


siemens.com

Restricted © Siemens AG 20XX


Page 20 XX.XX.20XX Author / Department

You might also like