KEMBAR78
Transformers and Choke Lamination Standard Types Singal Phase E I | PDF | Electrical Engineering | Manufactured Goods
100% found this document useful (7 votes)
13K views3 pages

Transformers and Choke Lamination Standard Types Singal Phase E I

The document provides specifications for transformer and choke lamination standards, including nominal dimensions and hole details, for single phase and three phase transformer lamination types. Dimensions such as length, width, thickness, hole diameter and spacing are defined for various lamination styles labeled with type numbers. The lamination standards are intended to provide consistent dimensions for manufacturing transformers and chokes.

Uploaded by

KALAI
Copyright
© © All Rights Reserved
We take content rights seriously. If you suspect this is your content, claim it here.
Available Formats
Download as DOCX, PDF, TXT or read online on Scribd
100% found this document useful (7 votes)
13K views3 pages

Transformers and Choke Lamination Standard Types Singal Phase E I

The document provides specifications for transformer and choke lamination standards, including nominal dimensions and hole details, for single phase and three phase transformer lamination types. Dimensions such as length, width, thickness, hole diameter and spacing are defined for various lamination styles labeled with type numbers. The lamination standards are intended to provide consistent dimensions for manufacturing transformers and chokes.

Uploaded by

KALAI
Copyright
© © All Rights Reserved
We take content rights seriously. If you suspect this is your content, claim it here.
Available Formats
Download as DOCX, PDF, TXT or read online on Scribd
You are on page 1/ 3

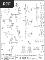
TRANSFORMERS

TM AND CHOKE LATRANSFORMERS AND CHOKE LAMINATION STANDARD


TYPES SINGAL PHASE E IMINATION STANDARD TYPES SINGAL PHASE E I

Energy solutions LLP TRANSFORMERS AND CHOKE LAMINATION STANDARD


TYPES SINGAL PHASE E I

NOMINAL DIMENSIONS ( MM ) Holes

Type No. A B C D E F G No. Dia Distance

L164or 80 4.8 19.1 15.9 2.4 2.4 11.1 4.8

L109or 32 6.4 25.4 19.1 3.2 3.2 12.7 6.4 Available in EE also

17 12.7 38.1 31.8 6.4 6.4 19.1 6.4

INT41 13.0 41.0 33.0 6.0 6.0 21.0 8.0

12 15.9 47.6 39.7 7.9 7.9 23.8 7.9

74 17.5 52.4 43.7 8.7 8.7 26.2 8.7

23 19.1 57.2 47.6 9.5 9.5 28.6 9.5

30 20.0 60.0 50.0 10.0 10.0 30.0 10.0 4.0 4.1 50.0

45 22.2 66.7 55.6 11.1 11.1 33.3 11.1 4.0 4.5

15 25.4 76.2 63.5 12.7 12.7 38.1 12.7 4.0 5.5 63.5

33 28.0 84.0 70.0 14.0 14.0 42.0 14.0 4.0 5.5 70.0

3 31.8 95.3 79.4 15.9 15.9 47.6 15.9 4.0 6.0 79.3

16 or 4 38.1 114.3 95.3 19.1 19.1 57.2 19.1 4.0 6.0 95.0

5 38.0 120.7 95.3 19.1 19.1 57.2 22.2 4.0 6.2 101.8

6 38.1 127.0 114.3 19.1 19.1 76.2 25.4 4.0 6.2 107.4

INT120 40.0 120.0 100.0 20.0 20.0 60.0 20.0 4.0 5.5 100.0

43 or 7 50.8 152.4 127.0 25.4 25.4 76.2 25.4 4.0 7.0 127.0

8 50.8 184.5 171.5 25.4 25.4 120.7 41.3 4.0 9.0 159.5

8B 76.2 235.0 196.9 38.1 38.1 120.7 41.3 4.0 10.0 197.0

8C 76.2 235.0 317.5 38.1 38.1 241.3 41.3 4.0 10.0 197.0
TRANSFORMERS AND CHOKE LATRANSFORMERS AND CHOKE LAMINATION STANDARD
TYPES SINGAL PHASE E IMINATION STANDARD TYPES SINGAL PHASE E I

S10 63.5 190.5 158.7 31.7 31.7 95.2 31.7 4.0 10.0 159.0

S9 76.2 228.6 190.5 38.1 38.1 114.3 38.1 4.0 12.7 190.0

S14 88.9 266.5 222.5 44.4 44.4 133.5 44.4 6.0 12.7 227.3

S6 44.5 133.5 111.4 22.5 22.5 66.5 22.5 4.0 6.2 111.5

100 101.6 355.6 254.0 50.8 50.8 152.4 76.2 6.0 12.5

31 22.2 66.7 55.6 11.1 11.1 33.3 11.1

S29 9.0 29.0 27.0 4.0 4.0 19.0 6.0

S35 or 1 No.
10.0 35.0 30.0 5.0 5.0 20.0 7.5
Spl.

S28 or 1 No. 8.0 28.0 25.0 4.0 4.0 17.0 6.0

S30 10.0 30.0 25.0 5.0 5.0 15.0 5.0

S42 12.0 42.0 42.0 6.0 6.0 30.0 9.0

S12 101.6 304.8 254.0 50.8 50.8 152.4 50.8 6.0 12.5

S 68 24.0 68.0 68.0 10.0 12.0 34.0 12.0 6.0 5.5

S 118 38.0 118.0 158.0 19.5 19.5 118.0 20.5 6.0 7.0
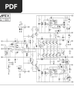
TRANSFORMERS
TM AND CHOKE LATRANSFORMERS AND CHOKE LAMINATION STANDARD
TYPES SINGAL PHASE E IMINATION STANDARD TYPES SINGAL PHASE E I

Energy solutions LLP SPECIFICATION CHART-THREE PHASE TRANSFORMER


LAMINATION (E & I )

LAMINATION DIMENSIONS ( MM ) Holes

Type No. A B C D E F G No. Dia Distance

15 12.7 76.2 63.5 12.7 12.7 38.1 19.1 4 5.5 50.0

33 14.0 84.0 70.0 14.0 14.0 42.0 21.0 4 5.5 63.5

3 15.9 95.3 79.4 15.9 15.9 47.6 23.9 4 6.0 79.3

16 or 4 19.1 114.3 95.3 19.1 19.1 57.2 28.5 4 6.0 95.0

43 or 7 25.4 152.4 127.0 25.4 25.4 76.2 38.1 4 7.0 127.0

8 25.4 184.5 171.5 25.4 25.4 120.7 54.2 4 9 159.5

8B 38.1 235.0 196.9 38.1 38.1 120.7 60.0 4 10.0 197.0

100 50.8 355.6 254.0 50.8 50.8 152.4 101.6 6 12.5

S10 M 50.8 257.5 203.2 50.8 50.8 101.6 52.6 4 10.0 197.0

E201 34.3 201 80 34.3 34.3 45.9 49 6 10 & 5 E only

E251 47.3 250.5 95.5 47.3 47.3 48.2 54.5 6 10 & 5 E only

S12 50.8 304.8 254.0 50.8 50.8 152.4 76.2 6 12.7

S197 38.1 197.0 197.0 38.1 38.1 120.7 41.3 4.0 10.0

S150 30.0 150.0 150.0 30 90 30 30 6 7.0

S122 44.5 222.5 222.5 44.5 133.5 44.5 44.5 6 12.7

6 19.1 127.0 114.3 19.1 19.1 76.2 34.8 4 6.2

You might also like