KEMBAR78
Project Running LED | PDF | Arduino | Computer Engineering
100% found this document useful (1 vote)
159 views1 page

Project Running LED

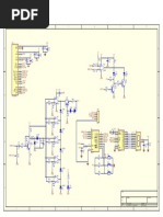
This document contains a diagram of an Arduino Uno board. It shows the microcontroller, input and output pins, and power sources. Numbers are labeled next to components. Lines connect pins to labels off the board for inputs and outputs. Text below provides information about the file name, design title, file path, author and time.

Uploaded by

Joseph
Copyright
© © All Rights Reserved
We take content rights seriously. If you suspect this is your content, claim it here.
Available Formats
Download as PDF, TXT or read online on Scribd
100% found this document useful (1 vote)
159 views1 page

Project Running LED

This document contains a diagram of an Arduino Uno board. It shows the microcontroller, input and output pins, and power sources. Numbers are labeled next to components. Lines connect pins to labels off the board for inputs and outputs. Text below provides information about the file name, design title, file path, author and time.

Uploaded by

Joseph
Copyright
© © All Rights Reserved
We take content rights seriously. If you suspect this is your content, claim it here.
Available Formats
Download as PDF, TXT or read online on Scribd
You are on page 1/ 1

A B C D E F G H J K

0 0

1 1

D3 D1 D6 D7 D8
2 LED-RED LED-BLUE LED-GREEN LED-RED LED-YELLOW 2

13
12

10
11
3 3

9
8

7
6
5
4
3
2
1
0
R1 DUINO1

PB5/SCK

~PB3/MOSI/OC2A
~ PB2/SS/OC1B
~ PB1/OC1A

PD4/T0/XCK

TX PD1/TXD
RX PD0/RXD
PB4/MISO

PB0/ICP1/CLKO

PD7/AIN1
~ PD6/AIN0
PD5/T1

~ PD3/INT1
PD2/INT0
AREF
ARDUINO UNO R3
10k

~
4 4
DIGITAL (~PWM)

ATMEGA328P-PU
1121

5 5

microcontrolandos.blogspot.com

PC4/ADC4/SDA
PC5/ADC5/SCL
ANALOG IN

PC0/ADC0
PC1/ADC1
PC2/ADC2
PC3/ADC3
6 6
RESET

A0
A1
A2
A3
A4
A5
7 7

8 8

FILE NAME: Project running LED.pdsprj DATE:

DESIGN TITLE: Project running LED.pdsprj 10/04/2020


9 PAGE: 9
PATH: D:\DATA Kuliah\Semester 4\MIKROKONTROLLER\Project
1 of 1 running LED.pdsprj
BY: @AUTHOR REV:@REV TIME: 07.39.27
A B C D E F G H J K

You might also like