KEMBAR78
Ford C346 Low Audio Wiring Diagram | PDF | Broadcasting | Broadcast Engineering
0% found this document useful (0 votes)
155 views1 page

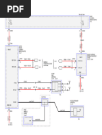
Ford C346 Low Audio Wiring Diagram

The document is a wiring diagram that shows: 1) Various electrical components connected to a body control module, including low audio and radio components. 2) Fuses and relays that supply power to different circuits from an engine junction box. 3) Wiring connections labeled with codes running between the body control module and other modules.
Copyright
© © All Rights Reserved
We take content rights seriously. If you suspect this is your content, claim it here.
Available Formats
Download as PDF, TXT or read online on Scribd
0% found this document useful (0 votes)
155 views1 page

Ford C346 Low Audio Wiring Diagram

The document is a wiring diagram that shows: 1) Various electrical components connected to a body control module, including low audio and radio components. 2) Fuses and relays that supply power to different circuits from an engine junction box. 3) Wiring connections labeled with codes running between the body control module and other modules.
Copyright
© © All Rights Reserved
We take content rights seriously. If you suspect this is your content, claim it here.
Available Formats
Download as PDF, TXT or read online on Scribd
You are on page 1/ 1

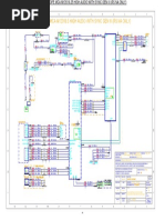
C346 LOW AUDIO

C21B - 25
C1BB01 - C90.34 SBP06H BN-RD 3TBD 0.50 14K733 SBP06I BN-RD 2TBD 0.35 14401
FROM START RELAY CONTROL NA ONLY
ENGINE JUNCTION BOX C21A - 25
BODY CONTROL MODULE
RADIO

3
F41/20A F85 7.5A
CBB41A BU 3TBD 1.0 14K733 C6-9 C7-17 CBP04T YE 2TBD 0.35 14401 SBP06F BN-RD 2TBD 0.35 14401

2 5
+
F23/5A C1-3 C2ME37 - 4
F41-2 KL15 SUPPLY FROM EJB ELECTRONIC 15 FEED EU ONLY VME37A BU-RD 2TAD 0.35 14401
C1BB01 - F41.2 C1BP02D - 9 KL.15 FEEDING
1
C1BP02F - 17 C2ME03A - 3 AUX1 L+ C1-17 TIP
+

SP547
C1BB01A - F.IN1 F_IN1 C2ME03A - 17 C2ME37 - 1
CDC01A GN-VT 3TBD 0.50 14K733 C6-14
KL 15 SIGNAL ONLY AUX1 R+ C1-18
VME38A BN-RD 2TAD 0.35 14401
RING
R16-2 KL15 RELAY CTRL C2ME03A - 18 C2ME37 - 3
R16 C1BB01 - R16.2 C1BP02D - 14 AUX1 GND C1-6 DME37A NONE 2XAE 0.35 14401 SLEEVE
3TBD 16

IGNITION 15
CAN SP558
SBP06D BN-RD 2TBD 1.5 14401 C1-1 C2ME03A - 6
1L2T-14489-GB
BATTERY 9U5T-14489-MA
C2ME03A - 1 CONNECTOR AUX
RD

2TBD 0.75 14401


F79 15A CME44A YE-OG 2TBD 0.50 14401 C23B - 30 CME44BN YE-OG 2TBD 0.50 14014 C1-1
SBB18A YE 3TBD 6.0 14K733 C5-1 C8-8 SBP06E BN-RD 2TBD 1.5 14401
FOR FEED IN STOP/START VEHICLE
SDC02A
14K733

KL30 B_SUPPLY RADIO, VOICE MODULE, NAV, DVD C2ME03A - 2 C23A - 30 C9ME36BN - 1
C1BP02G - 1 C1BP02F - 8 SEE STOP/START SCHEMATIC
VME48AN BN-VT 2TBD 0.50 14401 C23L - 1 VME48BN BN-VT 2TBD 0.50 14014
C1-2
C2ME03CN - 1 C23K - 1 C9ME36BN - 2
F67 7.5A VME49AN WH 2TBD 0.50 14401 C23L - 2 VME49BN WH 2TBD 0.50 14014
SBB17A RD 3TBD 6.0 14K733 C5-2 C7-6 SBP06M BN-RD 2TBD 0.75 14014
KL30 A_SUPPLY C1-3
C1BF00B - 1

C2ME03CN - 2 C23K - 2
1

C1BP02G - 2 PHONE MODULE / MULTI FUNCTION DISPLAY C1BP02E - 6 C9ME36BN - 3


-
-

BN-RD
7H2T-14489-AKB AU5T-19C042-CCA
C1BF00J

C1BF00D

AM/FM
ROD ANTENNA NA
C3-24
RADIO ANTI THEFT SWITCH
NA ONLY
C1BP02C - 24 FOR FEED IN STOP/START VEHICLE
SEE STOP/START SCHEMATIC MM_CAN_HIGH
PRE-FUSE C1-14
CAN - 30

SBP06G
BOX ICP/ CME44A YE-OG 2TBD 0.50 14401 C23B CME44BE YE-OG 2TBD 0.50 14014 C1-1
PF3/100A

ANTENNA AMP C1-2


PF9/50A

PF4/50A
BCM KL30B

HAZARD-
BCM KL30A

MM_CAN_LOW C2ME03A - 2 C23A - 30 C9ME36BE - 1


LOCKING KNOB
EJB

C1-15 C23J - 1
C2PL22 - 8 AM/FM (ANALOG IN) C3-1 VME48AE BN-VT 2TBD 0.50 14401 VME48BE BN-VT 2TBD 0.50 14014
+ + + POWER KL.30
C1-2
C2ME03CE - 1 C23I- 1 C9ME36BE - 2
C1-8
LIN VME49AE WH 2TBD 0.50 14401 C23J - 2 VME49BE WH 2TBD 0.50 14014
FM (ANALOG IN) C3-2 C1-3
C1-7
C2PL22 - 7 C1-5 C2ME03CE - 2 C23I- 2 C9ME36BE - 3
C1BB02 - 1

GND
C23B - 15 BU5T-19C042-LBA 9U5T-19C042-CB AM/FM
3TAD 35.0 14K733

C23A - 15 2L7T-14489-CB ROD ANTENNA EU


C2PL22 - 5
EU ONLY

C2ME17C - 1

2TBD 0.75 14401


CME88A RD 1TBD 0.50 14401 USB 4 VBUS
USB 4 VBUS C5-1
C1 = C2ME03A C2ME03E - 1
C2-1

GD108A BK 3TBD 35.0 14301 C2 = C2ME03B USB GND C5-5


RME135A BK 1TBD 0.50 14401
C2ME17C - 5
USB GND

2TBD 0.35 14401

2TBD 0.35 14401


C2-5
C3 = C2ME03C C2ME03E - 5
G1D134A - 1

G1D108A C2ME17C - 2
VME141A BN 1TBD 0.13 14401 USB 4 DATA -
USB 4 DATA - C5-2
BODY
. C4 = C2ME03D C2-2
RD

BATTERY C2ME03E - 2
GROUND C5 = C2ME03E USB 4 DATA + C5-3 VME135A VT 1TBD 0.13 14401 C2ME17C - 3
USB 4 DATA +

BK-WH
C2-3
C6 = C2ME03F C2ME03E - 3
SDC02B
C1DC02 - 1

C2ME17C - 6
Battery USB SHIELD C5-6 DME135A NONE 1XAD 0.50 14401 USB SHIELD
Monitoring C2-6
C2ME03E - 6

BN-RD
Sensor MULTI FUNCTION DISPLAY 8V5T-14489-ANA POWER GND

GD133CF
9U5T-19C041-AA AU5T-19C042-JAA
C1-13

YE
USB 4
VMP19 WH-GN 2TBD 0.35 14401 GLOVEBOX LOC
(+) (-)
FEED FROM STOP/START RADIO WITH USB

SBP09AC
BATTERY C2ME03A - 13

VMC29
SP394 RME24B BU-WH 2TBD 0.35 14401 C1-10 SP588
C2ME04 - 10
REMOTE RET

2TBD 0.50 14401

LHD

RHD
C1-7
C2ME04 - 7
REMOTE SIG

14401

14401
SBP06JB BN-RD 2TBD 0.50 14401
C1-1
POWER C2ME04 - 1 SP391

2TBD 1.5

2TBD 1.5
C1-11
GND
C2ME04 - 11

C1-9

BK
C2ME04 - 9 GND LIN
2TBD 0.35 14401

2TBD 0.35 14401

2TBD 0.35 14401

2TBD 0.35 14401

2TBD 0.75 14401

2TBD 0.75 14401

C1-8
C2ME04 - 8

GD133CH

BK

BK
GD103D

GD103A
SP581
C1-4
MM_CAN_HIGH

C1-5
CAN
BU-WH

GY-YE

BU-WH

GY-YE

BK-WH

BK-WH

2TBD 0.75 14401

2TBD 0.75 14401

2TBD 0.75 14401

2TBD 0.75 14401

IN NON-STOP/START VEHICLE
MM_CAN_LOW IN STOP/START VEHICLE
RME24AN

VME14AN

GD138BC

GD138BG
RME24A

VME14A

G3D135 G3D136
A-PILLAR IP/FLOOR A-PILLAR IP/FLOOR
LEFT RIGHT
GROUND GROUND
BK

BK

BK

BK
SP393
GD133AWB

GD133AWA

GD133AWR
C2R115AN - 5
C2R115A - 8

C2R115A - 7

C2R115AN - 6

GD133AW
LHD

RHD
GOLD

GOLD

2TBD 0.75 14401

2TBD 0.75 14401

LHD
RHD

RHD
LHD
VEHICLE PROGRAM:C1_MCA MODEL YEAR:MY2011 VEHICLE: C346
6G9T-14489-AHA
6G9T-14489-AHA

SUBSYSTEM: 14 ENTERTAINMENT AND COMMUNICATION


RADIO REMOTE CONT-

RADIO REMOTE CONT+

RADIO REMOTE CONT-

RADIO REMOTE CONT+

G6D139 G3D134A G3D134 G6D139A .


A-PILLAR IP A-PILLAR IP A-PILLAR IP A-PILLAR IP REVISION: 008 REVISION DATE: 2010-05-05
RIGHT LHD/RHD-VQM LEFT RHD/LHD-VQM LEFT LHD RIGHT RHD
GROUND GROUND GROUND GROUND REFERENCE EEU0-E-12329760-000
PART MUST COMPLY WITH MATERIAL SPECIFICATION WSS-M99P9999-A1
BK-GY

BK-GY

TO HELP SAFEGUARD HEALTH, SAFETY AND THE ENVIRONMENT.


DRAFTED IN ACCORDANCE WITH FAO DRWG STATUS: OPEN
ENGINEERING DRAFTING STANDARD
FORD RADIO REMOTE CONT+

FORD RADIO REMOTE CONT+

FORD RADIO REMOTE CONT+

FORD RADIO REMOTE CONT+

GD135U

GD135T

CURRENT AT INITIAL RELEASE SIZE: A2


CAD TYPE CAD LOC. CAD FILE: DATA
X EES202 PHBV6T-70441-AC IS MASTER
OPER.NO. UNIT DRAWING PHBV6T-70000-AC Page No.
G3D135 G3D136
A-PILLAR IP/FLOOR A-PILLAR IP/FLOOR DOCUMENT NO. 31829418 Issue Index
STEERING COLUMN LEFT RIGHT
MODULE C2 GROUND GROUND DESIGN DETAIL TITLE SHT 82
VYUEKSEL PERMAKOV C346 LOW AUDIO
OF 139
CHECKED SAFETY RH
SHOWN
SCALE START DIVISION: EESE/RVT
DATE Ford
1
PLANT

You might also like