KEMBAR78
Process Control Course 1 | PDF | Enthalpy | Heat Transfer
0% found this document useful (0 votes)
100 views82 pages

Process Control Course 1

This document discusses process control for the EPCH 306 course. It will be administered through Blackboard, with assignments, labs, midterm, and final exam comprising the evaluation. The course covers system structure, elements, vectors, dynamical equations, and modeling of automatic control systems. Examples are provided on modeling a mechanical system and tank using ordinary differential equations, Laplace transforms, and state-space approaches. Mass and volume balances are also covered.

Uploaded by

Deuel De Lisle
Copyright
© Attribution Non-Commercial (BY-NC)
We take content rights seriously. If you suspect this is your content, claim it here.
Available Formats
Download as PDF, TXT or read online on Scribd
0% found this document useful (0 votes)
100 views82 pages

Process Control Course 1

This document discusses process control for the EPCH 306 course. It will be administered through Blackboard, with assignments, labs, midterm, and final exam comprising the evaluation. The course covers system structure, elements, vectors, dynamical equations, and modeling of automatic control systems. Examples are provided on modeling a mechanical system and tank using ordinary differential equations, Laplace transforms, and state-space approaches. Mass and volume balances are also covered.

Uploaded by

Deuel De Lisle
Copyright
© Attribution Non-Commercial (BY-NC)
We take content rights seriously. If you suspect this is your content, claim it here.
Available Formats
Download as PDF, TXT or read online on Scribd
You are on page 1/ 82

Process Control

EPCH 306

Instructor: Dr. Salim Ibrir


THIS COURSE WILL BE ADMINISTRATED
THROUGH BLACKBOARD

http://utt.blackboard.com/
 Assignments 15%
 Laboratories 15%
 Mid-term exam 20%
 Final exam 50%

NO ABSENCE IS TOLERATED!
 Thecourse shall be administrated through
UTT blackboard.

Passwords will be emailed to you soon.


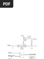
SYSTEM STRUCTURE

Signal
LCV
1
Actuator

Sensor
Operational Part LT LC
1 1

Control Part
Structure of an automatic system
As defined by AFCET (The
(The French Society of Computer Scientists)

Signals Signals
Actuators

Dialogue
Control Operational
Man Part Part
Machine

Sensors
Visualizations Information
Elememts of a dynamical system
SYSTEM VECTORS
 List of vectors and dimensions
p Parameters l

u Controllable inputs m

w Perturbations s

x System states n

y System outputs r

n Measurement errors r

z Observations r
DYNAMICAL EQUATIONS
 General case :
dx(t )
≡ x(t ) = f [x(t ), u(t ), w(t ), p(t ), t ]
dt
 System output :

y(t ) = h[x(t ), u(t ), w(t ), p(t ), t ]


 Observed variables :

z(t ) = j[ y(t ), n(t ), t ]


MODELLING: DIFFERENT WAYS!
 Ordinary differential equation ay& + by = u

 Laplace transform [ as + b] y = u
 State equation x&1 = − b a x1 + 1 a u
y = x1
EXAMPLE
 Mechanical system:
 u(t) = external force
u(t)  y(t) = mass displacement
k

 Ordinary differential equation:


m
y(t)
b

my&& + by& + ky = u
EXAMPLE
 Solution
u(t)  Dividing by k :
k

m b u
m
k &&
y+ k y& + y = k
y(t)
b

1 2ζ
ωn2 &&
y+ ωn y& + y = f (t )
EXAMPLE (FIRST APPROACH)
 Then, (If daming coefficient (zeta<1):

 e − ζω n t 
y (t ) = yss 1 −
 1− ζ 2
(
sin 1 − ζ 2
ω n t + cos −1
ζ ) 


yss = A k ωn = k ζ = b
m 2 km
If f(t) is a step function of amplitude A.
LAPLACE APPROACH
 Solution: Laplace transform

u(t)
k
my&& + by& + ky = u
m
y(t)
2
b ms y + bsy + ky = u
EXAMPLE (SECOND APPROACH 2)
 Then:
2
y (ms + bs + k ) = u

y ( s) ( 1 m)
= 2 b k
u( s) s + m s+ m
EXAMPLE (SECOND APPROACH)
 If u is a step function of amplitude A:

A
u( s) = s
 Then,

A( m) 1
y ( s) =
s( s + m s +
2 b k
m )
EXAMPLE (SECOND APPROACH)
 Inverse Laplace transform:

A k 1  e − ζω n t 
y (t ) =    2 − 2
k  m  ω n ω 1 − ζ 2
sin 1(− ζ 2
ω n t + φ ) 

 Then,  n

A  e − ζω n t 
y (t ) = 1 −
k  1− ζ 2
sin 1 (
− ζ 2
ω n t + cos −1
ζ ) 

BALANCE OF THE SECOND APPROACH

Easy
manipulations
EXAMPLE
 Solution – Third appraoch.
u(t)  Starting equation:
k

m  Let: my&& + by& + ky = u


y(t)
b
x1 = y
x2 = x&1 = y&
EXAMPLE (THIRD APPROACH)
 Dynamical equation becomes:

mx&2 + bx2 + kx1 = u


 Then, we have the state space model:

x&1 = x2
k b 1
x&2 = − m x1 − m x2 − m u
EXAMPLE (THIRD APPROACH)
 In matrix form:

 x&1   0 1   x1   0
 x&  =  − k b  
− m   x2 
+  1 u
 is2 written
 The output  as:m  m

 x1 
[
y= 1 0  ]
 x2 
EXAMPLE (THIRD APPROACH)
Eigenvalues of the matrix A:

 x&1   x1 
 x&  = A  + Bu
 2  x2 

2
−b ± b − 4mk
λ1,2behavior
 The system = depends on the eigenvalues of the
system: 2m
BASIC NOTIONS FOR SYSTEM
MODELLING
MASS BALANCE
 Continuity equation:

 Mass of the liquid  Mass of the liquid  Mass of the liquid entering  Mass of the liquid 
       
in the tank at  − in the tank at =
 in the tank from  − going out from 
 (t + ∆t )   (t )   (t ) to (t + ∆t )   (t ) to (t + ∆t ) 
       
t + ∆t t + ∆t

Vρ t + ∆t
− Vρ t = ∫ F ρ dt − ∫ Fρ dt
t
i
t

dVρ
= Fi ρ − Fρ
dt
MASS BALANCE
dVρ dρ dV
 Or : =V +ρ
dt dt dt
 If the density is constant:
dVρ dV

dt dt
 Balance:

dV dV
ρ = Fi ρ − Fρ = Fi − F
dt dt
ORDINARY DIFFERENTIAL EQUATION
 To solve this equation:

dV
 It is sufficient to know: = Fi − F
dt
 The inputs: Fi(t) et F(t);
 Initial volume: V(0).
Inputs
State variable
SOLUTION
 The solution is:

V= ∫ ( F (τ ) − F (τ ))dτ + V (0)
0
i
TANK
 If the tank is a cylinder: V = A h
dV dh
= A = Fi − F
dt dt
 If the flow at the exit is proportional to the
square root of the liquid height, then

F=β h
NONLINEAR DIFFERENTIAL EQUATION
 Differential equation to be solved:

dh Fi β
= − h
dt A A
Parameters
Input
State variable
SOLUTION
 The solution when Fi = 0 is:

dh β
=− h h t
dt A dh β
dh β ∫ h
= − ∫ dt
A
= − dt ho to
h A
SOLUTION
 Then,
β
2 h − 2 ho = − (t − to )
A
β
 If to = 0 :
h = ho −
2A
( t − to )

2
 β 
h(t ) =  ho − t
 2A 
MODELLING IS NOT AN EASY TASK
 Ideal gas law
 Chemical reactions
 Equilibria
 Heat transfer
 Flow through valves
 Electricity (Kirchhoff's laws, ….)
 Newton’s law
 Hamilton-Jacobi, and …
IDEAL GAS LAW
 Ideal gas law:
PV = RT
 Relationship between temperature, pressure and
volume.
The models can be used to:

 Improve understanding of the process;


 Train plant operating personnel;
 Develop a control strategy for a new
process;
 Optimize process operation conditions.
CHEMICAL REACTIONS

 The reaction speed per volume unit is function


of the concentration of reactants

 Example : A + 2B  C + 3D.
 Then:
rA = − kC A CB
 where:
 rA = Reaction rate of A
 mole/volume*time;
 k = constant of the reaction speed
 Constant for a given temperature
CHEMICAL REACTIONS
 Then,
rA = − kC A CB
 where:
 CA = concentration of A
mole/volume;
 CB = concentration of B
mole/volume.
CHEMICAL REACTIONS
 Finally,

rB = 2rA = − 2 kC A CB
rC = − rA = kC ACB
rD = − 3rA = 3kC A CB
EXAMPLE
(CHEMICAL REACTOR ISOTHERMIC)
 Chemical reaction:

A + 2B → P
CHEMICAL REACTOR: ISOTHERMIC (2)
 Balance equation: dVρ = F ρ − Fρ ⇒ dV = F − F
i i
dt dt
 Equation of the balance of components:

dVC A
= FiCA i − FC A + Vr A
dt
dVC B
= FiCB i − FC B + Vr B
dt
dVC P
= − FC P + Vr P
dt
CHEMICAL REACTION: ISOTHERMIC (3)
 Rate of creation per unit of volume:

rA = − kC ACB
rB = − 2 kC ACB
 It’s important to notice that:
rP = kC ACB

dVC A dC A dV
=V + CA
dt dt dt
CHEMICAL REACTION: ISOTHERMIC (4)
 This gives dC A Fi
= (C Ai − C A ) − kC ACB
dt V
dCB Fi
= (CBi − CB ) − 2 kC A CB
dt V
dCP Fi
= − CP + kC A CB
dt V
dV
= Fi − F
dt
CHEMICAL REACTION: ISOTHERMIC (5)
 State variables:
 V, CA, CB and CP
 Parameters:
 k
 Inputs:
 Fi, F, CAi et CBi
Initial conditions
are necessary
LAW OF ARRHENIUS
 Constant of the reaction velocity:

 where
k (T ) = A exp( − E RT )
 k(T) = [volume/mole*time];
 A = Frequency factor [volume/mole*time];
LAW OF ARRHENIUS (2)
 where :
 E = Activation energy
 [calory/gramme-mole];
 R = Constant of ideal gas
 1.987 [calory/gramme-mole*°K];
 T = Absolute temperature
 [°K];
HEAT TRANSFER

Heat transfer mechanisms can be grouped into 3


broad categories:

 Conduction;
 Convection;

 Radiation.
HEAT TRANSFER
 Temperature, and the flow of heat:

Q = UA∆ T

Conduction
HEAT TRANSFER (2)
 where:
 Q= flow of heat (from hot to cold)
 U = Coefficient of the heat transfer
 A = Surface
 ∆T = Difference of température
CONDUCTION: HEAT TRANSFER [2]
 Power lost between two walls:

dQ dT
H= = − kA
dt dx

Source of heat
T1 − T2
H = kA
L
CONDUCTION: HEAT TRANSFER [3]
 k is a constant measured as:
 Watt/m/°C, Watt/pi/°F

Thermal resistance R is:


L

R=
k
 Then,

T1 − T2
H= A
R
CONVECTION: HEAT TRANSFER
 Power lost when air is in contact with a hot wall :

H = α A(T1 − T∞ )
T1

Source of heatt
Convection of air
CONVECTION: HEAT TRANSFER [2]
 Coefficient of convection alpha :
 Horizontal plane (air):

2
α = 2.49 T1 − T∞ W m K
4
 Vertical plane (air):

2
α = 177
. T1 − T∞ W m K
4
DISTRIBUTED PARAMETER SYSTEMS
MULTI-DIMENSIONAL SYSTEMS

 Systems appear in heat transfer problems;


 Systems appear in fluid dynamic problems;

 Micro-wave systems.
∂T  ∂ 2T ∂ 2T  T = T (t , x, y ),

= β  2 + 2  T (0, x, y ) = f ( x, y )
T (t ,0, y ) = T1
∂t  ∂x ∂y  T (t , L, y ) = T2
T (t , x,0) = T3
T (t , x, H ) = T4
T4
H

T2
T1 T1

Boundary and initial


conditions
L
T3
Simulation: Discrete-time
FLOW THROUGH VALVES
 Flow equation:

F = Cv f ( x ) ∆ P G
 where:
 F = volumetric flow
 Cv = Valve coefficient
 x = opening of the valve (from 0 to 1)
FLOW THROUGH VALVES (2)
 where:
 ∆P = Pressure drop
 G = Specific gravity of the fluid
 f(x) = Characteristic of the flow
DIFFERENT KINDS OF VALVES
 Linear:
f ( x) = x
 Nonlinear:
x −1
f ( x) = α
 Rapid opening:

f ( x) = x
THERMODYNAMICS

First law of the thermodynamics


The first law of thermodynamics is the
application of the conservation of energy
principle to heat and thermodynamic
processes. (d U = d Q + d W).
Secondlaw of the
thermodynamics
Entropy of an isolated system which is not
in equilibrium will tend to increase over
time, approaching a maximum value at
equilibrium.
d S/ d t >=0 .
THERMODYMICS
 Total energy (TE) is composed by:
 Internal energy (U);
 Kinetic energy (KE);
 Potential energy (PE).

TE = U + KE + PE
KINETIC AND POTENTIAL ENERGIES
 Kinetic energy (KE) is:

1 2
KE = mv 2
 Potential energy (PE) is:

PE = mgh
ENERGY PER UNIT OF MASS

 Energy per unit of mass:

 Then: TE = U + KE + PE

1 2
KE = v 2 PE = gh
ENERGY: CASE OF A FLUID
 Kinetic and potential energies are usually
neglected.

 In case of fluids, we use the enthalpy.

H = U + pV
Description of thermodynamic potential of a
system
L’ENTHALPIE
 Total enthalpy: H = U + pV
 Enthalpy per mole:
H$ = U$ + pV$
 Enthalpy per unit of mass:

p
H = U + pV = U +
ρ
SPECIFIC HEAT
 Thermal property of the fluid indicating the quantity
of heat that can be stored.

Q
c p = calory);
 Q = Energy (joule, BTU,
m∆ T
 m = mass (gr, lb);
 ∆T = temperature (°C, °K, °F, °R)
THERMAL CAPACITY
 Product of mass by the specific heat

Q
C = mc p =
∆T
 Q = Energy (joule, BTU, calory);
 m = mass (gramme, lb);

 ∆T = Temperature (°C, °K, °F, °R)


EQUILIBRIA REACTIONS
 The equilibrium reaction between the liquid
phase and the gas phase of the component “I” is
given by:

yi = Ki xi
EQUILIBRIUM RELATIONS (2)
 With:

 xi = Molar fraction of the liquid phase


 yi = Molar fraction of the gaz phase
 Ki = Constant of equilibrium gas/liquid
BINARY SYSTEM
(2 COMPONENTS)

αx Relation of
y= equilibrium of
 With:
1 + (α − 1) x the light
component
 x = Molar fraction of the liquid phase
 y = Molar fraction of the gas phase
 α = Constant
BINARY SYSTEM
(2 CONSTITUENTS)
 In a binary system, the liquid is constituted by
two constituents:

 Light constituent having a low boiling point.


 Heavy constituent having a high boiling point.

 Example: mixture of (light) benzene and of


toluene (heavy)
GENERAL FORM
 System of differential equations:

x&1 = f 1 ( x1 , x2 ,..., xn , u1 , u2 ,..., um , p1 , p2 ,..., pr )


x&2 = f 2 ( x1 , x2 ,..., xn , u1 , u2 ,..., um , p1 , p2 ,..., pr )
M M
x&n = f n ( x1 , x2 ,..., xn , u1 , u2 ,..., um , p1 , p2 ,..., pr )
MATRIX FORM
 Representation :

x& = f (x, u, p)
EXAMPLES
 Chemical reactor:

dV
= Fi − F V& = Fi − F
dt
Fi
dC A Fi C A = (C Ai − C A ) − kC A CB
&
= (C Ai − C A ) − kC ACB V
dt V
F
dCB Fi C& B = i (CBi − CB ) − 2 kC A CB
= (CBi − CB ) − 2 kC A CB V
dt V
& Fi
dCP Fi CP = − CP + kC A CB
= − CP + kC ACB V
dt V
EXAMPLES
Chemical reactor:

x&1 = u1 − u2
V& = Fi − F
u1
F x&2 = (u3 − x2 ) − p1 x2 x3
C& A = i (C Ai − C A ) − kC A CB x1
V
u1
Fi
CB = (CBi − CB ) − 2 kC A CB
& x&3 = (u4 − x3 ) − 2 p1 x2 x3
V x1
Fi u1
&
CP = − CP + kC A CB x&4 = − x4 + p1 x2 x3
V x1
EXAMPLES
 Chemical reactor:

x&1 = u1 − u2  u1 − u2 
u1  u1 
x&2 = (u3 − x2 ) − p1 x2 x3  x1   (u3 − x2 ) − p1 x2 x3 
&
x1  x&   x1 
  =  u1
2

u1
x&3 = (u4 − x3 ) − 2 p1 x2 x3  x&3   ( 4 u − x 3) − 2 p x x
1 2 3
x1    1 x
 x&4   u1 
u1 − x4 + p1 x2 x3 
x&4 = − x4 + p1 x2 x3  x1 
x1
GENERAL FORM: LINEAR SYSTEM
 State equations:

x&1 = a11 x1 + a12 x2 + L+ a1n xn + b11u1 + b12 u2 + L+ b1mum


x&2 = a21 x1 + a22 x2 + L+ a2 n xn + b21u1 + b22 u2 + L+ b2 mum
M M
x&n = an1 x1 + an 2 x2 + L+ ann xn + bn1u1 + bn 2 u2 + L+ bnmum
MATRIX NOTATION
 State equations:

.
x(t ) = Ax(t ) + Bu (t ),
y (t ) = Cx (t ) + Du (t ).
MATRIX FORM
 State equation:
x& = Ax + Bu
 If the system is stable, it converges to a stable
equilibrium:

x& = 0
EXAMPLES OF STABILITY
System:
 x&1   − 1 0   x1   1


 x&  =  1 − 2  x  +  0 u
 2   2  
 When u = 1, the equilibrium points are given by:

x& = 0
STABLITY −1
 x1   − 1 0   1
 System:  x  = −  1 − 2  0
 2    
 −1 0   1  1 
= − 1 1  
= 1 
 − 2 − 2   0  2 
 For u = 1, the system converges to x1 = 1 and x2 = ½.
SIMULATION TECHNIQUE
 Starting from input-output differential equations.

 Use of integrators to build a simulation scheme


SIMULATION TECHNIQUES
BLOCK

You might also like