KEMBAR78
Siemens Internal Circuit Diagram | PDF | Intellectual Works | Patent Law
0% found this document useful (0 votes)
109 views10 pages

Siemens Internal Circuit Diagram

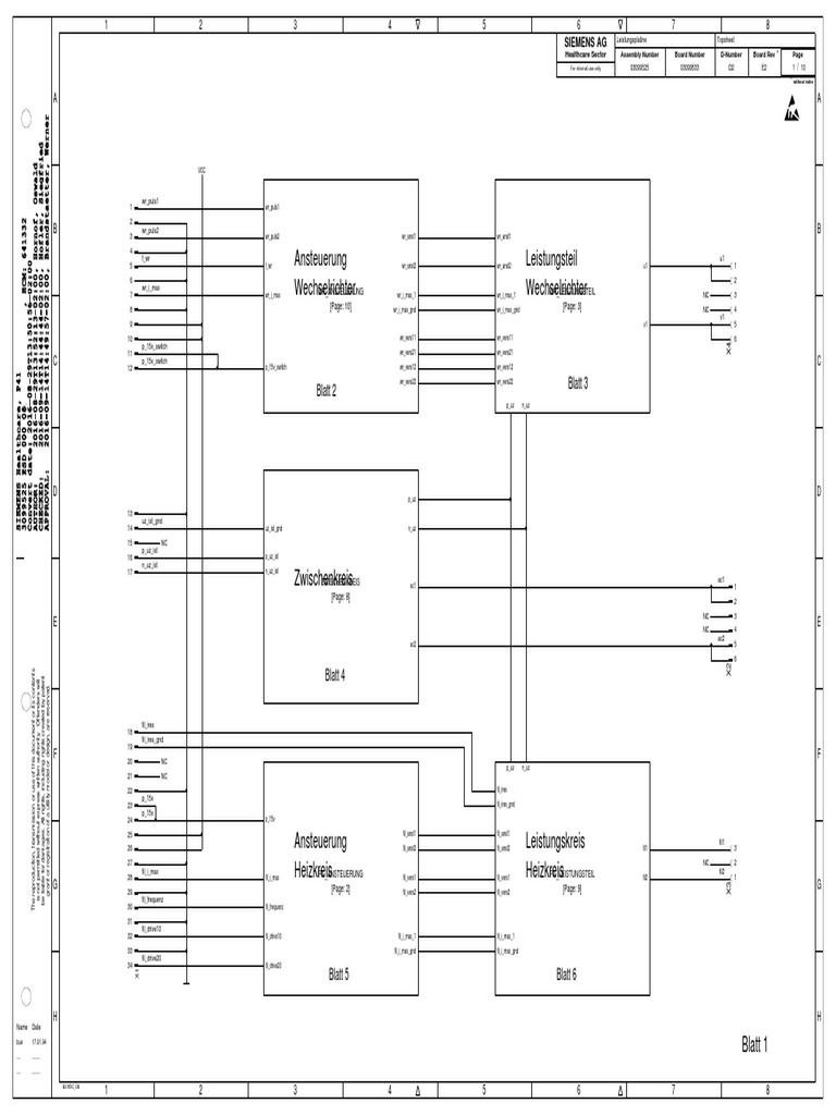
1) The document is an assembly diagram for a Leistungsplatine board from Siemens Healthcare. 2) The diagram shows the board layout and labeling for electrical connections. 3) Key labels include power connections, wiring for a inverter control unit, current monitoring points, and voltage sensing points.

Uploaded by

Mahdi
Copyright
© © All Rights Reserved
We take content rights seriously. If you suspect this is your content, claim it here.
Available Formats
Download as PDF, TXT or read online on Scribd
0% found this document useful (0 votes)
109 views10 pages

Siemens Internal Circuit Diagram

1) The document is an assembly diagram for a Leistungsplatine board from Siemens Healthcare. 2) The diagram shows the board layout and labeling for electrical connections. 3) Key labels include power connections, wiring for a inverter control unit, current monitoring points, and voltage sensing points.

Uploaded by

Mahdi
Copyright
© © All Rights Reserved
We take content rights seriously. If you suspect this is your content, claim it here.
Available Formats
Download as PDF, TXT or read online on Scribd
You are on page 1/ 10

1 2 3 4 5 6 7 8

SIEMENS AG Leistungsplatine Topsheet


Healthcare Sector Assembly Number Board Number D-Number Board Rev * Page
For internal use only 03099525 03099533 D2 E2 1 / 10
* without index

A A

VCC

wr_puls1
1 wr_puls1
2
B 3
wr_puls2
wr_puls2 wr_anst1 wr_anst1
B
4
5
f_wr
f_wr Ansteuerung wr_anst2 wr_anst2 Leistungsteil u1
u1
1
6 2
7
wr_i_max
wr_i_max Wechselrichter
WR_ANSTEUERUNG wr_i_max_1 wr_i_max_1 Wechselrichter
WR_LEISTUNGSTEIL NC 3
8 [Page: 10] wr_i_max_gnd wr_i_max_gnd [Page: 3] NC 4
v1
9 v1 5
10 wr_vers11 wr_vers11 6
p_15v_switch

X4
11 wr_vers21 wr_vers21
C 12
p_15v_switch
p_15v_switch wr_vers12 wr_vers12
C

Blatt 2
wr_vers22 wr_vers22
Blatt 3
p_uz n_uz

D p_uz
D
13
uz_ist_gnd
14 uz_ist_gnd n_uz
15 NC
p_uz_ist
16 p_uz_ist
n_uz_ist
17 n_uz_ist
Zwischenkreis
ZWISCHENKREIS ac1
ac1
1
[Page: 8] 2
NC 3
E NC 4
E
ac2
ac2 5
6

X2
Blatt 4
The reproduction, transmission or use of this document or its contents

be liable for damages. All rights, including rights created by patent


is not permitted without express written authority. Offenders will

grant or registration of a utility model or design, are reserved.

fil_ires
18
fil_ires_gnd
19
F 20 NC
F
p_uz n_uz
21 NC
22 fil_ires
p_15v
23 fil_ires_gnd
p_15v
24 p_15v
25 fil_anst1 fil_anst1
26 Ansteuerung fil_anst2 fil_anst2 Leistungskreis fil1
fil1
3
27 NC 2
28
fil_i_max
fil_i_max Heizkreis
FIL_ANSTEUERUNG fil_vers1 fil_vers1 Heizkreis
FIL_LEISTUNGSTEIL fil2
fil2
1
G G

X3
29 [Page: 2] fil_vers2 fil_vers2 [Page: 9]
fil_frequenz
30 fil_frequenz
31
fil_drive10
32 fil_drive10 fil_i_max_1 fil_i_max_1
33 fil_i_max_gnd fil_i_max_gnd
fil_drive20
34 fil_drive20
Blatt 5 Blatt 6
X1

H H
Name Date
bue
....
17.01.94
........
Blatt 1
.... ........
A3.MGC_DA
1 2 3 4 5 6 7 8
1 2 3 4 5 6 7 8
SIEMENS AG Leistungsplatine FIL_ANSTEUERUNG
Healthcare Sector Assembly Number Board Number D-Number Board Rev * Page
For internal use only 03099525 03099533 D2 E2 2 / 10
* without index

A A

VCC

74ACT132 74ACT14 V36


fil_drive10 1
3 5 6

C
2 &

B
100n

E
J30-1 J32-3 BC817-25 C38
B BC807 B
fil_anst1

E
fil_drive20

C
V34
2k21 2k21 VCC VCC

R45 150k 74ACT132 74ACT14 V35


fil_frequenz 4
NC R37 R34 6 9 8

C
VCC 5 &

B
100n

E
J30-2 J32-4 BC817-25 C39
555
C 4k75 BC807 C
fil_anst2

E
B
R42 74ACT14 74ACT14 /// 74ACT14

C
6 5
R43 R40 10k REF UK
332R 11 10 1 2 2 3 3 4 V37
fil_i_max_1
4 7
2

1
R R32
J32-5 J32-1 J32-2 VCC fil_i_max
J33

1
680p 100p 1k
100n 100n 10n
C50 C37 1k
BC817-25
fil_i_max_gnd C44 C41 C49

C
D D

B
2

E
R31 V31

VCC
E 74ACT132 VCC
E
9
8
10 &
1 1
332R J30-3 555 4k75 1k 10k 10k P_15V
The reproduction, transmission or use of this document or its contents

be liable for damages. All rights, including rights created by patent


is not permitted without express written authority. Offenders will

Pin 3 (GROUND) = GND


grant or registration of a utility model or design, are reserved.

2 R39 ///
R41 2 R46 R33 R38 K1
6 5 TSC426 BAS40-04
74ACT132 REF UK 74ACT74
12 2 3 4 5 2 7 GEM fil_vers1

2
11 S
13 & 4 7 74ACT14 2
R 1D C31
F
1 13 12 3 J35-1 V33 P_15V 2u2 500mW
F
332R J30-4 VCC
J34 1
C1
6 Pin 6 (VCC) = P_15V A2
1k
R Pin 3 (GROUND) = GND
R44 3k32 J32-6 K1 R30
2 R36 J31-1 TSC426 BAS40-04
2

1n 10n 4 5 GEM fil_vers2


C45 C48
J35-2 V32 A2
P_15V
VCC
p_15v
VCC
G G
SMCJ15A 100n 47u 2u2 10k
V30 C33 C34 C32
SMCJ5A 47u 100n 100n 100n 100n 100n 100n 2u2 R35 74ACT74
10 9
V43 C42 C43 C36 C35 C40 C47 C46 C30 S
12
1D
11
C1
13 8
R
J31-2
H H
Name Date
bue 18.01.94 Blatt 5
.... ........
.... ........
A3.MGC_DA
1 2 3 4 5 6 7 8
1 2 3 4 5 6 7 8
SIEMENS AG Leistungsplatine WR_LEISTUNGSTEIL
Healthcare Sector Assembly Number Board Number D-Number Board Rev * Page
For internal use only 03099525 03099533 D2 E2 3 / 10
* without index

A A

Kommutierungskreis
p_uz
1 1 1 1 V319 A
SMCJ36A
3k3
L303 L302 L301 K
R304 2 2 2 2
B B
L304 V318 A
5u 5u 5u 5u SMCJ36A
Ueberstromueberwachung K

V321 A V317 A
220R
Ueberspannungsueberwachung STTH3010 SMCJ36A
K K R305

100mW
R300

V300
BYV26
V316 A

10R
anst_pos SMCJ36A
h_imax_2 K
anst_gnd

K
1

2
C wr_vers1
C
H_GATE2 h_gate2

SMCJ170A

SMCJ170A
wr_vers12 wr_vers2
[Page: 5]

V304

V303
Blatt 7 47u 220n

SMCJ36A
V302
i_max
h_emitter2 C314 C313
wr_vers22 i_max_gnd

K
100mW
R301

V301
BYV26
10R

SMCJ170A

SMCJ170A
wr_i_max_1

K
1

2
BSM15GD120D

L300
Sperrkreis

V307

V306
SMCJ36A
V305
P
D D

2
3

7
8
wr_i_max_gnd anst_pos 1

A
l_imax_2
anst_gnd 2 U

K
wr_vers1
L_GATE2 3

11
12

16
17
l_gate2

225u
wr_vers2 Blatt 8 4
[Page: 6] 68n 68n 68n 68n 68n 68n 68n
i_max 5 C301 C300 C302 C303 C304 C305 C306
l_emitter2 u1
i_max_gnd 6 V
100mW
R302
NC

V320
BYV26
7
10R

8
A 9

K
1

E wr_anst1 10 W
E
11 DC-Entkopplung
SMCJ170A

SMCJ170A

12 N
V310

V309

2u2 2u2 2u2 2u2 2u2 2u2


SMCJ36A
V311

C307 C308 C309 C310 C311 C312


The reproduction, transmission or use of this document or its contents

anst_pos
V308 v1
be liable for damages. All rights, including rights created by patent

h_imax1
is not permitted without express written authority. Offenders will

wr_anst2
grant or registration of a utility model or design, are reserved.

anst_gnd
A

wr_vers1
H_GATE1 h_gate1
wr_vers2 Blatt 9
[Page: 4]
i_max n_uz
h_emitter1
i_max_gnd
F wr_vers11 F
100mW
R303

wr_vers21
V314
BYV26
10R

SMCJ170A

SMCJ170A
A

K
1

V313

V312
SMCJ36A
V315

anst_pos
K

l_imax_1
anst_gnd
A

wr_vers1
G L_GATE1 l_gate1 G
wr_vers2 Blatt 10
[Page: 7]
i_max
l_emitter1
i_max_gnd

H H
Name Date
bue
....
18.01.94
........
Blatt 3
.... ........
A3.MGC_DA
1 2 3 4 5 6 7 8
1 2 3 4 5 6 7 8
SIEMENS AG Leistungsplatine H_GATE1
Healthcare Sector Assembly Number Board Number D-Number Board Rev * Page
For internal use only 03099525 03099533 D2 E2 4 / 10
* without index

A A

B 10k 10k B
R137 V131
BC817-25
R134

BC817-25

C
2u2

V136

B
V129 C126

E
2k2 BSP315P

500mW G S

C
R132 D

A
BAS16 R130 47R
R133 10R BZX84
V135 h_gate1
V139

1
500mW

1
C C
Pin 5 = GND1
Pin 8 = VCC1
anst_pos

E
B
BZX84 1
HCPL2211

C
BAS16 2k21
2 R138 10R
V133

V140
BC807
1n D V125 D K
7 SMCJ15A

2
C124 3 G S G S R120

K
anst_gnd BSS123 BSP296 2
A
U121 V141 V128 V124

GRUEN
Versorgungsspannung!

E
A
V121 V138

B
2k21 A

GN
C
SMCJ15A
D K D
R136 V120 K
BC807
10k
V143 R121
wr_vers1
A

1 STTH1R02
T120 6 T120 100n 47u 10k
T120 3 8 T120 C128 C127 R135 VCC1
wr_vers2 h_emitter1
E E
100n 47u 10k 100n 2u2
V142 V134 C122 C120 C125 C123 Pulsanzeige
R124
A

K
The reproduction, transmission or use of this document or its contents

GND1
be liable for damages. All rights, including rights created by patent

STTH1R02
is not permitted without express written authority. Offenders will

SMCJ5A Direkt an HCPL 2211


grant or registration of a utility model or design, are reserved.

i_max

4 SFH617 1 BAS16

F 3 2 F
K

A
i_max_gnd
V122
U120
4k75 10k 332R 2k21 Ueberstrom- und Unterspannungserfassung
R126 R127 R123 R122
1k BC817-25
V123
R129 10k h_imax1
C

G G
E

BZX84 R131
V132 V126
BZX84 680p
C

V127 C121
B

BZX84
E

BC817-25
V137 V130
C
B

1k BC817-25

R128
H H
Name Date
bue 25.04.94 Blatt 9
.... ........
.... ........
A3.MGC_DA
1 2 3 4 5 6 7 8
1 2 3 4 5 6 7 8
SIEMENS AG Leistungsplatine H_GATE2
Healthcare Sector Assembly Number Board Number D-Number Board Rev * Page
For internal use only 03099525 03099533 D2 E2 5 / 10
* without index

A A

10k
10k
R77 V79
B R73 BC817-25 B

BC817-25

C
B
2u2

V76

E
2k2 V81
500mW BSP315P C66
G S

C
R71

B
D

A
BAS16 R69 47R
R74 10R BZX84
V77 h_gate2
V78

1
500mW

2
Pin 5 = GND2

E
anst_pos Pin 8 = VCC2 BZX84 SMCJ15A

B
C BAS16 C

C
HCPL2211 D V74 V72 D 1
2k21
V82

V75
BC807
2 R78 10R
G S G S

K
1n 7

2
BSS123 BSP296

3
C63 V70 V80 2 R60 V83 A
SMCJ15A
anst_gnd U61

GRUEN
K

C
2k21
A V60

GN
10k V73
R76 BC807
R63 K

D D
V63
wr_vers1
A
Pulsanzeige
K
1 STTH1R02
T60 6 T60 100n 47u 10k
T60 3 8 T60 C68 C67 VCC2
R75
wr_vers2 h_emitter2

100n 47u 10k 100n 2u2


E V61 V62 C62 C60 C65 C64 E
R64
A

STTH1R02
GND2
Direkt am HCPL2211
SMCJ5A
i_max
The reproduction, transmission or use of this document or its contents

be liable for damages. All rights, including rights created by patent


is not permitted without express written authority. Offenders will

grant or registration of a utility model or design, are reserved.

4 SFH617 1 BAS16
3 2

A
i_max_gnd
V66
F U60 F
4k75 10k 332R 2k21 Ueberstrom- und Unterspannungserfassung
R66 R65 R61 R62
1k BC817-25
V68
R68 10k h_imax_2
C

B
E

BZX84
R70
V69 V64
G BZX84 680p G
C

V67 C61
B

BZX84 BC817-25
V71 V65
C
B

1k BC817-25

R67

H H
Name Date
bue 25.04.94 Blatt 7
.... ........
.... ........
A3.MGC_DA
1 2 3 4 5 6 7 8
1 2 3 4 5 6 7 8
SIEMENS AG Leistungsplatine L_GATE2
Healthcare Sector Assembly Number Board Number D-Number Board Rev * Page
For internal use only 03099525 03099533 D2 E2 6 / 10
* without index

A A

10k 10k
B V99 B
R108 BC817-25
R104

BC817-25

C
V106

B
V98 2u2

E
2k2
C96
BSP315P

500mW G S

C
R102 D

A
BAS16 R100 47R l_gate2
BZX84
R103 10R V104
V109

1
500mW

2
C Pin 5 = GND4
Pin 8 = VCC4
C
anst_pos SMCJ15A
V108

E
BZX84 1
HCPL2211

B
BAS16 2k21
R107 10R

C
2
7
D V101 V95 D

V110
BC807
1n

2
3 G S G S R90

K
C94 BSS123 BSP296 2 V107 A

anst_gnd U91 V111 V97 SMCJ15A

GRUEN
K

E
2k21
V92

B
A

GN
C
R106 10k V93 K
D BC807 D
R91
V113
wr_vers1
A

K
1 STTH1R02 10k
T90 6 T90 100n 47u
T90 3 8 T90 C98 C97 R105 VCC4
wr_vers2 l_emitter2
10k
E 100n 47u 100n 2u2 E
V112 V103 C92 C90 C95 C93
R94
A

STTH1R02 GND4
SMCJ5A Direkt am HCPL2211
The reproduction, transmission or use of this document or its contents

be liable for damages. All rights, including rights created by patent


is not permitted without express written authority. Offenders will

i_max
grant or registration of a utility model or design, are reserved.

4 SFH617 1 BAS16
3 2

A
i_max_gnd
F V90 F
U90
4k75 10k 332R 2k21 Ueberstrom- und Unterspannungserfassung
R96 R97 R93 R92
1k BC817-25
V91
R99 10k l_imax_2
C

B
E

BZX84 R101
G V96 G
V102
BZX84 680p
C

V94 C91
B

BC817-25
BZX84
V105 V100
C
B

1k BC817-25

R98
H H
Name Date
bue 25.04.94 Blatt 8
.... ........
.... ........
A3.MGC_DA
1 2 3 4 5 6 7 8
1 2 3 4 5 6 7 8
SIEMENS AG Leistungsplatine L_GATE1
Healthcare Sector Assembly Number Board Number D-Number Board Rev * Page
For internal use only 03099525 03099533 D2 E2 7 / 10
* without index

A A

10k 10k
B V159 B
R163 2 R168 BC817-25
1

BC817-25

C
2u2

V165

B
V157 C156

E
2k2 BSP315P 2
500mW G S

C
R162 D

A
E
BZX84 BAS16
V164 R160 47R l_gate1
R164 10R V171

1
500mW

1
Pin 5 = GND3
C Pin 8 = VCC3
C
BZX84

E
BAS16

B
anst_pos HCPL2211 V161 V155 D 1

C
D 2k21
2 R166 10R K

V169
BC807
G S

K
7 G S SMCJ15A

1
BSP296

1n 3 BSS123

V158 2 R150 A V167


C154 V173
anst_gnd U151

GRUEN
B
V168

C
2k21 A
A V151

GN
SMCJ15A
V152 K
R167 10k BC807 K
D R151 D
0SF
V172
wr_vers1 A

K
1 STTH1R02 Pulsanzeige
T150 6 T150 100n 47u 10k
T150 3 8 T150 C158 C157 R165 VCC3
wr_vers2 1SF l_emitter1

E 100n 47u 10k 100n 2u2 E


V170 V163 C152 C150 C155 C153
R154
A

STTH1R02
SMCJ5A GND3
The reproduction, transmission or use of this document or its contents

be liable for damages. All rights, including rights created by patent


is not permitted without express written authority. Offenders will

i_max
grant or registration of a utility model or design, are reserved.

4 SFH617 1 BAS16
3 2

A
i_max_gnd
F V153 F
U150
1k 4k75 10k 332R 2k21 Ueberstrom- und Unterspannungserfassung
R159 R156 R157 R153 R152
BC817-25
BZX84 V150
V160 10k l_imax_1
C

B
E

R161
G BZX84 V156 G
V166 BZX84 680p
C

V154 C151
B

V162
E

BC817-25
C
B

1k BC817-25

R158

H H
Name Date
bue 25.04.94 Blatt 10
.... ........
.... ........
A3.MGC_DA
1 2 3 4 5 6 7 8
1 2 3 4 5 6 7 8
SIEMENS AG Leistungsplatine ZWISCHENKREIS
Healthcare Sector Assembly Number Board Number D-Number Board Rev * Page
For internal use only 03099525 03099533 D2 E2 8 / 10
* without index

A A

F1
ac1
p_uz
10A T NC

100n 100n
B C401 C400 R406 R405 R404 R403 R402 B
zu V401
~

1
2

1
2

1
- + 10k 10k 10k 10k 10k
500mW 500mW 500mW 500mW 500mW
2
~ V401 10k
R401
500mW
Auf entsprechende Kuehlflaeche achten
1
100n 100n 470u 470u 470u 470u 30k
15W 220n
C407 C402 C405 C404 C403 C406

ROT
C200 A V400

RD
F2 R400
ac2
K
C C
10A T
n_uz

Masseanschluss
X10

1
221k 221k
100mW 100mW

D R407 R422 D
221k 221k
100mW 100mW
R408 R421
221k 221k
100mW 100mW
Widerstaende in einer Linie anordnen
R409 R420 (Isolation fuer 300 V)

267k 267k
E 100mW 100mW E
R410 R419
267k 267k
The reproduction, transmission or use of this document or its contents

100mW 100mW
be liable for damages. All rights, including rights created by patent
is not permitted without express written authority. Offenders will

grant or registration of a utility model or design, are reserved.

R412 R418
267k 267k
100mW 100mW
R414 R417
F F
p_uz_ist

n_uz_ist
10k 10k
100mW 100mW A V403
BZX84 10n R411 R416 10n BZX84
V402 C408 C409 K
10k 10k
100mW 100mW

G R413 R423 G
10k 10k
100mW 100mW
R415 R424
uz_ist_gnd

H H
Name Date
bue 18.01.94
.... ........ Blatt 4
.... ........
A3.MGC_DA
1 2 3 4 5 6 7 8
1 2 3 4 5 6 7 8
SIEMENS AG Leistungsplatine FIL_LEISTUNGSTEIL
Healthcare Sector Assembly Number Board Number D-Number Board Rev * Page
For internal use only 03099525 03099533 D2 E2 9 / 10
* without index

A A

SFH617 R202 R203 R204 R214 R212


fil_i_max_1 4 1 V210 100R 100R 100R 100R 100R
B 3 2 R211 500mW 500mW 500mW 500mW 500mW B
p_uz
fil_i_max_gnd V200 10R
U200 BYV26
VCC5 10k 332R 1k

A
C205 100p Pin 5 = GND5 R207 R205 R201 L200
Pin 8 = VCC5
V206BAS16 BC817-25 R215

2
V217

V209
HGTG12N60
HCPL2211 22u
MBRS1100 V208 100n R210 2 R2131k V205 V201 22R 500mW
7 STTH3010 6n8
C202 1k 3 2k21
R200 V211 V213 V212 1500V

GRUEN
1 BC807 BC817-25 V215 C208
4 T200 35V U201 V203
C A C

GN
5
100n 47u 3k32 V204 680p SMCJ15A SMCJ170A SMCJ36A SMCJ36A SMCJ36A
C204 C203 R206 C201 STTH3010
2 BZX84 V207 R221 R218
V202 K

GND5 500mW
100R 100R 100R 100R 100R

fil_anst1
R225 R216 R217 100n
4W
C213
56k
D 4 SFH617 1 D
V226 R209
3 2 R229

U203 V223 10R 100n


BYV26
VCC6 C206

A
10k 332R 1k
4W 47u
C212 100p Pin 5 = GND6 R227 R226 R228 SMCJ170A
Pin 8 = VCC6 V216BAS16 BC817-25 R222 56k C215
V222

HGTG12N60
HCPL2211 R208

V225
MBRS1100 V219 V220 3
V214 100n R219 2 R2201k BC817-25
22R
22 L201
7 2k21 500mW 100n T201 6n8
fil_vers1 C209 1k 3 12m
R224

GRUEN
8 1500V
6 1 BC807 C216 21

2
E T200 3
35V U202 100:1 C207 E

GN
100n 47u 3k32 V224 680p SMCJ15A
1 2 C210 2 C211 R223 BZX84 C214 V221
V218
n_uz
The reproduction, transmission or use of this document or its contents

4
fil_vers2 GND6
be liable for damages. All rights, including rights created by patent
is not permitted without express written authority. Offenders will

12m
grant or registration of a utility model or design, are reserved.

fil_anst2
L202 3m3

2
fil1
F F
8 L203 11
fil2

4
ÄAenderung 84 704: 250uH 3m3

L202 wird nicht bestueckt und wird mit Flickdraehten ueberbrueckt. fil_ires

G R215 und R222 werden durch 22 Ohm (46 90 871) ersetzt. 150R 182R
G

V209 und V225 werden durch IGBT (30 64 177) ersetzt. R113 R230
fil_ires_gnd

H H
Name Date
.... ........ Blatt 6
.... ........
.... ........
A3.MGC_DA
1 2 3 4 5 6 7 8
1 2 3 4 5 6 7 8
SIEMENS AG Leistungsplatine WR_ANSTEUERUNG
Healthcare Sector Assembly Number Board Number D-Number Board Rev * Page
For internal use only 03099525 03099533 D2 E2 10 / 10
* without index

A A
VCC

V1

C
V5BAS16

B
100n

E
BC817-25 C11

A
74ACT132 74ACT14 BC807 R9 1k
wr_puls1 1 wr_anst1

E
3 3 4

B
2 &

1
C
B V2 B
J1-1 J4-2
VCC
74ACT132 74ACT14 V4
wr_puls2 4
6 5 6

C
5 &
V6BAS16

B
100n

E
2k21 2k21
J1-2 J4-3 BC817-25 C15

A
R2 R1 BC807 R13 1k
wr_anst2

E
f_wr

B
NC

1
C
C C
V3

VCC
VCC
R8 150k
VCC R20 1k

1
wr_i_max

1
555 R19 1k BC817-25
4k75
D D

C
B
2

E
R11 74ACT14 74ACT14 6 /// 5 74ACT14 V13
R12 332R R10 10k REF UK
wr_i_max_1 9 8 11 10 2 3 1 2
4 7
2

R
J4-4 J4-5 J4-1
J3 VCC7
100n 10n Pin 3 (GROUND) = GND
470p 100p
100n C5 C10 K1 BAS40-04
C12 C14
wr_i_max_gnd C6 TSC426 C20 2u2
2 7 GEM wr_vers11

2
E E

332R
R21
J7-1 VCC7
A2 V10 1k
VCC
Flickaenderung Ae.Nr. 641332 Pin 3 (GROUND) = GND 500mW
74ACT132 Pin 6 (VCC) = VCC7 K1
The reproduction, transmission or use of this document or its contents

TSC426 BAS40-04 R18


be liable for damages. All rights, including rights created by patent

9 VCC
is not permitted without express written authority. Offenders will

8 J5,Pin7 mit J6, Pin3 verbinden


grant or registration of a utility model or design, are reserved.

10 & 4 5 GEM wr_vers21


1 und R21 bis
J1-3 555 4k75 1k 10k 10k

332R
R22
R24 hinzufuegen VCC7
332R J7-2 V9
Pin 3 (GROUND) = GND A2 Spannungsversorgung
R5 ///
R4 2 R6 R15 R14 K1
F 6 5 TSC426 BAS40-04 F
74ACT132 REF UK 74ACT74
12 2 3 4 5 2 7 GEM wr_vers12

2
11 S
13 & 4 7 74ACT14 2
R 1D C18 2u2

332R
R23
13 12 3 J6-1 VCC7 V8
J1-4 VCC
J2 1
C1
6 Pin 6 (VCC) = VCC7 A2 1k
332R R Pin 3 (GROUND) = GND 500mW
R7 3k32 J4-6 K1
R3 J5-1 TSC426 BAS40-04 R17
2

1n 10n 4 5 GEM wr_vers22


C7 C8

332R
R24
G Flickaenderung 7812 J6-2 V7 A2 VCC G
VCC CONST
p_15v_switch VCC7 10k
IN //// V OUT
+U +
G
-U R16 74ACT74
220n 10 9
SMCJ5A 47u 100n 100n 100n 100n 100n 100n 2u2
C500 J50 12
S
V12 C2 C16 C13 C3 C9 C1 C4 C23 SMCJ15A 2u2 100n 47u 100n 1D
11
V11 C21 C17 C19 C22 C1
13 8
R

H J5-2 H
Name Date
bue
....
18.01.94
........
Blatt 2
CO_00032740: V500 durch Bruecke ersetzt
.... ........
A3.MGC_DA
1 2 3 4 5 6 7 8

You might also like