KEMBAR78
Solar Central Inverter PVS980 Engineering Document - Rev 01 | PDF | Power Inverter | Alternating Current
100% found this document useful (1 vote)
2K views29 pages

Solar Central Inverter PVS980 Engineering Document - Rev 01

Uploaded by

Eswaran Civil
Copyright
© © All Rights Reserved
We take content rights seriously. If you suspect this is your content, claim it here.
Available Formats
Download as PDF, TXT or read online on Scribd
100% found this document useful (1 vote)
2K views29 pages

Solar Central Inverter PVS980 Engineering Document - Rev 01

Uploaded by

Eswaran Civil
Copyright
© © All Rights Reserved
We take content rights seriously. If you suspect this is your content, claim it here.
Available Formats
Download as PDF, TXT or read online on Scribd
You are on page 1/ 29

2020

Solar Central Inverter PVS980


Engineering Document - Rev 01

CUSTOMER: KSV cotton Mills Pvt. Ltd


PROJECT NAME: 2 MW Solar Power Plant
FIMER REFERENCE NUMBER: 3AYN2073050-HAA
SALE ORDER NO: 4202278313
TOTAL INVERTER QTY: 1
PROJECT MANAGER: JAYAPRABHA R
INVERTER CONFIGURATION: PVS980-58-2091kVA-
L+K473+F296+G317+12H382+G415+G430+N840+P928
2020
EP- Power and Electric Vehicle Infrastructure -Solar Product Group
Index Sheet

SL no. Description
1 Inverter Technical Specifications
2 Transformer Specifications
3 Temperature, Power & Efficiency curve
4 Single Line Diagram
5 General Arrangement Drawing
6 Free space requirements
7 Foundation Detail and cabling details
8 Electrical Safety
9 Modification History

Confidential
We reserve all rights in this document and in the information contained therein. Reproduction, use or disclosure to
third parties without express authority is strictly forbidden. © FIMER. PROPRIETARY AND SECRET INFORMATION.
INVERTER GENERAL TECHNICAL PARAMETERS
A TOTAL INVERTER QUANTITY 1
B INVERTER DATA
PVS980
58
1 Product Model
2091 kVA
L
2 Inverter Type (Monolithic / Modular) Modular
3 Switching Element and Technology PWM Controlled IGBT based Three Level Inverter
4 Number of IGBT Module (Stack) in Inverter 2 X R35i Module
5 MPPT Tracker - Master slave/ Multi MPPT MPPT single
6 No. of MPPT Trackers/Controller 1
7 Degree of Protection IP 56/66 *
C INPUT VARIABLES
1 Max. allowed PV field power 3346 kWp
2 Max. DC Power/Nominal AC Power ratio 160%
3 DC Voltage range MPP(Udc,mpp) at 35°C 978 - 1500 V
4 DC Voltage range MPP(Udc,mpp) at 50°C 978 - 1100 V
5 Max. Permissible DC voltage(Umax (DC)) 1500 Vdc
6 Max. Permissible DC current (Ipc max) 2400 A
7 Number of DC inputs 12H382 - 12 DC inputs
8 DC Side grounding Negative grounding
9 DC Side Fuses 400 A
10 DC Surge Arresters Type 2 SPD - Standard
D OUTPUT VARIABLES
1 Nominal AC voltage(UN (AC)) 690 V + 10%
2 Type of Phase Connection 3 Phase, 3 Wire , IT type
3 Nominal AC current (IN (AC)) 1750 A
4 Maximum AC current (IMAX (AC)) 1925 A
5 Output Frequency 50Hz (± 10%)
6 Power factor range (cos phi) 0…1
7 Distribution Network type 3 Phase, IT (floating) networks
8 Harmonic Distortion, Current < 3% at nominal load (under ideal conditions)
9 Nominal Rating 2091 kVA at 50°C
10 Maximum Rating 2300 kVA at 35°C
11 Disconnection from Grid +F296 , Controllable and Motorised MCCB with LS-I protection
12 AC Surge Arrester Type 2 SPD - Standard
13 Connection Method +G317, AC Output with Busbar
E POWER CONSUMPTION & EFFICIENCY
1 Maximum efficiency(Without Aux. power consumption) 98.8%
2 Euro efficiency(Without Aux. power consumption) 98.6%
3 CEC efficiency (With Aux Power Included) 98.5%
4 Own Power consumption (Operation) 2500 W
5 Own Power consumption (Standby/Night Time) 235 W
6 Auxiliary Power Supply +G415, Internal Auxiliary Power(power transformer)
7 Axuliary Power output for Customer +G430 - Terminals for external auxiliary transformer 63 A fuse

* Excluding under-pressure testing, IP56 with under-pressure, Inverter has internal mechanism that prevent under-pressure inside the cabinet.

Rev-No. Description and Date of Revision Prepared by Thomas Antony Doc No.
01 GTP updated as per customer requirement & 11.12.2020 Approved by Prasanna Kumar L 3AYN2073050-HAA
Customer Title Dept. EPSO-Solar
KSV cotton Mills Pvt. Ltd INVERTER DATASHEET Sheet A4
Project Lang. English
2 MW Solar Power Plant FIMER-SOLAR Page 1 of 2

Confidential
We reserve all rights in this document and in the information contained therein. Reproduction, use or disclosure to third parties without express
authority is strictly forbidden. © FIMER. PROPRIETARY AND SECRET INFORMATION.
INVERTER GENERAL TECHNICAL PARAMETERS
F CABINET DATA
1 Inverter Dimension (W/H/D) in mm 3182 / 2366 / 1513
2 Total Weight [kg] 3850 kg approx.

G ENVIRONMENT LIMIT
1 Ambient Temperature Range (Nominal Rating) -20 ...+50 DegC
2 Maximum Ambient Temperature (Operational) +60 DegC
3 Relative Humidity 5 ... 100%, Non Condensing
4 Nominal Altitude 1000 meter above Sea Level
5 Maximum Altitude (with power derating) 4000 meter above Sea Level
6 Maximum Noise Level ** < 88 dB(A) at one meter
** At partial power, typically less than 75 dbA
H USER INTERFACE AND COMMUNICATIONS
1 Local User Interface ABB Control Panel ( LCD Display with Keypad)
2 Fieldbus connectivity (Standard) +K473, Ethernet Adapter (Modbus TCp/IP, Profinet; 1 - port)
3 Emergency stop switch Yes
4 Display of Alarm and Fault Display is available
5 Display of AC and DC Parameter Display is available
5 Display of Energy Generation Display is available

I CABLE TERMINATION
1 Cable Entry/Exit Bottom Entry with undrilled gland plates
2 AC Termination Busbar Details 160 X 20, Tinned Al Busbar with M12 holes for termination
3 DC Termination Busbar Details Tinned Cu Busbar with M12 holes for termination

4 Recommended AC Cable Termination G317 - AC output with busbar


5 Recommended DC Cable Termination 1Cx1R per pole with maximum cable size 35 mm in dia.
6 Recommended Earthing Cable Termination 300 sq. mm

J GRID SUPPORT AND GRID FUNCTION

Grid Monitoring, Anti-islanding, Under/Over voltage and frequency protection, LVRT/HVRT Support, Reactive Power Compensation, Night time
Reactive Power Support, Insulation Monitoring, Over temperature protection, DC Reverse Polarity, Over Current Protection.

K Applicable Standards

IEC Conformity: IEC61000-6-2, EN55011, IEC61727, IEC62116, IEC61683, IEC60068-2, BS-EN 60529, IEC62910, IEC 62109
Other: BDEW

Other Additional Option Codes :


1.N840-Power Limited to 2000KVA@690 V AC
2.G430- Terminals for external auxiliary transformer
Rev-No. Revision Description & Date Prepared by Thomas Antony Doc No.
01 GTP updated as per customer requirement & 11.12.2020 Approved by Prasanna Kumar L 3AYN2073050-HAA
Customer Title Dept. EPPE
KSV cotton Mills Pvt. Ltd INVERTER DATASHEET Sheet A4
Project Lang. English
2 MW Solar Power Plant FIMER-SOLAR Page 2 of 2

Confidential
We reserve all rights in this document and in the information contained therein. Reproduction, use or disclosure to third parties without express
authority is strictly forbidden. © FIMER. PROPRIETARY AND SECRET INFORMATION.
We reserve all rights in this document and in the information contained therein. Reproduction, use or disclosure to
third parties without express authority is strictly forbidden. © Fimer. PROPRIETARY AND SECRET INFORMATION.
PVS980-58-2091kVA- L : Temperature Vs AC Power Curve
(Elevation : 1000 m)

We reserve all rights in this document and in the information contained therein. Reproduction, use or disclosure to
third parties without express authority is strictly forbidden. © Fimer. PROPRIETARY AND SECRET INFORMATION.
FIMER PVS980-58-2091kVA-L
Power Efficiency Curves at Various DC Input Voltages, at 50°C

Please Note : As per IEC61683 test Reports

We reserve all rights in this document and in the information contained therein. Reproduction, use or disclosure to
third parties without express authority is strictly forbidden. © Fimer. PROPRIETARY AND SECRET INFORMATION.
DC voltage based derating
The available output power of the inverter depends on both the input DC voltage and the
ambient temperature. The illustration shows this relation (for elevations below 1000 m).
The behavior of the inverter corresponds to the actual PV panel behavior at high
temperatures and ensures optimal performance of the whole PV plant.

The minimum operational DC voltage varies based on the inverter AC voltage:


• PVS980-58-1818kVA-I: 850 V DC
• PVS980-58-1909kVA-J: 893 V DC
• PVS980-58-2000kVA-K: 935 V DC
• PVS980-58-2091kVA-L: 978 V DC

We reserve all rights in this document and in the information contained therein. Reproduction, use or disclosure to
third parties without express authority is strictly forbidden. © Fimer. PROPRIETARY AND SECRET INFORMATION.

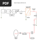
No. Description No. Description

1. Customer DC connections 11. AC fuses

2. DC input fuses, fuses only on 12. Internal auxiliary supply (+G415)


positive (+) DC poles (negative
grounding).

13. AC surge arrester, Type 2 as


standard
4. DC surge arrester, Type 2 as 14. Optional
standard AC breakers (+F296)

5. DC contactors 15. 3-Phase 63A Fused output


(+G430)
6. Negative DC grounding as 16. MV transformer
standard.

7. Insulation resistance 17. MV grid


measurement
8. Power modules 18. 1-phase socket output

9 LCL filters 20. Inverter control power

10. AC contactors (and charging


system)

Confidential
We reserve all rights in this document and in the information contained therein. Reproduction, use or disclosure to third
parties without express authority is strictly forbidden. © FIMER. PROPRIETARY AND SECRET INFORMATION.
We reserve all rights in this document and in the information contained therein. Reproduction, use or disclosure to
third parties without express authority is strictly forbidden. © Fimer. PROPRIETARY AND SECRET INFORMATION.
We reserve all rights in this document and in the information contained therein. Reproduction, use or disclosure to
third parties without express authority is strictly forbidden. © Fimer. PROPRIETARY AND SECRET INFORMATION.
Note: All dimensions are in mm[inch]

We reserve all rights in this document and in the information contained therein. Reproduction, use or disclosure to
third parties without express authority is strictly forbidden. © Fimer. PROPRIETARY AND SECRET INFORMATION.
Note: All dimensions are in mm[inch]

We reserve all rights in this document and in the information contained therein. Reproduction, use or disclosure to
third parties without express authority is strictly forbidden. © Fimer. PROPRIETARY AND SECRET INFORMATION.
We reserve all rights in this document and in the information contained therein. Reproduction, use or disclosure to
third parties without express authority is strictly forbidden. © Fimer. PROPRIETARY AND SECRET INFORMATION.
Suitable for M16 Bolt

Note: All dimensions are in mm[inch]


We reserve all rights in this document and in the information contained therein. Reproduction, use or disclosure to
third parties without express authority is strictly forbidden. © Fimer. PROPRIETARY AND SECRET INFORMATION.
Note : Air filter louver design will be as per latest drawing as shown in GA drawing.All the dimensions are in mm.

We reserve all rights in this document and in the information contained therein. Reproduction, use or disclosure to
third parties without express authority is strictly forbidden. © Fimer. PROPRIETARY AND SECRET INFORMATION.
We reserve all rights in this document and in the information contained therein. Reproduction, use or disclosure to
third parties without express authority is strictly forbidden. © Fimer. PROPRIETARY AND SECRET INFORMATION.
We reserve all rights in this document and in the information contained therein. Reproduction, use or disclosure to
third parties without express authority is strictly forbidden. © Fimer. PROPRIETARY AND SECRET INFORMATION.
We reserve all rights in this document and in the information contained therein. Reproduction, use or disclosure to
third parties without express authority is strictly forbidden. © Fimer. PROPRIETARY AND SECRET INFORMATION.
SPECIAL INSTRUCTIONS TO BE FOLLOWED WHEN ACCESSING THE INVERTER
DOORS OR GLAND PLATES & INVERTER CABLE CONNECTION

1. Inverter should not be kept in doors open condition.


2. For the cable termination, if the gland plates are removed it needs to be
temporarily closed with some arrangement till fixing the original gland
plates to protect any foreign object entry.
3. The glands should be completely sealed.
4. At any point, Inverter door and gland plates should not be on open
condition.

Confidential
We reserve all rights in this document and in the information contained therein. Reproduction use or disclosure
to third parties without express authority is strictly forbidden.
© FIMER India. PROPRIETARY AND SECRET INFORMATION.
Modification Record
Revision Date Modification Issue Prepared by Approved by
00 27/11/2020 Initial Issue Thomas Antony Prasanna Kumar L
GTP updated as per
01 11/12/2020 customer Thomas Antony Prasanna Kumar L
requirement

Confidential
We reserve all rights in this document and in the information contained therein. Reproduction, use or disclosure
to third parties without express authority is strictly forbidden.
© FIMER. PROPRIETARY AND SECRET INFORMATION.
The Voltage measurement of the Inverter are through BAMU Board(ABB Make) and Measurement
are through CT. The details of the same are in the next page.
18 Technical data

Ambient conditions
BAMU-12C measurement unit complies with RoHS directive (2002/95/EC).
Operating temperature without self-heating: 0… +70 °C (32…158 °F)
Storage temperature: -40…+85 °C (-40…185 °F)
Maximum relative humidity: 90% (non-condensing)
Maximum operating altitude: 4000 m (13123 ft)

Voltage measurement specification


Number Two identical, independent measurements channels. Both channels
include three (phase) voltage inputs and neutral input (U1, V1, W1, N1
and U2, V2, W2, N2)
Measurement range ±2.0 kV peak (phase-to-phase)
Typical error <0.5% at 25 °C (77 °F)
Maximum error <1.25% over full temperature range

Current measurement specification


Range ±2.5 A peak
Input impedance <0.5 Ω
Typical error <0.5% at 25 °C (77 °F)
Maximum error <1.25% over full temperature range

Current Measurement CT:

You might also like