KEMBAR78
DSP Pre-Amplifier for Audio Pros | PDF | Loudspeaker | Digital Signal Processing
100% found this document useful (1 vote)
760 views12 pages

DSP Pre-Amplifier for Audio Pros

The document describes an audio DSP module with the following key features: - 2 channel analog audio input and 4 channel balanced audio output - Audio processing powered by Analog Devices ADAU1701 SigmaDSP chip - Compact size of 100mm x 55mm x 20mm - Support for analog audio input and digital I2S input/output - Optional Bluetooth plug-in module available for wireless audio streaming - On-board potentiometers for basic audio tuning and adjustment

Uploaded by

Nicolae Nechifor
Copyright
© © All Rights Reserved
We take content rights seriously. If you suspect this is your content, claim it here.
Available Formats
Download as PDF, TXT or read online on Scribd
100% found this document useful (1 vote)
760 views12 pages

DSP Pre-Amplifier for Audio Pros

The document describes an audio DSP module with the following key features: - 2 channel analog audio input and 4 channel balanced audio output - Audio processing powered by Analog Devices ADAU1701 SigmaDSP chip - Compact size of 100mm x 55mm x 20mm - Support for analog audio input and digital I2S input/output - Optional Bluetooth plug-in module available for wireless audio streaming - On-board potentiometers for basic audio tuning and adjustment

Uploaded by

Nicolae Nechifor
Copyright
© © All Rights Reserved
We take content rights seriously. If you suspect this is your content, claim it here.
Available Formats
Download as PDF, TXT or read online on Scribd
You are on page 1/ 12

EDSP-1701-24-A www.3e-audio.

com

2 Channel in 4 Channel out


ADAU1701 Sigma DSP Pre-Amplifier
with Bluetooth Plug-in Module

Disclaimer
All products, product specifications and data are subject to change without notice to improve
reliability, function or design or otherwise.

Rev 1.0 1
EDSP-1701-24-A www.3e-audio.com

Contents
1. General Description ........................................................................................................................ 3
1.1 Key Features:............................................................................................................................ 3
1.2 Applications: ............................................................................................................................ 3
2. Audio Specifications ........................................................................................................................ 4
3. Board Drawing ................................................................................................................................ 5
4. Connection Diagram ....................................................................................................................... 6
4.1 Input Signal Connector Specification (PJ1) .............................................................................. 6
4.2 Output Signal Connector Specification (J8&J10&J10&J14) ..................................................... 6
4.3 Power Supply Input connector Specification (J19) .................................................................. 6
4.4 Digital I2S Input/output connector Specification (J5).............................................................. 6
4.5 MP Connector Specification (J4) .............................................................................................. 7
4.6 Potentiometer Specification .................................................................................................... 7
4.7 AMP Reset IO Specification (J1&J20) ....................................................................................... 7
5. Typical Performance Characteristics .............................................................................................. 8
5.1 Frequency Response (2Vrms) .................................................................................................. 8
5.2 THD+N vs Output Level ............................................................................................................ 9
5.3 THD+N vs Frequency (2Vrms) ................................................................................................ 10
6. Bluetooth Plug-in Module ............................................................................................................. 11
7. Revisions ....................................................................................................................................... 12

Rev 1.0 2
EDSP-1701-24-A www.3e-audio.com

1. General Description
EDSP-1701-24-A is a 2 channel in 4 channel out DSP pre-amplifier module base on ADAU1701 Sigma
DSP with customized design and mainly suit for both consumer and professional project.
The ADAU1701 is a complete single-chip audio system with a 28-/56-bit audio DSP, ADCs, DACs, and
microcontroller-like control interfaces. Signal processing includes equalization, crossover, bass
enhancement, multiband dynamics processing, delay compensation, speaker compensation, and
stereo image widening. This processing can be used to compensate for real-world limitations of
speakers, amplifiers, and listening environments, providing dramatic improvements in perceived
audio quality.
With improved and customized design to obtain highest performance and lowest cost, this module
provide an excellent audio solution that highly compact and efficiency into the audio product
design.

1.1 Key Features:


• < 25uV Output Noise (AES17,A-weighted)
• >3Vrms @ 1% THD+N (Balance Output)
• 102dBA dynamic range
• Support both Analog input and digital I2S input/output
• Very Compact size(100mm*55mm*20mm – L*W*H)
• Balance output for best matching TPA32xx series amplifier module
• Selectable Power supply input (TPA32xx module AUX VCC or Micro USB)
• Bluetooth plug-in option for wireless audio streaming
• On board USBi connector for online design with sigma-studio
• On board Potentiometer for basic audio tuning(Bass,Treble,Volume,etc)

1.2 Applications:
• Multimedia speaker systems
• MP3 player speaker docks
• Automotive head units
• Minicomponent stereos
• Digital televisions
• Studio monitors
• Speaker crossovers
• Musical instrument effects processors
• In-seat sound systems (aircraft/motor coaches)

Rev 1.0 3
EDSP-1701-24-A www.3e-audio.com

2. Audio Specifications
Symbol Parameter Conditions Min Type Max Unit
Vin Single-end input voltage Full-Scale - 1.1 1.2 Vrms
Vout Balance output voltage <1% THD+N - 3 - Vrms
Vnoise Output referenced idle noise A-weighted - 25 35 uV
20Hz < f < 20kHz
THD+N THD+N in 20kΩ, f =1kHz Analog in - 0.007 0.009 %
2Vrms balance output Digital in - 0.002 0.003
AV Op-Amp voltage gain f = 1kHz 9 10 11 dB
Fr Frequency response 20Hz - 20kHz +/-0.5 +/-1 dB
Zin Input impedance Single-end - 10 - kΩ
S/N Signal to Noise Rate 2Vrm,A-weighted 100 102 104 dB
I2Sin I2S in channel digital input - 2 - CH
I2Sout I2S out channel digital output - 4 - CH
*Full-scale input voltage can meet 2Vrms by changing input resistor: 8.2kohm->18kohm
*Input source will auto switch to 3.5mm AUX In once it is inserted

Rev 1.0 4
EDSP-1701-24-A www.3e-audio.com

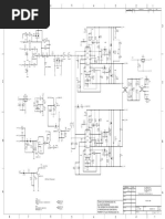
3. Board Drawing

Figure 1: Board Top view

Figure 2: Board Bottom view

Rev 1.0 5
EDSP-1701-24-A www.3e-audio.com

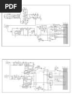
4. Connection Diagram

4.1 Input Signal Connector Specification (PJ1)


Type: 3.5mm Phone Jack
PIN Function Description I/O Type
1 AGND Ground of the input signal GND
2 IN-Left Left channel input Audio Input
3 IN-Right Right channel input Audio Input

4.2 Output Signal Connector Specification (J8&J10&J10&J14)


Type: JST2.54-3PIN
PIN Function Description I/O Type
1 CHx+ Positive output Output
2 AGND Ground of the output signal GND
3 CHx- Negative output Output
*X means channel 1~4

4.3 Power Supply Input connector Specification (J19)


Type: JST2.54-2PIN
PIN Function Description I/O Type
1 GND Power supply ground GND
2 VDD(7~12V) Power supply Input Input
*please set the Jumper(J17) ON when use J19 as the power input, and OFF when use Micro USB input

4.4 Digital I2S Input/output connector Specification (J5)


Type: JST2.54-16PIN
PIN Function Description I/O Type
2~16 GND Signal ground GND
1 3.3V Power supply output Output
3 MP0/DATA_IN_0 MP0 or I2S Data In I/O
5 MP5/BCLK_IN MP5 or I2S Bit Clock In I/O
7 MP4/LRCLK_IN MP4 or I2S Frame Clock In I/O
9 MP7/DATA_OUT_1 MP7 or I2S Data Out 1 I/O
11 MP6/DATA_OUT_0 MP6 or I2S Data Out 0 I/O
13 MP10/LRCLK_OUT MP10 or I2S Frame Clock Out I/O
15 MP11/BCLK_OUT MP11 or I2S Bit Clock Out I/O
*MP - multipurpose pin
*Jumper J2&J3 should be ON when setting DSP as the Master(default)

Rev 1.0 6
EDSP-1701-24-A www.3e-audio.com

4.5 MP PIN Connector Specification (J4)


Type: JST2.54-8PIN
PIN Function Description I/O Type
2~8 GND Signal ground GND
1 MP9 multipurpose pins 9 I/O
3 MP8 multipurpose pins 8 I/O
5 MP3 multipurpose pins 3 I/O
7 MP2 multipurpose pins 2 I/O
*J4 isn’t populated default

4.6 Potentiometer Specification


D/L Function Description
VR1 Volume Master volume control, can be redefine by user
VR2 Treble Treble frequency control, can be redefine by user
VR3 Bass Bass frequency control, can be redefine by user
*VR1~VR3: 10Kohm±5%,typically

4.7 AMP Reset IO Specification (J1&J20)


Type: JST2.54-2/4PIN
PIN Function Description I/O Type
- AMP RESET Amplifier reset output control O
- GND Signal ground GND
*please refer to the detail marked on the board

Rev 1.0 7
EDSP-1701-24-A www.3e-audio.com

5. Typical Performance Characteristics

5.1 Frequency Response (2Vrms)

Figure 3: Frequency response - Analog In

Figure 3: Frequency response - Digital In

Rev 1.0 8
EDSP-1701-24-A www.3e-audio.com

5.2 THD+N vs Output Level

Figure 6: THD+N vs Output Level - Analog In

Figure 6: THD+N vs Output Level - Digital In

Rev 1.0 9
EDSP-1701-24-A www.3e-audio.com

5.3 THD+N vs Frequency (2Vrms)

Figure 7: THD+N vs Frequency - Analog In

Figure 7: THD+N vs Frequency - Digital In

Rev 1.0 10
EDSP-1701-24-A www.3e-audio.com

6. Bluetooth Plug-in Module


The EDSP-1701-24-A has been design to support both analog and digital I2S source input, so it is
possible to upgrade with wireless audio streaming in the design with this Bluetooth plug-in module
flexibly.
The Bluetooth module is designed compatible with the Digital I2S Input/output connector (J5), user
just install onto the DSP mother board when this module had been selected.

Bluetooth Module Specification


Chipset CSRA64215
BT Version 4.2
Output Power 4dBm(typ),8dBm(max)
Sensitivity -85dBm@0.1%BER
Frequency Band 2.402GHz~2.480GHz
Modulation Type GFSK,π/4 DQPSK,8DPSK
Music Enhancements: SBC,aptX,AAC decoder
Connection Status
Pairing/Discoverable LED0B,LED1B flash alternately (Pairing Timeout=10min)
Connectable (paired before) LED0B flash alternately (3times/2Second)
Connected LED0B ON
Streaming Audio LED0B,LED1B both ON

Figure 8: CSRA64215 Bluetooth Module

Rev 1.0 11
EDSP-1701-24-A www.3e-audio.com

7. Revisions
Revision Change Logs Date
1.0 Initial version Jun,2018

Rev 1.0 12

You might also like