KEMBAR78
Alfa 164 - Anti-Theft - Wiring | PDF | Business | Computers
100% found this document useful (1 vote)
160 views39 pages

Alfa 164 - Anti-Theft - Wiring

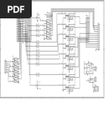
The document is a technical manual that provides wiring diagrams for the anti-theft system of an Alfa Romeo 164, with multiple pages of diagrams and images outlining the various components and connections.

Uploaded by

Medero Medero
Copyright
© © All Rights Reserved
We take content rights seriously. If you suspect this is your content, claim it here.
Available Formats
Download as PDF, TXT or read online on Scribd
100% found this document useful (1 vote)
160 views39 pages

Alfa 164 - Anti-Theft - Wiring

The document is a technical manual that provides wiring diagrams for the anti-theft system of an Alfa Romeo 164, with multiple pages of diagrams and images outlining the various components and connections.

Uploaded by

Medero Medero
Copyright
© © All Rights Reserved
We take content rights seriously. If you suspect this is your content, claim it here.
Available Formats
Download as PDF, TXT or read online on Scribd
You are on page 1/ 39

ALFA ROMEO 164 - Anti-Theft Wiring

Page
Return
Page 89
Page 90
Page 91
Page 92
Page 93
Page 94
Page 95
Page 96
Page 97
Page 98
Page 99
Page 100
Page 101
Page 102
Page 103
Page 104
Page 105
Page 106
Page 107
Page 108

http://alfalover.dhs.org/164/alfa51b.html [2002-02-17 09:53:38]


http://alfalover.dhs.org/164/s7b89.jpg

http://alfalover.dhs.org/164/s7b89.jpg (1 of 2) [2002-02-17 09:53:50]


http://alfalover.dhs.org/164/s7b89.jpg

http://alfalover.dhs.org/164/s7b89.jpg (2 of 2) [2002-02-17 09:53:50]


http://alfalover.dhs.org/164/s7b90.jpg

http://alfalover.dhs.org/164/s7b90.jpg [2002-02-17 09:53:57]


http://alfalover.dhs.org/164/s7b91.jpg

http://alfalover.dhs.org/164/s7b91.jpg (1 of 2) [2002-02-17 09:54:14]


http://alfalover.dhs.org/164/s7b91.jpg

http://alfalover.dhs.org/164/s7b91.jpg (2 of 2) [2002-02-17 09:54:14]


http://alfalover.dhs.org/164/s7b92.jpg

http://alfalover.dhs.org/164/s7b92.jpg (1 of 2) [2002-02-17 09:54:16]


http://alfalover.dhs.org/164/s7b92.jpg

http://alfalover.dhs.org/164/s7b92.jpg (2 of 2) [2002-02-17 09:54:16]


http://alfalover.dhs.org/164/s7b93.jpg

http://alfalover.dhs.org/164/s7b93.jpg (1 of 2) [2002-02-17 09:54:34]


http://alfalover.dhs.org/164/s7b93.jpg

http://alfalover.dhs.org/164/s7b93.jpg (2 of 2) [2002-02-17 09:54:34]


http://alfalover.dhs.org/164/s7b94.jpg

http://alfalover.dhs.org/164/s7b94.jpg (1 of 2) [2002-02-17 09:54:53]


http://alfalover.dhs.org/164/s7b94.jpg

http://alfalover.dhs.org/164/s7b94.jpg (2 of 2) [2002-02-17 09:54:53]


http://alfalover.dhs.org/164/s7b95.jpg

http://alfalover.dhs.org/164/s7b95.jpg (1 of 2) [2002-02-17 09:54:59]


http://alfalover.dhs.org/164/s7b95.jpg

http://alfalover.dhs.org/164/s7b95.jpg (2 of 2) [2002-02-17 09:54:59]


http://alfalover.dhs.org/164/s7b96.jpg

http://alfalover.dhs.org/164/s7b96.jpg (1 of 2) [2002-02-17 09:55:34]


http://alfalover.dhs.org/164/s7b96.jpg

http://alfalover.dhs.org/164/s7b96.jpg (2 of 2) [2002-02-17 09:55:34]


http://alfalover.dhs.org/164/s7b97.jpg

http://alfalover.dhs.org/164/s7b97.jpg (1 of 2) [2002-02-17 09:55:48]


http://alfalover.dhs.org/164/s7b97.jpg

http://alfalover.dhs.org/164/s7b97.jpg (2 of 2) [2002-02-17 09:55:48]


http://alfalover.dhs.org/164/s7b98.jpg

http://alfalover.dhs.org/164/s7b98.jpg (1 of 2) [2002-02-17 09:56:03]


http://alfalover.dhs.org/164/s7b98.jpg

http://alfalover.dhs.org/164/s7b98.jpg (2 of 2) [2002-02-17 09:56:03]


http://alfalover.dhs.org/164/s7b99.jpg

http://alfalover.dhs.org/164/s7b99.jpg (1 of 2) [2002-02-17 09:56:11]


http://alfalover.dhs.org/164/s7b99.jpg

http://alfalover.dhs.org/164/s7b99.jpg (2 of 2) [2002-02-17 09:56:11]


http://alfalover.dhs.org/164/s7b100.jpg

http://alfalover.dhs.org/164/s7b100.jpg (1 of 2) [2002-02-17 09:56:34]


http://alfalover.dhs.org/164/s7b100.jpg

http://alfalover.dhs.org/164/s7b100.jpg (2 of 2) [2002-02-17 09:56:34]


http://alfalover.dhs.org/164/s7b101.jpg

http://alfalover.dhs.org/164/s7b101.jpg (1 of 2) [2002-02-17 09:56:50]


http://alfalover.dhs.org/164/s7b101.jpg

http://alfalover.dhs.org/164/s7b101.jpg (2 of 2) [2002-02-17 09:56:50]


http://alfalover.dhs.org/164/s7b102.jpg

http://alfalover.dhs.org/164/s7b102.jpg (1 of 2) [2002-02-17 09:56:58]


http://alfalover.dhs.org/164/s7b102.jpg

http://alfalover.dhs.org/164/s7b102.jpg (2 of 2) [2002-02-17 09:56:58]


http://alfalover.dhs.org/164/s7b103.jpg

http://alfalover.dhs.org/164/s7b103.jpg (1 of 2) [2002-02-17 09:57:06]


http://alfalover.dhs.org/164/s7b103.jpg

http://alfalover.dhs.org/164/s7b103.jpg (2 of 2) [2002-02-17 09:57:06]


http://alfalover.dhs.org/164/s7b104.jpg

http://alfalover.dhs.org/164/s7b104.jpg (1 of 2) [2002-02-17 09:57:15]


http://alfalover.dhs.org/164/s7b104.jpg

http://alfalover.dhs.org/164/s7b104.jpg (2 of 2) [2002-02-17 09:57:15]


http://alfalover.dhs.org/164/s7b105.jpg

http://alfalover.dhs.org/164/s7b105.jpg (1 of 2) [2002-02-17 09:57:18]


http://alfalover.dhs.org/164/s7b105.jpg

http://alfalover.dhs.org/164/s7b105.jpg (2 of 2) [2002-02-17 09:57:18]


http://alfalover.dhs.org/164/s7b106.jpg

http://alfalover.dhs.org/164/s7b106.jpg (1 of 2) [2002-02-17 09:57:21]


http://alfalover.dhs.org/164/s7b106.jpg

http://alfalover.dhs.org/164/s7b106.jpg (2 of 2) [2002-02-17 09:57:21]


http://alfalover.dhs.org/164/s7b107.jpg

http://alfalover.dhs.org/164/s7b107.jpg (1 of 2) [2002-02-17 09:57:30]


http://alfalover.dhs.org/164/s7b107.jpg

http://alfalover.dhs.org/164/s7b107.jpg (2 of 2) [2002-02-17 09:57:30]


http://alfalover.dhs.org/164/BlankS.jpg

http://alfalover.dhs.org/164/BlankS.jpg [2002-02-17 09:57:32]

You might also like