KEMBAR78
Proact™ Digital Speed Control System For Models I and Ii Rohs Compliant | PDF | Electromagnetic Compatibility | Electromagnetic Interference
100% found this document useful (2 votes)
3K views119 pages

Proact™ Digital Speed Control System For Models I and Ii Rohs Compliant

Uploaded by

manishalive
Copyright
© © All Rights Reserved
We take content rights seriously. If you suspect this is your content, claim it here.
Available Formats
Download as PDF, TXT or read online on Scribd
100% found this document useful (2 votes)
3K views119 pages

Proact™ Digital Speed Control System For Models I and Ii Rohs Compliant

Uploaded by

manishalive
Copyright
© © All Rights Reserved
We take content rights seriously. If you suspect this is your content, claim it here.
Available Formats
Download as PDF, TXT or read online on Scribd
You are on page 1/ 119

Released

Product Manual 35131


(Revision A, 4/2020)
Original Instructions

ProAct™ Digital Speed Control System


for Models I and II
RoHS Compliant

Installation and Operation Manual


Released

Manual 35131 ProActTM Digital Speed Control System (RoHS Compliant)

Read this entire manual and all other publications pertaining to the work to be
performed before installing, operating, or servicing this equipment.
Practice all plant and safety instructions and precautions.
General
Precautions Failure to follow instructions can cause personal injury and/or property damage.

This publication may have been revised or updated since this copy was produced.
To verify that you have the latest revision, check manual 26455, Customer
Publication Cross Reference and Revision Status & Distribution Restrictions, on
Revisions the publications page of the Woodward website:
www.woodward.com
The latest version of most publications is available on the publications page. If
your publication is not there, please contact your customer service representative
to get the latest copy.

Any unauthorized modifications to or use of this equipment outside its specified


mechanical, electrical, or other operating limits may cause personal injury and/or
property damage, including damage to the equipment. Any such unauthorized
Proper Use modifications: (i) constitute "misuse" and/or "negligence" within the meaning of
the product warranty thereby excluding warranty coverage for any resulting
damage, and (ii) invalidate product certifications or listings.

If the cover of this publication states "Translation of the Original Instructions"


please note:
The original source of this publication may have been updated since this
Translated translation was made. Be sure to check manual 26455, Customer Publication
Publications Cross Reference and Revision Status & Distribution Restrictions, to verify whether
this translation is up to date. Out-of-date translations are marked with . Always
compare with the original for technical specifications and for proper and safe
installation and operation procedures.

Revisions— A bold, black line alongside the text identifies changes in this publication since the
last revision.

Woodward reserves the right to update any portion of this publication at any time. Information provided by Woodward is
believed to be correct and reliable. However, no responsibility is assumed by Woodward unless otherwise expressly
undertaken.
Manual 35131
Copyright © Woodward, Inc. 2019-2020
All Rights Reserved
Released

Manual 35131 ProActTM Digital Speed Control System (RoHS Compliant)

Contents

WARNINGS AND NOTICES .............................................................................................................. 7


ELECTROSTATIC DISCHARGE AWARENESS .................................................................................... 8
REGULATORY COMPLIANCE .......................................................................................................... 9
CHAPTER 1. GENERAL INFORMATION........................................................................................... 10
Application ................................................................................................................................................... 11
Control Applications .................................................................................................................................... 11
Speed Control Accessories ......................................................................................................................... 12
Actuator Accessories .................................................................................................................................. 12
CHAPTER 2. DESCRIPTION OF OPERATION ................................................................................... 21
Overview ..................................................................................................................................................... 21
Control Dynamics ........................................................................................................................................ 22
Fuel Limiters ................................................................................................................................................ 23
Fuel Rack Limiter Map ................................................................................................................................ 27
Boost (External) Fuel Limiting ..................................................................................................................... 28
Lower Speed Threshold .............................................................................................................................. 28
Speed Reference and Ramps ..................................................................................................................... 29
Droop/Isochronous ...................................................................................................................................... 31
ProAct Actuator ........................................................................................................................................... 31
Return Spring .............................................................................................................................................. 32
The Feedback Device ................................................................................................................................. 32
ProAct 75 Actuator Selection ...................................................................................................................... 32
CHAPTER 3. INSTALLATION ......................................................................................................... 34
Control Box Location and Installation Considerations ................................................................................ 35
Actuator Installation Considerations ........................................................................................................... 35
Fuel Position Stops ..................................................................................................................................... 36
Electrical Connections ................................................................................................................................. 37
Power Supply .............................................................................................................................................. 38
Actuator and Position Feedback Wiring ...................................................................................................... 39
Discrete Inputs ............................................................................................................................................ 39
Speed Signal Input ...................................................................................................................................... 41
Remote Speed Setting / Fuel Rack Limiter Input ........................................................................................ 41
Aux Voltage Input ........................................................................................................................................ 41
Control Outputs ........................................................................................................................................... 41
CHAPTER 4. OPERATION AND ADJUSTMENT ................................................................................. 44
Installation Checkout Procedure ................................................................................................................. 44
Establish Connection .................................................................................................................................. 44
Gather Required Tools & Hardware ............................................................................................................ 45
Establishing Connection from a PC to the Application ............................................................................... 46
Troubleshooting .......................................................................................................................................... 48
Actuator Range Calibration ......................................................................................................................... 49
Actuator Travel Visual Inspection ............................................................................................................... 50
Inertia Calibration ........................................................................................................................................ 51
Friction Calibration ...................................................................................................................................... 51
Configuration ............................................................................................................................................... 52
Dynamics Settings ...................................................................................................................................... 55
Conclusion of Test and Calibration Procedures.......................................................................................... 61
CHAPTER 5. SERVICE TOOL PAGES ............................................................................................. 62
Introduction.................................................................................................................................................. 62
Status Bar & Navigation .............................................................................................................................. 62
Saving Settings ........................................................................................................................................... 62
Home Page ................................................................................................................................................. 63
Woodward 3
Released

Manual 35131 ProActTM Digital Speed Control System (RoHS Compliant)


Main Page ................................................................................................................................................... 64
Dynamics Tuning ........................................................................................................................................ 65
Menu 1, 2 - Dynamics Settings ................................................................................................................... 66
Menu 3—Speed Reference Settings .......................................................................................................... 68
Menu 4—Limiter Settings ............................................................................................................................ 72
Menu 5—Monitor Menu............................................................................................................................... 75
Menu 6a—Configuration Set Points ............................................................................................................ 77
Menu 6b: Configuration / Actuator Test ...................................................................................................... 81
Manual Calibration ...................................................................................................................................... 82
Automatic Calibration .................................................................................................................................. 83
Inertia Test .................................................................................................................................................. 84
Friction Test................................................................................................................................................. 85
Verify Position ............................................................................................................................................. 86
Actuator Position Mapping .......................................................................................................................... 87
Menu 0: Diagnostics .................................................................................................................................... 88
Hour and Event Counter ............................................................................................................................. 89
System Page ............................................................................................................................................... 90
XCP & Security ........................................................................................................................................... 90
CHAPTER 6. SYSTEM TROUBLESHOOTING .................................................................................... 91
CHAPTER 7. PRODUCT SUPPORT AND SERVICE OPTIONS ............................................................. 95
Product Support Options ............................................................................................................................. 95
Product Service Options ............................................................................................................................. 95
Returning Equipment for Repair ................................................................................................................. 96
Replacement Parts ...................................................................................................................................... 96
Engineering Services .................................................................................................................................. 97
Contacting Woodward’s Support Organization ........................................................................................... 97
Technical Assistance .................................................................................................................................. 98
APPENDIX A. MENU SUMMARY .................................................................................................... 99
APPENDIX B. ACTUATOR CALIBRATION ..................................................................................... 103
Actuator Calibration Procedure ................................................................................................................. 103
APPENDIX C. MIGRATE FROM OLD TO NEW (ROHS) PROACT DIGITAL SPEED CONTROL ............. 104
APPENDIX D. TOOLKIT SETTINGS MANAGEMENT ........................................................................ 105
Downloading Settings from Device ........................................................................................................... 105
(ProAct Digital Speed Control → PC) ....................................................................................................... 105
Uploading Settings to Device (PC → ProAct Digital Speed Control) ........................................................ 110
TECHNICAL SPECIFICATIONS ..................................................................................................... 116
REVISION HISTORY ................................................................................................................... 117
DECLARATIONS ........................................................................................................................ 118

The following are trademarks of Woodward, Inc.:


ProAct
Woodward
ToolKit

The following are trademarks of their respective companies:


LeafLight (Kvaser AB)
PCAN (PEAK-System)
.NET Framework (Microsoft Corporation)
Windows7 (Microsoft Corporation)
Intel i5 (Intel Corporation)

Woodward 4
Released

Manual 35131 ProActTM Digital Speed Control System (RoHS Compliant)

Illustrations and Tables

Figure 1-1. Kvaser Leaf Light V2 Woodward Part Number 5404-1189 ...................................................... 12
Figure 1-2. Flexible Coupling ...................................................................................................................... 13
Figure 1-3. Example of ProAct II Actuator .................................................................................................. 14
Figure 1-4a. Outline Drawing of ProAct I or II Actuator .............................................................................. 15
Figure 1-4b. Outline Drawing of ProAct I or II Actuator .............................................................................. 16
Figure 1-5a. ProAct Wiring Diagram ........................................................................................................... 17
Figure 1-5b ProAct Wiring Diagram Details A, B, C ................................................................................... 18
Figure 1-6. Outline Drawing of ProAct Control Box .................................................................................... 19
Figure 1-7. Terminal Drawing of ProAct Control Box .................................................................................. 20
Figure 2-1. Window Width for Gain Ratio ................................................................................................... 22
Figure 2-2. Triple Start Fuel Limiting ........................................................................................................... 23
Figure 2-3. Complete Torque Map .............................................................................................................. 25
Figure 2-4. Start Fuel Limit.......................................................................................................................... 25
Figure 2-5. Transient Overfuel .................................................................................................................... 26
Figure 2-6. 4–20 mA Fuel Rack Limiter Map .............................................................................................. 27
Figure 2-7. A Fuel Demand (Actuator Position) Limit ................................................................................. 28
Figure 2-8. Remote Speed Reference ........................................................................................................ 30
Figure 2-9. Droop Speed Setting ................................................................................................................ 31
Figure 2-10. ProAct Output Travel .............................................................................................................. 32
Figure 3-1. Diesel Engine Travel Stops ...................................................................................................... 36
Figure 3-2. Carburetor Travel Stops ........................................................................................................... 36
Figure 3-3. Examples of Actuator Brackets ................................................................................................ 36
Figure 3-4. Preparing Shielded Wiring ........................................................................................................ 37
Figure 3-5. Correct Wiring to Power Supply ............................................................................................... 38
Figure 3-6. Incorrect Power Supply Wiring ................................................................................................. 38
Figure 3-7. Maximum Length of Power Wiring............................................................................................ 41
Figure 3-8a. Speed Switch Operation ......................................................................................................... 42
Figure 3-8b. Speed Switch Wiring .............................................................................................................. 42
Figure 3-9. Fault Lamp Output Wiring......................................................................................................... 43
Figure 4-1. Kvaser Leaf Light V2 (Woodward # 5404-1189) ...................................................................... 45
Figure 4-2. CAN Termination Adapter ........................................................................................................ 45
Figure 4-3. CAN Splitter Adapter ................................................................................................................ 46
Figure 4-4. Can Communication USB Adapter ........................................................................................... 46
Figure 4-5. Typical Transient Response Curves......................................................................................... 56
Figure 4-6. Non-Linear Valve Power Curve ................................................................................................ 57
Figure 4-7. Sample Engine Plot .................................................................................................................. 57
Figure 4-8. Linearized Engine Plot .............................................................................................................. 58
Figure 4-9. Example of Plot Created from GAIN Column ........................................................................... 60
Figure 4-10. Example of Plot Created from ACTUATOR OUTPUT Column .............................................. 60
Figure 5-1. Dynamics Map Curves ............................................................................................................. 67
Figure 5-2. Accel/Decel Example ................................................................................................................ 69
Figure 5-3. Droop Curve ............................................................................................................................. 70
Figure 5-4. Idle Droop ................................................................................................................................. 70
Figure 5-5. Speed Switch Settings .............................................................................................................. 71
Figure 5-6. Complete Fuel Limit Map .......................................................................................................... 74
Figure D-1. Read Settings from Device Wizard ........................................................................................ 105
Figure D-2. Save Settings File Selection Dialog ....................................................................................... 106
Figure D-3. Save Settings Network Selection Dialog ............................................................................... 107
Figure D-4. Save Settings Device Selection Dialog .................................................................................. 107
Figure D-5. Save Settings Progress Dialog .............................................................................................. 108
Figure D-6. Save Settings Attached Notes Dialog .................................................................................... 109
Figure D-7. Save Settings Completion Dialog (Success) ......................................................................... 109
Figure D-8. Load Settings File to Device Wizard ...................................................................................... 110
Figure D-9. Load Settings File Selection Dialog ....................................................................................... 111
Figure D-10. Load Settings Network Selection Dialog .............................................................................. 111
Figure D-11. Load Settings Device Selection Dialog ................................................................................ 112
Woodward 5
Released

Manual 35131 ProActTM Digital Speed Control System (RoHS Compliant)


Figure D-12. Load Settings Difference Warning Dialog ............................................................................ 113
Figure D-13. Load Settings Difference Resolution Dialog ........................................................................ 113
Figure D-14. Load Settings Acknowledgement Dialog ............................................................................. 114
Figure D-15. Load Settings Progress Dialog ............................................................................................ 114
Figure D-16. Load Settings Completion Dialog (Success) ....................................................................... 115

Table 1-1. Comparison of Old ProAct Control to New Control ................................................................... 10


Table 1-2. Actuator Output Butterfly Valve Shaft Flexible Couplings ......................................................... 12
Table 2-1. Actuator Selection ...................................................................................................................... 33
Table 3-1. Discrete Input Specification ....................................................................................................... 39
Table 4-1. XCP CAN Connections .............................................................................................................. 46
Table 4-2. Gain Plot Data Collection ........................................................................................................... 59
Table 4-3. Load Step Gain and Actuator Output Settings .......................................................................... 61
Table 5-1. Menu 1—Alternate Dynamics Settings* .................................................................................... 67
Table 5-2. Menu 2—Alternate Dynamics Settings* .................................................................................... 68
Table 5-3. Menu 3—Speed Reference Settings* ........................................................................................ 72
Table 5-4. Menu 4—Limiter Settings* ......................................................................................................... 75
Table 5-5. Menu 6a - Settings* ................................................................................................................... 80
Table 5-5. Menu 6b Settings ....................................................................................................................... 87
Table 5-6. Diagnostic Event Descriptions ................................................................................................... 88
Table 5-7. XCP & Security Menu Items, Values, and Units ........................................................................ 90
Table 6-1. System Troubleshooting Chart .................................................................................................. 91
Table A-1. Menu 1—Dynamics Settings ..................................................................................................... 99
Table A-2. Menu 2 —Alternate Dynamics Settings .................................................................................... 99
Table A-3. Menu 3—Speed Reference Settings ....................................................................................... 100
Table A-4. Menu 4—Limiter Settings ........................................................................................................ 101
Table A-5. Menu 6a—Configuration Set Points ........................................................................................ 102
Table A-6. Menu 6b—Configuration Set Points ........................................................................................ 102

Woodward 6
Released

Manual 35131 ProActTM Digital Speed Control System (RoHS Compliant)

Warnings and Notices


Important Definitions
This is the safety alert symbol used to alert you to potential personal injury hazards. Obey all
safety messages that follow this symbol to avoid possible injury or death.

• DANGER - Indicates a hazardous situation, which if not avoided, will result in death or serious injury.
• WARNING - Indicates a hazardous situation, which if not avoided, could result in death or serious
injury.
• CAUTION - Indicates a hazardous situation, which if not avoided, could result in minor or moderate
injury.
• NOTICE - Indicates a hazard that could result in property damage only (including damage to the
control).
• IMPORTANT - Designates an operating tip or maintenance suggestion.

The engine, turbine, or other type of prime mover should be


equipped with an overspeed shutdown device to protect against
runaway or damage to the prime mover with possible personal injury,
Overspeed / loss of life, or property damage.
Overtemperature / The overspeed shutdown device must be totally independent of the
Overpressure prime mover control system. An overtemperature or overpressure
shutdown device may also be needed for safety, as appropriate.

The products described in this publication may present risks that


could lead to personal injury, loss of life, or property damage.
Always wear the appropriate personal protective equipment (PPE) for
Personal Protective the job at hand. Equipment that should be considered includes but is
not limited to:
Equipment
• Eye Protection
• Hearing Protection
• Hard Hat
• Gloves
• Safety Boots
• Respirator
Always read the proper Material Safety Data Sheet (MSDS) for any
working fluid(s) and comply with recommended safety equipment.

The inertia settings and friction settings must be properly adjusted


using the service tool prior to engine operation. Improper inertia or
friction settings can result in unpredictable actuator movement and
Friction and Inertia possible personal injury or damage to the equipment.

Be prepared to make an emergency shutdown when starting the


engine, turbine, or other type of prime mover, to protect against
runaway or overspeed with possible personal injury, loss of life, or
Start-up property damage.

Woodward 7
Released

Manual 35131 ProActTM Digital Speed Control System (RoHS Compliant)

Unless Woodward's control functions as the supervisory control,


customer should install a system totally independent of the prime
mover control system that monitors for supervisory control of
On- and Off-Highway engine (and takes appropriate action if supervisory control is lost) to
protect against loss of engine control with possible personal injury,
Mobile Applications:
loss of life, or property damage.

To prevent damage to a control system that uses an alternator or


battery-charging device, make sure the charging device is turned off
before disconnecting the battery from the system. The ProAct control
Battery Charging system has protection against damage due to disconnection of battery
while charging. Deviations in operation will occur that may cause a
Device
momentary actuator movement of up to 10%.

Electrostatic Discharge Awareness


Electronic controls contain static-sensitive parts. Observe the
following precautions to prevent damage to these parts:
• Discharge body static before handling the control (with power to
Electrostatic the control turned off, contact a grounded surface and maintain
Precautions contact while handling the control).
• Avoid all plastic, vinyl, and Styrofoam (except antistatic
versions) around printed circuit boards.
• Do not touch the components or conductors on a printed circuit
board with your hands or with conductive devices.
To prevent damage to electronic components caused by improper
handling, read and observe the precautions in Woodward manual
82715, Guide for Handling and Protection of Electronic Controls,
Printed Circuit Boards, and Modules.

Follow these precautions when working with or near the control.


1. Avoid the build-up of static electricity on your body by not wearing clothing made of synthetic
materials. Wear cotton or cotton-blend materials as much as possible because these do not store
static electric charges as much as synthetics.
2. Do not remove the printed circuit board (PCB) from the control cabinet unless absolutely necessary.
If you must remove the PCB from the control cabinet, follow these precautions:
• Do not touch any part of the PCB except the edges.
• Do not touch the electrical conductors, the connectors, or the components with conductive
devices or with your hands.
• When replacing a PCB, keep the new PCB in the plastic antistatic protective bag it comes in
until you are ready to install it. Immediately after removing the old PCB from the control cabinet,
place it in the antistatic protective bag.

External wiring connections for reverse-acting controls are identical


to those for direct-acting controls.

Woodward 8
Released

Manual 35131 ProActTM Digital Speed Control System (RoHS Compliant)

Regulatory Compliance

European Compliance for CE Marking:


These listings are limited only to those units bearing the CE Marking:

EMC Directive: Declared to Directive 2014/30/EU of the European Parliament and of the
Council of 26 February 2014 on the harmonization of the laws of the
Member States relating to electromagnetic compatibility (EMC).

Restriction of Hazardous Declared to 2011/65/EC COUNCIL DIRECTIVE of the European


Substances (RoHS): Parliament and of the Council of 8 June 2011 on the restriction of the use
of certain hazardous substances in electrical and electronic equipment.

North American Compliance:

EMC: This product is exempted from declaring or marking for EMC


requirements in North America.

Other International Compliance:

Australia & New Zealand


RCM: Compliance is limited to application for those units bearing the Regulatory
Compliance Mark (RCM). Only EMC is applicable in virtually all Woodward
intended applications.

RCM on Woodward products is very limited due to allowed exemptions


from applying the RCM or having a DoC.

EMC: Electromagnetic Compatibility (EMC) Declaration of Conformity (DoC)


RCM requirements for the Australian and New Zealand
Radiocommunications Act is a separate document only created for
products applying the RCM to the label.

Products with an RCM on the label have an EMC Declaration of


Conformity available:

Woodward products typically comply with at least CISPR11 Group1,


Class A emissions limits, Electromagnetic Interference (EMI) testing,
even if not marked with the RCM as long as the “CE mark” is on the label.

General EMC Compliance – Special Conditions for Safe Use


The unit is intended to operate with both outer and inner covers in place.

The control features exceptional spike, ripple, and EMI (electromagnetic interference) rejection. This
protects the control from spurious interference and noise which can cause speed and load shifts. The
chassis should be bolted to a good ground to ensure effective EMI/RFI protection.

The unit wiring is intended to be no longer than 10 m.

Discrete inputs and discrete outputs may get their wetting voltage from the EUT power and were tested
as power inputs due to this setup configuration. They may also get their wetting voltage from a separate
dedicated supply and were tested in this setup as well.

Woodward 9
Released

Manual 35131 ProActTM Digital Speed Control System (RoHS Compliant)

Chapter 1.
General Information

.This manual describes the Woodward ProAct Digital Speed Control and ProAct 75° electric powered
actuators, Models I and II.

This product is meant to be a drop-in replacement for ProAct digital speed controls. The new model adds
RoHS compliance. The old control has a brushed aluminum housing and the new one is black as shown
in Table 1-1.

Table 1-1. Comparison of Old ProAct Control to New Control

Old ProAct (Non RoHS) New ProAct (RoHS Compliant)

One control for ProAct Model I Single control part number, supporting ProAct Models I
One control for ProAct Model II and II
Part numbers for counter-clockwise
Support for software configuration of clockwise or
actuator rotation
counter-clockwise in all controls
Part number for clockwise actuator rotation
Compatible with non-ROHs (older) and ROHs actuators
Compatible with only non-ROHs actuators
(July 2019 and later)
Serial service port for handheld
CAN XCP for service port (no handheld)
programmer
No PC service tool Toolkit PC service tool
One control for Remote Reference Single control part number with configurable analog input
One control for Fuel Limiter configurable as Remote Reference, Fuel Limiter, Boost
One control for Boost Pressure Pressure
Actuator bump available to create disturbance for speed
control tuning
Trending of control parameters
Settings files

Woodward 10
Released

Manual 35131 ProActTM Digital Speed Control System (RoHS Compliant)

Application
The ProAct control system is designed to control the speed of engines in mechanical drive or generator
set service. The electric powered ProAct actuator has 75° of rotation and is designed for direct drive of
the butterfly valve on gas engines, and through linkage with fuel racks on diesel engines.

Actuators are available in different sizes to fit specific control demands. In most cases, the ProAct II
actuator will be used. The ProAct II provides 6.8 J (5.0 ft-lb) of work (transient) and 2.7 N·m (2.0 lb-ft) of
torque and a slew rate of 80ms for a 10->90% position change.

The ProAct I provides 3.4 J (2.5 ft-lb) of work (transient) and 1.4 N·m (1.0 lb-ft) of torque at steady state.
ProAct I controls may be operated on nominal 12 Vdc systems. ProAct II controls require nominal 24 Vdc
supply.

The ProAct Digital Speed Control includes a configurable input compatible with 4 to 20 mA or 0 to 5 Vdc
electrical signals. The user may configure the system for:
• Remote Speed Reference: An internal speed reference for local control of speed, and an auxiliary
voltage input for load-sensor connection in load-sharing applications.
• Fuel Rack Limiting : The rack is limited to whichever is lower between the Torque Limit and 4–20 mA
rack limit.
• Boost Pressure : The purpose of the manifold air pressure fuel limiter is to prevent over fueling
during loading to significantly reduce black smoke in diesel engine exhaust and unburned
hydrocarbons in spark gas engine exhaust.

The ProAct control system includes:


• ProAct Digital Speed Control
• External 18–32 Vdc (24 Vdc nominal) power source for Model II or a 10–32 Vdc power source for
Model I
• Speed-sensing device (MPU)
• ProAct I or ProAct II actuator to position the fuel rack
• Optional load sensing device

The ProAct Digital Speed Control consists of a single printed circuit board in a sheet metal chassis.
Connections are via two terminal strips and a DB9 connector.

The control chassis has an outer aluminum shield to protect the circuits from electromagnetic interference
(EMI) and electrostatic discharge (ESD)

Control Applications
A ProAct control connected to a model II actuator requires 18–32 Vdc (24 Vdc nominal) uninterrupted
power supply, with 125W as the maximum power consumption at nominal voltage.

A ProAct control connected to a model I actuator requires 10–32 Vdc (12 or 24 Vdc nominal)
uninterrupted power supply with 50W as the maximum power consumption at nominal voltage.

ProAct actuators are designed to directly link to the butterfly in the gas engine carburetor. The control can
be programmed to have variable gain to compensate for the variable gain characteristics of carbureted
gas engines.

Diesel engine applications can program the control program to accommodate non-linear fuel controls or
non-linear linkage arrangements.

Woodward 11
Released

Manual 35131 ProActTM Digital Speed Control System (RoHS Compliant)

Speed Control Accessories


• CAN to USB Converter: Kvaser PC CAN Interface Device (Kvaser)

Figure 1-1. Kvaser Leaf Light V2 Woodward Part Number 5404-1189

Actuator Accessories
Electrical plug to match plug on the actuator:
1631-187 straight plug (Non-RoHS)
1631-633 90° plug (Non-RoHS)

Actuator Lever for linkage connection:


3699-027 5-inch, 5 holes
3952-043 2-inch, 2 holes

Flexible couplings for direct connection of the actuator output to a carburetor's butterfly-valve shaft
(dimension “X” in Figure 1-2):

Table 1-2. Actuator Output Butterfly Valve Shaft Flexible Couplings

Diameter of Butterfly Valve Shaft Part Number


0.250 1431-431
0.312 1431-433
0.375 (9.5 mm) 1431-435
0.394 (10 mm) 1431-437
0.472 (12 mm) 1431-439
0.500 1431-443
0.625 1431-445
0.750 1431-447
0.875 1431-449

Woodward 12
Released

Manual 35131 ProActTM Digital Speed Control System (RoHS Compliant)

Figure 1-2. Flexible Coupling

Woodward 13
Released

Manual 35131 ProActTM Digital Speed Control System (RoHS Compliant)

Figure 1-3. Example of ProAct II Actuator

Woodward 14
Released

Manual 35131 ProActTM Digital Speed Control System (RoHS Compliant)

Outline Drawings

Figure 1-4a. Outline Drawing of ProAct I or II Actuator

Woodward 15
Released

Manual 35131 ProActTM Digital Speed Control System (RoHS Compliant)

Figure 1-4b. Outline Drawing of ProAct I or II Actuator

Woodward 16
Released

Manual 35131 ProActTM Digital Speed Control System (RoHS Compliant)

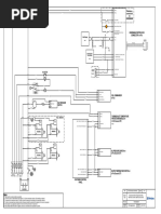
Figure 1-5a. ProAct Wiring Diagram

Woodward 17
Released

Manual 35131 ProActTM Digital Speed Control System (RoHS Compliant)

Figure 1-5b ProAct Wiring Diagram Details A, B, C

Woodward 18
Released

Manual 35131 ProActTM Digital Speed Control System (RoHS Compliant)

Figure 1-6. Outline Drawing of ProAct Control Box

Woodward 19
Released

Manual 35131 ProActTM Digital Speed Control System (RoHS Compliant)

Figure 1-7. Terminal Drawing of ProAct Control Box

Woodward 20
Released

Manual 35131 ProActTM Digital Speed Control System (RoHS Compliant)

Chapter 2.
Description of Operation

General
This chapter provides an overview of the features and operation of the ProAct digital speed control and
actuator system.

The ProAct Digital Speed Control uses a microprocessor for all control functions, such as computing
engine speed, performing the control algorithm calculations, speed ramps, etc. All control adjustments are
made with a PC connected to the control via a Control Area Network (CAN) port.

The operating program is adjusted through pages in the service built to look like the seven menus
accessed through the hand held terminal display on the now unavailable previous generation control.

The speed signal itself is usually provided by a magnetic pickup supplying an AC signal from 1 to 60 Vrms
to the control. The frequency (in Hz) is proportional to engine rpm.

The speed sensor logic contains a special tracking filter, designed for reciprocating engines, which
minimizes the effects of engine torsionals or irregularities in the gear used for sensing speed. This
provides exceptionally smooth steady-state control and allows the control dynamics to be matched to the
engine.

The control features exceptional spike, ripple, and EMI (electromagnetic interference) rejection. Discrete
inputs are optically isolated and capable of rejecting EMI and variable resistances in switch or relay
contacts. Analog inputs are differential-type with extra filtering for common-mode noise rejection. This
protects the control from spurious interference and noise which can cause speed and load shifts. The
chassis should be bolted to a good ground to ensure effective EMI/RFI protection.

An auxiliary ±2.5 volt input is provided to interface with generator controls to provide isochronous load-
sharing operation, or allow speed biasing from external sources.

Overview
Once the Start Speed is reached, the fuel position limit will be set to the Min Torque Limit, but the
actuator position will be controlled using the governor and the governor ramp rates. Specifically, the
speed will be ramped to the Idle Speed using a rate determined by the Accel Time. Idle Speed will be
maintained until the Rated Speed is selected. When Rated Speed is selected by closing the Idle/Rated
switch contact, the fuel limit is set to the Maximum Fuel Limit set point value or the Torque Limit,
whichever is less, for the current engine operating speed. The speed reference selected at this time is
determined by the status of the Enable Remote switch. If Remote reference is not selected (Remote
reference switch contacts open), the speed reference will ramp from idle to rated speed, based on the
Accel Time set point. Closing either the Raise or Lower contacts (or the Remote contact) while ramping
from idle to rated results in immediate cancellation of the idle-to-rated ramp. The Raise/Lower ramp rates
will take over depending on whether Raise or Lower is selected.

This feature expects Idle Speed to be set higher than Start Speed. If Idle Speed is configured to a value
lower than Start Speed, the control will DECREASE the engine speed to the Idle Speed at the Lower
Rate. When Rated Speed is selected, the same procedure as above will be followed.

If Idle is not used, the control will ramp to Rated Speed using a rate determined by the Accel Time directly
from Start Speed.

Woodward 21
Released

Manual 35131 ProActTM Digital Speed Control System (RoHS Compliant)

Control Dynamics
The algorithms used in the ProAct control are designed specifically for reciprocating engine applications.
Control dynamics vary automatically as functions of both speed and actuator position to provide better
performance over the entire engine operating range.

Variable Dynamics
The control is designed to compensate for non-linear fuel systems and changes in engine dynamics with
load. The control gain is mapped as a function of actuator position.

Four break points work with four gain settings to map the actuator against expected non-linear conditions.
This provides optimal dynamics and smooth steady-state operation for all conditions from no load to full
engine load. The four different response rates are achieved by the creation of four different gain settings.
Gas engine installations will usually require all four gain settings for different fuel flows, especially if the
actuator is direct-coupled to the butterfly. Most diesel applications will need only one or two of the gain
settings with the break points of the other settings moved up out of the way (set to 100%).

Alternate Dynamics
The ProAct control provides two complete sets of dynamic adjustments, which are externally switch
selectable. The two sets of dynamics are provided for use where engine operating conditions change,
such as in systems which use two different fuels, clutched-in loads, and electrical power generation
where the unit may be operated stand-alone and paralleled with an infinite bus.

Each set of dynamics provides different gain mapping, stability, compensation, gain ratio, and gain
window settings. This allows instantaneous changes in control for engines which operate with different
fuels or have load-type changes which require different dynamics.

Gain Ratio is the ratio of Gain setting during transient off-speed conditions to the gain setting at steady
state. Speed Gain Ratio operates by multiplying the Gain set point by the Gain Ratio when the speed
error is anticipated to be greater than the Window Width. This allows a lower gain at steady state for
better stability and reduced steady-state actuator movement.

Figure 2-1. Window Width for Gain Ratio

Woodward 22
Released

Manual 35131 ProActTM Digital Speed Control System (RoHS Compliant)


During steady-state operation with a constant load, the control uses the base gain setting. This gain is
adjusted by the user to a value to prevent the control from responding to minor fluctuations in engine
speed, a common problem with gas-fuel, spark-ignited engines.

This feature eliminates the potentially damaging jiggle of the actuator and fuel system. The control
automatically increases gain by an adjustable gain ratio when speed error exceeding an adjustable
window occurs, or is anticipated to occur, based on measurements of the instantaneous rate of change of
the entire engine. Operation with base gain is restored once the control senses the return to steady-state
speed. The Window Width speed is a ± value, centered around zero speed error.

Fuel Limiters
The Start Fuel limit is combined with a user-tunable ramp that will increase the Start Fuel limit at a
programmable rate while the engine speed is below the Start Speed set point. This ramp is designed to
allow for easier starting of the engine during various temperature conditions, such as a cold start, which
may require an increase in fuel.

Triple Start Fuel Limits


Triple Start Fuel works like three sequential Start Fuel Actuator output commands with a ramp between each.
The speed control governor is not active during the start fuel limiting stages. Once Start Speed is reached, the
governor is then activated for the ramp to idle (or rated) and remains in control until Zero speed is detected.

Two stages are needed to limit smoke during start-up while still achieving fast start times. The third stage
is provided to allow for performance due to cold engine starts in the winter. The Start Fuel Limiting feature
is cancelled after Start Speed is reached, and will not be activated again until after zero speed is
detected.

Actuator Output (%)


100%

Max Fuel Limit

Start Fuel
Limit 3

Start Fuel
Limit 2 Start 2-3
Ramp Rate
(%/sec)

Start 1-2
Start Fuel
Ramp Rate
Limit 1
(%/sec)
Cancel Start Fuel
Limiting

0% Speed
Start Start Start (RPM)
Speed Speed Speed
BP 1 BP 2

Figure 2-2. Triple Start Fuel Limiting

Woodward 23
Released

Manual 35131 ProActTM Digital Speed Control System (RoHS Compliant)


When Start Speed BreakPoint 1 threshold is reached, the Start Fuel Limit 1 position setting is ramped to
the Start Fuel Limit 2 position setting at the configured Start 1-2 Ramp Rate. Setting this rate to its
maximum value effectively eliminates the ramp. When Start Speed BreakPoint 2 threshold is reached, the
Start Fuel Limit 2 position setting is ramped to the Start Fuel Limit 3 position setting at the configured
Start 2-3 Ramp Rate. Setting this rate to its maximum value effectively eliminates the ramp.

The Start Fuel Limits (1, 2, and 3) can be set at any level with respect to each other. The Start Speed
BreakPoint thresholds should be set incrementally so that Start Speed BP 1 is lower than Start Speed BP
2, which is also lower than Start Speed.

When just a single start fuel limit is required, set the Start Fueling parameter to 1.
Only start Fuel Limit 1 will be used in this case.

Ramps
While start fuel limiting is engaged, the ProAct control is operating in actuator position control mode. It is
not possible to control rpm, but rpm is used for position limit threshold switching.

Start Fuel Ramping is only enabled with a single start fuel limit, Start Fueling = 1.
The fuel position will increase at the Start Ramp Rate until the Start Speed is reached (or the Max Fuel
Limit is reached).

Torque Limit
The Torque Limit is an actuator position limit function. During start fuel limiting, the actuator operates in
position control only. However, during run conditions (after Start Speed is first reached), the actuator
operates in speed control with a position limit function imposed on the actuator position resulting from the
speed control function. This implementation is called a Torque Limit. Figure 2-3 shows the torque limits
imposed from start-up through running as a complete map. However, once Start Speed is reached, the
torque (position) limits imposed by the start fuel-limiting feature are no longer applied even if the speed
drops below the Start Speed (in this case, the Min Torque is used).

Woodward 24
Released

Manual 35131 ProActTM Digital Speed Control System (RoHS Compliant)


Actuator Output (%)
100%

Max Fuel Limit

Max Torque

Torque at BP

Min Torque

Start Fuel
Limit 3

Start Fuel
Limit 2 Start 2-3
Ramp Rate
(%/sec)

Start 1-2
Start Fuel
Ramp Rate
Limit 1
(%/sec)
Cancel Start Fuel
Limiting

0% Speed
Start Start Start Lower Torque Raise (RPM)
Speed Speed Speed Limit Limit BP Limit
BP 1 BP 2

Figure 2-3. Complete Torque Map

Maximum Fuel Limit


This programmable actuator position limit is in place when rated speed is selected. This is the maximum
actuator position setting allowed for steady-state full load.

Figure 2-4. Start Fuel Limit

Woodward 25
Released

Manual 35131 ProActTM Digital Speed Control System (RoHS Compliant)

Transient Overfuel
This feature allows the user to set the Maximum Fuel Limit near the rated engine horsepower. The
Transient Overfuel will allow exceeding this Maximum Fuel Limit for a tunable percentage for a tunable
time (Transient Time). This ensures good transient load acceptance while maintaining safe steady-state-
horsepower limiting.

Figure 2-5. Transient Overfuel

Woodward 26
Released

Manual 35131 ProActTM Digital Speed Control System (RoHS Compliant)

Fuel Rack Limiter Map


Depending on the ProAct driver part number or configuration settings, a 4–20 mA or 0-5 Vdc Fuel Rack Limiter
Map feature can be available. This feature is intended to activate only when Start Speed or the Lower Limit
speed is reached (whichever is higher). This map works in conjunction with the Torque Limit. The fuel rack is
limited to whichever is lower between the Torque Limit and the Rack limit.

When the input signal (mA / V) fails low, the limiter output will stay at Rack Limit 1.

When the input signal (mA / V) fails high, the limiter output will stay at Rack Limit 5.

Figure 2-6. 4–20 mA Fuel Rack Limiter Map

Woodward 27
Released

Manual 35131 ProActTM Digital Speed Control System (RoHS Compliant)

Boost (External) Fuel Limiting


Depending on the ProAct driver part number or configuration settings, a 4–20 mA or 0-5 Vdc Boost Limiter
feature can be available. The Boost Fuel Limit is a software adjustable five-breakpoint curve based on an
external analog input signal. Boost or Manifold Air pressure (MAP) is typically used for the external fuel
limiter signal. The purpose of the manifold air pressure fuel limiter is to prevent over-fueling during loading
to significantly reduce black smoke in diesel engine exhaust or unburned hydrocarbons in spark ignited
gas engine exhaust. A fuel demand (actuator position) limit is set for each specific air manifold pressure
breakpoint.

Figure 2-7. A Fuel Demand (Actuator Position) Limit

The limiting value is linear between breakpoints as shown. The engineering units for each breakpoint are
in percent. The limiter must be carefully set since excessive fuel limiting can degrade the loading
response. Occasionally exhaust temperature or other engine parameter is used for the external fuel
limiting function. The external fuel limiter is not active below the run speed setting. The Maximum Fuel
Limit is always active and can override a higher Boost (External) Fuel Limit setting.

When the input signal (mA / V) fails low, the limiter output will stay at Boost Limit 1.

When the input signal (mA / V) fails high, the limiter output will stay at Boost Limit 3.

Lower Speed Threshold


There is a hard-coded value for minimum speed below which the ProAct will not attempt to operate. This
value is currently at 3% or 5% (depending on ProAct driver part number) of Rated Speed to facilitate
easier engine starting under extreme cold conditions.

Woodward 28
Released

Manual 35131 ProActTM Digital Speed Control System (RoHS Compliant)

Speed Reference and Ramps


The ProAct control provides discrete local control of the speed reference with switch inputs to issue raise
and lower speed commands. For remote speed setting, the control permits a 4 to 20 mA or 0 to 5 Vdc
input (depending on ProAct driver part number or configuration settings) which is used to vary the speed
reference. This section describes the operation of each of the speed reference and ramp functions and
their relation to each other. Read this section carefully to be sure your switch gear sequencing provides
the proper operating modes.

The control provides an Idle/Rated discrete input with tunable Idle and Rated Speed settings. Raise and
Lower inputs will raise and lower the speed reference at tunable rates.

The Idle Speed set point is provided for engine start-up or cool-down speed. Idle speed may be set equal
to or less than the Rated Speed set point. Idle Speed is independent of the Lower Limit set point and may
be set to a lower speed. When Idle is selected (Idle/Rated switch in Idle position with contacts open),
Remote Speed Reference and Raise and Lower inputs are disabled. Idle speed cannot be changed
except through programming the Idle Speed set point.

When Rated Speed is selected by closing the Idle/Rated switch contact, the fuel limit is set to the
Maximum Fuel Limit set point value or the Torque Limit, whichever is less, for the current engine
operating speed. The speed reference selected at this time is determined by the status of the Enable
Remote switch. If Remote reference is not selected (the Remote reference switch contacts are open), the
speed reference will ramp from low idle to rated speed, based on the Accel Time set point. Closing either
the Raise or Lower contacts (or the Remote contacts) while ramping from idle to rated results in
immediate cancellation of the idle-to-rated ramp. The Raise/Lower ramp rates will take over, depending
on whether Raise or Lower is selected.

The Raise and Lower commands ramp engine speed based on the Raise and Lower Rate set points. The
Raise and Lower Limits determine the limits of these commands. If Enable Remote is selected (and
Rated Speed is selected), the control will ramp speed to the reference value set by the remote speed-
setting milliamp input (at the Raise or Lower Rate). The remote speed setting operates from 4 to 20 mA or
0 to 5 Vdc. The values of the 4 ma / 0 Vdc and 20 ma / 5 Vdc Remote Reference set points must be set
between the Raise and Lower Limit set points. The 4 mA Remote Reference set point may be set to a
lower or higher speed than the 20 mA set point, providing for either direct or reverse-acting remote speed
setting.

If Remote is selected when the Idle/Rated switch contacts are closed, or during the idle-to-rated ramp, the
speed reference will ramp to the speed reference value determined by the milliamps on the remote
speed-setting input, based on the Raise Rate/Lower Rate set points.

Remote speed-setting inputs between 2 and 4 mA are treated as the minimum of 4 mA. Below 2 mA, the
remote input is considered failed. Between 4 and 20 mA, the control determines the required speed
reference based on a straight line interpolated between the 4 mA Remote Reference and 20 mA Remote
Reference set points. If a difference is detected between the current speed reference and the remote
reference computed from the mA input, the current speed reference is raised or lowered at the rate
determined by the Raise or Lower Rate to bring the speed reference into agreement with the remote
speed reference. The remote reference will not increase speed over the Raise Limit or lower it below the
Lower Limit, nor change speed faster or slower than the Raise Rate/Lower Rate respectively.

When Remote Reference is selected and the remote input is failed (less than 2 mA), the speed reference
remains at the current value. The speed reference can be changed in this situation only by increasing the
remote reference above 2 mA or by opening the Remote Enable switch and toggling the Run/Stop switch
or cycling the power to the control (cycling the power is not recommended).

When the current operating mode is Rated, switching to Idle results in ramping engine speed to idle
based on the Decel Time set point.

Woodward 29
Released

Manual 35131 ProActTM Digital Speed Control System (RoHS Compliant)


If the control is in Remote Speed Reference and you wish to return to Rated Speed, the Remote switch
must be in the open position and the Run/Stop switch toggled (or cycle the power to the control, which is
not recommended), or the Idle/Rated switch shall be toggled.

A Fast Start feature is available for engine installations requiring fast start-up to rated speed. When the
Fast Start feature is enabled and the Rated contact is closed when the engine is started, the speed
reference will be instantly set to Rated speed setpoint, allowing quick engine startup. Only in this special
case it’s allowed to have the triple start fuel limiter speed setpoints set higher than Idle speed setpoint for
fast open loop starting of the engine. When Fast Start is enabled, but Idle is selected when the engine is
started, the engine will start to Idle.

Figure 2-8. Remote Speed Reference

Woodward 30
Released

Manual 35131 ProActTM Digital Speed Control System (RoHS Compliant)

Droop/Isochronous
The Droop/Isochronous switch allows selection of either type of governor operation. If Droop is selected,
the ProAct control will hold engine speed according to a droop schedule entered in the program.

Figure 2-9. Droop Speed Setting

The droop schedule is based on a full 75 degrees of actuator rotation between minimum and maximum
fuel. If less than 75 degrees of rotation is used, the amount of droop is reduced proportionally. Thus a
control programmed for 5% droop will actually only have 2.5% droop if only 37.5° of actuator rotation is
used, from no load to full load. Using only 37.5° of actuator travel will require programming 10% droop for
an actual 5% droop curve (a minimum of 66° of travel is recommended).

ProAct Actuator
The ProAct actuator is a limited-angle rotational torque motor designed specifically for the control of
engine fuel. The torque motor is a “run-hold” device. It responds to a fuel-position error at full speed until
the position feedback causes the electronic control to change the current signal to hold position. This
characteristic makes the actuator extremely fast and at the same time extremely accurate and “stiff” in
engine-fuel control.

The ProAct II uses a four-pole torque motor design to provide 2.7 N·m (2.0 lb-ft) of torque (3.4 J/2.5 ft-lb
work) with 6 A, 24 V input at steady state, and 5.4 N·m (4.0 lb-ft) of torque (6.8 J/5.0 ft-lb work) with 12 A,
24 V input during transient.

The actuator is equipped with internal stop springs which allow rotational overshoot of 3° in each
direction. The internal spring stops are necessary to halt the rotation of rotor and load inertia without
damage to the actuator. This possible over-rotation of 3° in both directions must be considered when
designing linkage or connecting to the butterfly shaft.

Woodward 31
Released

Manual 35131 ProActTM Digital Speed Control System (RoHS Compliant)

Figure 2-10. ProAct Output Travel

The terminal shaft on the actuator provides 0.500-36 (inch) serrations. The output shaft is connected to
the butterfly valve or fuel control shaft either directly through a zero-backlash flexible coupling* or through
an attached lever and linkage. Installations should attempt to use as much of the actuator rotation as
possible to use as much of the actuator's work capability as possible.

(*) When a flexible coupling is used, take care to assure that the maximum coupling misalignment is not
exceeded and that the coupling is sized properly for the loads.

Return Spring
The ProAct actuator has an internal return spring designed to move the actuator toward minimum fuel in
case the electrical control should fail, or power is removed. Spring scale may not be enough to move the
engine to shutdown.

The fuel system should be equipped with a spring return to minimum


fuel capable of moving the fuel control in case of failure in the ProAct
system, the connections between the ProAct actuator and the fuel
control, or loss of electrical power. The return spring should be of
sufficient force to return the fuel system to minimum fuel on loss of
actuator control, but should not limit the actuator's ability to properly
control the engine under all operating conditions.

The Feedback Device


The feedback device is located on the closed shaft of the actuator. The older actuators use a rotary
transducer which changes resistance proportional to the actuator shaft angle. The new replacement
actuators use a rotary Hall Effect position sensor which changes output voltage proportional to the
actuator shaft angle. The device is a non-contacting unit, thereby eliminating most wear problems.

ProAct 75 Actuator Selection


The actuator installed must match the system requirements. Select the actuator with either an MS
connector or a conduit fitting with clockwise or counterclockwise rotation*.

(*) Directions are determined by looking at the actuator shaft and the rotation to increase fuel.

Woodward 32
Released

Manual 35131 ProActTM Digital Speed Control System (RoHS Compliant)


Table 2-1. Actuator Selection

Actuator Woodward P/N


ProAct I, CW, MS Connector 8405-065
ProAct I, CW, Conduit Connector 8405-067
ProAct I, CCW, MS Connector 8405-089
ProAct II, CW, MS Connector 8405-069
ProAct II, CW, Conduit Connector 8405-071
ProAct II, CCW, MS Connector 8405-073
ProAct II, CW, Smooth Shaft, MS Connector 8405-075
ProAct II. CW, D-Shaft, MS Connector 8405-077
ProAct II, CCW, MS Connector for Flo-Tech Throttle Only 8405-081
ProAct II, CCW, MS Connector No Return Spring 8405-091
ProAct II, CW, Conduit Connector Threaded Shaft Hole 8405-094

Table 2-1 represents actuators that WILL EVENTUALLY be RoHS


compliant. However, at this time they may not be available for sale as
a RoHS compliant unit. Please contact Woodward for confirmation of
status prior to ordering if RoHs is required.

Woodward 33
Released

Manual 35131 ProActTM Digital Speed Control System (RoHS Compliant)

Chapter 3.
Installation

Unpacking
Before handling the control, read page iii, Electrostatic Discharge Awareness. Be careful when unpacking
the electronic control. Check the control for signs of damage such as bent panels, scratches, and loose or
broken parts. If any damage is found, immediately notify the shipper.

The ProAct actuator will come in a separate carton from the control. Inspect the carton for damage. The
actuator is a rugged, heavy device and shipping damage is unlikely. Particularly inspect the receptacle
and terminal shaft for possible damage.

Power Requirements
The ProAct II control system requires a voltage source of 18 to 32 Vdc (24 Vdc nominal) uninterrupted
power supply. Maximum power consumption is 125 W at rated voltage. The ProAct I control system
requires a voltage source of 10 to 32 Vdc (12 or 24 Vdc nominal). Maximum power consumption is 50 W
at nominal voltage.

The control must be fused on the power input to prevent damage to wiring and/or circuitry during
operation. The fuse should be dedicated to the ProAct and not shared with any other devices on the
same power source.

Fuse Recommendations:
Model I: 5 A fast blow
Model II: 15 A fast blow

To prevent damage to the control, do not exceed the input voltage


range.

If a battery is used for operating power, an alternator or other battery


charging device is necessary to maintain a stable supply voltage.

To prevent damage to the control, make sure that the alternator or


other battery-charging device is turned off or disconnected before
disconnecting the battery from the control. This System has
protection against damage due to disconnection of battery while
charging. Deviations in operation will occur that may cause a
momentary actuator movement, up to a 10%.

Woodward 34
Released

Manual 35131 ProActTM Digital Speed Control System (RoHS Compliant)

Control Box Location and Installation Considerations


Please consider the following requirements when selecting the mounting location for the
ProAct Digital Speed Control :
• Adequate ventilation for cooling
• Space for servicing and repair
• Protection from direct exposure to water or condensation-prone environment
• Protection from high-voltage or high-current devices, or devices which produce electromagnetic
interference
• Avoidance of vibration
• Location that provides an operating temperature range of –40 to +70 °C (–40 to +158 °F).

The ProAct Digital Speed Control is designed to be mounted using the four slots at the perimeter of the
base of the unit, as shown in Figure 1-6. These slots are designed for #8 (M4) hardware.

The ProAct control must NOT be mounted on the engine.

Actuator Installation Considerations


Thermal
The actuator is designed for installation on the engine. The actuator will generate heat, especially when
stalled.

The feedback sensor located on the actuator has a maximum temperature limitation of 125 °C (257 °F).
Should the actuator be shielded from air circulation, the installer must consider the heat conductivity of
the installation bracket, and the operating temperature of the ultimate heat sink to which the bracket will
be attached. Generally the heat transfer abilities of aluminum and low-carbon steel are better than high-
carbon steel or stainless steel. Contact Woodward if operating temperature is a concern.

Output Coupling or Linkage


The actuator will provide up to 75° rotation from minimum to maximum positions. This will allow direct
installation to most butterfly shafts. Special connectors that permit the installation of the actuator directly
to a butterfly valve shaft are available. The coupling selected (or any linkage used) must be of zero
backlash design. If a coupling is used it should be drilled and pinned, or serrated.

The bracket that mounts the actuator must be of adequate precision to assure that misalignment limits of
the coupling used are not exceeded. Contact your control provider for help in selection of an approved
coupling.

Diesel engines will generally use less rotation, often about 30 degrees. Linkage should be designed to
use as much actuator rotation as possible to take advantage of the mechanical advantage

If less than 75 degrees of actuator rotation is used in a new system the new software application has an
automatic calibration routine to find the stops and rescale the speed control actuator to use 0-100%.

Woodward 35
Released

Manual 35131 ProActTM Digital Speed Control System (RoHS Compliant)

Fuel Position Stops


Diesel installations will generally use the fuel system minimum and maximum position stops. The actuator
travel should be centered within the total rotation needed from minimum to maximum fuel.

Diesel engine racks are normally designed to provide the minimum and maximum stops without binding.

Butterfly valves in carburetors will often bind if rotated too far toward minimum or maximum. For this
reason, the stops in the actuator should be used at both minimum and maximum positions. Note that the
stops will allow up to 3° of additional rotation in both directions during impact.

Make sure that the engine will always shut down when the actuator is at the minimum stop.

Figure 3-1. Diesel Engine Travel Stops Figure 3-2. Carburetor Travel Stops

Actuator Bracket
The actuator may be installed on a bracket holding to the 2.248–2.251 inch diameter male pilot concentric
to the terminal shaft or to a bracket which attaches to the base with four .312-18 screws with a minimum
engagement of 16 mm (0.625 inch). The actuator may be mounted in any attitude. The actuator is
weather proof and resistant to the corrosive effects of water and salt water, however pressure washing of
the feedback device side of the actuator should be minimized.

Figure 3-3. Examples of Actuator Brackets

Woodward 36
Released

Manual 35131 ProActTM Digital Speed Control System (RoHS Compliant)


Replace the four outside through bolts with longer .250-20 bolts when mounting on a fixture locating on
the pilot diameter. Torque the bolts to 7.3 to 8.5 N·m (65 to 75 lb-in).

When mounting on the bottom of the actuator, first apply moly disulfide or similar thread lubricant to
attaching bolts and then torque to 17 to 18 N·m (150 to 160 lb-in).

The actuator will fall apart if the inner bolts are removed.

NOT A STEP – The ProActTM actuator is not designed to be used


as a convenient step for climbing up on the prime mover, engine or
turbine. The actuator shall be installed in a location where it won’t be
misused as a step.

Electrical Connections
External wiring connections and shielding requirements for a typical control installation are shown in the
wiring diagram. The wiring connections are explained in the rest of this chapter.

Shielded Wiring
All shielded cable must be twisted conductor pairs. Do not attempt to tin the braided shield. All signal lines
should be shielded to prevent picking up stray signals from adjacent equipment. Connect the shields to
the nearest chassis ground. Discrete IO & Power may be shielded to improve robustness to EMI, but is
not required to meet listed specifications. Wire exposed beyond the shield should be as short as possible,
not exceeding 50 mm (2 inches). The other end of the shields must be left open and insulated from any
other conductor. DO NOT run shielded signal wires along with other wires carrying large currents. See
Woodward manual 50532, EMI Control for Electronic Governing Systems, for more information.

Where shielded cable is required, cut the cable to the desired length and prepare the cable as instructed
below.
1. Strip outer insulation from BOTH ENDS, exposing the braided or spiral wrapped shield. DO NOT
CUT THE SHIELD.
2. Using a sharp, pointed tool, carefully spread the strands of the shield.
3. Pull the inner conductor(s) out of the shield. If the shield is the braided type, twist it to prevent
fraying.
4. Remove 6 mm (1/4 inch) of insulation from the inner conductors.

The shield must be considered as a separate circuit when wiring the system. The shield must be carried
through connectors without interruption.

Installations with severe electromagnetic interference (EMI) may require additional shielding precautions.
Contact Woodward for more information.

Failure to provide shielding can produce future conditions which are difficult to diagnose. Proper shielding
at the time of installation is required to assure satisfactory operation of the speed control system.

Figure 3-4. Preparing Shielded Wiring

Woodward 37
Released

Manual 35131 ProActTM Digital Speed Control System (RoHS Compliant)

Power Supply
The power supply output must be low impedance (for example, directly from batteries).

Figure 3-5. Correct Wiring to Power Supply

Figure 3-6. Incorrect Power Supply Wiring

Woodward 38
Released

Manual 35131 ProActTM Digital Speed Control System (RoHS Compliant)


Run the power leads directly from the power source to the control. DO NOT POWER OTHER DEVICES
WITH LEADS COMMON TO THE CONTROL. Avoid long wire lengths. Connect the positive (line) to
terminal 24 and the negative (common) to terminal 25. If the power source is a battery, be sure the
system includes an alternator or other battery-charging device.

DO NOT turn off control power as part of a normal shutdown procedure. Use the Run/Stop discrete input
(terminal 23) for normal shutdown.

Do NOT apply power to the control at this time. Applying power may
damage the control.

To prevent damage to the engine, apply power to the ProAct control


for at least ten seconds before starting the engine. The control must
have time to perform its power-up diagnostics and become
operational. Do not attempt to start the engine if the diagnostic tests
fail, because test failure turns off the output of the control.

To prevent possible damage to the control or poor control


performance resulting from ground loop problems, follow the
electrical connection instructions. The control common is electrically
isolated from the power supply input.

Actuator and Position Feedback Wiring


The ProAct actuator will rotate in either direction. In models I and II, the actuator direction of rotation is
selected by wiring in the actuator and the drift spring.

Connect the actuator wiring from the actuator to the ProAct control to terminals 1 (+) and 2 (–). Connect
the actuator position feedback wires to terminals 7 (+), 8 (0), and 9 (–). Position feedback nominal
voltages, as measured at the terminals, are approximately 3 V at minimum actuator position and 2 V at
maximum actuator position.

Discrete Inputs
Discrete inputs are input commands to the ProAct Digital Speed Control that switch between two options.
The discrete inputs are usually powered by the positive power supply.

Table 3-1. Discrete Input Specification

Isolation voltage None


> 4.5 Vdc = “ON”
Input thresholds
< 3.7 Vdc = “OFF”
Input impedance 25 kΩ
Max input voltage ±32 Vdc

Isoch/Droop Contact
The Isoch/Droop contact (open for droop, closed for isochronous) connects to terminal 16. When terminal
16 is open, the ProAct control will operate in droop at the percentage entered in Menu 3. When closed,
the control will operate in isochronous.

The percent of droop entered in Menu 3 is based on 75° of actuator rotation between minimum and
maximum positions. If the installation uses less than 75°, the amount of droop must be increased
proportionally.

Woodward 39
Released

Manual 35131 ProActTM Digital Speed Control System (RoHS Compliant)

Idle/Rated Contact
The Idle/Rated contact (open for Idle, closed for Rated) connects to terminal 17. When the Idle/Rated
contact is closed, the control immediately switches the fuel limit to the maximum limit or torque limit
(whichever is less) and ramps engine speed to the rated speed set point (or the speed specified by the
Remote Input when the Remote Speed Setting input at terminal 21 is enabled). When the Idle/Rated
contact is opened, the control ramps engine speed to the idle speed setting.

The idle set point cannot be set above the rated set point. The fuel limiters (start, torque, and maximum)
remain effective regardless of the Remote Reference input.

Lower and Raise Speed Contacts


The Lower Speed contact connects to terminal 18. Raise and Lower inputs are effective only if the control
is in Rated. When the Lower Speed contact is closed, the control lowers speed at a rate determined by
the Lower Rate set point. When the contact is open, speed remains at its current value. Closing the
Lower Speed contact will cancel the ramps started by the Idle/Rated contact.

The Raise Speed contact connects to terminal 19. When the Raise Speed contact is closed, the control
raises speed at a rate determined by the Raise Rate set point. When the contact is open, speed remains
at its current value. Closing the Raise Speed contact will cancel the ramps started by the Idle/Rated
contact.

Closing both Raise and Lower contacts at the same time will disable Raise and Lower speeds as long as
both contacts are closed.

The Raise and Lower Speed contacts are disabled when the Remote Speed Setting mode is selected.

Alternate Dynamics
The Alternate Dynamics contact connects to terminal 20. When this contact is open, Dynamics set 1 is
selected. When this contact is closed, Alternate Dynamics is selected.

Remote Reference
When Remote Reference is selected by closing the contact on terminal 21 to +24 Vdc, the Raise and
Lower Speed inputs are disabled. The speed reference setting is based on the value of current in the
remote speed reference input. When the contact to terminal 21 is open the Raise Speed and Lower
Speed inputs are enabled. The remote speed reference is a 4–20 mA or 0-5 Vdc input. The remote speed
reference range is adjusted in menu 3.

A remote reference of less than 2 mA or 0.2 Vdc is considered failed, and the control will remain at the
last speed setting. To return to rated speed, the remote switch must be open and the Run/Stop switch
toggled, or the Idle/Rated contact shall be toggled.

Run/Stop Fuel Contact


The Run/Stop contact (terminal 23) is the preferred means for a normal shutdown of the engine. The
control will not operate without a voltage >4.5 Vdc applied to terminal 23. When the contact is closed, the
voltage applied to terminal 23 allows the control to move the actuator as required for operating conditions.

The Run/Stop contact is not intended for use in any emergency stop
sequence. To prevent possible serious injury from an overspeeding
engine, do NOT use the Run/Stop contact as part of any emergency
stop sequence.

Woodward 40
Released

Manual 35131 ProActTM Digital Speed Control System (RoHS Compliant)

Speed Signal Input


Connect a magnetic pickup (MPU) to terminals 10 and 11 using shielded wire. Connect the shield to the
chassis only. Do not connect the shield at the MPU end. Make sure the shield has continuity the entire
distance to the speed sensor, and make sure the shield is insulated from all other conducting surfaces.

We recommend that the MPU be dedicated to the control. The MPU output should be in the range of 1 to
60 Vrms, however for best performance of the ProAct Speed Control over the entire temperature range, it
is best to adjust the MPU gap to obtain a maximum output less than 30Vrms. To be compatible with the
ProAct Digital Speed Control, the frequency output of the MPU should be in the range of 15Hz to 15kHz.

The Number of Gear Teeth is the number of teeth which will be exposed to the speed sensing device
during one revolution of the engine. Should the sensed gear not rotate at engine speed, the number of
teeth must be adjusted to reflect the proportion of engine speed to the sensed gear speed.
The Number of Gear Teeth is tuned (entered) in Configuration Menu (Menu 6).

The Number of Gear Teeth is used by the control to convert pulses


from the speed-sensing device to engine rpm. To prevent possible
serious injury from an overspeeding engine, make sure the control is
properly programmed to convert the gear-tooth count into engine
rpm. Improper conversion could cause engine overspeed.

Remote Speed Setting / Fuel Rack Limiter Input


The analog input can be used for fuel limiting or remote speed setting functions is software configurable
to accept 4-20mA or 0-5V field wiring.

Connect the 4 to 20 mA current transmitter or 0 to 5 Vdc voltage transmitter to terminals 14 (+) and 15 (–).
Use a shielded, twisted-pair cable. Connect the shield to the control chassis only.

Aux Voltage Input


Connect the output of a Woodward Load Sensor (if used) to terminals 12 (+) and 13 (–). Use a shielded
twisted-pair cable. Wire the remainder of the load sensor in accordance with the wiring diagram for the
sensor used.

Control Outputs
Actuator Control
The actuator is connected to terminals 1 (+) and 2 (-). The polarity of this connection must be correct if
the actuator is to respond in the desired rotational direction. The actuator cannot be reversed by changing
the polarity because of the factory-installed return spring. Use 4 mm² (12 AWG) wire to the actuator. For
the best performance, the sum total length of the pairs of wires between the actuator and the control AND
between the battery and the control should not exceed 20 m (65.6 ft), nominally an even split of a
maximum of 10m each.

Battery Lines Actuator Lines

Battery

20 meters maximum

Figure 3-7. Maximum Length of Power Wiring

Woodward 41
Released

Manual 35131 ProActTM Digital Speed Control System (RoHS Compliant)


The actuator output is protected from accidental common-mode and differential short circuit faults. In the
event of a short circuit in the actuator output wiring, the controller will shut down the actuator driver
circuitry to protect internal components and it will signal the fault at the Fault LED, the Fault Lamp Output,
and will also be annunciated in the service tool. If this fault is present, carefully inspect all actuator
connections for incorrect wiring or damaged insulation prior to re-activating the control via input power
cycle.

Speed Switches
Terminals 3, 4, and 5 provide the outputs from speed switches A, B, and C. These outputs close an
internal relay to ground to enable external speed switch equipment. See Figure 3-8b for diagram. Each
speed switch output is rated to 500 mA. The output will operate a signal lamp directly, or may be
connected to an intermediate relay to conduct heavier switch operations. The internal relay is pilot duty
rated to NEMA B300 and is designed to handle switching into inductive loads such as relay coils and
solenoids. The total length of the wire between the speed switches and the signal lamp or relay should
not exceed 10 m (32.8 ft).

The switches are configured in Menu 3 and operate as shown in Figure 3-8a.

Figure 3-8a. Speed Switch Operation

ProAct Digital Speed Control


Speed Switch Outputs

3,4,5
Load or Ext.
External
+
Relay Coil Discrete
Voltage Source
Referenced to (500 mA max) Output
- RELAY Relay Logic
Batt(-)

Figure 3-8b. Speed Switch Wiring

If the speed switch outputs are tied to delicate equipment or there is


reason to believe the current in the output circuit could exceed
500mA, it is advisable to place a fuse in series with the load attached
to the speed switch terminal.

Woodward 42
Released

Manual 35131 ProActTM Digital Speed Control System (RoHS Compliant)

Fault Lamp
Terminal 6 provides the output for the fault lamp indicator. This output closes an internal relay to ground
to annunciate a fault condition. See Figure 3-9 for wiring diagram. The output will operate a signal lamp
directly, or may be connected to an intermediate relay to conduct heavier switch operations, such as a
fault trip string. The internal relay is pilot duty rated to NEMA B300 and is designed to handle switching
into inductive loads such as relay coils and solenoids. The faults indicated include actuator position
feedback supply & voltage out of range, driver diagnostics faults, motor Differential & Common Mode
current faults.

The total length of the wire between the fault lamp output and the signal lamp or relay should not exceed
10 m (32.8 ft).

ProAct Digital Speed Control


Fault Lamp Output

6
Fault Lamp or
External
+
Ext. Relay Co il Discrete
Voltage Source
Referenced to (500 mA max) Output
- RELAY Relay Logic
Batt(-)

Figure 3-9. Fault Lamp Output Wiring

If the fault output is tied to delicate equipment or there is reason to


believe the current in the output circuit could exceed 500mA, it is
advisable to place a fuse in series with the load attached to the
speed switch terminal.

Actuator Position Feedback


Shielded wire must be connected to the Actuator Position Feedback terminals 7, 8, and 9. The shield
must be continuous and grounded at the control end only to prevent interference with the position
feedback signal.

Woodward 43
Released

Manual 35131 ProActTM Digital Speed Control System (RoHS Compliant)

Chapter 4.
Operation and Adjustment

Introduction
Because of the variety of installations, plus system and component tolerances, the control must be tuned
to each system for optimum performance.

This chapter contains information on control calibration. It includes initial prestart-up and start-up settings
and adjustments.

An improperly calibrated control could cause an engine overspeed or


other damage to the engine. To prevent possible serious injury from
an overspeeding engine, read this entire procedure before starting
the engine.

Installation Checkout Procedure


With the installation complete as described in this chapter, do the following check out procedure before
beginning the start-up adjustments in Chapter 4.

a. Visual Inspection
i.Check the linkage or coupling between the actuator and fuel metering device for looseness or
binding.
ii.Check for correct wiring in accordance with the wiring diagram (Figure 1-4).
iii.Check for broken terminals and loose terminal screws.
iv.Check the speed sensor for visible damage. If the sensor is a magnetic pickup, check the clearance
between the gear and the sensor, and adjust if necessary. Clearance should be between 0.25
and 1.25 mm (0.010 and 0.050 inch) at the closest point. Make sure the gear runout does not
exceed the pickup clearance.

b. Check for Grounds


Check for grounds by measuring the resistance from all control terminals to chassis. All terminals
except terminals 9, 11, and 25, should measure infinite resistance (the resistance of terminals 9 and
11 depends on whether a floating or grounded power source is used). If a resistance less than
infinite is obtained, remove the connections from each terminal one at a time until the resistance is
infinite. Check the line that was removed last to locate the fault.

c. Chassis Ground
Check for resistance from chassis to earth ground. The resistance should about be zero Ohms. If
earth ground is not available, tie the chassis to system ground.

Establish Connection
Establishing a connection with the control is discussed in two essential steps:
1. Gather Required Tools & Hardware
2. Connect PC CAN Adaptor and ProAct Digital Speed Control CAN Port

Woodward 44
Released

Manual 35131 ProActTM Digital Speed Control System (RoHS Compliant)

Gather Required Tools & Hardware


Install the ProAct Digital Speed Control ToolKit® service tool, which can be downloaded from the
Woodward website: www.woodward.com. It may include an embedded ToolKit® software as well, which
can alternatively also be downloaded from the Woodward website separately.

Search term “ProAct Speed Control” should help you locate the service tool software.

The ProAct service tool requires ToolKit version 5.6.2 or higher

USB Adapter
ToolKit supports IXXAT VCI 3, Kvaser CANlib 5.20, and RP1210B SDK’s, which allows ToolKit to work
with a variety of IXXAT, Kvaser, and RP1210 CAN devices. Ensure your PC meets the following minimum
set of requirements:
• Windows7 or greater
• NET Framework 4.5.1 or greater
• Toolkit will confirm the version if it is unknown
• Intel i5 w/GPU or better for optimal PC performance
• Kvaser drivers
o Installed automatically with ToolKit

Woodward recommends the following Kvaser PC CAN Interface device:

Figure 4-1. Kvaser Leaf Light V2 (Woodward # 5404-1189)

Other useful CAN accessories (not required with simple CAN interface to ProAct Digital Speed Control
connection) include:

CAN termination adapter: (Woodward # 10-011-107)

Figure 4-2. CAN Termination Adapter

Woodward 45
Released

Manual 35131 ProActTM Digital Speed Control System (RoHS Compliant)


CAN splitter adapter:

Figure 4-3. CAN Splitter Adapter

Some adapters will require the removal of the two D-Sub retainer standoffs at the CAN service port on the
ProAct Digital Speed Control. These standoffs can be removed from the control with a 3/16 inch socket
wrench or nut driver. Removal of these standoffs will not impact the functionality of the control.

Establishing Connection from a PC to the Application


Plug in your compatible CAN communication USB adapter into your PC if not already connected.

Figure 4-4. Can Communication USB Adapter

Table 4-1. XCP CAN Connections

Name Interface Defaults


Command ID = 188C12F1 (HEX)
XCP1 CAN @ 500k
Response ID = 188BF112 (HEX)
Command ID = 1B8C12F1 (HEX)
XCP2 CAN @ 500k
Response ID = 1B8BF112 (HEX)

Woodward 46
Released

Manual 35131 ProActTM Digital Speed Control System (RoHS Compliant)

There will be this symbol with a number for each step and the same callout on a print screen for
where the step is executed.

1 Run the ProAct Digital Speed


Control Service Tool 1

Toolkit should start up, open the


service tool, and show the Home
page

2 Left click “Connect”

3 Select the CAN adapter & channel


(Hint: It’s never a “Virtual”)
4 Set the Protocol to “XCP”
5 Set baud rate to “Baud_500Kbits”
6
Check the two boxes under
“Extended”
7 “Command” ID enter 188C12F1
(0=the number zero)
3
8 “Response” ID enter 188BF112
(0=the number zero) 4
9 Hit “Add” 5
10 Check the box next to the newly
created “Alias” 188C12F1. 10
o The Alias can be renamed to
“ProAct Digital Speed Control 7
6
XCP” to avoid future confusion by 8
9
right clicking your mouse and 11
selecting Rename.
11 Finally, left-click the connect button
on the bottom of panel.

The bottom left of the Toolkit window


should say “Connected on
Kvaser….” or similar

If unsuccessful see Troubleshooting section below.

After a connection is made a “Security Login” window will pop up where you can select the appropriate
login level and enter the control provider’s password; see XCP & Security for login information.

12 Security Level: “Operator”


13 Password “0”
14 Press “Log In”
12

13

14

Woodward 47
Released

Manual 35131 ProActTM Digital Speed Control System (RoHS Compliant)


Once successfully connected and logged in, the display values on “Navigation” will become live and look
similar to this page:

Troubleshooting
First Time Kvaser Installation
Sometimes the PC needs to be restarted to finish the installation of the Kvaser drivers.

Security
If an incorrect password is entered you must press “Close” then “Connect”. XCP Toolkit only allows 1 try
at entering the correct password per sequence that starts with “Connect”.

Woodward 48
Released

Manual 35131 ProActTM Digital Speed Control System (RoHS Compliant)

Incorrect CAN Channel Used

• Do not use a “Kvaser Virtual” channel.


• The 2 channel Kvaser USBcan R HS/HS
converters labels for each DB9 is “1” based
counting. The callout in Toolkit matches what
Windows uses and is “0” based.
A o So if the DB9 with the label “Ch.1 CAN
HS” is connected to the RT-CDC AUX
hardware select “Kvaser USBcan R #0
(Channel 0) A
B
B o So if the db9 with the label “Ch.2 CAN
HS” is connected to the RT-CDC AUX
hardware select “Kvaser USBcan R #0
(Channel 1)

Incorrect Connection Settings


If the incorrect baud rate or ID is specified or if the wiring is incorrect, ToolKit will indicate a status of
“Connecting” in the Details dialog. The CAN communications device, such as Kvaser Leaf Light V2, may
flash a red error light.
To resolve the issue confirm:
Protocol is “XCP”
Baud rate is set to “Baud_500Kbits”
o The “AutoDetection” setting does not work with Toolkit XCP connections.
Check the two boxes under “Extended”

Confirm that there is a device under the word “Alias” where


188C12F1 (0=the number zero) is the “Command” ID
188BF112 (0=the number zero) is the “Response” ID

It is common to configure the address and forget to hit “Add” for example, leading to no boxes to check
under “Alias”.

Incorrect CAN Wiring


Control will just saying “Connecting” forever. Connect Kvaser adapter directly to DB9 on control
eliminating any extension cables.

Changed XCP ID’s & Baud Rate


At the OEM access level it is possible to change the XCP ID’s and baud rate, but unless the OEM has
valid reasons to change the XCP ID’s, we strongly advise changing these XCP settings.

Actuator Range Calibration


The new ProActTM Digital Speed Control comes with a default calibration that nominal 0-75 degrees
stroke for a 0~100% position demand with all suitable actuators. For fine-tuning purposes there is an
option to calibrate the actuator to minimum and maximum position. Please refer to this section: Menu 6b:
Configuration / Actuator Test

If retrofitting an existing system, the calibration step should be skipped.

Woodward 49
Released

Manual 35131 ProActTM Digital Speed Control System (RoHS Compliant)

Actuator Travel Visual Inspection


The actuator travel may be checked using the “Verify Position” test mode on Menu 6b: Configuration /
Actuator Test of the service tool.

Do not crank or attempt to start the engine during this procedure.

To prevent possible serious injury from an overspeeding engine, it is


important to have the Failsafe switch enabled prior to cranking the
engine.

Woodward 50
Released

Manual 35131 ProActTM Digital Speed Control System (RoHS Compliant)

Inertia Calibration

Do not crank or attempt to start the engine during this procedure.

The inertia setting calibration value may be checked using the “Inertia Test” test mode on Menu 6b:
Configuration / Actuator Test of the service tool.

The inertia setting calibrates the position controller to the load inertia. A setting of zero represents the
actuator shaft with no load attached. The higher the load inertia, the higher the required inertia setting.

The position calibration wizard provides an opportunity to test the settings. When the Test button is
pressed, the actuator will go to the 30% position, pause, go to the 60% position, pause, return to the 30%
position, pause, and go to the 0% position. The actuator response to these steps helps determine the
correct inertia setting.

If the inertia setting is too low, there may be a slow oscillation when the actuator should be steady, or the
step response may show excessive overshoot and ringing. If the inertia setting is too high, a high
frequency oscillation or limit cycle may be seen. If a range of values is seen to provide adequate
response, the lowest value that does not produce overshoot should be chosen.

Friction Calibration

Do not crank or attempt to start the engine during this procedure.

The inertia setting calibration value may be checked using the “Friction Test” test mode on Menu 6b:
Configuration / Actuator Test of the service tool.

The friction setting represents the actuator current required to overcome static load friction.

Where no spring return is present, the Input Current value should be increased until the actuator just
begins to move. That value of Input Current should then be entered as the Friction Setting. Ideally, this
should be done in the middle of the travel range, and not at either end.

Where a return spring is present, the input current should be gradually increased until the actuator begins
to move against the spring, then gradually decreased until it moves in the opposite direction. The Friction
Setting should be one-half of the difference between these two values. For example, if it takes 0.7 A to
begin moving against the spring, and at 0.5 A the actuator moves with the spring in the opposite direction,
set the Friction Setting at (0.7 – 0.5) / 2 = 0.1 A.

If the friction setting is too low, the actuator may not respond well to small changes in the position
demand. If the friction setting is too high, a high frequency oscillation or limit cycle will be seen.

Woodward 51
Released

Manual 35131 ProActTM Digital Speed Control System (RoHS Compliant)

Configuration
Prestart Settings Creation
Some users find using the Offline Settings editor is easier for their first commissioning. The Offline
Settings Editor only shows any tunable settings, making it easier to find each parameter that needs
configuration.

There will be this symbol with a number for each step and the same callout on a print screen for
where the step is executed.

1 Run the
ProAct 1
Digital
Speed
Control
Service
Tool
2 Left click
“Settings”
2
3 Left Click
“Edit
Settings
File…” 3

Select a
valid
45 settings
file
(typically
part of the 4
service
tool
installatio
n) or
created
one-self
or
provided
by the 5
OEM
Left Click
“Open”

Woodward 52
Released

Manual 35131 ProActTM Digital Speed Control System (RoHS Compliant)

5 When the
settings
file being
opened
doesn’t
match the
Service
Tool
revision,
this popup
6
window
will
appear
6 Select the
“5418-…”
7 name
7
Left click
“OK”

8 Configure
as needed

Woodward 53
Released

Manual 35131 ProActTM Digital Speed Control System (RoHS Compliant)

9 Left Click
on File
Left Click
on “Save
As…” 9
Create a
file name
as desired
Left Click
“Save”

Connect
to control
(if not
already)
Left click
“Settings” 10
10 Left Click
“Load
Settings Only settings up to your login security
level will be updated and saved to the
File to
ProActTM Digital Speed Control!
Device…”
Updates
settings
as needed
to clear
faults

Woodward 54
Released

Manual 35131 ProActTM Digital Speed Control System (RoHS Compliant)

Dynamics Settings
Menu 1—Primary Dynamics Settings
The four Gain set points and break points determine the actuator response to a change in speed or load.
These settings can vary as a percent of existing load in nonlinear fuel systems.

The adjustments are settings that affect the stability and transient performance of the engine. A large
number will provide a faster response to an error between actual speed and reference speed. A small
number will provide a slower response to an observed error in speed.

Gain becomes an important portion of the programming that determines the response and stability of an
engine.

The control provides two sets of dynamics. Menu 1 sets the primary (normal) dynamics. Menu 2 provides
a second set of dynamics for use with an alternate fuel or other conditions which require different control
factors.

The set of dynamics being used is selected by the Alternate Dynamics contact input (open for normal
dynamics and closed for alternate dynamics).

The following descriptions apply to either set of dynamics. See Figures 4-1 through 4-4

The four Gain and Gain Breakpoint settings in Menus 1 and 2 provide different response scales to
changes in load or speed depending on the existing actuator position. This allows the ProAct control to be
programmed to provide a response scale that matches the engine response over the no load to full load
range.

Woodward 55
Released

Manual 35131 ProActTM Digital Speed Control System (RoHS Compliant)

Figure 4-5. Typical Transient Response Curves

Woodward 56
Released

Manual 35131 ProActTM Digital Speed Control System (RoHS Compliant)

Gas Engine Setup


Change in the butterfly valve position is not linear in comparison to engine power output. In naturally-
aspirated (non-turbocharged) engines, the position of the valve in comparison to engine output appears
on a chart similar to Figure 4-2.

Figure 4-6. Non-Linear Valve Power Curve

Turbocharged engines distort this curve, particularly as turbo pressure builds to the point of operating the
waste gate. A turbocharged gas engine will likely have a butterfly position chart similar to Figure 4-3.

Figure 4-7. Sample Engine Plot

Note in both charts that the valve position falls on a curve. The ProAct menu does not permit the
construction of a curve. However, with four slope segments available for the Proportional Gain term, a
rough approximation of the curve can be created (see Figure 4-4).

Woodward 57
Released

Manual 35131 ProActTM Digital Speed Control System (RoHS Compliant)

Figure 4-8. Linearized Engine Plot

Diesel Engine Setup


Most diesel engine fuel controls are nearly linear. The dynamics maps may still be used to accommodate
nonlinear conditions caused either by the fuel system or by linkage between the actuator and the rack.
For gain settings that are not used, set the associated breakpoint at 100%.

Control Gain Programming Steps

1 Navigate to
“Dynamics Tuning
Page”
1
2 Press “Start” to start
trend
Attempt to Start
Engine
If engine does not
start Navigate to
Menu and adjust
“Start Fuel Limit 1”
as needed

Woodward 58
Released

Manual 35131 ProActTM Digital Speed Control System (RoHS Compliant)


1. Gain programming is needed whenever the gain of the engine and fuel system is non-linear. This
usually occurs in gas engine applications. A plot of the fuel system must be determined to properly
adjust the gain of the control to match the gain of the system at all loads.

The plot reflects the actuator output, as seen in Menu 5, versus the engine load as load is varied
from no load to full load.

a. To construct a gain plot:


I. Set the Gain A breakpoint for 100%. This ensures that there won't be any confusion with
other settings while plotting the system characteristics. Only Gain A, Stability, and
Actuator Compensation will be used.
II. Start the engine and obtain good control at no load using Gain A, Stability, and Actuator
Compensation. Record these settings and the actuator output as displayed in Menu 5.
III. Step load the engine with as many load steps as are practical. At each load step, Gain A
may need to be varied to maintain engine stability. Do not change stability or actuator
compensation after the first setting in step b. Should it be necessary to change these
settings to obtain good control, repeat all previous steps until only Gain is changed at
each load step. At each load step, record the actuator output that is displayed in Menu 5.
Also record the engine load and Gain A at each point.

Table 4-2 aids in collecting the data for the Gain Plot.

Gain settings reflect the amount of slope as shown in Figure 4-5. Flat portions of the
engine plot will require relatively small amounts of gain, steep portions of the plot will
require larger gain numbers.

IV. Create a plot of the system by plotting actuator output as a function of load. A typical
result is shown in Figure 4-5.

Table 4-2 may help in the construction of the plot. Use as many load steps as possible.

Table 4-2. Gain Plot Data Collection

Load Step Gain (for good control) Actuator Output


LoadStep
Load Step1 Actuator Output
Load Step 2
Load Step 3
Load Step 4
Load Step 5
Load Step 6
Load Step 7
Load Step 8
Load Step 9
Load Step 10
Load Step 11
Load Step 12
Load Step 13
Load Step 14
Load Step 15
Load Step 16
Load Step 17
Load Step 18
Load Step 19
Load Step 20

2. Set Gain A to the value recorded in Step 1b. This should give good control at no load.

3. Use the plot of the engine to determine the linearity of the fuel system. This curve should be
linearized between inflection points as shown in Figure 4-9.

Woodward 59
Released

Manual 35131 ProActTM Digital Speed Control System (RoHS Compliant)


4. Set the Gain A Breakpoint for the actuator output at or slightly below the value at the first inflection
point. The gain of the electronics is constant for actuator outputs less than the Gain A Breakpoint.
5. Set the Gain B Breakpoint at the point slightly above the first inflection point in the actuator output
versus load plot.

6. Gain B should now be adjusted to obtain good control at the inflection point. Note: you may already
have obtained the correct value in Step 1c.

7. Set the Gain C Breakpoint slightly below the next inflection point in the curve obtained in 1d.

8. Gain C should now be adjusted to obtain best control at this point. Note: the correct value for Gain C
may already have been obtained in Step 1c for this load.

9. Gain D breakpoint is normally higher than the second inflection point. The gain of the control is
constant after this point.

10. Gain D is adjusted for the best response at full load. This value may also have been determined in
Step 1c.

Figure 4-9. Example of Plot Created from GAIN Figure 4-10. Example of Plot Created from
Column ACTUATOR OUTPUT Column

Stability, Actuator Compensation, Gain Ratio, Window Width


11. Stability (also known as Reset) compensates for the lag time of the engine. It adjusts the time
required for the control to return the speed to zero error after a disturbance. Stability is adjusted to
prevent slow hunting and to minimize speed overshoot after a load disturbance.

12. Compensation compensates for the actuator and fuel system time constant.

13. Gain Ratio operates in conjunction with the Window Width and Gain adjustments by multiplying the
Gain set point by the Gain Ratio when the speed error is greater than the Window Width. This makes
the control dynamics fast enough to minimize engine speed overshoot on start-up and to reduce the
magnitude of speed error when loads are changing. This allows a lower gain at steady state for
better stability and reduced steady-state actuator movement.

14. Window Width is the magnitude (in ± rpm) of a speed error at which the control automatically
switches to fast response. The control does not use the absolute value of speed error, but an
“anticipated” speed error, to make this switch. This method provides for quick switching to the high
gain value when an off speed occurs, and early switching to the low gain value when recovering from
the speed transient. This provides smoother switching than if the absolute speed error were used for
the window.

Woodward 60
Released

Manual 35131 ProActTM Digital Speed Control System (RoHS Compliant)

Menu 2—Alternate Dynamics Settings


Menu 2 should be programmed similar to Menu 1, but with the alternate fuel or other operating condition
expected. The four Gain settings and breakpoints may be set like those used in Menu 1. The Stability,
Compensation, Gain Ratio, and Gain Window will probably be quite different if different fuels are being
used.

If the engine will not use the alternate operating condition, the menu will not have to be programmed or it
can be programmed identically with the Menu 1 to prevent unintentional changes in the dynamics
program.

Table 4-3. Load Step Gain and Actuator Output Settings

Load Step Gain (for good control) Actuator Output


Load Step 1
Load Step 2
Load Step 3
Load Step 4
Load Step 5
Load Step 6
Load Step 7
Load Step 8
Load Step 9
Load Step 10
Load Step 11
Load Step 12
Load Step 13
Load Step 14
Load Step 15
Load Step 16
Load Step 17
Load Step 18
Load Step 19
Load Step 20

Conclusion of Test and Calibration Procedures


This completes the calibration instructions. Save the set points by pressing the “Save Values” icon at the
top of the service tool.

To prevent possible damage to the engine resulting from improper


control settings, make sure you save the set points before removing
power from the control. Failure to save the set points before
removing power from the control causes them to revert to the
previously saved settings.

Be prepared to make an emergency shutdown when starting the


engine, turbine, or other type of prime mover, to protect against
runaway or overspeed with possible personal injury, loss of life, or
property damage.

Woodward 61
Released

Manual 35131 ProActTM Digital Speed Control System (RoHS Compliant)

Chapter 5.
Service Tool Pages

Introduction
The ProAct Toolkit service tool provides the same menu’s as are available on the old Handheld, and also
more pages for new features.

Please consult Establish Connection for setting up the CAN connection and basic information about
working with Toolkit and settings files.

*Strikethrough removed, compared to legacy ProAct driver


*Underline new, compared to legacy ProAct driver
*option ProAct driver part-number dependent, configuration option

Status Bar & Navigation

The header in the ProAct Toolkit service tool provides status information of the control.

“Config Mode”, “Test Mode”, “Config Fault”, “Alarm” and “Shutdown” status buttons also act as navigation
buttons to the configuration and diagnostic pages.

The “ESD” button allows the operator to shut down the engine control from the ProAct Toolkit service tool

Saving Settings
Settings can be saved to the ProAct driver by either pressing the standard Toolkit save button at the
top , or selecting “Save Values…” from menu “Device”.

Some ProAct Toolkit service tool pages have additional buttons for Save, Save
& Reboot and Reboot (no Save).
The “Save” button has the same function as the standard Toolkit save method.
Configuration parameters like “Number of Gear Teeth”, “Speed Function Type”,
“Speed Samples” require the control to reboot prior to start using the changed
settings, “Save & Reboot” combines both actions.

To discard any changed settings which have not been saved yet, the “Reboot (no Save)” button can be
used to simply reboot the control. Alternatively, removing and re-applying the power to the control can be
used to discard any unsaved settings changes.

Woodward 62
Released

Manual 35131 ProActTM Digital Speed Control System (RoHS Compliant)

Home Page

When the service tool is opened and the CAN connection is still offline, the Home page will be shown.

The CAN XCP connection settings are listed, typically XCP1 will be used.

The service Tool part number is shown and shall match the software part number on page System.

A specific service tool will only operate with the ProAct Digital Speed Control part numbers listed on the
Home page.

Once the CAN XCP connection is made, the tool will navigate to Main Page.

Woodward 63
Released

Manual 35131 ProActTM Digital Speed Control System (RoHS Compliant)

Main Page

From the Main page, one can quickly navigate to the parameter menu’s 0 ~ 6 which are
almost identical to the original menu’s available on the old ProAct Digital Speed Control
driver’s Handheld

From any Toolkit page, one can return to this Main page by pressing the home navigation button
located at the top to the right.

Woodward 64
Released

Manual 35131 ProActTM Digital Speed Control System (RoHS Compliant)

Dynamics Tuning

The Dynamics Tuning page can be helpful for optimizing the controller’s dynamics settings for closed loop
speed control.

Only the selected dynamics settings (normal or alternate) are displayed and accessible from this page.

An embedded trend can visually aid in optimizing speed/load disturbance step responses.

When speed/load cannot be changed externally, the Actuator Bump function may help.

The Bump Amplitude will be added to the current actuator output demand for
the duration of Bump On time when the Actuator Bump one-time trigger button
is pressed. As a result of this forced error, the speed controller will start to react.

Alternatively, the Automatic Actuator Bump function can be enabled, by


ticking the box. An actuator bump disturbance will be retriggered after
Bump Off Time has passed.

Make sure Automatic Actuator Bump is unselected when finished


with testing and prevent from saving it in selected state to the
control’s non-volatile memory or a Toolkit settings file.

Min and Max speed monitoring can help determining optimize dynamics by capturing the minimum and
maximum speed as a result of a load step test.

The respective Clear buttons will clear these values to the current speed.

Woodward 65
Released

Manual 35131 ProActTM Digital Speed Control System (RoHS Compliant)

Menu 1, 2 - Dynamics Settings

The four Gain set points and break points determine the actuator response to a change in speed or load.
These settings can vary as a percent of existing load in nonlinear fuel systems. The adjustments are
settings that affect the stability and transient performance of the engine. A large number will provide a
faster response to an error between actual speed and reference speed. A small number will provide a
slower response to an observed error in speed.

Gain becomes an important portion of the programming that determines the response and stability of an
engine.

The control provides two sets of dynamics. Menu 1 sets the primary (normal) dynamics. Menu 2 provides
a second set of dynamics for use with an alternate fuel or other conditions which require different control
factors.

The set of dynamics being used is selected by the Alternate Dynamics contact input (open for normal
dynamics and closed for alternate dynamics).

Woodward 66
Released

Manual 35131 ProActTM Digital Speed Control System (RoHS Compliant)

Figure 5-1. Dynamics Map Curves

The following descriptions apply to either set of dynamics. See Figure 5-1.

The four Gain and Gain Breakpoint settings in Menus 1, 2 provide different response scales to changes in
load or speed depending on the existing actuator position. This allows the ProAct control to be programmed
to provide a response scale that matches the engine response over the no load to full load range.

Table 5-1. Menu 1—Alternate Dynamics Settings*

Menu Item Low Value Default Value High Value Units


Gain A 0.0003 0.25 10 NA
Gain A break point 0 0 100 %
Gain B 0.0003 0.25 10 NA
Gain B break point 0 30 100 %
Gain C 0.0003 0.25 10 NA
Gain C break point 0 60 100 %
Gain D 0.0003 0.25 10 NA
Gain D break point 0 100 100 %
Stability 0 0.25 10 seconds
Compensation 0 0.1 10 seconds
Gain Ratio 1 1 50 NA
Gain Window 0 60 2000 rpm

Woodward 67
Released

Manual 35131 ProActTM Digital Speed Control System (RoHS Compliant)


Table 5-2. Menu 2—Alternate Dynamics Settings*

Menu Item Low Value Default Value High Value Units


Alt Gain A 0.0003 0.1 10 NA
Alt Gain A break 0 0 100 %
Alt Gain B 0.0003 0.1 10 NA
Alt Gain B break 0 30 100 %
Alt Gain C 0.0003 0.1 10 NA
Alt Gain C break 0 60 100 %
Alt Gain D 0.0003 0.1 10 NA
Alt Gain D break 0 100 100 %
Alt Stability 0 1 10 seconds
Alt Compensation 0 0.2 10 seconds
Alt Gain Ratio 1 1 50 NA
Alt Gain Window 0 60 2000 rpm

Menu 3—Speed Reference Settings

Speed adjustments are the settings that affect the speed reference. Descriptions of each menu item
follow.

1. Rated Speed Reference sets the normal operating speed of the engine in rpm.

2. Idle Speed Reference sets the speed in rpm at which the engine is operated at start-up. It sometimes
is used during cool down.

3. Raise Limit is the maximum speed reference setting in rpm. It is used to limit the Raise Speed
command and Remote Reference to a maximum. It normally is set at the maximum rated engine
speed.

4. Lower Limit is the minimum speed reference setting in rpm. It is used to limit the Lower Speed
command and Remote Reference. It normally is set at the minimum operating speed of the engine.

Woodward 68
Released

Manual 35131 ProActTM Digital Speed Control System (RoHS Compliant)


5. Accel Time is the time required for the control to ramp the engine speed from idle speed to rated
speed. The time is set from 0 to 500 seconds. The ramp is started whenever the Idle/Rated switch is
closed.

6. Decel Time is the time required for the control to ramp the engine speed from rated speed to idle
speed. The time is set from 0 to 500 seconds. The ramp is started whenever the Idle/Rated switch is
opened.

Figure 5-2. Accel/Decel Example

Actual engine deceleration may be slower than set by the Decel Time
set point. This occurs when the Decel Time set point is faster than
system inertias will allow the engine to slow down in speed. This
condition is indicated by the control actuator output going to the
minimum fuel position. See Idle Droop below.

7. Raise Rate is the rate at which the speed reference is ramped when using the Raise command or
when the Remote Speed Setting input is changed in the increase direction. The rate programmed is
in rpm per minute. A step change in the remote input does not cause an immediate change in the
reference, which is ramped to the new setting at the Raise Rate.

8. Lower Rate is the rate at which the speed reference is ramped when using the Lower Speed
command or when the Remote Speed Setting input is changed in the decrease direction. The rate is
set in rpm per minute. A step change in the remote input does not cause an immediate change in the
reference, which is ramped to the new setting at the Lower Rate.

9. Droop is set as the percent rated speed will be decreased from no load to full load. Droop will be
included in the engine control schedule only when the Isoch/Droop contact is open. The percentage
of Droop entered is based on 75° of actuator travel. If less than full travel is used, the droop
percentage must be increased proportionally.

Woodward 69
Released

Manual 35131 ProActTM Digital Speed Control System (RoHS Compliant)

Figure 5-3. Droop Curve

10. Idle Droop combined with the Idle Droop Breakpoint is used to limit speed undershoot when large
decel rates are used from rated to idle.

Idle Droop is based on the actuator output when it drops below the Idle Breakpoint setting.
Dependencies on linkage make the Idle Droop percentage relative, so large droop settings may be
required to achieve the desired results.

11. Idle Droop Breakpoint is normally set equal to the actuator output obtained when the engine is
unloaded and at low idle. When the output of the control drops below this setting or goes to minimum
fuel during rapid engine deceleration, Idle Droop will raise the speed reference. This brings the
engine back under control sooner and reduces speed undershoot. Speed undershoot may occur
because the time required for the control to return to the new fuel setting is dependent on control
dynamics and linkage adjustment.

Figure 5-4. Idle Droop

Woodward 70
Released

Manual 35131 ProActTM Digital Speed Control System (RoHS Compliant)


12. Fast Start to Rated feature provides a fast start-up to rated speed. When the Fast Start feature is
enabled and the Rated contact is closed when the engine is started, the speed reference will be
instantly set to Rated speed setpoint, allowing quick engine startup. Only in this special case it’s
allowed to have the triple start fuel limiter speed setpoints set higher than Idle speed setpoint for fast
open loop starting of the engine. When Fast Start is enabled, but Idle is selected when the engine is
started, the engine will start to Idle.

13. Speed Switch A ON sets the rpm that will turn on Speed Switch A.

14. Speed Switch A OFF sets the rpm that will turn off Speed Switch A.

15. Speed Switch B ON sets the rpm that will turn on Speed Switch B.

16. Speed Switch B OFF sets the rpm that will turn off Speed Switch B.

17. Speed Switch C ON sets the rpm that will turn on Speed Switch C.

18. Speed Switch C OFF sets the rpm that will turn off Speed Switch C.

The speed switch changes state at the selected speed position. Each switch allows 500 mA to sink
to the negative of the power supply when closed.

Figure 5-5. Speed Switch Settings

19. 20 mA Remote Reference is the engine speed desired when 20 mA is applied to the Remote Speed
Reference input. The desired speed is set in rpm. (*option)

20. 4 mA Remote Reference is the engine speed desired when 4 mA is applied to the Remote Speed
Reference input. The desired speed is set in rpm. (*option)

Woodward 71
Released

Manual 35131 ProActTM Digital Speed Control System (RoHS Compliant)


Table 5-3. Menu 3—Speed Reference Settings*

Menu Item Low Value Default Value High Value Units


Rated Speed 0 1800 2100 rpm
Idle Speed 0 1200 2100 rpm
Raise Limit 0 1890 2100 rpm
Lower Limit 0 1200 2100 rpm
Accel Time 0 8 500 seconds
Decel Time 0 8 500 seconds
Raise Rate 0 2500 99999 rpm/minute
Lower Rate 0 2500 99999 rpm/minute
Droop 0 5 100 %
Idle Droop 0 0 100 %
Idle Droop BP 0 0 100 %
Speed Switch A On 0 600 2100 rpm
Speed Switch A Off 0 540 2100 rpm
Speed Switch B On 0 1200 2100 rpm
Speed Switch B Off 0 1140 2100 rpm
Speed Switch C On 0 2000 2100 rpm
Speed Switch C Off 0 1900 2100 rpm
Remote Speed 0 1710 2100 rpm (*option)
Remote Speed 0 1890 2100 rpm (*option)
Fast Start to Rated FALSE TRUE or FALSE TRUE NA (*option)

Menu 4—Limiter Settings

Woodward 72
Released

Manual 35131 ProActTM Digital Speed Control System (RoHS Compliant)


Fuel limiters limit the actuator output from the control. Descriptions of each menu item follow.

1. Maximum Fuel Limit sets the maximum percent actuator output when rated speed is selected. If the
actuator linkage is correctly set so the actuator is providing the maximum position stop, 3° in
advance of the butterfly valve maximum position, this item may be set at 100%. If the actuator must
reach maximum before it reaches its maximum stop, the entry must be below 100%.

Damage to the butterfly valve and possible jamming of the valve in


the wide open position is possible if linkage is not designed to reach
maximum actuator position at least 3° in advance of maximum
butterfly valve position.

The Maximum limit may be used to limit the horsepower developed in the engine.

2. Transient Limit is used when the maximum fuel limit is controlling the output horsepower of the
engine. The transient limit allows overfueling of the engine by the amount tuned into the control. This
allows the engine to accelerate to the rated load.

3. Transient Time is the amount of time that the Transient Limit is allowed to operate.

4. Minimum Torque Limit is the percent actuator output allowed when the engine speed is at or below
the Lower Limit speed setting (Menu 3). The torque limiter provides a value between Minimum
Torque Limit and Breakpoint Torque Limit when engine speed is between these two settings. This
sets the torque limit slope below the Breakpoint position.

5. Torque Limit Breakpoint (BP) is the engine speed at which the slope of the torque limiter output
changes. The Torque Limit Breakpoint must be set between the Raise and Lower Limits described
under Menu 3.

6. Torque Limit at Breakpoint (BP) is the percent actuator output at the engine speed set by the Torque
Limit Breakpoint described above.

7. Maximum Torque Limit is the maximum percent actuator output when the engine speed is at the
Raise Limit speed setting. The torque limiter provides a value between the Breakpoint Torque Limit
and Maximum Torque Limit when engine speed is between these two settings. This sets the slope
above the torque limit breakpoint setting.

8. Start Fueling sets the number of enabled start fuel limits, 1, 2 or 3

9. Start Ramp Rate is a tunable ramp of the actuator output to ensure starting of cold engines. The
control ramps the position of the actuator from the Start Fuel Limit open at a controlled rate until the
engine starts or Max Fuel Limit is reached. After the engine has started, the fuel limits will be set by
the Maximum Fuel Limit or the Torque Limit, whichever is less. In case of multiple start fuel limits
(Start Fueling = 2 or 3), ramping only happens from the first start fuel limit point.

10. Start 1-2 Ramp Rate defines the rate at which the fuel limit is ramped to Start Fuel Limit 2, once Start
Speed BP 1 has been reached.

11. Start 2-3 Ramp Rate defines the rate at which the fuel limit is ramped to Start Fuel Limit 3, once Start
Speed BP 2 has been reached.

12. Start Fuel Limit 1 is a limit that is in place while the engine is starting. This limit helps reduce smoke
on diesel engines and prevents overfueling during the start of gas engines. When Start Fueling = 1,
this limit is removed when the engine reaches Start Speed. When Start Fueling = 2 or 3, the start
fuel limiting sequence continues once Start Speed BP 1 has been reached.

Woodward 73
Released

Manual 35131 ProActTM Digital Speed Control System (RoHS Compliant)


13. Start Fuel Limit 2 is a limit that is in place while the engine is starting. This limit helps reduce smoke
on diesel engines and prevents overfueling during the start of gas engines. When Start Fueling = 2,
this limit is removed when the engine reaches Start Speed. When Start Fueling = 3, the start fuel
limiting sequence continues once Start Speed BP 2 has been reached.

14. Start Fuel Limit 3 is a limit that is in place while the engine is starting. This limit helps reduce smoke
on diesel engines and prevents overfueling during the start of gas engines. When Start Fueling = 3,
this limit is removed when the engine reaches Start Speed.

15. Start Speed sets the speed in rpm that will remove the start-fuel limit from the control system. When
Start Speed is obtained, the speed ramps to idle or rated speed, depending on the selection made.
After start speed is attained, the control uses the Maximum Fuel and Torque limits.

16. Stop Speed sets the speed in rpm that will force the actuator to go to 0% when engine speed goes
below this threshold. If speed recovers, speed control will be re-enabled, but the start fuel limiter
sequence will be active again until run speed has been reached.

Figure 4-12 illustrates the breakpoint and these adjustments.

Actuator Output (%)


100%

Max Fuel Limit

Max Torque

Torque at BP

Min Torque

Start Fuel
Limit 3

Start Fuel
Limit 2 Start 2-3
Ramp Rate
(%/sec)

Start 1-2
Start Fuel
Ramp Rate
Limit 1
(%/sec)
Cancel Start Fuel
Limiting

0% Speed
Start Start Start Lower Torque Raise (RPM)
Speed Speed Speed Limit Limit BP Limit
BP 1 BP 2

Figure 5-6. Complete Fuel Limit Map

17. Fuel Rack BP (%) versus Fuel Rack Limit (%) lookup table defines what Fuel Rack Limit (%) will be
applied at each of the 5 fuel rack breakpoints (%) input values. The Fuel Rack Limiter is an absolute
fuel limiter, downstream of all other limiters. (*option)

18. Boost (bar) versus Boost Limit (%) lookup table defines what Boost Limit (%) will be applied at each
of the 3 boost pressure breakpoints (bar) input values. (*option)

Woodward 74
Released

Manual 35131 ProActTM Digital Speed Control System (RoHS Compliant)


Table 5-4. Menu 4—Limiter Settings*

Menu Item Low Value Default Value High Value Units


Start Fueling 1 1 3
Start Ramp Rate 0 1 20 %/s
Start 1-2 Ramp Rate 0 100 2000 %/s
Start 2-3 Ramp Rate 0 100 2000 %/s
Start Fuel Limit 1 0 20 100 %
Start Fuel Limit 2 0 40 100 %
Start Fuel Limit 3 0 40 100 %
Start Speed BP 1 0 40 2100 rpm
Start Speed BP 2 0 40 2100 rpm
Start Speed 0 400 2100 rpm
Stop Speed 0 300 or 1 1200 rpm (*option)
Max Fuel Limit 0 100 100 %
Transient Limit 0 0 100 %
Transient Time 0 0 10 s
Min Torque Limit 0 40 100 %
Torque Limit BP 0 1500 2100 rpm
Torque Limit at BP 0 70 100 %
Max Torque Limit 0 90 100 %
Fuel Rack BP 1 0 10 100 % (*option)
Fuel Rack BP 2 0 20 100 % (*option)
Fuel Rack BP 3 0 30 100 % (*option)
Fuel Rack BP 4 0 40 100 % (*option)
Fuel Rack BP 5 0 50 100 % (*option)
Fuel Rack Limit 1 0 100 100 % (*option)
Fuel Rack Limit 2 0 100 100 % (*option)
Fuel Rack Limit 3 0 100 100 % (*option)
Fuel Rack Limit 4 0 100 100 % (*option)
Fuel Rack Limit 5 0 100 100 % (*option)
Boost 1 0 1 100 bar (*option)
Boost 2 0 2 100 bar (*option)
Boost 3 0 5 100 bar (*option)
Boost Limit 1 0 100 100 % (*option)
Boost Limit 2 0 100 100 % (*option)
Boost Limit 3 0 100 100 % (*option)

Menu 5—Monitor Menu

Woodward 75
Released

Manual 35131 ProActTM Digital Speed Control System (RoHS Compliant)


Values displayed are continuously updated. Descriptions of each menu item follow:

1. Speed displays the current engine speed in rpm.

2. Speed Reference Ramp displays the current speed reference ramp value in rpm. Note that this may
not be the current speed of the engine due to the effect of idle droop, fuel limiters, auxiliary input, or
droop.

3. Speed Reference Final displays the final speed reference value in rpm. This is the speed reference
ramp value after applying speed biases droop, idle droop & the auxiliary input.

3. Speed Control Output displays the current speed control output percentage.

4. Actuator Position (mapped) displays the actuator position demand output percentage after applying
the actuator mapping curve.

5. Aux Input displays the voltage on the Aux Input.

6. Remote Speed setting displays the analog input in mA or V, and the respective remote speed setting
setpoint in rpm. (*option)

7. Fuel Rack Limiter displays the analog input in mA or V, and the respective Fuel Rack Limiter input
value in %. (*option)

8. Boost Pressure displays the analog input in mA or V, and the respective Boost Pressure input value
in bar. (*option)

9. Run/Stop Switch Status displays the status of the discrete input at terminal 23. Closed indicates 24
Vdc is applied to the input selecting the run position. Open selects minimum fuel or the stop position.

10. Idle/Rated Switch Status displays the status of discrete input at terminal 17. Closed indicates 24 Vdc
is applied to the input selecting rated speed and the maximum fuel limit is selected. Open indicates
idle speed and the idle fuel limit.

11. Raise Switch Status displays the status of discrete input at terminal 19. Closed indicates 24 Vdc is
applied to the input selecting raise speed.

12. Lower Switch Status displays the status of discrete input at terminal 18. Closed indicates 24 Vdc is
applied to the input selecting lower speed.

13. Alternate Dynamics Switch Status displays the status of discrete input at terminal 20. Closed
indicates 24 Vdc is applied to the input selecting the Alternate Dynamics.

14. Remote Reference Switch Status displays the status of discrete input at terminal 21. Closed enables
the remote speed setting at terminals 14 and 15 and disables the Raise and Lower switches.

15. Isoch / Droop Switch displays the status of the contacts at terminal 16. Open is droop, closed is in
isochronous speed control mode.

16. Speed Switch A, terminal 3, indicates the on/off position of the switch.

17. Speed Switch B, terminal 4, indicates the on/off position of the switch.

18. Speed Switch C, terminal 5, indicates the on/off position of the switch.

19. Fault Lamp indicates the switch position at terminal 6. This switch is on when a fault has been
detected.

Woodward 76
Released

Manual 35131 ProActTM Digital Speed Control System (RoHS Compliant)

Menu 6a—Configuration Set Points

In order to make configuration changes, one needs to be logged on at an appropriate security level, and
the engine shall be stopped (Run/Stop switch open).

Pressing the ENTER CONFIGURATION button will enter Configuration mode and allow configuration
settings to be changed for 15 minutes, after which Configuration mode will be exited automatically.

Woodward 77
Released

Manual 35131 ProActTM Digital Speed Control System (RoHS Compliant)


1. Failsafe Function.

The Failsafe function causes the ProAct control to issue a minimum


fuel signal should the MPU signal fail. Should the function be
disabled (to permit a fuel position while cranking or for test
procedures), it must be enabled again to prevent overspeed should
the signal fail while the engine is operating. Engine overspeed can
damage equipment and cause personal injury or death.

The Failsafe function must be enabled during normal engine


operation to prevent possible overspeed should the MPU signal be
lost for any reason. As soon as the control senses engine speed, the
failsafe becomes enabled. The function can be overridden to allow
some slow cranking engines to start, and to test parts of the
governor system without running the engine. Failure to enable the
Failsafe function could allow overspeed with resulting damage to
equipment and possible personal injury or death.

2. Dynamics Map Linear or Nonlinear. This setting shall be kept at linear, as nonlinear is not
implemented.

3. Number of Gear Teeth is the number of teeth or holes in the gear or flywheel that drives the speed-
sensing device. If the gear is running at camshaft speed (one-half engine speed) then you must
enter one-half the number of teeth on the gear.

The control requires the number of teeth seen by the MPU per engine revolution.

Best control performance will be obtained when sensing speed from


a gear rotating at full engine speed. Slower-speed gears (such as the
camshaft) provide a lower sampling rate which reduces control
response time.

The number of gear teeth is used by the control to convert pulses


from the speed-sensing device to engine rpm. To prevent possible
serious injury from an overspeeding engine, make sure the control is
properly programmed to convert the gear-tooth count into engine
rpm. Improper conversion could cause engine overspeed.

4. Speed Filter Type determines the type of MPU algorithm that will be run.
Engine cycle = 2 revolutions of crankshaft on a 4-stroke engine
• The speed is sensed once every 1/16th of an engine cycle and averaged with the
previous 15 samples. There are 16 speed samples in the average.
• This function has not been implemented. Defaulted to Speed Filter Type 4.
• The speed period is sampled once every 1/SAMPLES of an engine cycle. The last
SAMPLES samples are averaged to determine the speed. For example, if SAMPLES =
10, then the speed period is sampled every 1/10th of an engine cycle. The speed is the
average of the last 10 samples; therefore the speed is the average of the last 10
samples taken during the last engine cycle.
• This function is specifically designed to give readings at low speeds without the delay
associated with other types of speed sensing blocks. The speed period is sampled on
every gear tooth. The speed is determined from the average of the last 2 gear tooth
samples.

Woodward 78
Released

Manual 35131 ProActTM Digital Speed Control System (RoHS Compliant)

Speed Filter Type 4 should only be used in applications where GEAR


TEETH FREQUENCIES are below 1000 Hz. Gear teeth frequencies
higher than 1000 Hz may result in the control resetting, causing the
engine to shut down.

• Adaptive Rotational Filter. The algorithm breaks up the engine cycle according to the
following equation:
Teeth or pulses before a new sample = (NUM_TEETH * REVS_CYCL) / SAMPLES;
It is capable of changing the number of pulses for each sample period such that it
calculates speed over the same section of the speed sensing gear each engine
revolution. The block will then add a separate bias to the speed calculation for each
section based on the average speed over an entire engine revolution.

Speed Filter Type 5 should only be used in slower speed engine and
hydro turbine applications.

5. #Speed Samples. Typically this should be set to the number of cylinder the engine has for best
torsional speed filtering effect. Changing the value from the default will impact the dynamics of the
speed control, requiring retuning of the speed control.

To maintain compatibility with the legacy ProAct driver settings, it is


important to NOT change the speed sensing defaults values of:
Type=3, Samples=7 or Type=3, Samples=4 (*option)

6. Analog Input Function. Allows to change the function of the analog input from 1: Remote Speed
Setpoint, 2: Fuel Rack Limiter or 3: Boost Pressure

7. Analog Input Analog Type. Allows to change the analog input from 1: 4-20 mA to 2: 0-5 V input
signal type

8. Analog input Scaling. Define the 4 and 20 mA (or 0 and 5 V) output values for the input signal type.

9. Analog Input Gain. The Gain is used to shift the high-end calibration of the input. The output, in
engineering units (mA or V), is multiplied by the gain.

10. Analog Input Offset. The Offset is used to shift the low-end calibration of the input. The offset, in
engineering units (mA or V), is added to the output.

11. Range Limits High. Defines the analog input high threshold in mA or V for the corresponding alarm

12. Range Limits Low. Defines the analog input low threshold in mA or V for the corresponding alarm

13. Range Limits Fault Delay. Defines time the analog input value needs to be out of range before the
corresponding alarm will be triggered

14. Range Limits Out of range alarm High ?. When checked, will enable the high alarm

15. Range Limits Out of range alarm Low ?. When checked, will enable the low alarm

16. AUX input Gain. The Gain is used to shift the high-end calibration of the input. The AUX output, in
engineering units (V), is multiplied by the gain.

17. AUX input Offset. The Offset is used to shift the low-end calibration of the input. The offset, in
engineering units (V), is added to the AUX output.

Woodward 79
Released

Manual 35131 ProActTM Digital Speed Control System (RoHS Compliant)


18. AUX Gain. The AUX input speed bias [rpm] is multiplied with this gain. Default value of 1.0 will result
in a 3% rated speed bias per volt.

Table 5-5. Menu 6a - Settings*

Menu Item Low Value Default Value High Value Units


Failsafe Function Disabled Enabled Enabled NA
Dynamics Map Nonlinear Linear Linear NA
Number of Gear Teeth 4 60 720 NA
Speed Filter Type 1 3 5 NA
#Speed Samples 2 14, 7 or 4 40 NA (*option)
Function 1 2 or 1 3 NA (*option)
Remote Speed Setp (mA) 0 4 20 mA (*option)
Remote Speed Setp (mA) 0 20 20 mA (*option)
Remote Speed Setp (V) L 0 0.5 5.5 V (*option)
Remote Speed Setp (V) 0 4.5 5.5 V (*option)
Remote Speed Setp 0 1710 2100 % (*option)
Remote Speed Setp 0 1890 2100 % (*option)
Fuel Rack Limiter (mA) L 0 4 20 mA (*option)
Fuel Rack Limiter (mA) H 0 20 20 mA (*option)
Fuel Rack Limiter (V) L 0 0.5 5.5 V (*option)
Fuel Rack Limiter (V) H 0 4.5 5.5 V (*option)
Fuel Rack Limiter (%) L 0 0 100 % (*option)
Fuel Rack Limiter (%) H 0 100 100 % (*option)
Boost Pressure (mA) L 0 4 20 mA (*option)
Boost Pressure (mA) H 0 20 20 mA (*option)
Boost Pressure (V) L 0 0.5 5.5 V (*option)
Boost Pressure (V) H 0 4.5 5.5 V (*option)
Boost Pressure (bar) L 0 0 10 bar (*option)
Boost Pressure (bar) H 0 100 10 bar (*option)
Analog Input Gain 0.1 1 10 NA
Analog Input Offset -0.25 0 0.25 mA / V
Range limit High (mA) 0 20.5 25 mA (*option)
Range limit Low (mA) 0 2 25 mA (*option)
Range limit High (V) 0 4.8 5.5 V (*option)
Range limit Low (V) 0 0.2 5.5 V (*option)
Out of range alarm High FALSE TRUE TRUE NA
Out of range alarm Low FALSE TRUE TRUE NA
AUX Input Gain 0.1 1 10 NA
AUX Input Offset -0.25 0 0.25 V
AUX Gain 0.01 1 100 NA

Woodward 80
Released

Manual 35131 ProActTM Digital Speed Control System (RoHS Compliant)

Menu 6b: Configuration / Actuator Test

This page provides calibration and test modes to setup the ProAct actuator stroke vs position feedback.

For a ProAct actuator intended for speed control applications, its position sensor will output a high voltage
at 0° position, and a low voltage at 75° position, measurable at terminals 8 and 9.

A typical range could be 3.1 ~ 1.9 V, resulting in an internal rescaled range from 0.8 to 4.4 V

The internal rescaled position feedback voltage will be used for the digital position control loop of the
ProAct actuator, and needs to be calibrated.

Also, Friction and Inertia need to be properly set for the fuel rack linkage connected to the ProAct actuator
output shaft.

Actuator Calibration and Test modes can only be performed when


the engine is stopped and the Run contact is open.

Woodward 81
Released

Manual 35131 ProActTM Digital Speed Control System (RoHS Compliant)

Manual Calibration

Actuator calibration will change the system performance.

Do not use unless there is a valid reason for changing the actuator
Min & Max actuator positon calibration.

In Manual Calibration one needs to manually move the actuator to minimum (typically 0 deg) and
maximum position (typically 75 deg) and adjust the Min and Max voltage by hand to match the
corresponding Actual internal position feedback voltage.

The Min & Max actuator calibration voltages cannot be uploaded


from a settings file but need to be adjusted and saved on the actual
driver itself by either manual or automatic calibration and saving the
settings to non-volatile memory.

Woodward 82
Released

Manual 35131 ProActTM Digital Speed Control System (RoHS Compliant)

Automatic Calibration

Actuator Calibration will change the system performance.


Do not use unless there is a valid reason for changing the actuator
Min & Max actuator positon calibration.

In Automatic Calibration the control will drive the actuator with a fixed negative current to minimum
position (typically 0 deg), and then sample Actual internal position feedback voltage. Next it will drive the
actuator with a fixed positive current to maximum position (typically 75 deg), and then sample Actual
internal position feedback voltage again.

At the end on the Automatic Calibration, the sampled voltages can be committed to the Min & Max
voltages by pressing the “Use Auto calibrated Min/Max value” pushbutton.

Calibration assumes a disconnected fuel rack, so the actuator can


reach the full stroke of 0 and 75 degrees. Calculated position in
degrees will be incorrect when Min/Max don’t match 0~75 degrees
actuator travel.

Woodward 83
Released

Manual 35131 ProActTM Digital Speed Control System (RoHS Compliant)

Inertia Test
Inertia Test will perform an automated actuator position step profile from 0% to 30% to 60% to 30% to 0%
to help set the inertia value to a correct value, by observing the actuator response, aided by the
embedded trend.

The inertia setting calibrates the position controller to the load inertia. A setting of zero represents the
actuator shaft with no load attached. Higher load inertia requires a higher inertia setting. If the inertia
setting is too low, there may be a slow oscillation when the actuator should be steady, or the step
response may show excessive overshoot and ringing. If the inertia setting is too high, a high frequency
oscillation or limit cycle may be seen. If a range of values is seen to provide adequate response, the
lowest value that does not produce overshoot should be chosen.

See Inertia Calibration for more details and a tuning procedure.

Woodward 84
Released

Manual 35131 ProActTM Digital Speed Control System (RoHS Compliant)

Friction Test
Friction Test will set the actuator control to current mode. The friction setting represents the actuator
current required to overcome static load friction.

See Friction Calibration for more details and a tuning procedure.

Woodward 85
Released

Manual 35131 ProActTM Digital Speed Control System (RoHS Compliant)

Verify Position
This test mode allows the actuator to be positioned by changing the Position demand value and observe
correct actuator response and feedback signals.

Woodward 86
Released

Manual 35131 ProActTM Digital Speed Control System (RoHS Compliant)

Actuator Position Mapping


Actuator Position Mapping allows to setup a non-linear position demand curve, with 2 adjustable points,
BP 1 (X,Y) and BP 2 (X,Y).

Modifying the Actuator Position Mapping will change the system


performance. Do not use unless there is a valid reason for changing
the actuator positon mapping default settings.

In cases where the fuel rack cannot be disconnected to perform a


complete 75 degree automatic calibration stroke, there may be need to
perform the automatic calibration stroke on a limited actuator travel.
Position demand 0~100% will then be based on a smaller actuator travel,
resulting in a different position response compared to the legacy ProAct
Digital Speed Control which has no provisions for end-user actuator
position calibration.

Table 5-5. Menu 6b Settings

Menu Item Low Value Default Value High Value Units


Min 0 0.649 ** 5 V ***
Max 0 4.624 ** 5 V ***
Friction 0 0.1 4 A
Inertia 0 0 20 NA
BP 1 – X 0 10 49 %
BP 1 – Y 0 10 49 %
BP 2 – X 51 90 100 %
BP 2 – Y 51 90 100 %

** Certain ProAct Digital Speed Control versions may have different default values
*** Cannot be uploaded to ProAct Digital Speed Control from a settings file

To prevent possible damage to the engine resulting from improper


control settings, make sure you SAVE the set points before removing
power from the control. Failure to SAVE the set points before
removing power from the control causes them to revert to the
previously saved settings.

Woodward 87
Released

Manual 35131 ProActTM Digital Speed Control System (RoHS Compliant)

Menu 0: Diagnostics
Logged Errors provides a means of recording errors that the control detects. The error log will be saved,
even if power to the control is lost. The driver has no real time clock, but events are “time”-stamped by the
current Run Hours & Start Counter when they occur. The cumulated number of times an event occurred
will be indicated by the “Occurrences” field.

Inactive errors can be cleared from the log by the “Reset All” pushbutton.

The following event types are supported:


• ALM Alarm event only, engine can be started
• CFG Configuration Error, engine starting & running will be inhibited
• GOV Governor Fault, discrete output will be activated
• SD Shutdown event, engine will be stopped.

The RUN contact needs to open and to close to clear the event and be able to start again.

Table 5-6. Diagnostic Event Descriptions

Event # Description Event Type


2 Setpoint Start > Idle (CFG)
10 Setpoint Start > Limit Setpoint Lower (CFG)
11 Remote Reference range fault Low (ALM)
12 Remote Reference range fault High (ALM)
13 Rack Fuel Limiter range fault Low (ALM)
14 Rack Fuel Limiter range fault High (ALM)
15 Boost range fault Low (ALM)
16 Boost range fault High (ALM)
19 Actuator Position Feedback Error (Stopped) (ALM)
21 Actuator Position Feedback Error (Running) (GOV SD)
22 Speed Sensor fault, loss of speed (GOV SD)
26 Emergency Shutdown from HMI (GOV SD)
27 Position Sensor 5V Supply Low (GOV SD)
28 Position Sensor High (GOV SD)
29 Position Sensor Low (GOV SD)
30 Supply Voltage High (GOV SD)
31 Supply Voltage Low (GOV SD)
32 EEPROM fault (primary) (GOV SD)
33 EEPROM fault (secondary) (GOV SD)
34 Motor Common Mode Current Fault (GOV SD)
35 Motor Differential Mode Current Fault (GOV SD)

Events 11~16 indicate the analog input signal mA or V are outside the normal range, exceeding their
respective low or high threshold value. See Menu 6a—Configuration Set Points
Event 30 will assert when the power supply voltage > 32 V
Event 31 will assert when the power supply voltage < 18 V (model II actuators) or <10 V (model I)
In case of Events 32, 33, the driver needs to be returned to Woodward for repairs.
Event 34, 35 indicate either a driver & actuator wiring fault, a driver output fault or an actuator fault.

Woodward 88
Released

Manual 35131 ProActTM Digital Speed Control System (RoHS Compliant)

Hour and Event Counter

Non Volatile Memory


Total Number of Writes: Counts the number of times
the non-volatile memory has been written to.

Power-on Hours: The total number of hours the control has been
powered.
Running Hours: The total number of hours the engine speed has
been greater than “Starting Speed” and not less than “Stop Speed”.
Start Counter: The total number of times the engine has been started
and reached “Idle Speed”

Enter Pre-Set Mode: Button when left


clicked and then “Apply” left clicked will
allow the user to pre-set the values
above.

Woodward 89
Released

Manual 35131 ProActTM Digital Speed Control System (RoHS Compliant)

System Page
The System page shows values related to the software and hardware.

Remove 10% max tune limit

Enable: When left clicked, this button will


remove (override) the 10% tune limit for 1 hour.
After the hour, the maximum tuning limit will be
enforced again.

Disable: When left clicked, this button will re-


enforce the 10% maximum tuning limit by disabling the override.

XCP & Security


This page will only be available when logged in at the OEM security level. Menu item details are listed below.

Enable XCP connection(s): Select the enabled XCP connected instances, XCP1, XCP2 or both.
For setup and monitoring using Toolkit, XCP1 instance will suffice.
CAN baud rate: Select the appropriate CAN communication baud rate, 125 kbps to 1 Mbps
XCP Security Passwords: When logged in at the OEM security level, the security level passwords may
be changed to different values.

When the security level passwords have been changed, saved and
forgotten, the control can only be restored to factory default settings
by returning it to Woodward for repair.

Table 5-7. XCP & Security Menu Items, Values, and Units

Menu Item Low Value Default Value High Value Units


Enable XCP XCP1 XCP1 XCP1 & XCP2 NA
CAN baud rate 125 500 1000 kbps
Level 1 – Operator 0 0 99999999 NA
Level 3 – Service 0 1111 99999999 NA
Level 5 – Service 0 1112 99999999 NA
Level 7 – OEM 0 1212 99999999 NA

Woodward 90
Released

Manual 35131 ProActTM Digital Speed Control System (RoHS Compliant)

Certain ProAct Digital Speed Control versions may have different


default XCP security passwords. Contact the OEM for your
connection details.

Chapter 6.
System Troubleshooting

Table 6-1. System Troubleshooting Chart

Problem Cause Remedy


Prime mover will not Supply voltage polarity Check for supply voltage from terminals 24 (+) to 25
start. Actuator not reversed, or no supply voltage. (–). Reverse leads if polarity is incorrect.
moving to start fuel Actuator not responding to input If there is a voltage output at control terminals 1 (+)
position. signal from control. and 2 (–), but the actuator does not move, check
the wiring to the actuator for opens or shorts.

Check the polarity of the actuator and feedback.

If the actuator moves Check actuator and linkage for proper installation
to start position, a and operation. Problems may be direction of
problem with the rotation, linkage, worn components, or improper
prime mover fuel adjustment.
supply is indicated. Start fuel limit set too low. Increase start fuel limit until prime mover starts.
Increase Start Ramp.
Speed setting too low on initial Speed setting may be lower than cranking speed.
start. Control should be set for rated speed. Increase
Rated Speed setting.

If adjusting Rated Speed does not produce the


correct output, return Rated Speed setting to
normal start position.
Idle Speed setting may be set Adjust idle speed.
too low.
Run/Stop contact open. Check terminal 23. Run/Stop contact must be
closed for normal operation. Check monitor menu
for switch position.

Woodward 91
Released

Manual 35131 ProActTM Digital Speed Control System (RoHS Compliant)


Table 6-1. System Troubleshooting Chart (cont’d.)

Problem Cause Remedy


Prime mover will not Speed sensor signal not Check wiring for proper connection. Check shields
start. Actuator not clearing failed speed signal for proper installation.
moving to start fuel circuit.
position. (cont.) Speed sensor not spaced properly. Check for at
least 1.0 Vac at terminals 10 and 11 during
cranking. If less than 1.0 Vac, magnetic pickup may
be spaced too far from gear. Make sure there are
no metal chips on end of pickup.

Check the number of teeth seen by the MPU per


engine revolution against the number entered in
step 2 of Menu 6.

If no voltage is present, magnetic pickup may be


open-circuited or shorted. Make resistance check
with the leads disconnected from control. Should be
100 to 300 Ω.

Check Error Menu 0 for faults.

The Failed Speed Signal must be enabled for


routine operation of the engine to ensure
shutdown and prevent possible life threatening
overspeed should the MPU signal be lost at
some future time.

Check Monitor Menu for Speed When Cranking.

Be prepared to make an emergency shutdown


when starting the engine, turbine, or other type
of prime mover, to protect against runaway or
overspeed with possible personal injury, loss of
life, or property damage.
Faulty ProAct control. Replace control.

Woodward 92
Released

Manual 35131 ProActTM Digital Speed Control System (RoHS Compliant)


Table 6-1. System Troubleshooting Chart (cont’d.)

Problem Cause Remedy


Prime mover Control adjustment. Control may be adjusted for sluggish operation
overspeeds only on causing overspeed on start. Slowly adjust GAIN for
starts. fastest stable response. Stability may be adjusted
too low. Increase Stability setting.

Start Fuel Limit may be too high.

Start Ramp may be too high.

Start speed may be too low.

Wrong set of dynamics may have been selected.


Linkage/Coupling. On diesel installations verify that fuel rack is not
binding and linkage is properly adjusted. It may be
necessary to determine if the fuel rack is quickly
following the actuator.

On carburetor installations check that the butterfly is


not binding.

Check linkage or coupling adjustment.


Overspeed Device. Verify proper operation of overspeed protection
devices to determine if a shutdown is occurring
without an overspeed condition.
ProAct control. If the control does not cut back the actuator output
(Menu 5), the ProAct control may be faulty. If the
signal is cut back, look for a problem in the linkage
or actuator.
Prime mover Prime mover. Check for proper operation of prime mover fuel
overspeeds after system. If actuator moves toward minimum fuel
operating at rated during overspeed, problem may not be connected
speed for some time. with the governor.
Speed not regulated Incorrect dynamics Improve dynamics settings or select correct
(hunting). programmed in control or dynamics program.
incorrect dynamics program
selected.
Low speed is not Actuator and linkage. The Idle Speed setting may be below the minimum-
regulated at idle fuel position of the actuator or prime mover fuel
speed. stop. In this case, the output voltage to the actuator
will be zero.

The engine will be maintained at the minimum-fuel


position by the actuator or the prime mover
minimum-fuel stop. These conditions indicate that
the prime mover minimum-fuel position should be
decreased by linkage adjustment (diesel engine) or
low-idle set screw (gas engine), or the Idle Speed
setting should be raised. If this action does not
correct the problem, the control may be faulty.
Prime mover does not Faulty Rated contact. Check Idle/Rated contact. Remove wire from
decelerate when terminal 17. Prime mover should decelerate.
Rated contact is open. ProAct control ramp circuitry. A faulty Rated contact may remain in the accelerate
position with the contact open.

If the Rated contact is operative, loss of idle control


may be due to a faulty circuit.

Woodward 93
Released

Manual 35131 ProActTM Digital Speed Control System (RoHS Compliant)


Table 6-1. System Troubleshooting Chart (cont’d.)

Problem Cause Remedy


Prime mover will not ProAct control. Adjust GAIN, Stability, and ACTUATOR
stabilize at rated no- COMPENSATION in Menu 1 or 2. Check Gain
load speed. The Breakpoint for the lower speeds.
instability may occur Necessary external wires not The following tests will isolate noise and
at no load or it may properly shielded. (Electrical interference.
vary with load. Control noise, caused by wiring carrying
may be erratic. an ac voltage, stray magnetic Verify that the switchgear frame, governor chassis,
fields from transformers, etc., and prime mover have a common ground
can be picked up by improperly connection. Temporarily remove the battery-charger
shielded wire. Noise will cause cables from the control battery system.
instability if picked up by
magnetic pickup, position If the prime-mover operation is significantly
feedback, auxiliary input, or improved by these modifications, replace the wires
remote reference lines.) one at a time to locate the source of the trouble.

External wiring may require additional shielding or


rerouting from high-current lines or components.

If the problem cannot be solved by these checks, it


will be necessary to remove the control from the
switchgear. Temporarily mount the control next to
the prime mover and connect only a battery,
magnetic pickup, and actuator to the control (use a
separate battery placed next to the prime mover).
After starting the prime mover, if necessary, apply
load to check stability.

If stability occurs when the control is mounted next


to the prime mover, return the control to the
switchgear. Run new magnetic pickup, actuator
feedback, and battery power lines. Shield all wires
to the control. Route all wires through conduit or an
outer shield. Tie the outer shield to system ground
at the end opposite to the control.
Prime mover may not be Check actuator linkage to fuel-controlling
receiving fuel as called for by mechanism for any lost motion, binding, or
the actuator voltage. excessive loading. Verify a steady fuel pressure of
proper value.
Prime mover not operating Prime mover may be causing speed variations.
properly. Control engine manually to determine if instability is
in prime mover or governor control. Verify proper
adjustment of fuel control linkage.
Input voltage low. Check supply voltage. It should be at least 18 Vdc,
not more than 32 Vdc.
Prime mover will not Prime mover. If droop occurs near the full-load point only, it is
accept full load. possible the prime mover is not producing the
power called for by the fuel control, or is being
overloaded. Either is indicated if the fuel control is at
maximum position.
ProAct control. Check Max Fuel Limit setting. Increase if required.
Check Torque Limiter settings. Increase if required.

Check droop setting. Set to 0 if required.

Check Aux Input terminals to see if the auxiliaries


are out of range. Maximum voltage is 2.5 Vdc.

Check linkage from actuator to fuel rack.

Woodward 94
Released

Manual 35131 ProActTM Digital Speed Control System (RoHS Compliant)

Chapter 7.
Product Support and Service Options

Product Support Options


If you are experiencing problems with the installation, or unsatisfactory performance of a Woodward
product, the following options are available:
1. Consult the troubleshooting guide in the manual.
2. Contact the OE Manufacturer or Packager of your system.
3. Contact the Woodward Business Partner serving your area.
4. Contact Woodward technical assistance via email (EngineHelpDesk@Woodward.com) with
detailed information on the product, application, and symptoms. Your email will be forwarded to an
appropriate expert on the product and application to respond by telephone or return email.
5. If the issue cannot be resolved, you can select a further course of action to pursue based on the
available services listed in this chapter.

OEM or Packager Support: Many Woodward controls and control devices are installed into the
equipment system and programmed by an Original Equipment Manufacturer (OEM) or Equipment
Packager at their factory. In some cases, the programming is password-protected by the OEM or
packager, and they are the best source for product service and support. Warranty service for Woodward
products shipped with an equipment system should also be handled through the OEM or Packager.
Please review your equipment system documentation for details.

Woodward Business Partner Support: Woodward works with and supports a global network of
independent business partners whose mission is to serve the users of Woodward controls, as described
here:
• A Full-Service Distributor has the primary responsibility for sales, service, system integration
solutions, technical desk support, and aftermarket marketing of standard Woodward products within
a specific geographic area and market segment.
• An Authorized Independent Service Facility (AISF) provides authorized service that includes repairs,
repair parts, and warranty service on Woodward's behalf. Service (not new unit sales) is an AISF's
primary mission.
• A Recognized Engine Retrofitter (RER) is an independent company that does retrofits and
upgrades on reciprocating gas engines and dual-fuel conversions, and can provide the full line of
Woodward systems and components for the retrofits and overhauls, emission compliance upgrades,
long term service contracts, emergency repairs, etc.

A current list of Woodward Business Partners is available at www.woodward.com/directory.

Product Service Options


Depending on the type of product, the following options for servicing Woodward products may be
available through your local Full-Service Distributor or the OEM or Packager of the equipment system.
• Replacement/Exchange (24-hour service)
• Flat Rate Repair
• Flat Rate Remanufacture

Woodward 95
Released

Manual 35131 ProActTM Digital Speed Control System (RoHS Compliant)


Replacement/Exchange: Replacement/Exchange is a premium program designed for the user who is in
need of immediate service. It allows you to request and receive a like-new replacement unit in minimum
time (usually within 24 hours of the request), providing a suitable unit is available at the time of the
request, thereby minimizing costly downtime.

This option allows you to call your Full-Service Distributor in the event of an unexpected outage, or in
advance of a scheduled outage, to request a replacement control unit. If the unit is available at the time of
the call, it can usually be shipped out within 24 hours. You replace your field control unit with the like-new
replacement and return the field unit to the Full-Service Distributor.

Flat Rate Repair: Flat Rate Repair is available for many of the standard mechanical products and some
of the electronic products in the field. This program offers you repair service for your products with the
advantage of knowing in advance what the cost will be.

Flat Rate Remanufacture: Flat Rate Remanufacture is very similar to the Flat Rate Repair option, with
the exception that the unit will be returned to you in “like-new” condition. This option is applicable to
mechanical products only.

Returning Equipment for Repair


If a control (or any part of an electronic control) is to be returned for repair, please contact your Full-
Service Distributor in advance to obtain Return Authorization and shipping instructions.

When shipping the item(s), attach a tag with the following information:
• return number;
• name and location where the control is installed;
• name and phone number of contact person;
• complete Woodward part number(s) and serial number(s);
• description of the problem;
• instructions describing the desired type of repair.

Packing a Control
Use the following materials when returning a complete control:
• protective caps on any connectors;
• antistatic protective bags on all electronic modules;
• packing materials that will not damage the surface of the unit;
• at least 100 mm (4 inches) of tightly packed, industry-approved packing material;
• a packing carton with double walls;
• a strong tape around the outside of the carton for increased strength.

To prevent damage to electronic components caused by improper


handling, read and observe the precautions in Woodward manual
82715, Guide for Handling and Protection of Electronic Controls,
Printed Circuit Boards, and Modules.

Replacement Parts
When ordering replacement parts for controls, include the following information:
• the part number(s) (XXXX-XXXX) that is on the enclosure nameplate;
• the unit serial number, which is also on the nameplate.

Woodward 96
Released

Manual 35131 ProActTM Digital Speed Control System (RoHS Compliant)

Engineering Services
Woodward’s Full-Service Distributors offer various Engineering Services for our products. For these
services, you can contact the Distributor by telephone or by email.
• Technical Support
• Product Training
• Field Service

Technical Support is available from your equipment system supplier, your local Full-Service Distributor,
or from many of Woodward’s worldwide locations, depending upon the product and application. This
service can assist you with technical questions or problem solving during the normal business hours of
the Woodward location you contact.

Product Training is available as standard classes at many Distributor locations. Customized classes are
also available, which can be adjusted to your needs and held at one of our Distributor locations or at your
site. This training, conducted by experienced personnel, will assure that you will be able to maintain
system reliability and availability.

Field Service engineering on-site support is available, depending on the product and location, from one
of our Full-Service Distributors. The field engineers are experienced both on Woodward products as well
as on much of the non-Woodward equipment with which our products interface.

For information on these services, please contact one of the Full-Service Distributors listed at
www.woodward.com/directory.

Contacting Woodward’s Support Organization


For the name of your nearest Woodward Full-Service Distributor or service facility, please consult our
worldwide directory at www.woodward.com/directory, which also contains the most current product
support and contact information.

You can also contact the Woodward Customer Service Department at one of the following Woodward
facilities to obtain the address and phone number of the nearest facility at which you can obtain
information and service.

Products Used in Products Used in Products Used in Industrial


Electrical Power Systems Engine Systems Turbomachinery Systems
Facility --------------- Phone Number Facility --------------- Phone Number Facility --------------- Phone Number
Brazil ------------- +55 (19) 3708 4800 Brazil ------------- +55 (19) 3708 4800 Brazil ------------- +55 (19) 3708 4800
China ----------- +86 (512) 6762 6727 China ----------- +86 (512) 6762 6727 China ----------- +86 (512) 6762 6727
Germany: Germany ------ +49 (711) 78954-510 India --------------- +91 (124) 4399500
Kempen---- +49 (0) 21 52 14 51 India --------------- +91 (124) 4399500 Japan---------------+81 (43) 213-2191
Stuttgart - +49 (711) 78954-510 Japan---------------+81 (43) 213-2191 Korea ---------------+82 (51) 636-7080
India --------------- +91 (124) 4399500 Korea ---------------+82 (51) 636-7080 The Netherlands--+31 (23) 5661111
Japan---------------+81 (43) 213-2191 The Netherlands--+31 (23) 5661111 Poland -------------- +48 12 295 13 00
Korea ---------------+82 (51) 636-7080 United States -----+1 (970) 482-5811 United States -----+1 (970) 482-5811
Poland -------------- +48 12 295 13 00
United States -----+1 (970) 482-5811

Woodward 97
Released

Manual 35131 ProActTM Digital Speed Control System (RoHS Compliant)

Technical Assistance
If you need to contact technical assistance, you will need to provide the following information. Please
write it down here before contacting the Engine OEM, the Packager, a Woodward Business Partner, or
the Woodward factory:

General
Your Name

Site Location

Phone Number

Fax Number

Prime Mover Information


Manufacturer

Engine Model Number

Number of Cylinders

Type of Fuel (gas, gaseous, diesel, dual-fuel, etc.)


Power
Output Rating
Application (power generation, marine, etc.)

Control/Governor Information
Control/Governor #1

Woodward Part Number & Rev. Letter

Control Description or Governor Type

Serial Number

Control/Governor #2

Woodward Part Number & Rev. Letter

Control Description or Governor Type

Serial Number

Control/Governor #3

Woodward Part Number & Rev. Letter

Control Description or Governor Type

Serial Number

Symptoms
Description

If you have an electronic or programmable control, please have the adjustment setting positions or the menu
settings written down and with you at the time of the call.
Woodward 98
Released

Manual 35131 ProActTM Digital Speed Control System (RoHS Compliant)

Appendix A.
Menu Summary

Initial Prestart Settings


These tables are provided for the convenience of the ProAct user. Each number should be recorded as it
is programmed with the Hand Held Programmer. Any changes should be noted so the adjustment can be
referenced from its original setting.

Menu 1—Dynamics Settings


Table A-1. Menu 1—Dynamics Settings

Gas Engine Diesel Engine


Menu Item Default Setting Prestart Setting Prestart Setting Actual Setting
Gain A 0.25 0.025 0.050
Gain A break point 0% 100 % 100 %
Gain B 0.25 0.025 0.050
Gain B break point 30 % 100 % 100 %
Gain C 0.25 0.025 0.050
Gain C break point 60 % 100 % 100 %
Gain D 0.25 0.025 0.050
Gain D break point 100 % 100 % 100 %
Stability 0.25 sec. 1.0 sec. 1.0 sec.
Compensation 0.10 sec. 0.15 sec. 0.15 sec.
Gain Ratio 1.0 1.0 1.0
Gain Window 60 rpm 60 rpm 60 rpm

Menu 2—Alternate Dynamics Settings


Table A-2. Menu 2 —Alternate Dynamics Settings

Gas Engine Diesel Engine


Menu Item Default Setting Prestart Setting Prestart Setting Actual Setting
Alt Gain A 0.10 0.025 0.050
Alt Gain A break 0% 100 % 100 %
Alt Gain B 0.10 0.025 0.050
Alt Gain B break 30 % 100 % 100 %
Alt Gain C 0.10 0.025 0.050
Alt Gain C break 60 % 100 % 100 %
Alt Gain D 0.10 0.025 0.050
Alt Gain D break 100 % 100 % 100 %
Alt Stability 1.0 sec. 1.0 sec. 1.0 sec.
Alt Compensation 0.20 sec. 0.15 sec. 0.15 sec.
Alt Gain Ratio 1.0 1.0 1.0
Alt Gain Window 60 rpm 60 rpm 60 rpm

Woodward 99
Released

Manual 35131 ProActTM Digital Speed Control System (RoHS Compliant)

Menu 3—Speed Reference Settings

Table A-3. Menu 3—Speed Reference Settings

Menu Item Default Setting Actual Setting


Rated Speed 1800 rpm
Idle Speed 1200 rpm
Raise Limit 1890 rpm
Lower Limit 1200 rpm
Accel Time 8 sec
Decel Time 8 sec
Raise Rate 2500 rpm/min
Lower Rate 2500 rpm/min
Droop 5%
Idle Droop 0%
Idle Droop break point 0%
Fast Start to Rated TRUE
Speed Switch A On 600 rpm
Speed Switch A Off 540 rpm
Speed Switch B On 1200 rpm
Speed Switch B Off 1140 rpm
Speed Switch C On 2000 rpm
Speed Switch C Off 1900 rpm
Remote Speed Setpoint 4 mA
Remote Speed Setpoint (V) 0.5 V
Remote Speed Setpoint 1710 rpm
Remote Speed Setpoint 20 mA
Remote Speed Setpoint (V) 4.5 V
Remote Speed Setpoint 1890 rpm
Fuel Rack Limiter (mA) 4 mA
Fuel Rack Limiter (V) 0.5 V
Fuel Rack Limiter (%) 0%
Fuel Rack Limiter (mA) 20 mA
Fuel Rack Limiter (V) 4.5 V
Fuel Rack Limiter (%) 100 %
Boost Pressure (mA) 4 mA
Boost Pressure (V) 0.5 V
Boost Pressure (bar) 0 bar
Boost Pressure (mA) 20 mA
Boost Pressure (V) 4.5 V
Boost Pressure (bar) 6 bar

Woodward 100
Released

Manual 35131 ProActTM Digital Speed Control System (RoHS Compliant)

Menu 4—Limiter Settings


Table A-4. Menu 4—Limiter Settings

Menu Item Default Setting Actual Setting


Start Fueling 1
Start Ramp Rate 1 %/s
Start Ramp 1-2 Rate 100 %/s
Start Ramp 2-3 Rate 100 %/s
Start Fuel Limit 1 20 %
Start Fuel Limit 2 40 %
Start Fuel Limit 3 40 %
Start Speed break point 1 400 rpm
Start Speed break point 1 400 rpm
Start Speed 400 rpm
Stop Speed 300 or 0 rpm
Max Fuel Limit 100 %
Transient Limit 0%
Transient Time 0 sec.
Min Torque Limit 40 %
Torque Limit break point 1500 rpm
Torque Limit at break point 70 %
Max Torque Limit 90 %
Fuel Rack break point 1 10 %
Fuel Rack Limit 1 100 %
Fuel Rack break point 2 20 %
Fuel Rack Limit 2 100 %
Fuel Rack break point 3 30 %
Fuel Rack Limit 3 100 %
Fuel Rack break point 4 40 %
Fuel Rack Limit 4 100 %
Fuel Rack break point 5 50 %
Fuel Rack Limit 5 100 %
Boost 1 1 bar
Boost Limit 1 100 %
Boost 2 2 bar
Boost Limit 2 100 %
Boost 3 5 bar
Boost Limit 3 100 %

Woodward 101
Released

Manual 35131 ProActTM Digital Speed Control System (RoHS Compliant)

Menu 6a—Configuration Set Points


Table A-5. Menu 6a—Configuration Set Points

Menu Item Default Setting Actual Setting


Failsafe Function Enabled
Dynamics Map Linear
Number of Gear Teeth 60
Speed Filter Type 3
#Speed Samples 7 or 4
Function 1 or 2
Remote Speed Setpoint 4 mA
Remote Speed Setpoint (V) 0.5 V
Remote Speed Setpoint 1710 rpm
Remote Speed Setpoint 20 mA
Remote Speed Setpoint (V) 4.5 V
Remote Speed Setpoint 1890 rpm
Fuel Rack Limiter (mA) 4 mA
Fuel Rack Limiter (V) 0.5 V
Fuel Rack Limiter (%) 0%
Fuel Rack Limiter (mA) 20 mA
Fuel Rack Limiter (V) 4.5 V
Fuel Rack Limiter (%) 100 %
Boost Pressure (mA) 4 mA
Boost Pressure (V) 0.5 V
Boost Pressure (bar) 0 bar
Boost Pressure (mA) 20 mA
Boost Pressure (V) 4.5 V
Boost Pressure (bar) 6 bar
Analog Input Gain 1.0
Analog Input Offset 0.0 mA or V
Range limit High (mA) 20.5 mA
Range limit Low (mA) 2.0 mA
Range limit High (V) 4.8 V
Range limit Low (V) 0.2 V
Out of range alarm High TRUE
Out of range alarm Low TRUE
AUX Input Gain 1.0
AUX Input Offset 0.0 V
AUX Gain 1.0

Menu 6b—Configuration Set Points


Table A-6. Menu 6b—Configuration Set Points

Menu Item Default Setting Actual Setting


Min 0.7 V
Max 4.7 V
Friction 0.1 A
Inertia 0
Break Point 1 – X 10 %
Break Point 1 – Y 10 %
Break Point 2 – X 90 %
Break Point 2 – Y 90 %

Be sure to save any changed set points to the controller and to a .WSET file before removing power from
the control.

Woodward 102
Released

Manual 35131 ProActTM Digital Speed Control System (RoHS Compliant)

Appendix B.
Actuator Calibration

The actuator and control can be calibrated to minimize the variation in gain and actuator position while
mimicking the legacy ProAct Digital Speed Control behavior. The actuator calibration is specific to the
individual control and actuator pair. A replacement of either component will require a recalibration.

Actuator Calibration Procedure


The actuator must be disconnected from any linkage to allow for full actuator travel. Next, follow the
Automatic Calibration procedure detailed in Menu 6b: Configuration / Actuator Test. Once the
calibration has been successfully completed, the Actuator Position Map must be configured to the
following values:

Lastly, save the settings to the control.

Modifying the Actuator Position Mapping will change the system


performance. Do not use unless there’s a valid reason for changing
the actuator positon mapping default settings.

Woodward 103
Released

Manual 35131 ProActTM Digital Speed Control System (RoHS Compliant)

Appendix C.
Migrate from Old to New (RoHS)
ProAct Digital Speed Control

If familiar with the old ProAct Digital Speed Control, this chapter may help you transition quickly to the
new RoHS ProAct Digital Speed Control.

1. Prepare a list of all parameter settings found on the old ProAct driver, using the Handheld controller.
Parameter menu’s 1, 2, 3, 4 and Configuration menu 6.
2. Install CAN communication interface tool and Toolkit service tool per Chapter 4.
Operation and Adjustment.
3. Enter all parameter settings per Toolkit service tool, Chapter 5.
Service Tool Pages.
4. NEW: Set up the Inertia and Friction parameters per Chapter 5.
Service Tool Pages and Inertia Test & Friction Test.
5. Make sure there are no diagnostic alarms per Chapter 5.
Service Tool Pages Menu 0: Diagnostics.
6. Save settings to ProAct driver, and save settings to a file for future reference per Appendix D.
Toolkit Settings Management.

Woodward 104
Released

Manual 35131 ProActTM Digital Speed Control System (RoHS Compliant)

Appendix D.
Toolkit Settings Management

The following content describes the basic procedures and helpful hints for settings management.

To save any parameter setting changes, press the “Save Values” button, or select “Save Values” under
the menu “Device.”
When cycling power on the ProAct Digital Speed Control, unsaved settings will be lost.

Downloading Settings from Device


(ProAct Digital Speed Control → PC)

Before attempting to download settings from the device, ensure


the engine is in a stopped and safe operational state.

Step 1: Invoke Settings Reader


Invoke the settings reader wizard in ToolKit by going to the Settings menu item
and clicking Save Settings from Device to File.

Figure D-1. Read Settings from Device Wizard

Woodward 105
Released

Manual 35131 ProActTM Digital Speed Control System (RoHS Compliant)

Step 2: Create Settings File


The first dialog requests for a settings filename (*.wset) to be saved.
Set the desired ProAct Digital Speed Control settings filename and file-path.

It’s highly suggested to use a standard filename nomenclature


and/or folder structure in addition to maintaining relevant system
notes when saving settings.

Figure D-2. Save Settings File Selection Dialog

Step 3: Establish Device Connection


If a connection to the device already exists, ToolKit will confirm and utilize the active connection to save
the settings; otherwise it will provide Network Connection/Selects prompts as illustrated in Figures E-13
and E-14.

Woodward 106
Released

Manual 35131 ProActTM Digital Speed Control System (RoHS Compliant)

Figure D-3. Save Settings Network Selection Dialog

Figure D-4. Save Settings Device Selection Dialog

Woodward 107
Released

Manual 35131 ProActTM Digital Speed Control System (RoHS Compliant)

Step 4: Security Login


If not logged in to the control yet, there will be security login popup window.

Only settings you have access to at your login level will be downloaded from the control.

Step 5: Save Operation


After successfully logging in (if required), the settings save operation will commence and settings values
will be uploaded from the control into memory (not written to file at this point). If the upload process
completes successfully an optional notes dialog will be shown that allows for textual information to be
attached to the settings file. After entering any desired notes, clicking Next will finalize the operation and
write the settings file to the disk and the user will be prompted with a success dialog that indicates the
process completed successfully and the file was saved to disk. If an error occurred, an error prompt will
be posted instead with more information.

Figure D-5. Save Settings Progress Dialog

Woodward 108
Released

Manual 35131 ProActTM Digital Speed Control System (RoHS Compliant)

Figure D-6. Save Settings Attached Notes Dialog

Figure D-7. Save Settings Completion Dialog (Success)

If the successful settings saved dialog is not presented at the end of


the settings operation, the settings file was NOT written to the disk,
even if the download progress appeared to complete.

Woodward 109
Released

Manual 35131 ProActTM Digital Speed Control System (RoHS Compliant)

Uploading Settings to Device


(PC → ProAct Digital Speed Control)

Before attempting to upload settings to the device, ensure the engine


is in a stopped and safe operational state.
Upload Settings IO-Lock will be enforced when uploading settings files.

Before uploading a settings file to the device, ensure the existing


settings currently in the device to do need to be saved (backup) prior
to loading a new settings file. Existing settings in the device are
unrecoverable after loading a settings file, unless previous saved.

Step 1: Invoke Settings Loader


Invoke the settings loader wizard in ToolKit by going to the Settings menu item and clicking Load Settings
File to Device.

Figure D-8. Load Settings File to Device Wizard

Step 2: Select Settings File


The first dialog requests for the respective settings file (*.wset) to be loaded. Select the desired ProAct
Digital Speed Control settings file.

Only load settings files that are associated with the ProAct Digital
Speed Control software. Loading settings files from other
applications can corrupt or render the software operationally unsafe.

Woodward 110
Released

Manual 35131 ProActTM Digital Speed Control System (RoHS Compliant)

Figure D-9. Load Settings File Selection Dialog

Step 3: Establish Device Connection


If a connection to the device already exists, ToolKit will confirm and utilize the active connection to load
the settings; otherwise it will provide a Network Connection/Selects prompts as illustrated in Figures E-3
and E-4.

Figure D-10. Load Settings Network Selection Dialog

Woodward 111
Released

Manual 35131 ProActTM Digital Speed Control System (RoHS Compliant)

Figure D-11. Load Settings Device Selection Dialog

Step 4: Security Login


If not logged in to the control yet, there will be security login popup window.

Only settings you have access to at your login level will be uploaded to the control.

Step 5: Resolve Application Differences/Settings Conversion


If settings differences exist between the selected settings file and the current ProAct Digital Speed
Control software in the device, ToolKit will provide a Settings Difference dialog that indicates the software
version the settings file is associated with and if differences exist in the device software.
It’s important to resolve any differences in settings or minimally confirm that any differences are not
relevant before proceeding with the setting load operation.

Woodward 112
Released

Manual 35131 ProActTM Digital Speed Control System (RoHS Compliant)

Figure D-12. Load Settings Difference Warning Dialog

Figure D-13. Load Settings Difference Resolution Dialog

Woodward 113
Released

Manual 35131 ProActTM Digital Speed Control System (RoHS Compliant)

Step 6: Acknowledge Safety Warning


After settings resolution is complete and/or confirmed ToolKit will provide a prompt indicating that IOLock
will be requested prior to the settings load. Carefully read the warning and ensure the system is in a
stopped and safe operational state before proceeding. After accepting the safety warning, the settings
load will begin.

Figure D-14. Load Settings Acknowledgement Dialog

Figure D-15. Load Settings Progress Dialog

Woodward 114
Released

Manual 35131 ProActTM Digital Speed Control System (RoHS Compliant)

Step 7: Settings Load Complete


After settings loading has finalized ToolKit will prompt with automatically execute a save and reset
operation followed by a completion dialog indicating success or failure. If the settings operation did not
complete successfully, reference the ToolKit diagnostic log for more detailed information on the cause of
failure.

Figure D-16. Load Settings Completion Dialog (Success)

Woodward 115
Released

Manual 35131 ProActTM Digital Speed Control System (RoHS Compliant)

Technical Specifications

Input Voltage Rating: 10V-32VDC


Input Current Rating: Steady State (@24VDC): 0.5 A (Model I), 1.7 A (Model II)
Transient (@24VDC) 1.8 A (Model I), 6.7 A (Model II):

Operating Temperature –40 to +70 °C (–40 to +158 °F)


Storage Temperature –55 to +105 °C (–67 to +221 °F)

Mechanical Vibration Validated to US MIL-STD 202F, Method 214A, Test Condition B


0.04 G2/Hz, 10-2,000 Hz, 8.2 Grms, 1.5 hr/axis
Mechanical Shock Validated to US MIL-STD-810F, Method 516.5, Procedure I
40 G Peak, 11ms duration saw-tooth pulse

EMI, EMC Emissions:


EN 61000-6-4:2007 A1:2011 on DC Powered Device
Power Line Conducted Emissions AC power limit 150 kHz to 30 MHz
Enclosure and Cables Radiated Emissions Limits 30 MHz to 6 GHz
(3-6 GHz extrapolated from noise drop off below 1 GHz)
IACS UR E10 Rev 7 General Power Distribution Zone on DC
Powered Device Power Line Conducted Emissions Limit 10 kHz to 30
MHz
Enclosure and Cables Radiated Emissions Limits 150 kHz to 6 GHz
(3-6 GHz extrapolated from noise drop off below 1 GHz)
EMC Immunity: EN 61000-6-2:2005 & IACS UR E10 Rev 7 General Power
Distribution Zone on DC Powered Devices
Electrostatic Discharge (ESD) IEC61000-4-2
Radiated Immunity (RI) IEC 61000-4-3
80-4200 MHz 10VRMS/m + 1 kHz 80% depth AM
4.0-6.0 GHz 3VRMS/m + 1 kHz 80% depth AM (Deviation from IACS UR
E10 Rev 7)
Electrical Fast Transients (EFT) IEC 61000-4-4 Surge IEC 61000-4-5
On Power & IO from power:
IO not connected to power is exempted because <30m in length.
Conducted RF (CRF) IEC 61000-4-6:
150 kHz to 80 MHz 10 VRMS + 1 kHz 80% depth AM
Conducted Low Frequency Immunity (CLFI):
Power Port 50 Hz to 12 kHz at 3.6VRMS or 2W on DC Power leads
ISO 16750-2:2012 & ISO 7637-2:2004+A1:
2008 Load Dump to 177VPK
Humidity: 95% ±5% at 60 °C for 6 hrs non-condensing

Ingress Protection: IP2x per IEC 60529, 12mm, 10N

Woodward 116
Released

Manual 35131 ProActTM Digital Speed Control System (RoHS Compliant)

Revision History

Changes in Revision A—
• Clarified battery wire and actuator cable length descriptions and replaced incorrect values (Chapter 3)
• Updated Service Tool screenshots to reflect the change to integer values in the gain tables (Chapter 5)
• Updated EMI, EMC Emissions and EMC Immunity (Technical Specifications)
• Added several new captions under figures in multiple locationsl

Woodward 117
Released

Manual 35131 ProActTM Digital Speed Control System (RoHS Compliant)

Declarations

Woodward 118
Released

We appreciate your comments about the content of our publications.


Send comments to: icinfo@woodward.com

Please reference publication 35131.

ÌB35131è:èA¸µ¹¶¹Î

PO Box 1519, Fort Collins CO 80522-1519, USA


1041 Woodward Way, Fort Collins CO 80524, USA
Phone +1 (970) 482-5811

Email and Website—www.woodward.com

Woodward has company-owned plants, subsidiaries, and branches, as well as


authorized distributors and other authorized service and sales facilities throughout the world.
Complete address / phone / fax / email information for all locations is available on our website.

You might also like