KEMBAR78
Daftar
Login
Query No | PDF
Open navigation menu
Close suggestions
Search
Search
en
Change Language
Upload
Sign in
Sign in
Download free for days
0 ratings
0% found this document useful (0 votes)
119 views
1 page
Query No
The document contains details of 3 queries with bill amounts and operation sheets noting spare parts data or charges.
Uploaded by
Abid Hussain
AI-enhanced description
Copyright
© © All Rights Reserved
We take content rights seriously. If you suspect this is your content,
claim it here
.
Available Formats
Download as DOCX, PDF, TXT or read online on Scribd
Download
Save
Save Query No For Later
Share
0%
0% found this document useful, undefined
0%
, undefined
Print
Embed
Report
0 ratings
0% found this document useful (0 votes)
119 views
1 page
Query No
The document contains details of 3 queries with bill amounts and operation sheets noting spare parts data or charges.
Uploaded by
Abid Hussain
AI-enhanced description
Copyright
© © All Rights Reserved
We take content rights seriously. If you suspect this is your content,
claim it here
.
Available Formats
Download as DOCX, PDF, TXT or read online on Scribd
Go to previous items
Go to next items
Download
Save
Save Query No For Later
Share
0%
0% found this document useful, undefined
0%
, undefined
Print
Embed
Report
Download
Save Query No For Later
You are on page 1
/ 1
Search
Fullscreen
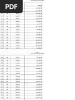
Query No: 1546:
Bill Amount: 150/-
Operation Sheet: Spare Parts data not available.
Query No: 1260:
Bill Amount: 14,950/-
Operation Sheet: Spare parts charges are 17,950/-
Query No: 1260:
Bill Amount: 14,950/-
Operation Sheet: Spare parts charges are 17,950/-
You might also like
Warranty Dec 16 To 31
PDF
No ratings yet
Warranty Dec 16 To 31
12 pages
Parts and Lubs
PDF
No ratings yet
Parts and Lubs
8 pages
e816bb4ed17f4891a648aa5194526c68
PDF
No ratings yet
e816bb4ed17f4891a648aa5194526c68
1 page
05d319e575784c7195cbb9cb90eb3941
PDF
No ratings yet
05d319e575784c7195cbb9cb90eb3941
1 page
Aux Engine Hours Completed
PDF
No ratings yet
Aux Engine Hours Completed
76 pages
Reimbursement Claim
PDF
No ratings yet
Reimbursement Claim
3 pages
MGA Rejection Report Jan-Feb25
PDF
No ratings yet
MGA Rejection Report Jan-Feb25
14 pages
Update Monitoring Backlog 13112023 - He
PDF
No ratings yet
Update Monitoring Backlog 13112023 - He
1 page
MA Amritt KENT 22-Assessment 3-Project-Report
PDF
No ratings yet
MA Amritt KENT 22-Assessment 3-Project-Report
27 pages
Service Bill Register / Summary Report: Bill From Date: Bill Type: 09-MAY-11 Cash To: 09-MAY-11
PDF
No ratings yet
Service Bill Register / Summary Report: Bill From Date: Bill Type: 09-MAY-11 Cash To: 09-MAY-11
1 page
Engineering Parts Breakdown
PDF
No ratings yet
Engineering Parts Breakdown
8 pages
LC Preparation DEC 16
PDF
No ratings yet
LC Preparation DEC 16
288 pages
Total Result 0.00
PDF
100% (1)
Total Result 0.00
62 pages
Estimate Sheet
PDF
No ratings yet
Estimate Sheet
2 pages
Thermosole Rejection Report Feb-25
PDF
No ratings yet
Thermosole Rejection Report Feb-25
3 pages
Accident Vehicles Report
PDF
No ratings yet
Accident Vehicles Report
2 pages
Repair and Scrap Analysis
PDF
No ratings yet
Repair and Scrap Analysis
12 pages
Plate Price
PDF
No ratings yet
Plate Price
18 pages
Release Breakdown Machine Machine - Sparepart Machine - Categories
PDF
No ratings yet
Release Breakdown Machine Machine - Sparepart Machine - Categories
1 page
Basic Assumptions 1
PDF
No ratings yet
Basic Assumptions 1
39 pages
Maintenance Problems
PDF
No ratings yet
Maintenance Problems
5 pages
Monthly Gear Component Rejection Analysis
PDF
No ratings yet
Monthly Gear Component Rejection Analysis
66 pages
Rekap WO A2B 020425
PDF
No ratings yet
Rekap WO A2B 020425
1 page
Service Cost Allocation Notes & Problem With Solution
PDF
No ratings yet
Service Cost Allocation Notes & Problem With Solution
3 pages
Warehouse Receipt Analysis
PDF
No ratings yet
Warehouse Receipt Analysis
314 pages
Industrial Machine Service Quote
PDF
No ratings yet
Industrial Machine Service Quote
3 pages
R QC All Rej His Loccomp PT
PDF
No ratings yet
R QC All Rej His Loccomp PT
13 pages
SR - No. Bill No. Date Amount
PDF
No ratings yet
SR - No. Bill No. Date Amount
9 pages
Equipment Maintenance Costs
PDF
No ratings yet
Equipment Maintenance Costs
32 pages
Vehicle History Report-11122024
PDF
No ratings yet
Vehicle History Report-11122024
26 pages
Maintenance Records Dataset
PDF
No ratings yet
Maintenance Records Dataset
3 pages
Service Entry Sheet
PDF
No ratings yet
Service Entry Sheet
1 page
5.1 Quotation
PDF
No ratings yet
5.1 Quotation
2 pages
Axle Load Data and Analysis - TMS - Uganda
PDF
No ratings yet
Axle Load Data and Analysis - TMS - Uganda
34 pages
NL01G4885
PDF
No ratings yet
NL01G4885
2 pages
Feb Check
PDF
No ratings yet
Feb Check
16 pages
New Etat 1
PDF
No ratings yet
New Etat 1
52 pages
BQ
PDF
No ratings yet
BQ
1 page
Service Bill Register / Summary Report: Bill From Date: Bill Type: 07-OCT-24 ALL To: 07-OCT-24
PDF
No ratings yet
Service Bill Register / Summary Report: Bill From Date: Bill Type: 07-OCT-24 ALL To: 07-OCT-24
1 page
Departmentalization Problem Key Ue
PDF
100% (1)
Departmentalization Problem Key Ue
2 pages
Overhead Question Bank B.com - (H) Sem IV Paper Bch4.1 Cost Accounting Module 8
PDF
No ratings yet
Overhead Question Bank B.com - (H) Sem IV Paper Bch4.1 Cost Accounting Module 8
6 pages
Procedure of Additional Spare Part Request
PDF
No ratings yet
Procedure of Additional Spare Part Request
2 pages
Silver Plating Cost
PDF
No ratings yet
Silver Plating Cost
34 pages
Fleet Work Order Activity - Police Accidents 1-1-2022 To 9-5-2023
PDF
No ratings yet
Fleet Work Order Activity - Police Accidents 1-1-2022 To 9-5-2023
5 pages
10740-Tecna Caso: Mdm2015 Planta de Tratamiento de Crudo Borde Montuoso Vista O&G / Aleph Midstream
PDF
No ratings yet
10740-Tecna Caso: Mdm2015 Planta de Tratamiento de Crudo Borde Montuoso Vista O&G / Aleph Midstream
1 page
Kaizen Sheet
PDF
No ratings yet
Kaizen Sheet
47 pages
Vehiclereportdec 2023
PDF
No ratings yet
Vehiclereportdec 2023
4 pages
Zambezi Diamond 1
PDF
No ratings yet
Zambezi Diamond 1
4 pages
R09301 RC0001 1678412 PDF
PDF
No ratings yet
R09301 RC0001 1678412 PDF
18 pages
Os Po Pt. Ces
PDF
No ratings yet
Os Po Pt. Ces
8 pages
Invoice
PDF
No ratings yet
Invoice
6 pages
Hasil 1477 Data
PDF
No ratings yet
Hasil 1477 Data
65 pages
Appendix Chiller - MBD.2407016.DY - PT. Graha Karya Inti
PDF
No ratings yet
Appendix Chiller - MBD.2407016.DY - PT. Graha Karya Inti
1 page
Petty Cash-1
PDF
No ratings yet
Petty Cash-1
4 pages
Problem Examples Cost Departmentalization
PDF
No ratings yet
Problem Examples Cost Departmentalization
6 pages
Rohini Ses Rab 10
PDF
No ratings yet
Rohini Ses Rab 10
4 pages
Machine/Resource Utilization Report Aswan International Engineering Company (LLC)
PDF
No ratings yet
Machine/Resource Utilization Report Aswan International Engineering Company (LLC)
2 pages
Management Acc. Assign.2 Kashif
PDF
No ratings yet
Management Acc. Assign.2 Kashif
2 pages
1 D
PDF
No ratings yet
1 D
2 pages
Maintenance Kpis Template
PDF
No ratings yet
Maintenance Kpis Template
12 pages
What Is A Transducer
PDF
No ratings yet
What Is A Transducer
1 page
Abid Hussain: ARAR Group of Companies, Lahore - Manager Technical & Supply
PDF
No ratings yet
Abid Hussain: ARAR Group of Companies, Lahore - Manager Technical & Supply
2 pages
BJT VS Fet
PDF
No ratings yet
BJT VS Fet
13 pages
Physical Stock - Technical Store
PDF
No ratings yet
Physical Stock - Technical Store
3 pages
Over Time LGH
PDF
No ratings yet
Over Time LGH
4 pages
Abid Hussain: ARAR Group of Companies, Lahore
PDF
No ratings yet
Abid Hussain: ARAR Group of Companies, Lahore
2 pages
(Clinical Psychologiest) : Maryam Jamil
PDF
No ratings yet
(Clinical Psychologiest) : Maryam Jamil
1 page
1 2 THQ Silanwali 3 THQ Lalian 4 DHQ Chiniot 5 THQ Gojra 6
PDF
No ratings yet
1 2 THQ Silanwali 3 THQ Lalian 4 DHQ Chiniot 5 THQ Gojra 6
2 pages
EMBA Entry Test Results 2021
PDF
No ratings yet
EMBA Entry Test Results 2021
62 pages
Electrician
PDF
No ratings yet
Electrician
3 pages
Entry Test For MS
PDF
No ratings yet
Entry Test For MS
1 page
Plumber
PDF
No ratings yet
Plumber
3 pages
MCQs - Carp
PDF
No ratings yet
MCQs - Carp
3 pages
MSHA 1st Merit List
PDF
No ratings yet
MSHA 1st Merit List
2 pages
Engineer / Supervisor: Skills Required
PDF
No ratings yet
Engineer / Supervisor: Skills Required
2 pages
Ali Ahmad's Resume: Customer Support & Business Skills
PDF
No ratings yet
Ali Ahmad's Resume: Customer Support & Business Skills
2 pages
Flat Work Ironer
PDF
No ratings yet
Flat Work Ironer
33 pages
(F-TECH-06) Expense Form For Repair & Maintenance of HWM Equipment
PDF
No ratings yet
(F-TECH-06) Expense Form For Repair & Maintenance of HWM Equipment
1 page
Linen Service Survey: On Site Inspection Worksheet: I. Laundry Processes
PDF
100% (1)
Linen Service Survey: On Site Inspection Worksheet: I. Laundry Processes
4 pages
Ali Ahmad's Resume: Customer Support & Business Skills
PDF
No ratings yet
Ali Ahmad's Resume: Customer Support & Business Skills
2 pages