KEMBAR78
Professional Power Amplifiers: Owner' S Manual | PDF | Amplifier | Computer Engineering
0% found this document useful (0 votes)
625 views24 pages

Professional Power Amplifiers: Owner' S Manual

Esquema electrónico crest audio

Uploaded by

abel sanchez
Copyright
© © All Rights Reserved
We take content rights seriously. If you suspect this is your content, claim it here.
Available Formats
Download as PDF, TXT or read online on Scribd
0% found this document useful (0 votes)
625 views24 pages

Professional Power Amplifiers: Owner' S Manual

Esquema electrónico crest audio

Uploaded by

abel sanchez
Copyright
© © All Rights Reserved
We take content rights seriously. If you suspect this is your content, claim it here.
Available Formats
Download as PDF, TXT or read online on Scribd
You are on page 1/ 24

PROFESSIONAL POWER AMPLIFIERS

Professional Power Amplifier

Professional Power Amplifier

Professional Power Amplifier

Professional Power Amplifier

Professional Power Amplifier

Professional Power Amplifier

OWNER’ S MANUAL

Downloaded from www.Manualslib.com manuals search engine


Important Precautions
This symbol is used to alert the oper- 10. Power down & disconnect units from 20. Non-use periods. The power cord of
ator to follow important operating
procedures and precautions detailed
mains voltage before making connec- equipment should be unplugged from
in documentation. tions. the outlet when left unused for a long
period of time.
This symbol is used to warn opera-
11. Never hold a power switch in the
tors that uninsulated “dangerous volt- “ON” position if it won’t stay there 21. Service Information E q u i p m e n t
ages” are present within the equip- itself! should be serviced by qualified service
ment enclosure that may pose a risk personnel when:
of electric shock. 12. Do not use the unit near stoves, heat
registers, radiators, or other heat A. The power supply cord or the plug
1. Save the carton and packing material producing devices. has been damaged;
even if the equipment has arrived in 13. Do not block fan intake or exhaust B. Objects have fallen, or liquid has
good condition. Should you ever need ports. Do not operate equipment on a been spilled into the equipment;
to ship the unit, use only the original surface or in an environment which
factory packing. may impede the normal flow of air C. The equipment has been exposed to
2. Read all documentation before oper- around the unit, such as a bed, rug, rain;
ating your equipment. Retain all doc- weathersheet, carpet, or completely D. The equipment does not appear to
umentation for future reference. enclosed rack. If the unit is used in an operate normally, or exhibits a
3. Follow all instructions printed on unit extremely dusty or smoky environ- marked change in performance;
chassis for proper operation. ment, the unit should be periodically
“blown free” of foreign matter. E. The equipment has been dropped,
4. Do not spill water or other liquids or the enclosure damaged.
into or on the unit, or operate the unit 14. Do not remove the cover. Removing
while standing in liquid. the cover will expose you to potentially 22. To obtain service, contact your nearest
dangerous voltages. There are no user Crest Audio Service Center,
5. Make sure power outlets conform to serviceable parts inside. Distributor, Dealer, or Crest Audio at
the power requirements listed on the 201.909.8700 (USA).
back of the unit. 15. Connecting amplifier outputs to
oscilloscopes or other test equipment
6. Do not use the unit if the electrical while the amplifier is in bridged mode
power cord is frayed or broken. The may damage both the amplifier and test
power supply cords should be routed so equipment!
that they are not likely to be walked on
or pinched by items placed upon or 16. Do not drive the inputs with a signal
against them, paying particular atten- level greater than that required to
tion to cords and plugs, convenience drive equipment to full output.
receptacles, and the point where they
17. Do not connect the inputs / outputs
exit from the appliance.
of amplifiers or consoles to any other
7. Always operate the unit with the AC voltage source, such as a battery,
ground wire connected to the electri- mains source, or power supply, regard-
cal system ground. Precautions should less of whether the amplifier or console
be taken so that the means of ground- is turned on or off.
ing of a piece of equipment is not
18. Do not run the output of any amplifi-
defeated.
er channel back into another chan-
8. Mains voltage must be correct and nel’s input. Do not parallel- or
the same as that printed on the rear series-connect an amplifier output
of the unit. Damage caused by connec- with any other amplifier output.
tion to improper AC voltage is not cov- Crest Audio is not responsible for dam-
ered by any warranty. age to loudspeakers for any reason.

9. Have gain controls on amplifiers 19. Do not ground any red (“hot”) ter-
turned down during power-up to pre- minal. Never connect a “hot” (red)
vent speaker damage if there are high output to ground or to another “hot”
signal levels at the inputs. (red) output!

Downloaded from www.Manualslib.com manuals search engine


Power Amplifier Owner’s Manual

Table of Contents
Introduction 5
Unpacking 5
Installation and Mounting 5
Front Panel 6
Rear Panel 7
Internal Configuration and Control 8
Operation 9
Connecting Power / Circuit Size Requirements 9
Cooling Requirements 9
Connecting Inputs 10
Connecting Outputs 10
Mode Selection 10
Stereo /Parallel/Bridged Mono Connections 12
TourClass® Protection Features 14
User Precautions 15
Speaker Protection 15
Recommended Speaker Cabling 15
Maintenance 16
User Responsibility 16
Service and Repair 16
Appendix A Specifications
Appendix B CA Block Diagram
Appendix C Wire Gauge Charts
Appendix D Rear Panel Symbols - Legend
Appendix E CA18 Power Amplifier - Special Functions

Crest Audio CA Series Power Amplifiers Page 3


Models CA2, CA4, CA6, CA9, CA12, CA18

Downloaded from www.Manualslib.com manuals search engine


CA12, CA18 Front View

Front
height
5.25"
133mm

Professional Power Amplifier

Front width 19" / 483mm

CA2-9 Front View

Front
height
3.5"
89mm

Professional Power Amplifier

Front width 19" / 483mm

Rear & Side Views

A
A A CA2
+
+ A
A
AB
• •

+
3.5"
89mm
CA4
CA2-9
CA6
B
A B
A B ••
+
B
A B B
1
3-
2+
CA9
1.375"
17.9"/437mm (19"/483mm to rack ears)
5-way binding post 18"/457mm
version shown.
35mm

1
3-
2+
CA12
CA18*
CA12
A
A A

• •
5.25"
AB 133mm
A
B
A

A B
A B ••
+
CA18
B
A B
B
Speakon version
shown.

*Note: see Appendix E for detailed CA18 rear panel drawings.

Page 4 Crest Audio CA Series Power Amplifiers


Models CA2, CA4, CA6, CA9, CA12, CA18

Downloaded from www.Manualslib.com manuals search engine


Introduction
Congratulations on your purchase of a new CA Series professional power amplifier, and thank you for your
confidence in Crest Audio products. You are among the growing number of audio professionals who have
made Crest Audio one of the world’s leading suppliers of professional and commercial/industrial audio sys-
tems.
For your safety, please read the Important Precautions section before installing and operating the amplifier.
The Crest Audio CA Series is based on the same advanced circuit topologies that have made Crest ampli-
fiers the choice of touring professionals worldwide. CA Series amplifiers are designed for high operating
efficiency and accurate sonic performance across the full audio bandwidth, even under stressful conditions.
In order to maintain strict quality assurance standards, all CA Series amplifiers are built in Crest’s state-of-
the-art USA manufacturing facility. Internal components are the finest available, and key sub-assemblies are
pre-tested before final assembly. Finally, each amplifier is “burned in” and thoroughly tested (using preci-
sion audio test equipment) before shipping. In addition, all CA Series amplifiers incorporate Crest’s exclu-
sive TourClass protection features to safeguard both internal circuitry and connected loudspeakers.
This proven combination of advanced design, quality construction, and comprehensive circuit protection is
your guarantee of fail-safe reliability. You can depend on consistent, stable performance even when your
CA Series amplifier is subjected to punishing extremes in the most demanding fixed or mobile sound rein-
forcement applications.

Unpacking
Please inspect the amplifier carefully immediately after unpacking. If you find any damage, notify your sup-
plier/dealer immediately. Only the shipper may file a damage claim with the carrier for damage incurred
during shipping. Be sure to save the carton and all packing materials for the carrier’s inspection.
If your packing materials are in good condition, please save them. If you ever need to ship the unit back to
Crest Audio or an authorized service center, you should use only the original factory packing.

Installation and Mounting


Four CA Series amplifiers are 2-rack-space units: models CA2, CA4, CA6, and CA9. Models CA12 and
CA18 are 3-rack-spaces high. All mount in standard 19-inch racks. Four front-panel mounting holes are
provided on each amplifier. Rear mounting ears give additional support, and use of rear supports is highly
recommended in all mobile and touring sound systems. Optional rack-mount handles are available.

Crest Audio CA Series Power Amplifiers Page 5


Models CA2, CA4, CA6, CA9, CA12, CA18

Downloaded from www.Manualslib.com manuals search engine


Front Panel
1 2 3 4 5 6 7 8 9

Professional Power Amplifier

1. Rack Mounting Ears. Never try to hold the


Two front panel mounting holes are provided on each mounting ear. circuit breaker/power
2. Optional Rack Handles. switch in the “ON”
position if it won’t stay
Available from your authorized Crest Audio supplier.
there itself!
3. Fan Outlet Grills.
CA Series amplifiers are cooled by two, rear-mounted fans. Cool air flows over the heat sinks and exhausts
through the front grills. Make sure these outlets remain clear to allow unrestricted air flow.
4. AC Power Switch/Circuit Breaker.
CA Series amplifiers have a front-panel combination AC switch and circuit breaker. (No fuses are used.) If
the switch shuts off during normal use, push it back to the “ON” position once. If it will not stay on, the
amplifier needs servicing.
5. Signal LED.
Illuminates to indicate that a signal (above a minimum threshold) is present at the amplifier input, and that
the signal is being amplified.
6. Clip LED.
Illuminates at the clipping threshold. Continuous illumination also indicates that ACL (Active Clip
Limiting) protection circuitry is engaged.
7. Active LED.
Indicates that AC power is connected and the amplifier is turned on.
8. Protect LED.
Indicates that the channel is in Protect mode (speakers disconnected by output relay).
9. Input Attenuators.
Two input attenuators adjust level for their respective amplifier channels. In Bridged Mono Mode, both
attenuators are used to control signal level and must be adjusted to the same setting.
Page 6 Crest Audio CA Series Power Amplifiers
Models CA2, CA4, CA6, CA9, CA12, CA18

Downloaded from www.Manualslib.com manuals search engine


Rear Panel See Appendix E for information specific to model CA18.
CAUTION
A A Designed & manufactured in the USA by:
RISK OF ELECTRIC SHOCK
DO NOT OPEN A
AVIS : RISQUE DE CHOC ÉLECTRIQUE—NE PAS OUVRIR
WARNING TO REDUCE THE RISK OF FIRE OR ELECTRIC SHOCK DO NOT
EXPOSE THIS EQUIPMENT TO RAIN OR MOISTURE.
ATTENTION! POUR ÉVITER LE RISQUE D'INCENDIE OU DE CHOC
ÉLECTRIQUE, NE PLACEZ PAS CET APPAREIL SOUS LA PLUIE OU Á
L'HUMIDITÉ
+ AB
• •
Crest Audio Inc.

+ A
A
+
100 Eisenhower Dr.
Paramus, New Jersey 07652 USA

B
A B
A B ••
+
B
A B B
1 2+
3-

10 11 12 13 14 15

643-105
NL4FC

A
A A Designed & manufactured in the USA by:

• •
AB Crest Audio Inc.
A 100 Eisenhower Dr.
Paramus, New Jersey 07652 USA
A +
B
A B
A B • •

B
A B
B
1 2+
3-

10. Output Connectors (Two versions, market dependent)


CA Series amplifiers are supplied with either 5-way Binding Posts or Speakon connectors. Connection to
the binding posts can be made with bare wire, banana plugs, or spade lug terminations. Make connections to
both the Channel A and Channel B terminals for Stereo or Parallel Mode, or a single connection across the
red (“hot”) terminals only of Channels A and B for Bridged Mono Mode. Using Speakon-type speaker
cables, make connections to both the Channel A and Channel B connectors for Stereo or Parallel Mode, or
to the Bridged mode connector for Bridged Mono Mode. See Appendix D and the section on Mode
Selection for more information. NOTE: on the 5-way Output Binding Post version of the CA18, two pairs
of 5-way binding posts are provided for each channel, so that paralleling of speakers is possible.
11. Mode Selection Switch. Never connect a “hot” (red) output to ground
or to another “hot” (red) output!
This recessed, three-position switch configures the
amplifier for Stereo, Parallel or Bridged Mono Mode operation. Amplifiers are factory-configured for
Stereo Mode. See Appendix D and the section on Mode Selection for more information.
12. Signal Ground Lift Switch.
The recessed signal ground lift switch (factory-set to the ‘ground’ [bottom] position) electrically connects
signal ground to the chassis/AC ground. The top position lifts the amplifier’s signal ground. In a properly
designed system (for safety purposes and to minimize noise), amplifiers should be connected to ground
through the AC line cord. Also, whenever possible, the signal source equipment should share the same AC
ground as the amplifier. In some cases this may not be possible, and a ground loop results. If this happens,
the first step is to move the ground lift switch to the top (‘lift’) position. In this position, the signal ground is
lifted and completely isolated from the chassis/AC ground. Do not change the switch to the ‘lift’ position if
the amplifier and the signal source equipment are on the same AC ground. Should the ground loop problem
persist after the ground lift switch has been set to the ‘lift’ position, then the shield on balanced input lines
should be grounded at one end only (usually the signal source).
Crest Audio CA Series Power Amplifiers Page 7
Models CA2, CA4, CA6, CA9, CA12, CA18

Downloaded from www.Manualslib.com manuals search engine


13-14. Balanced 1/4" (TRS) & XLR Input Connectors. Tip - Positive (+)
Ring - Negative (-)
These connectors accept input signals on balanced TRS and XLR input plugs. Sleeve - Ground ( )
See the figure at the left for information on polarity. Connectors for each chan-

+
nel are in parallel; the unused connectors may be used for “loop through” con-
nection to other amplifiers.
NOTE: Unbalanced “Tip/Sleeve” plugs may be used with the balanced TRS
“Tip/Ring/Sleeve” connectors. The “ring” terminal or negative input will be
connected to ground internally. When using three-pole (‘stereo’) TRS connec-
tors, make sure that the ring connection is made either to the cold (–) output of 1 - Ground ( )
the source equipment, or to ground. Incorrect connections may cause a 6dB loss
3 - Negative (-)
in level.
2 - Positive (+)

15. Fan Inlet Ports & Filters.


Cooling air enters the amplifier through the fan inlet ports located on the rear of the amplifier chassis.
Be sure not to block these ports when installing the amplifier or other associated equipment. Air must flow
unimpeded through these ports. Fan filters (removable without tools) are provided to minimize entry of dust
and dirt.

Internal Configuration and Control


Input XLR Polarity
CA Series amplifiers are supplied standard with the XLR configured as “Pin 2 hot” (+). On models CA2,
CA4, CA6, CA9 and CA12, an internal jumper makes it possible to alter the amplifier to “Pin 3 hot” (+).
NOTE: This jumper is NOT user configurable. Please consult your supplier or local Crest Audio service
center if you wish to have the input XLR polarity changed
On the CA18, an external XLR polarity switch is featured. (See Appendix E).
Input Sensitivity
The CA Series amplifiers have a standard input sensitivity of .775 Volts for rated power at 8 Ohms. Models
CA2, CA4, CA6, CA9 and CA12 are fitted with an internal jumper which allows optional gains of X20 or
X40. Model CA18 features an external voltage gain/input sensitivity switch (See Appendix E). Standard
and optional voltage gains/input sensitivities are detailed below.
CA2 CA4 CA6 CA9 CA12 CA18
Gain Sens Gain Sens Gain Sens Gain Sens Gain Sens Gain Sens
Std. X45 .775V X61 .775V X68 .775V X86.5 .775V X97.5 .775V X115 .775V
Opt. 1 X40 .866V X40 1.12V X40 1.32V X40 1.66V X40 1.87V X40 2.24V
Opt. 2 X20 1.73V X20 2.24V X20 2.65V X20 3.32V X20 3.74V X20 4.47V

NOTE: This jumper is NOT user configurable. Please consult your supplier or local Crest Audio service
center if you wish to have the voltage gain / input sensitivity changed.
Page 8 Crest Audio CA Series Power Amplifiers
Models CA2, CA4, CA6, CA9, CA12, CA18

Downloaded from www.Manualslib.com manuals search engine


Operation
Connecting Power / Circuit Size Requirements.
CA Series amplifier power requirements are rated at:
a) “idle”
b) 1/8th power (“typical” music conditions)
c) 1/3rd power (“continuous” music conditions)
d.) maximum rated power (circuit breaker limited).
The maximum power current draw rating is limited only by the front panel circuit breaker. Consult the spec-
ifications in the Appendices section for figures on the current that each amplifier will demand.
Make sure the mains voltage is correct and is the same as that printed on the rear of the amplifier. Damage
caused by connecting the amplifier to improper AC voltage is not covered by any warranty. Unless other-
wise specified when ordered, Crest amplifiers shipped to customers are configured as follows:
North America - 120VAC / 60Hz
Europe - 230VAC / 50Hz
Asia - 220VAC / 50Hz
Australasia - 240VAC / 50Hz
South America - 120VAC / 60Hz or 220VAC / 50Hz
Japan - 100VAC / 50Hz

NOTE: Always turn off and disconnect the amplifier from mains voltage before making audio connections.
Also, as an extra precaution, have the attenuators turned down during power-up.

Cooling System and Requirements.


CA Series amplifiers use a twin-tunnel forced-air cooling system to maintain a low, even operating tempera-
ture. Drawn in by dual 45 cubic feet-per-minute (CFM) fans on the rear panel, air flows through the cooling
fins of the channel heat sinks (dissipating power transistor heat), then exhausts through the front panel slots.
The “intelligent” variable-speed DC fans are controlled by heat sink temperature-sensing circuits. When the
amplifier is turned on, the fans briefly “rev up,” then slow to an idle; this indicates that the temperature
sensing circuits are operating normally. The fan speed increases only as required by heat sink temperatures,
keeping fan noise to a minimum. Under extreme thermal load, the fans will force a very large volume of air
through the heat sinks. If either heat sink surpasses the maximum allowed temperature, the sensing circuit
will open the output relay, disconnecting the load from that channel. If the power transformer overheats,
another sensing circuit opens both channel output relays until the transformer cools to a safe temperature.
IMPORTANT: To ensure optimum cooling, periodically clean the amplifier fan filters (removable without
tools). Also make certain that there is enough space around the front of the amplifier to allow the cooling
air to escape. If the amplifier is rack-mounted, do not use doors or covers on the front of the rack; the
exhaust air must flow out without resistance. If the amplifiers are to be housed in racks with closed backs,
allow at least one (1) standard rack space of opening in the front of the rack for every four amplifiers.

Crest Audio CA Series Power Amplifiers Page 9


Models CA2, CA4, CA6, CA9, CA12, CA18

Downloaded from www.Manualslib.com manuals search engine


Connecting Inputs.
Use either the XLR or 1/4-inch input connectors on the rear to supply audio signals to your Crest Audio CA
Series amplifier. Both connectors accept balanced and unbalanced audio connections. (The CA Series
amplifiers are configured standard with “Pin 2 hot” on XLR inputs. Please note that some other Crest Audio
amplifiers are configured with “Pin 3 hot”). The unused connector can be used to jumper the audio input to
another amplifier input. For more information, see the sections on Balanced 1/4" (TRS) & XLR Input
Connectors, Input XLR Polarity, and Input Sensitivity.
Connecting Outputs.
Speakers are connected using 5-way Output Binding Posts or Speakon connectors, depending on version
supplied. Please note that on the 5-way Output Binding Post version of the CA18, two pairs of 5-way bind-
ing posts are provided for each channel, so that paralleling of speakers is possible.
For more information, see the Output Connectors and Mode Selection sections.

Page 10 Crest Audio CA Series Power Amplifiers


Models CA2, CA4, CA6, CA9, CA12, CA18

Downloaded from www.Manualslib.com manuals search engine


Mode Selection.
The three-position, recessed Mode Select switch (located on the rear panel) configures the amplifier for
either Stereo, Parallel or Bridged Mono Mode. Amplifiers are factory-configured for Stereo Mode.
Stereo Mode.
In Stereo Mode, both channels operate independently, with their input attenuators controlling their respec-
tive levels. Signal at Channel A’s input produces output at Channel A’s output, while signal at Channel B’s
input produces output at Channel B’s output. Recommended minimum nominal load impedance for stereo
operation is 2 ohms per channel. Either the 1/4" (TRS) inputs or the XLR inputs may be used.
Parallel Mode.
When set to Parallel Mode, a signal applied to Channel A’s input will be amplified and appear at outputs for
both Channels A & B. Either the 1/4" (TRS) input or the XLR input on Channel A may be used.
Bridged Mono Mode.
Bridged Mono Mode straps both amplifier channels together to make a very powerful, single-channel
monaural amplifier. One channel “pushes” and the other “pulls” equally, doubling the power over that of
either channel alone. Signal is applied to the Channel A input only. Both attenuators are used to control sig-
nal level; in addition, both must be adjusted to the same setting. Either the 1/4" (TRS) or XLR input may be
used.
NOTE: The channel B input connectors (XLR and/or TRS) may be used to “loop thru” the channel A signal
when in parallel or bridged mono mode.

Use extreme caution when operating the amplifier in Bridged Mono Mode. Never ground either side of the
speaker cable when the amplifier is in Bridged Mono Mode; both sides are “hot.” If an output patch panel
is used, all connections must be isolated from each other and from the panel. The recommended minimum
nominal load impedance in the Bridged Mono Mode is 4 ohms, which is the equivalent to driving both
channels separately at 2 ohms. Driving bridged loads of less than the recommended minimums will activate
the IGM circuitry, resulting in a loss of power, and may also lead to a thermal protect condition.
See figures on pages 12 & 13 showing output connection information.

Connecting amplifier outputs to oscilloscopes or other test equipment while the


amplifier is in bridged mode may damage both the amplifier and test equipment!

Crest Audio CA Series Power Amplifiers Page 11


Models CA2, CA4, CA6, CA9, CA12, CA18

Downloaded from www.Manualslib.com manuals search engine


Stereo Mode Connections
A or
(5-Way Output Binding Posts)
A A
+
NOTE: the Binding Post version
of the CA18 features two pair of A
A A

+ • •

5-Way Output Binding Posts. + A


B
A
AB

A B
A B ••
+
B
A B B
1 2+
3-

+
B B

B or

Parallel Mode Connections


A or
(5-Way Output Binding Posts)
A A
+
A A
A
+ AB
• •
+ A
A
+
B
A B
A B ••
+
B
A B B
1 2+
3-

Bridged Mono Mode Connections


(5-Way Output Binding Posts) Bridged/Mono or

A A
+
643-106

A
A A
A
+ AB
• •
+ A
A
+
B
A B
A B ••
+
B
A B B
1 2+
3-

Page 12 Crest Audio CA Series Power Amplifiers


Models CA2, CA4, CA6, CA9, CA12, CA18

Downloaded from www.Manualslib.com manuals search engine


Stereo Mode Connections A
or
(Speakon Output Connectors)
- +
A A
2+
NL4FC

1- A
A A

2- • •
AB
A
A
1+
+
B
A B
A B • •

Speaker + to PIN 1 + B
A B
B

Speaker - to PIN 1 - 1
3-
2+

- + B B
or
B
A
Parallel Mode Connections or
(Speakon Output Connectors) - +
A A
2+
NL4FC

1- A
A A

2- AB
• •
A
A +
1+ B
A B
A B • •

Speaker + to PIN 1 + B
A B
B

Speaker - to PIN 1 -
1 2+
3-

- +

A
Bridged Mono Mode Connections
(Speakon Output Connectors) Bridged/Mono or

- + A A
2+
NL4FC

1- A
A A

2- AB
• •
A
A +
1+ B
A B
A B • •

Speaker + to PIN 1 + B
A B
B

Speaker - to PIN 2 +
1 2+
3-

Crest Audio CA Series Power Amplifiers Page 13


Models CA2, CA4, CA6, CA9, CA12, CA18

Downloaded from www.Manualslib.com manuals search engine


TourClass® Protection
Every model in the CA Series incorporates TourClass protection features. Derived from Crest Audio’s
extensive experience with the world’s largest sound rental companies, the TourClass group of circuits sets
the industry standard for assured protection of internal amplifier circuits and all connected loads.
ACL (Active Clip Limiting).
At the amplifier’s full power limit, or clipping point, ACL will be activated. This is indicated by illumina-
tion of the Clip LED. The channel gain is automatically reduced, protecting the loudspeakers from potential
damage from the high power, continuous square waves that would otherwise be produced. ACL may be
activated by uncontrolled feedback, oscillations, improper equipment gain settings, or an equipment mal-
function upstream from the amplifier. Only steady or excessive clipping (not normal program transients)
will trigger ACL. The circuit is virtually transparent in operation and full signal bandwidth is maintained.
IGM Impedance Sensing.
IGM (Instantaneous Gain Modulation) is an innovative circuit that allows the amplifier to operate safely
into loads as low as 2 ohms. When the amplifier sees a load that overstresses the output stage, the IGM cir-
cuit adjusts the channel gain to a safe level. Like ACL, the IGM circuit is inaudible in normal use. In addi-
tion, if extreme and sustained low impedance is encountered, the amplifier’s output relay will open.
AutoRamp Protection.
Auto Ramp operates every time the amplifier is turned on or is reactivated after a protect condition is cor-
rected. This exclusive Crest Audio feature gradually increases gain to the attenuator setting avoiding unnec-
essary stress on the loudspeakers.
Thermal Protection.
Abnormally high heat sink temperatures will engage the Protect circuit for the overheating channel only.
(An output relay disconnects the loudspeakers until nominal temperature range is restored.) During this
time, the Protect LED will light. If the power transformer gets too hot, its thermal sensing circuit will dis-
connect both channel outputs. During this time, the Active LED will extinguish, the Protect and Clip LEDs
will stay lit, and the cooling fan will continue running at low speed. Normal operation resumes once the
transformer cools to a safe level.
Short Circuit.
If an output is shorted (i.e., defective speakers or crossed speaker wires) the IGM and thermal circuits will
automatically protect the amplifier. The IGM circuit senses the short circuit as an extremely stressful load
condition and attenuates the signal, protecting the channel’s output transistors from over-current stress. If
the short circuit remains, the load will be disconnected by the thermal protection circuitry (output relay
opens).
DC Voltage Protection.
If an amplifier channel detects DC voltage at its output terminals, the output relay will immediately open to
prevent loudspeaker damage. The Protect LEDs will light.
Subsonic Frequencies.
Built-in high pass filtering provides subsonic frequency protection for each channel. In addition, a relay will
open if excessive subsonic energy appears at the output.

Page 14 Crest Audio CA Series Power Amplifiers


Models CA2, CA4, CA6, CA9, CA12, CA18

Downloaded from www.Manualslib.com manuals search engine


User Precautions
Speaker Protection
All loudspeakers have electrical, thermal, and physical limits which must be observed to prevent damage or
failure. Cone or compression drivers can be damaged (sometimes to the point of failure) from excessive
power, low frequencies applied to high frequency drivers, severely clipped waveforms, and DC voltage. All
CA Series amplifiers automatically protect speakers from DC voltages and subsonic signals. For more
information, see the TourClass Protection section.
Mid- and high-frequency transducers–compression driver in particular–are highly susceptible to damage
from overpowering, clipped waveforms, or frequencies below their rated passband. When using an electron-
ic crossover, make absolutely certain that the low and mid bands are connected to the correct amplifiers and
drivers—and not accidentally connected to those for a higher or lower frequency band.
The amplifier’s clipping point is its maximum peak output power. At maximum peak output power, Crest
Audio CA Series amplifiers will deliver more power than many speakers can safely handle. Be sure the
peak power capability of the amplifier is not excessive for your speaker system. To ensure that the speakers
never receive excessive power, and to prevent amplifier clipping, use a properly adjusted external limiter (or
a compressor with a ratio of 10:1 or higher) to control power output. Use one compressor/limiter for each
frequency band in systems with active electronic crossovers.
The ACL clip limiting circuit will automatically limit the duration of squared-off, continuous waveforms
applied to the speakers. The amplifier will, however, allow normal musical transient bursts to pass. Of
course, when the amplifier does clip, it is operating at its maximum output power. Note that some speaker
systems are packaged with proprietary “processors” that have power limiting circuits and therefore should
not require additional limiting.
Do not drive any low-frequency speaker enclosure with frequencies lower than its own tuned frequency; the
reduced acoustical damping could cause a ported speaker to “bottom out” even at moderate power. Consult
the speaker system specifications to determine its frequency limits, and employ a roll-off filter if necessary.
Recommended Speaker Cabling
The wire gauge charts will assist you in determining the optimum copper wire gauge for your speaker
cables. Remember that the speaker cable resistance robs amplifier power in two ways: through power lost
directly to resistance (often referred to as I2R loss), and through increased total load resistance, which
decreases the amount of power available from the amplifier. The charts (Appendix C) give cable length fig-
ures in feet/AWG wire gauges and in metric values.

Crest Audio CA Series Power Amplifiers Page 15


Models CA2, CA4, CA6, CA9, CA12, CA18

Downloaded from www.Manualslib.com manuals search engine


Maintenance
A CA Series amplifier requires no routine maintenance other than occasional cleaning or replacement of the
fan intake filters on the rear of the amplifier. (This operation does not require any tools). Filters must be
kept clear and clean to ensure proper ventilation through the unit. If the amplifier is used in an extremely
dusty or smoky environment, the filter should be cleaned or changed frequently and the unit should be peri-
odically “blown free” (using compressed air) of any foreign matter that may penetrated through the filter.
Users will not need to make any internal adjustments to the amplifier during its lifetime. There are no user-
serviceable parts or adjustments that require opening the power amplifier. Cover removal exposes the risk of
shock, so refer all servicing to qualified service technicians authorized by Crest Audio.
User Responsibility
Your CA Series amplifier is very powerful and can be potentially dangerous to loudspeakers and operators
alike. It is your responsibility to read the section titled “Important Precautions” and make sure that the
amplifier is installed, wired, and operated properly as instructed in this manual. Many loudspeakers can be
easily damaged or destroyed by overpowering, especially with the high power available from a bridged
amplifier. Read the section on Speaker Protection and always be aware of the speaker’s continuous and peak
power capabilities. Crest Audio is not responsible for damage to loudspeakers for any reason.

Service and Repair


In the unlikely event that your amplifier develops a problem, it must be returned to an authorized distributor,
service center or shipped directly to our factory. To obtain service, contact your nearest Crest Audio Service
Center, Distributor, Dealer, or any of the worldwide Crest Audio offices. For contact information, reach
Crest Audio Inc. Customer Service directly at: TEL. 201.909.8700 (USA) Fax. 201.909.8744 (USA).
Because of the complexity of the design and the risk of electrical shock, all repairs should be attempted only
by qualified technical personnel. If the unit needs to be shipped back to the factory, it must be sent in its
original carton. If improperly packed, your amplifier may be damaged.

For those with Internet access, please visit the Crest Audio website at: http://www.crestaudio.com

Page 16 Crest Audio CA Series Power Amplifiers


Models CA2, CA4, CA6, CA9, CA12, CA18

Downloaded from www.Manualslib.com manuals search engine


Appendices

Downloaded from www.Manualslib.com manuals search engine


Appendix A - Amplifier Specifications

1kHz, 0.01% THD+N


8Ω Stereo Power 160W 250W 400W 600W 700W 1000W (.03% THD+N)
4Ω Stereo Power 250W 435W 600W 900W 1200W 1800W (.03% THD+N)
2Ω Stereo Power N/A 500W 750W 1000W 1400W 2500W (.03% THD+N)
8Ω Bridged Mono Power 500W 830W 1200W 1800W 2400W 3600W (.03% THD+N)
4Ω Bridged Mono Power N/A 1000W 1500W 2000W 2800W 5000W (.03% THD+N)

20Hz-20kHz, 0.1% THD+N


8Ω Stereo Power 150W 245W 350W 550W 650W 950W
4Ω Stereo Power 200W 400W 500W 800W 1100W 1700W
2Ω Stereo Power N/A 450W 600W 900W 1100W 2400W
8Ω Bridged Mono Power 450W 800W 1000W 1600W 2200W 3400W
4Ω Bridged Mono Power N/A 900W 1200W 1800W 2200W 4800W

Max RMS Output Voltage (each channel) 44V 58V 73V 82V 90V 99V
Max Peak Output Voltage 62V 82V 103V 116V 126V 140V
Frequency Response (+0 / -0.3dB, 1W/8Ω) 20Hz-20kHz, -3dB@135kHz 20Hz-20kHz, -3dB@135kHz 20Hz-20kHz, -3dB@135kHz 20Hz-20kHz, -3dB@135kHz 20Hz-20kHz, -3dB@135kHz 20Hz-20kHz, -3dB@150kHz
Power Bandwidth (rated power at 4Ω, 1%THD+N) 20Hz-20kHz, -.9dB/+.15dB 20Hz-20kHz, -.9dB/+.5dB 20Hz-20kHz, -1.1dB/+0dB 20Hz-20kHz, -.84dB/+0dB 20Hz-20kHz, -.23dB/+.85dB 20Hz-20kHz, -.2dB/+.2dB
TourClass Protection ACL, IGM, AutoRamp, short circuit, DC voltage, turn-on/off transient, current inrush, sub/ultrasonic input
THD+N (rated power, 4Ω/1kHz) <0.01% <0.01% <0.01% <0.01% <0.01% <0.03%
SMPTE IMD (rated power, 8Ω, 60 Hz & 7kHz) <0.01% <0.01% <0.01% <0.01% <0.01% <0.01%
Damping Factor (10-400Hz at 8Ω) 368:1 550:1 400:1 700:1 800:1 800:1
Input CMRR (1kHz) > - 60 dB > - 60 dB > - 60 dB > - 60 dB > - 60 dB > - 70dB
Standard Input Sensitivity (rated power at 8Ω) ‡ 0.775V 0.775V 0.775V 0.775V 0.775V 0.775V
Standard Voltage Gain (rated power @ 8Ω) ‡ X45 X61 X68 X86.5 X97.5 X115
Input Impedance (balanced/unbalanced) >20kΩ/>10kΩ >20kΩ/>10kΩ >20kΩ/>10kΩ >20kΩ/>10kΩ >20kΩ/>10kΩ >20kΩ/>10kΩ
Hum and Noise ("A" weighted, full power at 4Ω) -105dB -105dB -105dB -105dB -105dB -115dB
Crosstalk ("A" weighted, full power at 4Ω) > - 60dB > - 60dB > - 60dB > - 60dB > - 60dB > - 80dB
Class AB AB H H H H
Input Connectors (per channel) Female XLR (pin 2+, configurable for pin 3+), TRS (tip+)
Output Connectors (per channel) 5-way binding posts (2 pair on CA18) or Speakon connectors (market dependent)
Filter Storage 20,000 µF 27,200 µF 68,000 µF 80,000 µF 140,000 µF 144,000 µF
Power Supply (factory configured) 100V-240V, 50-60Hz 100V-240V, 50-60Hz 100V-240V, 50-60Hz 100V-240V, 50-60Hz 100V-240V, 50-60Hz 100V-240V, 50-60Hz
Idle Current Draw (120V) 1.2A 1.4A 1.6A 2.0A 2.8A 3.0A
1/8 Power Curr. Draw (typical music cond., 120V/4Ω) 3.25A 6.8A 6.0A 8.6A 10.5A 12.0A
1/3 Power Curr. Draw (cont. music cond., 120V/4Ω) 5.5A 10.0A 13.0A 16.0A 23.0A 25.0A
Max Curr. Draw (continuous music cond., 120V/4Ω) 9.0A 15.0A 18.0A 21.0A 30.0A 36.0A
Thermal Emissions (1/8 Power, 4Ω) 1119 BTU/hr 2030 BTU/hr 2630 BTU/hr 3250 BTU/hr 4750 BTU/hr 7125 BTU/hr
Thermal Emissions (1/3 Power, 4Ω) 1607 BTU/hr 2726 BTU/hr 3713 BTU/hr 4341 BTU/hr 6300 BTU/hr 9450 BTU/hr
Cooling Two rear panel variable speed DC fans, filters detatchable without tools
Controls Front panel: 2 attenuators, magnetic circuit breaker/power switch; Rear panel: signal ground lift & mode switches; CA18: XLR polarity & input sens./voltage gain switches)
LED Indicators (per channel) Clip/Limit, Signal, Temp/DC, Active
Construction Steel chassis, 16 gauge. Double thickness in rack ear areas.
Dimensions (Height x Width x Depth to rear rack ears) 3.5" x 19" x 18" 3.5" x 19" x 18" 3.5" x 19" x 18" 3.5" x 19" x 18" 5.25" x 19" x 18" 5.25" x 19" x 18"
89 x 483 x 457mm 89 x 483 x 457mm 89 x 483 x 457mm 89 x 483 x 457mm 133 x 483 x 457mm 133 x 483 x 457mm
Gross Weight 38 lbs. (17.25 kg) 46 lbs. (20.88 kg) 49 lbs. (22.24 kg) 52lbs. (23.60 kg) 72 lbs. (32.68 kg) 82 lbs. (37.23 kg.)
Net Weight 33 lbs. (14.98 kg) 41 lbs. (18.61 kg) 44 lbs. (19.97 kg) 47 lbs. (21.33 kg) 67 lbs. (30.42 kg) 77 lbs. (34.96 kg.)
Warranty 5 years* 5 years* 5 years* 5 years* 5 years* 5 years*
† For full power at 4 Ohms. ‡ See table below for optional settings. * 3-Year Warranty with 2 additional years if Registration Card is sent to Crest Audio. (USA, Canada, United Kingdom and many other countries).
Crest Audio reserves the right to make changes or improvements in manufacturing or design which may affect specification. ©1997 Crest Audio Inc. 10/13/97
CA2 CA4 CA6 CA9 CA12 CA18
Gain Sens Gain Sens Gain Sens Gain Sens Gain Sens Gain Sens
Factory Standard X45 .775V X61 .775V X68 .775V X86.5 .775V X97.5 .775V X115 .775V
Option 1 X40 .866V X40 1.12V X40 1.32V X40 1.66V X40 1.87V X40 2.24V
Option 2 X20 1.73V X20 2.24V X20 2.65V X20 3.32V X20 3.74V X20 4.47V

Appendix A Crest Audio CA Series Power Amplifiers


Models CA2, CA4, CA6, CA9, CA12, CA18

Downloaded from www.Manualslib.com manuals search engine


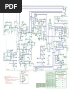
Appendix B - CA Block Diagram

T
CHANNEL A
PREAMP
+ NON-INVERTED
2 ATTENUATOR
3
2/3 † OUTPUT STAGE
- INVERTED
1 PIN 2 / 3 +
JUMPER A A
(REAR PANEL SWITCH - +
AMP FRONT END OUTPUT RELAY
ON CA18)

† PREAMP INCORPORATES INPUT


BRIDGED SENSITIVITY/VOLTAGE GAIN JUMPER
- (REAR PANEL SWITCH ON CA18)
PARALLEL
- +
STEREO ATTENUATOR OUTPUT STAGE
R - †
SWITCH
T PREAMP

CHANNEL B AMP FRONT END OUTPUT RELAY


B NON-INVERTED
+
2
3 2/3
B
1 - INVERTED
PIN 2 / 3 +
JUMPER
(REAR PANEL SWITCH
ON CA18)

Crest Audio CA Series Power Amplifiers Appendix B


Models CA2, CA4, CA6, CA9, CA12, CA18

Downloaded from www.Manualslib.com manuals search engine


Appendix C - Wire Gauge Chart (Metric)

Stranded Cable Lgth. Wire Gauge (mm2) Power Loss Power Loss Power Loss
(m) (8 ohm load) (4 ohm load) (2 ohm load)

2 0.3 2.9% 5.6% 10.8%

0.5 1.74 3.4 6.7

0.75 1.16 2.3 4.5

1.5 0.58 1.16 2.3

2.5 0.35 0.70 1.39

4 0.22 0.44 0.87

5 0.5 4.3% 8.2% 15.5%

0.75 2.9 5.6 10.8

1.5 1.45 2.9 5.6

2.5 0.87 1.74 3.4

4 0.55 1.09 2.2

6 0.37 0.73 1.45

10 0.5 8.24% 15.5% 28%

0.75 5.6 10.8 19.9

1.5 2.9 5.6 10.8

2.5 1.74 2.9 6.7

4 1.09 1.74 4.3

6 0.73 1.09 2.9

30 0.75 15.5% 0.73% 45%

1.5 8.2 15.5 28

2.5 5.1 9.8 18.2

4 3.2 6.3 12.0

6 2.2 4.3 8.2

10 1.31 2.6 5.1

Appendix C Crest Audio CA Series Power Amplifiers


Models CA2, CA4, CA6, CA9, CA12, CA18

Downloaded from www.Manualslib.com manuals search engine


Appendix C - Wire Gauge Chart (Imperial)

Stranded Cable Lgth. Wire Gauge (AWG) Power Loss Power Loss Power Loss
(ft.) (8 ohm load) (4 ohm load) (2 ohm load)

5 18 0.81% 1.61% 3.2%

16 0.51 1.02 2.0

14 0.32 0.64 1.28

12 0.20 0.40 0.80

10 0.128 0.25 0.51

10 18 1.61% 3.2% 6.2%

16 1.02 2.0 4.0

14 0.64 1.28 2.5

12 0.40 0.80 1.60

10 0.25 0.51 1.01

40 18 6.2% 11.9% 22%

16 4.0 7.7 14.6

14 2.5 5.0 9.6

12 1.60 3.2 6.2

10 1.01 2.0 4.0

8 0.60 1.20 2.4

80 18 11.9% 22% 37%

16 7.7 14.6 26

14 5.0 9.6 17.8

12 3.2 6.2 11.8

10 2.0 4.0 7.7

8 1.20 2.4 4.7

Crest Audio CA Series Power Amplifiers Appendix C


Models CA2, CA4, CA6, CA9, CA12, CA18

Downloaded from www.Manualslib.com manuals search engine


Appendix D
Rear Panel Symbols - Legend

Input Connection Section


1
3-
2+
XLR Connector Polarity Indicator
+
TRS Connector Polarity Indicator
A

Mode Selection Switch - Bridged Mono Position


AB
A

Mode Selection Switch - Parallel Position


A B

A B
Mode Selection Switch - Stereo Position
A B

Chassis Ground Lift Switch - Ground Lifted Position


Chassis Ground Lift Switch - Grounded Position

GAIN

Ø 40x 20x
Gain Select Switch (CA18)
dBu

XLR Pin +
XLR pin hot (+) select switch (CA18)
2 3

Output Connection Section

A
Speakon Output Connector - Channel A Stereo/Parallel
B
Speakon Output Connector - Channel B Stereo/Parallel
A
B Speakon Output Connector - Bridged Mono

A 5-Way Binding Post Output Connection - Channel A Stereo/Parallel


+
+ A
B
5-Way Binding Post Output Connection - Bridged Mono
+
B
5-Way Binding Post Output Connection - Channel B Stereo/Parallel

Appendix D Crest Audio CA Series Power Amplifiers


Models CA2, CA4, CA6, CA9, CA12, CA18

Downloaded from www.Manualslib.com manuals search engine


Appendix E
CA18 Power Amplifier - Special Functions

The CA18 rear panel features external switches for the following:
XLR Pin+ Switch: This switch configures XLR input connection polarity. Either pin 2 or pin 3 may be
selected as the “hot” (+) pin. Amplifiers are shipped pin 2 “hot” (+) from the factory.
Gain Switch: This switch permits the amplifier to be configured for the standard input sensitivity (.775V
for rated power @ 8Ω), or for optional voltage gains of X40 or X20. Refer to the specifications for input
sensitivity values at optional voltage gains of X40 and X20.
NOTE: on the 5-way Output Binding Post version of the CA18, two pairs of 5-way binding posts are provid-
ed for each channel, so that paralleling of speakers is possible.

ALWAYS power down the amplifier before changing settings


with either the XLR Pin+ switch or the Gain switch!

CA18 Binding Post Version - Rear View

Designed & manufactured in the USA by:


GAIN

Crest Audio Inc.


100 Eisenhower Dr. Ø 40x 20x
Paramus, New Jersey 07652 USA dBu

A
+

A AB
A
+ A
+ A A B
A B
XLR Pin +

B
2 3
A B
+
B
B

1 2
3

XLR Pin (+) Switch Gain Switch


CA18 Speakon Version - Rear View

Designed & manufactured in the USA by:


GAIN

Crest Audio Inc.


100 Eisenhower Dr. Ø 40x 20x
Paramus, New Jersey 07652 USA dBu

NL4FC A +

A
A AB

A
A B
A A B XLR Pin +

B
2 3
A B

B
B

1 2
3

Crest Audio CA Series Power Amplifiers Appendix E


Models CA2, CA4, CA6, CA9, CA12, CA18

Downloaded from www.Manualslib.com manuals search engine


Crest Audio Inc.
100 Eisenhower Dr., Paramus NJ 07652 USA
TEL: 201.909.8700 FAX: 201.909.8744
http://www.crestaudio.com
Printed in USA

v. 2.9 11/25/97 © 1997 Crest Audio, Inc.

Choice of touring professionals.


*B5000013*
Downloaded from www.Manualslib.com manuals search engine

You might also like