KEMBAR78
Engine Control System-01 | PDF | Machines | Electricity
0% found this document useful (0 votes)
177 views1 page

Engine Control System-01

This document provides a diagram and details of an engine control system. It includes a diagram with labels for various components and their connections. Wiring details like colors and gauges are also listed for some connections.

Uploaded by

Luis García
Copyright
© © All Rights Reserved
We take content rights seriously. If you suspect this is your content, claim it here.
Available Formats
Download as PDF, TXT or read online on Scribd
0% found this document useful (0 votes)
177 views1 page

Engine Control System-01

This document provides a diagram and details of an engine control system. It includes a diagram with labels for various components and their connections. Wiring details like colors and gauges are also listed for some connections.

Uploaded by

Luis García
Copyright
© © All Rights Reserved
We take content rights seriously. If you suspect this is your content, claim it here.
Available Formats
Download as PDF, TXT or read online on Scribd
You are on page 1/ 1

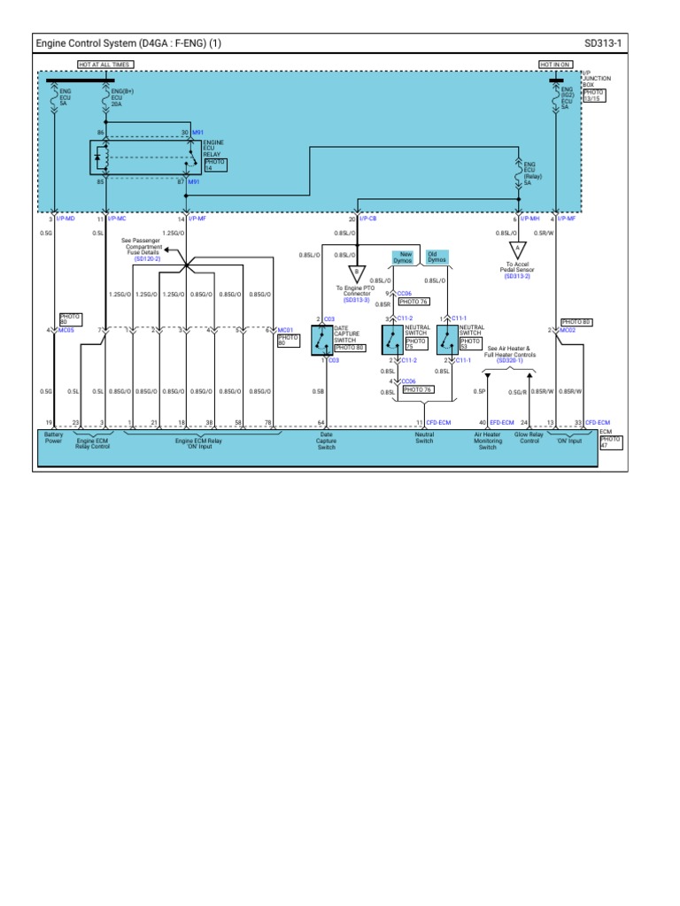
Engine Control System (D4GA : F-ENG) (1) SD313-1

HOT AT ALL TIMES HOT IN ON


I/P
JUNCTION
BOX
ENG ENG(B+) ENG PHOTO
ECU ECU (IG2) 13/15
5A 20A ECU
5A

86 30 M91
ENGINE
ECU
RELAY
PHOTO ENG
14 ECU
(Relay)
85 87 M91 5A

3 I/P-MD 11 I/P-MC 14 I/P-MF 20 I/P-CB 6 I/P-MH 4 I/P-MF

0.5G 0.5L 1.25G/O 0.85L/O 0.85L/O 0.5R/W


See Passenger
Compartment A
Fuse Details 0.85L/O 0.85L/O New Old
(SD120-2) Dymos Dymos
To Accel
B Pedal Sensor
(SD313-2)
0.85L/O 0.85L/O
To Engine PTO
1.25G/O 1.25G/O 1.25G/O 0.85G/O 0.85G/O 0.85G/O Connector 9 CC06
(SD313-3) PHOTO 76
0.85R
PHOTO 2 C03 3 C11-2 1 C11-1
80 PHOTO 80
DATE NEUTRAL NEUTRAL
4 MC05 7 1 2 3 4 5 6 MC01 SWITCH SWITCH 2 MC02
CAPTURE
PHOTO SWITCH
80 PHOTO PHOTO
PHOTO 80 75 53 See Air Heater &
Full Heater Controls
1 C03 2 C11-2 2 C11-1 (SD320-1)
0.85L 0.85L
4 CC06
0.5G 0.5L 0.5L 0.85G/O 0.85G/O 0.85G/O 0.85G/O 0.85G/O 0.85G/O 0.5B PHOTO 76 0.5P 0.5G/R 0.85R/W 0.85R/W
0.85L

19 23 3 1 21 18 38 58 78 64 11 CFD-ECM 40 EFD-ECM 24 13 33 CFD-ECM


ECM
Battery Date Neutral Air Heater Glow Relay
Power Engine ECM Engine ECM Relay Capture Switch Monitoring Control 'ON' Input PHOTO
Relay Control 'ON' Input Switch Switch 47

You might also like