KEMBAR78
Arduino RFID SCHH | PDF | Chess
0% found this document useful (0 votes)
69 views1 page

Arduino RFID SCHH

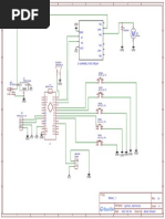
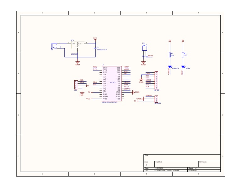
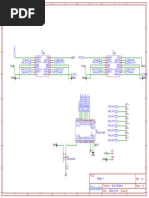
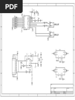
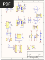
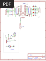
This 3-sentence summary provides the key information from the document: The document contains a circuit diagram showing an Arduino Nano microcontroller board connected to components including an LM7805 voltage regulator, buzzer, LEDs, and servo motor. Power is supplied from a 5V source through the voltage regulator to the Arduino and other components. The Arduino controls and interfaces with the buzzer, LEDs, and servo motor via its digital and analog input/output pins.

Uploaded by

thong ly
Copyright
© © All Rights Reserved
We take content rights seriously. If you suspect this is your content, claim it here.
Available Formats
Download as PDF, TXT or read online on Scribd
0% found this document useful (0 votes)
69 views1 page

Arduino RFID SCHH

This 3-sentence summary provides the key information from the document: The document contains a circuit diagram showing an Arduino Nano microcontroller board connected to components including an LM7805 voltage regulator, buzzer, LEDs, and servo motor. Power is supplied from a 5V source through the voltage regulator to the Arduino and other components. The Arduino controls and interfaces with the buzzer, LEDs, and servo motor via its digital and analog input/output pins.

Uploaded by

thong ly
Copyright
© © All Rights Reserved
We take content rights seriously. If you suspect this is your content, claim it here.
Available Formats
Download as PDF, TXT or read online on Scribd
You are on page 1/ 1

1 2 3 4

A A

VCC
IC1 5V 5V
1 3

GND
+DC
1
IN OUT LS1
3

-DC 2
C1
P1 1000uF/16V

2
LM7805 R1 R2
Buzzer BUZZ 220 220

GND U1 GND
SCK MISO
D13 D12 GREEN RED

GREEN
3.3V MOSI
3V3 D11
SDA_

RED
REF D10 1
B RST GND B
A0 D9 2
RST
A1 D8 3
SDA_
A2 D7 4
SCL MOSI
4 A3 D6 5
SDA SDA NANO D5 GREEN GND MISO
3 A4 6
SCL RED 3.3V
2 5V A5 D4 7
BUZZ SCK
1 A6 D3 8
SERVO
I2C A7 D2 RFID
5V 5V GND GND
RST RST
GND SERVO
GND RX0 1
VCC VIN TX1 GND 2
5V 3
ARDUINO NANO
SERVO

C C

Title
D D

Size Number Revision


A
Date: 11/11/2020 Sheet of
File: D:\Auto door\..\Sheet1.SchDoc Drawn By:
1 2 3 4

You might also like