KEMBAR78
Edc17 System | PDF | Throttle | Diesel Engine
73% found this document useful (11 votes)
13K views96 pages

Edc17 System

The document provides information on the EDC 17 system for Neptune N4 CRS BSIV engines, including: - The EDC 17 system uses electronic control of fuel injection and includes sensors for boost pressure, accelerator pedal position, crankshaft speed, and other engine parameters. - The system aims to independently control fuel injection properties like quantity, timing and pressure based on driving conditions and engine operating temperature rather than engine speed. - Key components include a metering unit, injectors, sensors for temperature and pressure, and an Electronic Control Unit that processes sensor data and controls actuators.

Uploaded by

Nutan
Copyright
© © All Rights Reserved
We take content rights seriously. If you suspect this is your content, claim it here.
Available Formats
Download as PDF, TXT or read online on Scribd
73% found this document useful (11 votes)
13K views96 pages

Edc17 System

The document provides information on the EDC 17 system for Neptune N4 CRS BSIV engines, including: - The EDC 17 system uses electronic control of fuel injection and includes sensors for boost pressure, accelerator pedal position, crankshaft speed, and other engine parameters. - The system aims to independently control fuel injection properties like quantity, timing and pressure based on driving conditions and engine operating temperature rather than engine speed. - Key components include a metering unit, injectors, sensors for temperature and pressure, and an Electronic Control Unit that processes sensor data and controls actuators.

Uploaded by

Nutan
Copyright
© © All Rights Reserved
We take content rights seriously. If you suspect this is your content, claim it here.
Available Formats
Download as PDF, TXT or read online on Scribd
You are on page 1/ 96

T

AF
EDC17 SYSTEM
(FOR NEPTUNE ENGINES)
R
D

JUNE 2012
12.02 EDC 17 SYSTEM FOR NEPTUNE N4 CRS BSIV ENGINES
Service Manual

CONTENTS

GROUP - 12

EDC 17 SYSTEM FOR NEPTUNE N4 CRS BSIV ENGINES

Section Subject Page No.

12.0 ELECTRONIC DIESEL CONTROL.................................................................... 12.03

12.1 ENGINE START / STOP PROCEDURE........................................................... 12.06

12.2 SENSORS AND ACTUATORS.......................................................................... 12.07

T
12.2.0 Boost pressure & temp sensor.................................................................... 12.9
12.2.1 Accelerator Pedal Sensor............................................................................ 12.10
12.2.2 Crankshaft Speed Sensor............................................................................ 12.12
12.2.3 Camshaft Speed Sensor.............................................................................. 12.13
12.2.4 Metering Unit............................................................................................... 12.14
12.2.5
12.2.6
12.2.7
12.2.8
AF
Injectors.......................................................................................................
Coolant Temperature Sensor.......................................................................
Oil Pressure & Temperature Sensor............................................................
Rail Pressure Sensor...................................................................................
12.15
12.17
12.17
12.19
12.2.9 EGR Actuator............................................................................................... 12.20
12.2.10 EGR Valve position sensor:......................................................................... 12.21
12.2.11 Vehicle Speed Sensor................................................................................. 12.22

12.3 SWITCHES........................................................................................................ 12.22


12.3.0 Brake Signal Switch ................................................................................... 12.22
12.3.1 Clutch Signal Switch.................................................................................... 12.22
R
12.4 DIAGNOSTIC LAMP AND REQUEST SWITCHES........................................... 12.23
12.4.1 Water in Fuel Sensor and Lamp................................................................. 12.23

12.5 CAN BACKBONE............................................................................................. 12.24


D

12.6 DIAGNOSTICS.................................................................................................. 12.25


12.6.0 Diagnostic Concept...................................................................................... 12.25
12.6.1 Diagnostic Tester......................................................................................... 12.25
12.6.2 Diagnostic request switch and Blink code................................................... 12.29

12.7 EDC FAILURE REACTION FUNCTIONS.......................................................... 12.30

12.8 INSPECTION OF PARTS & CONNECTIONS AGAINST COMPLAINT............. 12.33

12.9 GUIDELINES FOR CHECKING SENSORS AND COMPONENT...................... 12.37

12.10 PRECAUTIONS FOR ELECTRONIC DIESEL CONTROL SYSTEM (EDC)


DURING BODY BUILDING............................................................................... 12.38

12.11 MAINTENANCE PROGRAMME........................................................................ 12.40

12.12 TROUBLE SHOOTING USING ERROR CODE / BLINK CODE....................... 12.43


EDC 17 SYSTEM FOR NEPTUNE N4 CRS BSIV ENGINES
12.03
Service Manual

12.0 ELECTRONIC DIESEL CONTROL - EGR valve position sensor (Integrated with EGR)
EDC17 (CRS NEPTUNE Engine) - Accelerator pedal position sensor
- Brake switch
Modern engine development is driven by legislative
emission requirements and growing vehicle electronic - Clutch pedal switch
architecture in the market. Following are the legislation - Vehicle speed sensor
and market driven needs. - Wiring harness.
1. High fuel injection pressure In EDC system, the injected fuel quantity is based
on the following.
2. Fuel injection independent of pressure generation
and engine speed. - The vehicle response desired by the driver,
communicated through the accelerator pedal
3. Multiple injections ( BSIV - Main, Pilot & Post position sensor.
Injection)
- The engine operating temperature
4. Flexible in fuel quantity, injection timing and fuel
injection pressure independent of engine speed. - Boost pressure and temperature
- Engine speed Atmospheric pressure Proper

T
5. Environmental (Ambient, Coolant temperature etc.,)
/ Altitude dependent fuel quantity adjustment. functionality of EDC components.
6. Integration with other vehicle systems (Automatic EDC system is subdivided into
transmission, ABS etc.,)
1. Sensors
The EDC (Electronic diesel control) system is capable
of meeting the demands outlined above. Detect the engine operating conditions and the driver’s
AF
In EDC system, the driver has no direct control over the
injected fuel quantity through the accelerator pedal

The injected fuel quantity is based on


demand. They convert physical variables into electrical
signals.
2. Electronic Control Unit (ECU)
Processes the information received from the sensors. It
1. The vehicle response desired by the controls the actuators through electrical output signals.
driver communicated through the accelerator It also provides interfaces with other systems like
pedal sensor with the help of ECU. diagnostic tool, ABS etc.
3. Actuators
2. The engine operating conditions
Convert the electrical signal from the ECU into physical
3. The engine operating coolant temperature variable.
4. Boost pressure CONTROLS
R
5. Engine speed Open and Closed Loop Electronic Control
Open Loop control
EDC system is also capable of data exchange
with other electronic systems such as Automatic The actuators are operated by the ECU output
transmission through CAN (Control Area Network). signals which the ECU has calculated using the input
variables, stipulated data, characteristic maps, and
Major components of EDC system algorithms. The final results are not checked.
D

Electronic Diesel Control system comprises of the Close Loop Control


following.
The actual value at the output is continually monitored
- Electronic Control Unit (ECU) against the desired value and as soon as a deviation
- Common rail CRS (CP3.3) pump Fuel injection is detected this is corrected by a change in the actuator
pump. control. The advantage of close loop control lies in the
fact that disturbances from outside are detected and
- Solenoid type Injector for all cylinders. taken into account. In our system close loop control
- Coolant temperature sensor is used for rail pressure governing through activating
- Boost pressure & temperature sensor. metering unit.
- Camshaft speed sensor Fuel - Injection Control
- Crank shaft speed sensor In order that the engine can run with optimum
- Rail pressure sensor combustion under all operating conditions, the ECU
- Water in fuel sensor calculates exactly the right injected fuel quantity at right
time in different conditions. Here the values of various
- Oil pressure and temperature sensor. parameters are considered.
- EGR actuator (Norgren valve)
12.04 EDC 17 SYSTEM FOR NEPTUNE N4 CRS BSIV ENGINES
Service Manual
Starting Torque Requirement Sensors, Actuators and ECU
The injected fuel quantity is calculated as a function Electronic Control Unit (ECU)
of coolant temperature and cranking speed. This will
generate from the moment the starting switch turned The ECU is the brain of the system that process the
and until minimum engine speed is realised. requirements thru sensors and the accelerator pedal
movement with the fuel mappings already calibrated in
Drive Mode the ECU and decides on the fuel delivery thru injectors.
It operates on 24V DC.
When the vehicle is being driven normally, the driving
torque is a function of the accelerator pedal position and Common rail CRS CP3.3 pump Fuel
engine speed and boost pressure. Calculation depends injection pump.
upon maps, which also consider high fuel temperature.
This pump is mechanically driven and electronically
This permits best possible alignment of the engine’s
output to the driver’s wishes and also protect FIP parts. controlled by ECU. Output signals from ECU triggers
the governor there by controls the fuel quantity of fuel
Engine Idle Speed Control injected and the start of injection.

T
When the accelerator pedal is not pressed, it is the job Accelerator Pedal Position Sensor
of the idle speed control to ensure that a determined
idle speed is maintained. For instance, with the engine The Sensor serves to measure demand from the driver
being cold, the idle speed is maintained by adjusting and communicates to the ECU. It detects the pedal
to the desired torque in reference to water temperature position by means of potentiometer and transfers this
and the set speed is maintained similarly at increased information to the ECU in terms of Voltage. It consists
water temperature.
AF
Engine Maximum Speed Control

This control ensures that the engine shall


not to be rotated at excessive speeds. To avoid damage
of two potentiometers for measuring the position of
accelerator pedal module from 0% travel position to
100% travel position.

Engine Coolant Temperature Sensor


to the engine,the engine manufacturer stipulates a It is a thermistor, mounted on coolant return line from
permissible maximum rotational speed that may only be cylinder block. It measures the engine coolant outlet
exceeded for a very brief period. In our case Engine rated
temperature.
speed is 2300 rpm and Fuel Cut off speed is 2550 rpm.
Maximum engine speed or vehicle speed can be Engine Speed Crank Sensor
controlled through ECU.
The Crank shaft speed sensor is mounted on the cylinder
Intermediate Set -Speed Control block. The sensor works on Magnetic induction principle.
The tooth space on the crankshaft trigger wheel causes
R
Intermediate speed control enables to run the engine at
constant speed for applications like crane, ambulances a change in magnetic flux thereby generating output
/ trucks mounted with generator sets. pulses, the frequency of which determines the speed.

Vehicle Speed Limiter Engine Speed Cam Sensor


The vehicle speed limiter function limits the vehicle’s The Cam shaft sensor is mounted on the cylinder head.
maximum speed to a set value. This can be applied and The sensor works on Magnetic induction principle. The
proper activation can be performed by the customized tooth space on the camshaft trigger wheel causes a
D

Diagnostic tool. change in magnetic flux thereby generating output


pulses, the frequency of which determines the position.
Engine Torque Limitation
Back up for Crank Sensor
Max torque limitation has been predetermined and
set at factory. Deviation to that will have the following The crankshaft position signal combined with
effect camshaft position signal indicates the cylinder that is
on compression and the ECU can determine from its
- Excess emission programming the engine firing order.
- Excessive soot
- Higher Free Acceleration smoke. If either crank or cam sensor will malfunction the cam
or crank sensor will aid to start the engine.
- Mechanical overloading due to high torque.
Start Of Injection Control Engine Boost Pressure & Temperature Sensor

Start of injection has a critical effect on power Engine Boost Pressure sensor is mounted on the intake
output, fuel consumption, noise, and emissions. The manifold to measure the absolute intake manifold
desired value for start of injection depends on engine pressure & temperature.
speed and injected fuel quantity. With the use of injector
energisation, it is achieved.
EDC 17 SYSTEM FOR NEPTUNE N4 CRS BSIV ENGINES
12.05
Service Manual

EGR (Exhaust Gas Recirculation) Water in Fuel Sensor

EGR works by recirculating a portion of an engine’s Water in fuel sensor located at the Bottom of Prefilter.
exhaust gas back to the engine cylinders. When the water in fuel got settled at bowl, the sensing
lead senses the presence of water and sends the alarm
Because NOx formation progresses much faster at signals to the Dashboard. As per this alarm we have
high temperatures, EGR reduces the amount of NOx to drain the water from the bowl by turn the cork Anti
the combustion generates. NOx forms primarily when Clockwise. Please refer the water draining procedure
a mixture of nitrogen and oxygen is subjected to high follows below.
temperature Do’s and Don’ts
Common Rail System - Electrical tapping not allowed: Tapping should
not be taken as this can severely affect the
Accumulator of high pressure fuel around 1800 bar in
performance of the ECU and Sensors (additional
the system.
current drawn by the new load will drain the battery
The rail volume dampens the pressure oscillates faster / damage the DC/DC Converter).
generated during pumping and after needle closing. - Care should be taken while washing the vehicle.

T
Do not splash water directly on to the ECU,
Function as a fuel distribution point to different pointers.
Accelerator pedal sensor and other electrical
Advantages components.

Separation of pressure generation and injection - Diagnostic connector should not be left hanging
loose and should be handled with care. The
allowing flexibility in controlling both the injection rates
protective cap is to be removed only at the time of
AF
and timing. Fuel pressure doesn’t depend on the engine
speed and load conditions

High injection pressures and good spray preparations


are possible at even at low engines speeds and loads.
-
connecting diagnostic tester.
Reverse polarity protection : Care
needs to be taken while removing and connecting
the battery connection during body building
Capability to deliver stable, small post injections can be
used for decreased NOx emissions and noise. - Check the battery condition regularly and keep the
battery in a healthy condition.
Option for post injections may be used together with
such emission control technologies as particulate filters, - Ensure proper connectivity of ECU/ Sensor
lean NOx, catalysts, or NOx adsorbers. connectors with wiring Harness and maintain
harness clamps.
Fuel pumps operates with low drive torque.
- No intermittent connector in the EDC wiring system
R
Rail pressure sensor should be practiced ( this is not relevant from the
service point of view as the harness would have
The rail pressure sensor sensing the pressure maintain already been made and put on the vehicle and
common rail and sends the signal to ECU to and ECU there will be no question of intermittent connector).
sends the signal to metering unit to regulate volume of
- Keep the ignition switch ‘OFF’ while removing &
fuel in common rail. Stainless steel sensing element
Fitment of the battery connections in the vehicle.
with metal thin film strain gauges
- Correct Tightening torques should be used for
D

Digital circuit concept with analogue output signal. mounting the ECU.
Metering Unit - Do not relocate the ECU from the given location.
Metering unit function is controlled by a electro magnet - ECU must be connected or disconnected to the
principle of having solenoid, present inside. As the wiring harness only when the ignition switch is in
declaration came from the ECU via Rail pressure sensor, OFF position.
the ECU sends the signal to regulate the fuel flow. The
Rail pressure sensor and Metering unit are inter related to - No undue pressure to be applied on the ECU
maintain the fuel pressure in Common rail. during service.
- Do not let dirt or dust get inside the actuator /
Injectors
sensors or EDC components. Cover them properly.
Injectors functions are controlled by a electro magnet - When disconnecting the connectors,
principle of having solenoid situated at top side. When try to pull them out in a straight line, disengaging
the solenoid coil is energized, it lifts the plunger and the lock by holding the housing.
allows the high pressure fuel from high pressure
connector to injector inlet and the fuel fills inside the - Do not try to disconnect connectors by gripping
stem of injector and finally it delivers to the combustion the wires or twisting them, as this could bend the
chamber. contacts.
12.06 EDC 17 SYSTEM FOR NEPTUNE N4 CRS BSIV ENGINES
Service Manual

12.1 ENGINE START / STOP PROCEDURE To warm up the engine

Before starting ensure that the gear is in neutral position - Switch ON the ignition
and the parking brake is applied.
- Do not depress the accelerator pedal.
To reduce transmission drag on cold vehicles, depress
the clutch pedal. - Crank engine (10 seconds maximum) until it starts.

If it is required to start the vehicle in a garage or - Check oil pressure minimum 0.5kg/cm2 at Idling.
workshop, ensure that adequate ventilation is provided.
- After starting the engine proceed slowly and keep
Engine Start Procedure engine at average speed untill normal temperature
is reached.

BY THIS METHOD IT IS POSSIBLE TO OBTAIN:

- Optimum oil flow throughout the lubrication

T
circuit

- Exhaust gases within the specified limit.

- Fuel economy.
1 Accelerator
AF 2 Brake
3 Clutch

1. The ignition switch is provided in the steering


column. Insert the ignition key in the ignition
switch, turn clockwise for 24 V supply to vehicle
electricals & EDC system. Leave 15 - 20 secs
before cranking the engine.

2. Turning this key further will crank the engine. After


R
starting the engine release the key immediately to
avoid any starter motor damage.

Engine Stop Procedure

To stop the engine turn the ignition key anticlockwise.


Wait for 10 seconds to completely switch off the engine.
D

Do’s and Don’ts:

- Idle the engine always about 2 mins after starting


and before switching off the engine.

- Do not switch-off the engine through engaging the


gears and brake.

- Do not operate the starter motor for more than 10


sec. continuously. Wait for 30-60 Seconds before
trying again.
12.2

Input Sensors / Switches Electronic Control Unit Output Actuators / Lamp


EDC 16
Crank Speed Sensor
Metering Unit
Signal Inputs / Signal Evaluation (Proportional
Cam Speed Sensor Control Valve)
Signal Processing &
Coolant Temp Sensor
D Quantity Calculation (Torque
Structure)
Injectors
Rail Pressure Sensor (Both
Injection Control (Fuel Quantity
SENSORS AND ACTUATORS

Quantity &
/ start of Injection / Pilot
Timing)

Engine
Boost Temp & Injection & Timing)
Pressure Sensor
RRail pressure Control
(FOR NEPTUNE 4 CYLINDER ENGINE)

Oil Temp & Pressure Diagnostic Lamp


Sensor

EGR Valve
EGR Position Sensor
EGR Shut off Valve
Accelerator Pedal
Sensor

Brake Switch
AF
Clutch Switch

Vehicle
Vehicle Speed Sensor
Dashboard Switches
Service Manual
EDC 17 SYSTEM FOR NEPTUNE N4 CRS BSIV ENGINES

ALTC/VEE/EDC / 19Sep2011
T 6
12.07
12.08 EDC 17 SYSTEM FOR NEPTUNE N4 CRS BSIV ENGINES
Service Manual

Continuity checking for sensor with respect to ECU side connector


Note:
• Remove sensor side connector & ECU side connector also.
• If carefully seen we can find numbers written (Example 1 2 3) on the sensor connector.
• There are three types of ECU connectors one big and one small in size and one for Engine interface connector.
Refer Below sketches.

H13
ECU (K)
94 POLE ASSY ECU CONNECTOR
19002829
Black

T
94 72 50 28

60
93 71 49 27
92 70 48 26
91 69 47 25
90 68 46 24
89 67 45 23
88 66 44 22
87 65 43 21
86 64 42 20
85 63
84 62
41 19
40 18
AF
46
83 61 39 17

ECU (A)
82 60 38 16
81 59 37
36 14
15 H−14
80 58
79 57 35 13
78 56 34 12 5 94
77 55 33 11
76 54 32 10
75 53 31 9

45 44 43 42 41 40 39 38 37 36 35 34 33 32 31
60 59 58 57 56 55 54 53 52 51 50 49 48 47 46
30 29 28 27 26 25 24 23 22 21 20 19 18 17 16
CON 284742−60F

15 14 13 12 11 10 9 8 7 6 5 4 3 2 1
74 52 30 8
13500680

73 51 29 7

6 4 2
5 3 1
R
Big Connector (K type connector) Small Connector (A type connector)

N−4
W/H EDC−Engine
(External)
D

60002982:HSG 62 P MCP RECP

62600679
COVER 62 WAY F HOUS

1 60

Engine Inteface Connector (A type connector)


EDC 17 SYSTEM FOR NEPTUNE N4 CRS BSIV ENGINES
12.09
Service Manual

12.2.0 BOOST PRESSURE & TEMP SENSOR Fault Path


DTC code Description
(Hand held
diagnostic
tool)
P0112 Boost temperature sensor signal
voltage below lower limit
P0113 Boost temperature sensor signal
voltage below upper limit
P0235 Boost Pressure sensor low plausibility
error
Function and Working P0236 Boost Pressure sensor High plausibility
This sensor is mounted on the intake pipe and used error
to measure the absolute intake-manifold pressure.
On the version with integral temperature sensor, the P0237 Boost pressure sensor signal voltage

T
temperature of the drawn-in airflow is also measured. below lower limit
The piezo-resistive pressure sensor element and a P0238 Boost pressure sensor signal voltage
suitable circuitry for signal amplification and temperature below upper limit
compensation are integrated on a silicon chip. The
measured pressure operates from above to the active Effect of fault in Vehicle
side of the silicon diaphragm. Between the backside
AF
and a glass socket a reference vacuum is enclosed. The
temperature sensor element is an NTC-resistor. By a
suitable coating process the pressure and temperature
sensor are resistant against vapors and fluids existing
- No torque/ RPM reduction but without this input to
ECU, smoke limitation function will not be active
results mild smoke & pick up loss.

Possible cause of fault and Service


in the intake-manifold. Recommendation:
Installation: - Refer Trouble shooting using Error code / Blink
code.
a) The pressure sensor package is inserted into the
intake manifold and is sealed by using an O-ring, Circuit Diagram:
ensuring leak proof. Smear lubricant on O-ring
(non -acid paraffin oils) during fitment. 1 Ground
R
b) Maximum tightening torque of screws : 6 to10 Nm

Specifications : 2 Temperature
- Measuring range Pressure : 50 ……. 350 kpa
- Temperature : -40 …… 130 °C Pressure 3 +5 V
- Supply voltage : 5V DC Sensor
D

Boost pressure sensor location:


4 Pressure

BOOST PRESSURE SENSOR Pin configuration & Connection Details:

A 42
29
30 A 27
31 A 09
32
A 43

Boost Pressure & Engine ECU (A)


Temperature Interface Connector
AIR INTAKE SYSTEM Sensor Connector
12.10 EDC 17 SYSTEM FOR NEPTUNE N4 CRS BSIV ENGINES
Service Manual

Circuit diagram:

E K61 1 - A

K45 2 - C

K62 3 - B Accelerator
Pedal
C K83 4 - F Module

K44 5 - D

K84 6 - E
U

Continuity check:

T
Connect Multimeter across connector pins 2 and 1,the
resistance should be beyond the limit of 2.056k Ω C
(1.990kΩ to 2.123k Ω) at 25˚C.
A
12.2.1 ACCELERATOR PEDAL SENSOR
Function and working: B
AF
The Sensor serves to measure demand from the
driver and communicates to the ECU. It detects the
pedal position by means of potentiometer sensor and
transfers this information to the ECU in terms of Voltage.
It consists of two potentiometer sensors for measuring
D

E
the position of accelerator pedal module from 0% travel
position to 100% travel position. The second sensor is PIN PURPOSE PIN PURPOSE
incorporated as redundant and reports error in case of
K45 V_V_5V_APP1 K44 V_V_5V_APP2
malfunction of the first sensor. Voltage across redundant
sensor is almost half of the first sensor. K61 I_A_APP1 K83 I_A_APP2
Installation: K62 G_R_APP1 K84 G_R_APP2

The accelerator pedal sensor is mounted on accelerator Pin Configuration & Connection Details
pedal module as shown in the figure page no.12.09
R
Tightening torque of the retaining screws: 9 Nm.
Specification:
Operating voltage : 5 V DC
Temperature range : - 40 to 80°C
Fault Path
Pin 1, 2 & 3 Main Sensor
D

Pin 4, 5 & 6 Redundant Sensor


DTC code Description
(Hand held
diagnostic tool)
P0122 Accelerator pedal sensor 1 signal
voltage below lower limit
P0123 Accelerator pedal sensor 1 signal
voltage above upper limit
P0222 Accelerator pedal sensor 2 signal
voltage below lower limit
-
P0223 Accelerator pedal sensor 2 signal
voltage above upper limit
P1421 Diagnostic fault check to report the Metripack Male Metripack Female
accelerator pedal position error
Pin A, B & C Main Sensor
P2135 Non-plausibility error between APP1
& APP2 Pin D, E & F Redundant Sensor
EDC 17 SYSTEM FOR NEPTUNE N4 CRS BSIV ENGINES
12.11
Service Manual

ACCELERATOR PEDAL MODULE

T
1. Roller
2. Roller Shaft
3. Tradle Pin
4. Bush
5. Nut
AF 6. Sensor
7. Mounting Screws
8. Wiring Harness
9. Tradle Cover
FLOOR MOUNTED (FOR NON U-TRUCK)
R
D

1. Sensor mounting
screws
2. Sensor
3. Nut
4. Body
5. Fixed plug
6. Rocker
7. Lever arm
8. Bracket
9. Screw
10. Spring outer
11. Spring inner
12. Wear Liner
13. Shaft
16. Wiring Harness

PENDANT TYPE (FOR U-TRUCK)

Check continuity at wiring harness. If error occurs replace APM and check again.
12.12 EDC 17 SYSTEM FOR NEPTUNE N4 CRS BSIV ENGINES
Service Manual

12.2.2 CRANKSHAFT SPEED SENSOR Effect of fault


Engine RPM limited to 1900 if crank sensor fails / WH
problem.
Long starting time and Engine starts & runs with cam
shaft sensor signal
Possible cause of fault and Service recommendation
Refer Chapter: Trouble shooting using error code / Blink
code
Circuit Diagram

Function and working:


Crankshaft speed sensor is an reluctance type. The 25 A54
Crank shaft speed sensor is mounted on the cylinder
block. The sensor works on Magnetic induction principle.

T
The tooth space on the crankshaft trigger wheel causes
a change in magnetic flux thereby generating output
24 A39
pulses, the frequency of which determines the speed.
Engine Speed Engine ECU (A)
Installation:
Sensor Interface Connector
Connector
AF A54 - (+ve), A39 - (-ve)

CRANK SHAFT SENSOR


N
Smear grease on the O ring of the Crankshaft Sensor
and insert the sensor on the respective hole in the
S
R
cylinder block with the help of M6 screw (as shown in
the figure).
The sensor is to be mounted in an angle to the surface of
the cylinder block. It sensing the speed using respective
slots on the Trigger wheel fitted in crankshaft.
Pin Configuration & Connection Details
Do not use force / Hammer to fit the sensor. After Fitment
D

ensure seating of the sensor mounting face.


Tightening torque of the mounting Screws: 6 - 10 Nm.
Specification:
Resistance : 860 Ohm ± 10% (774 to 946) at 20 °C
Air gap : 0.3 …. 1.8 mm
Fault Path
Error code Description
(Hand held
diagnostic tool)
P0337 Crank shaft sensor signal Error - No
signal
P0336 Crank shaft sensor signal Error - Continuity check:
Disturbed signal
Connect pins 1 and 2 of the connector to a multimeter
P0016 Camshaft to Crankshaft offset angle
and check for the resistance of the coil. The resistance
exceeded
should be beyond the limit of 860 Ω ±10% (774 to 946 )
EDC 17 SYSTEM FOR NEPTUNE N4 CRS BSIV ENGINES
12.13
Service Manual

12.2.3 CAMSHAFT SPEED SENSOR Effect of fault:


Engine RPM limited to 1900 if crank sensor fails / WH
problem.
Long starting time and Engine starts & runs with cam
shaft sensor signal
Possible cause of fault and Service
Recommendation:

Refer Chapter: Trouble shooting using error code / Blink


code

Circuit Diagram
Function and working:
Cam speed sensor is Reluctance type. The Cam shaft
sensor is mounted on the cylinder head. The sensor works A52

T
on Magnetic induction principle. The tooth space on the
crankshaft trigger wheel causes a change in magnetic
34
flux thereby generating output pulses, the frequency of 35
which determines the position. The crankshaft position A37
signal combined with camshaft position signal indicates
the cylinder that is on compression and the ECU can
Cam Speed Engine ECU (A)
Interface Connector
AF
determine from its programming the engine firing order.
Cam sensor is used to synchronize with crank speed
sensor while starting the engine & back up for crank
sensor while engine is running.
Sensor
Connector

Installation:

S
R
Pin Configuration and Connector Details
Smear grease on the O ring of the Camshaft Sensor and
insert the sensor on the respective hole in the cylinder
head with the help of M6 screw (as shown in the figure).
D

Specification:
Resistance : 860 Ohm ± 10% (774 to 946) at 20ºC
Air gap : 0.3 …. 1.8 mm
Fault Path
Error code Description
(Hand held
diagnostic tool)
P0016 Camshaft to Crankshaft offset angle Continuity check:
exceeded
Connect pins 1 and 2 of the connector to a multimeter
P0341 Cam shaft sensor signal Error -
and check for the resistance of the coil. The resistance
disturbed signal
should be beyond the limit of 860 Ω ±10%(774 Ω to
P0342 Cam shaft sensor signal Error - no 946 Ω)
signalEffect of Fault
12.14 EDC 17 SYSTEM FOR NEPTUNE N4 CRS BSIV ENGINES
Service Manual

12.2.4 METERING UNIT Effect of Fault

Failure in metering unit system - 40% Torque limitation.


PRV open or Rail pressure limitation to 800-1000 bar in
all engine operating range.
Possible cause of fault and Service
Recommendation:
Refer Chapter: Trouble shooting using error code / Blink
METERING UNIT code

Circuit Diagram:
Function and working:
It is mounted on the FIE and it regulates fuel from
low pressure circuit to rail as per engine quantity and
pressure requirement defined in the ECU. It is controlled
A19
A04

T
by PWM signal from the ECU.
20
Fuel metering unit( MeUn) is used to regulate the fuel
delivery to common rail with the input of Rail pressure 21
sensor (closed loop system). A49
A05
Fault Path Metering Engine ECU (A)
Interface Connector
Error Code
(Hand held
diagnostic tool)
AF
Metering
Description

unit (ECU) Over


Unit
Connector

P1103
temperature error Pin Configuration and Connector Details
Maximum negative rail pressure
deviation with metering unit on
P1106
lower limit is exceeded (Actual Rail
pressure exceeded the set point)
Leakage is detected based on
fuel quantity balance (Leakage is
P1109
detected based on Metering unit
R
flow volume exceeded the set point)
Intermittent contact between ECU
P1116
and Metering Unit
Setpoint of metering unit in idle
P1117
mode not plausible
Metering unit high side short circuit
P1119
D

to battery error
Metering unit high side short circuit
P1120
to ground error
Metering unit output short circuit to
P1121
battery error
Metering unit output short circuit to
P1122
ground error
Setpoint of metering unit in overrun
P1126
mode not plausible
P0096 Metering unit output open load error
Faults for checks in MeUn controlled
mode - maximum positive deviation
P0088
of governor exceeded concerning
set flow of fuel
EDC 17 SYSTEM FOR NEPTUNE N4 CRS BSIV ENGINES
12.15
Service Manual

12.2.5 INJECTORS P0215 Injection cut off demand from ECU


Injector 1 - Short circuit between
P0261
positive and negative
P0262 Injector 1 general short circuit
MOUNTING BOLT Injector 2 - Short circuit between
P0264
positive and negative
P0265 Injector 2 general short circuit
Injector 3 - Short circuit between
WASHER P0267
positive and negative
P0268 Injector 3 general short circuit
Injector 4 - Short circuit between
P0270
INJECTOR CLAMP positive and negative
P0271 Injector 4 general short circuit
Injector 5 - Short circuit between

T
P0273
positive and negative
P0274 Injector 5 general short circuit
Injector 6 - Short circuit between
P0276
positive and negative
P0277 Injector 6 general short circuit
AF INJECTOR
P1411
ECU/Injector Defective - Loss of
synchronization sending bytes to
the MM from CPU.
ECU/Injector Defective - Wrong set
P1412
response time
ECU/Injector Defective - Too many SPI
P1413
errors during MoCSOP execution.
ECU/Injector Defective - Diagnos-
P1415 tic fault check to report the error in
undervoltage monitoring
ECU/Injector Defective - Diagnostic
P1416 fault check to report that WDA is not
R
working correct
COPPER WASHER ECU/Injector Defective - OS timeout
P1417 in the shut off path test. Failure set-
ting the alarm task period.
Function and Working of Injector terminal
ECU/Injector Defective - Diagnostic
- Solenoid injector will deliver the calculated fuel & P1419 fault check to report the timeout in
D

pressure into the engine with respect to engine the shut off path test
operating range based on electrical input from ECU/Injector Defective - Diagnos-
ECU. P1420 tic fault check to report the error in
overvoltage monitoring
Fault Path - NEPTUNE 4 & 6 CYLINDER
ECU/Injector Defective - DFC to set
Error Code a torque limitation once an error is
P1431
(Hand held Description detected before MoCSOP’s error
diagnostic tool) reaction is set
P0201 Injector 1 open load ECU/Injector Defective - Diagnostic
P1432 fault check to report that the posi-
P0202 Injector 2 open load tive test failed
P0203 Injector 3 open load
Effect of Fault on Vehicle
P0204 Injector 4 open load
RPM limited to 1900 if injector system fails.
P0205 Injector 5 open load
P0206 Injector 6 open load Severe engine hunting, pick up loss & vibration will be
observed if more injectors system is disconnected
P1342 Bank 1 application dependant error
12.16 EDC 17 SYSTEM FOR NEPTUNE N4 CRS BSIV ENGINES
Service Manual

Possible Cause of Fault and Service instruction:

Refer Chapter: Trouble shooting using error code / Blink code

Circuit Diagram

NEPTUNE 4 CYLINDER

3 3 A33
Cylinder 1
Injector 4 4 A16

13 11 A32
Cylinder 2
Injector A02
14 12

T
9 9 A31
Cylinder 3
Injector A01
10 10

11 5 A47
Cylinder 4
Injector
AF Injector Terminal
12
Engine
14 Pin Round
6
Engine
interface
Connector (IWC) Connector (IC)
A17
ECU (A)
Connector

NEPTUNE 6 CYLINDER

1 3 A33
Cylinder 1
Injector 2 4 A16

5 7 A48
Cylinder 2
Injector 8 8 A18
R
3 5 A47
Cylinder 3
Injector 4 6
A17

13 13 A46
Cylinder 4
Injector 14 14 A03
D

Cylinder 5 9 9 A31
Injector
10 10 A01

Cylinder 6 11 11 A32
Injector 12 12 A02

Engine Engine ECU (A)


Injector
14 Pin Round Inter Connector
Terminal
Connector (IWC) connector (IC)

Service Recommendation

- Physically check for any loose connection of the Injector terminal.

- Check for physical contact of injector terminal or wiring harness short with each other.

- Check for continuity of the injector terminal with ECU side connector as per terminal Diagram
EDC 17 SYSTEM FOR NEPTUNE N4 CRS BSIV ENGINES
12.17
Service Manual

12.2.6 COOLANT TEMPERATURE SENSOR Circuit Diagram

A28
27
28
A29

Coolant Engine ECU (A)


Temp Interface Connector
Sensor Connector

Pin Configuration & Connection Details


Function and working:

It is a thermistor, mounted on coolant return line to


measure the coolant outlet temperature. It’s based on
NTC (NTC = Negative Temperature Coefficient) principle
which when exposed to external heat, resistance drops
drastically and, provided the supply voltage remains
constant, their input current climbs rapidly. This property
can be utilized for temperature measurement

Installation

Tightening torque : 20 - 25 Nm

Specifications

Temperature range : - 40 to 130°C Continuity Check:

Rated voltage : Operation by pull up resistance Connect a multimeter across the two terminals and
of 2.056k Ω (1.940k Ω to 2.173k measure the resistance across it. It should show a
Ω) at 25˚C. resistance beyond the limit of 2.056k Ω (1.940k Ω to
2.173k Ω)at 25˚C.
Fault Path
12.2.7 OIL PRESSURE & TEMPERATURE
DTC code Description
(Hand held SENSOR
diagnostic tool) Function and working:

P0118 Coolant temperature sensor signal This sensor is mounted on the Oil Cooler Module
voltage above upper limit and used to measure the absolute Oil pressure. On
P0117 Coolant temperature sensor signal the version with integral temperature sensor, the
voltage above lower limit temperature of the oil is also measured. The piezo-
Effect of fault resistive pressure sensor element and a suitable circuitry
for signal amplification and temperature compensation
- In case of sensor failure, Engine RPM limited to
are integrated on a silicon chip. The active surface
1900 if Coolant sensor fails/ WH problem.
of the silicon chip is exposed to a reference vacuum,
- 80% torque reduction if both Coolant & Oil that is formed by an evacuated kind of a TO-housing.
temperature sensor systems fails The vehicle will
The pressure is lead up by a pressure nozzle to the
run in a reduce power mode.
back side of the diaphragm, which is resistant to the
Possible cause of fault and Service instruction: measured medium. The temperature sensor element is
Refer Chapter: Trouble shooting using error code / Blink a NTC-resistor.
code
12.18 EDC 17 SYSTEM FOR NEPTUNE N4 CRS BSIV ENGINES
Service Manual

Installation: 2. 80% torque reduction if both Coolant & Oil


temperature sensor systems fails
Smear grease on the O ring of Oil temp and pressure
Possible cause of Fault and Service
sensor. Place the sensor on the mounting hole provided
Recommendation:
on the Oil cooler alumimum housing (As shown in the
figure) Refer Chapter: Trouble shooting using error code / Blink
code
Tightening torque : 11.5 Nm
Circuit Diagram
Specifications:
1 Ground
Measuring range
Pressure - 50 ……. 600 kpa
Temperature - 40 …… 130 °C 2 Temperature
Supply voltage - 5V DC

T
Rated voltage Pressure 3 +5 V
and current - For Temperature sensor:
Sensor
Operation by pull up resistance 4 Pressure
of 2.056k Ω (1.990k Ω to 2.123k
Ω) at 25˚C.

AF
For Pressure sensor: 0.87V at
ambient pressure =101kPa
1
2
43 A57
Fault Path: 44 A59
3
45 A24
DTC code 4
(Hand Held 46 A44
Description
diagnostic
tool) Oil Temperature Engine ECU (A)
and pressure Sensor Interface Connector
Oil Temperature sensor signal voltage
P0197 Connector
below lower limit
R
Oil Temperature sensor signal voltage
P0198
above upper limit
Oil pressure sensor signal voltage Pin Configuration and connection details
P0522
below lower limit
Oil pressure sensor signal voltage
P0523
above upper limit (OIL PRESSURE AND TEMPERATURE SENSOR )

Minimum oil pressure error in


D

P0524
plausibility check
P1500 Oil Pressure lamp open load error
Oil Pressure lamp short circuit to
P1501
battery error
Oil Pressure lamp short circuit to
P1502
ground error
ECU Defective - Oil Pressure lamp
P1517
over temperature error
Maximum oil pressure error in
P1700
plausibility check
Continuity Check:
Effect of fault in Vehicle
Connect multimeter across connector pins 2 and 1,
the resistance should be beyond the limit of 2.056k Ω
- Failure in Oil pressure sensor system - 40% Torque
(1.990k Ω to 2.123k Ω) at 25˚C.
limitation + RPM limited to 1900
- Failure in Oil temperature sensor system:
1. Engine RPM limited to 1900
EDC 17 SYSTEM FOR NEPTUNE N4 CRS BSIV ENGINES
12.19
Service Manual

12.2.8 RAIL PRESSURE SENSOR P1108 Maximum rail pressure exceeded

P1118 Rail pressure raw value is intermittent

P1123 maximum rail pressure exceeded


(second stage)

P1125 Rail pressure droped below required


minimum rail pressure

P1136 Averaged rail pressure is outside the


R expected tolerance range
Rohm
P1429 Diagnostic fault check to report the
plausibility error in rail pressure

T
monitoring
Function:
P2290 Check of minimum rail pressure
Rail pressure sensor is used to measure and maintain
the required fuel pressure inside the common rail.

- Stainless steel diaphragm with strain gauges in Possible Causes of Fault and Service

-
AF
metal thin film technology

Electrical circuit with analog output


Recommendation:

Refer Chapter: Trouble shooting using error code / Blink


code
- Piezo resistor type pressure sensor
Circuit Diagram:
- Range up to 1800 bar abs

Effect of fault in Vehicle:

Failure in Rail pressure sensor system - 40% Torque 36 A25


limitation & Rail pressure limitation to 800-1000 bar in 37
R
A26
all engine operating range 38 A07
Fault Path

DTC code Description Rail Pressure Engine Interface ECU (A)


Sensor Connector Connector
(Hand held
D

diagnostic tool)

P0192 Rail Pressure Sensor signal voltage


below lower limit

P0193 Rail Pressure Sensor signal voltage


above upper limit

P1104 Maximum positive deviation of rail


pressure exceeded (Actual Rail
pressure below the set point)

P1106 Maximum negative rail pressure


deviation with metering unit on lower
limit is exceeded (Actual Rail pressure
exceeded the set point)
12.20 EDC 17 SYSTEM FOR NEPTUNE N4 CRS BSIV ENGINES
Service Manual

12.2.9 EGR ACTUATOR Long time EGR valve


P1211
Function and working: drift at closed position
Long time EGR valve
EGR actuator is to control the engine EGR ratio precisely P1212
drift at open position
for controlling & ensure the required amount of exhaust
Short time EGR valve
gas input to engine as applied. It is an Electro magnetic P1213
drift at closed position
Solenoid type.
Short time EGR valve
P1214
Installation: drift at open position
Effect of fault
No torque / Speed reduction but Fuel consumption
& emission on vehicle will be affected without EGR
function.

Possible cause of fault and Service recommendation


Refer Chapter: Trouble shooting using error code / Blink

T
code

Circuit Diagram

A45
AF
Place the Norgren Valve ( EGR actuator valve) on the
rear hanger by 3 nos of M8 bolts.
1 17
18
Tightening torque of the mounting Screws: 29.5 Nm.
2 A35
Fault Path:
EGR Engine ECU (A)
Error code (Hand held
Description
Actuator Interface Connector
diagnostic tool) Connector
Permanent governor
P0401
deviation for EGR valve
R
Permanent governor Pin Configuration & Connection Details
P0402
deviation for EGR valve
EGR Valve Current
P0404
limited
EGR Valve Open load
P0487 1
error 2
D

EGR Valve short circuit


P0489
to ground error
EGR Valve short sircuit
P0490
to battery error
ECU Defective - EGR
P1201 Valve Over temperature
error
EGR valve drift at closed
P1202
position
EGR valve drift at open
P1203
position 2 1
EGR valve operating
P1204
range drift
EGR valve jammed at
P1205
open position
EGR valve jammed
P1206
at closed position
EDC 17 SYSTEM FOR NEPTUNE N4 CRS BSIV ENGINES
12.21
Service Manual

Continuity Check: Possible cause of fault and Service recommendation


Refer Chapter: Trouble shooting using error code / Blink
Connect terminals 1 and 2 of the EGR actuator to a code
multimeter and check for the resistance of the coil. The
resistance should be beyond the limit of 30 Ω ± 10% at Circuit Diagram
20°C (27 Ω to 33 Ω)

12.2.10 EGR VALVE POSITION SENSOR:

Function and working:


52 A40
51 A12
50 A22

EGR Valve Engine Interface ECU (A)


position Connector Connector

T
Sensor

EGR VALVE POSITION SENSOR


Pin Configuration & Connection Details
AF
EGR actuator position sensor is used to regulate the
EGR opening range/ratio to engine intake. It us an
Permanent magnetic Linear Contactless Displacement
Sensor

Fault Path:
3 2 1 2 3
Error code (Hand held
Description
diagnostic tool)
EGR Valve position sen-
P0405 sor signal voltage below
R
lower limit
EGR Valve position sen- Continuity Check:
P0406 sor signal voltage above
upper limit - Connect 5V supply to the sensor Pin3 (supply) to
pin1 (ground).
EGR valve position sen-
P0407 sor signal physical range - Check the voltage between signal (Pin2) respect
D

voltage below lower limit to ground (Pin1).


EGR valve position sen-
- (Measured voltage should be beyond the limit of
P0408 sor signal physical range
0.6V to 0.8V)
voltage above upper limit
EGR shut off valve Open
P1207
load error
ECU Defective - EGR
P1208 shut off valve Over tem-
perature error
EGR shut off valve Short
P1209
circuit to battery error
EGR shut off valve Short
P1210
circuit to ground error
Effect of fault
No torque / Speed reduction but Fuel consumption
& emission on vehicle will be affected without EGR
function.
12.22 EDC 17 SYSTEM FOR NEPTUNE N4 CRS BSIV ENGINES
Service Manual

12.2.11 VEHICLE SPEED SENSOR 12.3 SWITCHES

Function and working: 12.3.0 BRAKE SIGNAL SWITCH

Function and working:


Working on proximity principle, produces 6 or 8 pulses
per revolution, pulse output is used for calculating the The switch is of electro-pneumatic type. Switch is
distance travel and speed of the vehicle. mounted on the dual-control brake valve. It indicates
the altered voltage level from the switch and output is
Installation: fed to ECU as information. Switch operates for pressure
greater than 0.5 Bar. This information is used by the
Vehicle speed sensor is mounted on the gearbox at ECU to activate the limp home mode in case of defective
accelerator pedal sensor (Pedal stuck - Pressing brake
speedo drive output shaft.
implies this condition).
Specifications: Installation:

Operating Voltage : 9 to 32 V Ensure there is no air leak after fixing.

T
Supply Current : 18mA max Tightening Torque: 15 - 18 Nm

Specifications:
Output Signal : V Bat - 1.5 V
Four Terminals with NC and NO Contact
Circuit Diagram

ECU PIN
AF Supply & Output Voltage : 24VDC

Pin Configuration & Connection details and Circuit


Diagram

K11 -ve
Vehicle I_S_BRKMN Brake Main
Switch
K34 A1 (Signal) K 41
Speed
+ve Sensor ECU
PIN
K68
Battery +ve K 14
I_S_BRKREDOP Redundant
Brake Switch
R
12.3.1 CLUTCH SIGNAL SWITCH
Pin Configuration & Connection details :
Function and working:

A1 A2 It is mounted on the clutch pedal to detect whether


clutch is pressed or not.
D

Installation:

Ensure correcting setting of the switch makes positive


opening and closing of the contact in the switch.

Pin Configuration & Connection details and Circuit


Diagram

I_S_CONV
ECU PIN K 15 K68
EDC 17 SYSTEM FOR NEPTUNE N4 CRS BSIV ENGINES
12.23
Service Manual

12.4 DIAGNOSTIC LAMP AND REQUEST The following counters can be read through diagnostic
SWITCHES tester:

Function and Working 1. Water Detection counter: No of times Vehicle


switched off and restarted without water in bowl
Diagnostic lamp is provided on the dashboard. In event emptied
of any errors reported by the ECU in course of operation
of the vehicle, the diagnostic lamp glows, indicating that 2. Water Detection Duration: Duration in seconds
there are errors reported in the system and recorded by for which the vehicle runs and Sensor detects
the ECU. Only selected errors (which can have a direct water
effect on the engine / vehicle performance) are reported
to the diagnostic lamp. These counters should be reset (through diagnostic
tester) after draining the water from the water separator
Depending on the criticality of the error reported, the bowl.
ECU could either switch off the engine or change to
limp home mode. Details of the errors can be viewed
with the help of the diagnostic tool or using diagnostic

T
request switch with the help of blink code.
24 V Supply Via SA FUSE
Diagnostic lamp is only an indicator of
any error reported. 1 1
NOTE 1
3 Pole Water In
K36 2 Intermediate
ECU 2 2 Fuel
Pin Configuration & Connection details and Circuit
(Optional) Sensor

Diagram
AF
O_V_DIA Diagnosis Lamp
K21 3 3 3

K70
ECU PIN
X
K65 Water in Fuel Lamp
Diagnosis Water in fuel lamp is provided on the dashboard. Water
Request Input
Switch in fuel sensor is a part of pre-filter which senses the
I_S_DIAREQ 24 V Supply water level in diesel. When the predefined threshold
ECU PIN K66
exceeds, the Water in fuel lamp starts blinking indicating
the excess amount of water in diesel and brings a need
for draining the water in pre-filter. Excess water in
R
the fuel system could damage precision fuel injection
12.4.1 WATER IN FUEL SENSOR AND LAMP equipment and engine.
Water in Fuel Sensor Pin Configuration & Connection details and Circuit
Water-in-Fuel sensor is a part of the Fuel Pre-filter Diagram
and has a water collecting bowl in which the sensor is
mounted. As the water gets separated and collected in
D

the bowl, level of water in the fuel is used for identifying


the change in conductivity in turn gives a voltage output. Water in Fuel

X
O_S_WFLP Lamp
This is sensed by the ECU and water level threshold K92
is identified with the voltage threshold range as per ECU PIN
O_V_RH
specification and finalized after trials (partial, slow fill,
K89
gradient etc)

When the water level exceeds the threshold following


are the actions performed

- Indicate the driver that a critical error has occurred


which needs an immediate attention

- Torque reduction by 40%

- A Dedicated Tell-Tale lamp is made to


“BLINK”

- Error is assigned as high priority to store in ECU


memory for longer duration to be read by the tester
12.24 EDC 17 SYSTEM FOR NEPTUNE N4 CRS BSIV ENGINES
Service Manual

12.5 CAN BACKBONE

CAN – Controller Area Network is used for communication between the Electronic Control Units (ECUs) in the
vehicle. The advantages of CAN are,

1. Same sensor input can be used by different ECUs

2. One ECU can give control message to another in case of safety/emergency conditions

CAN backbone wire harness is used for this CAN communication. CAN backbone wiring layout of vehicle is given
below.

T
AF
Specific 3 way triangular connectors (Deutsch make) have been used in the CAN backbone wire harness.
R
Pin A – CAN high

Pin B – CAN low

Pin C – CAN shield


D

Terminating resistor 120 ohms has been used in the CAN backbone to ensure proper communication.
EDC 17 SYSTEM FOR NEPTUNE N4 CRS BSIV ENGINES
12.25
Service Manual

12.6 DIAGNOSTICS

ECU integrated diagnostics belong to the basic scope of


electronic engine -management systems. During normal
vehicle monitoring algorithms checks operation, input
and output signals and the overall system is checked for
malfunctions and faults. If faults are discovered in the
process, these are stored in the ECU memory. When
the vehicle is checked in the workshop, this stored
information is retrieved only by a diagnostic tool through
a serial interface and provides the basis for rapid and
efficient trouble shooting and to attend repair.

FOR PASSENGER MODELS


12.6.0 DIAGNOSTIC CONCEPT

T
Use diagnostic equipment tool for reading the Error
1. Using Diagnostic Tester
recorded in the ECU. The diagnostic socket is provided
2. Using Diagnostic request switch and Blink code beneath dashboard.

Diagnostic Connector and Circuit Diagram


12.6.1 DIAGNOSTIC TESTER
AF
R
FOR U-TRUCK MODELS Battery +ve
16
Diagnostic Connector
D

K2 4
E
14 Can Low
K76

5
C
K54 6 Can High

U
K59 7

FOR GOODS MODELS


12.26 EDC 17 SYSTEM FOR NEPTUNE N4 CRS BSIV ENGINES
Service Manual

Diagnostic connector Female (Wiring Harness side)

59

This is a 16 pin D type connector provided with cap for On Board Diagnostics (OBD II). Diagnostics tool / tester

T
with the mating connector to be plugged in to this 16 pin connector for trouble shooting, current data monitoring
and erasing the fault codes stored in the ECU memory.

Always ensure that the diagnostic connector is covered with cap when not in use.
CAUTION
AF
In case of no power supply to the diagnostic tester check the following

- Condition of 5 amp fuse on fuse and relay box

- Continuity of the wires between ECU and the diagnostic connector.

Once the defective circuit is identified with the help of the diagnostic tool, please refer the service instruction
pertaining to that sensor / actuator circuit.
R
D
EDC 17 SYSTEM FOR NEPTUNE N4 CRS BSIV ENGINES
12.27
Service Manual

Live Data
Sl.No Parameter Description Unit
Parameter Set 1
1 Epm_nEng Engine Speed rpm
2 Vehv_V Vehicle speed kmph
3 APP_rUnFlt Accelerator pedal Unfiltered value %
4 Injctl_qSetUnBal Injection qty - current mg/st
5 Injctl_qCurr Injection quantity - torque generating mg/st
6 Air_pIntkVUs Boost pressure hpa
7 EnvP_p Atmospheric pressure hpa
8 CEngDst_t Engine coolant temperature ºC
9 Oil_tSwmp Oil temperature filtered value ºC
10 Air_tCACDs Boost temperature filtered value ºC

T
11 Oil_pSensPSwmp Oil pressure filtered value hpa
12 Battu_U Battery voltage mV
13 EpmCas_nCas_mp Camshaft speed rpm
14 Epm_dnEng Engine Speed gradient rpm
15 EISGov_nSetPLo Low Idle Speed rpm
16

17
18
AF
Gbx_numgear

Railp_pFlt
Rail_pSetPoint
Gear number
Parameter Set 2
Rail pressure - actual
Rail pressure - setpoint
hpa
hpa
-

19 MeUn_iSet Metering unit set point current mA


20 MeUn_iActFlt Metering unit filtered actual current mA
21 MeUn_rPs Metering unit PWM signal output %
22 MeUn_dVolset Metering unit set volume flow mm3 / sec
23 Rail_stCtlLoop Rail pressure control loop status -
24 CoETS_rTrq Ratio of the torque to the max torque -
25 PthSet_TrqInrSet Final torque Nm
R
26 CoETS_stCurrLimActive Torque limitation status -
27 Injcrv_qMI1Des Main injection qty mg/st
28 Injcrv_qPiI1Des Pilot 1 injection qty mg/st
29 Injcrv_qPoI2Des Post 2 injection qty mg/st
30 ExhFlpLp_rPs Exhaust flap Duty Cycle to power stage %
Parameter Set 3
31 APP_uRaw1 Accelerator pedal 1 raw value mV
D

32 APP_uRaw2 Accelerator pedal 2 raw value mV


33 RailP_uRaw Raw voltage of Rail pressure mV
34 Air_uRawPIntkVUs Boost pressure sensor raw voltage mV
35 Air_uRawTCACDs Boost temperature sensor raw voltage mV
36 EnvP_uRaw Atmospheric pressure raw voltage mV
37 MeUn_uRaw Metering unit sensor output raw voltage mV
38 CEngDst_uRaw Engine coolant temperature raw voltage mV
39 Oil_uRawPSwmp Oil pressure sensor raw voltage mV
Parameter Set 4
40 EGRVlv_rPs EGR Proportional valve duty cycle %
41 EGRVlv_uRelPosOpn EGR raw voltage at open position mV
42 EGRVlv_uRaw EGR position sensor raw voltage mV
43 EGRVlv_rGovDesval EGR position - demand %
44 EGRVlv_rAct EGR position - actual %
45 EGRVlv_uRelPosClsd EGR raw voltage at closed position mV
46 EGRVlv_rActr EGR Governor+Duty cycle output %
12.28 EDC 17 SYSTEM FOR NEPTUNE N4 CRS BSIV ENGINES
Service Manual

Live Data
Sl.No Parameter Description Unit
Parameter Set 5
47 CoEng_st Engine operation status - Cranking/Start/Afterrun -
48 Epm_StSync Syncronization status -
49 Clth_stRaw Clutch status -
50 Brk_st Brake status -
51 Brk_stMn Brake status main -
52 Brk_stRed Brake status redundant -
53 T15_st Ignition status - On/Off -
54 Ebrk_stSwtRaw Engine Brake swtich signal raw value -
55 ErrLmp_stSVSReq SVS request status -
56 ErrLmp_stMILReq MIL request status -

T
57 GlwLmp_st Glow lamp status -
Parameter Set 6
58 AirC_stSwt AC switch status -
59 ACCtl_stOut Air conditioner On/Off Status -
60 Fan_nFlt Fan Speed filtered rpm
61
62
63
64
Fan_r
Fan_rPs
CrC_stPlusRaw
CrC_stMinusRaw
AF Fan speed setpoint
Fan duty cycle output
Cruise Control Plus Switch
Cruise Control Minus Switch
%
%
-
-
65 CrC_stOffRaw Cruise Control Off Switch -
66 CrC_stResRaw Cruise Control Resume Switch -
67 PTOSwt_uRaw PTO switch raw input voltage mV
68 PTOSwt_st PTO switch status -
Parameter Set 7
69 Flsys_VolFlConstot Fuel quantity - Cumulative
70 PRV_tiOpn_mp Total time PRV Closed minutes
71 PRV_ctOpn_mp Number of times PRV opened -
R
72 EngDa_tiOn Engine ON time - Cumulative sec
73 GlbDa_ltotdst Engine operation kilometer - Cumulative km
74 FlSys_WtDet (first 4 Bytes) Water in Fuel detection timer -
75 FlSys_WtDet (last 4 Bytes) Water in Fuel detection counter -
D
EDC 17 SYSTEM FOR NEPTUNE N4 CRS BSIV ENGINES
12.29
Service Manual

12.6.2 DIAGNOSTIC REQUEST SWITCH AND BLINK CODE

When the Diagnostic Lamp is 'Blinking' or continuously 'ON',

1. Press the Diagnostic Request Switch, hold for 3 - 5 seconds and release it.

2. The Diagnostic Lamp in the instrument cluster will start blinking in a pattern to show a blink code (refer
attached list - 1st digit at a higher interval & 2nd digit at a lower interval of time).

3. Repeat Step: 1 for the next error.

4. The blink code will be displayed for priority errors (up to 10) stored in the ECU error memory.

With the help of blink code and the vehicle behaviour, Diagnosis and fault finding is possible. Rectification of
particular error clears the error memory.

T
ERROR CODES AND BLINK CODES

Refer end of the manual for Error codes and Blink codes.
AF
R
D
12.30 EDC 17 SYSTEM FOR NEPTUNE N4 CRS BSIV ENGINES
Service Manual

12.7 EDC FAILURE REACTION FUNCTIONS


Various reaction in engine behaviour indicates the driver the possible malfunctioning or failure in the EDC sensors
and actuators or in the wiring harness. The table shown indicates the details of sensor failure and its effect on the
vehicle.

This functioning enables the vehicle to reach the nearest dealership point for service attention, incase of any
sensor failure / malfunctioning.

Sl.No Vehicle Reaction Possible Cause


Improper connectivity and Malfunctioning of below sensors and actuators
1. Crank speed sensor

Engine speed limited to 2. Cam speed sensor


1
1900 rpm 3. Oil temp sensor

T
4. Coolant temp sensor
5. Injector open load & short circuit between Injectors.
Improper connectivity and Malfunctioning of below sensors and actuators
1. Metering unit at fuel pump
2
AF
40% Torque reduction
2. Rail pressure sensor

3. Rail pressure set point deviation ±


Improper connectivity and Malfunctioning of below sensors and actuators
40% Torque reduction +
3 Engine speed limited to 1. Oil pressure sensor
1900 rpm
2. Water in fuel sensor - water detection
Improper connectivity and Malfunctioning of below sensors and actuators

4 80% Torque reduction 1. Both coolant and oil temp sensor failure
R
2. Low oil pressure in the system
Limp home - Engine speed
5 Both accelerator pedal (APP1 & 2) failure
limited to 1350 rpm
No response from accelerator
6 Any one accelerator pedal failure (APP1 / APP2)
pedal temporarily

7 Engine shut off Actual rail pressure exceeds 1890 bar


D
EDC 17 SYSTEM FOR NEPTUNE N4 CRS BSIV ENGINES
12.31
Service Manual

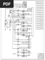
CIRCUIT DIAGRAM - RELAYS AND FUSES FOR CRS EDC 17 SYSTEM - EDC17CV54

T
AF
R
D

Sl. No. NAME DEVICE TYPE CURRENT RATING


1 F FUSE 30A
2 F1 FUSE 30A
3 F2 FUSE 5A
4 F3 FUSE 5A
5 F4 FUSE 5A
6 F5 FUSE 30A
FUSE F (S.NO.1) WILL BE AN INLINE FUSE IN THE
BATTERY POSITIVE CABLE FOR EDC SYSTEM
12.32 EDC 17 SYSTEM FOR NEPTUNE N4 CRS BSIV ENGINES
Service Manual

R−1
RELAY

1 4 7
2 5 8

T
3 6 9
AF Fuse Base 6 Way
60002512

O/P I/P

1 2

F−1 3 4

Fuse Base 5 6
R
7 8
9 10

11 12
D

60000608
Cross referance for Relay Base & Relay
Relay Ckt Diagram

Dwg View Relay Base Relay Pin

2 E 87
4 A 86
8 B 30
6 C 85 30 85 86 87 87a
EDC 17 SYSTEM FOR NEPTUNE N4 CRS BSIV ENGINES
12.33
Service Manual

12.8 INSPECTION OF PARTS & CONNECTIONS Assembly of EDC Engine Wiring Harness
AGAINST COMPLAINT
Assemble the bracket for intermediate connector on
Required Instruments: intake manifold.

a) Diagnostic Tool Step-1

b) Analog / Digital Multimeter

c) Test sockets with flying leads - If required. 1


Removal & Fitment of Sensors & Connectors

Electronic fuel injection equipment is used along with


sensors for precise control of injected fuel quantity. 2
B2
Common rail engines has the following electronic B1
components and sensors.
B3

T
Crankshaft Speed Sensor (Crs - DG6) - Mounted on
the LH side of Cylinderblock.
1. Interconnector bracket 2. Screws - 4nos
Camshaft Speed Sensor (CaS - DG6) - Mounted on
the rear side of the Cylinder head.
Assemble the intermediate connector of wiring harness
Rail Pressure Sensor (RDS4) - Integrated with
common rail
AF
Coolant Temperature Sensor (CTS) - Mounted on the
Water pump.
as shown above.

B1- Crank shaft sensor, Coolant Temperature sensor,


Oil pr & temp Sensors - (STEP 2 - STEP 8)

B2- Boost Pr & temp sensor, Rail pressure sensor, Cam


Oil Pressure and Temperature Sensor (OPTS) - shaft sensor , EGR valve position sensor - (STEP 9 -
Mounted on the Aluminum housing of Oil cooler unit. STEP 11)
Boost Pressure cum Temperature Sensor (LDFT6) - B3- Metering unit, Injector bulk head EGR actuator -
Mounted on intake manifold (STEP 12 - STEP 14)
Metering Unit (MeUn) - Integrated with FIP Step-2
Injector Solenoid connection - Integrated with
R
injectors.

EGR Actuator (EGRA) - Mounted on the Rear lift


hanger. this is other wise called as Norgren valve.
1
EGR valve position Sensor (EGRPS) - Integrated with
EGR.
2
D

Intermediate Connector - Fitted on a bracket (on


Intake manifold)

Above components on the engine are coupled with the


connectors in Engine Wiring Harness which terminates 1. Furr tree clip - 1no
at an Intermediate Connector. This is recoupled with the 2. WH Branch - B1
mating connector of Vehicle Wiring Harness.

Through Intermediate Connector sensors/ actuators on Press the head of the Furr Tree clip on the cylinder
engine are connected to Electronic Control Unit (ECU), block boss & tie the wiring harness branch. Clamp &
which is mounted on chassis Route the WH such that the WH do not slag / tight.

The fuel injection system is electronically controlled by


the ECU. It receives signal from the sensors on engine /
vehicle and actuates the Metering Unit and Injectors for
optimum fuel injection to achieve desired performance.

For satisfactory and safe operation of Electronic Diesel


Control System, proper connection of sensors, actuators
and wiring harness is necessary.
12.34 EDC 17 SYSTEM FOR NEPTUNE N4 CRS BSIV ENGINES
Service Manual

Step-3 Step-5

1 1

2 2
1. Crank shaft sensor WH branch 3
2. Crank shaft sensor 4
branch
5

T
Assemble the connector of crank shaft sensor WH
branch to Crank shaft sensor. Ensure that the WH
connector is properly locked on the sensor.
6

Step-4
7
1. Belt
AF 2.
3.
4.
5.
6.
7.
Machining pad
Branch of oil pressure & temp sensor
Brach of cooltant sensor
Clamp plate for wiring harness
Cable tie
Flange bolt

Mount the bracket on machining pad near exhaust


1 manifold using M8 flange bolt. Then tie both Coolant
temp & oil pressure sensors WH branches with bracket
by using the cable tie.
2
Assemble the connector of coolant sensor WH branch
to coolant Temperature sensor. Ensure that the WH
1. Furr tree clip - 2 nos 2. WH branch
R
connector is properly locked on the sensor. Ensure the
coolant temperature sensor WH branch is not fouling
Press the head of the Furr Tree clip on both M8 holes of with belt.
the engine hanger & cylinder head & tie the WH branch.
Clamp & Route the WH such that the WH do not slag Step-6
/ tight.
1
D

2
3

1. Coolant filter 2. Cable tie


3. Thermostat housing
EDC 17 SYSTEM FOR NEPTUNE N4 CRS BSIV ENGINES
12.35
Service Manual

Tie the Oil pressure and Temperature sensor branch to Step-9


the clamp provided in the thermostat housing using the
cable tie. Route the WH branch behind the coolant filter.
1
Clamp & Route the WH such that the WH do not slag / 2
tight. 3
Step-7 4
5
1
2
3 1. Rail pressure sensor
2. Rail pressure sensor WH branch
4 3. Pipe air compressor water supply
4. Pipe air compressor drain
5 5. Cable tie - 2 nos

T
Assemble the connector of Rail pressure sensor WH
1. TC drain pipe branch to rail pressure sensor. Ensure that the connector
2. Oil pressure & temperature sensor is properly locked on the sensor.
3. Oil cooler module
4. Cable tie Tie the wiring harness cable to Coolant pipes for air
5. WH branch
compressor using the cable ties and route behind the
AF
Tie the Oil pressure & Temperature sensor WH branch
to the oil cooler module using the cable tie. Route the
wiring harness branch behind the TC drain pipe.
coolant pipe. Clamp & Route the WH such that the WH
do not slag / tight.

Step-10
Assemble the connector of Oil pressure and temperature
sensor WH branch to Oil pressure and temperature 1
sensor. Ensure that the connector is properly locked on
the sensor. 2
Step-8

3
1
R
4
1. EGR valve position sensor WH branch
2 2. Pipe air compressor
3. Cable tie - 2 nos
4. Cam sensor

Assemble the connector of Cam sensor WH branch


D

to Cam sensor. Ensure that the connector is properly


locked on the sensor.
1. Boost pressure & temp sensor
2. Clamp - 1 no Tie the EGR valve position sensor WH branch to air
compressor coolant drain pipe using the cable ties.
Clamp & Route the WH such that the WH do not slag/
Remove the bolt of the inter connector bracket. Clamp
tight.
the Boost pressure & temperature sensor WH branch
by using clamp.

Re-tighten the same M8 bolt with torque of 21.6 Nm(±7%).

Assemble the connector of Boost pressure &


temperature sensor WH branch to Boost pressure &
temperature sensor. Ensure that the WH connector is
properly locked on the sensor.
12.36 EDC 17 SYSTEM FOR NEPTUNE N4 CRS BSIV ENGINES
Service Manual

Step-11 Step-13

1
2
3

4
5
6

1. WH Connector of EGR position sensor


2. Connector of EGR position sensor
3. Furr tree clip - 1no
1
4. Wiring harness - Pigtail of EGR position sensor
5. EGR Cooler module
6. EGR position sensor

T
Assemble the connector of EGR position sensor
WH branch to EGR position sensor. Ensure that the 2
connector is properly locked on the sensor.
3
Press the head of the Furr Tree clip cable tie on the
EGR cooler module and tie the wiring harness - pigtail 4
AF
of the EGR valve position sensor . Clamp & Route the
WH such that the WH do not slag / tight

Step-12
5

1
1. WH branch of Injector bulk
2 head & EGR actuator
2. To lock the connectors
(Clockwise rotation)
3 3. Internal WH 14 pole connector
4. Injector bulk head connector
5. To Unlock the connectors
R
4 (Anti clockwise rotation)
1. WH branch of Fuel metering unit
2. cable tie - 1 no
3. Fuel metering unit Route the WH branch of Injector bulk head & EGR
4. Fuel pipe pump to filter actuator back side of air compressor. Assemble the
connector of Injector bulk head WH branch with
the internal WH 14 pole connector. Ensure that the
Assemble the connector of fuel metering unit WH
D

connector is properly locked on the sensor.


branch to Fuel metering unit.
Assemble the connector of EGR actuator sensor WH
Tie the Fuel metering unit branch to fuel return pipe branch to EGR actuator. Ensure that the connector is
using the cable tie. Clamp and Route the WH such that properly locked on the actuators.
the WH do not slag / tight.
EDC 17 SYSTEM FOR NEPTUNE N4 CRS BSIV ENGINES
12.37
Service Manual

Step-13 12.9 GUIDELINES FOR CHECKING SENSORS


AND COMPONENT
1 1. Checking Voltage / Resistance at Component or
ECU End - Allowed with proper instrument & care.
2
2. Few test to be carried out with Ignition ‘OFF”/’ON’
3 and Engine running mode condition to confirm the
fault and after erasing the error.
4 3. Avoid Checking at ECU End. In case of utmost
1. WH branch of Fuel metering unit requirement ensure ECU body is always connected
2. cable tie - 1 no
3. Fuel metering unit to Starter Negative.
4. Fuel pipe pump to filter
4. Measure resistance of the sensor at the Connector

T
Assemble the connector of EGR actuator WH branch end and on the connector at the ECU end after
with EGR actuator. connecting the respective sensor. Given resistance
values are as measurable at the sensor end. While
Ensure that the connector is properly locked on the
actuator. measuring resistance at the ECU connector end
with sensors connected, the resistance of the wire
Step-14
AF 5.
will get accounted.

Care to be taken not to short the supply voltage /


Sensor Output with earth / Negative.
1
R
2

3
4
D

1. EGR actuator WH branch


2. To lock the connectors (Clockwise rotation)
3. EGR actuator connector
4. To Unlock the connectors (Anti Clockwise rotation)

Assemble the connector of EGR actuator WH branch


with EGR actuator.

Ensure that the connector is properly locked on the


actuator.
12.38 EDC 17 SYSTEM FOR NEPTUNE N4 CRS BSIV ENGINES
Service Manual

12.10 PRECAUTIONS FOR ELECTRONIC 2. Do not disturb/remove the connected DC negative


DIESEL CONTROL SYSTEM (EDC) connection of EDC system. DC negative is
DURING BODY BUILDING
connected at two places
Extreme care to be taken while assembling the body on
a) Chassis
the chassis with respect to the ECU.
b) Starter Motor Negative to Engine Block
General
3. Do not remove or cut wires of the EDC system
1. The ECU should be disconnected from the harness
wiring harness. No unprescribed extension or
and a dummy cap/cover with plastic bags should
intermediate joints are permitted.
be put on the ECU connector. There should be no
ingress of water through the wiring harness on the 4. Ensure fuse and connectors of the EDC system
ECU. power cable (closer to the battery cable terminal
ends) are kept inside the battery box.
2. The ECU as such should be covered in a box

T
so that if any washing is done, the ECU will be 5. To power ECU and the ECU system minimum 18
protected. Volts at battery is required.

3. Maximum cleanliness in the work area and the 6. Push start is possible when starter motor is not
tools should be employed . Check to see if the functioning properly and battery output is 18 Volts
ECU has become dirty during the body building is minimum.
AF
phase especially at the connector end and pins.
Use a soft clean & dry paint brush to remove the
dust.
7. Before connecting the engine wiring harness,
the battery terminals (Both positive and negative
terminals) are to be disconnected.
Ashok Leyland specific: 8. Make sure that the lock of the connectors are fitted
Ensure that the intermediate connector (supply +ve properly.
and -ve for ECU) between the DC to DC converter and 9. Clip/clamp the wiring harness every 500 mm.
wiring harness is properly locked and intact.

EDC System
Do’s and Don’ts for Body builders, Field service
Have a clear space in front of the EDC panel cover for
R
Do’s
easy removal and fitment of electrical/electronic parts
of EDC panel. 1. Reverse polarity protection: Care needs to be
taken while removing the battery connection
Instructions
during body building and reconnect the terminals
1. Before and during welding in correct polarity.
D

- Disconnect battery terminals (Positive and 2. Check the battery condition regularly and keep the
Negative terminals of 24V supply). batteries in healthy condition.
- Disconnect Two connectors of the ECU and have 3. Ensure proper connectivity of ECU/Sensor
the panel cover refitted. connectors with wiring harness.
- Avoid falling of hot weld spatters on wiring harness, 4. Keep the ignition “Switch Off” while removing/
sensors and Accelerator Pedal Module. reconnecting the battery connections in the
- Do not use Accelerator Pedal as a support during vehicle.
body building. 5. Correct tightening torques should be used for
- Avoid falling of any sharp/Heavy objects on the mounting the ECU and other electrical/electronic
accelerator pedal module and its connecting wire. parts on EDC panel. 8 ± 2 Nm torque (M6 - 8.8 Gr).

- Do not disturb the clamps of EDC system wiring 6. Connectors of the ECU must be connected or
harness unless it is very essential, but ensure it is disconnected only when the power is switched off/
replaced/refitted properly. ignition switch is in off position.
EDC 17 SYSTEM FOR NEPTUNE N4 CRS BSIV ENGINES
12.39
Service Manual

7. Carryout trouble shooting of EDC system with 6. No undue pressure to be applied on the ECU
diagnostic tool. during the service.

8. Continuity check on the wiring harness with 7. Do not touch the pins of the ECU to avoid damage
due to electrostatic discharge.
opened connector ends (No power supply to ECU
can be done, if it is found extremely essential and 8. Never attempt to connect negative battery cable
unavoidable. Care must be taken not to damage to positive terminal of battery and positive battery
cable to negative terminal of battery. This will
the terminals, pins and seals.
damage the EDC system electronic / electrical
9. Attempt verification/checking of EDC system parts units.
including wiring harness after confirming and 9. Do not test (continuity check) ECU pins with
clearing identified mechanical troubles as there multimeter.
might be a wrong lead of EDC malfunction due to 10. Developed independent wiring harness for EDC
effect of mechanical troubles. system is provided with prewired connectors to
avoid any disturbances and disconnection unless

T
10. Advice drivers on Limp home functions, Speed
it is induced.
lImitations and Torque reduction functions.
11. Do not use spanners / other heavy tools to remove
11. Ensure diagnostic connector cap is present always the sensor and ECU connectors.
to avoid dust / water entry and shorting. Protect
12. While coiling or bending of cables / wires avoid
diagnostic connector from tampering / damage.

connected.
AF
12. Run EDC system engine always with batteries

13. Ensure paint removal on the surface / clean


sharp bends or folding.

13. Do not lift the wiring harness bunch by the end


connectors.

surface before connecting the negative connection 14. Do not jump start the vehicle (by connecting
of EDC system and the high current negative of external batteries - master / slave method). This
vehicle electrical connection. will cause series damage to the ECU.
14. Check if all the connectors are positioned properly
and well connected. Positive locking to be ensured.
15. Check if the relays and fuses are properly inserted
in the relay and fuse module respectively.
R
16. Ensure proper fitment of 15A fuse of the battery
positive cable. The spare fuses (30A - 1 no. and 5A
- 2 nos.) is available in the relay and fuse module.
17. Ensure that the ignition switch and battery isolator
switch is off when the vehicle is in parked condition.

Dont’s
D

1. Electrical tapping (EDC 24V/5V) not allowed from


EDC wiring. Tapping should NOT be taken as this
can severely affect the performance of the ECU
and sensor (Discourage use of 24V by centre
tapping method from batteries for additional loads)

2. Care should be taken while washing the vehicle.


Do not direct jet of water on to the ECU, accelerator
pedal sensors and other electrical components.

3. Diagnostic connector should not be left hanging


loose and should be handled with care.

4. Do not allow / provide intermittent connections


/ junction in the EDC wiring harness. Maintain
routing and clamping of wiring as provided by AL.

5. Do not change mounting position of the ECU/EDC


panel.
12.40 EDC 17 SYSTEM FOR NEPTUNE N4 CRS BSIV ENGINES
Service Manual

12.11 MAINTENANCE PROGRAMME

Every km x 1000
MAINTENANCE ACTIVITY

Monthly
Weekly
Daily
Check tightness of all mating connectors in the wiring harness after
1 3 40
switch OFF the engine

When the
Check the errors recorded in the ECU using the diagnostic tester and diagnostic lamp
2 3
take appropriate corrective action. glows and at

T
80,000 km

AF
R
D
D
R
AF
T
T
AF
TROUBLE SHOOTING
USING ERROR CODE /
BLINK CODE
R
D
NEPTUNE ENGINES DIAGNOSTIC SYSTEM MANAGEMENT
Sl. No P codes Description Blink Possible causes Check Points Further Actions
Codes
Errors that can be directly considered as ECU defective
1 P1201 ECU Defective - EGR Valve Over 91 1. Over temperature error on the ECU 1. Switch ON & Off the ignition key(with complete afterrun) Still error is present, check with a diff ECU.
temperature error PWM output power stage. 2. Clear the error.
3. Try the above step once again

T
2 P1504 ECU Defective - Diagnostic lamp over 84 1. Switch ON & Off the ignition key(with complete afterrun) Still error is present, check with a diff ECU
temperature error 2. Clear the error.
-
3. Try the above step once again

3 P1208 ECU Defective - EGR shut off valve 94 1. Switch ON & Off the ignition key(with complete afterrun) 1. Rectify/ Replace wiring harness
Over temperature error 2. Clear the error. 2. Still error is present, check with a diff ECU
- 3. Try the above step once again

AF
4. Check the wiring harness connections.

4 P1B06 ECU Defective - Exhaust flap low 95 1. Switch ON & Off the ignition key(with complete afterrun) Still error is present, check with a diff ECU
pressure Over temperature error 2. Clear the error.
-
3. Try the above step once again

5 P1632 ECU Defective - Diagnostic fault check 54 1. Hardware failure inside the ECU 1. Switch ON & Off the ignition key(with complete afterrun) Still error is present, check with a diff ECU
to report WDA active due to errors in 2. Detection of Undervoltage in 2. Clear the error.
query-/response communication powestages 3. Try the above step once again

6 P1633 ECU Defective - Diagnostic fault 59 1. Hardware failure inside the ECU 1. Switch ON & Off the ignition key(with complete afterrun) Still error is present, check with a diff ECU
check to report ABE active due to 2.  Detection of overvoltage in 2. Clear the error.
undervoltage detection powestages 3. Try the above step once again

7 P1634 ECU Defective - Diagnostic fault check 58 1. Detection of Undervoltage in 1. Switch ON & Off the ignition key(with complete afterrun) Still error is present, check with a diff ECU

8 P1635
detection
R
to report ABE active due to overvoltage

ECU Defective - Diagnostic fault check


to report WDA/ABE active due to
unknown reason
54
powestages.
2. Hardware failure inside the ECU

Hardware failure inside the ECU


2. Clear the error.
3. Try the above step once again

1. Switch ON & Off the ignition key(with complete afterrun) Still error is present, check with a diff ECU
2. Clear the error.
3. Try the above step once again

9 P1608 ECU Defective - CY33X is defect 22 Not Applicable Not Applicable 1. Switch ON & Off the ignition key(with complete
D
(injector chip error) afterrun)
2. Clear the error.
3. Try the above step once again
4. Still error is present, check with a diff ECU

10 P1408 ECU Defective - Diagnostic fault check 71 1. Error in the plausbility of FC and No check points 1. Clear the error through the diagnostic tester.
to report errors in query-/response- MM communication. The ECU has an 2. If the problem persists, replace the ECU
communication internal error.

1
NEPTUNE ENGINES DIAGNOSTIC SYSTEM MANAGEMENT
Sl. No P codes Description Blink Possible causes Check Points Further Actions
Codes
11 P1409 ECU Defective - Diagnostic fault check 71 error in SPI-communication No check points 1. Clear the error through the diagnostic tester.
to report errors in SPI-communication 2. If the problem persists, replace the ECU

12 P1410 ECU Defective - Diagnostic fault check 71 1. Injector error No check points 1. Clear the error through the diagnostic tester.

T
to report multiple error while checking 2. The ECU has an internal error. 2. If the problem persists, replace the ECU
the complete ROM-memory

13 P1405 ECU Defective - Diagnostic fault 71 1. Error detectetd in the plausibility No check points 1. Clear the error through the diagnostic tester.
check to report the NTP error in ADC check of the ADC by no load test pulse 2. If the problem persists, replace the ECU
monitoring test. The ECU has an internal error.
( ADC error)

AF
14 P1406 ECU Defective - Diagnostic fault check 71 1.Error detected in the plausibility No check points 1. Clear the error through the diagnostic tester.
to report the ADC test error check of the ADC by voltage test 2. If the problem persists, replace the ECU
signal. The ECU has an internal error.
( ADC error)
15 P1407 ECU Defecive - Diagnostic fault check 71 1. Error detected in the plausibility No check points 1. Clear the error through the diagnostic tester.
to report the error in Voltage ratio in check of the ADC in the voltage ratio. 2. If the problem persists, replace the ECU
ADC monitoring The ECU has an internal error. (ADC
error)
16 P1411 ECU/Injector Defective - Loss of 71 1. Injector error Check for injector related error in the tester, if any take 1. Clear the error through the diagnostic tester.
synchronization sending bytes to the 2. The ECU has an internal error. corrective action (Pcodes are P0201, P0202, P0203, 2. If the problem persists, replace the ECU
MM from CPU. P0204,P0205,P0206, P0262, P0265, P0268, P0271,
P0274, P0277, P2148, P2151)

17 P1431 ECU/Injector Defective - DFC to set 71 1. Injector error Check for injector related error in the tester, if any take 1. Clear the error through the diagnostic tester.

18 P1412
R
a torque limitation once an error is
detected before MoCSOP’s error
reaction is set

ECU/Injector Defective - Wrong set


response time
71
2. The ECU has an internal error.

1. Injector error
2. The ECU has an internal error.
corrective action (Pcodes are P0201, P0202, P0203,
P0204,P0205,P0206, P0262, P0265, P0268, P0271,
P0274, P0277, P2148, P2151)

Check for injector related error in the tester, if any take


corrective action (Pcodes are P0201, P0202, P0203,
2. If the problem persists, replace the ECU

1. Clear the error through the diagnostic tester.


2. If the problem persists, replace the ECU
P0204,P0205,P0206, P0262, P0265, P0268, P0271,
P0274, P0277, P2148, P2151)
D
19 P1413 ECU/Injector Defective - Too many SPI 71 1. Injector error Check for injector related error in the tester, if any take 1. Clear the error through the diagnostic tester.
errors during MoCSOP execution. 2. The ECU has an internal error. corrective action (Pcodes are P0201, P0202, P0203, 2. If the problem persists, replace the ECU
P0204,P0205,P0206, P0262, P0265, P0268, P0271,
P0274, P0277, P2148, P2151)
20 P1415 ECU/Injector Defective - Diagnostic 71 1. Injector error Check for injector related error in the tester, if any take 1. Clear the error through the diagnostic tester.
fault check to report the error in 2. The ECU has an internal error. corrective action (Pcodes are P0201, P0202, P0203, 2. If the problem persists, replace the ECU
undervoltage monitoring P0204,P0205,P0206, P0262, P0265, P0268, P0271,
P0274, P0277, P2148, P2151)

2
NEPTUNE ENGINES DIAGNOSTIC SYSTEM MANAGEMENT
Sl. No P codes Description Blink Possible causes Check Points Further Actions
Codes
21 P1416 ECU/Injector Defective - Diagnostic 71 1. Injector error Check for injector related error in the tester, if any take 1. Clear the error through the diagnostic tester.
fault check to report that WDA is not 2. The ECU has an internal error. corrective action (Pcodes are P0201, P0202, P0203, 2. If the problem persists, replace the ECU
working correct P0204,P0205,P0206, P0262, P0265, P0268, P0271,
P0274, P0277, P2148, P2151)

T
22 P1417 ECU/Injector Defective - OS timeout 71 1. Injector error Check for injector related error in the tester, if any take 1. Clear the error through the diagnostic tester.
in the shut off path test. Failure setting 2. The ECU has an internal error. corrective action (Pcodes are P0201, P0202, P0203, 2. If the problem persists, replace the ECU
the alarm task period. P0204,P0205,P0206, P0262, P0265, P0268, P0271,
P0274, P0277, P2148, P2151)

23 P1432 ECU/Injector Defective - Diagnostic 71 1. Injector error Check for injector related error in the tester, if any take 1. Clear the error through the diagnostic tester.
fault check to report that the positive 2. The ECU has an internal error. corrective action (Pcodes are P0201, P0202, P0203, 2. If the problem persists, replace the ECU

AF
test failed P0204,P0205,P0206, P0262, P0265, P0268, P0271,
P0274, P0277, P2148, P2151)

24 P1419 ECU/Injector Defective - Diagnostic 71 1. Injector error Check for injector related error in the tester, if any take 1. Clear the error through the diagnostic tester.
fault check to report the timeout in the 2. The ECU has an internal error. corrective action (Pcodes are P0201, P0202, P0203, 2. If the problem persists, replace the ECU
shut off path test P0204,P0205,P0206, P0262, P0265, P0268, P0271,
P0274, P0277, P2148, P2151)

25 P1420 ECU/Injector Defective - Diagnostic 71 1. Injector error Check for injector related error in the tester, if any take 1. Clear the error through the diagnostic tester.
fault check to report the error in 2. The ECU has an internal error. corrective action (Pcodes are P0201, P0202, P0203, 2. If the problem persists, replace the ECU
overvoltage monitoring P0204,P0205,P0206, P0262, P0265, P0268, P0271,
P0274, P0277, P2148, P2151)
R
D
3
NEPTUNE ENGINES DIAGNOSTIC SYSTEM MANAGEMENT
Sl. No P codes Description Blink Possible causes Check Points Further Actions
Codes
Errors that cannot be diretly considered as ECU defective
26 P0336 Crank shaft sensor signal Error - 51 Loose connection / poor contact Visual inspection. Ensure proper locking of the connector and
disturbed signal between sensor socket & connector. sensor socket

Improper locking of the connector over

T
the sensor socket

No electrical continuity between ECU 1.Check continuity between pin no 2 on the sensor Rectify / replace Wiring Harness
to sensor connector (only positive connector and pin no A39 on the ECU connector / pin no
signal line). 24 on the interconnector

There should be continuity in both the case.

AF
Swap connection in the circuit 1. Check continuity between pin no 1 on the sensor Rectify / replace Wiring Harness
connector and pin no A54 on the ECU connector / pin no
25 on the interconnector.

2.Check continuity between pin no 2 on the sensor


connector and pin no A39 on the ECU connector / pin no
24 on the interconnector.

There should be continuity in both the case.

Crank shaft sensor failure Measure resistance across the terminals of crank shaft Replace sensor - If the resistance is out of
sensor, it should be 774ohm to 946 ohm. specified limit
R Electrical Noise in crank sensor signal
due to Shielding is not available/ no
shield connection continuity to ECU for
crank signal line
1. Visual inspection for availability of shield.
2. Check the continuity between shield at sensor
connector end to pin no A38 on the ECU connector /pin no
26 on the interconnector
Rectify / replace Wiring Harness

Sensor mounting bolt loosen Visual inspection Ensure proper tightening.


D
Incorrect air gap between tooth & Check air gap 1. Maintain air gap as per spec.
sensor (spec 0.3mm - 1.8mm) 2. Ensure proper tightening of trigger wheel

Trigger wheel wobbling Visual inspection 1. Ensure proper tightening.


2. Replace the trigger wheel if wobbling after
proper tightening
ECU defective No check points If all the above check points are ok Replace ECU
/ Faulty ECU to be sent for investigated

4
NEPTUNE ENGINES DIAGNOSTIC SYSTEM MANAGEMENT
Sl. No P codes Description Blink Possible causes Check Points Further Actions
Codes
27 P0337 Crank shaft sensor signal Error - no 51 Loose connection / poor contact Visual Inspection Ensure proper locking of the connector and
signal between sensor socket & connector. sensor socket

Improper locking of the connector over


the sensor socket

T
No electrical continuity between ECU 1. Check continuity between pin no 1 on the sensor Rectify / replace Wiring Harness
to sensor connector. connector and pin no A54 on the ECU connector / pin no
25 on the interconnector

2.Check continuity between pin no 2 on the sensor


connector and pin no A39 on the ECU connector / pin no
24 on the interconnector

AF
There should be continuity in both the case.

Short circuit b/w positive & negative of Check the continuity between Replace sensor - If the resistance is out of
crank sensor circuit. 1. pin no1 & 2 on the sensor connector specified limit

2. pin no A54 & A39 on the ECU connector

3. pin no 25 & 24 on the interconnector

Thershould not be any continuity in any of the case.

Sensor mounting bolt loosen. Visual inspection Ensure proper tightening.


Air gap between tooth & sensor above Check air gap 1. Maintain air gap as per spec.
R spec

ECU defective
(spec 0.3mm - 1.8mm)

No check points
2. Ensure proper tightening of trigger wheel
If all the above check points are ok Replace ECU
/ Faulty ECU to be sent for investigated
D
5
NEPTUNE ENGINES DIAGNOSTIC SYSTEM MANAGEMENT
Sl. No P codes Description Blink Possible causes Check Points Further Actions
Codes
28 P0341 Cam shaft sensor signal Error - 52 Loose connection / poor contact Visual inspection. Ensure proper locking of the connector and
disturbed signal between sensor socket & connector. sensor socket

Improper locking of the connector over


the sensor socket

T
Swap connection in the circuit 1. Check continuity between pin no 1 on the sensor Rectify / replace Wiring Harness
connector and pin no A52 on the ECU connector /
pin no 34 on the interconnector.
2. Check continuity between pin no 2 on the sensor
connector and pin no A37 on the ECU connector / pin
no 35 on the interconnector.

AF
There should be continuity in both the case.

No electrical continuity between ECU 1. Check continuity between pin no 2 on the sensor
to sensor connector (only positive connector and pin no A37 on the ECU connector / pin
signal line). no 35 on the interconnector

There should be continuity in both the case.

Crank shaft sensor failure Measure resistance across the terminals of crank shaft Replace sensor - If the resistance is out of
sensor, it should be 774ohm to 946 ohm specified limit
R Electrical Noise in crank sensor signal 1.
due to Shielding is not available/ no
shield connection continuity to ECU for 2.
crank signal line
Visual inspection for availability of shield.
Check the continuity between shield at sensor
connector end to pin no A53 on the ECU connector /
pin no 33 on the interconnector
Rectify / replace Wiring Harness

Sensor mounting bolt loosen Visual inspection Ensure proper tightening.


D
Incorrect air gap between tooth & Check air gap 1. Maintain air gap as per spec.
sensor (spec 0.3mm - 1.8mm) 2. Ensure proper tightening of trigger wheel

Trigger wheel wobbling Visual inspection 1. Ensure proper tightening.


Replace the trigger wheel if wobbling after
proper tightening

ECU defective No check points If all the above check points are ok Replace ECU
/ Faulty ECU to be sent for investigated

6
NEPTUNE ENGINES DIAGNOSTIC SYSTEM MANAGEMENT
Sl. No P codes Description Blink Possible causes Check Points Further Actions
Codes
29 P0342 Cam shaft sensor signal Error - no 52 Loose connection / poor contact Visual Inspection Ensure proper locking of the connector and
signal between sensor socket & connector. sensor socket

Improper locking of the connector over


the sensor socket

T
No electrical continuity between ECU 1. Check continuity between pin no 1 on the sensor Rectify / replace Wiring Harness
to sensor connector. connector and pin no A52 on the ECU connector / pin
no 34 on the interconnector.
2. Check continuity between pin no 2 on the sensor
connector and pin no A37 on the ECU connector / pin
no 35 on the interconnector

AF
There should be continuity in both the case.

Short circuit b/w positive & negative of Check thecontinuity between


crank sensor circuit. 1. Pin no1 & 2 on the sensor connector
2. Pin no A52 & A37 on the ECU connector
3. Pin no 34 & 35 on the interconnector

Thershould not be any continuity in any of the case.

Crank shaft sensor failure Measure resistance across the terminals of crank shaft Replace sensor - If the resistance is out of
sensor, it should be 774ohm to 946 ohm specified limit
R Sensor mounting bolt loosen.

Air gap between tooth & sensor above


Visual inspection

Check air gap


Ensure proper tightening.

1. Maintain air gap as per spec.


spec (spec 0.3mm - 1.8mm)
2. Ensure proper tightening of trigger wheel

ECU defective No check points If all the above check points are ok Replace ECU
D
/ Faulty ECU to be sent for investigated

30 P0016 Camshaft to Crankshaft offset angle 53 Deviation between cam and crank 1. Ensure the both crank and cam sensor proper 1. Ensure proper sensor installation and
exceeded sensors signals exceeds +/- 25deg installation (without any loose connection). connection.
Crank during plausibility check due to
improper sensors mounting.

Defective trigger wheel / tone wheel check proper angle between tone & trigger wheel Replace the defective tone & trigger wheel.
mounting slot to sync tooth and missing tooth respectively
as per the spec.

7
NEPTUNE ENGINES DIAGNOSTIC SYSTEM MANAGEMENT
Sl. No P codes Description Blink Possible causes Check Points Further Actions
Codes
31 P1700 Maximum oil pressure error in 82 Engine oil pressure exceeds 7 bar 1. Check any blockage in oil flow path. 1. Engine relief valve functionality to be
plausibility check (absolute). ensured.
2. Ensure oil grade spec against the specified 2. Use correct oil spec.

Engine oil pressure relief valve failure Ensure engine pressure relief valve functionality. Rectify /Change the Engine oil cooler module

T
at oil module.

Sensor faulty Check the voltage of the sensor signal with respect to
ground (Spec 0.87V) (Check the value with tester)

32 P0524 Minimum oil pressure error in 82 1. Engine minimum oil pressure 1.5 Check any oil leakgae in the engine. Arrest oil leakage.

AF
plausibility check bar at idling.

Minimum Oil level in engine Check oil level Fill sufficient oil level.

Oil filter clogged. Check whether the oil filter is clogged. Replace oil filter

33 P0522 Oil pressure sensor signal voltage 82 Signal line short to ground Check the continuity between Rectify / replace Wiring Harness
below lower limit 1. Pin no1 & 4 on the sensor connector
2. Pin no A57 & A44 on the ECU connector
3. Pin no 43 & 46 on the interconnector

Thershould not be any continuity in any of the case.


R Sensor defective 1. Check Wiring Harness continuity & short Circuit
2. Remove sensor end connector.
3. Check for the sensor error in Tester. If Error is
Replace sensor - If the voltage out of specified
limit

registered, then connect the sensor end connector and


erase the error code.
D
4. Check the Sensor signal voltage thru tester (Parameter 3)
5. Voltage should be 0.87V at standard atmoshpheric
pressure (pamb=101kPa)

ECU defective No check points If all the above check points are ok Replace ECU
/ Faulty ECU to be sent for investigated

8
NEPTUNE ENGINES DIAGNOSTIC SYSTEM MANAGEMENT
Sl. No P codes Description Blink Possible causes Check Points Further Actions
Codes
34 P0523 Oil pressure sensor signal voltage 82 Loose connection / poor contact Visual Inspection Ensure proper locking of the connector and
above upper limit between sensor socket & connector. sensor socket
Improper locking of the connector over
the sensor socket
No electrical continuity between ECU 1. Check continuity between pin no 4 on the sensor Rectify / replace Wiring Harness If continuity is

T
to sensor connector. connector and pin no A44 on the ECU connector / pin no there.
46 on the interconnector
2. Check continuity between pin no 3 on the sensor
connector and pin no A24 on the ECU connector / pin no
45 on the interconnector
3. Check continuity between pin no 1 on the sensor
connector and pin no A57 on the ECU connector / pin no
43 on the interconnector

AF
There should be continuity in any of the case.

Signal line short to supply (5Volts) Check thecontinuity between


1. pin no 3 & 4 on the sensor connector
2. pin no A24 & A44 on the ECU connector
3. pin no 45 & 46 on the interconnector.
Thershould not be any continuity in any of the case.

Signal line short to battery (greater Check the voltage between


than 5 Volts) 1. pin no 4 & 1 on the sensor connector
2. pin no A44 & A57 on the ECU connector
3. pin no 46 & 43 on the interconnector
There should not be more than 5V in any of the case.
R Sensor defective 1. Check Wiring Harness continuity & short Circuit
2. Remove sensor end connector
3. Check for the sensor error in Tester
Replace sensor - If the voltage out of specified
limit

If Error is registered, then connect the sensor end


connector and erase the error code
4. Check the Sensor signal voltage thru tester (Parameter
D
3)
5. Voltage should be 0.87V at standard atmoshpheric
pressure (pamb=101kPa)

ECU defective No check points If all the above check points are ok Replace ECU
/ Faulty ECU to be sent for investigated

9
NEPTUNE ENGINES DIAGNOSTIC SYSTEM MANAGEMENT
Sl. No P codes Description Blink Possible causes Check Points Further Actions
Codes
35 P2229 Environment pressure sensor signal 62 Sensor failure at ECU. No check points Replace ECU
voltage above upper limit Faulty ECU to be sent for investigation
36 P2228 Environment pressure sensor signal 62 Sensor failure at ECU. No check points Replace ECU
voltage below lower limit Faulty ECU to be sent for investigation
37 P0238 Boost pressure sensor signal voltage 61 Loose connection / poor contact Visual Inspection Ensure proper locking of the connector and

T
above upper limit between sensor socket & connector. sensor socket
Improper locking of the connector over
the sensor socket
No electrical continuity between ECU 1. Check continuity between pin no 4 on the sensor Rectify / replace Wiring Harness If continuity is
to sensor connector. connector and pin no A43 on the ECU connector / pin no there.
32 on the interconnector
2. Check continuity between pin no 3 on the sensor
connector and pin no A09 on the ECU connector / pin no

AF
31 on the interconnector
3. Check continuity between pin no 1 on the sensor
connector and pin no A42 on the ECU connector / pin no
29 on the interconnector
There should be continuity in any of the case.

Signal line short to supply (5Volts) Check the continuity between


1. pin no 3 & 4 on the sensor connector
2. pin no A09 & A43 on the ECU connector
3. pin no 31 & 32 on the interconnector
Thershould not be any continuity in any of the case.

Signal line short to battery (greater Check the voltage between


R than 5 Volts)

Sensor defective
1. pin no 4 & 1 on the sensor connector
2. pin no A43 & A42 on the ECU connector
3. pin no 32 & 29 on the interconnector
Ther should not be more than 5V in any of the case.

1. Check Wiring Harness continuity & short Circuit Replace sensor - If the voltage out of specified
2. Remove sensor end connector limit
3. Check for the sensor error in Tester
If Error is registered, then connect the sensor end connector and
D
erase the error code
4. Check the Sensor signal voltage thru tester (Parameter
3)
5. Voltage should be 1.18V at standard atmoshpheric
pressure (pamb=101kPa)

ECU defective No check points If all the above check points are ok Replace ECU
/ Faulty ECU to be sent for investigated

10
NEPTUNE ENGINES DIAGNOSTIC SYSTEM MANAGEMENT
Sl. No P codes Description Blink Possible causes Check Points Further Actions
Codes
38 P0237 Boost pressure sensor signal voltage 61 Signal line short to ground Check thecontinuity between Rectify / replace Wiring Harness
below lower limit
1. pin no1 & 4 on the sensor connector

2. pin no A42 & A43 on the ECU


connector

T
3. pin no 29 & 32 on the interconnector

Thershould not be any continuity in any of the case.

Sensor defective 1. Check Wiring Harness continuity & short Circuit Replace sensor - If the voltage out of specified
limit

AF
2. Remove sensor end connector

3. Check for the sensor error in Tester


If Error is registered, then connect the sensor end
connector and erase the error code

4. Check the Sensor signal voltage thru tester (Parameter


3)

5. Voltage should be 1.18V at standard atmoshpheric


pressure (pamb=101kPa)
ECU defective No check points If all the above check points are ok Replace ECU
/ Faulty ECU to be sent for investigated

39 P0236 Boost Pressure sensor High plausibility 61 1.Intake manifold pressure minus Check the atmospheric pressure value through tester in 1. Change boost pressure sensor.
error environmental pressure exceeds ignition ON position.
R 365mbar during engine rpm below
800rpm

Mal function of Boost or environmental


pressure sensor

ECU defective No check points If all the above check points are ok Replace ECU
/ Faulty ECU to be sent for investigated
D
40 P0235 Boost Pressure sensor low plausibility 61 1.Intake manifold pressure minus Check the atmospheric & boost value through tester. 1. Change boost pressure sensor.
error environmental pressure below -50mbar
during engine rpm below 800rpm

Mal function of Boost or environmental


pressure sensor

ECU defective No check points If all the above check points are ok Replace ECU
/ Faulty ECU to be sent for investigated

11
NEPTUNE ENGINES DIAGNOSTIC SYSTEM MANAGEMENT
Sl. No P codes Description Blink Possible causes Check Points Further Actions
Codes
41 P0193 Rail Pressure Sensor signal voltage 23 Loose connection / poor contact Visual Inspection Ensure proper locking of the connector and
above upper limit between sensor socket & connector. sensor socket
Improper locking of the connector over
the sensor socket
No electrical continuity between ECU 1. Check continuity between pin no 1 on the sensor Rectify / replace Wiring Harness If continuity is

T
to sensor connector. connector and pin no A25 on the ECU connector / pin no there.
36 on the interconnector
2. Check continuity between pin no 2 on the sensor
connector and pin no A26 on the ECU connector / pin no
37on the interconnector
3. Check continuity between pin no 3 on the sensor
connector and pin no A07 on the ECU connector / pin no
38 on the interconnector

AF
There should be continuity in any of the case.

Signal line short to supply (5Volts) Check thecontinuity between


1. pin no 2 & 3 on the sensor connector
2. pin no A26 & A07 on the ECU connector
3. pin no 37 & 38 on the interconnector
Thershould not be any continuity in any of the case.

Signal line short to battery (greater Check the voltage between


than 5 Volts) 1. pin no 2 & 1 on the sensor connector
R 2. pin no A26 & A25 on the ECU connector
3. pin no 37 & 36 on the interconnector
Ther should not be more than 5V in any of the case.

Sensor defective 1. Check Wiring Harness continuity & short Circuit Replace sensor - If the voltage out of specified
2. Remove sensor end connector limit
3. Check for the sensor error in Tester
D
If Error is registered, then connect the sensor end
connector and erase the error code
4. Check the Sensor signal voltage thru tester (Parameter
3)
5. Voltage should be 500±48mV.

ECU defective No check points If all the above check points are ok Replace ECU
/ Faulty ECU to be sent for investigated

12
NEPTUNE ENGINES DIAGNOSTIC SYSTEM MANAGEMENT
Sl. No P codes Description Blink Possible causes Check Points Further Actions
Codes
42 P0192 Rail Pressure Sensor signal voltage 23 Signal line short to ground Check thecontinuity between pin no Rectify / replace Wiring Harness
below lower limit 1. 2 & 1 on the sensor connector
2. pin no A26 & A25 on the ECU connector
3. pin no 37 & 36 on the interconnector
Thershould not be any continuity in any of the case.

T
Sensor defective 1. Check Wiring Harness continuity & short Circuit Replace sensor - If the voltage out of specified
2. Remove sensor end connector limit
3. Check for the sensor error in Tester
If Error is registered, then connect the sensor end
connector and erase the error code
4. Check the Sensor signal voltage thru tester (Parameter
3)

AF
5. Voltage should be 500±48mV.

ECU defective No check points If all the above check points are ok Replace ECU
/ Faulty ECU to be sent for investigated

43 P1104 maximum positive deviation of rail 31 Rail pressure deviation exceed the 1. Check for the bends/crimps in the fuel suction line. Change the fuel return lines
pressure exceeded (Actual Rail spec below the set point. 2. Check the fuel level in fuel tank Fill fuel in sufficient level
pressure below the set point)
Set value of metering unit delivery
exceeds the defined upper limit w.r.t to
engine speed (Rail_
dvolMeUnCtlUpLim_CUR)
Chocked fuel return lines,zero delivery Remove the return line and check for blockage Change the fuel return lines
throttle clogged up.
R Leaking in PRV

Leakage in the high pressure line


Check the common rail return line pipe outer surface tem
(If temp observed very high, might be problem with PRV
opening- Leakage in PLV return).

Check the leakage in the high pressure pipes line.


Change the rail if the PRV open count & time is
elapsed

Rectify the leakage

Leakage in the Low pressure line Check for leakage in low pressure cicuit Rectify the leakage

Worn high pressure pump No check points Remove the pump and get it checked from the
D
authorised dealer
Gear pump input pressure too low No check points

Gear pump outlet pressure too low No check points

Worn injector No check points Remove the injector and get it checked from the
authorised dealer
Injector nozzle stuck in the open No check points
position
Filter clogged Fuel filter functionality check. 1. Change the fuel filter
2. Clean the strainer

13
NEPTUNE ENGINES DIAGNOSTIC SYSTEM MANAGEMENT
Sl. No P codes Description Blink Possible causes Check Points Further Actions
Codes
44 P1109 Leakage is detected based on fuel 33 incorrect/small/sharp bend in diameter Visual inspection-Check for the bends/crimps in the fuel Change the fuel return lines
quantity balance (Leakage is detected fuel return lines. return line.
based on Metering unit flow volume Chocked fuel return lines,zero delivery Remove the return line and check for blockage Change the fuel return lines
exceeded the set point) throttle clogged up.

Leaking in PRV Check the common rail return line pipe outer surface tem Change the rail if the PRV open count & time is

T
(If temp observed very high, might be problem with PRV elapsed
opening- Leakage in PLV return).

Leakage in the high pressure line Check the leakage in the high pressure pipes line. Rectify the leakage

Leakage in the Low pressure line Check for leakage in low pressure cicuit Rectify the leakage

AF
Worn high pressure pump No check points Remove the pump and get it checked from the
Possible error in low pressure stage No check points authorised dealer
Metering unit reflux too low
Possible error in low pressure system No check points
Zero delivery is not present for metering
unit leakage in metering unit is more
Worn injector No check points Remove the injector and get it checked from the
Injector nozzle stuck in the open No check points authorised dealer
position
Injector nozzle stuck in the open No check points
position
Filter/ fuel tank strainer clogged Check fuel filter/strainer 1. Change the fuel filter
2. Clean the fuel tank strainer
45 P1106 maximum negative rail pressure 35 Incorrect/small/sharp bend in diameter Visual inspection-Check for the bends/crimps in the fuel Change the fuel return lines
deviation with metering unit on fuel return lines. return line.
R
lower limit is exceeded (Actual Rail
pressure exceeded the set point)
Chocked fuel return lines,zero delivery
throttle clogged up.
Pump metering unit is stuck in open
position
Remove the return line and check for blockage

i) Using omitec diagnostic scan tool goto actuators test via


Ashok diagnostics--->Diesel--->Engine---> Autodetect---
>Actuators test.
ii) Select metering unit from the list.
Replace the metering unit.

iii) Increase the duty cycle to 40% in engine idling


condition.
D
iv) Engine should shut off

Injector struck in closed possition engine vibration check, MORSE test for Injector through Repalce the injector .
tester .
Pump metering unit wiring ahrness Ensure the metering unit wiring harness check. (Refer Remove the pump and get it checked from the
issues check point --- P0193 & P0192 (Sl no16 & 17 ) authorised dealer

Ensure Rail pressure wiring harness check. (Refer check Replace / Rectify the wiring harnness
Rail pressure sensor wiring harness point of p code ---P0090, P1119 & P1120 (Sl no32, 33 &
issues 34 )

14
NEPTUNE ENGINES DIAGNOSTIC SYSTEM MANAGEMENT
Sl. No P codes Description Blink Possible causes Check Points Further Actions
Codes
46 P1108 maximum rail pressure exceeded 37 Incorrect/small/sharp bend in diameter Visual inspection-Check for the bends/crimps in the fuel Change the fuel return lines
fuel return lines. return line.
Chocked fuel return lines,zero delivery Remove the return line and check for blockage
throttle clogged up.
Pump metering unit is stuck in open i) Using omitec diagnostic scan tool goto actuators test via Replace the metering unit.

T
position Ashok diagnostics--->Diesel--->Engine---> Autodetect---
>Actuators test.

ii) Select metering unit from the list.

iii) Increase the duty cycle to 40% in engine idling


condition.

AF
iv) Engine should shut off
Injector struck in closed possition engine vibration check, MORSE test for Injector through Repalce the injector .
tester .
Pump metering unit wiring ahrness Ensure the metering unit wiring harness check. (Refer Remove the pump and get it checked from the
issues check point --- P0193 & P0192 (Sl no16 & 17 ) authorised dealer

Ensure Rail pressure wiring harness check. (Refer check Replace / Rectify the wiring harnness
Rail pressure sensor wiring harness point of p code ---P0090, P1119 & P1120 (Sl no32, 33 &
issues 34 )

47 P1125 Rail pressure droped below required 36 Rail pressure below the min value w.r.t 1. Check for the bends/crimps in the fuel suction line. Change the fuel return lines
minimum rail pressure engine speed 2. Check the fuel level in fuel tank Fill fuel in sufficient level

Chocked fuel return lines,zero delivery Remove the return line and check for blockage Change the fuel return lines
throttle clogged up.
R Leaking in PRV

Leakage in the high pressure line


Check the common rail return line pipe outer surface tem
(If temp observed very high, might be problem with PRV
opening- Leakage in PLV return).

Check the leakage in the high pressure pipes line.


Change the rail if the PRV open count & time is
elapsed

Rectify the leakage

Leakage in the Low pressure line Check for leakage in low pressure cicuit Rectify the leakage
D
Worn high pressure pump No check points Remove the pump and get it checked from the
Gear pump input pressure too low No check points authorised dealer
Gear pump outlet pressure too low No check points
Worn injector No check points Remove the injector and get it checked from the
authorised dealer
Injector nozzle stuck in the open No check points
position
Filter clogged Check fuel filter/strainer 1. Change the fuel filter
2. Clean the fuel tank strainer

15
NEPTUNE ENGINES DIAGNOSTIC SYSTEM MANAGEMENT
Sl. No P codes Description Blink Possible causes Check Points Further Actions
Codes
48 P1117 setpoint of metering unit in idle mode 34 incorrect/small/sharp bend in diameter Visual inspection-Check for the bends/crimps in the fuel Change the fuel return lines
not plausible fuel return lines. return line.
Chocked fuel return lines,zero delivery Remove the return line and check for blockage Change the fuel return lines
throttle clogged up.
Leaking in PRV Check the common rail return line pipe outer surface tem Change the rail if the PRV open count & time is

T
(If temp observed very high, might be problem with PRV elapsed
opening- Leakage in PLV return).

Leakage in the high pressure line Check the leakage in the high pressure pipes line. Rectify the leakage

Leakage in the Low pressure line Check for leakage in low pressure cicuit Rectify the leakage
Worn high pressure pump No check points Remove the pump and get it checked from the

AF
Possible error in low pressure stage No check points authorised dealer
Metering unit reflux too low
Possible error in low pressure system No check points
Zero delivery is not present for
metering unit leakage in metering unit
is more
Worn injector No check points Remove the injector and get it checked from the
Injector nozzle stuck in the open position No check points authorised dealer
Injector nozzle stuck in the open No check points
position
Filter clogged Fuel filter functionality check. 1. Change the fuel filter
2. Clean the strainer
49 P1123 maximum rail pressure exceeded 38 Rail pressure exceed the max value of Visual inspection-Check for the bends/crimps in the fuel Change the fuel return lines
(second stage) 1890bar return line.
Incorrect/small/sharp bend in
R diameter fuel return lines.
Chocked fuel return lines,zero delivery
throttle clogged up.
Pump metering unit is stuck in open
position
i) Using omitec diagnostic scan tool goto actuators test via Replace the metering unit.
Ashok diagnostics--->Diesel--->Engine---> Autodetect---
>Actuators test.
ii) Select metering unit from the list.
iii) Increase the duty cycle to 40% in engine idling
condition.
D
iv) Engine should shut off

Injector struck in closed possition engine vibration check, MORSE test for Injector through Repalce the injector .
tester .
Pump metering unit wiring ahrness Ensure the metering unit wiring harness check. (Refer Remove the pump and get it checked from the
issues check point --- P0193 & P0192 (Sl no16 & 17 ) authorised dealer

Ensure Rail pressure wiring harness check. (Refer check point Replace / Rectify the wiring harnness
Rail pressure sensor wiring harness of p code ---P0090, P1119 & P1120 (Sl no32, 33 & 34 )
issues

16
NEPTUNE ENGINES DIAGNOSTIC SYSTEM MANAGEMENT
Sl. No P codes Description Blink Possible causes Check Points Further Actions
Codes
50 P0298 Oil temperature too high plausibility 41 Oil temperature exceeds 115degC. 1. Ensure the oil level. 1. Fill suficient oil level
error 2. Check the correct oil grade. 2. Use correct oil grade.
3. Check for oil Leakage . 3. Rectify the oil leakage
4. Any blockage in the oil circuit. 4. Clean the oil circuit pipes
5. Replace / Rectify wiring harness
6. Replace sensor if faulty

T
Oil temperature sensor drift. 5. Check the wiring harness connection of the Oil 1. Replace / Rectify wiring harness
temperature sensor as mentioned for Refer check point --- 2. Replace sensor if faulty
P0198 & P0197 (Sl no26 & 27 )

Cooling system failure. 1.Check the coolant temperature through tester. 1. Rectify coolant leakage.
2. Check the coolant leakage. 2. Replace / Rectify wiring harness
3. Check the wiring harness connection of the coolant temp 3. Replace sensor if faulty

AF
sensor Refer check point --- P0118 & P0117 (Sl no30 & 31)

51 P0198 Oil Temperature sensor signal voltage 45 Loose connection / poor contact of Visual Inspection Ensure proper locking of the connector and
above upper limit socket. sensor socket
No electrical continuity between ECU 1. Check continuity between pin no 1 on the sensor Rectify / replace Wiring Harness
to Oil temperature sensor connector connector and pin no A57 on the ECU connector / pin no
43 on the interconnector
2. Check continuity between pin no 2 on the sensor
connector and pin no A59 on the ECU connector / pin no
44 on the interconnector
There should be continuity in both the case.

Signal line short to supply (5Volts) Check the continuity between


1. pin no 3 & 2 on the sensor connector
R Signal line short to battery (greater
than 5 Volts)
2. pin no A24 & A59 on the ECU connector
3. pin no 45 & 44 on the interconnector
Thershould not be any continuity in any of the case.

Check the voltage between


1. pin no 2 & 1 on the sensor connector
2. pin no A59 & A57 on the ECU connector
3. pin no 44, 43 on the interconnector
Ther should not be more than 5V in any of the case.
D
Sensor defective Check the resistance value b/w pin no 2 & 1 of oil Replace sensor - If the resistance is out of
pressure sensor - It should be in between specified limit.
1) 1990 Ohms to 2123 kOhms (25°C)
2) 1139 ohms to 1209(40°C)
3) 579.7 ohms to 611 ohms(60°C)
4. 315 ohms to 330 ohms(80°C)

ECU defective No check points If all the above check points are ok Replace ECU
/ Faulty ECU to be sent for investigated

17
NEPTUNE ENGINES DIAGNOSTIC SYSTEM MANAGEMENT
Sl. No P codes Description Blink Possible causes Check Points Further Actions
Codes
52 P0197 Oil Temperature sensor signal voltage 45 Signal line short to ground Check thecontinuity between Rectify / Replace WH
below lower limit 1. pin no 2 & 1 on the sensor connector
2. pin no A59 & A57 on the ECU connector
3. pin no 44 & 43 on the interconnector
Thershould not be any continuity in any of the case.

T
Sensor defective Check the resistance value b/w pin no 2 & 1 of oil If the resistance is out of specified limit - Replace
pressure sensor - It should be in between sensor
1) 1990 Ohms to 2123 kOhms (25°C)
2) 1139 ohms to 1209(40°C)
3) 579.7 ohms to 611 ohms(60°C)
4. 315 ohms to 330 ohms(80°C)

ECU defective No check points If all the above check points are ok Replace ECU

AF
/ Faulty ECU to be sent for investigated

53 P0113 Boost temperature sensor signal 44 Loose connection / poor contact Visual Inspection Ensure proper locking of the connector and
voltage above upper limit between sensor socket & connector. sensor socket
Improper locking of the connector over
the sensor socket
No electrical continuity between ECU 1. Check continuity between pin no 1 on the sensor Rectify / replace Wiring Harness
to sensor connector. connector and pin no A42 on the ECU connector / pin no
29 on the interconnector
2. Check continuity between pin no 2 on the sensor
connector and pin no A27 on the ECU connector / pin no
30 on the interconnector
There should be continuity in both the case.

Signal line short to supply (5Volts) Check thecontinuity between


R Signal line short to battery (greater
than 5 Volts)
1. pin no 3 & 2 on the sensor connector
2. pin no A09 & A27 on the ECU connector
3. pin no 31 & 30 on the interconnector
Thershould not be any continuity in any of the case.

Check the voltage between


1. pin no 1 & 2 on the sensor connector
2. pin no A42 & A27 on the ECU connector
3. pin no 29, 30 on the interconnector
Ther should not be more than 5V in any of the case.
D
Sensor defective Check the resistance value b/w pin no 2 & 1 of boost Replace sensor - If the resistance is out of
pressure sensor - It should be in between specified limit.
1) 1990 Ohms to 2123 kOhms (25°C)
2) 1139 ohms to 1209(40°C)
3) 579.7 ohms to 611 ohms(60°C)
4. 315 ohms to 330 ohms(80°C)

ECU defective No check points If all the above check points are ok Replace ECU
/ Faulty ECU to be sent for investigated

18
NEPTUNE ENGINES DIAGNOSTIC SYSTEM MANAGEMENT
Sl. No P codes Description Blink Possible causes Check Points Further Actions
Codes
54 P0112 Boost temperature sensor signal 44 Signal line short to ground Check thecontinuity between Rectify / Replace WH if there is a continuity.
voltage below lower limit 1. pin no 2 & 1 on the sensor connector
2. pin no A27 & A42 on the ECU connector
3. pin no 30 & 29 on the interconnector
Thershould not be any continuity in any of the case.

T
Sensor defective Check the resistance value b/w pin no 2 & 1 of boost If the resistance is out of specified limit - Replace
pressure sensor - It should be in between sensor
1) 1990 Ohms to 2123 kOhms (25°C)
2) 1139 ohms to 1209(40°C)
3) 579.7 ohms to 611 ohms(60°C)
4. 315 ohms to 330 ohms(80°C)

AF
ECU defective No check points If all the above check points are ok Replace ECU
/ Faulty ECU to be sent for investigated

55 P0118 Coolant temperature sensor signal 41 Loose connection / poor contact Visual Inspection Ensure proper locking of the connector and
voltage above upper limit between sensor socket & connector. sensor socket
Improper locking of the connector over
the sensor socket
No electrical continuity between ECU 1. Check continuity between pin no 1 on the sensor Rectify / replace Wiring Harness
to sensor connector. connector and pin no A28 on the ECU connector / pin no
27 on the interconnector
2. Check continuity between pin no 2 on the sensor
connector and pin no A29 on the ECU connector / pin no
28 on the interconnector
There should be continuity in any of the case.
R Signal line short to battery (greater
than 5 Volts)
Check the voltage between
1. pin no 1 & 2 on the sensor connector
2. pin no A28 & A29 on the ECU connector
3. pin no 27, 28 on the interconnector
Ther should not be more than 5V in any of the case.
Replace sensor - If the resistance is out of
specified limit.

Sensor defective Check the resistance value b/w pin no 2 & 1 of coolant If all the above check points are ok Replace ECU
D
pressure sensor - It should be in between / Faulty ECU to be sent for investigated
1) 1940 Ohms to 2173 kOhms (25°C)
2) 1118 ohms to 1231(40°C)
3) 573 ohms to 618 ohms(60°C)
4. 313 ohms to 332 ohms(80°C)

ECU defective No check points If all the above check points are ok Replace ECU
/ Faulty ECU to be sent for investigated

19
NEPTUNE ENGINES DIAGNOSTIC SYSTEM MANAGEMENT
Sl. No P codes Description Blink Possible causes Check Points Further Actions
Codes
56 P0117 Coolant temperature sensor signal 41 Signal line short to ground Check the continuity between Rectify / Replace WH
voltage below lower limit
1. pin no 1 & 2 on the sensor connector

2. pin no A28 & A29 on the ECU connector

T
3. pin no 27 & 28 on the interconnector

Thershould not be any continuity in any of the case.

Sensor defective Check the resistance value b/w pin no 2 & 1 of coolant If the resistance is out of specified limit - Replace
pressure sensor - It should be in between sensor
1) 1940 Ohms to 2173 kOhms (25°C)

AF
2) 1118 ohms to 1231(40°C)
3) 573 ohms to 618 ohms(60°C)
4. 313 ohms to 332 ohms(80°C)

ECU defective No check points If all the above check points are ok Replace ECU
/ Faulty ECU to be sent for investigated

57 P0090 Metering unit output open load error 21 Loose connection / poor contact Visual Inspection Ensure proper connections
between sensor socket & connector.
Improper locking of the connector over
the sensor socket

No electrical continuity between ECU 1. Check continuity between pin no 1 on the sensor Rectify / Replace WH if there is no continuity.
to sensor connector. connector and pin no A04 on the ECU connector / pin no
20 on the interconnector
R 2. Check continuity between pin no 2 on the sensor
connector and pin no A05 on the ECU connector / pin no
21 on the interconnector

There should be continuity in both the case.

i) Using omitec diagnostic scan tool goto actuators test via


Ashok diagnostics--->Diesel--->Engine---> Autodetect---
D
>Actuators test.
ii) Select metering unit from the list.
iii) Increase the duty cycle to 40% in engine idling
condition.
iv) Engine should shut off

ECU defective No check points If all the above check points are ok Replace ECU
/ Faulty ECU to be sent for investigated

20
NEPTUNE ENGINES DIAGNOSTIC SYSTEM MANAGEMENT
Sl. No P codes Description Blink Possible causes Check Points Further Actions
Codes
58 P1119 Metering unit high side short circuit to 21 Short circuit with battery supply. Check continuity between A04 on the ECU connector / pin 1. Rectify / Replace wire harness if ther is a
battery error 20 on Interconnector and supply pins (K01/K03/K05/K88) continuity.clear the error and heck for error.
on the ECU connector. 2. Change the metering unit(pump) if error
present & check for error.
There should be continuity in any of the case. 3. If error still there, change ECU

T
4. After changing the ECU, clear the error
anc check, if error still present, check with the
Check continuity between different Metering unit(pump)

1. pin no A04 & A05 on the ECU connector

2. pin no 20 & 21 on Interconnector

AF
3. pin no 1 &2 on metering unit connector

There should be continuity in any of the case.


59 P1120 Metering unit high side short circuit to 21 Short circuit with gnd. Check continuity between A04 on the ECU connector / pin 1. Rectify / Replace wire harness if ther is a
ground error 20 on Interconnector and supply pins (K02/K04/K06) on continuity.clear the error and heck for error.
the ECU connector.
2. Change the metering unit(pump) if error
There should be continuity in any of the case present & check for error.

3. If error still there, change ECU

4. After changing the ECU, clear the error


anc check, if error still present, check with the
R different Metering unit(pump)
D
21
NEPTUNE ENGINES DIAGNOSTIC SYSTEM MANAGEMENT
Sl. No P codes Description Blink Possible causes Check Points Further Actions
Codes
60 P0201 Injector 1 open load 22 Loose connection / poor contact Visual Inspection Ensure proper connections
between sensor socket & connector
Improper locking of the connector over
the sensor socket

No electrical continuity between ECU N6 Engines Rectify / Replace wire harness

T
to 14 pole injector connector 1. Check continuity between pin no 1 on the 14 pole
connector and pin no A33 on the ECU connector / pin no
3 on the interconnector
2. Check continuity between pin no 2 on the 14 pole
connector and pin no A16 on the ECU connector / pin no
4 on the interconnector
There should be continuity in both the case.
N4 Engines

AF
Check continuity between pin no 3 on the 14 pole
connector and pin no A33 on the ECU connector / pin no
3 on the interconnector
Check continuity between pin no 4 on the 14 pole
connector and pin no A16 on the ECU connector / pin no
4 on the interconnector
There should be continuity in both the case.

No electrical continuity between 14 N6 Engines


pole injector connector to injector 1. Check continuity between pin no 1 on the 14 pole
terminal connector and H2 on the injector terminal nut
2. Check continuity between pin no 2 on the 14 pole
connector and H1 on the injector terminal nut
There should be continuity in both the case.
N4 Engines
1. Check continuity between pin no 3 on the 14 pole
connector and H2 on the injector terminal nut
2. Check continuity between pin no 4 on the 14 pole
R Injector terminals(nut) loosen.
connector and H1 on the injector terminal nut
There should be continuity in both the case.

Visual inspection Ensure proper tightening


Injector(Actuator) defective Check the resistance value b/w terminal of injector- It Replace injector - If the resistance is out of
should be in between 218mohm to 241mohm. specified limit.

Check the injector1 functionality thru tester.


D
i) Using omitec diagnostic scan tool goto actuators test via
Ashok diagnostics--->Diesel---> Engine--->Autodetect---
>Actuators test.
ii) Select Cylinders shutoff from the list.
iii) Select 4 or 6 Cylinders menu.
iv) Turn OFF individual cylinders and observe the engine
vibrations on number of injectors turned off.

ECU defective No check points If all the above check points are ok Replace ECU
/ Faulty ECU to be sent for investigated

22
NEPTUNE ENGINES DIAGNOSTIC SYSTEM MANAGEMENT
Sl. No P codes Description Blink Possible causes Check Points Further Actions
Codes
61 P0202 Injector 2 open load 22 Loose connection / poor contact Visual Inspection Ensure proper connections
between sensor socket & connector.
Improper locking of the connector over
the sensor socket
No electrical continuity between ECU N6 Engines Rectify / Replace wire harness
to 14 pole injector connector. 1. Check continuity between pin no 9 on the 14 pole

T
connector and pin no A31 on the ECU connector / pin no
9 on the interconnector
2. Check continuity between pin no 10 on the 14 pole
connector and pin no A01 on the ECU connector / pin no
10 on the interconnector
There should be continuity in both the case.
N4 Engines
1. Check continuity between pin no 9 on the 14 pole

AF
connector and pin no A31 on the ECU connector / pin no
9 on the interconnector
2. Check continuity between pin no 10 on the 14 pole
connector and pin no A01 on the ECU connector / pin no
10 on the interconnector
There should be continuity in both the case.

No electrical continuity between 14 N6 Engines


pole injector connector to injector 1. Check continuity between pin no 9 on the 14 pole
terminal connector and H10 on the injector terminal nut
2. Check continuity between pin no 10 on the 14 pole
connector and H9 on the injector terminal nut
There should be continuity in both the case.
N4 Engines
1. Check continuity between pin no 9 on the 14 pole
connector and H6 on the injector terminal nut
2. Check continuity between pin no 10 on the 14 pole
R Injector terminals loosen.
connector and H5 on the injector terminal nut
There should be continuity in both the case.

Visual inspection Ensure proper tightening


Actuator defective Check the resistance value b/w terminal of injector- It If the resistance is out of specified limit - Replace
should be in between 218mohm to 241mohm. injector
D
Check the injector1 functionality thru tester.
i) Using omitec diagnostic scan tool goto actuators test via
Ashok diagnostics--->Diesel---> Engine--->Autodetect---
>Actuators test.
ii) Select Cylinders shutoff from the list.
iii) Select 4 or 6 Cylinders menu.
iv) Turn OFF individual cylinders and observe the engine
vibrations on number of injectors turned off.

ECU defective No check points If all the above check points are ok Replace ECU
/ Faulty ECU to be sent for investigated

23
NEPTUNE ENGINES DIAGNOSTIC SYSTEM MANAGEMENT
Sl. No P codes Description Blink Possible causes Check Points Further Actions
Codes
62 P0203 Injector 3 open load 22 Loose connection / poor contact Visual Inspection Ensure proper connections
between sensor socket & connector.
Improper locking of the connector over
the sensor socket
No electrical continuity between ECU N6 Engines Rectify / Replace wire harness
to 14 pole injector connector. 1. Check continuity between pin no 3 on the 14 pole

T
connector and pin no A47 on the ECU connector / pin no
5 on the interconnector
2. Check continuity between pin no 4 on the 14 pole
connector and pin no A17 on the ECU connector / pin no
6 on the interconnector
There should be continuity in both the case.
N4 Engines
1. Check continuity between pin no 11 on the 14 pole
connector and pin no A47 on the ECU connector / pin no

AF
5 on the interconnector
2. Check continuity between pin no 12 on the 14 pole connector and
pin no A17 on the ECU connector / pin no 6 on the interconnector
There should be continuity in both the case.

No electrical continuity between 14 N6 Engines


pole injector connector to injector 1. Check continuity between pin no 3 on the 14 pole
terminal connector and H6 on the injector terminal nut
2. Check continuity between pin no 4 on the 14 pole
connector and H5 on the injector terminal nut
There should be continuity in both the case.
N4 Engines
1. Check continuity between pin no 11 on the 14 pole
connector and H8 on the injector terminal nut
2. Check continuity between pin no 12 on the 14 pole
connector and H7 on the injector terminal nut
There should be continuity in both the case.
R Injector terminals loosen. Visual inspection Ensure proper tightening (Tightening torque - 1.5
±0.25Nm)
Actuator defective Check the resistance value b/w terminal of injector- It If the resistance is out of specified limit - Replace
should be in between 218mohm to 241mohm. injector

Check the injector1 functionality thru tester.


D
i) Using omitec diagnostic scan tool goto actuators test via
Ashok diagnostics--->Diesel---> Engine--->Autodetect---
>Actuators test.
ii) Select Cylinders shutoff from the list.
iii) Select 4 or 6 Cylinders menu.
iv) Turn OFF individual cylinders and observe the engine
vibrations on number of injectors turned off.

ECU defective No check points If all the above check points are ok Replace ECU
/ Faulty ECU to be sent for investigated

24
NEPTUNE ENGINES DIAGNOSTIC SYSTEM MANAGEMENT
Sl. No P codes Description Blink Possible causes Check Points Further Actions
Codes
63 P0204 Injector 4 open load 22 Loose connection / poor contact Visual Inspection Ensure proper connections
between sensor socket & connector.
Improper locking of the connector over
the sensor socket
No electrical continuity between ECU N6 Engines Rectify / Replace wire harness
to 14 pole injector connector. 1. Check continuity between pin no 11 on the 14 pole

T
connector and pin no A32 on the ECU connector / pin no
11 on the interconnector
2. Check continuity between pin no 12 on the 14 pole
connector and pin no A02 on the ECU connector / pin no
12 on the interconnector
There should be continuity in both the case.
N4 Engines
1. Check continuity between pin no 14 on the 14 pole
connector and pin no A02 on the ECU connector / pin no

AF
12 on the interconnector
2. Check continuity between pin no 13 on the 14 pole
connector and pin no A32 on the ECU connector / pin no
11 on the interconnector
There should be continuity in both the case.

No electrical continuity between 14 N6 Engines


pole injector connector to injector 1. Check continuity between pin no 11 on the 14 pole
terminal connector and H12 on the injector terminal nut
2. Check continuity between pin no 12 on the 14 pole
connector and H11 on the injector terminal nut
There should be continuity in both the case.
N4 Engines
1. Check continuity between pin no 13 on the 14 pole
connector and H4 on the injector terminal nut
2. Check continuity between pin no 14 on the 14 pole
connector and H3 on the injector terminal nut
R Injector terminals loosen.
There should be continuity in both the case.

Visual inspection Ensure proper tightening


Actuator defective Check the resistance value b/w terminal of injector- It If the resistance is out of specified limit - Replace
should be in between 218mohm to 241mohm. injector

Check the injector1 functionality thru tester.


D
i) Using omitec diagnostic scan tool goto actuators test via
Ashok diagnostics--->Diesel---> Engine--->Autodetect---
>Actuators test.
ii) Select Cylinders shutoff from the list.
iii) Select 4 or 6 Cylinders menu.
iv) Turn OFF individual cylinders and observe the engine
vibrations on number of injectors turned off.

ECU defective No check points If all the above check points are ok Replace ECU
/ Faulty ECU to be sent for investigated

25
NEPTUNE ENGINES DIAGNOSTIC SYSTEM MANAGEMENT
Sl. No P codes Description Blink Possible causes Check Points Further Actions
Codes
64 P0205 Injector 5 open load 22 Loose connection / poor contact Visual Inspection Ensure proper connections
between sensor socket & connector.
Improper locking of the connector over
the sensor socket
No electrical continuity between ECU N6 Engines Rectify / Replace wire harness

T
to 14 pole injector connector. 1. Check continuity between pin no 5 on the 14 pole
connector and pin no A48 on the ECU connector / pin no
7 on the interconnector

2. Check continuity between pin no 8 on the 14 pole


connector and pin no A18 on the ECU connector / pin no
8 on the interconnector

AF
There should be continuity in both the case.

No electrical continuity between 14 N6 Engines


pole injector connector to injector 1. Check continuity between pin no 5 on the 14 pole
terminal connector and H4 on the injector terminal nut

2. Check continuity between pin no 8 on the 14 pole


connector and H3 on the injector terminal nut

There should be continuity in both the case.

Injector terminals loosen. Visual inspection Ensure proper tightening


R Actuator defective Check the resistance value b/w terminal of injector- It
should be in between 218mohm to 241mohm.

Check the injector1 functionality thru tester.


i) Using omitec diagnostic scan tool goto actuators test via
Ashok diagnostics--->Diesel---> Engine--->Autodetect---
If the resistance is out of specified limit - Replace
injector

>Actuators test.
ii) Select Cylinders shutoff from the list.
iii) Select 4 or 6 Cylinders menu.
D
iv) Turn OFF individual cylinders and observe the engine
vibrations on number of injectors turned off.

ECU defective No check points If all the above check points are ok Replace ECU
/ Faulty ECU to be sent for investigated

26
NEPTUNE ENGINES DIAGNOSTIC SYSTEM MANAGEMENT
Sl. No P codes Description Blink Possible causes Check Points Further Actions
Codes
65 P0206 Injector 6 open load 22 Loose connection / poor contact Visual Inspection Ensure proper connections
between sensor socket & connector.

Improper locking of the connector over


the sensor socket

T
No electrical continuity between ECU N6 Engines Rectify / Replace wire harness
to 14 pole injector connector. 1. Check continuity between pin no 13 on the 14 pole
connector and pin no A46 on the ECU connector / pin no
13 on the interconnector

2. Check continuity between pin no 14 on the 14 pole


connector and pin no A03 on the ECU connector / pin no
14 on the interconnector

AF
There should be continuity in both the case.

No electrical continuity between 14 N6 Engines


pole injector connector to injector 1. Check continuity between pin no 13 on the 14 pole
terminal connector and H8 on the injector terminal nut

2. Check continuity between pin no 14 on the 14 pole


connector and H7 on the injector terminal nut

R There should be continuity in both the case.

Injector terminals loosen. Visual inspection Ensure proper tightening


Actuator defective Check the resistance value b/w terminal of injector- It If the resistance is out of specified limit - Replace
should be in between 218mohm to 241mohm. injector

Check the injector1 functionality thru tester.


i) Using omitec diagnostic scan tool goto actuators test via
Ashok diagnostics--->Diesel---> Engine--->Autodetect---
>Actuators test.
D
ii) Select Cylinders shutoff from the list.
iii) Select 4 or 6 Cylinders menu.
iv) Turn OFF individual cylinders and observe the engine
vibrations on number of injectors turned off.

ECU defective No check points If all the above check points are ok Replace ECU
/ Faulty ECU to be sent for investigated

27
NEPTUNE ENGINES DIAGNOSTIC SYSTEM MANAGEMENT
Sl. No P codes Description Blink Possible causes Check Points Further Actions
Codes
66 P0262 Injector 1 general short circuit 22 Injector low side line short with High N6 Engines Rectify / Replace wire harness
side
Check continuity between
1) pin no 1 & 2 on the 14 pole connector
2) pin no 3 & 4 on the interconnector

T
3) pin no A33 & A16 on the ECU connector
4) H2 & H1 of intector terminal nut.

There should not be continuity in any of the case.

N4 Engines
Check continuity between
1) pin no 3 & 4 on the 14 pole connector

AF
2) pin no A33 & A16 on the ECU connector
3) pin no 3 & 4 on the interconnector
4) H2 & H1 of intector terminal nut.

There should not be continuity in any of the case.

Injector low side line short with supply N6 Engines


Check continuity between pin no 4 on the 14 pole
connector / pin no 2 on the interconnector / pin no A16 on
the ECU connector and ECU K01/03/05/88
R There should not be continuity in any of the case.

N4 Enngines
Check continuity between pin no 4 on the 14 pole
connector / pin no 4 on the interconnector / pin no A1 on
the ECU connector to ECU K01/03/05/88

There should not be continuity in any of the case.


D
Actuator defective Check the resistance value b/w terminal of injector- It If the resistance is out of specified limit - Replace
should be in between 218mohm to 241mohm. injector

ECU defective No check points If all the above check points are ok Replace ECU
/ Faulty ECU to be sent for investigated

28
NEPTUNE ENGINES DIAGNOSTIC SYSTEM MANAGEMENT
Sl. No P codes Description Blink Possible causes Check Points Further Actions
Codes
67 P0265 Injector 2 general short circuit 22 Injector low side line short with High N6 Engines Rectify / Replace wire harness
side
Check continuity between
1) pin no 9 & 10 on the 14 pole connector
2) pin no 9 & 10 on the interconnector

T
3) pin no A31 & A01 on the ECU connector
4) H10 & H9 of intector terminal nut.

There should not be continuity in any of the case.

N4 Engines
Check continuity between pin no 9 & 10 on the 14 pole
connector / pin no 9 & 10 on the interconnector /pin no

AF
A31 & A01 on the ECU connector / H6 & H5 of intector
terminal nut.

There should not be continuity in any of the case.

Injector low side line short with supply N6 Engines


Check continuity between pin no 10 on the 14 pole
connector / pin no 10 on the interconnector / pin no A01
on the ECU connector and ECU K01/03/05/88

There should not be continuity in any of the case.


R N4 Enngines
Check continuity between pin no 10 on the 14 pole
connector / pin no 10 on the interconnector / pin no A01
on the ECU connector and ECU K01/03/05/88

There should not be continuity in any of the case.


D
Actuator defective Check the resistance value b/w terminal of injector- It Check the resistance value b/w terminal of
should be in between 218mohm to 241mohm. injector- It should be in between 218mohm to
241mohm.
ECU defective No check points If all the above check points are ok Replace ECU
/ Faulty ECU to be sent for investigated

29
NEPTUNE ENGINES DIAGNOSTIC SYSTEM MANAGEMENT
Sl. No P codes Description Blink Possible causes Check Points Further Actions
Codes
68 P0268 Injector 3 general short circuit 22 Injector low side line short with High N6 Engines Rectify / Replace wire harness
side
Check continuity between
1) pin no 3 & 4 on the 14 pole connector
2) pin no 5 & 6 on the interconnector

T
3) pin no A47 & A17 on the ECU connector
4) H6 & H5 of intector terminal nut.

There should not be continuity in any of the case.

N4 Engines
Check continuity between
1) pin no 11 & 12 on the 14 pole connector

AF
2)pin no 5 & 6 on the interconnector
3) pin no A47 & A17 on the ECU connector
4) H8 & H7 of intector terminal nut.

There should not be continuity in any of the case.

Injector low side line short with supply N6 Engines


Check continuity between pin no 4 on the 14 pole
connector / pin no 6 on the interconnector / pin no A17 on
the ECU connector and ECU K01/03/05/88
R There should not be continuity in any of the case.

N4 Enngines
Check continuity between pin no 12 on the 14 pole
connector / pin no 6 on the interconnector / pin no A17 on
the ECU connector and ECU K01/03/05/88

There should not be continuity in any of the case.


D
Actuator defective Check the resistance value b/w terminal of injector- It Check the resistance value b/w terminal of
should be in between 218mohm to 241mohm. injector- It should be in between 218mohm to
241mohm.

ECU defective No check points If all the above check points are ok Replace ECU
/ Faulty ECU to be sent for investigated

30
NEPTUNE ENGINES DIAGNOSTIC SYSTEM MANAGEMENT
Sl. No P codes Description Blink Possible causes Check Points Further Actions
Codes
69 P0271 Injector 4 general short circuit 22 Injector low side line short with High N6 Engines Rectify / Replace wire harness
side Check continuity between
1) pin no 11 & 12 on the 14 pole connector
2) pin no 11 & 12 on the interconnector
3) pin no A32 & A02 on the ECU connector

T
4) H11 & H12 of intector terminal nut.

There should not be continuity in any of the case.

N4 Engines
Check continuity between
1) pin no 13 & 14 on the 14 pole connector
2) pin no 11 & 12 on the interconnector

AF
3) pin no A32 & A02 on the ECU connector
4) H4 & H3 of intector terminal nut.

There should not be continuity in any of the case.

Injector low side line short with supply N6 Engines


Check continuity between pin no 12 on the 14 pole
connector / pin no 12 on the interconnector / pin no A02
on the ECU connector and ECU K01/03/05/88

There should not be continuity in any of the case.


R N4 Enngines
Check continuity between pin no 14 on the 14 pole
connector / pin no 12 on the interconnector / pin no A02
on the ECU connector and ECU K01/03/05/88

There should not be continuity in any of the case.


D
Actuator defective Check the resistance value b/w terminal of injector- It Check the resistance value b/w terminal of
should be in between 218mohm to 241mohm. injector- It should be in between 218mohm to
241mohm.

ECU defective No check points If all the above check points are ok Replace ECU
/ Faulty ECU to be sent for investigated

31
NEPTUNE ENGINES DIAGNOSTIC SYSTEM MANAGEMENT
Sl. No P codes Description Blink Possible causes Check Points Further Actions
Codes
70 P0274 Injector 5 general short circuit 22 Injector low side line short with High N6 Engines Rectify / Replace wire harness
side Check continuity between
1) pin no 5 & 8 on the 14 pole connector
2) pin no 7 & 8 on the interconnector
3) pin no A48 & A18 on the ECU connector

T
4) H4 & H3 of intector terminal nut.
There should not be continuity in any of the case.

Injector low side line short with supply N6 Engines


Check continuity between pin no 8 on the 14 pole
connector / pin no 8 on the interconnector / pin no A18 on

AF
the ECU connector and ECU K01/03/05/88
There should not be continuity in any of the case.

Actuator defective Check the resistance value b/w terminal of injector- It Check the resistance value b/w terminal of
should be in between 218mohm to 241mohm. injector- It should be in between 218mohm to
241mohm.
ECU defective No check points If all the above check points are ok Replace ECU
/ Faulty ECU to be sent for investigated

71 P0277 Injector 6 general short circuit 22 Injector low side line short with High N6 Engines Rectify / Replace wire harness
side Check continuity between
1) pin no 13 & 14 on the 14 pole connector
2) pin no 13 & 14 on the interconnector
3) pin no A46 & A03 on the ECU connector
4) H8 & H7 of intector terminal nut.
R Injector low side line short with supply
There should not be continuity in any of the case.

N6 Engines
Check continuity between pin no 14 on the 14 pole
connector / pin no 14 on the interconnector / pin no A03
on the ECU connector and ECU K01/03/05/88
D
There should not be continuity in any of the case.

Actuator defective Check the resistance value b/w terminal of injector- It Check the resistance value b/w terminal of
should be in between 218mohm to 241mohm. injector- It should be in between 218mohm to
241mohm.
ECU defective No check points If all the above check points are ok Replace ECU
/ Faulty ECU to be sent for investigated

32
NEPTUNE ENGINES DIAGNOSTIC SYSTEM MANAGEMENT
Sl. No P codes Description Blink Possible causes Check Points Further Actions
Codes
72 P2148 Injector Bank 1 short circuit 22 Any One cyl in Bank 1 (Cyl 1,2,3) N6 Engines Rectify / Replace wire harness
High side short to gnd Check continuity between,
1) pin no 1 on the 14 pole connector / pin no 3 on the
interconnector /pin no A33 on the ECU connector and K02/K04/
K06.
2) pin no 3 on the 14 pole connector / pin no 5 on the

T
interconnector /pin no A47 on the ECU connector and K02/K04/
K06.
3) pin no 5 on the 14 pole connector / pin no 7 on the
interconnector /pin no A48 on the ECU connector and K02/K04/
K06.
There should not be continuity in any of the case.
N4 Engines
Check continuity between,

AF
1) pin no 3 on the 14 pole connector / pin no 3 on the
interconnector /pin no A33 on the ECU connector and K02/K04/
K06.
2) pin no 11 on the 14 pole connector / pin no 5 on the
interconnector /pin no A47 on the ECU connector and K02/K04/
K06.
There should not be continuity in any of the case.
Any One cyl in Bank 1 (Cyl 1,2,3) N6 Engines
High side short to battery Check continuity between,
1) pin no 1 on the 14 pole connector / pin no 3 on the
interconnector /pin no A33 on the ECU connector and
K01/K03/K05/K88.
2) pin no 3 on the 14 pole connector / pin no 5 on the
interconnector /pin no A47 on the ECU connector and
K01/K03/K05/K88.
3) pin no 5 on the 14 pole connector / pin no 7 on the
R interconnector /pin no A48 on the ECU connector and
K01/K03/K05/K88.
There should not be continuity in any of the case.
N4 Engines
Check continuity between,
1) pin no 3 on the 14 pole connector / pin no 3 on the
interconnector /pin no A33 on the ECU connector and
K01/K03/K05/K88.
2) pin no 11 on the 14 pole connector / pin no 5 on the
D
interconnector /pin no A47 on the ECU connector and
K01/K03/K05/K88.
There should not be continuity in any of the case.

33
NEPTUNE ENGINES DIAGNOSTIC SYSTEM MANAGEMENT
Sl. No P codes Description Blink Possible causes Check Points Further Actions
Codes
72 P2148 Injector Bank 1 short circuit 22 Any One cyl in Bank 1 (Cyl 1,2,3) N6 Engines Rectify / Replace wire harness
(Contd.) low side short to gnd Check continuity between,
1) pin no 2 on the 14 pole connector / pin no 4 on the
interconnector /pin no A16 on the ECU connector and
K02/K04/K06.
2) pin no 4 on the 14 pole connector / pin no 6 on the

T
interconnector /pin no A17 on the ECU connector and
K02/K04/K06.
3) pin no 8 on the 14 pole connector / pin no 8 on the
interconnector /pin no A18 on the ECU connector and
K02/K04/K06.
There should not be continuity in any of the case.
N4 Engines
Check continuity between,
1) pin no 4 on the 14 pole connector / pin no 4 on the

AF
interconnector /pin no A16 on the ECU connector and
K02/K04/K06.
2) pin no 12 on the 14 pole connector / pin no 6 on the
interconnector /pin no A17 on the ECU connector and
K02/K04/K06.
There should not be continuity in any of the case.

73 P2151 Injector Bank 2 short circuit 22 Any One cyl in Bank 1 (Cyl 1,2,3) N6 Engines Rectify / Replace wire harness
High side short to gnd Check continuity between,
1) pin no 9 on the 14 pole connector / pin no 9 on the
interconnector /pin no A31 on the ECU connector and
K02/K04/K06.
2) pin no 11 on the 14 pole connector / pin no 11 on the
interconnector /pin no A32 on the ECU connector and
K02/K04/K06.
3) pin no 13 on the 14 pole connector / pin no 13 on the
interconnector /pin no A46 on the ECU connector and
K02/K04/K06.
R There should not be continuity in any of the case.
N4 Engines
Check continuity between,
1) pin no 9 on the 14 pole connector / pin no 9 on the
interconnector /pin no A31 on the ECU connector and
K02/K04/K06.
2) pin no 13 on the 14 pole connector / pin no 11 on the
interconnector /pin no A32 on the ECU connector and
K02/K04/K06.
There should not be continuity in any of the case.
D
34
NEPTUNE ENGINES DIAGNOSTIC SYSTEM MANAGEMENT
Sl. No P codes Description Blink Possible causes Check Points Further Actions
Codes
73 P2151 Injector Bank 2 short circuit 22 Any One cyl in Bank 1 (Cyl 1,2,3) N6 Engines
(Contd.) High side short to battery Check continuity between,
1) pin no 9 on the 14 pole connector / pin no 9 on the
interconnector /pin no A31 on the ECU connector and
K01/K03/K05/K88.
2) pin no 11 on the 14 pole connector / pin no 11 on the

T
interconnector /pin no A32 on the ECU connector and
K01/K03/K05/K88.
3) pin no 13 on the 14 pole connector / pin no 13 on the
interconnector /pin no A46 on the ECU connector and
K01/K03/K05/K88.
There should not be continuity in any of the case.
N4 Engines
Check continuity between,
1) pin no 9 on the 14 pole connector / pin no 9 on the
interconnector /pin no A31 on the ECU connector and

AF
K01/K03/K05/K88.
2) pin no 13 on the 14 pole connector / pin no 11 on the
interconnector /pin no A32 on the ECU connector and
K01/K03/K05/K88.
There should not be continuity in any of the case.

Any One cyl in Bank 1 (Cyl 1,2,3) N6 Engines


low side short to gnd Check continuity between,
1) pin no 10 on the 14 pole connector / pin no 10 on the
interconnector /pin no A01 on the ECU connector and
K02/K04/K06.
2) pin no 4 on the 12 pole connector / pin no 12 on the
interconnector /pin no A02 on the ECU connector and
R K02/K04/K06.
3) pin no 14 on the 14 pole connector / pin no 14 on the
interconnector /pin no A03 on the ECU connector and
K02/K04/K06.
There should not be continuity in any of the case.

N4 Engines
Check continuity between,
1) pin no 10 on the 14 pole connector / pin no 10 on the
interconnector /pin no A01 on the ECU connector and
D
K02/K04/K06.
2) pin no 14 on the 14 pole connector / pin no 12 on the
interconnector /pin no A02 on the ECU connector and
K02/K04/K06.
There should not be continuity in any of the case.v

35
NEPTUNE ENGINES DIAGNOSTIC SYSTEM MANAGEMENT
Sl. No P codes Description Blink Possible causes Check Points Further Actions
Codes
74 P0219 Engine Overspeed detected 53 Engine speed exceeds 3000 rpm. Ensure engine brake functionality 1. Advise Proper driving
Down hill drive. Do not downshift the gear by higher shifts (eg.
Improper downshifting of gears during from 5th gear to 2nd gear)
downhill drive 2. Use exhaust brake when descending from hills

T
75 P0406 EGR Valve position sensor signal 92 Loose connection / poor contact Visual Inspection Ensure proper locking of the connector and
voltage above upper limit between sensor socket & connector. sensor socket
Improper locking of the connector over
the sensor socket
No electrical continuity between ECU 1. Check continuity between pin no 1 on the sensor Rectify / replace Wiring Harness
to sensor connector. connector and pin no A40 on the ECU connector / pin no
52 on the interconnector
2. Check continuity between pin no 2 on the sensor

AF
connector and pin no A12 on the ECU connector / pin no
51 on the interconnector
3. Check continuity between pin no 3 on the sensor
connector and pin no A22 on the ECU connector / pin no
50 on the interconnector
There should be continuity in any of the case.

Signal line short to supply (5Volts) Check thecontinuity between


1. pin no 2 & 3 on the sensor connector
2. pin no A12 & A22 on the ECU connector
3. pin no 51 & 50 on the interconnector
Thershould not be any continuity in any of the case.
R Signal line short to battery (greater
than 5 Volts)
Check the voltage between
1. pin no 2 & 1 on the sensor connector
2. pin no A12 & A40 on the ECU connector
3. pin no 51 & 52 on the interconnector
Ther should not be more than 5V in any of the case.

Sensor defective 1. Check Wiring Harness continuity & short Circuit Replace sensor - If the voltage out of specified
2. Remove sensor end connector limit
3. Check for the sensor error in Tester
D
If Error is registered, then connect the sensor end
connector and erase the error code
4. Check the Sensor signal voltage thru tester (Parameter
3)
5.The voltage spec should be 0.6V to 0.8V

ECU defective No check points If all the above check points are ok Replace ECU
/ Faulty ECU to be sent for investigated

36
NEPTUNE ENGINES DIAGNOSTIC SYSTEM MANAGEMENT
Sl. No P codes Description Blink Possible causes Check Points Further Actions
Codes
76 P0405 EGR Valve position sensor signal 92 Signal line short to ground 1. Check thecontinuity between pin no 1 on the sensor Rectify / Replace WH
voltage below lower limit connector / pin no A40 on the ECU connector/ pin no 52
on the interconnector
2. Check thecontinuity between pin no 2 on the sensor
connector / pin no A12 on the ECU connector/ pin no 51

T
on the interconnector
Thershould not be any continuity in both the case.

Sensor defective 1. Check Wiring Harness continuity & short Circuit Replace sensor - If the voltage out of specified
2. Remove sensor end connector limit
3. Check for the sensor error in Tester

AF
If Error is registered, then connect the sensor end
connector and erase the error code
4. Check the Sensor signal voltage thru tester (Parameter
3)
5.The voltage spec should be 0.6V to 0.8V

ECU defective No check points If all the above check points are ok Replace ECU
/ Faulty ECU to be sent for investigated

77 P0408 EGR valve position sensor signal 92 No sufficient air pressure 1. Check the minimum air pressure of 4bar. Arrest air leakage.
physical range voltage above upper 2. Check any air leakage in the sysem
limit 3. Check the proper pneumatiucal connection to EGR
valve.

Physical monement blockage. Check for any physical monement blockage & damage of Change the EGR valve
R No proper electrical connection
EGR valve end stops.

1. Check the wiring harness connection of the EGR valve


position sensor as mentioned for Refer check point --- P0406
& P0405 (Sl no 56 & 57)
Rectify / Replace WH

Replace EGR valve if problem still persists.

78 P0407 EGR valve position sensor signal 92 1. Raw voltage value of position Check the minimum air pressure of 4bar. Check any air Arrest air leakage.
physical range voltage below lower sensor below 300mv. leakage in the sysem
limit 2. No sufficient air pressure
D
No proper pneumatical connection Check the proper pneumatiucal connection to EGR valve. Proper pneumatic connection is to be given

Physical monement blockage. Check for any physical monement blockage & Damage of Change the EGR valve
EGR valve end stops.

No proper electrical connection 1. Check the wiring harness connection of the EGR valve Rectify / Replace WH if the problem with wiring
position sensor as mentioned for Refer check point --- P0406 harness.
& P0405 (Sl no 56 & 57 ) Replace EGR valve if problem still persists.

37
NEPTUNE ENGINES DIAGNOSTIC SYSTEM MANAGEMENT
Sl. No P codes Description Blink Possible causes Check Points Further Actions
Codes
79 P0487 EGR Valve Open load error 91 Loose connection / poor contact Visual Inspection Ensure proper locking of the connector and
between sensor socket & connector. sensor socket
Improper locking of the connector over
the sensor socket
No electrical continuity between ECU 1. Check continuity between pin no 1 on the sensor Rectify / Replace WH

T
to sensor connector. connector and pin no A45 on the ECU connector / pin no
17 on the interconnector
2. Check continuity between pin no 2 on the sensor
connector and pin no A35 on the ECU connector / pin no
18 on the interconnector
There should be continuity in both the case.

AF
80 P0490 EGR Valve short sircuit to battery error 91 Short circuit of actuator lines with 1. Check the continuity between pin no A35 on ECU 1. Rectify / Replace WH
battery. connector / pin no 18 on interconnector and K01 /K03/ 2. If problem still persists replace EGR Valve
K05/K88.
(or)
2. Check the continuity between A45 / pin no 17 on
interconnector and K01 /K03/K05/K88
Thereshould not be any continuity in both the cases

81 P0489 EGR Valve short circuit to ground error 91 Short circuit of actuator lines with Check the continuity between pin no A35 on EC connector 1. Rectify / Replace WH
ground. / pin no 17 on interconnector and K02/K04/K06 2. If problem still persists replace EGR Valve
(or)
Check the continuity between A45 / pin no 18 on
interconnector and K02/K04/K06
Thereshould not be any continuity in both the cases

82 P1202
R
EGR valve drift at closed position 92 1. If the average value of the feedback No check points
voltage calculated in the closed stop is
not within the limits from 500 to 1100
-
mv during the EGR learning process.
No proper pneumatical connection Check pneumatiucal connection to EGR valve. Proper pneumatic connection is to be given
D
No sufficient air pressure Check the minimum air pressure of 4bar. Check any air Arrest air leakage.
leakage in the sysem
Soot deposition on EGR actuator Check for soot deposition Clean the EGR actuator.
1. Physical monement blockage. Check for any physical monement blockage. Change the EGR valve
2.EGR Valve wear and tear over
lifetime
No proper electrical connection Check the proper electrical connection. Refer check point 1. Rectify / Replace WH
--- P0489 & P0490 (Sl no 56 & 57 ) 2. If problem still persists replace EGR Valve

38
NEPTUNE ENGINES DIAGNOSTIC SYSTEM MANAGEMENT
Sl. No P codes Description Blink Possible causes Check Points Further Actions
Codes
83 P1203 EGR valve drift at open position 92 1. If the average value of the feedback Check pneumatiucal connection to EGR valve. Proper pneumatic connection is to be given
voltage calculated in the open stop is
not within the limits from 3200 to 4000
mv during the EGR learning process.

T
2. No proper pneumatical connection
No sufficient air pressure Check the minimum air pressure of 4bar. Check any air Arrest air leakage.
leakage in the sysem
Soot deposition Check for soot deposition Clean the EGR actuator.
1. Physical monement blockage. Check for any physical monement blockage. Change the EGR valve
2.EGR Valve wear and tear over
lifetime

AF
No proper electrical connection Check the proper electrical connection. Refer check point 1. Rectify / Replace WH
--- P0489 & P0490 (Sl no 56 & 57) 2. If problem still persists replace EGR Valve

84 P1204 EGR valve operating range drift 92 The absolute value of the difference 1. Ensure the proper electrical & pneumatiucal 1. Clean the EGR valve for accumulation of dust/
of the learned voltage values in the connection to EGR valve. soot
mechanical end stops is not within the 2. If still problem persists, change the EGR Valve
interval of 2100 mv to 3500mv.
Low air pressure Ensure the minimum air pressure of 4bar. Arrest air leakage.

Physical movement blockage. 3. Check for any physical movement blockage. Clean the EGR valve for accumulation of dust/
soot
85 P0401 Permanent governor deviation for EGR 93 1. The positive limit for the EGR deviation 1. Ensure the proper electrical & pneumatiucal 1. Clean the EGR valve for accumulation of dust/
valve of +10% has been exceeded longer than connection to EGR valve. soot
the applicated value of 10 sec. 2. Ensure the minimum air pressure of 4bar. 2. If still problem persists, change the EGR Valve
2. EGR valve sticky 3. Check for any physical monement blockage.
3. Leak in the CALS valve system

86 P0402
valve
R
Permanent governor deviation for EGR 93
4. Insufficient pressure
5. EGR valve stuck
1. The Negative limit for the EGR
deviation of -10% has been exceeded
longer than the applicated value of 10 sec.
2. EGR valve sticky
1. Ensure the proper electrical & pneumatiucal
connection to EGR valve.
2. Ensure the minimum air pressure of 4bar.
3. Check for any physical monement blockage.
1. Clean the EGR valve for accumulation of dust/
soot
2. If still problem persists, change the EGR Valve

3. Leak in the CALS valve system


4. Insufficient pressure
5. EGR valve stuck
D
87 P1205 EGR valve jammed at open position 93 1. The positive limit for the EGR deviation 1. Check for any physical monement blockage. Change the EGR Valve
of +10% has been exceeded longer than
the applicated value of 10 sec.
2. EGR valve is stuck in closed
position
88 P1206 EGR valve jammed at closed position 93 1. The Negative limit for the EGR 1. Check for any physical monement blockage. Change the EGR Valve
deviation of -10% has been exceeded
longer than the applicated value of 10
sec.
2. EGR valve is stuck in open position

39
NEPTUNE ENGINES DIAGNOSTIC SYSTEM MANAGEMENT
Sl. No P codes Description Blink Possible causes Check Points Further Actions
Codes
89 P0123 Accelerator pedal sensor 1 signal 11 Loose connection / poor contact Visual Inspection Ensure proper locking of the connector and
voltage above upper limit between sensor socket & connector. sensor socket

Improper locking of the connector over


the sensor socket

T
Open circuit of ground 1. Check continuity between pin no 3 (Tyco connector)/ Rectify / replace Wiring Harness
pin no B (Metri connector) on the sensor connector and
pin no K62 on the ECU connector.

There should be continuity in both the case.

AF
Signal line short to supply (5Volts) 1. Check continuity b/w

1. pin no K61 & K45 on the ECU connector

2. pin no A & C (metri connector)/ pin no 1 & 2 (tyco


connector)

2. Check continuity b/w

1. pin no K61 & K44 on the ECU connector


2. pin no A & D (metri connector)/ pin no 1 & 5 (tyco
connector)

Thershould not be any continuity in both the case.

Signal line short to battery (greater Check the voltage between


R than 5 Volts)

Sensor defective
pin no A & B (metri connector)/ pin no 1 & 3 (tyco
connector)

There should not be more than 5V in any of the case.

Check resistance of the Acc ped sensor(Pin no 1 &3) If resistance is not as per spec replace sensor
: 2.21 kOhms ± 0.4 kOhms in Zero Position and 1.44
kOhms ± 0.4 kOhms in Max. Position.
D
ECU defective No check points If all the above check points are ok Replace ECU
/ Faulty ECU to be sent for investigated

40
NEPTUNE ENGINES DIAGNOSTIC SYSTEM MANAGEMENT
Sl. No P codes Description Blink Possible causes Check Points Further Actions
Codes
90 P0122 Accelerator pedal sensor 1 signal 11
voltage below lower limit Loose connection / poor contact Visual Inspection Ensure proper connections
between sensor socket & connector.
Improper locking of the connector over
the sensor socket

T
No electrical continuity between ECU 1. Check continuity between pin no 1 (Tyco connector)/ Rectify / Replace WH if there is no continuity.
to sensor connector. pin no A (Metri connector) on the sensor connector and
pin no K61 on the ECU connector.

2. Check continuity between pin no 2 (Tyco connector)/

AF
pin no C (Metri connector) on the sensor connector and
pin no K45 on the ECU connector.

There should be continuity in both the case.

Signal line short to gnd 1. Check continuity b/w


1. pin no K61 & K62 on the ECU connector
2. pin no A & B (metri connector)/ pin no 1 & 3 (tyco
connector)

2. Check continuity b/w


1. pin no K61 & K84 on the ECU connector
2. pin no A & E (metri connector)/ pin no 1 & 6 (tyco
connector)
R Sensor defective
There should not be continuity in both the case.

Check resistance of the Acc ped sensor (Pin no A & B)


: 2.21 kOhms ± 0.4 kOhms in Zero Position and 1.44
If resistance is not as per spec replace sensor

kOhms ± 0.4 kOhms in Max. Position.


D
ECU defective No check points If all the above check points are ok Replace ECU
/ Faulty ECU to be sent for investigated

41
NEPTUNE ENGINES DIAGNOSTIC SYSTEM MANAGEMENT
Sl. No P codes Description Blink Possible causes Check Points Further Actions
Codes
91 P0223 Accelerator pedal sensor 2 signal 11 Loose connection / poor contact Visual Inspection Ensure proper locking of the connector and
voltage above upper limit between sensor socket & connector. sensor socket

Improper locking of the connector over


the sensor socket

T
Open circuit of ground 1. Check continuity between pin no 6 (Tyco connector)/ Rectify / replace Wiring Harness
pin no E (Metri connector) on the sensor connector and
pin no K84 on the ECU connector.

There should be continuity in both the case.

AF
Signal line short to supply (5Volts) 1. Check continuity b/w
1. pin no K83 & K44 on the ECU connector
2. pin no F & D (metri connector)/ pin no 4 & 5 (tyco
connector)

2. Check continuity b/w


1. pin no K83 & K45 on the ECU connector
2. pin no F & C (metri connector)/ pin no 4 & 2 (tyco
connector)

Thershould not be any continuity in both the case.

Signal line short to battery (greater Check the voltage between


R than 5 Volts)

Sensor defective
pin no F& E (metri connector)/ pin no 4 & 6 (tyco
connector)

There should not be more than 5V in any of the case.


Check resistance of the Acc ped sensor(Pin no 1 &3) If resistance is not as per spec replace sensor
: 2.21 kOhms ± 0.4 kOhms in Zero Position and 1.44
kOhms ± 0.4 kOhms in Max. Position.
D
ECU defective No check points If all the above check points are ok Replace ECU
/ Faulty ECU to be sent for investigated

42
NEPTUNE ENGINES DIAGNOSTIC SYSTEM MANAGEMENT
Sl. No P codes Description Blink Possible causes Check Points Further Actions
Codes
92 P0222 Accelerator pedal sensor 2 signal 11 Loose connection / poor contact Visual Inspection Ensure proper connections
voltage below lower limit between sensor socket & connector.

Improper locking of the connector over

T
the sensor socket
No electrical continuity between ECU 1. Check continuity between pin no 4 (Tyco connector)/ Rectify / Replace WH if there is no continuity.
to sensor connector. pin no F (Metri connector) on the sensor connector and
pin no K83 on the ECU connector.

2. Check continuity between pin no 5 (Tyco connector)/


pin no D (Metri connector) on the sensor connector and

AF
pin no K44 on the ECU connector.

There should be continuity in both the case.

Signal line short to gnd 1. Check continuity b/w


1. pin no K83 & K84 on the ECU connector
2. pin no F & E (metri connector)/ pin no 4 & 6 (tyco
connector)

2. Check continuity b/w


1. pin no K83 & K62 on the ECU connector
2. pin no F & B (metri connector)/ pin no 4 & 3 (tyco
connector)
R Sensor defective
There should not be continuity in both the case.
Check resistance of the Acc ped sensor(Pin no 4 &6) :
2.80 kOhms 0.4 kOhms in Zero Position and 2.26 kOhms
± 0.4 kOhms in Max. Position.
If resistance is not as per spec replace sensor

ECU defective No check points If all the above check points are ok Replace ECU
D
/ Faulty ECU to be sent for investigated

43
NEPTUNE ENGINES DIAGNOSTIC SYSTEM MANAGEMENT
Sl. No P codes Description Blink Possible causes Check Points Further Actions
Codes
93 P2135 Non-plausibility error between APP1 11 1. Sensor defective. ACC pad1 1.Replace the accelarator pedal.
& APP2 2. WH problem Check resistance of the Acc ped sensor(Pin no 1 &3) 2. Rectify/Replace the WH.
: 2.21 kOhms ± 0.4 kOhms in Zero Position and 1.44
kOhms ± 0.4 kOhms in Max. Position.

T
ACC pad2
Check resistance of the Acc ped sensor (Pin nos 4 &
6) :2.80 kOhms ± 0.4 kOhms in Zero Position and 2.26
kOhms ± 0.4 kOhms in Max. Position.

94 P0297 Maximum threshold error for Vehicle 16 1. Vehicle speed exceeds 150 km/hr No check points
speed sensor Mounting loose Check the vehicle speed sensor proper installation. Ensure proper mounting

AF
Loose connection / poor contact Visual Inspection Ensure proper locking of the connector and
between sensor socket & connector. sensor socket

Improper locking of the connector over


the sensor socket
No electrical continuity between ECU 1. Check continuity between pin no 1 on the sensor Rectify /Replace WH
to sensor connector. connector and pin no K11 on the ECU connector

2. Check continuity between pin no 2 on the sensor


connector and pin no K34 on the ECU connector

3. Check continuity between pin no 3 on the sensor


connector and pin no K01 on the ECU connector

There should be continuity in all the case.


R Signal line short to gnd Check thecontinuity between
1. pin no K34 & K11 on the ECU connector
2. pin no 1 & 2 on the sensor

There should not be any continuity in both the case.


D
No supply to the sensor Check 5A fuse in fuse module.(Fuse 3) Replace fuse.
Sensor defective No check points Change the vehicle speed sensor

44
NEPTUNE ENGINES DIAGNOSTIC SYSTEM MANAGEMENT
Sl. No P codes Description Blink Possible causes Check Points Further Actions
Codes
95 P0501 Plausibility defect for vehicle speed 16 Mounting loose 1. Check the vehicle speed sensor proper installation. 1. Change the vehicle speed sensor

No supply to the sensor Check 5A fuse in fuse module.(Fuse 3) Replace fuse.


Loose connection / poor contact Visual Inspection Ensure proper locking of the connector and
between sensor socket & connector. sensor socket

T
Improper locking of the connector over
the sensor socket
No electrical continuity between ECU 1. Check continuity between pin no 1 on the sensor Rectify/Replace the WH.
to sensor connector. connector and pin no K11 on the ECU connector
2. Check continuity between pin no 2 on the sensor
connector and pin no K34 on the ECU connector
3. Check continuity between pin no 3 on the sensor

AF
connector and pin no K01 on the ECU connector
There should be continuity in any of the case.

Signal line short to gnd Check thecontinuity between


1. pin no K34 & K11 on the ECU connector
2. pin no 1 & 2 on the sensor
Thershould not be any continuity in both the case.

Sensor defective No check points Replace sensor and check for error
96 P0563 SRC high for battery voltage sensor 72 Battery raw signal exceeds 3832mv Check the Battery Voltage (32V) Replace Battery
at ECU Change ECU if problem perstists
97

98
P0562

P0704 Clutch not plausible


R
SRC low for battery voltage sensor 72

15
Battery raw signal below 1040mv at
ECU
1. Clutch switch connector not
connected
2. Loose connection of clutch
connector
Check the Battery Voltage 9V (consider start condition)

1. Ensure the clutch switch (loose connection / stuck at


one position)
Replace Battery
Change ECU if problem perstists
1 Adjust the clutch sw if required

Wiring harnes faulty 2. Check wiring harness Rectify/Replace the WH.


( Check continuity/shortcircuit between K15 & K68 to
clutch connector end)
D
3. Clutch switch failure 2. Check for the clutch switch status through diagnostic Replace Clutch switch
tester
99 P0504 Plausibility check for Brake 14 If the main brake contact Brk_stMn 1. Ensure the brake switch (loose connection / stuck at Replace Brake switch
and the redundant brake contact Brk_ one position)
stRed are not in the same state. 2. Check for the brake switch status through diagnostic
tester
4. Check wiring harness
( Check continuity/shortcircuit between K41, K14 & K68 to
brake switch connector end)

45
NEPTUNE ENGINES DIAGNOSTIC SYSTEM MANAGEMENT
Sl. No P codes Description Blink Possible causes Check Points Further Actions
Codes
100 P1B01 No load error on engine exhaust flap 95 Loose connection / poor contact Visual inspection. Ensure proper locking of the connector and
low pressure between sensor socket & connector. sensor socket

Improper locking of the connector over


the sensor socket

T
No electrical continuity between ECU 1. Check the continuity between Pin K47 on the pin no 2 Replace / Rectify the wiring harness
to actuator connector. on engine brake valve connector
2. Check the continuity between Pin K29 on the pin no 1
on engine brake valve connector
There should be continuity in both the case

AF
Defective actuator i) Using omitec diagnostic scan tool goto actuators test via Replace the actuator
Ashok diagnostics--->Diesel--->Engine---> Autodetect---
>Actuators test.
ii) Select Exhaust brake from the list.
iii) Select default testing option and verify the engine
brake solenoid functionality

101 P1639 ECU temperature sensor signal 46 Sensor failure at ECU. No check points Replace ECU & faulty ECU to be sent for
voltage above upper limit investigation
102 P1640 ECU temperature sensor signal 46 Sensor failure at ECU. No check points Replace ECU & faulty ECU to be sent for
voltage below lower limit investigation
103 P1503 Diagnostic lamp Open load error 84 1. Lamp not connected 1. Check for the proper connection of connector to the Change the lamp
2. Wiring harness problem instrument cluter
3. Lamp is damaged 2. Check wiring harness (K70 continuity)
R 4. Lamp failure 3. Check for the blown fuse and replace if required
4. Check the functionlity of the lamp through tester.
Procedure is mentioned below,
i) Using omitec diagnostic scan tool goto actuators test via
Ashok diagnostics--->Diesel--->Engine---> Autodetect---
>Actuators test.
ii)select Diagnostic Lamp from the list.
iii) Turn ON & OFF the lamp and verify the lamp
functionality.
D
104 P1505 Diagnostic lamp Short circuit to 84 1.Lamp failure 1. Check the functionlity of the lamp through tester. Replace SVS lamp
ground error
2.Short circuit to Battery 2. Check the continuity between Pin K70 on the ECU Rectify/Replace sensor
connector and ECU supply pins K01/K03/K05.

There should not be continuity in this case

46
NEPTUNE ENGINES DIAGNOSTIC SYSTEM MANAGEMENT
Sl. No P codes Description Blink Possible causes Check Points Further Actions
Codes
105 P1506 Short circuit to ground error 84 1.Lamp failure 1. Check the functionlity of the lamp through tester. Replace SVS lamp

2.Short circuit to Ground 2. Check the continuity between Pin K70 on the ECU Rectify/Replace sensor
connector and ECU ground pins K02/K04/K06.

T
There should not be continuity in this case

106 P1207 EGR shut off valve Open load error 94 Connector open or loose connection. Visual inspection Ensure proper locking of connector
No electrical continuity between ECU 1. Check continuity between pin no K89 on the ECU Rectify/ Replace wiring harness
to EGR shut off valve connector. connector & pin no 4 on the EGR shut off valve connector

2. Check continuity between pin no K50 on the ECU

AF
connector & pin no 1 on the EGR shut off valve end
connector

There should be a continuity in both the case.

EGR shut off valve defective. Check the resistance value b/w pin no 1 & 2 of cals valve Replace the EGR shut off valve
- It should be in between 27 Ohms to 33 Ohms

107 P1209 EGR shut off valve Short circuit to 94 Short circuit to Battery 1. Check the continuity between pin K50 on the ECU Rectify/ Replace wiring harness and check for
battery error connector and ECU supply pins K01, K03 & K05 error

There should not be any continuity If problem still persists, replace EGR shut off
valve
108

109
P1210

P1B02
ground error
R
EGR shut off valve Short circuit to

Exhaust flap low pressure short circuit


94

95
Short circuit to gnd

Short circuit to Battery


1. Check the continuity between pin K50 on the ECU
connector and ECU ground pins K02, K04 & K06

There should not be any continuity

1. Check the continuity between pin K47 on the ECU


Rectify/ Replace wiring harness and check for
error

If problem still persists, replace EGR shut off


valve
Rectify/ Replace wiring harness and check for
to battery error connector and ECU supply pins K01, K03 & K05 error

There should not be any continuity If problem still persists, replace Exhaust flap
D
solenoid
110 P1B03 Exhaust flap low pressure short circuit 95 Short circuit to gnd 1. Check the continuity between pin K47 on the ECU Rectify/ Replace wiring harness and check for
to ground error connector and ECU ground pins K02, K04 & K06 error

There should not be any continuity If problem still persists, replace Exhaust flap
solenoid
111 P1338 Number of injections is limited by 27 Low battery voltage (lower than 8.7V) Check the battery voltage Change the battery
charge balance of booster capacity
112 P1340 Number of injections is limited by 27 Low battery voltage (lower than 8.7V) Check the battery voltage Change the battery
system

47
NEPTUNE ENGINES DIAGNOSTIC SYSTEM MANAGEMENT
Sl. No P codes Description Blink Possible causes Check Points Further Actions
Codes
113 P2290 check of minimum rail pressure 23 1. Rail pressure below the min value No check points Change HP pump.
of 130bar
2. Defective High pressure pump
114 P1630 Reported SPI and COM-Errors of a 54 Hardware failure inside the ECU 1. Switch ON & Off the ignition key(with complete Still error is present, check with a diff ECU
Cy146 afterrun)

T
2. Clear the error.
3. Try the above step once again
115 P1631 ECU Defective - SPI/COM-Errors of 54 1. Communication errors in Cy320 1. Switch ON & Off the ignition key(with complete Still error is present, check with a diff ECU
the Cy320 chip afterrun)
2.damaged cy320 chip. 2. Clear the error.
3. Try the above step once again
116 P1629 EEP Read Error based on the error for 55 1. ECU internal error - EEPROM erase 1. Switch ON & Off the ignition key(with complete Still error is present, check with a diff ECU
more blocks not possible afterrun)

AF
2.damaged EEPROM 2. Clear the error.
3. Try the above step once again
117 P1601 EEP Read Error based on the error for 55 1. ECU internal error - EEPROM read 1. Switch ON & Off the ignition key(with complete Still error is present, check with a diff ECU
more blocks not possible afterrun)
2.damaged EEPROM 2. Clear the error.
3. Try the above step once again
118 P1602 EEP Write Error based on the error for 55 1. ECU internal error - EEPROM write 1. Switch ON & Off the ignition key(with complete Still error is present, check with a diff ECU
one block not possible afterrun)
2.damaged EEPROM 2. Clear the error.
3. Try the above step once again
119 P1636 Visibility of SoftwareResets 0 in DSM 55 Not Applicable 1. Switch ON & Off the ignition key(with complete Still error is present, check with a diff ECU
afterrun)
2. Clear the error.
3. Try the above step once again
120 P1637 Visibility of SoftwareResets 1 in DSM 55 Not Applicable 1. Switch ON & Off the ignition key(with complete Still error is present, check with a diff ECU

121 P1638
R
Visibility of SoftwareResets 2 in DSM 55
afterrun)
2. Clear the error.
3. Try the above step once again
1. If injection happens during overrun 1. Switch ON & Off the ignition key(with complete
condition (e.g. downhill drive)
2. Low Battery voltage (<5V)
afterrun)
2. Clear the error.
Still error is present, check with a diff ECU

3.Memory monitoring (MOC) related 3. Try the above step once again
errors
Note: For all MOC related errors,
D
SWReset is hard -coded
122 P1800 Error Sensor power supply 1 76 SSPMon1 Supply line(incl of Sensor, 1. Isolate the W.H and Check for SSPMon1pin[A09, A21, replace/rectify W.H
W.H, ECU) short with Battery/Ground A24, K43, K44] (connecter end) short circuit with Battery/
ground
2. Check all the component connected to SSPMon1 is
shorted with battery/ground.Components are
1. Boost pressure sensor (A09)
2. Oil pressure and temperature sensor (A24)

48
NEPTUNE ENGINES DIAGNOSTIC SYSTEM MANAGEMENT
Sl. No P codes Description Blink Possible causes Check Points Further Actions
Codes
123 P1801 Error Sensor power supply 2 77 SSPMon2 Supply line(incl of Sensor, 1. Isolate the W.H and Check for SSPMon2pin[A08, A22,
W.H, ECU) short with Battery/Ground K23, K45, K46 (connecter end) continuity with Battery/
ground
- If continuity is there, replace/rectify W.H
2. Check all the component connected to SSPMon2 is

T
shorted with battery/ground.Components are
1. EGR valve position sensor (A22)
2. Accelarator pedal(K45)

124 P1802 Error Sensor power supply 3 78 SSPMon3 Supply line(incl of Sensor, 1. Isolate the W.H and Check for SSPMon3pin[A07, K24]
W.H, ECU) short with Battery/Ground (connecter end) continuity with Battery/ground

AF
- If continuity is there, replace/rectify W.H
2. Check all the component connected to SSPMon3 is
shorted with battery/ground
Components are
1.Rail pressure sensor (A07)

125 P1A00 Acuator relay Short circuit to battery 73 UB2 lines [K68, K41, K14, K18, K37, 1. Isolate the W.H and Check for UB2(connecter end) replace WH/Components connected
error K32, K15, K38, K22, K66, K71, K48, continuity with K01/03/05
K40, K29, K72, K27, K47, K70, K65, - If continuity is there, replace/rectify the W.H
A35, A45] inlcusive of component, 2. Check any short in ECU connector side between
W.H & ECU shorted with Battery UB2[….] and battery pin
3. Check all the component connected to UB2 is shorted
(this error reports only during afterrun) with battery
UB2 connected components K68
R 1. Brake switch (K68, K41 & K14)
2. Cruise control (K18, K37, K32)
3. Clutch switch (K15)
4. Parking brake switch (K38)
5. AC request switch (K22)
6. Diagnostic request switch (K66)
7. OBD lamp (K71)
8. Cold start lamp (K48)
9. Engine brake switch (K40)
D
UB2 connected components K29
10. Grid heater relay (K72)
11. Fuel heater relay (K27)
12. Exhaust flap (K47)
13. Diagnostic lamp (K70, K65)
UB2 connected components A45
14. EGR valve (A35, A45)

49
NEPTUNE ENGINES DIAGNOSTIC SYSTEM MANAGEMENT
Sl. No P codes Description Blink Possible causes Check Points Further Actions
Codes
126 P1A01 Acuator relay Short circuit to battery 73 UB3 lines [K51, K26, K25, K89, K92, 1. Isolate the W.H and Check for UB3 (connecter end) replace WH/Components connected
error K93, K94, K50, K90, K28] inlcusive of continuity with K01/03/05
component, W.H & ECU shorted with - If continuity is there, replace/rectify the W.H
Battery 2. Check any short in ECU connector side between
UB3[….] and battery pin

T
(this error reports only during afterrun) 3. Check all the component connected to UB3 is shorted
with battery
UB3 connected components K51
AC compressor relay(K26)
Fan relay(K25)
UB3 connected components K89
Water in fuel lamp(K92)
Coolant temperature warning lamp (K93)

AF
Oil pressure warning lamp (K94)
EGR shut off valve (K50)
UB3 connected components K90
Starter relay

127 P1A02 Acuator relay Short circuit to ground 73 UB2 lines [K68, K41, K14, K18, K37, 1. Isolate the W.H and Check for UB2(connecter end) If error still persists, replace the ECU
error K32, K15, K38, K22, K66, K71, K48, continuity with Ground/K02/04/06
K40, K29, K72, K27, K47, K70, K65, - If continuity is there, replace/rectify the W.H
A35, A45] inlcusive of component, 2. Check any short in ECU connector side between UB2[….]
W.H & ECU shorted with Ground and any ground pin
3. Check all the component connected to UB2 is shorted
with ground

128 P1A03 Acuator relay Short circuit to ground 73 UB3 lines [K51, K26, K25, K89, K92, 1. Isolate the W.H and Check for UB3 pins (connecter If error still persists, replace the ECU
error K93, K94, K50, K90, K28] inlcusive of end) continuity with Ground/K02/04/06
R component, W.H & ECU shorted with
Ground
- If continuity is there, replace/rectify the W.H
2. Check any short in ECU connector side between UB3
pins and any ground pin
3. Check all the component connected to UB3 is shorted
with ground

129 P1126 setpoint of metering unit in overrun 39 1. Leakage in the high pressure section 1. Check for leakage in high pressure circuit /check 1. Replace the High pressure lines with leakage
D
mode not plausible 2. worn high pressure pump/defective tightness of hydraulic circuit. 3. Change the rail
high pressure 2.PLV return line check for fuel 4. Remove the pump and get it checked from the
3. injection nozzle stuck in open position authorised dealer
4. worn injector 5. Remove the injector and get it checked from
5. leaking pressure limiting valve the authorised dealer
6. Possible error in low pressure
system Zero delivery is not present for
metering unit (leakage in metering unit
is more)/Possible error in low pressure
system metering unit faulty

50
NEPTUNE ENGINES DIAGNOSTIC SYSTEM MANAGEMENT
Sl. No P codes Description Blink Possible causes Check Points Further Actions
Codes
130 P1100 PRV open 25 1. Pump metering unit connector 1. Check whether the pump metering unit connector is 1. Change the rail
loose/not connected connected properly. 2. Change the metering unit.
2. Pump metering unit failure 2. Check whether the rail pressure sensor connector is
3. Rail pressure sensor connector connected properly.
loose/not connected 3. Check the check points of Metering unit, Rail pressure

T
4. Rail pressure sensor failure sensors & SW reset related errors (refer 1. P0193, P0192,
2. P0090, P01119, P1120, P1121, P1122 & 3. P1636,
P1637, P1638)

131 P1111 PRV reached maximun allowed open 25 Total time for PLV open condition Check total time through tester Change the rail
time exceeded the limit (Bosch recommnetation - 300)
132 P1110 PRV reached maximun allowed 25 Total counter for PLV open condition Check count through tester Change the rail

AF
opening count exceeded the limit (Bosch recommnetation - 50)
133 P1113 PRV is forced to open; perform 25 1. Pump metering unit connector 1. Check whether the pump metering unit connector is 1. Change the pump
pressure increase loose/not connected connected properly 2. Change the rail
2. Pump metering unit failure 2. Check whether the rail pressure sensor connector is
3. Rail pressure sensor connector connected properly
loose/not connected 3. Check the connectivity between metering unit
4. Rail pressure sensor failure connector pin and ECU connector pin
4. Check the connectivity between rail pressure sensor
connector pin and ECU connector pin
5. Check the check points of Metering unit, Rail pressure
sensors & SW reset related errors (refer 1. P0193, P0192,
2. P0090, P01119, P1120, P1121, P1122 &
3. P1636, P1637, P1638)

134 P1101
R
PRV forced open (pressure shock) 25 1. Pump metering unit connector
loose/not connected
2. Pump metering unit failure
3. Rail pressure sensor connector
1. Check whether the pump metering unit connector is
connected properly
2. Check whether the rail pressure sensor connector is
connected properly
1. Change the pump
2. Change the rail

loose/not connected 3. Check the connectivity between metering unit


4. Rail pressure sensor failure connector pin and ECU connector pin
4. Check the connectivity between rail pressure sensor
D
connector pin and ECU connector pin
5. Check the check points of Metering unit, Rail pressure
sensors & SW reset related errors (refer 1. P0193, P0192,
2. P0090, P01119, P1120, P1121, P1122 &
3. P1636, P1637, P1638)

51
NEPTUNE ENGINES DIAGNOSTIC SYSTEM MANAGEMENT
Sl. No P codes Description Blink Possible causes Check Points Further Actions
Codes
135 P1521 Water-in-Fuel Sensor signal voltage 87 Loose connection / poor contact of socket. Visusal inspection Rectify/Replace the WH
above upper limit No electrical continuity / shortcircuit Fleet guard
between ECU to waterlevel sensor. Check the wiring harenss continuity from K36 on ECU pin
to 1 on the sensor pin.
Check the wiring harenss continuity from K21 on ECU pin

T
to 2 on the sensor pin.
MHBI
Check the wiring harenss continuity from K01/K03/K05 on
ECU pin to 1 on the sensor pin.
Check the wiring harenss continuity from K36 on ECU pin to
2 on the sensor pin.
Check the wiring harenss continuity from K21 on ECU pin to
3 on the sensor pin.

AF
There should be continuity in both the cases.

Sensor defective For Fleet guard fuel filter Change sensor with filter
Measure resistance across the terminals of crank shaft
sensor, it should be 2.63K ohm
ohm to 4940K ohm.
For MHBI fuel filter
No check points

fuse blown Check the 5A fuse in fuse box Replace the fuse.
136 P1522 Water-in-Fuel Sensor signal voltage 87 Signal line short to ground Fleetguard Rectify/Replace the WH
below lower limit Check the wiring harenss continuity between
1. pin no K36 & K21 on ECU
R 2. pin to 1 on the sensor & 2 /ECU ground pins K02/K04/
K06
MHBI
Check the wiring harenss continuity between
1. pin no K36 & K21 on ECU
2. pin to 2 on the sensor & 3 /ECU ground pins K02/K04/
K06
There shoul not be any continuty in any of the case
D
Sensor defective For Fleet guard fuel filter Change sensor with filter
Measure resistance across the terminals of crank shaft
sensor, it should be 2.63K ohm
ohm to 4940K ohm.
For MHBI fuel filter
No check points

ECU defective No check points If all the above check points are ok Replace ECU
/ Faulty ECU to be sent for investigated

52
NEPTUNE ENGINES DIAGNOSTIC SYSTEM MANAGEMENT
Sl. No P codes Description Blink Possible causes Check Points Further Actions
Codes
137 P1523 water in Fuel Detection 87 1. Excess water accumulated in the Visual inspection 1. Drain the accumulated water in the fuel filter
water separator through the drain cock
138 P1103 Metering unit (ECU) Over temperature 21 _ 1. Switch ON & Off the ignition key(with complete Still error is present, check with a diff ECU
error afterrun)
2. Clear the error.

T
3. Try the above step once again
139 P1116 Intermittent contact between ECU and 21 Intermettent Loose connection of 1. Check any loose connection for A04/A05 1. Replace/Rectify the W.H
Metering Unit MeUn (A04/05) 2. Check any signal distubace on the connector due to
stress & vibration
3. check for any wire backout

140 P1121 Metering unit output short circuit to 21 1. Pump metering unit short circuit to Check the continuity between pin no A05 on the ECU 1. Replace/Rectify the W.H
battery error battery connector and ECU supply lines K01/03/05/K88/A04 2. If still error persists, change the Metering

AF
2. Wiring harness loose connection There should not be any continuity in this case. Unit(Pump)
on -ve

141 P1122 Metering unit output short circuit to 21 Short circuit with Ground Check the continuity between pin no A05 on the ECU 1. Replace/Rectify the W.H
ground error connector and ECU supply lines K02/04/06 2. If still error persists, change the Metering
There should not be any continuity in this case. Unit(Pump)

142 P0659 Powerstage diagnosis could be 72 Batery voltage is high (32V) Check the Battery Voltage Replace Battery
disabled due to high Battery voltage Change ECU if problem perstists
143 P0658 Powerstage diagnosis could be 72 Batery voltage is low (9V) Check the Battery Voltage (consider start condition) Replace Battery
disabled due to low Battery voltage Change ECU if problem perstists
144 P1427 Diagnostic fault check to report the 71 1. Error in the plausibility of current No check points 1. Clear the error through the diagnostic tester.
error due to Over Run energising time with maximum 2. If the problem persists, replace the ECU
permitted energising time during

145 P0215
R
Injection cut off demand from ECU 71
overrun. The ECU has an internal
error.
2. Violation of Overrun condition
Overrun monitoring fault (DFC_
MoFOvR) will trigger this error
No check points 1. Clear the error through the diagnostic tester.
2. If the problem persists, replace the ECU

146 P0404 EGR Valve Current limited 92 1. Sluggish EGR Valve Remove the heat shield and check whether the EGR If problem still persists, Change EGR Valve
(need 2. Soot/dirt deposition in the EGR valve operates freely while switching OFF the ignition key
D
to be valve stem
confirmed) 3. Faulty EGR valve
147 P1211 Long time EGR valve drift at closed 92 Current EGR full close voltage out of Remove the dust protection cap in the EGR valve and Change the EGR valve
(need position range with respect to its original full check whether the EGR valve operates freely while
to be close voltage switching OFF the ignition key
confirmed)
148 P1212 Long time EGR valve drift at open 92 Current EGR full open voltage out of Remove the dust protection cap in the EGR valve and Change the EGR valve
(need position range with respect to its original full check whether the EGR valve operates freely while
to be open voltage switching OFF the ignition key
confirmed)

53
NEPTUNE ENGINES DIAGNOSTIC SYSTEM MANAGEMENT
Sl. No P codes Description Blink Possible causes Check Points Further Actions
Codes
149 P1213 Short time EGR valve drift at closed 92 Current EGR full close voltage out of Remove the dust protection cap in the EGR valve and Change the EGR valve
(need position range with respect to new EGR valve check whether the EGR valve operates freely while
to be full close voltage switching OFF the ignition key
confirmed)
150 P1214 Short time EGR valve drift at open 92 Current EGR full open voltage out of Remove the dust protection cap in the EGR valve and Change the EGR valve

T
(need position range with respect to new EGR valve check whether the EGR valve operates freely while
to be full open voltage switching OFF the ignition key
confirmed)
151 P1641 Timer error of stop counter - - - -
152 P1533 Water in Fuel lamp Open load error 1. Connector open or loose 1. Visual inspection 1. Ensure proper connections.
connection. 2. Check the ECU connector K92 control line is not short 2.. Rectify/ Replace wiring harness
2. No electrical continuity between circuited
ECU & stop lamp 3. Check the functionlity of the lamp through tester.

AF
Procedure is mentioned below,
i) Using omitec diagnostic scan tool goto actuators test via
Ashok diagnostics--->Diesel--->Engine---> Autodetect---
-
>Actuators test.
ii) select water in fuel Lamp from the list.
iii) Turn ON & OFF the lamp and verify the lamp
functionality.

153 P1534 Water in Fuel lamp over temperature Permanent Short Circuit to Battery - 1. Switch ON & Off the ignition key(with complete
error afterrun)
2. Clear the error.
-
3. Try the above step once again
4. Still error is present, check with a diff ECU

154

155

156
P1535

P1536

P1136
battery error
R
Water in Fuel lamp Short circuit to

Water in fuel lamp Short circuit to


ground error
Averaged rail pressure is outside the
-

-
1.Wiring harness problem
2.Short circuit to Battery
1.Wiring harness problem
2.Short circuit to Ground
1. Pump metering unit connector
Check the ECU connector K92 control line is not short
circuited to Battery.
Check the ECU connector K92 control line is not short
circuited to Ground.
1. Check whether the pump metering unit connector is
If problem still persists, replace stop lamp

If problem still persists, replace stop lamp

1. Change the rail


expected tolerance range loose/not connected connected properly. 2. Change the metering unit.
2. Pump metering unit failure 2. Check whether the rail pressure sensor connector is
3. Rail pressure sensor connector connected properly.
-
D
loose/not connected 3. Check the check points of Metering unit, Rail pressure
4. Rail pressure sensor failure sensors (refer P0193, P0192, P0090, P01119, P1120,
P1121, P1122)

157 P1435 Diagnostic fault check to report the 1. Error in the plausibility of current No check points 1. Clear the error through the diagnostic tester.
error due to cooling injection in Over energising time with maximum 2. If the problem persists, replace the ECU
Run permitted energising time during
- overrun when cooling injections are
active. The ECU has an internal error.
2. Violation of Overheat protection

54

You might also like