KEMBAR78
Tank Process Data Sheet | PDF | Physical Quantities | Chemical Engineering
0% found this document useful (0 votes)
403 views2 pages

Tank Process Data Sheet

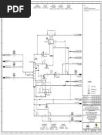
This document is a process data sheet for a technology tank. It provides specifications for the tank including the shell diameter and length, center line position, nozzle locations and sizes, materials, codes, and inspection details. Remarks can be added at the bottom. The sheet tracks revisions over multiple issues.
Copyright
© © All Rights Reserved
We take content rights seriously. If you suspect this is your content, claim it here.
Available Formats
Download as XLS, PDF, TXT or read online on Scribd
0% found this document useful (0 votes)
403 views2 pages

Tank Process Data Sheet

This document is a process data sheet for a technology tank. It provides specifications for the tank including the shell diameter and length, center line position, nozzle locations and sizes, materials, codes, and inspection details. Remarks can be added at the bottom. The sheet tracks revisions over multiple issues.
Copyright
© © All Rights Reserved
We take content rights seriously. If you suspect this is your content, claim it here.
Available Formats
Download as XLS, PDF, TXT or read online on Scribd
You are on page 1/ 2

Doc.

No:
A.K.C.
TECHNOLOGY TANK PROCESS DATA SHEET Item No.
Job: Sheet of
Item Name:

NOTE: * indicates delete as necessary; ** indicates for other than Code reason

10

15

20

25
26 Shell Diameter (O.D. / I.D.): Shell Length: No. Required:
27 Center Line: *Horizontal / Vertical
28 Pressure: g Temperature: oF / oC Nozzles Mark No. Size Number
29 Item Number Inlet C-
30 Operating
31 Design Vapor Out C-
32 Emergency Vacuum Design: * Yes / No
33 Material Corr. Allowance Liquid Out: C-
34 Shell
35 Heads
36 Liner Thermocouple R-
by Inst. Op.

37 Type of Heads Pressure Gauge R-


38 Code: Gauge Glass R-
39 Stress Relieve**: Radiography**: Level Control R-
40 Joint Efficiency: Safety Valve R-
41 Density of Contents: at *oF / oC
42 Weight Empty: Weight Full:
43 Is vessel subject to mechanical vibration? *Yes / No Vent C-
44 insulation: Type: *Frost and Personnel Protection / Cold Drain C-
45 *Yes / No / Anticondensation / Heat Conservation Steam Out C-
46 REMARKS:
47 Manhole A-
48
49
50
51
52
53 min. Base Elev'n: k- Skirt Length
54 Material:

Issue No. 1 Date 2 Date 3 Date 4 Date


Made/Revised by
Checked by
Approved - Process
Approved by

You might also like