KEMBAR78
ATR42 Air Data System Diagram | PDF
0% found this document useful (0 votes)
254 views1 page

ATR42 Air Data System Diagram

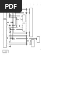
This document is a maintenance record from September 1st, 2022 detailing line maintenance performed on an ATR42 aircraft with tail number F-GPYF and manufacturer serial number 00495. It references an air data system block diagram figure and details the maintenance as line maintenance on the aircraft's air data system.

Uploaded by

Adrian Todea
Copyright
© © All Rights Reserved
We take content rights seriously. If you suspect this is your content, claim it here.
Available Formats
Download as PDF, TXT or read online on Scribd
0% found this document useful (0 votes)
254 views1 page

ATR42 Air Data System Diagram

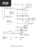
This document is a maintenance record from September 1st, 2022 detailing line maintenance performed on an ATR42 aircraft with tail number F-GPYF and manufacturer serial number 00495. It references an air data system block diagram figure and details the maintenance as line maintenance on the aircraft's air data system.

Uploaded by

Adrian Todea
Copyright
© © All Rights Reserved
We take content rights seriously. If you suspect this is your content, claim it here.
Available Formats
Download as PDF, TXT or read online on Scribd
You are on page 1/ 1

30/10/2022, 14:24 Line Maintenance - ATR42 - NAC4 - 01-Sep-2022 - Figure ICN-ATR-A-341000-A-FB429-022HH-A-001-01 (SHEET 1) - Air Data System Block Diagram.

ram. F-GPYF - MSN: 00495

ICN-ATR-A-341000-A-FB429-022HH-A-001-01

FOR REFERENCE ONLY


Figure ICN-ATR-A-341000-A-FB429-022HH-A-001-01 (SHEET 1) - Air Data System Block Diagram

about:blank 1/1

You might also like