KEMBAR78
GAL1880CV Part List | PDF | Electronic Engineering
100% found this document useful (1 vote)
172 views1 page

GAL1880CV Part List

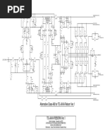
The document lists the component values, sizes, and positions of resistors, transistors, and diodes used on a circuit board. It includes 39 resistors, 10 transistors, and 19 diodes with specifications like resistance values from 0.24 ohms to 1 megohm, transistor models, and diode package types. The components are organized in a table with columns for position, value, and size/case.
Copyright
© © All Rights Reserved
We take content rights seriously. If you suspect this is your content, claim it here.
Available Formats
Download as PDF, TXT or read online on Scribd
100% found this document useful (1 vote)
172 views1 page

GAL1880CV Part List

The document lists the component values, sizes, and positions of resistors, transistors, and diodes used on a circuit board. It includes 39 resistors, 10 transistors, and 19 diodes with specifications like resistance values from 0.24 ohms to 1 megohm, transistor models, and diode package types. The components are organized in a table with columns for position, value, and size/case.
Copyright
© © All Rights Reserved
We take content rights seriously. If you suspect this is your content, claim it here.
Available Formats
Download as PDF, TXT or read online on Scribd
You are on page 1/ 1

Resistors Transistors

position value size (case) position value size (case)


R1 SCK103 Q1 CS1N80 A1H HFU1N80
R2 680k TH 1/4W Q2 PMBT3904 (W1A) SOT-23
R3 1M 0805 (2012) Q3 SMD 1B SOT-23
R4 1M 0805 (2012) Q4 MDF9N50B TO-220F
R5 1M 0805 (2012) Q5 MDF9N50B TO-220F
R6 1M 0805 (2012) Q6 SMD 1B SOT-23
R7 82k 0805 (2012) Q7 K30F06N1 TO-220
R8 30R 0805 (2012) Q8 K30F06N1 TO-220
R9 100R TH 1/4W Q9 SMD 1B SOT-23
R10 1M TH 1/4W Q10 BC817-40(6CT) SOT-23
R11 2k 0805 (2012)
R12 390R 0805 (2012)
R13 6R8 1206 (3216) Diodes
R14 4R7 1206 (3216) position value size (case)
R15 4R7 1206 (3216) V1 1N4007R DO-41
R16 1k 0805 (2012) V2 1N4007R DO-41
R17 22k 0805 (2012) V3 1N4007R DO-41
R18 1k 0805 (2012) V4 1N4148 SOD123
R19 V5 UF4007R DO-41
R20 1M 0805 (2012) V6 1N4007R DO-41
R21 1M 0805 (2012) V7 BZT52C13 SOD-123F
R22 1M 0805 (2012) V8 GBU808
R23 1M 0805 (2012) V9 1N4148 SOD123
R24 100k 0805 (2012) V10 1N4148 SOD123
R25 14k 0805 (2012) V11 1N4148 SOD123
R26 2k 0805 (2012) V12 1N4148 SOD123
R27 9k1 0805 (2012) V13 UF4007R DO-41
R28 47R 0805 (2012) V14 not populated
R29 1M 0805 (2012) V15 not populated
R30 2k 0805 (2012) V16 1N4148 DO-35
R31 47R 0805 (2012) V17 1N4148 DO-35
R32 82R 0805 (2012) V18 1N4148 SOD123
R33 47R 0805 (2012) V19 1N4148 SOD123
R34 4R7 0805 (2012)
R35 100k 0805 (2012) Fuse T 2.5A
R36 47R 0805 (2012)
R37 4R7 0805 (2012)
R38 100k 0805 (2012)
R39 100R 1206 (3216)

R100 0R24 2W
R101 0R24 2W

You might also like