KEMBAR78
Altec 436b | PDF
0% found this document useful (0 votes)
351 views4 pages

Altec 436b

repair manual

Uploaded by

Rian Harian
Copyright
© © All Rights Reserved
We take content rights seriously. If you suspect this is your content, claim it here.
Available Formats
Download as PDF or read online on Scribd
0% found this document useful (0 votes)
351 views4 pages

Altec 436b

repair manual

Uploaded by

Rian Harian
Copyright
© © All Rights Reserved
We take content rights seriously. If you suspect this is your content, claim it here.
Available Formats
Download as PDF or read online on Scribd
You are on page 1/ 4
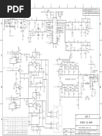
4368 AMPLIFIER SPECIFICATIONS. Type: s. Maximum Compression: Power Outp: Frequency Responst Input Impedance: Source Impedance: Load Impedance: + Noise Level: Controls: Special Features: Attack Tim Recovery Time: Harmonie Distortion: Ling Tenee estes, Ie OPERATING INSTRUCTIONS Compressor Amplifier [56 de from 15,000 ohm source: 42 db bridging 600 ohm line 90 db (50 db change in input results in 20 db change in output) 19 dbm at 30 db compression; -+24 dbm as straight ampli 1.5 db, 3010 15,000 cycles 15,000 ohms bridging transformer (ungrounded) ‘Any up to 15,000 ohms 150/800 ohms 74 db below rated output: 111 dbm equivalent input noise Input gain control; AC power switch 117 volts, 60 eyeles, 20 watts 68C8, 6CG7, 6ALS 19", 34" H, 6D. Dark Green 834 Ibs. Compression meter 50 milliseconds 1 second for 68% recovery cot 25 db of compression, less than 1.596, 35 to 15,000 eps; ‘at 30 db of compression, les than 2.5%, 35 to 10,000 eps. 1515S, Manchester Ave., Anaheim, C New York, Los Angeles UTM IN US DESCRIPTION The 4368 Amplifior is a self-powored unit which occupies 334" of rack space, with input gain control, power switch, fuse, pilot ight and compression meter mounted on a hinged front panel, It is equipped with a bridging input transformer. Output loads of 150 or 600 ohms may be accommodated. The threshold and amount of compression, cs well as the attack and recovery time of the circuit, are fixed quantities considered optimum for average program service, APPLICATIONS The 4368 Amplifier is intended for vse in automatic level control applications in public address systems. It may be used to control level differences between two or more medium-level program sources or as @ program line compressor, or it may be used for automatic fading for voice-over-music announcements. Level diflerences cavsed by individual voice intensities and unequal distances of performers from the microphone, where single microphone pickup is employed, can be minimized by the use of the 436B Compressor. in industrial locations where sudden high level sounds might cause “blasting” with attend= tant danger to amplifiers end loudspeakers, the 4368 Amplifier will prevent such overloading. The 4368 can be used as a line amplifier by simply removing the 6ALS tube from its socket, INSTALLATION AND OPERATION The design of the 4368 Compressor Amplifier is versatile enough that it can be connected into any high- or low-impedance line between preamplifiers and power amplifiers, without edapters or other modification In high-impedance lines, os exemplified by the Altec Lansing 1500 series P.A. amplifiers, the bridging input transformer of the 4368 Amplifier provides a suitable load for the mixer-preamplifiers. The output of the 4368 Amplifier, when ter- minated with 600 ohm resistance, is of sufcient level to operate direcly into the high impedance of the power amplifiers. Where its desired to insert the 4368 info a transmission line of 500/600 ohms, « resistive termination of 600 ohms should be installed ond the input of the 4368 Amplifier connected across this load. The 600 ohm output then provides a suitable source for the input of the following power amplifier. ‘A 600 ohm line level of +7 dbm (1.7 volts) wil drive the 4368 Amplifier to full 30 db compression, with a level of +19 dbm at the output of the compressor. Since this level is great enugh to overdrive most power amplifiers, its necessary 10 install @ suitable loss pad ct the input of the power amplifier, unless the power amplifier is already equipped with « goin control Level Adjustments For unattended sound reinforcement systems in lecture halls and other places where the microphone and loudspecker are in the same room, precaution: must be taken to prevent acous- tic feedback when no performer is at the microphone. Level: setting procedure fer this case is a follows: adjust input gain 40 thatthe average voice speaking at a normal distance from the microphone causes the meter on the 436B Amplifier to ind cate 5 db of compression. Then ,in the absence of the pe former, adjust the power amplifi: goin to the maximum level available without acoustie feedback. With this level adjust ment, the weaker voices are reinforced the maximum possible. Lou 36 will automatically be compressed. ‘microphone is not in the some location cx the lovd- speaker, input lovels to the 4368 Compressor Amplifier should bbe adjusted 20 that average program material wil fo 10 to 15 db of compression, as ‘the meter. System output should then be set for appropriate volume by means of the power amplifier gain control, With the levels adjusted os above, input variatfons of =15 db from ‘average program level will result in only 5 db change at the output of the 4368 Amplifier. When it s desired to automatically fade “background” music for voice announcements, the gain control of the music chan: nel should be set 20 that for average music level, the com. pression threshold is barely reathed, Proper listening level then set by means of the power amplifier gain control, Th voice channel gain control is adjusted to provide approx. mmately 25 db of compresion, as shown on the meter, during normal announcements. The above settings will result in announcements at ai level ‘approximately 18 db above the original music level At the same time, the music will drop to a level about 40’ di below the ennouncement level, COMPRESSION METER It is usually desirable to have the compression meter, visible from the operating postion. When conditions dicate a remote location for the 4368 Amplifier, an Altec #6049 meter should be ordered for installation at the console. The additional meter is connected in parallel with the 4368 Amplifier meter by means of « pair of wires extended to the console location. SERVICING All circuit components are easily reached by opening the hinged front panel of the unit. Normal servicing can be done with a voltmeter. All pertinent information is shown fon the schematic. 4368 Amplifier ‘Average Compression Characteristics 0 ‘a mS ow 203590300 TYPICAL APPLICATIONS in typieal high impedance line. A 600 chm terminating resistor must be connected across the output ia. Fe 93 shown. 1h tyne low impedance line intlation. The remote fader serves 26 proper termination for the 4268. tow with coma inating resistor mun be iol at the extn of the 4368 Amplifier. The TS50A Ap ‘Should be strapped for a secondary Impedance of 15,300" oh ve FIG.1 Nae wgyn ,_ es, BF rl fee FIG.2 Peas et from me yor FIG. AAA SEA AAA oY Swoon waster -—- er ‘TERM. > FE sn ma oh Mh bmn eon PARTS LIST ‘ €2,3,5,6 022 nf, AO0V, MiceldTepeor nm Aste Loming 13021 a 1 mf 200 V, Aaron MLDS 1 Peers 46514 7 £0 nf, 80, Mallory 198 7 Peers 16402 ca 04010 mid 200450450, Mallory FPSO 13 eee 215 ma 47.000 chins, 1% watt, Deposted Carbon MY Ae Laing 6049 15.6.9 immgohny 310%, 3 watt m1 Mondo #44 ” 220 oh, 10%, wt A Yom IAG Foe 24 ohms, 1%, 94 wot, Deposed Carbon 8 Aes Laming 12160 0,11 229000 om, = 10%, wor Reciter Sates Taralan $80 a 235,00 chs, 105, wot “ 88 Voc Tube na 10,0 chime 10%, 1 wat ve 667 Vacuum Tobe ata 6,800 ohme, st 10%, 1 watt v3 GALS Vacuum Tube YaISIIdWV YOSSSYdWOD 8 9c SNISNV] OJ3SL1V an3937 onigavuss 281 + * Foo [Sf ele i} : Gam ove seg = Tt +] of ues ox £] OF gue SIE ome 2| o{Asmallgesne "| Osan a a coral is. zi nai

You might also like