KEMBAR78
CH 05 | PDF | Eigenvalues And Eigenvectors | Euclidean Vector
0% found this document useful (0 votes)
133 views81 pages

CH 05

The document discusses the following: 1) Designing a closed-loop response for an antenna control system with multiple subsystems including pots, preamps, power amps, motors, loads and gears. Block diagrams and signal flow graphs are drawn to model the system. 2) Representing the pitch-angle control of an UFSS vehicle using observer canonical form, with the output being yaw rate as a state variable. State equations are written using a signal flow graph. 3) Converting the vehicle dynamics model to transfer functions using MATLAB. The equivalent transfer function T(s) is obtained.

Uploaded by

Whats UP
Copyright
© © All Rights Reserved
We take content rights seriously. If you suspect this is your content, claim it here.
Available Formats
Download as PDF, TXT or read online on Scribd
0% found this document useful (0 votes)
133 views81 pages

CH 05

The document discusses the following: 1) Designing a closed-loop response for an antenna control system with multiple subsystems including pots, preamps, power amps, motors, loads and gears. Block diagrams and signal flow graphs are drawn to model the system. 2) Representing the pitch-angle control of an UFSS vehicle using observer canonical form, with the output being yaw rate as a state variable. State equations are written using a signal flow graph. 3) Converting the vehicle dynamics model to transfer functions using MATLAB. The equivalent transfer function T(s) is obtained.

Uploaded by

Whats UP
Copyright
© © All Rights Reserved
We take content rights seriously. If you suspect this is your content, claim it here.
Available Formats
Download as PDF, TXT or read online on Scribd
You are on page 1/ 81

F I V E

Reduction of Multiple
Subsystems
SOLUTIONS TO CASE STUDIES CHALLENGES
Antenna Control: Designing a Closed-Loop Response
a. Drawing the block diagram of the system:

Motor,
Power load and
Pots Pre amp amp gears
ui + 150 0.16 uo
10 K
 s+150 s (s+1.32)
-

76.39K
Thus, T(s) =
s3+151.32s2+198s+76.39K

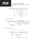
b. Drawing the signal flow-diagram for each subsystem and then interconnecting them yields:

10 1 1 1
 K 150 s x3 0.8 s x2 s x1 0.2
ui uo
pre gears
pot
amp -150 -1.32

power motor
amp and
10 load
-

pot
5-2 Chapter 5: Reduction of Multiple Subsystems

.
x 1 = x2
.
x 2 = - 1.32x2 + 0.8x3
. 10
x 3 = -150x3 +150K( (q i − 0.2x1 )) = -95.49Kx1 - 150x3 + 477.46Ki

o = 0.2x1

In vector-matrix notation,

0 1 0 0

x = 0 -1.32 0.8 x + 0 
i
-95.49K 0 -150 477.46K

o = 0.2 0 0 x

 10  1 1  1 76.39
c. T1 = (K)(150)  (0.8)   (0.2) =
   s  s  s  s3

−150 −1.32 1 1 1  −10  −76.39K


GL1 = ; GL 2 = ; GL 3 = (K)(150)  (0.8)   (0.2) =
s s  s   
s s     s3

Nontouching loops:

198
GL1GL2 = 2
s

150 1.32 76.39K 198


 = 1 - [GL1 + GL2 + GL3] + [GL1GL2] = 1 + + + 3 + 2
s s s s

1 = 1

T 1 1 76.39K
T(s) = = 3
 s +151.32s2 +198s+76.39K
10
0.16K

d. The equivalent forward path transfer function is G(s) = .
s(s+1.32)
Therefore,
2.55
T(s) = 2
s +1.32s+2.55

The poles are located at -0.66 ± j1.454. n = 2.55 = 1.597 rad/s; 2n = 1.32, therefore,  = 0.413.
Solutions to Case Studies Challenges 5-3

2
4 4  
%OS = e− / 1−
x100 = 24%; Ts =  =
0.66
= 6.06 seconds; Tp = =
1.454
=
n  n 1-2

2.16 seconds; Using Figure 4.16, the normalized rise time is 1.486. Dividing by the natural frequency,
1.486
Tr = = 0.93 seconds.
2.55
e.

%OS
- ln ( )
0.51K 0.51K 100
f. Since G(s) = , T(s) = 2 . Also,  = = 0.517 for 15%
s(s+1.32) s +1.32s+0.51K %OS
 + ln ( 100 )
2 2

1.32 1.32
overshoot; n = 0.51K ; and 2n = 1.32. Therefore, n = = = 1.277 = 0.51K .
2 2(0.5147)

Solving for K, K=3.2.

UFSS Vehicle: Pitch-Angle Control Representation

a. Use the observer canonical form for the vehicle dynamics so that the output yaw rate is a state

variable.
1

1 1 1 1
1 -1 2 s -0.125 0.437 s 1 s s 1
u y
x4 x3 x2 x1

-2 -1.483

-0.24897

-1

b. Using the signal flow graph to write the state equations:


5-4 Chapter 5: Reduction of Multiple Subsystems


x1 = x2

x2 = −1.483x2 + x3 − 0.125 x4

x3 = −0.24897 x2 − (0.125 * 0.437) x4

x4 = 2 x1 + 2 x2 − 2 x4 − 2u

In vector-matrix form:

0 1 0 0  0
•  0 −1.483 0 −0.125  0
x= x +  
 0 −0.24897 0 −0.054625 0
   
2 2 0 −2   −2 
y = 1 0 0 0] x

c.
Program:
numg1=-0.25*[1 0.437];
deng1=poly([-2 -1.29 -0.193 0]);
'G(s)'
G=tf(numg1,deng1)
numh1=[-1 0];
denh1=[0 1];
'H(s)'
H=tf(numh1,denh1)
'Ge(s)'
Ge=feedback(G,H)
'T(s)'
T=feedback(-1*Ge,1)
[numt,dent]=tfdata(T,'V');
[Acc,Bcc,Ccc,Dcc]=tf2ss(numt,dent)

Computer response:
ans =

G(s)

Transfer function:
-0.25 s - 0.1093
--------------------------------------
s^4 + 3.483 s^3 + 3.215 s^2 + 0.4979 s

ans =

H(s)

Transfer function:
-s

ans =

Ge(s)

Transfer function:
Answers to Review Questions 5-5

-0.25 s - 0.1093
--------------------------------------
s^4 + 3.483 s^3 + 3.465 s^2 + 0.6072 s

ans =

T(s)

Transfer function:
0.25 s + 0.1093
-----------------------------------------------
s^4 + 3.483 s^3 + 3.465 s^2 + 0.8572 s + 0.1093

Acc =

-3.4830 -3.4650 -0.8572 -0.1093


1.0000 0 0 0
0 1.0000 0 0
0 0 1.0000 0

Bcc =

1
0
0
0

Ccc =

0 0 0.2500 0.1093

Dcc =

ANSWERS TO REVIEW QUESTIONS


1. Signals, systems, summing junctions, pickoff points
2. Cascade, parallel, feedback
3. Product of individual transfer functions, sum of individual transfer functions, forward gain divided by
one plus the product of the forward gain times the feedback gain
4. Equivalent forms for moving blocks across summing junctions and pickoff points
5. As K is varied from 0 to ∞, the system goes from overdamped to critically damped to underdamped.
When the system is underdamped, the settling time remains constant.
6. Since the real part remains constant and the imaginary part increases, the radial distance from the origin
is increasing. Thus the angle  is increasing. Since = cos  the damping ratio is decreasing.
7. Nodes (signals), branches (systems)
8. Signals flowing into a node are added together. Signals flowing out of a node are the sum of signals
flowing into a node.
9. One
10. Phase-variable form, cascaded form, parallel form, Jordan canonical form, observer canonical form
11. The Jordan canonical form and the parallel form result from a partial fraction expansion.
5-6 Chapter 5: Reduction of Multiple Subsystems

12. Parallel form


13. The system poles, or eigenvalues
14. The system poles including all repetitions of the repeated roots
15. Solution of the state variables are achieved through decoupled equations. i.e. the equations are solvable
individually and not simultaneously.
16. State variables can be identified with physical parameters; ease of solution of some representations
17. Systems with zeros
18. State-vector transformations are the transformation of the state vector from one basis system to another.
i.e. the same vector represented in another basis.
19. A vector which under a matrix transformation is collinear with the original. In other words, the length
of the vector has changed, but not its angle.
20. An eigenvalue is that multiple of the original vector that is the transformed vector.
21. Resulting system matrix is diagonal.

SOLUTIONS TO PROBLEMS
1.
a. Combine the inner feedback and the parallel pair.

Multiply the blocks in the forward path and apply the feedback formula to get,

50(s-2)
T(s) = 3 2 .
s +s +150s-100
b.
Program:
'G1(s)'
G1=tf(1,[1 0 0])
'G2(s)'
G2=tf(50,[1 1])
'G3(s)'
G3=tf(2,[1 0])
'G4(s)'
G4=tf([1 0],1)
'G5(s)'
G5=2
'Ge1(s)=G2(s)/(1+G2(s)G3(s))'
Ge1=G2/(1+G2*G3)
'Ge2(s)=G4(s)-G5(s)'
Ge2=G4-G5
Solutions to Problems 5-7

'Ge3(s)=G1(s)Ge1(s)Ge2(s)'
Ge3=G1*Ge1*Ge2
'T(s)=Ge3(s)/(1+Ge3(s))'
T=feedback(Ge3,1);
T=minreal(T)

Computer response:
ans =

G1(s)

Transfer function:
1
---
s^2

ans =

G2(s)

Transfer function:
50
-----
s + 1

ans =

G3(s)

Transfer function:
2
-
s

ans =

G4(s)

Transfer function:
s

ans =

G5(s)

G5 =

ans =

Ge1(s)=G2(s)/(1+G2(s)G3(s))

Transfer function:
50 s^2 + 50 s
-------------------------
s^3 + 2 s^2 + 101 s + 100

ans =

Ge2(s)=G4(s)-G5(s)
5-8 Chapter 5: Reduction of Multiple Subsystems

Transfer function:
s - 2

ans =

Ge3(s)=G1(s)Ge1(s)Ge2(s)

Transfer function:
50 s^3 - 50 s^2 - 100 s
-------------------------------
s^5 + 2 s^4 + 101 s^3 + 100 s^2

ans =

T(s)=Ge3(s)/(1+Ge3(s))

Transfer function:
50 s - 100
-----------------------
s^3 + s^2 + 150 s - 100

2.
Push G2(s) to the left past the summing junction.

Collapse the summing junctions and add the parallel transfer functions.
Solutions to Problems 5-9

Push G1(s)G2(s) + G5(s) to the right past the summing junction.

Collapse summing junctions and add feedback paths.

Applying the feedback formula,

G3 ( s) + G1 ( s)G2 ( s)
T ( s) =
 G2 ( s)G4 ( s) 
1 + [G3 ( s) + G1 ( s)G2 ( s)]  H +
 G3 ( s) + G1 ( s)G2 ( s) 
G3 ( s) + G1 ( s)G2 ( s)
=
1 + H [G3 ( s) + G1 ( s)G2 ( s)] + G2 ( s)G4 ( s)
5-10 Chapter 5: Reduction of Multiple Subsystems

3.
Combine G6 and G7 yielding G6G7. Add G4 and obtain the following diagram:

Next combine G3 and G4+G6G7.

Push G5 to the left past the pickoff point.


Solutions to Problems 5-11

G2
Notice that the feedback is in parallel form. Thus the equivalent feedback, Heq(s) = +
G5

G3(G4+G6G7) + G8. Since the forward path transfer function is G(s) = G eq(s) = G1G5, the closed-

loop transfer function is

Geq(s)
T(s) = .
1+Geq(s)Heq(s)
Hence,

4.

Push 3s to the right past the pickoff point.

Combine summing junctions.


5-12 Chapter 5: Reduction of Multiple Subsystems

Combine parallel 3s and s. Apply feedback formula to unity feedback with G(s) = s.

Combine cascade pair and add feedback around 1/(s+1).


Solutions to Problems 5-13

Combine parallel pair and feedback in forward path.

7𝑠2 +3𝑠 C (s) G(s)


The cascade pair gives 𝐺(𝑠) = (𝑠+1)(𝑠+5) and T ( s ) = =
R( s) 1 + G ( s)

5.
Combine the feedback with G6 and combine the parallel G2 and G3.

Move G2+G3 to the left past the pickoff point.


5-14 Chapter 5: Reduction of Multiple Subsystems

Combine feedback and parallel pair in the forward path yielding an equivalent forward-path transfer

function of

G2+G3   G4   G6 
Ge(s) = G5 +
1+G1(G2+G3)  G2+G3 1+G6
Ge(s)
But, T(s) = . Thus,
1+Ge(s)G7(s)

6.
121
T (s) = . Therefore,2𝜁𝜔𝑛 = 11 and 𝜔𝑛 = 11. Hence,𝜁= 0.5<1 so the system is
s + 11s + 121
2

underdamped.

2
4 
%OS = e− / 1−
x100 = 16.3% ; Ts =  =0.7273 sec; Tp = =1.0938 sec.
n n 1-2

7.

10 5 2
𝑠(𝑠 + 7) 1 10 1 3
𝐶(𝑠) = = = − + 3
10 𝑠 𝑠(𝑠 + 2)(𝑠 + 5) 𝑠 𝑠 + 2 𝑠+5
1+
𝑠(𝑠 + 7)

5 2
𝑐(𝑡) = 1 − 𝑒 −2𝑡 + 𝑒 −5𝑡
3 3

8.
4
The forward paths are 𝑇1 = 2 and 𝑇2 = 6𝑠. The loops are 𝐿1 = −2, 𝐿2 = −6𝑠, 𝐿3 = − 𝑠 ,
4
𝐿4 = −12 and 𝐿5 = −2𝑠. There are no non-touching loops. So ∆= 1 + 2 + 6𝑠 + 𝑠 + 12 +
4
2𝑠 = 15 + 6𝑠 + . When either of the forward paths is removed there are no loops left, so
𝑠
∆1 = ∆2 = 1. The closed loop transfer function is

𝑇1 ∆1 + 𝑇2 ∆2 2 + 6𝑠 2𝑠(3𝑠 + 1)
𝑇(𝑠) = = =
∆ 4 6𝑠 2 + 15𝑠 + 4
15 + 6𝑠 +
𝑠
Solving for the roots of the denominator one gets -0.3035 and -2.1965.
Solutions to Problems 5-15

9.
K G( s) K
Since G ( s ) = , T (s) = = 2 . Therefore, 2n = 20. Thus,  =
s( s + 20) 1 + G ( s) s + 20s + K
%OS
− ln( )
100 − ln 0.15
10/n .For a 15% overshoot  = = = 0.189 . Hence, n =
 + ln (
2 2 %OS
)
 2
+ ln 2 0.15
100
52.95 = K . Therefore K = 2803.3.

10.
K
T (s) = ;
s + s + K
2

%OS
− ln( )
100 − ln 0.1
 = = = 0.5912 ;
 2 + ln 2 (
%OS
)  2
+ ln 2
0. 1
100

4
Ts = = 0.17 .
n
Therefore, n = 39.8; K = n2 = 1584;  = 2n = 47.06.

11.
4 𝜋
We first find , 𝜔𝑛 necessary for the specifications. We have 𝑇𝑠 = = 3 and 𝑇𝑝 = = 1.5.
𝜔𝑛
𝜔𝑛 √1−2
3𝜋
Eliminating 𝜔𝑛 from both equations we get = 1.5. Cross-multiplying, squaring both sides and
4√1−2

4
solving, we get  = √ = 0.537. 𝜔𝑛 = 2.4829. The closed loop transfer function of the system
4+𝜋2

is:
30𝐾1
𝑠(𝑠 + 2) 30𝐾1
𝑇(𝑠) = = 2
30𝐾1 30𝐾2 𝑠 𝑠 + (30𝐾2 + 2)𝑠 + 30𝐾1
1+ +
𝑠(𝑠 + 2) 𝑠(𝑠 + 2)

From which we get that 30𝐾1 = 𝜔𝑛2 or 𝐾1 = 0.2055 and 30𝐾2 + 2 = 2𝜔𝑛 = 2.667 or 𝐾2 =

0.0222.

12.
5-16 Chapter 5: Reduction of Multiple Subsystems

20 Ge(s)
a. For the inner loop, Ge(s) = , and He(s) = 0.2s. Therefore, Te(s) = =
s(s + 12) 1 + G e(s)He(s)
20
. Combining with the equivalent transfer function of the parallel pair, Gp(s) = 20, the system
s(s+16)
400
is reduced to an equivalent unity feedback system with G(s) = G p(s) Te(s) = . Hence, T(s) =
s(s+16)
G(s) 400
= .
1+G(s) s2+16s+400
2
b. n2 = 400; 2n = 16. Therefore, n = 20, and  =  %OS = e− / 1−
x100 = 25.38 ;
4 
Ts = =0.5; Tp = =0.171. From Figure 4.16, nTr = 1.463. Hence, Tr = 0.0732.
n  2
n 1-

d = Im = n 1 - 2 = 18.33.

13.

The closed loop transfer function of the system is

8550
𝑠(𝑠 + 100) 8550
𝑇(𝑠) = = 2
8550 𝑠 + 100𝑠 + 8550
1+
𝑠(𝑠 + 100)

𝜋

100 √1−2
From which we get 𝜔𝑛 = 92.47 and  = = 0.54. The %OS=100𝑒 =13.3%.
2𝜔𝑛

𝜋 4
𝑇𝑝 = = 0.0404 sec. 𝑇𝑠 = = 0.08 sec. From the figure we get that 𝜔𝑛 𝑇𝑟 ≈ 1.7 from
2 𝜔𝑛
𝜔𝑛 √1−

which we get 𝑇𝑟 = 0.0184 sec.

14.
Ei(s) Eg(s) 2
For the generator, Eg(s) = Kf If (s). But, If (s)= R +L s . Therefore, E (s) = s+1 .
f f i
1
For the motor, consider Ra = 2  the sum of both resistors. Also, Je = Ja+JL(2 )2 =

1 1
0.75+1x4 = 1; De = DL(2 )2 = 1. Therefore,

Kt
m(s) Ra J e 1
Eg(s) = = .
s(s +
1 KK
( De + t b )) s ( s + 3)
Je Ra
Solutions to Problems 5-17

o(s) 1 o (s) 0 .5
But, = 2 . Thus, E (s) = . Finally,
m(s) g s ( s + 3)

o(s) Eg(s) o (s) 1


=
Ei(s) Ei(s) Eg(s) = s ( s + 1)(s + 3) .

15.
2
For the mechanical system, J (NN21 ) s22(s) = T(NN21 ) . For the potentiometer, Ei (s)= 10 22(s) , or
1
s+
 R s RC
2(s) = Ei(s). For the network, Eo(s) = Ei(s) = Ei(s) , or Ei(s) = Eo(s) .
5 1 1 s
R+ s+
Cs RC
1
 s+
Therefore,  2 (s) = E o (s) RC . Substitute into mechanical equation and obtain,
5 s
5N1
E o (s) J N2
= .
T(s) s s + 1 
 RC 
16.
a.
5-18 Chapter 5: Reduction of Multiple Subsystems

r 1 50
1 x4 x3 x2 s x1
s2 s +1

2 2

s

−1

b.
Solutions to Problems 5-19

- G1 - 1

r x G2 G
1 5 x 3 5 x2 G6 x
1
G3 1 1

x
4

G4
- G
7
c.

G8 - G6
r x5 G x x3 x G x
1 1 4 G3 1 2 7 1

- G2 G4

- G
5
5-20 Chapter 5: Reduction of Multiple Subsystems

17.

a.

The transfer function is


𝐶(𝑠) 200
=
𝑅(𝑠) 𝑠 3 + 60𝑠 2 + 1100𝑠 + 6000

The corresponding differential equation is:

𝑐⃛ + 60𝑐̈ + 1100𝑐̇ + 6000𝑐 = 200𝑟

The state variables are defined as: 𝑐 = 𝑥1 ; 𝑐̇ = 𝑥2 and 𝑐̈ = 𝑥3 . From which we get

𝑥1̇ = 𝑥2

𝑥2̇ = 𝑥3

𝑥1̇ = −6000𝑥1 − 1100𝑥2 − 60𝑥3 + 200𝑟

𝑦 = 𝑥1

The corresponding signal flow diagram:


1 X3 1 x2 1 x1
200 s s s 1
r

-60
-1100

-6000

b.
1 1 1
The transfer function can be expressed as 𝐺(𝑠) = 200 ( )( )( ) from which the signal
𝑠+10 𝑠+20 𝑠+30

flow diagram is obtained.


1
200 1 X3 1
1
x2 1 x1 1
s s s
r y

-10 -20 -30

The state space representation is


Solutions to Problems 5-21

𝑥1̇ = −30𝑥1 + 𝑥2

𝑥2̇ = −20𝑥2 + 𝑥3

𝑥1̇ = −10𝑥3 + 200𝑟

𝑦 = 𝑥1

18.
20 C(s)
a. Since G(s) = = ,
s + 15s + 66s + 80s R(s)
4 3 2

•••• ••• •• •
c +15 c + 66 c +80 c = 20r
Let,
c = x1

c = x2
••
c = x3
• ••
c = x4

Therefore,

x1 = x 2

x2 = x 3

x3 = x 4

x4 = −80x 2 − 66x3 − 15x 4 + 20r
y = x1

1 x4 1 x3 1 x 1 x
r 20 s s s 2 s 1 1 y

-15
-66

-80
5-22 Chapter 5: Reduction of Multiple Subsystems

20 1 1 1
b. G(s) = ( )( )( )( ). Hence,
s s + 2 s + 5 s +8

1 x 1 1 x 1
r 4 1 s x 1 2 1 x y
20 s 3 s s 1 1

-2 -5 -8

From which,

x1 = −8x1 + x 2

x2 = −5x2 + x 3

x3 = −2x3 + x 4

x4 = 20r
y = x1
19.

 = 1 + [G2G3G4 + G3G4 + G4 + 1] + [G3G4 + G4]; T1 = G1G2G3G4; 1 = 1. Therefore,

T 1 1 G 1 G2 G3 G4
T(s) = =
 2 + G 2 3G4 + 2G3G4 + 2G4
G

20.
1 1
Closed-loop gains: -s2; - ; - ; -s2
s s
1
Forward-path gains: T1 = s; T2 = 2
s

Nontouching loops: None


1 1
 = 1 - (-s2 - - - s2)
s s

1 = 2 = 1
1
s+ 2
T11 + T22 s s3+1
G(s) = = = 4 2
 1 1 2s +s +2s
1 + (s2 + + + s2)
s s
Solutions to Problems 5-23

21.
(s + 1)(s + 2) 2 5 6
a. G(s) = 2 = 2 − +
(s + 3) (s + 4) (s + 3) s+3 s+4

Writing the state and output equations,

.
x 1 = -3x1 + x2
.
x 2 = -3x2 + r
.
x 3 = -4x3 + r

y = 2x1 - 5x2 + 6x3


In vector-matrix form,

−3 1 0   0

x =  0 −3 0  x +  1 r
 0 0 −4   1
y = 2 −5 6

(s + 2) 3/ 4 1 5/4 1
b. G(s) = G(s) = 2 2 =− 2 + − 2 −
(s + 5) (s + 7) (s + 5) s + 5 (s + 7) s + 7
5-24 Chapter 5: Reduction of Multiple Subsystems

1 x 1
s 2 1 s x
1
- 3
-5 -5 4
r 1 y
1
1 1 x
4
1 x
s 1 s 3
- 5
4
-7 -7

-1
Writing the state and output equations,
.
x 1 = -5x1 + x2
.
x 2 = -5x2 + r
.
x 3 = -7x3 + x4
.
x 4 = -7x4 + r
3 5
y = - x1 + x2 - x3 - x4
4 4
In vector matrix form,
-5 1 0 0 0
 0 -5 0 0 1
x = x + r
0 0 -7 1 0
0 0 0 -7 1

y = -3 1 -5 -1 x
4 4
c.
s+4 1 1  1 1  1  1  1 1 
G( s) = =  −  −  +  
( s + 2) ( s + 5)(s + 6) 8  s + 6  9  s + 5  72  s + 2  6  ( s + 2) 2 
2
Solutions to Problems 5-25

1 1
s s
x2 1 x1
1
1 -2 -2 6
1 −1
72
1
s x3
r −1
y
9
1 -5 1
s x4 8
1

-6

Writing the state and output equations,


.
x 1 = - 2x1 + x2
.
x 2 = - 2x2 + r
.
x 3 = - 5x3 + r
.
x 4 = - 6x4 + r
1 1 1 1
y= x - x2 - x3 + x4
6 1 72 9 8

In vector-matrix form,
-2 1 0 0  0 
 0 −2 0 0   
x=   x + 1  r
 0 0 −5 0  1 
   
 0 0 0 −6  1 
1 1 1 1
y= − − x
6 72 9 8 

22.
a.
5-26 Chapter 5: Reduction of Multiple Subsystems

Writing the state equations,

.
x 1 = x2
.
x 2 = - 7x1 - 2x2 + r

y = 3x1 + x2
In vector matrix form,

b.
Solutions to Problems 5-27

Writing the state equations,



x1 = x 2

x2 = x 3

x3 = − x1 − 2x2 − 5x3 + r
y = 6x1 + 2x 2 + x3

In vector matrix form,


0 1 0  0

x = 0 0 1  X +  0 r
−1 −2 −5  1
y = 6 2 1x
c.
5-28 Chapter 5: Reduction of Multiple Subsystems

.
x 1 = x2
.
x 2 = x3
.
x 3 = x4
.
x 4 = - 4x1 - 6x2 - 5x3 - 3x4 + r

y = x1 + 7x2 + 2x3 + x4

In vector matrix form,

23.
a. Controller canonical form:

From the phase-variable form in Problem 5.31(a), reverse the order of the state variables and obtain,
.
x 2 = x1
.
x 1 = - 7x2 - 2x1 + r

y = 3x2 + x1

Putting the equations in order,


.
x 1 = - 2x1 - 7x2 + r
.
x 2 = x1

y = x1 + 3x2

In vector-matrix form,
• −2 −7 1 
x= x + 0 r
 1 0 
y = 1 3x

Observer canonical form:

s+3 1
G(s) = 2 . Divide each term by 2 and get
s +2s+7 s
Solutions to Problems 5-29

1 3
+
s 2
s C( s)
G( s) = =
2 7 R( s)
1 + +
s 2
s
Cross multiplying,
1 3 2 7
( + ) R(s) = (1 + + 2 ) C(s)
s s2 s s
Thus,
1 1
(R(s) - 2C(s)) + 2 (3R(s) - 7C(s)) = C(s)
s s

Drawing the signal-flow graph,

Writing the state and output equations,


.
x 1 = - 2x1 + x2 + r
.
x 2 = - 7x1 + 3r

y = x1
In vector matrix form,

• −2 1  1
x=  x +  r
−7 0  3
y = 1 0x

b. Controller canonical form:

From the phase-variable form in Problem 5.31(b), reverse the order of the state variables and obtain,
5-30 Chapter 5: Reduction of Multiple Subsystems


x3 = x2

x2 = x1

x1 = −x 3 − 2x2 − 5x1
y = 6x3 + 2x 2 + x1
Putting the equations in order,

x1 = −5x1 − 2x 2 − x3

x2 = x1

x3 = x2
y = x1 + 2x 2 + 6x3
In vector-matrix form,
−5 −2 −1 1 

x =  1 0 0  x + 0  r
 0 1 0  0 
y = 1 2 6x

Observer canonical form:

s2 + 2s + 6 1
G(s) = 3 2 . Divide each term by 3 and get
s + 5s + 2s + 1 s
1 2 6
+ 2+ 3 C(s)
G(s) = s 5 s 2 s 1 =
1 + + 2 + 3 R(s)
s s s
Cross-multiplying,
1 2 6   5 2 1
+ + R(s) = 1 + + 2 + 3  C(s)
 s s2 s3   s s s 
Thus,
1 1 1
(R(s)− 5c(s)) + 2 (2R(s) − 2C(s)) + 3 (6R(s) − C(s)) = C(s)
s s s

Drawing the signal-flow graph,


Solutions to Problems 5-31

1 1 1
6 s X3(s) X2(s) X1(s)
1 s 1 s 1
R(s) C(s)

-5

-2

-1
Writing the state and output equations,

x1 = −5x1 + x 2 + r

x2 = −2x1 + x3 + 2r

x3 = − x1 + 6r
y = 1 0 0x
In vector-matrix form,
 −5 1 0 1 

x = −2 0 1 x + 2 r
 −1 0 0 6 
y = 1 0 0x

c. Controller canonical form:

From the phase-variable form in Problem 5.31(c), reverse the order of the state variables and obtain,
.
x 4 = x3
.
x 3 = x2
.
x 2 = x1
.
x 1 = - 4x4 - 6x3 - 5x2 - 3x1 + r

y = x4 + 7x3 + 2x2 + x1
Putting the equations in order,
.
x 1 = - 3x1 - 5x2 - 6x3 - 4x4 + r
.
x 2 = x1
5-32 Chapter 5: Reduction of Multiple Subsystems

.
x 3 = x2
.
x 4 = x3

y = x1 + 2x2 +7x3 + x4
In vector-matrix form,
−3 −5 −6 −4   1
• 1 0 0 0   0
x= X+ r
0 1 0 0   0
 0 0 1 0   0

y = 1 2 7 1x

Observer canonical form:

s3+2s2+7s+1 1
G(s) = 4 3 2 . Divide each term by 2 and get
s +3s +5s +6s+4 s

1 2 7 1
+ + +
s 2 3 4
s s s C( s)
G( s) = =
3 5 6 4 R( s)
1 + + + +
s 2 3 4
s s s

Cross multiplying,
1 2 7 1 3 5 6 4
( + + + ) R(s) = (1 + + 2 + 3 + 4 ) C(s)
s s2 s3 s4 s s s s

Thus,
1 1 1 1
(R(s) - 3C(s)) + 2 (2R(s) - 5C(s)) + 3 (7R(s) - 6C(s)) + 4 (R(s) - 4C(s)) = C(s)
s s s s

Drawing the signal-flow graph,


Solutions to Problems 5-33

Writing the state and output equations,


.
x 1 = - 3x1 + x2 + r
.
x 2 = - 5x1 + x3 + 2r
.
x 3 = - 6x1 + x4 +7r
.
x 4 = - 4x1 + r
y = x1
In vector matrix form,
5-34 Chapter 5: Reduction of Multiple Subsystems

24.
a.
1 1 x2 1
1 s x3 1 s 1 s x1
50
r c= y

-9
-2 -8
-5 -2
-7

-1
Writing the state equations,


x1 = −2 x1 + x2

x2 = −8 x2 + x3

x3 = −50 x1 − 9 x3 + 50r
y = x1

In vector-matrix form,
 −2 1 0  0

 
x =  0 −8 1  x +  0  r
 −50 0 −9  50 
y = 1 0 0 x
b.

1 x3 1 x 1 x1
1 s 10 s 2 s
r c= y

-6
-8
-24
-25

-1

Writing the state equations,


Solutions to Problems 5-35


x1 = x2

x2 = −24 x1 − 6 x2 + 10 x3

x3 = − x1 + r
y = x1

In vector-matrix form,
 0 1 0 0 

 
x =  −24 −6 10  x + 0  r
 −1 0 0  1 
y = 1 0 0 x

c.
1 1
1 100 1 s x2 1 s x1
r c= y
-1

-1 Tach feedback
before in tegrator

-1

.
x 1 = x2
.
x 2 = -x2 - x2 + 160(r-x1) = -160x1 -2x2 +160r

y = x1
In vector-matrix form,
•  0 1  0 
x=  x+ r
 −160 −2   −160
y = 1 0 x
5-36 Chapter 5: Reduction of Multiple Subsystems

1 1
d. Since = 2 , we draw the signal-flow as follows:
(s+1)2 s +2s+1
1

1 1
1 10 s x2 s x1 2
r c= y
-2

-1

-1

Writing the state equations,


.
x 1 = x2
.
x 2 = -x1 - 2x2 + 16(r-c) = -x1 - 2x2 + 16(r - (2x1+x2) = -33x1 - 18x2 + 16r

y = 2x1 + x2
In vector-matrix form,
•  0 1  0
x=  x + 16 r .
 −33 −18  
y= 2 1 x
25.

a. Phase Variable form


20
𝑇(𝑠) =
𝑠 3 + 8𝑠 2 + 12𝑠 + 20

𝑥1̇ = 𝑥2

𝑥2̇ = 𝑥3

𝑥3̇ = −20𝑥1 − 12𝑥2 − 8𝑥3 + 20𝑟

𝑦 = 𝑥1

Or in matrix form
Solutions to Problems 5-37

0 1 0 0
𝒙̇ = [ 0 0 1 ]𝒙 + [ 0 ]𝑢
−20 −12 −8 20

𝑦 = [1 0 0]𝒙

b. Parallel form
5 5 5
20 3
𝐺(𝑠) = = − 2 + 6
𝑠(𝑠 + 2)(𝑠 + 6) 𝑠 𝑠 + 2 𝑠 + 6

The state equations are:

5 5 5 5 5
𝑥1̇ = (𝑢 − 𝑥1 − 𝑥2 − 𝑥3 ) = − 𝑥1 − 𝑥2 − 𝑥3 + 𝑢
3 3 3 3 3
5 5 1 5 5
𝑥2̇ = − (𝑢 − 𝑥1 − 𝑥2 − 𝑥3 ) − 2𝑥2 = 𝑥1 + 𝑥2 + 𝑥3 − 𝑢
2 2 2 2 2
5 5 5 41 5
𝑥3̇ = (𝑢 − 𝑥1 − 𝑥2 − 𝑥3 ) − 6𝑥3 = − 𝑥1 − 𝑥2 − 𝑥3 + 𝑢
6 6 6 6 6

𝑦 = 𝑥1 + 𝑥2 + 𝑥3

In matrix form:
5 5 5 5
− − −
3 3 3 3
5 1 5 5
𝒙̇ = 𝒙+ − 𝑢
2 2 2 2
5 5 41 5
[− 6 − 6 − ]
6 [ 6 ]

𝑦 = [1 1 1]𝒙
5-38 Chapter 5: Reduction of Multiple Subsystems

26.
10(s2 + 5s + 6)
a. T (s) =
s4 + 16s3 + 99s2 + 244s + 180
Drawing the signal-flow diagram,

5
1 1 1 1
10 s s s s 6
r y
x4 x3 x2 x1
16

99
244

180

Writing the state and output equations,



x1 = x 2

x2 = x 3

x3 = x 4

x1 = −180x1 − 244x2 − 99x 3 − 16x4 + 10r
y = 6x1 + 5x2 + x 3

In vector-matrix form,

 0 1 0 0  0
•  0 0 1 0  0
x= x+ r
 0 0 0 1  0
−180 −244 −99 −16 10 

y = 6 5 1 0x

10(s + 2)(s + 3) 1/ 3 10 / 3 15 12
b. G(s) = = − + −
(s + 1)(s + 4)(s + 5)(s + 6) s + 1 s + 4 s + 5 s + 6

Drawing the signal-flow diagram and including the unity-feedback path,


Solutions to Problems 5-39

1
s

1 x1 1
-1
3
− 10 1
1 3 s 1
r=u y
-4 x2 1

15 1 1
s
x3
-5

-12 1
1
s

-6
x4

-1

Writing the state and output equations,

• 1
x1 = (u − x1 − x2 − x3 − x 4 ) − x1
3
• −10
x2 = (u − x1 − x 2 − x3 − x4 ) − 4x2
3

x3 = 15(u − x1 − x2 − x3 − x 4 ) − 5x 3

x4 = −12(u − x1 − x 2 − x3 − x4 ) − 12x4
y = x1 + x2 + x 3 + x 4
In vector-matrix form,

− 4 − 1 − 1 1
−   1 
 3 3 3 3  3 
• 10 2 10 10 10
x= −  x + − u
3 3
−15 −15 3 3  153 
−20 −15
 12 0   −12 
 12 12  
y = 1 1 1 1x
5-40 Chapter 5: Reduction of Multiple Subsystems

27.
Program:
'(a)'
'G(s)'
G=zpk([-2 -3],[-1 -4 -5 -6],10)
'T(s)'
T=feedback(G,1,-1)
[numt,dent]=tfdata(T,'v');
'Find controller canonical form'
[Acc,Bcc,Ccc,Dcc]=tf2ss(numt,dent)
A1=flipud(Acc);
'Transform to phase-variable form'
Apv=fliplr(A1)
Bpv=flipud(Bcc)
Cpv=fliplr(Ccc)
'(b)'
'G(s)'
G=zpk([-2 -3],[-1 -4 -5 -6],10)
'T(s)'
T=feedback(G,1,-1)
[numt,dent]=tfdata(T,'v');
'Find controller canonical form'
[Acc,Bcc,Ccc,Dcc]=tf2ss(numt,dent)
'Transform to modal form'
[A,B,C,D]=canon(Acc,Bcc,Ccc,Dcc,'modal')

Computer response:
ans =

(a)

ans =

G(s)

Zero/pole/gain:
10 (s+2) (s+3)
-----------------------
(s+1) (s+4) (s+5) (s+6)

ans =

T(s)

Zero/pole/gain:

10 (s+2) (s+3)
------------------------------------------
(s+1.264) (s+3.412) (s^2 + 11.32s + 41.73)

ans =

Find controller canonical form

Acc =

-16.0000 -99.0000 -244.0000 -180.0000


1.0000 0 0 0
0 1.0000 0 0
0 0 1.0000 0
Bcc =

1
Solutions to Problems 5-41

0
0
0

Ccc =

0 10.0000 50.0000 60.0000

Dcc =

ans =

Transform to phase-variable form

Apv =

0 1.0000 0 0
0 0 1.0000 0
0 0 0 1.0000
-180.0000 -244.0000 -99.0000 -16.0000

Bpv =

0
0
0
1

Cpv =

60.0000 50.0000 10.0000 0

ans =

(b)

ans =

G(s)

Zero/pole/gain:
10 (s+2) (s+3)
-----------------------
(s+1) (s+4) (s+5) (s+6)

ans =

T(s)

Zero/pole/gain:
10 (s+2) (s+3)
------------------------------------------
(s+1.264) (s+3.412) (s^2 + 11.32s + 41.73)

ans =

Find controller canonical form

Acc =

-16.0000 -99.0000 -244.0000 -180.0000


5-42 Chapter 5: Reduction of Multiple Subsystems

1.0000 0 0 0
0 1.0000 0 0
0 0 1.0000 0

Bcc =

1
0
0
0

Ccc =

0 10.0000 50.0000 60.0000

Dcc =

ans =

Transform to modal form

A =

-5.6618 3.1109 0 0
-3.1109 -5.6618 0 0
0 0 -3.4124 0
0 0 0 -1.2639

B =

-4.1108
1.0468
1.3125
0.0487
C =

0.1827 0.6973 -0.1401 4.2067

D =

0
28.

𝑥1̇ = 𝑥2
Solutions to Problems 5-43

𝑥2̇ = −4𝑥1 + 𝑥3

𝑥3̇ = 𝑥4

𝑥4̇ = 7𝑥1 − 𝑥2 + 𝑟

𝑦 = −7𝑥1 + 𝑥2

Or in Matrix form
0 1 0 0 0 
 −4 0 1 
0 0 
x= x+ r
0 0 0 1 0 
   
 7 −1 0 0 1 
y = c =  −7 1 0 0 x

29.
a.
.. . .
 1 + 5 1 + 61 - 3 2 - 42 = 0
. .. .
-3 1 - 41 +  2 + 5 2 + 52 = T
or
.. . .
 1 = - 5 1 - 61 + 3 2 + 42
.. . .
 2 = 3 1 + 41 - 5 2 - 52 + T

. .
Letting, 1 = x1 ;  1 = x2 ; 2 = x3 ;  2 = x4 ,
5-44 Chapter 5: Reduction of Multiple Subsystems

1 1
s x2 s
x1
4 3 -5
-6

4
3
1 1
s x4 s x3
T
1
-5
-5

where x = .

b. Using the signal-flow diagram,


.
x 1 = x2
.
x 2 = -6x1 - 5x2 + 4x3 + 3x4
.
x 3 = x4
.
x 4 = 4x1 + 3x2 - 5x3 - 5x4 + T

y = x3
In vector-matrix form,
0 1 0 0 0
 -6 -5 4 3 0
x= x+ T
0 0 0 1 0
4 3 -5 -5 1

y= 0 0 1 0 x
Solutions to Problems 5-45

30.
.
x 1 = A1x1 + B1r (1)

y1 = C1x1 (2)
.
x 2 = A2x2 + B2y1 (3)

y2 = C2x2 (4)

Substituting Eq. (2) into Eq. (3),


.
x 1 = A1x1 + B1r
.
x 2 = B2C1x1 + A2x2

y2 = C2x2
In vector-matrix notation,

x1
= A 1 - O xx 1 + B 1 r
x2 B2 C1 A2 2 O

y 2 = O C2 x1
x2

31.
.
x 1 = A1x1 + B1e (1)

y = C1x1 (2)
.
x 2 = A2x2 + B2y (3)

p = C2x2 (4)
Substituting e = r - p into Eq. (1) and substituting Eq. (2) into (3), we obtain,

.
x 1 = A1x1 + B1(r - p) (5)
y = C1x1 (6)
.
x 2 = A2x2 + B2C1x1 (7)
p = C2x2 (8)

Substituting Eq. (8) into Eq. (5),

.
x 1 = A1x1 - B1C2x2 + B1r
.
x 2 = B2C1x1 + A2x2

y = C1x1
In vector-matrix form,
5-46 Chapter 5: Reduction of Multiple Subsystems

x1 = A 1 - B1 C2 x1 + B 1 r
x2 B 2 C1 A2 x2 0
x1
y = C1 0
x2
32.

z = P −1 APz + P −1 Bu
y = CPz

 −4 9 −3 -0.2085 -0.3029 -0.1661


P =  0 −4 7  ;  P=  0.0228 -0.1075 -0.0912 

−1 
 −1 −4 −9  0.0130 0.0814 -0.0521

 18.5961 25.4756 5.6156   −58


P AP = -12.9023 -28.8893
−1 
-8.3909  ; P B =  63  ; CP= 1.5668 3.0423 2.7329
-1

 -0.5733 11.4169 5.2932   −12 

33.

Eigenvalues are 1, -2, and 3 since,

|I - A | = ( - 3) ( + 2) ( - 1)

Solving for the eigenvectors, Ax = x

or,

x3
For  = 1, x1 = x2 = . For  = -2, x1 = 2x3, x2 = -3x3. For  = 3, x1 = x3 , x2 = -2x3 . Thus,
2
.
z = P-1APz + P-1Bu ; y = CPz, where
Solutions to Problems 5-47

34.
Program:
A=[-10 -3 7;18.25 6.25 -11.75;-7.25 -2.25 5.75];
B=[1;3;2];
C=[1 -2 4];
[P,d]=eig(A);
Ad=inv(P)*A*P
Bd=inv(P)*B
Cd=C*P

Computer response:
Ad =

-2.0000 0.0000 0.0000


-0.0000 3.0000 -0.0000
0.0000 0.0000 1.0000

Bd =

1.8708
-3.6742
3.6742

Cd =

3.2071 3.6742 2.8577

35.
Push Pitch Gain to the right past the pickoff point.

Collapse the summing junctions and add the feedback transfer functions.

Apply the feedback formula and obtain,


5-48 Chapter 5: Reduction of Multiple Subsystems

G(s) 0.25(s + 0.435)


T (s) = = 4 3
1 + G(s)H(s) s + 3.4586s + 3.4569s2 + 0.9693s + 0.15032

36.
Solutions to Problems 5-49

Linear
Deadzone

Backlash
Linear

37.
a. The first equation follows from the schematic. The second equation is obtained by applying the voltage
divider rule at the op-amp’s inverting terminal, noting that since the op-amp considered is ideal, there is no
current demand there.
Ri Ri
b. T1 = A; L = −A ;  = 1+ A ; 1 = 1
Ri + R f Ri + R f
vo T1 1 A
= =
vi  Ri
1+ A
Ri + R f
vo A 1 Rf
c. = Lim = = 1+
vi A→ Ri Ri Ri
1+ A
Ri + R f Ri + R f
5-50 Chapter 5: Reduction of Multiple Subsystems

38.
a. The three equations follow by direct observation from the small signal circuit.
b. The block diagram is given by

vi Vi Ri + vgs Vo
Ri + R s + g m ( Rs || ro ) vo
-
-

a. From the block diagram we get

vo g m ( Rs || ro ) Ri
=
vi 1 + g m ( Rs || ro ) Ri + Rs

39.

a. Using Mason’s rule


Kt 1  02  02  mr
T1 = 2 = 2 ; Loops L1 = + 2 mr and L2 = − , no non-
s +  0 M US s +  0
2 2
s + 0 s + 
2
s +

touching loops. 1 = 1
 02  02
X 3 T1  1 s 2 +  02 s 2 +  02
= = =
R    02   mr s 2
1 + mr − mr 1 +
s +  s 2 +  02 s +  ( s +  )( s 2 +  02 )
a. From part (a)

 02 
X1 X 3  s + 0 s + 
2 2
= =
R R s +  mr s 2
1+
( s +  )(s 2 +  02 )
Solutions to Problems 5-51

40.

a.

>> A=[-100.2 -20.7 -30.7 200.3; 40 -20.22 49.95 526.1;...

0 10.22 -59.95 -526.1; 0 0 0 0];

>> B=[208; -208; -108.8; -1];

>> C = [0 1570 1570 59400];

>> D = -6240;

>> [n,d]=ss2tf(A,B,C,D)

n=

1.0e+009 *

Columns 1 through 3

-0.00000624000000 -0.00168228480000 -0.14206098728000

Columns 4 through 5

-3.91955218234127 -9.08349454230472

d=

1.0e+005 *

Columns 1 through 3
5-52 Chapter 5: Reduction of Multiple Subsystems

0.00001000000000 0.00180370000000 0.09562734000000

Columns 4 through 5

1.32499100000000 0

>> roots(n)

ans =

1.0e+002 *

-1.34317654991673

-0.78476212102923

-0.54257777928519

-0.02545278053809

>> roots(d)

ans =

-92.38329312886714

-66.38046756013043

-21.60623931100260
Solutions to Problems 5-53

Y
Note that s (0) = 68555.14 , follows that
U

Y 6348.17( s + 2.5)(s + 54.3)(s + 78.5)(s + 134.3)


( s) = −
U s( s + 21.6)(s + 66.4)(s + 92.4)

b.

>> [r,p,k]=residue(n,d)

r=

1.0e+005 *

-0.73309459854184

-0.51344619392820

-3.63566779304453

-0.68555141448543

p=

-92.38329312886714

-66.38046756013043

-21.60623931100260

k=
5-54 Chapter 5: Reduction of Multiple Subsystems

-6240

Y 73309.46 51344.6 363566.8 68555.14


or ( s) = −6240 − − − −
U s s + 21.6 s + 66.4 s + 92.4

c.

d. The corresponding state space representation is:


 x1  0 0 0 0   x1   − 73309.5 
 x  0 − 21.6 0 0   x 2   − 51344.6 
 2 =  + u (t )
 x 3  0 0 − 66.4 0   x3   − 363566.8
      
 x 4  0 0 0 − 9.4  x 4  − 68555.14
 x1 
x 
y = 1 1 1 1 2  − 6240 u (t )
 x3 
 
 x4 
Solutions to Problems 5-55

41.

a.

>> A = [0 1 0; 0 -68.3 -7.2; 0 3.2 -0.7]

A=

0 1.0000 0

0 -68.3000 -7.2000

0 3.2000 -0.7000

>> [V,D]=eig(A)

V=

1.0000 0.0147 -0.1016

0 -0.9988 0.1059

0 0.0475 -0.9892

D=

0 0 0

0 -67.9574 0

0 0 -1.0426

Matrix V is the sought similarity transformation.


5-56 Chapter 5: Reduction of Multiple Subsystems

b.

>> Ad = inv(V)*A*V

Ad =

0 -0.0000 -0.0000

0 -67.9574 0.0000

0 -0.0000 -1.0426

>> B = [0;425.4;0]

B=

425.4000

>> Bd = inv(V)*B

Bd =

4.2030

-428.1077

-20.5661

The diagonalized system is:


 z1  0 0 0   z1   4.2 
 z  = 0 − 67.96 0   z 2  + − 428.11 em
 2 
 z3  0 0 − 1.0426  z 3   − 20.57 
Solutions to Problems 5-57

42.

a.

-1

1 He(s) Hh(s) Fh(s)1 Fint(s) Hi(s)


D(s) Xa(s)
-1
-1 Hact(s) Hr(s)
A(s)
b. There is only one forward path T1 = H e H h
There are three loops: L1 = − H e H h ; L2 = − H i H h and L3 = −H i H r H act
L1 and L3 are non-touching loops so

 = 1 − L1 − L2 − L3 + L1 L3 = 1 + H e H h + H i H h + H i H r H act + H e H h H i H r H act
When T1 is eliminated only L3 is left so 1 = 1 − L3 = 1 + H r H i H act
Fh T H e H h (1 + H r H i H act )
Finally ( s) = 1 1 =
D  1 + H e H h + H i H h + H i H r H act + H e H h H i H r H act

43.
a. There are two forwards paths:

1 1
𝑀1 = 𝐾ℎ 𝐾ℎ𝑠 𝐶𝑠 and 𝑀2 = −𝐾ℎ 𝑇𝑒𝑠 𝐾𝑒𝑠 𝐶𝑠
𝑠2 𝑠

The loops are:


1
𝐿1 = −𝐾ℎ 𝐾ℎ𝑠 𝐶𝑠 𝑇
𝑠 2 ℎ𝑠
1
𝐿2 = +𝐾ℎ 𝑇𝑒𝑠 𝐾𝑒𝑠 𝐶𝑠 𝑇ℎ𝑠
𝑠

𝐿3 = −𝐶𝑗 𝑇𝑒𝑗 𝐾𝑒𝑗

𝐿4 = −𝐾ℎ 𝐶𝑗 𝑇ℎ𝑗

There are no non-touching loops. Therefore


1 1
∆= 1 + 𝐾ℎ 𝐾ℎ𝑠 𝐶𝑠 2 𝑇ℎ𝑠 − 𝐾ℎ 𝑇𝑒𝑠 𝐾𝑒𝑠 𝐶𝑠 𝑇ℎ𝑠 + 𝐶𝑗 𝑇𝑒𝑗 𝐾𝑒𝑗 + 𝐾ℎ 𝐶𝑗 𝑇ℎ𝑗
𝑠 𝑠

Also ∆1 = ∆2 = 1
5-58 Chapter 5: Reduction of Multiple Subsystems

1 1
𝑌𝑠 𝑀1 ∆1 + 𝑀2 ∆2 𝐾ℎ 𝐾ℎ𝑠 𝐶𝑠 2 −𝐾ℎ 𝑇𝑒𝑠 𝐾𝑒𝑠 𝐶𝑠
𝑠 𝑠
= =
𝑈ℎ ∆ 1 1
1 + 𝐾ℎ 𝐾ℎ𝑠 𝐶𝑠 2 𝑇ℎ𝑠 − 𝐾ℎ 𝑇𝑒𝑠 𝐾𝑒𝑠 𝐶𝑠 𝑇ℎ𝑠 + 𝐶𝑗 𝑇𝑒𝑗 𝐾𝑒𝑗 + 𝐾ℎ 𝐶𝑗 𝑇ℎ𝑗
𝑠 𝑠

b.

There is only one forward path 𝑀1 = 𝐾ℎ 𝐶𝑗

The loops and are the same as in part a. Also ∆1 = 1. It follows that
𝑌𝑗 𝑀1 ∆1 𝐾ℎ 𝐶𝑗
= =
𝑈ℎ ∆ 1 1
1 + 𝐾ℎ 𝐾ℎ𝑠 𝐶𝑠 2 𝑇ℎ𝑠 − 𝐾ℎ 𝑇𝑒𝑠 𝐾𝑒𝑠 𝐶𝑠 𝑇ℎ𝑠 + 𝐶𝑗 𝑇𝑒𝑗 𝐾𝑒𝑗 + 𝐾ℎ 𝐶𝑗 𝑇ℎ𝑗
𝑠 𝑠

44.
−1 −1
a. Assuming 𝑍ℎ = 0 there are two forward paths, 𝑀1 = 𝑍𝑚 and 𝑀2 = 𝐶6 𝑍𝑚
The loops are
𝐿1 = −𝐺𝑠 𝐶𝑠
−1
𝐿2 = −𝑍𝑚 𝐶𝑚
−1
𝐿3 = −𝑍𝑚 𝐶1 𝐺𝑠 𝐶4
−1
𝐿4 = −𝑍𝑚 𝐶𝑠 𝐺𝑠 𝑍𝑒 𝐶2

There are two non-touching loops 𝐿1 and 𝐿2 .

−1 −1 −1 −1
∆= 1 + 𝐺𝑠 𝐶𝑠 + 𝑍𝑚 𝐶𝑚 + 𝑍𝑚 𝐶1 𝐺𝑠 𝐶4 + 𝑍𝑚 𝐶𝑠 𝐺𝑠 𝑍𝑒 𝐶2 − 𝐺𝑠 𝐶𝑠 𝑍𝑚 𝐶𝑚
−1 −1 −1
= 1 + 𝐺𝑠 𝐶𝑠 + 𝑍𝑚 𝐶𝑚 +𝑍𝑚 𝐶𝑠 𝐺𝑠 𝑍𝑒 𝐶2=1 + 𝐺𝑠 𝐶𝑠 + 𝑍𝑚 (𝐶𝑚 + 𝐶𝑠 𝐺𝑠 𝑍𝑒 𝐶2 )
We also have that by eliminating 𝑀1 or 𝑀2
∆1 = ∆2 = 1 + 𝐺𝑠 𝐶𝑠
−1 −1 −1
𝑋ℎ 𝑀1 ∆1 + 𝑀2 ∆2 (𝑍𝑚 +𝑍𝑚 𝐶6 )(1 + 𝐺𝑠 𝐶𝑠 ) 𝑍𝑚 𝐶2 (1 + 𝐺𝑠 𝐶𝑠 )
𝑌(𝑠) = = = −1
= −1 (𝐶 + 𝐶 𝑍 𝐺 𝐶 )
𝐹ℎ ∆ 1 + 𝐺𝑠 𝐶𝑠 + 𝑍𝑚 (𝐶𝑚 + 𝐶2 𝑍𝑒 𝐺𝑠 𝐶𝑠 ) 1 + 𝐺𝑠 𝐶𝑠 + 𝑍𝑚 𝑚 2 𝑒 𝑠 𝑠

b. The system can be described by means of the following diagram:

+
Fh Y(s) Xh
-

Zh(s)

It follows that
𝑋ℎ 𝑌(𝑠)
=
𝐹ℎ 1+𝑌(𝑠)𝑍ℎ
Solutions to Problems 5-59

45.
a. Substituting the values given above into the block diagram, when vp = 0, we have:

GC(s) GV(s) GX(s) Gm(s)

R(s) E(s)
(
1.6 s 2 + 1.25 s + 0.25
YC(s)
) 100
X(s)
0.63 1 ΔHm(s)
+ s s + 10s + 100
2
s + 0.926 0.5s
_
β

0.5

The Mould Level Block Diagram for vp = 0

Thus, the closed-loop transfer function is:

ΔH m(s) GC ( s)  GV ( s)  G X ( s)  Gm ( s)
T (s) = = =
R(s) 1 +   GC ( s)  GV ( s)  G X ( s)  Gm ( s)

(
1.6 s 2 + 1.25 s + 0.25 
 2
)
100  0.63  1
 
s  s + 10 s + 100  s + 0.926  0.5s
=
1 + 0.5 
(
1.6 s 2 + 1.25 s + 0.25 
 2
100)   0.63  1
 
=

s  s + 10s + 100   s + 0.926  0.5s

( )
201.6 s 2 + 1.25 s + 0.25
=
s 2
(s + 10s + 100)(s + 0.926) + 0.5  201.6 (s
2 2
+ 1.25 s + 0.25 )=
201.6 (s + 1.25 s + 0.25)
2
=
s 5 + 10.93 s 4 + 109.26 s 3 + 193.4 s 2 + 126 s + 25.2

b. Simulink was used to simulate the system. The model of that system is shown in Figure P5.x-4*. The
parameters of the PID controller were set to: Kp = 2, Kd = 1.6, and KI = 0.4. The reference step, r(t) = 5 u(t),
and the casting speed step, vp (t) = 0.97 u(t) were set to start at t = 0. An adder was used to add the initial
5-60 Chapter 5: Reduction of Multiple Subsystems

value,
Hm (0 ) = – 75 mm, at the output, to the change in mould level, Hm.

The time and mould level (in array format) were output to “workspace ” sinks, each of which was given the
respective variable name. After the simulation ended, Matlab plot commands were used to obtain and edit
the graph of hm(t) from 0 to t = 80 seconds.

Casting
Speed
Casting Speed Coefficient 75 time

Initial M ould Clock Time


6
Level

100 0.63 1
PID(s)
s2+10s+100 s+0.926 0.5s Level XY Graph
Flow-in
Reference PID Controller M ould Adder
Linearized minus
Step Valve
Flow-in Flow-out
Level Sensor Hm
Sensitivity M ould Level

0.5

Simulink Model of the Mould Level Control System

-64

-66
Mould Level, hm, in Response to a Reference Signal r(t) = 5 u(t)
and a Casting Speed vp (t) = 0.97 u(t).
At t = 0, hm (0) = - 75.0 mm
-68
Steady state (final) value (at t = 80 sec), hm = - 65.0 mm
Mould Level, hm, mm

-70

-72

-74

-76

-78
0 10 20 30 40 50 60 70 80
Time, sec
Solutions to Problems 5-61

Response of the Mould Level to Simultaneous Step Changes in Reference Input, r(t) = 5 u(t), and Casting

Speed, vp (t) = 0.97 u(t) at an Initial Level, Hm (0 ) = – 75

46.

R(s) C(s)
1 ++

R(s) H (s) H (s) G(s) C(s)


- --

It can be easily verified that the closed loop transfer function for this system is identical to the

original.

47.
∆𝑉𝑡 𝐺(𝑠)
The closed loop transfer function is = where
∆𝑉𝑟𝑒𝑓 1+𝐺(𝑠)𝐻(𝑠)

0.3𝑠 2 +1.6𝑠+0.4 10 1 1 75𝑠 2 +400𝑠+100 1 100


𝐺(𝑠) = = and 𝐻(𝑠) = =
𝑠 0.1𝑠+1 0.4𝑠+1 𝑠+1 𝑠(𝑠+1)(𝑠+2.5)(𝑠+10) 0.01𝑠+1 𝑠+100

Substituting
75𝑠 2 + 400𝑠 + 100
∆𝑉𝑡 𝑠(𝑠 + 1)(𝑠 + 2.5)(𝑠 + 10)
=
∆𝑉𝑟𝑒𝑓 7500𝑠 2 + 40000𝑠 + 10000
1+
𝑠(𝑠 + 1)(𝑠 + 2.5)(𝑠 + 10)(𝑠 + 100)
75𝑠 3 + 7900𝑠 2 + 40100𝑠 + 10000
= 5
𝑠 + 113.5𝑠 4 + 1387.5𝑠 3 + 11275𝑠 2 + 42500𝑠 + 10000

48.
The MATLAB M-file is:

num1=25;
5-62 Chapter 5: Reduction of Multiple Subsystems

num2=[1 1.2 12500];


den1=[1 0];
den2=[1 5.6 62000];
num=conv(num1, num2);
den=conv(den1, den2);
G=tf(num, den);
D=feedback(G,0.1);
[numd,dend]=tfdata(D,'v');
numcm=[40 5];
dencm=[1 0];
numOL=conv(numd, numcm);
denOL=conv(dend, dencm);
Omega_OL=tf(numOL, denOL);
Omega_CL=260*feedback(Omega_OL,1);
step(Omega_CL, 0:0.002:0.2);
grid;

After the above file is run, MATLAB’s command window may be used to obtain the

requested minor-loop transfer function:

D=

25 s^2 + 30 s + 312500
----------------------------------------
s^3 + 8.1 s^2 + 62003 s + 31250

Continuous-time transfer function.

The MATLAB figure, shown below, illustrates the step-response obtained with all of the
requested important characteristics noted on it.
Solutions to Problems 5-63

System: Omega_CL
Peak amplitude: 300
Overshoot (%): 15.3
At time (seconds): 0.042 Step Response
300
System: Omega_CL
Final value: 260

250 System: Omega_CL


Settling time (seconds): 0.107

Shaft Angular Speed, rad/sec


System: Omega_CL
Rise time (seconds): 0.0262
200

150

100

50

0
0 0.02 0.04 0.06 0.08 0.1 0.12 0.14 0.16 0.18 0.2
Time (seconds)

49.

a.

Note that due to the topology, the loop on the top should have no influence whatsoever on

output 𝑥𝑠𝑠 . Applying Mason’s: There are two forward paths 𝑇1 = 𝑠 2 𝑚𝑠𝑠 𝐻𝑠𝑠 and 𝑇2 = 𝐶𝑠𝑠 𝐻𝑠𝑠 .

There are two loops 𝐿1 = −𝐶𝑠𝑠 𝐻𝑠𝑠 and 𝐿2 = −𝐶𝑙𝑠 𝐻𝑙𝑠 ; both loops are non-touching. Thus ∆=

1 + 𝐶𝑠𝑠 𝐻𝑠𝑠 + 𝐶𝑙𝑠 𝐻𝑙𝑠 + 𝐶𝑠𝑠 𝐻𝑠𝑠 𝐶𝑙𝑠 𝐻𝑙𝑠 . Eliminating forward path 1: ∆1 = 1 + 𝐶𝑙𝑠 𝐻𝑙𝑠 . Eliminating

forward path 2: ∆2 = 1 + 𝐶𝑙𝑠 𝐻𝑙𝑠 . The closed loop transfer function is:
𝑥𝑠𝑠 (𝑠) 𝑇1 ∆1 + 𝑇2 ∆2 (𝑠 2 𝑚𝑠𝑠 𝐻𝑠𝑠 + 𝐶𝑠𝑠 𝐻𝑠𝑠 )(1 + 𝐶𝑙𝑠 𝐻𝑙𝑠 ) 𝑠 2 𝑚𝑠𝑠 𝐻𝑠𝑠 + 𝐶𝑠𝑠 𝐻𝑠𝑠
= = =
𝑟(𝑠) ∆ 1 + 𝐶𝑠𝑠 𝐻𝑠𝑠 + 𝐶𝑙𝑠 𝐻𝑙𝑠 + 𝐶𝑠𝑠 𝐻𝑠𝑠 𝐶𝑙𝑠 𝐻𝑙𝑠 1 + 𝐶𝑠𝑠 𝐻𝑠𝑠 + 𝐶𝑠𝑠 𝐻𝑠𝑠 𝐶𝑙𝑠 𝐻𝑙𝑠
1 + 𝐶𝑙𝑠 𝐻𝑙𝑠
𝑠 2 𝑚𝑠𝑠 𝐻𝑠𝑠 + 𝐶𝑠𝑠 𝐻𝑠𝑠
=
1 + 𝐶𝑠𝑠 𝐻𝑠𝑠
b.
In this case there are three forward paths 𝑇1 = 𝑠 2 (𝑚𝑠𝑠 + 𝑚𝑙𝑠 )𝐻𝑙𝑠 ; 𝑇2 =
−𝑠 2 𝑚𝑠𝑠 𝐻𝑠𝑠 𝐶𝑙𝑠 𝐻𝑙𝑠 ; 𝑇3 = −𝐶𝑠𝑠 𝐻𝑠𝑠 𝐶𝑙𝑠 𝐻𝑙𝑠 . The loops and ∆ are just as in part a.
Eliminating forward path 1 ∆1 = 1 + 𝐶𝑠𝑠 𝐻𝑠𝑠. Eliminating either paths 2 or 3 ∆2 = ∆3 =
1. The closed loop transfer function is:
5-64 Chapter 5: Reduction of Multiple Subsystems

𝑥𝑙𝑠 (𝑠) 𝑇1 ∆1 + 𝑇2 ∆2 + 𝑇3 ∆3
=
𝑟(𝑠) ∆
𝑠 2 (𝑚𝑠𝑠 + 𝑚𝑙𝑠 )𝐻𝑙𝑠 (1 + 𝐶𝑠𝑠 𝐻𝑠𝑠 )−𝑠 2 𝑚𝑠𝑠 𝐻𝑠𝑠 𝐶𝑙𝑠 𝐻𝑙𝑠 − 𝐶𝑠𝑠 𝐻𝑠𝑠 𝐶𝑙𝑠 𝐻𝑙𝑠
=
1 + 𝐶𝑠𝑠 𝐻𝑠𝑠 + 𝐶𝑙𝑠 𝐻𝑙𝑠 + 𝐶𝑠𝑠 𝐻𝑠𝑠 𝐶𝑙𝑠 𝐻𝑙𝑠

50.
There are three forward paths 𝑇1 = 𝑘𝑓 𝐹𝑚 𝑇𝑝𝑖 𝑇𝑚𝑎 ; 𝑇2 = 𝑇𝑝𝑎 𝑇𝑚𝑎 and 𝑇3 = 𝑇𝑓𝑎 . There are
two loops: 𝐿1 = −𝐹𝑚 𝑇𝑝𝑖 𝑅𝑖 𝐻𝑐 and 𝐿2 = −𝐹𝑚 𝑇𝑝𝑖 𝑇𝑚𝑎 𝑘𝑟 . There are no non-touching loops.
So ∆= 1 + 𝐹𝑚 𝑇𝑝𝑖 𝑅𝑖 𝐻𝑐 + 𝐹𝑚 𝑇𝑝𝑖 𝑇𝑚𝑎 𝑘𝑟 . Eliminating forward paths 1 or 2 leaves no loops
so ∆1 = ∆2 = 1. Eliminating forward path 3 leaves one loop so ∆3 = 1 + 𝐹𝑚 𝑇𝑝𝑖 𝑅𝑖 𝐻𝑐 . The
closed loop transfer function is:

𝑣
̂(𝑠)
0 𝑇1 ∆1 + 𝑇2 ∆2 + 𝑇3 ∆3 𝑘𝑓 𝐹𝑚 𝑇𝑝𝑖 𝑇𝑚𝑎 + 𝑇𝑝𝑎 𝑇𝑚𝑎 + 𝑇𝑓𝑎 (1 + 𝐹𝑚 𝑇𝑝𝑖 𝑅𝑖 𝐻𝑐 )
= =
𝑣̂𝑖 (𝑠) ∆ 1 + 𝐹𝑚 𝑇𝑝𝑖 𝑅𝑖 𝐻𝑐 + 𝐹𝑚 𝑇𝑝𝑖 𝑇𝑚𝑎 𝑘𝑟

51.
a. Ls

Showing the equivalent circuit


IacF(s) R IacR(s)
here for reference we have:
Va(s) +
Vc(s)
1
--- Cs

Vc ( s ) =
1
I acF (s) − I acR (s)
Cs

(1)

Substituting the equation given in

the problem into (1), re-arranging,

and simplifying gives:

 1 
 
Vc ( s ) = Va ( s ) − Ls I acR ( s )  LC  (2)
 s2 + R
s+
1 
 
 L LC 
b.
Substituting circuit parameters into the equation given in the problem statement & (2), and
assuming zero initial conditions, we have:

103 ( s + 50000) 103 s


I acF ( s) = I acR ( s ) + Va ( s) (3)
( s 2 + 103 s + 5  107 ) s 2 + 103 s + 5  107
Solutions to Problems 5-65

5  107 5  104 s
Vc ( s) = Vc1( s) − Vc 2 ( s) = Va ( s ) − I acR ( s)
s 2 + 103 s + 5  107 s 2 + 103 s + 5  107
(4)

The Simulink model is shown below. The current source, IacR, (a step input) was set to

model iacR (t) = 10 u(t), amps, and the voltage ramp, va (t) = 20 t u(t), was created using a

step of 20 volts and an integrator with the upper saturation limit set to 20 volts and the lower

to 0. The result of the simulation was captured on a “scope” that was set to display the two

input variables (using a mux) from t = 0 to 15 ms, with the y-axis range set from – 60 to +60.

Simulink model of the system


5-66 Chapter 5: Reduction of Multiple Subsystems

Inductor Current, iacF(t) in amps, and Capacitor Voltage, vC(t) in volts, as Displayed on the scope at the end

of simulation (set to 15 ms).


Solutions to Design Problems 5-67

SOLUTIONS TO DESIGN PROBLEMS


52.
1 2 1 1
Je = Ja+JL( ) = 2+2 = 4; De = Da+DL( )2 = 2+DL( )2. Therefore, the forward-path transfer
20 20 20

function is,

1 25
 4 1 G 2
G(s) = (1000)  
1 20 . Thus, T(s) = 1+G =
1 25
.
s(s+4(De+2)) s2+ (De+2)s+
4 2
%OS
- ln ( ) De+2
100 25
Hence,  = = 0.456; n = ; 2n = . Therefore De = 10.9; from
%OS 2 4
2 + ln2 ( 100 )

which DL = 3560.

53.
K Ge(s)
The equivalent forward path transfer function is Ge(s) = . Thus, T(s) = =
s(1+(1+K2)) 1+Ge(s)
K K
2 . Prior to tachometer compensation (K2 = 0), T(s) = 2 . Therefore K = n2 =
s +(1+K2)s+K s +s+K
100
100. Thus, after tachometer compensation, T(s) = 2 . Hence, n = 10; 2n = 1+K2.
s +(1+K2)s+100

Therefore, K2 = 2n - 1 = 2(0.69)(10) - 1 = 12.8.


5-68 Chapter 5: Reduction of Multiple Subsystems

54.
At the N2 shaft, with rotation, L (s)

(Jeq s2 + Deq s) L (s) + F(s)r = Teq (s)


F(s) = (Ms2 + f vs)X(s)
Thus,

(Jeq s2 + Deqs) L (s) + (Ms2 + f vs)X(s)r = Teq(s)


But, X(s) = r L (s) . Hence,

(J eq 
+ Mr2 )s 2 + (Deq + fv r2 )s  L (s) = Teq (s)
where
Jeq = Ja (2) 2 + J = 5
Deq = Da (2)2 + D = 4 + D
r=2
Thus, the total load inertia and load damping is
J L = J eq + Mr2 = 5 + 4M
DL = Deq + fv r2 = 4 + D + (1)(2)2 = 8 + D
Reflecting JL and DL to the motor yields,
(5 + 4M) (8 + D)
Jm = ; Dm =
4 4
Thus, the motor transfer function is
Kt 1
 m (s) Ra J m Jm
=
Ea (s) s(s + 1 (D + K t Ka )) s(s + 1 (D + 1))
m m
Jm Ra Jm
The gears are (10/20)(1) = 1/2. Thus, the forward-path transfer function is
 1 
 Jm 1
Ge (s) = (500)
 s(s + 1 (D + 1)) 2
m
 Jm 
Finding the closed-loop transfer function yields,

Ge (s) 250/ J m
T (s) = =
1 + Ge (s) s 2 + m + 1 s + 250
D
Jm Jm
Dm + 1
For Ts = 2, = 4 . For 20% overshoot,  = 0.456. Thus,
Jm
Solutions to Design Problems 5-69

Dm + 1
2 n = 2(0.456) n = =4
Jm
250
Or,  n = 4.386 = ; from which J m =13 and hence, Dm = 51. But,
Jm
(5 + 4M) (8 + D)
Jm = ; Dm = . Thus, M = 11.75 and D = 196.
4 4

55.

a. The leftmost op-amp equation can be obtained by superposition. Let vo = 0 , then the circuit is
10k
an inverting amplifier thus v1 = − vin = −vin . Now let vin = 0 , the circuit is a non-inverting
10k

amplifier with an equal resistor voltage divider at its input, thus


10k 10k
v1 = (1 + )vo = vo . Adding both input components v1 = vo − vin
10k + 10k 10k

b. The two equations representing the system are:

v1 = vo − vin and
1 1
vo 0.1s 0.1R
=− =−
vin 1 1
R+ s+
0.1s 0.1R

The block diagram is:

1
Vi + -1 0.1 R Vo
+ - −
1
s+
0.1 R

c. From the figure


5-70 Chapter 5: Reduction of Multiple Subsystems

1
0.1R
1 1
s+
vo 0.1R 0.1R
= =
vin 1 2
s+
0.1R 0.1R
1+
1
s+
0.1R
4
d. The system is first order so Ts = = 0.2R = 1m sec from which
2
0.1R
1m
R= = 5k
0.2
vo 2000
e. = For a unit step input the output will look as follows
vi s + 4000

Step Response
0.5

0.45

0.4

0.35

0.3
Amplitude

0.25

0.2

0.15

0.1

0.05

0
0 0.5 1 1.5
Time (sec) -3
x 10
Solutions to Design Problems 5-71

56.

a. The transfer function obtained in Problem 3.32 is

Y − 520s − 10.3844
= 3 by inspection we write the phase-variable form
U 1 s + 2.6817s 2 + 0.11s + 0.0126

 x1   0 1 0   x1  0
 x  =  0 0 1   x  + 0u
 2   2    1
 x 3  − 0.0126 − 0.11 − 2.6817  x3  1
 x1 
y = − 10.3844 − 520 0 x 2 
 x3 
b. We renumber the phase-variable form state variables in reverse order

 x 3   0 1 0   x3  0
 x  =  0 0 1   x  + 0u
 2   2    1
 x1  − 0.0126 − 0.11 − 2.6817  x1  1
 x3 
y = − 10.3844 − 520 0 x 2 
 x1 

And we rearrange in ascending numerical order to obtain the controller canonical form:

 x1  − 2.6817 − 0.11 − 0.0126  x1  1


 x  =  1 0 0   x  + 0u
 2   2    1
 x 3   0 0 1   x3  0
 x1 
y = 0 − 520 − 10.3844 x 2 
 x3 
c. To obtain the observer canonical form we rewrite the system’s transfer function as:

520 10.3844
− −
Y s 2
s3
=
U1 2.6817 0.11 0.0126
1+ + 2 +
s s s3

We cross-multiply to obtain
5-72 Chapter 5: Reduction of Multiple Subsystems

 520 10.3844   2.6817 0.11 0.0126 


− s 2 − s 3 U 1 = Y 1 + s + s 2 + s 3 

Combining terms with like powers of integration:

Y=
1
− 2.6817 Y  + 12 − 520R − 0.11Y  + 13 − 10.3844R − 0.0126Y 
s s s
1 1 
= − 2.6817Y +  − 520R − 0.11Y  + − 10.3844R − 0.0126Y 
1
s s s 

We draw the signal flow graph:

The following equations follow:

x1 = −2.6817x1 + x2
x 2 = −0.11x1 + x3 − 520r
x3 = −0.0126x1 − 10.38r

y = x1

Which lead to observer canonical form:


Solutions to Design Problems 5-73

 x1  − 2.6817 1 0  x1   1   x1 
 x  =  − 0.11 0 1  x  +  − 520 u ; y = 1 0 0 x 
 2   2    1  2
 x 3   − 0.0126 0 0  x3  − 10.38  x3 

d.

>> A=[-0.04167 0 -0.0058; 0.0217 -0.24 0.0058; 0 100 -2.4];

>> B=[5.2;-5.2;0];

>> C=[0 0 1];

>> [V,D]=eig(A);

>> Bd=inv(V)*B

Bd =

1.0e+002 *

-0.9936 + 0.0371i

-0.9936 - 0.0371i

1.9797

>> Cd = C*V

Cd =

0.9963 0.9963 1.0000

>> D

D=
5-74 Chapter 5: Reduction of Multiple Subsystems

-0.0192 + 0.0658i 0 0

0 -0.0192 - 0.0658i 0

0 0 -2.6433

So a diagonalized version of the system is

 x1  − 0.0192 + j 0.0658 0 0   x1  − 99.36 + j 3.71


 x  =  0 − 0.0192 − j 0.0658 0   x  + − 99.36 − j 3.71u
 2   2    1
 x 3   0 0   
− 2.6433  x3   197.97 

 x1 
y = 0.9963 0.9963 1 x 2 
 x3 
Solutions to Design Problems 5-75

57.
a. Substituting all values and transfer functions into the respective blocks of the system
(Figure 4), we get:

0.6154

Torque Motive Motor


Armature Armature Torque
Res. Current Angular
Speed Speed Controller
TL (s) Speed
Ref.
Ra(s) T(s)
Ia(s) _
Error 100 s + 40 UC(s)
Controller &10 U
s+6 a )
Power ( s + 1  (s) 0 .3
Signal
s 1 1.8 _ 7.226  s 4.875
+ +s _ Vehicle
(s) Ev(s)
Rv+ _
Amplifier
Speed
_ _ Friction

Feedback Torque V(s)


Feedback Eb (s)
Current Signal Back emf Tf (s)
KCS Ia(s) 0.1
Speed Signal

KSS(s) 2
Current Sensor
Sensitivity

0.5
Speed Sensor
Sensitivity

0.0443

r 0.3
Moving the last pick-off point to the left past the = = 0.06154 block and changing the position of the
itot 4.875

back-emf feedback pick-off point, so that it becomes an outer loop, we obtain the block-diagram shown below. In
1
that diagram the block (representing the total inertia) has two parallel feedback blocks. Reducing these two
7.226  s

blocks into one, we have the following equivalent feedback transfer function:
1
 ( s) 7.226 s 0.1384
Geq ( s ) = = =
T ( s) 0.13787 s + 0.01908
1+
7.226 s
5-76 Chapter 5: Reduction of Multiple Subsystems

2
0.03787
Eb(s)  (s)
TL (s)
UC(s) Ia(s) T(s) _
Rv(s) Ev(s) _
100 s + 40 10 s + 6 UA + 1 V(s)
+ 1 1.8 0.06154
+ s s + _ 7.226  s
_ _
KCS Ia(s) Tf (s)
KSS (s)
0.1
0.5

0.0443

Replacing that feedback loop with its equivalent transfer function, Geq(s), we have:

2
Eb(s)
Geq(s)
UC(s) T(s)  (s)
Rv(s) Ev(s) _ Ia(s) V(s)
100 s + 40 10 s + 6 + 1 1.8
0.1384
0.06154
s + s + 0.01908
+ _ s UA (s)
_
KCS Ia(s)
KSS (s)
0.5

0.0443

T ( s)
Moving the armature current pick-off point to the right past the and Geq(s) blocks, the above block-diagram
I a (s)

becomes as shown below.


Solutions to Design Problems 5-77

2
Eb(s)
UC(s) T(s)  (s)
Rv(s) Ev(s) + _ Ia(s) V(s)
100 s + 40 10 s + 6 1 1.8
0.1384
0.06154
s + s + 0.01908
+ _ s UA (s)
_
KCS Ia(s)
KSS (s)
0.5 s + 0.01908
0.2491

0.0443

The latter, in turn, can be reduced to that shown next as the cascaded blocks in the feedback to the torque controller
K CS I a ( s) s + 0.01908
are replaced by the single block: = and the inner feedback loop is replaced by its
( s ) 0.4982

equivalent transfer function:

0.2491
 (s)
= s + 0.01908 =
0.2491
U A (s) 0.2491 s + 0.5173
1+ 2
s + 0.01908

Rv(s) Ev(s) UA (s)  (s) V(s)


100 s + 40 UC(s) 10 s + 6 0.2491
0.06154
+ s + s s + 0.5173
_ _
KCS Ia(s)
KSS (s) s + 0.01908
0.4982

0.0443
5-78 Chapter 5: Reduction of Multiple Subsystems

 10 s + 6   0.2491 
  
 (s)  s   s + 0.5173  0.2491 (10 s + 6)
Thus: = =
U C (s)  10 s + 6   0.2491   s + 0.01908  s ( s + 0.5173) + 0.5 (10 s + 6) (s + 0.01908)
1+    
 s   s + 0.5173   0.4982 

 100 s + 40   0.2491(10 s + 6) 
   
 (s)  s   s ( s + 0.5173) + 0.5 (10 s + 6) (s + 0.01908) 
Finally = or
Rv ( s )  100 s + 40   0.2491 (10 s + 6) 
1 + 0.0443    
 s   s ( s + 0.5173) + 0.5(10 s + 6) (s + 0.01908) 
 ( s) 249.1 ( s + 0.4 ) ( s + 0.6 )
=
R (s) s  6 s 2 + 3.613 s + 0.0572  + 11.035  s 2 + s + 0.24 
v
   
249.1 ( s + 0.4 ) ( s + 0.6 )
=
6 s3 + 14.644 s 2 + 11.09 s + 2.65

V (s)  (s) 15.33 ( s + 0.4 ) ( s + 0.6 )


Hence: = 0.06154 =
Rv ( s) Rv ( s) 6 s + 14.644 s 2 + 11.09 s + 2.65
3

b. Simulink was used to model the HEV cascade control system. That model is shown below. The reference
signal, rv (t), was set as a step input with a zero initial value, a step time = 0 seconds, and a final value
equal to 4 volts [corresponding to the desired final car speed, v ( ) = 60 km/h, e.g. a desired final value of
the change in car speed, v ( ) = 5.55 m/s]. The variables of interest [time, change in car speed,
acceleration, and motor armature current] were output (in array format) to four “workspace” sinks, each of
which was assigned the respective variable name. After the simulation ended, Matlab plot commands were
utilized to obtain and edit the required three graphs. These graphs are shown below.

The simulations show that in response to such a speed reference command, car acceleration would go
initially to a maximum value of 10.22 m/s2 and the motor armature current would reach a maximum value
of 666.7 A. That would require an electric motor drive rated around 80 kW or using both the electric motor
and gas or diesel engine, when fast acceleration is required. Most practical HEV control systems, however,
use current-limiting and acceleration-limiting devices or software programs.
Solutions to Design Problems 5-79

time
Clock
To Workspace1

0.61543
Speed vs Time
Armature Aerodynamic Drag
Res., Ra
1
PI(s) PI(s) 1 1.8 0.06154 du/dt
7.226s
Referece Derivative Acceleration
Speed Torque Torque Const. Motive HEV Inertia
Signal Linear vs Time
Controller Controller x Efficiency minus Referred to
Speed /
and Power Resistive Motor Shaft
Angular
Amplifier Torques Speed
0.1
Armature
Back EMF Friction
Current vs Time
Const, Kb1 Coeff., D

2 acceleration

To Workspace2

0.5
Speed

Current Sensor To Workspace


Sensitivity, Kcs
0.0443 Current

To Workspace3
Speed Sensor
Sensitivity, Kss

Model of the HEV Cascade Control System

Change in car speed in response to a speed reference signal step of 4 volts


5-80 Chapter 5: Reduction of Multiple Subsystems

Car acceleration reponse to a speed reference signal step of 4 volts

Motor armature current reponse to a speed reference signal step of 4 volts


Solutions to Design Problems 5-81

58.

a. There is only 1 forward path. The gain of the forward path is 𝑀1 = 𝐺𝑃 . There are
two loops 𝐿1 = −𝐺𝑃 and 𝐿2 = +𝐺𝑃̃, and no non-touching loop; so ∆= 1 + 𝐺𝑃 −
𝐺𝑃̃. After the forward loop is eliminated ∆1 = 1. The closed-loop transfer function
from command input to output is:
𝑌 𝑀1 ∆1 𝐺𝑃
(𝑠) = =
𝑅 ∆ 1 + 𝐺(𝑃 − 𝑃̃)
b. There is only 1 forward path. The gain of the forward path is 𝑀1 = 1 There are
two loops 𝐿1 = −𝐺𝑃 and 𝐿2 = +𝐺𝑃̃, and no non-touching loop; so ∆= 1 + 𝐺𝑃 −
𝐺𝑃̃. After the forward loop is eliminated one loop remains so ∆1 = 1 − 𝐺𝑃̃. The
closed-loop transfer function from command input to output is:
𝑌 𝑀1 ∆1 1 − 𝐺𝑃̃
(𝑠) = =
𝐷 ∆ 1 + 𝐺(𝑃 − 𝑃̃)
c. The total output is
𝐺𝑃 1 − 𝐺𝑃̃
𝑌= 𝑅+ 𝐷
1 + 𝐺(𝑃 − 𝑃̃) 1 + 𝐺(𝑃 − 𝑃̃)
𝐺(𝑠)
d. In Figure P5.54(b) let 𝐺𝐶 (𝑠) = . The closed-loop transfer function from
1−𝐺(𝑠)𝑃̃(𝑠)
command input to system output is:
𝐺(𝑠)
𝑃(𝑠)
𝑌 1 − 𝐺(𝑠)𝑃̃(𝑠) 𝐺(𝑠)𝑃(𝑠)
= =
𝑅 𝐺(𝑠) ̃
1+ 𝑃(𝑠) 1 + 𝐺(𝑠)(𝑃(𝑠) − 𝑃(𝑠))
1 − 𝐺(𝑠)𝑃̃(𝑠)
Similarly the transfer function from disturbance to system outputs is:

𝑌 1 1 − 𝐺(𝑠)𝑃̃(𝑠)
= =
𝐷 𝐺(𝑠) ̃
1+ ̃ 𝑃(𝑠) 1 + 𝐺(𝑠)(𝑃(𝑠) − 𝑃(𝑠))
1 − 𝐺(𝑠)𝑃 (𝑠)

You might also like