KEMBAR78
Motoman Sk6 Service Manual | PDF | Manufactured Goods | Machines
100% found this document useful (63 votes)
676 views5 pages

Motoman Sk6 Service Manual

The document is the service manual for the Motoman SK6 industrial robot. It provides instructions for technical specifications, installation, maintenance and repair of the robot. It includes descriptions of the machine, working areas, allowable loads, lifting instructions, mounting procedures, connections, construction details, maintenance schedules and replacement procedures.

Uploaded by

ellen
Copyright
© © All Rights Reserved
We take content rights seriously. If you suspect this is your content, claim it here.
Available Formats
Download as PDF, TXT or read online on Scribd
100% found this document useful (63 votes)
676 views5 pages

Motoman Sk6 Service Manual

The document is the service manual for the Motoman SK6 industrial robot. It provides instructions for technical specifications, installation, maintenance and repair of the robot. It includes descriptions of the machine, working areas, allowable loads, lifting instructions, mounting procedures, connections, construction details, maintenance schedules and replacement procedures.

Uploaded by

ellen
Copyright
© © All Rights Reserved
We take content rights seriously. If you suspect this is your content, claim it here.
Available Formats
Download as PDF, TXT or read online on Scribd
You are on page 1/ 5

Motoman Sk6 Service Manual

Full download: http://manualplace.com/download/motoman-sk6-service-manual/

MOTOMAN SK6-C000 /-C020

Service manual, Robot

MOTOMAN ROBOTICS AB
a subsidiary of YASKAWA Electric Corporation

This is the cut pages sample. Download all 50 page(s) at: ManualPlace.com
MOTOMAN
ROBOTICS
Service manual SK6
AB Page: 1

1. About this manual .................................. 3


2. Machine description ............................... 3
Technical data 3
Identification 3
Working area - radial range 4
Working area for axes 4
3. Precautions for allowable wrist load ....... 5
Allowable wrist load 5
Allowable U-load 6
4. Lifting instruction .................................... 7
Handling of the robot 7
Shipping bolts and jigs 7
5. Mounting ................................................ 9
General 9
Safety 9
Robot placed on a common base 9
Robot mounted directly on the floor 10
Connection to wrist flange 11
6. Connection ........................................... 11
General 11
Connection customer application 11
Connection YASNAC MRC 12
7. Contruction ........................................... 13
Limit switch 13
Internal connectors 13
8. Maintenance ........................................ 15
General 15
Inspection schedule 15
Replacement procedures for battery unit 16
S-axis speed reducer 17
Speed reducer U- and L-axesl 18
Speed reducer R-axis 19
R-axis cross roller bearing 20
B-and T-axes speed reducers 21
Angular gear T-axis 22
L-axis cross roller bearing 23
L-and U-axes link 24
Wrist unit 25
9. Spare parts .......................................... 26
10. Specification ......................................... 26

Skapad: 95-04-24 Ändrad: 98-09-16 Filnamn: T:\M-ROBOT\ENGELSK\SK6IH.FM


Service manual SK6 MOTOMAN
ROBOTICS
Page: 2 AB

Revision
980915
MOTOMAN Spareparts no. added for bearings.
(Book-format for framemaker documents).

Skapad: 95-04-24 Ändrad: 98-09-16 Filnamn: T:\M-ROBOT\ENGELSK\SK6IH.FM


MOTOMAN
ROBOTICS
Service manual SK6
AB About this manual Page: 3

MOTOMAN SK6-C000 /-C020


Electric Industrial Robot YR-SK6-C000 /-C020.
European version of English manual TOE-C945-111.1B and HW9481658

1. About this manual


Yaskawa’s electric industrial robot consist of robot
Motoman-SK6-C000 /-C020 and controller YASNAC MRC.
The working station can be completed with external axis, tools,
fixtures, other machins, safety guards etc.

This manual gives instruction about:


-Technical specification
-Installation
-Maintenance

For the control system YASNAC MRC, see separate instruction.


Instruction for handling of robot and sourrounding equipment, see separate
instruction.

This servicemanual must not be copied without our written permission and
the content thereof must not be imparted to a third party nor be used for
any unauthorized purpose. Contravention will be prosecuted.

2. Machine description
2.1 Technical data
For technical data, see separate table in the end of this manual.

2.2 Identification
The robot MOTOMAN-SK6 as well as the controller YASNAC MRC are
provided with machine signs where the robotnumber is stated, check that
these signs has the same number. If not, contact Motoman Robotics AB.
This check is very important if more than one robot will be installed at the
same time.
The designations of the different axis are general for MOTOMAN-robots
and are found in maintenance schedule, spare part list and
instruction.

Skapad: 95-04-24 Ändrad: 98-09-16 Filnamn: T:\M-ROBOT\ENGELSK\SK6.FM


Motoman Sk6 Service Manual
Full download: http://manualplace.com/download/motoman-sk6-service-manual/

Service manual SK6 MOTOMAN


ROBOTICS
Page: 4 Machine description AB

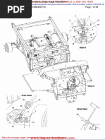
Upper arm U
B+
U+ R+
T+

T-
R-
U- B-

L-
Lower arm L
L+

Rotary head S
S+
Fig.1 Name on the
robot axes

S-

2.3 Working area - radial range


For description of working area and dimensions, see separate drawing.
MOTOMAN-SK6-C000 drawing no. HW9280639.
MOTOMAN-SK6-C020 drawing no. HW9280644.

2.4 Working area for axes


The working area for the S-axis can be altered to fit the application. If it is
necessary, contact Motoman Robotics AB.

Working range Note1


Axes
(limitations)
max. min.

S-axis +170° -170° ±170°, ±150°, ±120°, ±90°, ±60°, ±30°


L-axis +150° -90°
U-axis +90° -110° For YR-SK6-C020; +90°, -95°
R-axis +180° -180°
B-axis +135° -135°
T-axis +320° -320°
1. If limitations of the S-axis working area is necessary, contact Motoman Robotics AB.

Skapad: 95-04-24 Ändrad: 98-09-16 Filnamn: T:\M-ROBOT\ENGELSK\SK6.FM


This is the cut pages sample. Download all 50 page(s) at: ManualPlace.com

You might also like