KEMBAR78
Lecture 6 | PDF | Electric Motor | Rectifier
0% found this document useful (0 votes)
117 views31 pages

Lecture 6

The document discusses speed control methods for DC and AC motors. It describes several methods for controlling the speed of DC motors, including varying the armature voltage, field current, and armature resistance. Methods for controlling AC induction motor speed discussed include voltage/frequency control, changing the number of stator poles, adding resistance to the rotor circuit, and injecting slip frequency voltage into the rotor. The document also covers motor power rating selection and factors like temperature rise and thermal overload capacity.

Uploaded by

amanuel abreha
Copyright
© © All Rights Reserved
We take content rights seriously. If you suspect this is your content, claim it here.
Available Formats
Download as PDF, TXT or read online on Scribd
0% found this document useful (0 votes)
117 views31 pages

Lecture 6

The document discusses speed control methods for DC and AC motors. It describes several methods for controlling the speed of DC motors, including varying the armature voltage, field current, and armature resistance. Methods for controlling AC induction motor speed discussed include voltage/frequency control, changing the number of stator poles, adding resistance to the rotor circuit, and injecting slip frequency voltage into the rotor. The document also covers motor power rating selection and factors like temperature rise and thermal overload capacity.

Uploaded by

amanuel abreha
Copyright
© © All Rights Reserved
We take content rights seriously. If you suspect this is your content, claim it here.
Available Formats
Download as PDF, TXT or read online on Scribd
You are on page 1/ 31

POWER ELECRONICS AND

ELECTRICAL DRIVES

• Lecture 6
• Electric drives and control
• Design of dc motor induction motor
• ECEg 4212
Introduction
The speed of a given machine (DC) has to be controlled for the
required speed variations of an operation.
 Either armature voltage or field current can be varied or controlled.
A separately excited motor is a versatile variable speed motor. The
speed control using the variation of the armature voltage can be
used for constant torque application in the speed range from zero
to base or rated speed.
 The speed control using the field weakening can be used for
constant power application in the speed range from zero to above
base or rated speed.
Speed N = k (V-IaRa)/ φ
Where V = Terminal Voltage in volts Ia = Armature current
in Amps Ra = Armature resistance in ohms φ = flux per pole

Applications of DC Drives: Electric Traction


,Steel mills , Printing
mills ,Textile mills ,Paper mills , Machine tools , Cranes ,Hoists
Conventional Methods of Speed Control
Speed control of DC Shunt Motors:
 By varying the resistance in the armature circuit
 By varying the flux (field)
 By varying the applied Voltage
1.Armature Resistance Control
 Speed of the motor is directly proportional to the back emf Eb
Eb = V- IaRa.
 That is when supply voltage V and armature resistance Ra are kept
constant, speed is directly proportional to armature current Ia. Thus if
we add resistance in series with armature, Ia decreases and hence
speed decreases.
 Greater the resistance in series with armature, greater the decrease in
speed.
Advantages: Simple method of speed control
Disadvantages: The change in speed with the change in load becomes
large. More power is wasted in this controller resistance.
2.Field flux control:

 Speed of the motor is inversely proportional to flux. Thus by


decreasing flux speed can be increased and vice versa.
 To control the flux, a rheostat is added in series with the field
winding, as shown in the circuit diagram.
 Adding more resistance in series with field winding will increase
the speed, as it will decrease the flux.
 Field current is relatively small and hence I2R loss is small, hence
this method is quiet efficient.
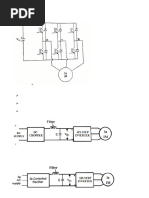
3. Voltage control
Ward-Leonard system:-In this method, the adjustable voltage for the
armature is obtained from an adjustable-voltage generator while the
field circuit is supplied from a separate source

The output from the generator G is fed to the armature of the motor
M2 whose speed is to be controlled. The output voltage of the
generator G can be varied from zero to its maximum value, and hence
the armature voltage of the motor M2 is varied very smoothly.
 Hence very smooth speed control of motor can be obtained by this method.
 This system is used where very sensitive speed control of motor is required (e.g
electric excavators, elevators etc.)
Advantages:
• Full forward and reverse speed can be achieved.
• A wide range of speed control is possible
• Short time overload capacity is large
• The armature current of the motor is smooth.
Disadvantages:
• High initial cost
• The overall efficiency is low, less than 80%
• Costly foundation and a large amount of space is required
• The drive produces noise
• It requires frequent maintenance
Solid state Speed Control of DC Motor:
The DC Motor speed can be controlled through power semiconductor
switches. The power semiconductor switches are SCR, MOSFET,
IGBT etc., this type of speed control is called static ward leonard
Drive.
There are different types of Types of DC Drives: like
 Phase controlled rectifier fed DC drives
 Single phase rectifier fed DC drives
 Three phase rectifier fed DC drives……

Single phase Controlled rectifier fed DC drives:


the SCR conducts as long as anode is given positive supply. The value of AC voltage
becomes zero, when it reaches 180 or π radians. After this point the value of AC
voltage becomes negative and SCR never conducts. The SCR therefore conducts from
α to π. This angle is known as conduction angle β.
. Rectified DC voltage is applied across the load. By changing the firing angle, the
conduction angle is changed, thereby average value of DC voltage across the motor
loaded is changed. So by changing the firing angle the speed of the DC motor can be
controlled. It is clear that only one pulse applied to the SCR during one complete cycle
so this circuit is also known as Single Pulse converter.
 The full wave half controlled rectifier circuit consists of two
thyristors and two diodes.
 The gates of both thyristors are supplied from two gate control
supply circuits.
 One thyristors (or SCR) conducts during the positive half cycles
and the other during the negative half cycles and thus unidirectional
current flows through the load circ
Advantages:
 Basic operation is simple and reliable
 Time response is faster
 Small size
 Less weight
Disadvantages:
 Introduce current and voltage harmonics into supply systems
 The overload capacity is lower
Chopper Fed DC Drives

Fixed DC voltage is fed to the DC chopper circuit. DC chopper


converts fixed DC into variable DC voltage. This variable DC Voltage
is fed to the motor.
By varying the DC voltage, the motor speed can be controlled.
Advantages:
 High efficiency
 Light weight
 Flexibility in controls
 mall size
Quick response
Applications: Battery operated vehicles , Traction motors Hoists
SPEED CONTROL AC DRIVES

A three phase induction motor is basically a constant speed motor so it‟s


somewhat difficult to control its speed. To control the speed of three
phase induction motor one should know the basic formulas of speed and
torque of three phase induction motor as the methods of speed control
depends upon these formulas

AC machines have been used in constant speed application, because


conventional methods of their speed control have either been
expensive or highly insufficient.
But DC machines were preferred for variable speed drives. However,
the main disadvantages of dc machines are,
 Higher cost
 Higher rotor inertia
 Maintenance problems
Advantages of Induction motor:
 Rugged
 Cheaper
 Lighter
 Smaller
 Les maintenance

Applications of Induction motors:


 Drilling machines
 Fans Blowers
 Water pumps
 Grinders
 Printing machines etc
Speed control of three phase induction motor:
1 Stator Side
 V / f control or frequency control.
 Changing the number of stator poles
 Controlling supply voltage.
 Adding rheostat in the stator circuit.
2.Rotor Side
 Adding external resistance on rotor side.
 Cascade control method.
 Injecting slip frequency emf into rotor side

V/F control or Frequency control:Whenever three phase supply is


given to three phase induction motor rotating magnetic field is
produced which rotates at synchronous speed given by
In three phase induction motor emf is induced by induction similar to
that of transformer which is given by

Now if we change frequency synchronous speed changes but with


decrease in frequency flux will increase and this change in value of
flux causes saturation of rotor and stator cores which will further
cause increase in no load current of the motor .
So, its important to maintain flux, φ constant and it is only possible if
we change voltage . i.e if we decrease frequency flux increases but at
the same time if we decrease voltage flux will also decease causing no
change in flux and hence it remains constant.
So, here we are keeping the ratio of V/ f as constant. Hence its name
is V/ f method.
For controlling the speed of three phase induction motor by V/ f
method we have to supply variable voltage and frequency which is
easily obtained by using converter and inverter set.
Pole Changing Methods:
 The speed of an induction motor depends upon the number of poes
which the stator is wound.
 If two independent stator windings are used for different number of
poles say for four poles and for two poles are made on the stator,
definite rotor speeds can be obtained.
 The two windings are to be insulated from one another. When any of
the windings is used, other winding should be kept open circuited by
the switch.
 For example, a 36-slot stator may have two 3ϕ -windings, one with 4
poles and the other with 6-poles. With supply frequency of 50Hz, 4
pole winding will give

The limitation of this method is only two definite speeds can be


obtained. Smooth control of speed over wide range is not possible
Selection of Motor Power Rating
1 Introduction
 While selecting of a motor for a drive, it must, beside suitable torque-speed
characteristics and adequate power, satisfy the following requirements:
i) When the motor is loaded for any mechanical work, its final steady state
temperature rise must be within permissible value for the class of
insulation used.
Example : y-type insulation -90c- it can withstand up to 90c
ii) It should be capable of driving the load satisfactory under steady state as
well as transient condition.
iii) When the motor is fully loaded, it must not have excess temperature rise.
So, motors are selected for a given class of duty after giving due
consideration to the thermal and overload capacity.
2 power losses
 An electric motor has a power losses occurring in its various parts such
as cu losses in armature and field, core losses due to hysteresis and eddy
currents and mechanical losses due to friction and windage.
 This unavoidable power losses cause localised heating and responsible for
temperature rise of the motor
Total power loss  W  Wcore  x Wcu .................................................(3.1)
2

X = load of the motor expressed as a fraction of the rated load


 In the beginning, all the heat stored in the material and no heat
is dissipated to surrounding cooling system .
 As the temperature rises the component of heat stored decreases
and heat dissipation will increases.
 Finally, when the machine attains a steady state temperature, it
can longer stored any more heat and all the heat generated is
dissipated.
 An electric machine is normally designed for a given temperature
rise as by class of insulation.
 Types of insulation:-
y-type
A-type
E-type
B-type
F-type
H-type
C-type
Heating And Cooling an electric motor
 The heating and cooling calculation of an electric motor are
on the following simplification.
i) The machine is considered to be homogeneous body having
uniform temperature gradient i.e. all the points at which the
heat is generated have the same temperature. All the point at
which the heat to cooling medium also at the same
temperature.
ii) Heat dissipation taking place proportional to the difference of
temperature and surrounding medium. No heat is radiated.
iii)The rate of dissipation of heat is constant all temperature.
iv) Heat balance equation
heat generated in the body = heated dissipated to the medium + heat stored
in the body causing the temperature above the ambient temp.
Wdt  A dt  Gsd ............................................................(3.2)
Where W = is the power loss on the motor responsible for heat, Watts
G = weight of active parts of the motor in kg.
s = specific heat of the material of the body in J/degree/kg
A = cooling surface in m2
 = specific heat dissipation or emissivity in J/s/m2/degree difference
in temperature
 = is the temperature rise of the body
= temperature rise in small interval dt
d

At equilibrium ,
heat generated in the body = heated dissipated to the medium.
Wdt  A dt........................................(3.3)
When the temperature rise reaches a constant value, the body is said to have
reached maximum temperature rise  m . When this condition is reached d  0 .
  m
So,
W  Am ........................................(3.4)
And the maximum temperature rise
W
m  ................................................................(3.5)
A

Rearranging Eq. 3.2 we have


d W A
   ...............................................(3.6)
dt Gs Gs
If the cooling were not there the machine would heat up enormously and the
temperature rise would attain very high values. But must be limited to  m .
The time taken by the machine to reach this temperature rise in the absence
of dissipation can be determined using.
Wdt  Gsd ................................................(3.7)
Which gives a linear relation between  and t . There fore

W 
 ..............................................(3.8)
Gs t
If  1 the time taken to reach m.We have
W m
 ..............................................(3.9)
Gs  1
substituting for  eq. 3.5 in to eq.3.9. we have
m

Gs
1  ....................................................(3.10)
A
Rearranging Eq.3.2. we have
d A W
  ..........................................(3.11)
dt Gs Gs
Solving Eq.3.11 using first order non - homogenous differential eq.
we have
W  t
Gs
 t
Gs
 1  e
A
  O e ..................................................(3.12)
A
A  
Where O is initial temperature at t=0
Substituting eq.3.5 and 3.10 in eq.3.12 . We have
 t
1
 t
1
   m  1  e   o e ............................................................(3.13)
 
 
Heating time constant can determine from the experimental curveusing
the definition that it is the time taken to reach the 63.2% of  m.
The time constant
m
1  .................................................(3.14)
 initial slope of the curve 
where
d 
initial slope of the curve 
dt  t 0
Cooling curve: when a machine is switched off from the main source
or when the load on the motor reduced the machine cools.
 When a machine switched off (there is heat generation in the motor)

0  A dt  Gsd ......................................................................(3.1


Solution of this equation with proper initial values
t

   m e  ..............................................................(3.16)
2

Where  2 the time constant of during cooling

 When the load on the motor is reduced in which case it cools to a temperature
W1
f  ..............................................................(3.17)
A
Where W1 is the total loss at reduced load. The cooling curve in this case determined
as

t t

   m e    m   f  e  .......................................(3.18)
2 2
CLASSES OF MOTOR DUTY
operating conditions are classified into eight classes of duty, depending on
the duration and nature of the load.
(i) Continuous duty.
(ii) Short time duty.
(iii) Intermittent periodic duty.
(iv) Intermittent periodic duty with starting.
(v) Intermittent periodic duty with starting and braking.
(vi) Continuous duty intermittent periodic loading.
(vii) Continuous duty with starting and braking.
(viii) Continuous duty with periodic speed changes.
(i) Continuous duty
– Denotes operation at constant load of sufficient duration for
thermal equilibrium to be reached.
– Centrifugal pumps, fans, compressors and conveyers are some
examples.

Fig Continuous duty


(ii) Short time duty (iii) Intermittent periodic duty
 The time drive operation is  It consists a periodic duty cycles, each
considerably less the heating consisting of a periodic running at
constant. constant load and a rest period.
 The machine allowed to cool off to  The machine doesn’t allowed to
ambient temperature before the reach thermal equilibrium and to
cool off to ambient temperature.
motor is required to operate again.
 Heating of machine during starting
 Crane drive , drive for household and braking is negligible.
appliances are some examples.
 Some examples : pressing, cutting,
 The recommended values 10,30,60 and drilling machine drives
and 90 minutes.  Unless otherwise specified, duration
factor of the duty cycle is 10
minutes.
 The recommended values for cyclic
duration factor are 15, 25, 40, and 60
percent.

fig. short time duty


Fig Intermittent periodic duty

Intermittent periodic duty


(iv) Intermittent periodic duty with
(v) Intermittent periodic duty with
starting
starting and braking
 Heating the machine during starting
 Heating the machine during starting
can not be ignored. and braking can not be ignored.
 Heating the machine during braking is  Some examples: drives for suburban
negligible. trains, billet mill drive etc.
 Heating Some examples: metal  In this duty, braking is rapid and
cutting, drive for fork drives etc. carried out electrical.

Fig. Intermittent periodic duty with starting


fig intermittent periodic duty with starting and braking
(Vi) Continuous duty with intermittent (vii) Continuous duty with starting and
periodic loading braking.
 Consist of a periodic duty
 Each consisting of a period of cycle, each having a period
running at constant load and a starting, period running at a
period running at no load. constant load and a period of
 The load period and no load electrical braking; there is no
period being to short for the period of rest.
respective temperature to be  Example : blooming mill
obtained.
 Some examples: pressing ,
cutting , shearing and drilling
machine drives.

Fig. Continuous duty with intermittent periodic Fig. Continuous duty with starting and
loading braking.

You might also like