KEMBAR78
Crouzet M2 | PDF | Relay | Power Supply
100% found this document useful (1 vote)
1K views32 pages

Crouzet M2

Millenium II+ integrates the largest function library on the market, now enhanced with even more functions (high-speed counting, tachometer, PID temperature controller, data storage, etc.) in addition, Crouzet can also design functions specific to your requirements. New accessories and extensions make it easier to communicate with the outside world.

Uploaded by

shadi2010
Copyright
© Attribution Non-Commercial (BY-NC)
We take content rights seriously. If you suspect this is your content, claim it here.
Available Formats
Download as PDF, TXT or read online on Scribd
100% found this document useful (1 vote)
1K views32 pages

Crouzet M2

Millenium II+ integrates the largest function library on the market, now enhanced with even more functions (high-speed counting, tachometer, PID temperature controller, data storage, etc.) in addition, Crouzet can also design functions specific to your requirements. New accessories and extensions make it easier to communicate with the outside world.

Uploaded by

shadi2010
Copyright
© Attribution Non-Commercial (BY-NC)
We take content rights seriously. If you suspect this is your content, claim it here.
Available Formats
Download as PDF, TXT or read online on Scribd
You are on page 1/ 32

Logic controller

Provides a wealth of solutions for your applications

Your

tailor-made solution
provides a wealth of solutions for your applications. Automation functions such as timing, counting, supervision, temperature control, backup, etc. are now even easier to manage.

Even more preprogrammed functions


Millenium II+ integrates the largest function library on the market, now enhanced with even more functions (high-speed counting, tachometer, PID temperature controller, data storage, etc). In addition, Crouzet can also design functions specific to your requirements.

More accessories and extensions adapted to your applications


The new Millenium II+ range has been enhanced with accessories and extensions making it easier to communicate with the outside world. From the remote display to the GSM modem, the Millenium II+ simplifies the design of your automation systems.

More adaptations for the perfect solution


Already a strong contender with its extensive high-performance generic range, Crouzet can offer you more by adapting its products to your specific requirements. This fits in perfectly with Crouzets global customisation policy. Crouzet has the technical expertise to ensure you get the right product to match your exact requirements... at just the right price!
2

Real advantages for your applications!

Machines
When it is incorporated in small machines, Millenium II+ brings both greater adaptability and ease of installation. You can take advantage of its communication and accessibility capabilities with its new remote displays and integrate additional functions into your equipment with the greatest of ease.

Building automation
With its preprogrammed function blocks, analogue inputs, Motor Control version and its powerful calendar clock, Millenium II+ makes controlling your installations easy, covering heating, air conditioning, pumping and lighting applications as well as access control (gates, management of safety devices, etc).

Discover

our kits

Heating/cooling control
lighting control

pumping

heating/ air conditioning

access control

Page 14

STN or GSM modem


External and onboard equipment
Available in 12 and 24 VDC, Millenium II+ can be used to manage automatic control functions on your industrial vehicles, as well as on your external equipment with its new Clima + version which operates from - 30 to + 70C

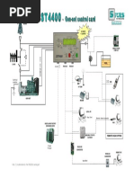
An expandable configuration

A
10 volt

Temperature convertor

Inputs

Programming

UP DOWN

PWM

Outputs

PID

Inputs

Human/Machine interfaces

GSM RTC SMS


Modems

MODBUS
Contiguous and Local extensions

10 volt

An optimised range for a tailored solution


5

The most innovative software on the market


Supervise the installation

Select your function Build your program

Function toolkit
FBD functions
27 preprogrammed functions are available for counting, timing, comparison, multiplexing, time-based programming and display, etc.

BOOLEAN Used to create logic equations between connected inputs. SET - RESET Bistable memory - Priority assigned to either SET or RESET. TIMER A/C Timer - A/C function (Delay on/Delay off). UP DOWN COUNT Up/down counter. PRESET COUNT Preselection up/down counter. COMP IN ZONE Zone comparison (MIN VALUE MAX).

TIMER BW Timer - BW function (pulse on a rising or falling edge). PRESET H-METER Hour Counter (preselection of hour, minute). TIMER Li Pulse generator (ON setting, OFF setting). TIMER B/H Timer. B/H function. (Adjustable pulsed signal). TRIGGER Defines an activation zone with Hysteresis. COMPARE Comparison of 2 analogue values using the =, >, <, , operators.

GAIN Used to convert an analogue value by changing the scale and offset. DISPLAY Display of digital and analogue data, date, time, messages for man-machine interface. TIME PROG Daily, weekly and yearly time programmer. BISTABLE Impulse relay function.

PID Temperature controller. STORE Storage of data values with an average value. H-SPEED COUNT High-speed counting 1 kHz for UP-DOWN, 500 Hz for PHASE TACHOMETER function as standard. TIMER 4 sub-functions At, Ht, T which add up the total opening or closing time of a contact. Tt: timed impulse relay.

MUX Multiplexing functions on 2 analogue values.

Logic functions
AND, OR, NAND, NOR, XOR, NOT functions.

SFC functions (GRAFCET)


All the GRAFCET functions have been integrated with either backup or reset in the event of mains power failure (step, transition, divergence, convergence, etc).

Outputs
You have two types of output: physical (digital, solid state, PWM) or internal (backlighting).

Inputs
You can connect digital, analogue or potentiometer physical inputs. You also have internal inputs such as the keypad, constants, etc.

The most complete software offer on the market


Functions which meet the needs of your applications. Calculation function multiplication/division addition/subtraction Data archive function Cam timer function Clock function with modifiable parameters Pump rotation function Up/down counter with calculation function PID function with analogue or digital output Boolean function for handling 2 equations Decimal-to-binary and binary-to-decimal conversion function Demultiplexer/multiplexer function

New
PID Temperature control with analogue or digital output BOOLEAN 6 inputs, 2 outputs for handling 2 equations

CONVERSION binary to decimal

CONVERSION decimal to binary

DEMULTIPLEXER used to direct a word to one of 4 outputs

MULTIPLEXER used to direct 4 words to one output

Your tailor-made solution


STANDARD EXPANDABLE SA 12 SA 20 XT 20

With display

Adjacent
6 Inputs/Outputs Communication using MODBUS or AS-i protocol

EC 12

EC 20

EX 20

Without display

Local
4 solid state outputs 2 relay outputs Transparent communication between two Millenium controllers

CN 12

CN 20

Bare board

SPECIAL VERSIONS

Motor control with display


SA 4R SA 4R 2T

Extended temperature (-30 to +70C) without display


EC 4R 2T Clima+

Level detection with display


SA 12

Extended temperatures bare board


CN 4R 2T Clima+

Example of configuration Displays


MODBUS

Display of digital values

Display of messages, alphanumeric values and parameter setting

Communicating logic controller


MODBUS or Asi Communication between two Millenium controllers

Network

Contiguous extension 6 I/O

Slave MODBUS contiguous extension or Asi

Local extension STN line

Local extension

Modem

FAX TELEPHONE

FAX TELEPHONE

+
MODEM PC

+
MODEM PC

+
GSM modem
MOBILE PHONE

STN modem

Interfaces
0-20 mA/0-10 V convertor External control potentiometer PT 100, J, K temperature convertor -10 to 150C temperature sensor

1.3 to 1.9 A 12-24 V DC power supply PWM 0-10 V convertor 20A/250V hybrid power relay module

4I/2O contiguous extension

The logical complements to Millenium II+ Modems


Human/Machine Interfaces
Remote LCD screen
Display of messages,
alphanumeric values and parameter setting. Communication via Modbus RS 485

STN modem
Communication between PC and M2+ module via telephone line.

GSM modem
Communication between
PC and M2+ module via GSM network. Send SMS messages. Change the state of outputs from a mobile phone. Interrogate the state of inputs from a mobile phone.

Remote LED screen


Display of digital values

DC motor control

Clima+ harsh environment version


Logic controller

Control and braking of a motor


2 relay outputs 8 A and 2 relay outputs 15 A

Operates from -30 to +70C

Control and braking of two motors


4 relay outputs 15 A and 2 PWM outputs

10

Interfaces

Temperature sensors

Analogue converter modules


0-20 mA inputs 0-10 V outputs PWM input 0-10 V output
Conforming to EC/UI - CSA PT 100, J, K input 0-10V output

Ventilation duct
Controls the temperature in ventilation or heating ducts.

External
Used to anticipate thermal inertia phenomena during variations in the external temperature (energy saving) Eg: underfloor heating, air conditioning, etc.

Atmosphere
Control of several domestic heating zones or of service rooms (council buildings, hospitals, hotels, etc)

Remote/ submersible probe


Adapted for controlling the temperature of liquids in ovens, swimming pools, tanks, etc. with a stainless steel or copper protective sleeve.

Plug-in Terminal Version


Connector kit
for 12 or 20 I/O version

Power supplies

Switch mode power supply modules


100 - 240 V AC/12 V DC 22 W - 1,9 A 100 - 240 V AC/24 V DC 31 W - 1,3 A
Conforming to EC/UI - CSA/TV/CTick

11

www.crouzet.com/m2+

12

Millenium II+: general characteristics


Insulation Safety class Earthing Protection Certifications Conformity to standards 7 M 0 industrial/II domestic casing None IP20/Terminal blocks IP40 IP00 for CN12 and CN20 versions CE, UL, cUL EN 60947-1 EN 60730-1 EN 60601-1 Function blocks/SFC 128 blocks Flash EEPROM EEPROM 256 bits/64 words backed up for 10 years Display with 4 lines of 12 characters Drift < 1 min/month at 25C with userdefinable correction of drift Data retention : 10 years (lithium battery) -40 +70 -5 +55 95 % max. SA12-EC12 : 72 x 90 x 60 mm SA20-XT20-EC20-EX20 : 125 x 90 x 60 mm CN12 : 72 x 90 x 42 mm CN20 : 125 x 90 x 42 mm 100 V AC 240 V AC +10 % -15 % 50/60 Hz 85 V AC 264 V AC 10 ms 5A SA12-EC12-CN12 : 6 VA SA20-EC20-CN20 : 6.5 VA XT20-EX20 : 8 VA 24 V AC +10 % -15 % 50/60 Hz 20.4 V AC 28.8 V AC 10 ms 2.5 A SA12-EC12-CN12 : 6 VA SA20-EC20-CN20 : 6.5 VA XT20-EX20 : 8 VA 24 V DC +20 % -15 % 20.4 V DC 28.8 V DC 1 ms 6A SA12-EC12-CN12 : 3.5 W SA20-EC20-CN20 : 4 W XT20-EX20 : 5 W 12 V DC +30 % -15 % (+30 % -11 % for XT 20 relay 88 950 065) 10.2 V DC 15.6 V DC (10.68 V DC 15.6 V DC for XT20 relay 88 950 065) 1 ms 6A SA12-EC12-CN12 : 2.2 W SA20-EC20-CN20 : 4.5 W XT20-EX20 : 5.5 W 100 - 240 (+10 % / -15 %) 50/60 700 80 40 50 On LCD screen for SA12, SA20 and XT20 24 (+10 % / -15 %) 50/60 Hz 4 15 5 50 ms On LCD screen for SA12, SA20 and XT20

Analogue input (24 V DC model only)


CN12-SA12-EC12 CN20-SA20-EC20-XT20 Measurement range Resolution Conversion time Max input voltage Input impedance (k) Accuracy Drift Temperature Potentiometer control 4 inputs from I5 to I8 8 inputs from I5 to I12 (0 10 V) or (0 V power supply) 8 bits 10 ms 28.8 V DC > 22 +/- 5 % +/- 3 LSB 2.2 k / 0.5 W 24 (+20 % -15 %) V DC 3.2 mA / 5.5 mA max. 6.8 k 15 V DC 5 V DC 10 ms No Contact or 3-wire PNP or 3-wire NPN On LCD screen for SA12, SA20 and XT20 12 (+30 % -15 %) V DC (except XT20R +30 % -11 %) 1.9 mA / 2.3 mA max. 6.45 k 8 V DC 3 V DC 10 ms Contact or 3-wire PNP or 3-wire NPN No On LCD screen for SA12, SA20 and XT20 4 inputs I5 to I8 8 inputs I5 to I12 0 10 V 8 bits 10 15.6 V DC > 10 (14 typical) 5% 3 LSB 2.2 k / 0.5 W 250 V AC / 30 V DC 8A 8 A / 250 V AC resistive (100.000 operations) 10 mA 5 V DC 10 ms On LCD screen for SA12, SA20 and XT20 SA12-EC12-CN12 : O1 to O4 SA20-XT20-EC20-CN20 : O1 to O6 5-28.8 V DC 0.7 A / 5-28.8 V DC 1 mA 0.7 A 0.1 A 0.1 mA / 24 V DC 1 ms No 113 Hz to 1807 Hz (user-definable) 0 to 100 % (256 steps) < 5 % (from 15 % to 85 %) load at 10 mA < 10 % (from 20 % to 80 %) load at 10 mA On LCD screen for SA12, SA20 and XT20

Programming method Program size Program memory Removable memory Data memory LCD display Real-time clock

24 V DC input
Current drain Input current Input impedance Pull-in voltage at logic state 1 Drop-out voltage at logic state 0 Response time Galvanic isolation Sensor type Status indicator

Storage temperature (0C) Operating temperature (o C) Relative humidity no condensation acc. to IEC 68-2-3 Dimensions (l x h x p)

12 V DC input
Input voltage Input current Input impedance Pull-in voltage at logic state 1 Drop-out voltage at logic state 0 Response time Sensor type Galvanic isolation Status indicator

Power supply 100 ... 240 V AC


Operating voltage Operating limits Immunity from micro power cuts Maximum inrush current Max. absorbed power

Power supply 24 V AC
Operating voltage Operating limits Immunity from micro power cuts Maximum inrush current Max. absorbed power

Analogue input (12 V DC model only)


CN12 - SA12 - EC12 CN20-SA20-EC20-XT20 Measurement range Resolution Conversion time (ms) Max input voltage Input impedance (k) Precision Temp. dependent derating Potentiometer control

Power supply 24 V DC
Operating voltage Operating limits Immunity from micro power cuts Maximum inrush current Max. absorbed power

Relay output
Max. breaking voltage Breaking current Service life Minimum load Response time Status indicator

Power supply 12 V DC
Operating voltage Operating limits

TOR / PWM solid state output


PWM solid state output Breaking current Breaking voltage Min. load Maximum inductive load Maximum incandescent load Leakage Response time Insulation PWM frequency PWM cyclic ratio PWM precision at 120 Hz PWM precision at 500 Hz Status indicator

Immunity from micro power cuts Maximum Inrush current Max. absorbed power

100 - 240 V AC input


Input voltage (V AC) Supply frequency range (Hz) Input impedance (k ) Pull-in voltage at logic state 1 (V AC) Drop-out voltage at logic state 0 (V AC) Response time Status indicator

24 V AC input
Input voltage (V AC) Supply frequency range Input impedance (k ) Pull-in voltage at logic state 1 (V AC) Drop-out voltage at logic state 0 (V AC) Response time Status indicator

13

Starter kit
Discover the benefits of Millenium II+ Each kit includes :
- a standard (SA) or expandable (XT) Millenium II+ - a PC/Millenium II connection interface - an interactive CD-ROM including the software workshop, tutorial, application library and technical brochures plus for the STN or GSM kits - an STN or GSM modem - a PS24 power supply

Specifications
Type SA 12 kit Kit SA 20 Kit XT 20 STN modem kit GSM modem kit Input 8 PNP 8 12 PNP 12 12 PNP 12 8 PNP 8 PNP Output 4 relays 4 relays 8 relays 8 relays 8 relays 8 relays 4 relays 4 relays Supply 24 V DC 100 - 240 V AC 24 V DC 100 - 240 V AC 24 V DC 100 - 240 V AC 24 V DC 24 V DC Code 88 950 070 88 950 071 88 950 072 88 950 073 88 950 074 88 950 075 88 950 818 88 950 819

Special starter kits


Discover the benefits of Millenium II+ with all the Each kit includes :
extras needed for your application - a Millenium II+ - a programming software CD-ROM - a programming cable plus for the Level Control kit - a level sensor adaptor - 4 S7 level sensors plus for the Temperature Control kit - a PS24 power supply - a -10 +150C remote temperature sensor - a 25A solid state relay with heatsink

Specifications
Type Designation Level control kit Level control Temperature Control kit Heating, cooling and air conditioning Supply 24 V AC 24 V DC Code 88 950 076 88 950 077

14

Standard
Intuitive programming via function block (FBD) or Function : timing, counting, etc Application-specific functions : rotation, cam timers,
calculation, etc Discrete, analogue or potentiometer inputs Relay, solid state or PWM outputs Backlit LCD display Program password protection Integral calender and clock User-definable from the front panel Non-expandable grafcet (SFC)

Specifications
Type SA 12 Input 8 PNP 8 8 8 PNP 8 PNP 8 PNP 8 NPN 12 PNP 12 12 12 PNP 12 PNP 12 PNP 12 NPN Output 4 relays 4 relays 4 relays 4 solid state 4 relays 4 solid state 4 relays 8 relays 8 relays 8 relays 8 solid state 8 relays 8 solid state 8 relays Supply 24 VDC 100 - 240 VAC 24 VAC 24 VDC 12 V DC 12 V DC 24 VDC 24 VDC 100 - 240 VAC 24 VAC 24 VDC 12 V DC 12 V DC 24 VDC Code 88 950 041 88 950 043 88 950 044 88 950 042 88 950 045 88 950 046 88 950 049 88 950 051 88 950 053 88 950 054 88 950 052 88 950 055 88 950 056 88 950 059

SA 20

Dimensions
SA 12
72 mm
L1 N I1 I2 I3 I4 I5 I6 I7 I8

SA 20
125 mm
L1 N I1 I2 I3 I4 I5 I6 I7 I8 I9 I10 I11 I12

90 mm

82 mm

90 mm

82 mm

Esc

OK

Esc

OK

O1

O2

O3

O4

59,2 mm

60 mm

112,6 mm

60 mm

General characteristics
see page 13

15

Blind
No display or parameter-setting buttons Intuitive programming via function block (FBD) or Function : timing, counting, etc Application-specific functions : rotation, cam timers,
calculation, etc Discrete, analogue or potentiometer inputs Relay, solid state or PWM outputs Program protected by a password Integral calendar and clock grafcet (SFC)

Specifications
Type EC12 Input 8 PNP 8 8 8 PNP 8 PNP 8 PNP 8 NPN 12 PNP 12 12 12 PNP 12 PNP 12 PNP 12 NPN Output 4 relays 4 relays 4 relays 4 solid state 4 relays 4 solid state 4 relays 8 relays 8 relays 8 relays 8 solid state 8 relays 8 solid state 8 relays Supply 24 VDC 100 - 240 VAC 24 VAC 24 VDC 12 V DC 12 V DC 24 VDC 24 VDC 100 - 240 VAC 24 VAC 24 VDC 12 V DC 12 V DC 24 VDC Code 88 950 021 88 950 023 88 950 024 88 950 022 88 950 025 88 950 026 88 950 029 88 950 031 88 950 033 88 950 034 88 950 032 88 950 035 88 950 036 88 950 039

EC 20

Dimensions
EC 12
72 mm
L1 N I1 I2 I3 I4 I5 I6 I7 I8

EC 20
125 mm
L1 N I1 I2 I3 I4 I5 I6 I7 I8 I9 I10 I11 I12

90 mm

82 mm

O1

O2

O3

O4

59,2 mm

60 mm

90 mm

82 mm

112,6 mm

60 mm

General characteristics
see page 13

16

Expandable
Expandable : communication, I/O, etc Can take an XC adjacent extension and an XL local Intuitive programming via function block (FBD) or Function : timing, counting, etc Application-specific functions : rotation, cam timers,
calculation, etc Discrete, analogue or potentiometer inputs Relay, solid state or PWM outputs Backlit LCD display (XT 20 only) Program password protection Integral calender and clock User-definable from the front panel (XT 20 only) grafcet (SFC) extension

Specifications
Type XT 20 Input 12 PNP 12 12 12 PNP 12 PNP 12 PNP 12 NPN 12 PNP 12 12 12 PNP 12 PNP 12 PNP 12 NPN Output 8 relays 8 relays 8 relays 8 solid state 8 relays 8 solid state 8 relays 8 relays 8 relays 8 relays 8 solid state 8 relays 8 solid state 8 relays Supply 24 V DC 100 - 240 V AC 24 V AC 24 V DC 12 V DC 12 V DC 24 V DC 24 V DC 100 - 240 V AC 24 V AC 24 V DC 12 V DC 12 V DC 24 V DC Code 88 950 061 88 950 063 88 950 064 88 950 062 88 950 065 88 950 066 88 950 069 88 950 831 88 950 833 88 950 834 88 950 832 88 950 836 88 950 837 88 950 839

EX 20

Dimensions
XT 20
125 mm
L1 N I1 I2 I3 I4 I5 I6 I7 I8 I9 I10 I11 I12 L1 N

EX 20
125 mm
I1 I2 I3 I4 I5 I6 I7 I8 I9 I10 I11 I12

82 mm

90 mm

Esc

OK

112,6 mm

90 mm

82 mm

60 mm

112,6 mm

60 mm

General characteristics
see page 13

17

Bare board
For mass-production applications Intuitive programming via function block (FBD) or Function : timing, counting, etc Application-specific functions : rotation, cam timers,
calculation, etc Discrete, analogue or potentiometer inputs Relay, solid state or PWM outputs Program protected by password Integral calendar and clock grafcet (SFC)

Specifications
Type CN 12 Input 8 PNP 8 8 8 PNP 8 PNP 8 PNP 8 NPN 12 PNP 12 12 12 PNP 12 PNP 12 PNP 12 NPN Output 4 relays 4 relays 4 relays 4 solid state 4 relays 4 solid state 4 relays 8 relays 8 relays 8 relays 8 solid state 8 relays 8 solid state 8 relays Supply 24 V DC 100 - 240 V AC 24 V AC 24 V DC 12 V DC 12 V DC 24 V DC 24 V DC 100 - 240 V AC 24 V AC 24 V DC 12 V DC 12 V DC 24 V DC Code 88 950 001 88 950 003 88 950 004 88 950 002 88 950 005 88 950 006 88 950 009 88 950 011 88 950 013 88 950 014 88 950 012 88 950 015 88 950 016 88 950 019

CN 20

Dimensions
CN 12
72 mm

CN 20
125 mm

90 mm

82 mm

59,2 mm

42 mm

90 mm

82 mm

112,6 mm

42 mm

General characteristics
see page 13

18

Motor control
All Millenium II+ functions with, in addition :
- control and braking of one or two DC motors - mixed relay and solid state outputs - 15A relay outputs

Specifications
Type SA 4R SA 4R2T Designation 1 DC motor control 2 DC motors control Input 8 PNP 12 PNP Output 4 relay outputs (2 mounted in H layout) 4 relay outputs (2x2 mounted in H layout) & 2 PWM outputs Supply 24 VDC 24 VDC Code 88 950 880 88 950 881

General characteristics
Electrical characteristics Operating voltage Maximum inrush current Immunity from micro power cuts (ms) Absorbed power (W) Relay output Relay outputs Min. load Maximum breaking voltage Max. current (A) Mechanical life (operations) Electrical life 24 VDC +20 % / -15 % 7A 1 88 950 880 : 3.5 88 950 881 : 4 88 950 880 : 2 x 8A NO, 2 x 15A NO/NC 88 950 881 : 4 x 15A NO/NC 10 mA / 5 VDC (for 8 A relay) 100 mA / 10 VDC (for 15 A relay) 250 VAC 88 950 880 : 8 A / 15 A 88 950 881 : 15 A 30 x 106 53.000 operations 16 A / 250 VAC resistive NC contact 6000 operations 20 A / 250 VAC N/O contact 30.000 operations 20 A / 24 VDC resistive Yes 90/10 AgNi 10 O5, O6 1 mA 5 - 28.8 VDC 0.7 A / 5 - 28.8 VDC 0.7 A 0.1 mA / 24 VDC 1 No 113 Hz 1807 Hz 0 100 % <5 % (from 15 % to 85 %) load at 10 mA <10 % (from 20 % to 80 %) load at 10 mA LCD screen

Insulation Type of contacts Response time (ms) Logic outputs / PWM PWM solid state output Minimum load Breaking voltage Breaking current Maximum inductive load Leakage current Response time (ms) Insulation PWM frequency PWM cyclic ratio PWM precision at 120 Hz PWM precision at 500 Hz Indicator

Dimensions
SA 4R
72 mm
L1 N I1 I2 I3 I4 I5 I6 I7 I8

Curves
SA 4R2T
125 mm
L1 N I1 I2 I3 I4 I5 I6 I7 I8 I9 I10 I11 I12

Current/voltage
VDC 300

90 mm

82 mm

90 mm

82 mm

200
Esc OK

Esc

OK

100 30 50 40 30 20 10 0,1 0,2 0,5 1 2 5 10 20 I (A)

O1

O2

O3

O4

59,2 mm

60 mm

112,6 mm

60 mm

B resistive load
19

Clima +

Operating temperature -30 to +70C 4 relay outputs and 2 PWM outputs Standard (EC) and bare board (CN) versions Monobloc, non-expandable

Specifications
Type CN 4R2T EC 4R2T Designation Clima + Clima + Input 12 PNP 12 PNP Output 4 relays 2 PWM solid state 4 relays 2 PWM solid state Supply 24 VDC 24 VDC Code 88 950 411 88 950 431

General characteristics
Electrical characteristics Operating voltage Maximum inrush current Immunity from micro power cuts (ms) Absorbed power (W) Relay output Relay outputs Min. load Maximum breaking voltage Max. current (A) Mechanical life (operations) Electrical life 24 VDC +20 %/-15 % 7A 1 4 4 x 8A NO/NC 100 mA / 10 VDC 250 VAC 8 30 x 10 6 53.000 operations 16A/250VAC resistive NC contact 6000 operations 20A/250VACN/O contact 30.000 operations 20A/24VDC resistive Yes 90/10 AgNi 10 O5, O6 1mA 5-28.8 VDC 0.7A/5-28.8 VDC 0.7 A 0.1 mA / 24 VDC 1 No 113 Hz to 1807 Hz 0 to 100 % <5 % (from 15 % to 85 %) load at 10 mA <10 % (from 20 % to 80 %) load at 10 mA

Insulation Type of contacts Response time (ms) Logic outputs / PWM PWM solid state output Minimum load Breaking voltage Breaking current Maximum inductive load Leakage current Response time (ms) Insulation PWM frequency PWM cyclic ratio PWM precision at 120 Hz PWM precision at 500 Hz

Dimensions
CN 4R2T
125 mm
L1 N

EC 4R2T
125 mm
I1 I2 I3 I4 I5 I6 I7 I8 I9 I10 I11 I12

82 mm

90 mm

112,6 mm

90 mm

82 mm

42 mm

112,6 mm

60 mm

20

Level detection
A unit dedicated to level detection This unit includes :
- a Millenium II+ SA 12 L (4 level detection inputs) - a level sensor adaptor

Specifications
Type Level detection Input 8 Output 4 relays Supply 24 V AC Code 88 950 813

Dimensions
SA 12 L
72 mm
L1 N I1 I2 I3 I4 I5 I6 I7 I8

Level sensor adaptor


3,5 44

17,5

90 mm

82 mm

45

Esc

OK

O1

O2

O3

O4

59,2 mm

60 mm

60 5,5

81

21

Local extensions
For XT 20 and EX 20 expandable versions only (1 local
extension per module) Millenium - Millenium local link Doubles the hardware and software capacities Transparent communication between two XT 20 units Max. distance between two XT 20 units : 10 metres Cable type : screened twisted pair

Specifications
Type XL 01 XL 05 XL 06 Designation M2 - M2 local link (2 modules) 4 solid state outputs (0.5A max total current) 2 relay outputs (250mA max current each) Supply universal universal 100 240 V AC / 24 V AC Code 88 950 200 88 950 204 88 950 810

Adjacent extensions
For XT 20 and EX 20 expandable versions only (one 6 additional inputs/outputs
adjacent extension per module)

Specifications
Type XC 01 Designation 4 inputs PNP 2 relay outputs 4 inputs 2 relay outputs 4 inputs 2 relay outputs 4 inputs 2 relay outputs 4 inputs NPN 2 relay outputs Supply 24 V DC 24 V AC 100 - 240 V AC 12 V DC 24 V DC Code 88 950 210 88 950 211 88 950 212 88 950 215 88 950 219

Communication modules
Data communication via STN or GSM modem Fieldbus communication using MODBUS or ASI
protocol (slave module) for XT 20 and EX 20 expandable version only (one adjacent extension per module)

Specifications
Type XC 02 XC 04 Designation AS-i communication module 24 V DC MODBUS communication module Supply 24 V DC 24 V DC Code 88 950 213 88 950 823

Dimensions
XC 01
36 mm 60 mm

XC 02 - XC 04
36 mm 60 mm

90 mm

90 mm

82 mm

82 mm

XC01

XC01

24 mm

24 mm

22

Modems
Downloading, modification and sending of the
Millenium II program Remote access to all Millenium II functionalities Automatic warning in the event of an alarm Simple configuration via the programming software DIN casing suitable for industry

Specifications
Type Modem Kit STN (56K) Modem kit GSM Input 2 2 Output 2 2 Supply 10 80 V DC 10 80 V DC Code 88 950 106 88 950 107

General characteristics
Input alarm Pulse length (s) Alarms Destination General messages (characters) Individual messages (characters) Outputs alarm Max. voltage Max. current Mechanical characteristics Protection Weight (g) Display by LED Climatic environment Operating temperature (o C) Relative humidity no condensation acc. to IEC 68-2-3 Electrical characteristics Absorbed power (W) 0.3 2 20 messages max. send to 40 recipients max. GSM, Fax, e-mail, fixed line 120 80 30 V DC 42 V DC 1 A DC 0.5 A AC Casing : IP40 / Terminal blocks : IP20 250 (RTC) 270 (GSM) 4 for STN modem (Power, Off hook, DCD, RX/TX) 5 for GSM modem (Power, Status, Connect, RX/TX, Signal) 0 55 95 % max. 2.5 (RTC) 3 (GSM)

Dimensions
Modems
55 mm 110 mm

62 mm

75 mm

23

Alphanumeric displays
Backlit LCD screen with 4 lines of 20 characters with
8-key keypad including 4 keys with changeable captions - Three-colour screen : green/orange/red - Monochrome screen : green Communicates with the Millenium II+ using the Modbus module 2 kits available : Programming and Runtime Each kit includes - a three-colour or monochrome LCD screen - a Modbus communication module - an RS485 cable plus, for the programming kit : - a 24 V 20 I/O Millenium II - 2 sets of programming software - a power supply (according to model) - an RS232 cable

Specifications
Type Programming kits Designation Kit eco monochrome LCD display Display + Millenium II EX 20 + MODBUS module + programming software + programming cable + leaflet Kit eco three-colour LCD display Display + Millenium II EX 20 + MODBUS module + programming software + programming cable + leaflet Kit eco power supply monochrome LCD display Display + Millenium II EX 20 + MODBUS module + programming software + programming cable + power supply + leaflet Kit eco power supply three-colour LCD display Display + Millenium II EX 20 + MODBUS module + programming software + programming cable + power supply + leaflet Kit monochrome LCD display Display + MODBUS module + programming software + programming cable Kit standard monochrome LCD display Display + Millenium II EX 20 + MODBUS module + programming software + programming cable + leaflet Kit standard three-colour LCD display Display + Millenium II EX 20 + MODBUS module + programming software + programming cable +leaflet Kit standard power supply monochrome LCD display Display + Millenium II EX 20 + MODBUS module + programming software + programming cable + power supply + leaflet Kit standard power supply three-colour LCD display Display + Millenium II EX 20 + MODBUS module + programming software + programming cable + power supply + leaflet Kit three-colour LCD display Display + MODBUS module + programming software + programming cable Kit three-colour LCD display Display + MODBUS module + programming cable + leaflet Kit monochrome LCD display Display + MODBUS module + programming cable + leaflet Code 88 950 840 88 950 841 88 950 842 88 950 843 88 950 844 88 950 845 88 950 846 88 950 847 88 950 848 88 950 849 88 950 421 88 950 422

Runtime kits

General characteristics
Electrical characteristics Supply voltage Voltage limits Ripple Consumption Display characteristics Description 24 VDC 18 30 VDC 5 % max 200 mA max Backlit LCD screen with 4 lines of 20 characters to 1 line of 5 characters each (settable) transmission indicated by LED (3-colour display) alarm indicator and function keys (3-colour display) flush-mounted, fixing by means of 2 pressure-mounted supplied spring clips for panel 1.5 to 6 mm thick polyester polyester autotex UV removable 3-point screw terminal block 1.5 mm2 serial connector by SUB D 25 female contacts UL-CSA IEC 1131-2, IEC 60068-2-6, IEC 60068-2-27, EN 61131-2, UL 508, CSA C22-2 No.14 0 +55 -20 +60 95 % max. IP 65 front panel (UL type 4, 4X) IP 20 rear panel 132x74x31 mm 119,4 x 63 mm

Mechanical characteristics Mounting Display protection Keyboard material Connection Connection capacity Connection Environmental characteristics Certifications Conformity to standards Operating temperature (C) Storage temperature (0C) Relative humidity no condensation acc. to IEC 68-2-3 Degree of protection IEC 60529 Dimensions (l x h x p) Panel cut-out

24

36x72 LED remote display



Display with 4 red 14 mm digits Configurable display range 0-10V input Degree of protection, front panel : IP 65

Specifications
Type Display Designation Display 4 digits 14 mm red Supply 24 VDC Code 88 950 400

General characteristics
Electrical characteristics Supply Tolerance Consumption Input voltage General characteristics Number of digits Colour Height of digits Device accuracy (full scale) Degree of protection front face Degree of terminal protection Operating temperature (C) Dimensions (l x h x p) Panel cut-out 24 VDC 10 % 20 mA 0 10 VDC 4 red 14 mm 0.3 % IP 65 IP 20 -10 +55 36x72x61 mm 71 x 20 mm

25

Potentiometer
External control potentiometer 22 mm hole Degree of protection, front panel : IP65

Specifications
Type M2Pe Designation External setpoint potentiometer Code 88 950 109

General characteristics
Electrical characteristics Ohmic value () Tolerance Power General characteristics Degree of protection front face Degree of terminal protection Operating temperature (C) Storage temperature (0C) Connection capacity 4700 20 % 150 mW IP 65 IP 10 -20 +60 -20 +70 1 x 4 mm 2 single-strand 1 x 2.5 mm 2 multi-strand

Dimensions
14,5

1
2

22,3

29

28

50

1 8 mm

22

50

B Panel C Nut D Seal Connections


+ 24 VDC

B MII+ analogue input

26

Convertors
current-voltage convertor for Millenium II+ input PWM-voltage convertor for Millenium II+ output
signals signals

Specifications
Type Convertor 0-20 mA / 0-10 V Convertor PWM / 0-10V Designation Input module (17.5 mm) Output module (17.5 mm) Input 4 1 Output 4 1 Code 88 950 108 88 950 112

Temperature convertors

PT1000 / PT100 / J and K type thermocouple input 3-wire input 17.5 mm modular casing 0 10 VDC output

Specifications
Type Temperature convertor Input PT 1000 PT100 PT 100 PT 100 J thermocouple K thermocouple Temperature (oC) -20 +150 -40 +40 0 +100 0 +250 0 +300 0 +600 Code 88 950 150 88 950 151 88 950 152 88 950 153 88 950 154 88 950 155

General characteristics
Electrical characteristics Supply Tolerance Consumption Output voltage Device accuracy (full scale) General characteristics Protection (sealing) Class of protection - Terminals Operating temperature (C) 24 VDC 10 % 2 mA 0 10 VDC 1 % IP 40 IP 20 -10 +55

Dimensions
Temperature convertor

89,2

64

46

58

42,9

17,5

53

27

Temperature sensors
Built-in converter : 0-10 V DC output Applications : Industrial and domestic

Specifications
Type Zone Ventilation duct Outdoor Remote/submersible probe Range -10 +40 C -10 +40 C -10 +40 C -10 +150 C -40 +20 C Accuracy -0.2 C +1.2 C -0.2 C +1.9 C -0.2 C +1.2 C -0.2 C +1.2 C -0.2C +1.9C Protection casing IP30 IP65 IP65 IP65 IP65 Protection probe IP30 IP67 IP67 Code 89 750 150 89 750 151 89 750 152 89 750 153 89 750 155

Accessories
Accessories Copper protective sleeve Stainless steel (316) protective sleeve Heat transfer compound Operating temperature (o C) -20 +100 -20 +400 Operating pressure (bar) 10 16 Code 89 750 146 89 750 147 18 373 112

General characteristics
Supply voltage Output Temperature coefficients Derating Temperature coefficients Offset Ambient temperature (C) Ambient humidity Material housing 24 V DC (10 %) 0 10 VDC 0.01 % / C of full scale 1.5 mV / C -10 +60 5 95 % RH Self-extinguishing

Dimensions
89 750 150
1

89 750 151
93 mm
74 mm 4 mm

6 mm
32 mm

85 mm

2
85 mm 70 mm 80 mm

150 mm
85 mm

98 mm

3
70 mm

B 3 mm for screw M3 x 8 C Cut-outs D Fixing holes E Bolt hole M3 F Maximum thickness 26 mm

28

67 mm

80 mm

89 750 152
93 mm 74 mm 4 mm

89 750 153 and 89 750 155


93 mm 74 mm 4 mm

67 mm

32 mm 98 mm 85 mm
98 mm

32 mm 85 mm

67 mm
150 mm 1m

6 mm

Accessories for 89 750 153 and 89 750 155

B Screw M4

29

Power supply
Output voltage existance is indicated by a
continuously lit LED. A flashing LED indicates autoprotection mode. The output voltage can be adjusted from 100 to 120 % with a potentiometer in order to compensate for possible voltage drops. Regulated, power surge and short circuit safe, the new switching power supplies easily fit into control panels.

Specifications
Type PS Voltage 12 V DC 24 V DC Nominal power 22 W 30 W Code 88 950 300 88 950 301

General characteristics
Input voltage Output voltage Technology Short-circuit protection Overload protection Reset after overload Status indication Mounting Conformity to standards 100 240 V AC single phase Adjustable between 100 120 % Electronic with primary decoupling

Certifications

automatic Output LED DIN rail EN 50022 EN 50081-1 EN 50082-1 CEI 61000-8-2 CEI 950 CE, UL-CSA, TV, CTick

Dimensions
PS
66,6 mm

90 mm 110 mm

51,6 mm 4 mm 56,1 mm

60 mm 72 mm

30

90 mm 100 mm

Accessories

Removable connectors

Enclosed version of Millenium II can be removed Positive wiring connection SET for SA 12 and SA 20 Removable screw terminal blocks

Specifications
Type KD 12 KD 20 Designation Plug-in connector kit for SA12 Plug-in connector kit for SA20 Code 88 950 310 88 950 311

General characteristics
Connection Connection capacity Max. current (A) Removable screw terminal block Cable diameter from 0.14 to 2.5 mm2 AWG22 - 12 12

Front panel adaptors


Millenium II+ panel mounting adaptor IP 67 waterproof panel adaptor

Specifications
Type Front panel adaptor Front panel adaptor Designation Front panel adaptor for EC12-SA12 Front panel adaptor for EC20-SA20-XT20-EX20 Waterproof panel adaptor for SA12-EC12 Waterproof panel adaptor for SA20-XT20-EC20-EX20 Waterproof panel adaptor for SA20-XT20-EC20-EX20 + 1 extension Code 89 750 103 89 750 109 89 750 160 89 750 161 89 750 162

Interconnection cables

Specifications
Type Programming cables Modem - Millenium II+ link Designation Programming cable 9-pin D connector Programming cable USB Code 88 950 102 88 950 105 88 950 111

Programming tools

Specifications
Type Software Module Designation Programming software on CD ROM Modem installation software EEPROM memory module Code 88 950 100 88 950 113 88 950 101

31

Crouzet around the world


AUSTRIA Crouzet GmbH Zweigniederlassung sterreich Spengergasse 1/3 A-1050 WIEN Tel. : +43(0) 1/36 85 471 Fax : +43(0) 1/36 85 472 E-mail : com-at@crouzet.com www.crouzet.at CHINA Crouzet Asia Dynasty Business Center, 310-3F 457 Wu Lu Mu Qi (N) Road SHANGHAI Tel. : +(86-21) 62 49 09 10 Fax +(86-21) 62 49 07 01 E-mail : com-cn@crouzet.com www.crouzet.com INDIA Crouzet India India liaison office Unit No. 3-D, SPL ENDERLY III Floor, 26, Cubbon road BANGALORE 560 001 Tel.: +91 80 309 02 245 Fax: +91 80 512 38 066 E-mail : crz_bangalore@crouzet.com www.crouzet.com SPAIN Crouzet Espaa C/ Aragn 224 08011 Barcelona Tel. : +34 93 484 39 70 Fax : +34 93 484 39 73

E-mail : es-consultas@crouzet.es
www.crouzet.es

THE NETHERLANDS Crouzet BV Industrieweg 17 2382 NR Zoeterwoude Tel. : +31 (0)71-581 20 30 Fax : +31 (0)71-541 35 74 E-mail : com-nl@crouzet.com www.crouzet.nl

Crouzet Direct Tel. : +49(0) 21 03/980 108 Fax : +49(0)21 03/980 250 E-mail : info-direkt@crouzet.com BELGIUM Crouzet NV/SA Koning Albert I Laan 40 1780 Wemmel Tel. : +32 (0) 2 462 07 30 Fax : +32 (0) 2 461 00 23 E-mail : com-be@crouzet.com www.crouzet.be

Crouzet Direct Tel. : +33 475 802 102 Fax : +33 475 802 120 E-mail : infocom@to.crouzet.com FRANCE Crouzet Automatismes SAS Ventes France 2 rue du docteur Abel BP 59 - 26 902 Valence cedex 9 Tel. : 04 75 44 88 44 Fax N Azur : 0 810 61 01 02 E-mail : com-fr@crouzet.com www.crouzet.fr

Crouzet Direct Tel. : +33 475 802 102 Fax : +33 475 802 120 E-mail : infocom@to.crouzet.com ITALY Crouzet Componenti s.r.l. Via Brembo, 23 20139 Milano Tel. : +39 02 57 306 611 Fax : +39 02 57 306 723 E-mail : com-it@crouzet.com MEXICO Crouzet Mexicana SA Aquiles Serdan n 416 San Felipe Hueyotlipan C.P. 72030 - Puebla Mexico Tel : +52 22 24 20 29/ 30 Fax : +52 22 24 21 47 E-mail : com-mx@crouzet.com www.crouzet.com

Crouzet Direct Tel : +33 475 802 103 Fax : +33 475 802 120 E-mail : infocom@to.crouzet.com SWEDEN Crouzet AB Malmgrdsvgen 63 Box 11183 - SE. 100 61 Stockholm Tel. : +46-8 556 02 200 Fax : +46-8 556 02 229 E-mail : crouzet@crouzet.se www.crouzet.se

Crouzet Direct Tel. : 0900-2768938 Fax : +31 (0) 71 541 35 74 E-mail : com-nl@crouzet.com UNITED KINGDOM Crouzet Ltd Intec 3 - Wade Road Basingstoke - Hampshire RG24 8NE Tel. : +44 (0)1256 318 900 Fax : +44 (0)1256 318 901 E-mail : info@crouzet.co.uk www.crouzet.co.uk

Crouzet Direct Tel. : 078-150.525 Fax : +32 (0) 2 461 00 23 E-mail : com-be@crouzet.com BRAZIL Crouzet do Brasil Ltda Rua Gal.Furtado Nascimento, 740 - sl. 77 Alto de Pinheiros CEP: 05465-070 So Paulo SP - Brasil Tel. : (11) 3026 9008 Fax : (11) 3026 9009 E-mail : crz-infobrasil@crouzet.com www.crouzet.com

Crouzet Direct N Indigo 0 825 33 33 50 Fax : 04 75 80 21 20 E-mail : infocom@to.crouzet.com GERMANY Crouzet GmbH Otto-Hahn Str.3 D-40721 HILDEN Postfach 203 D-40702 HILDEN Tel. : +49(0) 21 03/980-0 Fax : +49(0)21 03/980-200 E-mail : com-de@crouzet.com www.crouzet.de

Crouzet Direct Tel. : +46-8-556 02 210 Fax : +46-8 556 02 229 E-mail : order@crouzet.se SWITZERLAND Crouzet AG Gewerbepark - Postfach 56 CH-5506 MGENWIL Tel. : +41(0) 62/887 30 30 Fax : +41(0) 62/887 30 40 E-mail : com-ch@crouzet.com www.crouzet.ch

USA/CANADA Crouzet North America 204 airline drive, suite 300 Coppell Texas 75019 Tel. : +1 972 471-2565 Fax : +1 972 471-2560

E-mail : sales.info@us.crouzet.com
www.crouzet-usa.com

Crouzet Direct Tel. : +52 (55) 5804 5544/5 Toll Free: 01 800 706 0600 Fax : +52 (55) 5686 2710

Crouzet Direct Tel.: 1 800 677 5311 Fax : 1 800 677 3865

E-mail : customer.service@us.crouzet.com
OTHER COUNTRIES Crouzet Automatismes SAS Division Ventes Internationales 2 rue du docteur Abel - BP 59 26902 Valence cedex 9 - Fr Tel. : +33 475 448 936 Fax : +33 475 448 126 E-mail : com-dvi@crouzet.com www.crouzet.com

E-mail : customer.service@us.crouzet.com

Crouzet Direct Tel. : +33 475 802 102 Fax : +33 475 802 120 E-mail : infocom@to.crouzet.com

Crouzet Direct Tel. : +41(0) 62/887 30 30 Fax : +41(0) 62/887 30 40 E-mail : info-direkt@crouzet.com

Crouzet Direct Tel. : +49(0) 21 03/980 176/108 Fax : +49(0) 21 03/980 250 E-mail : info-direkt@crouzet.com

Crouzet Direct Tel. : +33 475 802 102 Fax : +33 475 802 120 E-mail : infocom@to.crouzet.com

Distributed by :

Warning: The product information contained in this catalogue is given purely as information and does not constitute a representation, warrantly or any form of contractual commitment. CROUZET Automatismes and its subsidiaries reserve the right to modify their products without notice. It is imperative that we should be consulted over any particular use or application of our products and it is the responsability of the buyer to establish, particularly through all the appropriate tests, that the product is suitable for the use or application.Under no circumstances will our warranty apply, nor shall we be held responsible for any application (such as any modification, addition, deletion, use in conjunction with other electrical or electronic components, circuits or assemblies, or any other unsuitable material or substance) which has not been expressly agreed by us prior to the sale of our products.

www.crouzet.com

Ref. 67 191 03 G (Published November 2004) - Communication Crouzet Automatismes - Dpot lgal en cours - Peillon & Associs - 3C Evolution - Photos : Ginko - Daniel Lattard

You might also like