KEMBAR78
Task Workshop | PDF
0% found this document useful (0 votes)
58 views1 page

Task Workshop

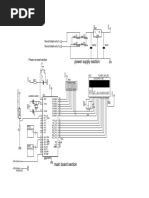
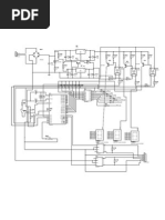
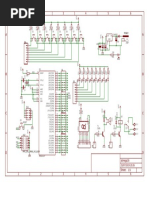
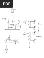
1. The document describes a circuit board with an LCD display and LED bar. 2. The LCD display connects to the microcontroller via GPIO pins and receives data to display characters. 3. The LED bar connects to the microcontroller via a DAC and lights up individual LEDs in sequence to indicate values.

Uploaded by

dono109.pd
Copyright
© © All Rights Reserved
We take content rights seriously. If you suspect this is your content, claim it here.
Available Formats
Download as PDF, TXT or read online on Scribd
0% found this document useful (0 votes)
58 views1 page

Task Workshop

1. The document describes a circuit board with an LCD display and LED bar. 2. The LCD display connects to the microcontroller via GPIO pins and receives data to display characters. 3. The LED bar connects to the microcontroller via a DAC and lights up individual LEDs in sequence to indicate values.

Uploaded by

dono109.pd
Copyright
© © All Rights Reserved
We take content rights seriously. If you suspect this is your content, claim it here.
Available Formats
Download as PDF, TXT or read online on Scribd
You are on page 1/ 1

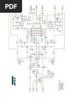
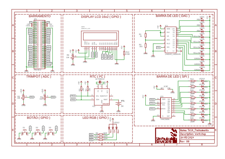
1 2 3 4 5 6 7 8

BARRAMENTO DISPLAY LCD 16x2 ( GPIO ) BARRA DE LED ( DAC )

+5V
LED1
JP1 RED
VIN
P$1 P$2 VIN
P$3 P$4 LED2
+5V +5V
A +3V3 P$5 P$6 IC1 RED A

+5V
P$7 P$8 +3V3 DSP1
9 10 LED3
PA14
P$9 P$10 PA15
DISPLAY_LCD MDE L10
11
P$11 P$12 L9 RED

SpiceOrder 1
PA12 PA13 6 12
PA10
P$13 P$14 PA11
RHI L8
13 LED4
PA8
P$15 P$16 PA9 R1 L7
7 14
PA6
P$17 P$18 PA7
1k VR L6 YELLOW
P$19 P$20

SpiceOrder 1 SpiceOrder 2
PA4 PA5 8 15 LED5
PA2
P$21 P$22 PA3
ADJ L5
16
P$23 P$24 L4

GND
YELLOW

VCC

BK1
BK2
PA0 PA1

RW
4 17

VO

RS

D0
D1
D2
D3
D4
D5
D6
D7
P$25 P$26 RLO L3

E
P$27 P$28 R2 L2
18 LED6
PB14 PB15 1k5

+5V
5 1
PB12
P$29 P$30 PB13
PA4 SIG L1 YELLOW

SpiceOrder 2
+5V

SpiceOrder 2
1
2
3

4
5
6

7
8
9
10
11
12
13
14
15
16
PB10
P$31 P$32 PB11

+5V

+5V
2 3 LED7
B PB8
P$33 P$34 PB9 R12
V- V+ B

PA15

PA12
P$35 P$36 YELLOW
PB6 PB7 470R GND LINEAR_LM3914N

PA10
PA11
P$37 P$38 R6

PA9
PA8
PB4 PB5 S

SpiceOrder 1
P$39 P$40 GND LED8
PB2 PB3 10k
P$41 P$42 GREEN

A
PB0 PB1
PHO
P$43 P$44 PH1
P$45 P$46 GND LED9
PC15 BOOT0
P$47 P$48 GND GREEN
PC13
P$49 P$50
PC14 GND
LED10
PIN-50-2 GREEN
GND GND

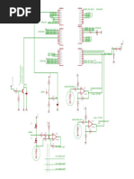
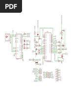
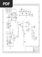
C TRIMPOT ( ADC ) RTC ( I²C ) BARRA DE LED ( SPI ) C


32.768KHz R13 LED13
SpiceOrder 1 SpiceOrder 2

RED
+5V

+5V

+5V
150R
SpiceOrder 2

SpiceOrder 2
Q1 R14 LED14
IC3P

+5V
SpiceOrder 1 SpiceOrder 2

RED
VCC
16 GND
8 150R
10k

10k
R5

R7
+3V3

+3V3

R15 LED15

X1

X2

VCC
SpiceOrder 1

SpiceOrder 1

SpiceOrder 1 SpiceOrder 2

GND RED
150R
E

6 7 LED16

+5V
R3 S S PB10 SCL SQW/OUT IC3 R16
PA3 R4 PA5
10k 14 15
SpiceOrder 1 SpiceOrder 2

RED
10k PB11 5 3 PB15 SER QA 150R
A

SDA VBAT
1
GND 11
QB
2
R17 LED17
PB13 SCK QC
D D
SpiceOrder 1 SpiceOrder 2

DS1307 10 3 RED
GND GND SCL QD 150R
IC2 4
QE R18 LED18
4

12 5
PB14 RCK QF SpiceOrder 1 SpiceOrder 2

RED
6
QG 150R
GND GND QH
7
R19 LED19
SpiceOrder 1 SpiceOrder 2

13 9 RED
G QH* 150R
BOTÃO ( GPIO ) LED RGB ( GPIO ) LED20
+3V3

R20
74HC595N SpiceOrder 1 SpiceOrder 2

GND RED
LED12 150R
GND
PB3

PB2

PB4

S1 S2 S3
E E
Red

Grn

Blue

3 1 3 1 3 1
4 2 4 2 4 2 R9 180R
PA1 SpiceOrder 2 SpiceOrder 1

R10 120R
PA0 SpiceOrder 2 SpiceOrder 1

GND GND GND R11 100R


PA2 SpiceOrder 2 SpiceOrder 1

1 2 3 4 5 6 7 8

You might also like