KEMBAR78
Manual Transaxle | PDF | Manual Transmission | Gear
0% found this document useful (0 votes)
17 views82 pages

Manual Transaxle

Uploaded by

Trương Hào
Copyright
© © All Rights Reserved
We take content rights seriously. If you suspect this is your content, claim it here.
Available Formats
Download as PDF, TXT or read online on Scribd
0% found this document useful (0 votes)
17 views82 pages

Manual Transaxle

Uploaded by

Trương Hào
Copyright
© © All Rights Reserved
We take content rights seriously. If you suspect this is your content, claim it here.
Available Formats
Download as PDF, TXT or read online on Scribd
You are on page 1/ 82

Technical Service Training

Manual Transaxle

CG 8262/S en 12/2007
TC3082011H
To the best of our knowledge, the illustrations, technical information, data and descriptions in this issue were correct at the time
of going to print. The right to change prices, specifications, equipment and maintenance instructions at any time without notice
is reserved as part of FORD policy of continuous development and improvement for the benefit of our customers.

No part of this publication may be reproduced, stored in a data processing system or transmitted in any form, electronic,
mechanical, photocopy, recording, translation or by any other means without prior permission of Ford-Werke GmbH. No liability
can be accepted for any inaccuracies in this publication, although every possible care has been taken to make it as complete and
accurate as possible.

Copyright ©2008

Ford-Werke GmbH
Service training programs D-F/GT1 (GB)
Preface

The following Student Information describes the design and function of current Ford manual transmissions.
Also described are the relevant service and diagnostic operations for the relevant transmissions.
The Student Information is designed so as to differentiate between 5-speed and 6-speed transmissions. There is
also a division between transmissions that are installed in front-wheel-drive vehicles and those in rear-wheel-drive
vehicles.
The main aim of the brochure is to provide a general description of the individual transmissions. Vehicle-specific
deviations are given in the latest product launch brochures.
The Student Information contains descriptions of the following transmissions:
• 5-speed manual transmission iB5
• 5-speed manual transmission (MTX-75/VXT-75)
• 5-speed manual transmission (MT-75)
• 6-speed manual transmission (MMT6/VMT6)
• 6-speed manual transmission (MT82)
The steps described in the service operations are important instructions. Refer to the current service literature for
an exact description of the operations.
Completion of the eLearning program "Manual Transmissions — TC3082007C" is a prerequisite for the study of
this Student Information.
This Student Information is divided into lessons. At the end of each lesson there is a set of test questions that are
designed to monitor the student's progress. The solutions to these test questions can be found at the end of the
Student Information.

Please remember that our training literature has been prepared for FORD TRAINING PURPOSES only. Repairs
and adjustments MUST always be carried out according to the instructions and specifications in the workshop
literature. Please make full use of the training offered by Ford Technical Training Courses to gain extensive
knowledge of both theory and practice.

Service Training (G1039901) 1


Table of Contents

PAGE

Preface............................................................................................................................... 1

Lesson 1 – General Information


Vehicle identification number (VIN) plate........................................................................................................................ 5
Synchronization................................................................................................................................................................. 5
Transmission fluid............................................................................................................................................................. 5
Gaskets.............................................................................................................................................................................. 6

Test questions................................................................................................................................................ 7

Lesson 2 – Design and Operation


5-speed manual transmission iB5................................................................................................................ 8
General.............................................................................................................................................................................. 8
Design................................................................................................................................................................................ 8
Input shaft................................................................................................................................................................................................. 9
Output shaft............................................................................................................................................................................................... 10
Reverse gear idler..................................................................................................................................................................................... 11
Torque path........................................................................................................................................................................ 12
Internal gearshift mechanism............................................................................................................................................ 15
External gearshift mechanism........................................................................................................................................... 16

5-speed manual transaxle (MTX-75/VXT-75)............................................................................................ 17


General.............................................................................................................................................................................. 17
Design................................................................................................................................................................................ 17
Overview of the shafts.............................................................................................................................................................................. 18
Input shaft................................................................................................................................................................................................. 19
Output shaft............................................................................................................................................................................................... 20
Reverse gear idler..................................................................................................................................................................................... 21
Torque path........................................................................................................................................................................ 21
Internal gearshift mechanism (MTX-75 shown)............................................................................................................... 24
External gearshift mechanism (MTX-75 shown).............................................................................................................. 25

5-speed manual transmission (MT-75)........................................................................................................ 26


General.............................................................................................................................................................................. 26
Design................................................................................................................................................................................ 26
Overview of the shafts.............................................................................................................................................................................. 27
Input shaft................................................................................................................................................................................................. 28
Output shaft............................................................................................................................................................................................... 29
Countershaft.............................................................................................................................................................................................. 32
Reverse gear idler..................................................................................................................................................................................... 33
Torque path........................................................................................................................................................................ 34

2 Service Training
Table of Contents

Internal gearshift mechanism............................................................................................................................................ 36


External gearshift mechanism........................................................................................................................................... 37

6-speed manual transmission (MMT6/VMT6).......................................................................................... 39


General.............................................................................................................................................................................. 39
Design................................................................................................................................................................................ 39
Input shaft................................................................................................................................................................................................. 42
First output shaft (1st to 4th gear)............................................................................................................................................................. 43
Second output shaft (5th/6th/reverse gear)............................................................................................................................................... 45
Torque path........................................................................................................................................................................ 46
Internal gearshift mechanism............................................................................................................................................ 48
Outer gearshift mechanism (MMT6)................................................................................................................................ 49

6-speed manual transmission (MT82)......................................................................................................... 51


General.............................................................................................................................................................................. 51
Design................................................................................................................................................................................ 51
Overview of shafts.................................................................................................................................................................................... 52
Input shaft................................................................................................................................................................................................. 53
Countershaft.............................................................................................................................................................................................. 54
Output shaft............................................................................................................................................................................................... 55
Reverse gear idler..................................................................................................................................................................................... 56
Torque path........................................................................................................................................................................ 57
Internal gearshift mechanism............................................................................................................................................ 59
External gearshift mechanism........................................................................................................................................... 61

Test questions................................................................................................................................................ 63

Lesson 3 – Component Tests


Transmission housing and seals................................................................................................................... 65
Introduction....................................................................................................................................................................... 65
Damage to the transmission housing halves...................................................................................................................... 65
Seals................................................................................................................................................................................... 65

Transmission shaft and bearing.................................................................................................................. 67


Damage to the transmission shafts.................................................................................................................................... 67
Damage to bearings........................................................................................................................................................... 67

Gear wheels and synchronization................................................................................................................ 69


Diagrams illustrating damage to gear wheels.................................................................................................................... 69
Damage to the synchronizer assembly.............................................................................................................................. 69

Internal gearshift mechanism...................................................................................................................... 72


Damage to the gear selector forks..................................................................................................................................... 72
Damage to the internal gearshift mechanism.................................................................................................................... 72

Service Training 3
Table of Contents

Differential..................................................................................................................................................... 74
Introduction....................................................................................................................................................................... 74
Damage to the differential................................................................................................................................................. 74

Test questions................................................................................................................................................ 76

Lesson 4 – Service- and Diagnostic Hints


General information..................................................................................................................................... 77
Introduction....................................................................................................................................................................... 77
Possible customer concerns............................................................................................................................................... 77
Service hints...................................................................................................................................................................... 77

Test questions................................................................................................................................................ 79

Answers to the test questions........................................................................................... 80

4 Service Training
Lesson 1 – General Information

Vehicle identification number (VIN) Synchronization


plate
During the gearshift process, the synchronizer clutch
The VIN plate label for all Ford manual transmissions synchronizes the corresponding gear wheel, the shift
is provided on the transmission housing and enables the ring and the shaft and thus enables silent and quick
relevant transmission to be clearly identified. shifting.
The VIN plate consists of a barcode as well as a Moving the synchronizer clutch sliding collar creates a
combination of numbers. frictional connection between the gear wheel and shaft.
The bevelling of the teeth facilitate sliding of the
Depending on the transmission type, it contains various
synchronizer hub during the gearshift process. This
pieces of information, for example:
process is called synchronization.
• Product number
In synchronization, a distinction is made between:
• Production plant (location)
• Single synchronizer
• Vehicle build date
• Double synchronizer
• Build period/build shift and transmission build line
• Triple synchronizer
• Production code
The single synchronizer is used mainly in the higher
• Transmission ratio gears. The double synchronizer, on the other hand, is
As this data is merely provided to assist in the usually installed on the lower gears. It makes the
identification of the transmission, it is of no significance gearshift process easier, thanks to the larger friction
for ordering repair parts for service. Therefore, only the surface. As with the double synchronizer, the triple
vehicle identification number is required for ordering synchronizer is also used in the lower gears and makes
spare parts for a transmission. optimised gearshifts easier.

Example of a VIN plate Transmission fluid


The demands placed upon transmission fluids are
constantly increasing due to the kinds of load and the
various operating conditions modern manual
transmissions are subjected to.
These are:
• A stable viscosity over a wide temperature range
• High ageing resistance (life filling)
• Low foaming tendency
• Compatibility with different sealing materials
Only blended transmission fluids meet these high
requirements. They contain additives that ensure the
desired properties.
Thus for the first time the Ford Focus ECOnetic is using
a special transmission fluid with particularly low
1 Product number viscosity that significantly reduces the internal friction.
2 Production location (factory) When filling or topping up a transmission, only
3 Vehicle build date transmission fluid conforming to the specification may
4 Build period/build shift be used. Transmission fluid specifications as well as
fluid fill capacities can be found in FordEtis (308-00).

Service Training (G1039902) 5


Lesson 1 – General Information

Gaskets
In order to prevent transmission fluid leakage, oil seals,
O-rings and solid/liquid sealants are used in the
transmission housing.
Oil seals and O-rings are mainly used for sealing axles
and shafts.
NOTE: Assembly of the oil seals calls for extensive
precautions to avoid damage to the sealing edge. Edges,
grooves, spline shaft profiles, etc. must be covered using
suitable auxiliary tools. If auxiliary tools are not
provided, freedom from burrs and neatness must be
ensured.
Solid/liquid sealants are usually used between the
transmission housing halves.
In modern transmissions, mainly liquid sealants are used
for this purpose.
Only in high-torque special models (Focus RS 2003
with MTX-75 transmission) are solid sealants used
between the housing halves.
The metal gasket was necessary to avoid leaks between
the clutch and transmission housings.
The liquid sealant used in other applications is no longer
adequate in this torque application.

6 (G1039902) Service Training


Lesson 1 – General Information Test questions

Tick the correct answer or fill in the gaps.

1. What is the purpose of the VIN plate?


a. It makes it possible to order spare transmission parts.
b. It indicates the next service interval.
c. It helps to identify the relevant transmission.
d. It makes it possible to identify the vehicle identification number.

2. The following is usually used on the lower gears:


a. Single synchronizer.
b. Double or triple synchronizer.

3. What is the advantage of the triple synchronizer?


a. It is more cost-effective.
b. It makes shifting easier.
c. The production process is more straightforward.
d. It prevents more than one gear being engaged.

4. Which requirements must be met by modern transmission fluid?


a. It must have a viscosity that is not temperature-dependent.
b. It must have the same properties as engine oil.
c. Its odour emissions must be as low as possible.
d. It must have a neutral colour.

Service Training (G1039903) 7


5-speed manual transmission iB5 Lesson 2 – Design and Operation

General

The 5-speed manual transmission (iB5) is a A further step in the development was the introduction
manually-shifted transmission. of the double synchronizer.
The name iB5 is derived from the improvement to the Through continuous improvements to the iB5 manual
manual transmission B5 (iB5 = improved B5). B5 and transmission, it has been possible to increase the output
iB5 manual transmissions are based on the original torque without increasing the weight or enlarging the
4-speed manual transmissions. installation space.
The general technical development in terms of economic
considerations and environmental compatibility resulted
Design
in a 5-speed manual transmission (B5 manual The iB5 manual transmission is a 2-shaft transmission
transmission) being used in the compact class for the (input and output shaft) in which the gear wheels are
first time in 1982. Since 1995, when it was first seated on the output shaft.
introduced, the iB5 manual transmission, which is an
improved version of the B5 manual transmission, has The iB5 manual transmission only requires a preload
been used. for the differential.

8 (G1039904) Service Training


Lesson 2 – Design and Operation 5-speed manual transmission iB5

NOTE: Modified components mean that the preload When reverse gear is selected, the direction of rotation
no longer needs to be set for the iB5 transmission as of of the output shaft is changed by an idler gear. This is
09/2005. done with the aid of the reverse idler gear.
All the forward gears have helical teeth, the reverse gear 1st and 2nd gear have double synchronizers. All the
is straight-cut. other forward gears have single synchronizers. The
reverse gear is not synchronized.
All gear pairs — except those of the reverse gear — are
in continuous engagement.

Input shaft

1 Bearing 7 3rd gear


2 Input shaft 8 4th gear
3 Reverse gear idler 9 Circlip
4 1st gear 10 5th gear
5 Reverse gear 11 Circlip
6 2nd gear

Service Training (G1039904) 9


5-speed manual transmission iB5 Lesson 2 – Design and Operation

The gears are located on the input shaft: • 5th gear is pressed onto the end of the input shaft
• 1st to 4th gear as well as the reverse gear as an and is located in a separate housing.
integral part of the shaft.

Output shaft

1 Open cylinder roller bearing 6 2nd gear double synchronizer


2 Output shaft with differential drive gear 7 2nd gear
3 1st gear 8 3rd gear
4 1st gear double synchronizer 9 3rd gear single synchronizer
5 1st/2nd gear synchronizer clutch with reverse 10 3rd/4th gear synchronizer clutch
gear

10 (G1039904) Service Training


Lesson 2 – Design and Operation 5-speed manual transmission iB5

11 4th gear single synchronizer 16 5th gear single synchronizer


12 4th gear 17 5th gear synchronizer clutch
13 Ball bearing 18 Retaining plate
14 Circlip 19 Circlip
15 5th gear

All the gears of the iB5 transmission are located on the The output shaft is a hollow shaft through which
output shaft. transmission fluid flows. Bores in the hollow shaft
ensure lubrication of the needle bearings and the
The reverse gear is a component of the 1st/2nd gear
synchronizer clutches.
synchronizer clutch.
An oil thrower behind the cylinder roller bearing
(transmission housing side) ensures the necessary oil
supply for the hollow shaft.

Reverse gear idler

1 Back-up light switch 3 Reverse gear drive wheel


2 Reverse gear idler 4 Reverse gear

The reverse gear is permanently attached to the input The reverse idler gear runs freely in a bearing seat on
shaft. The reverse gear wheel is located on the output the reverse gear idler shaft.
shaft.

Service Training (G1039904) 11


5-speed manual transmission iB5 Lesson 2 – Design and Operation

If the reverse gear is engaged, the reverse idler gear is The reverse gear switch is located at the side.
moved in the axial direction. It is moved until the
reverse gear, the reverse gear wheel and the reverse idler Torque path
gear engage. The direction of rotation of the output shaft
is reversed when the three gears engage. The engine torque is transferred from the input shaft to
the output shaft in the manual transmission. The front
All three gears are straight-cut, the reverse gear is not wheels are driven from there via the differential and the
synchronized. front wheel halfshafts.

12 (G1039904) Service Training


Lesson 2 – Design and Operation 5-speed manual transmission iB5

Schematic diagram of the torque path in all gears

Service Training (G1039904) 13


5-speed manual transmission iB5 Lesson 2 – Design and Operation

14 (G1039904) Service Training


Lesson 2 – Design and Operation 5-speed manual transmission iB5

Internal gearshift mechanism

1 5th gear gearshift shaft guide sleeve 6 Reverse gear return spring
2 Gearshift plate 7 Reverse gear gearshift lever
3 Gearshift locking bush 8 Circlip
4 Gearshift shaft interlock 9 5th gear gearshift lever shaft
5 Gearshift shaft

Both the shift and also the selection process are The gearshift locking bush prevents two gears from
implemented via the gearshift shaft. The gearshift being engaged at the same time.
interlock mechanism is used to adjust the engaged gears
and the neutral position.

Service Training (G1039904) 15


5-speed manual transmission iB5 Lesson 2 – Design and Operation

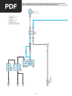
External gearshift mechanism


Illustration: Mondeo 2007.5 (02/2007-)

1 Gearshift arm 4 Selector cable


2 Selector cable adjusting mechanism 5 Locking pin, gearshift lever
3 Gearshift cable 6 Gearshift lever

The gearshift lever housing is attached to the floor panel.


The cables are guided along the floor panel using an
additional fastening clamp. The body seal is used to
provide a seal with respect to the engine compartment.
On the transmission side, the gearshift cables are secured
to the transmission housing at a bracket and are
articulated via an end piece with ball head.

16 (G1039904) Service Training


Lesson 2 – Design and Operation 5-speed manual transaxle
(MTX-75/VXT-75)

General • X stands for TransaXle (installed transversely)

The name of the MTX-75/VXT-75 transaxle is derived • 75 is the distance between the input and output shaft
from: in mm

• M stands for Manual / V stands for VAN The manual transaxles are used in front-wheel-drive
vehicles.
• T stands for Transmission
Both manual transaxles are almost identical in design
and only differ in terms of minor modifications. For this
reason, the MTX-75 manual transmission is mainly
described here.

Design

Service Training (G1039904) 17


5-speed manual transaxle Lesson 2 – Design and Operation
(MTX-75/VXT-75)

1 Transmission housing - clutch side 5 Reverse gear idler


2 Input shaft 6 Transmission housing - transmission side
3 Differential 7 Gearshift mechanism
4 Output shaft

Overview of the shafts

1 Reverse gear idler 11 Output shaft teeth


2 Reverse gear teeth 12 1st gear wheel
3 5th gear 13 1st/2nd gear synchronizer clutch
4 4th gear wheel 14 2nd gear wheel
5 3rd/4th gear synchronizer clutch 15 3rd gear
6 3rd gear wheel 16 4th gear
7 2nd gear teeth 17 5th gear wheel
8 1st gear teeth 18 5th/reverse gear synchronizer clutch
9 Input shaft 19 Reverse gear wheel
10 Output shaft

An input and an output shaft are installed in the The input and output shafts are each mounted using
non-coaxial transmission. taper roller bearings in the clutch-side and
transmission-side transmission housing half.

18 (G1039904) Service Training


Lesson 2 – Design and Operation 5-speed manual transaxle
(MTX-75/VXT-75)

This mounting arrangement requires the shafts to be In the neutral position, none of the gear wheels is
preloaded. connected with the input or output shaft via the
corresponding synchronizer assembly. No torque is
All the gears on the shafts are continuously engaged.
transferred to the differential.
1st/2nd gear has a double synchronizer.
As usual in the case of front-wheel-drive vehicles, the
3rd/4th gear and 5th/reverse gear have single differential is integrated in the transmission housing.
synchronizers.

Input shaft

1 Input shaft 9 Circlip


2 2nd gear teeth 10 4th gear synchronizer ring
3 1st gear teeth 11 4th gear needle bearing
4 Tapered roller bearing (clutch side) 12 4th gear wheel
5 3rd gear needle bearing 13 5th gear
6 3rd gear wheel 14 Circlip
7 3rd gear synchronizer ring 15 Tapered roller bearing (transmission side)
8 3rd/4th gear synchronizer clutch

The teeth for the 1st and 2nd gears are located on the Furthermore, the 3rd/4th gear synchronizer clutch as
input shaft. well as the 5th gear are components of the input shaft.

Service Training (G1039904) 19


5-speed manual transaxle Lesson 2 – Design and Operation
(MTX-75/VXT-75)

Input shafts built up to 08/2001 (MTX-75) and 08/2000 In the case of input shafts built after that date, 3rd gear
(VXT-75) had a double synchronizer for 3rd gear. once more has a single synchronizer.

Output shaft

1 Tapered roller bearing (clutch side) 7 1st gear synchronizer cone


2 Output shaft teeth 8 1st gear outer synchronizer ring
3 Output shaft 9 1st/2nd gear synchronizer clutch
4 1st gear needle bearing 10 Circlip
5 1st gear wheel 11 2nd gear outer synchronizer ring
6 1st gear inner synchronizer ring 12 2nd gear synchronizer cone

20 (G1039904) Service Training


Lesson 2 – Design and Operation 5-speed manual transaxle
(MTX-75/VXT-75)

13 2nd gear inner synchronizer ring 21 5th gear synchronizer ring


14 2nd gear wheel 22 5th/reverse gear synchronizer clutch
15 2nd gear needle bearing 23 Circlip
16 3rd gear 24 Reverse gear synchronizer ring
17 4th gear 25 Reverse gear needle bearing
18 Circlip 26 Reverse gear wheel
19 5th gear needle bearing 27 Tapered roller bearing (transmission side)
20 5th gear wheel

The 1st/2nd and 5th/reverse gear synchronizer clutches The reverse idler gear runs on a needle bearing on the
are located on the output shaft. reverse gear idler shaft.
The output shaft teeth are part of the output shaft and The reverse idler gear is driven by the input shaft. It is
are constantly engaged with the differential spur gear. engaged via the 5th/reverse gear synchronizer clutch.
Reverse gear idler It reverses the direction of rotation of the output shaft
in reverse gear.

Torque path
The engine torque is transferred from the input shaft to
the output shaft in the manual transmission. The front
wheels are driven from there via the differential and the
halfshafts.
When a gear is engaged, the corresponding synchronizer
assembly creates a frictional connection between the
gear wheel and the output or input shaft.

1 Mounting
2 Thrust washer
3 Reverse gear idler
4 Needle bearing
5 Thrust washer

Service Training (G1039904) 21


5-speed manual transaxle Lesson 2 – Design and Operation
(MTX-75/VXT-75)

Schematic diagram of the torque path in all 3rd gear


gears
1st gear

1 Drive shaft
2 Output shaft
1 Drive shaft 3 Output shaft teeth
2 Output shaft 4 3rd gear
3 Output shaft teeth 5 3rd/4th gear synchronizer clutch
4 1st gear wheel 6 3rd gear wheel
5 1st/2nd gear synchronizer clutch
4th gear
6 1st gear teeth

2nd gear

1 Drive shaft
2 Output shaft
1 Drive shaft 3 Output shaft teeth
2 Output shaft 4 4th gear
3 Output shaft teeth 5 4th gear wheel
4 1st/2nd gear synchronizer clutch 6 3rd/4th gear synchronizer clutch
5 2nd gear wheel
6 2nd gear teeth

22 (G1039904) Service Training


Lesson 2 – Design and Operation 5-speed manual transaxle
(MTX-75/VXT-75)

5th gear Reverse gear

1 Drive shaft 1 Drive shaft


2 Output shaft 2 Output shaft
3 Output shaft teeth 3 Output shaft teeth
4 5th gear wheel 4 5th/reverse gear synchronizer clutch
5 5th/reverse gear synchronizer clutch 5 Reverse gear wheel
6 5th gear 6 Reverse gear idler
7 Reverse gear teeth

Service Training (G1039904) 23


5-speed manual transaxle Lesson 2 – Design and Operation
(MTX-75/VXT-75)

Internal gearshift mechanism (MTX-75 shown)


Illustration: Mondeo 2001 (10/2000-02/2007)

1 Gearshift cable lever 5 Gearshift shaft


2 Selector cable lever 6 Selector gate
3 Housing 7 Damping mass
4 Selector finger

The internal gearshift mechanism transfers the These frictionally connect the relevant gear selector
movement of the gearshift lever to the gear selector forks.
forks. The selector finger and selector gate ensure that the
The gearshift shaft is actuated via the selector cable and individual gears are engaged precisely.
gearshift cable levers. The damping mass (Fig. 7) improves the gearshift feel.
The gearshift process becomes smoother.

24 (G1039904) Service Training


Lesson 2 – Design and Operation 5-speed manual transaxle
(MTX-75/VXT-75)

External gearshift mechanism (MTX-75 shown)


Illustration: Mondeo 2007.5 (02/2007-)

1 Gearshift unit 5 Adjusting tool


2 Gearshift arm with damping mass 6 Gearshift lever
3 Gearshift cable 7 Gearshift cable retaining bracket
4 Selector cable 8 Selector cable adjusting mechanism

Service Training (G1039904) 25


5-speed manual transmission (MT-75) Lesson 2 – Design and Operation

General – M stands for Manual

The 5-speed manual transmission (MT-75) is used in – T stands for Transmission


rear-wheel-drive vehicles. – 75 is the distance between the main shaft and the
countershaft in mm
The name of the MT-75 transmission is derived from:
The aluminium transmission housing comprises two
halves.

Design

1 Input shaft 5 Transmission rear housing


2 Transmission front housing 6 Output flange
3 3rd/4th gear selector fork 7 Reverse gear idler
4 Gearshift shaft 8 Countershaft

26 (G1039904) Service Training


Lesson 2 – Design and Operation 5-speed manual transmission (MT-75)

Overview of the shafts

1 Input shaft 4 Output shaft


2 3rd/4th gear selector fork 5 Reverse gear idler
3 5th/reverse gear selector fork 6 Countershaft

The 5-speed manual transmission (MT-75) is a 3-shaft With the 5-speed transmission (MT-75), all the gear
transmission. wheels are continuously engaged.
It comprises the input shaft, the countershaft and the All the gear wheels, including the reverse gear, have
output shaft. In each gear, the required transmission helical teeth. The 1st to 5th gears, as well as the reverse
ratio is achieved by means of a pair of gears. gear, have single synchronizers.
Only the countershaft bearings of the 5-speed manual When the reverse gear is selected, the direction of the
transmission (MT-75) require a preload. output shaft is changed by an idler gear.

Service Training (G1039904) 27


5-speed manual transmission (MT-75) Lesson 2 – Design and Operation

Input shaft

1 Input shaft 3 4th gear synchronizer teeth


2 Drive gear for countershaft 4 Output shaft pilot bearing

The countershaft input gear and the gearshift teeth with The input shaft is responsible for transmitting the engine
cone are located on the input shaft. torque from the clutch to the countershaft and thus to
the transmission output shaft.
The front bearing of the output shaft (pilot bearing) is
also located in the input shaft.

28 (G1039904) Service Training


Lesson 2 – Design and Operation 5-speed manual transmission (MT-75)

Output shaft
Output shaft (engine side)

Service Training (G1039904) 29


5-speed manual transmission (MT-75) Lesson 2 – Design and Operation

1 1st gear wheel 9 2nd gear wheel


2 Needle bearing 10 3rd gear needle bearing inner ring
3 Output shaft 11 Needle bearing
4 1st gear synchronizer ring 12 3rd gear wheel
5 1st/2nd gear synchronizer clutch 13 3rd gear synchronizer ring
6 2nd gear synchronizer ring 14 3rd/4th gear synchronizer clutch
7 Circlip 15 4th gear synchronizer ring
8 Needle bearing 16 Circlip

The synchronizers and gear wheels for 1st/2nd gear as The output shaft is mounted in the input shaft on the
well as 3rd/4th gear are located on the output shaft engine side and in the transmission housing half on the
(engine side). transmission side.
The gear wheels are mounted using needle bearings.

30 (G1039904) Service Training


Lesson 2 – Design and Operation 5-speed manual transmission (MT-75)

Output shaft (transmission side)

1 Output shaft 6 5th gear synchronizer ring


2 Needle bearing 7 Circlip
3 Reverse gear wheel 8 Needle bearing
4 Reverse gear synchronizer ring 9 5th gear wheel
5 5th/reverse gear synchronizer clutch

The 5th/reverse gear synchronizer clutch as well as the All the gears on the output shaft have single
corresponding gear wheels are located on the output synchronizers.
shaft (transmission side).

Service Training (G1039904) 31


5-speed manual transmission (MT-75) Lesson 2 – Design and Operation

Synchronizer clutches that act on both sides are used for synchronization.

Countershaft

1 Inner ring
2 Countershaft

The countershaft enables the torque to be transferred Only in 4th gear is the torque transferred directly from
from the input shaft to the main shaft. the input shaft to the output shaft. In this case, force is
transmitted without the countershaft.

32 (G1039904) Service Training


Lesson 2 – Design and Operation 5-speed manual transmission (MT-75)

Reverse gear idler

1 Mounting 4 Needle bearing


2 Roll pin 5 Reverse gear idler shaft
3 Reverse gear idler

The reverse gear is engaged by shifting the 5th/reverse In reverse gear, the reverse idler gear reverses the
gear synchronizer clutch on the output shaft. direction of rotation of the main shaft.
The reverse gear idler shaft and the mounting are
secured on the clutch and transmission side housing by
one bolt each.

Service Training (G1039904) 33


5-speed manual transmission (MT-75) Lesson 2 – Design and Operation

Torque path
Schematic diagram of the torque path in all gears

34 (G1039904) Service Training


Lesson 2 – Design and Operation 5-speed manual transmission (MT-75)

Service Training (G1039904) 35


5-speed manual transmission (MT-75) Lesson 2 – Design and Operation

Internal gearshift mechanism

1 3rd/4th gear selector fork 7 Selector gate


2 5th/reverse gear selector fork 8 1st/2nd gear selector fork
3 Auxiliary shift rod 9 Shift finger
4 Oil seal 10 Actuating pin for back-up lamp switch
5 Main shift rod 11 Back-up light switch
6 Reverse gear lock 12 Selector rod detent

The main shift rod is moved axially and radially with The shift finger engages into the auxiliary shift rod
the aid of the external gearshift mechanism. according to the shift position. The main and auxiliary
shift rod move in parallel. Either the 3rd/4th gear or
The 1st/2nd gear selector fork is located on the main
5th/reverse gear can be engaged.
shift rod.
The reverse gear switch is actuated by means of an
actuating pin.

36 (G1039904) Service Training


Lesson 2 – Design and Operation 5-speed manual transmission (MT-75)

External gearshift mechanism


Illustration: Transit installed up to 04/2006

1 Gearshift lever 7 Plunger


2 Gearshift lever retainer 8 Stub lever
3 Gearshift lever insulator 9 Plastic sleeve
4 O-ring 10 Gearshift lever support bracket
5 O-ring 11 Gearshift lever mounting
6 Gearshift lever insulation pad

The 5-speed manual transmission (MT-75) is only used


in rear-wheel-drive vehicles. Here the external gearshift
mechanism was installed directly on the transmission.

Service Training (G1039904) 37


5-speed manual transmission (MT-75) Lesson 2 – Design and Operation

Illustration: Transit 2006.5 (05/2006-)

1 Selector gate with adjusting tool


2 Gearshift cables
3 Gearshift arms

The shifting of a transmission and the gearshift


smoothness are essentially determined by how
efficiently the power is transmitted between the gearshift
lever and the shift sleeve of the synchronizer.
Since the introduction of the Transit 2006.5 (05/2006-),
it is possible to adjust the gearshift cables.
The gearshift mechanism on the Transit is installed
asymmetrically for ergonomic reasons.

38 (G1039904) Service Training


Lesson 2 – Design and Operation 6-speed manual transmission
(MMT6/VMT6)

General The name of the MMT6/VMT6 transmission is derived


from:
The 6-speed manual transmission (MMT6) is
characterised by low weight, very high torque • M stands for Modular / V stands for Vehicle line
transmission and excellent shift quality. In order to • M stands for Manual
facilitate the increasing smoothness and to meet the
• T stands for Transaxle
quality requirements, the transmission has been modified
in the area of shift quality and noise generation. • 6 represents the number of gears
This transmission has been used as the basis for
development of the 6-speed manual transmission
(VMT6) used in the Transit 2006.5 (10/2007-).

Design
Construction features on the differential side

Service Training (G1039904) 39


6-speed manual transmission Lesson 2 – Design and Operation
(MMT6/VMT6)

1 Differential 10 Input shaft


2 Reverse gear idler 11 5th/6th/reverse gear output shaft
3 1st gear wheel 12 6th gear wheel
4 1st and 2nd gear synchronizer clutch 13 5th and 6th gear synchronizer clutch
5 2nd gear wheel 14 5th gear wheel
6 3rd gear wheel 15 Reverse gear synchronizer clutch
7 3rd and 4th gear synchronizer 16 Reverse gear wheel
8 4th gear wheel 17 5th/6th/reverse gear output shaft output pinion
9 1st – 4th gear output shaft 18 Clutch housing

Construction features on the input shaft side

1 5th/6th/reverse gear output shaft 3 1st – 4th gear output shaft


2 Input shaft 4 3rd/4th gear synchronizer clutch selector fork

40 (G1039904) Service Training


Lesson 2 – Design and Operation 6-speed manual transmission
(MMT6/VMT6)

5 1st/2nd gear synchronizer clutch selector fork 10 Reverse gear synchronizer clutch shift fork
6 Clutch housing 11 3rd gear
7 1st gear 12 5th/6th gear synchronizer clutch shift fork
8 2nd gear 13 4th/6th gear
9 5th gear

The transmission has an excellent torque • 5th - 6th gear -> single synchronizer
capacity-to-weight ratio.
• Reverse gear -> single synchronizer
The large gear ratio range in turn results in reduced fuel
consumption and lower emissions. As of January 2007, the gears with the MMT6 are
as follows:
The transmission has two output shafts and one input
shaft and is therefore called a "non-coaxial transmission" • 1st - 2nd gear -> triple synchronizers
with a 3-shaft design. • 3rd - 4th gear -> double synchronizers
The first output shaft is responsible for power • 5th - 6th gear -> single synchronizer
distribution in 1st - 4th gears, the second output shaft
• Reverse gear -> single synchronizer
for 5th - 6th gears as well as the reverse gear.
The gears with the VMT6 are as follows:
The output shafts and the differential are each mounted
using taper roller bearings in the clutch-side and • 1st - 4th gear -> triple synchronizers
transmission-side transmission housing half. These • 5th - 6th gear -> double synchronizers
bearings require a preload using shims.
• Reverse gear -> double synchronizers
Up to January 2007, the gears with the MMT6 were
as follows:
• 1st - 2nd gear -> double synchronizers
• 3rd - 4th gear -> double synchronizers

Service Training (G1039904) 41


6-speed manual transmission Lesson 2 – Design and Operation
(MMT6/VMT6)

Input shaft

1 Bearing retaining bolt (right-hand thread)


2 Input shaft ball bearing with bearing retainer
3 Input shaft

All driving gear wheels are located on the input shaft The bearing for the input shaft comprises a ball bearing
made from solid material. and a roller bearing. These bearings can be replaced
during servicing.
The 1st and 2nd gears are an integral part of the input
shaft. The 3rd and 5th gears as well as the 4th and 6th This bearing runs without preload and as a result
gears are pressed on and welded. requires no shims.
In the case of the VMT6 transmission, various gear The input shaft is connected with the ball bearing via a
wheels have been "shot blasted" to be able to absorb retaining bolt (right-hand thread), which compensates
higher forces. the axial forces.
NOTE: The housing bearing on the clutch side must
be punched with three punch marks during repair.

42 (G1039904) Service Training


Lesson 2 – Design and Operation 6-speed manual transmission
(MMT6/VMT6)

First output shaft (1st to 4th gear)

1 Transmission-side taper roller bearing 10 3rd gear synchronizer cone


2 4th gear wheel 11 3rd gear inner synchronizer ring
3 4th gear wheel needle bearing 12 3rd gear wheel
4 4th gear inner synchronizer ring 13 3rd gear wheel needle bearing
5 4th gear synchronizer cone 14 Snap rings and retainer
6 4th gear outer synchronizer ring 15 2nd gear wheel
7 Circlip 16 2nd gear wheel needle bearing (shortened needle
8 3rd and 4th gear synchronizer clutch bearing with the VMT6)
9 3rd gear outer synchronizer ring 17 2nd gear inner synchronizer ring

Service Training (G1039904) 43


6-speed manual transmission Lesson 2 – Design and Operation
(MMT6/VMT6)

18 2nd gear synchronizer cone 26 1st gear wheel needle bearing (shortened needle
19 2nd gear outer synchronizer ring bearing with the VMT6)
20 Circlip 27 1st - 4th gear output shaft
21 1st and 2nd gear synchronizer clutch 28 Oil storage ring (no longer installed from
11/2005)
22 1st gear outer synchronizer ring
29 Clutch-side taper roller bearing
23 1st gear synchronizer cone
30 Retaining bolt – transmission-side taper roller
24 1st gear inner synchronizer ring
bearing (left-hand thread)
25 1st gear wheel

44 (G1039904) Service Training


Lesson 2 – Design and Operation 6-speed manual transmission
(MMT6/VMT6)

Second output shaft (5th/6th/reverse gear)

1 Transmission-side taper roller bearing 9 5th gear wheel needle bearing


2 6th gear wheel needle bearing 10 5th gear wheel
3 6th gear wheel 11 Circlip
4 6th gear synchronizer ring 12 Oil storage ring (no longer installed from
5 Circlip 11/2005)
6 5th and 6th gear synchronizer clutch 13 Clutch-side taper roller bearing
7 5th gear synchronizer ring 14 5th/6th/reverse gear output shaft
8 Snap rings and retainer 15 Reverse gear wheel

Service Training (G1039904) 45


6-speed manual transmission Lesson 2 – Design and Operation
(MMT6/VMT6)

16 Reverse gear wheel needle bearing 18 Reverse gear synchronizer clutch


17 Reverse gear synchronizer ring 19 Retaining bolt – transmission-side taper roller
bearing (left-hand thread)

The output shafts mounted using two taper roller NOTE: With the MMT6 transmission, the oil storage
bearings (1st - 4th gear) as well as (5th/6th/reverse gear) rings installed up to 10/2005 must be replaced with the
require a preload using shims. oil throwers used as of 11/2005 during repair.
The output pinions of the output shafts are permanently
connected with the shaft and therefore can only be
Torque path
replaced as a unit. The torque path is via the frictional gear pair to the
The output shafts are connected with the ball bearing output pinion of the output shaft(s) and thus to the
via a retaining bolt (left-hand thread), which differential ring gear.
compensates the axial forces. Schematic diagram of the torque path in all gears
The output shafts installed as a hollow shaft reduce the
section modulus in comparison with a solid shaft by
approx. 10%.
A further advantage is offered by the internal oilways
that ensure lubrication of the needle bearings and
synchronizers, thereby lowering the material temperature
and reducing the wear.

Oil storage rings/oil throwers


Oil storage rings were installed in both output shafts in
the MMT6 transmission up to 10/2005 , see Fig. E38770
No.28. The 1st gear wheel is positively connected to the 1st -
4th gear output shaft by the 1st/2nd gear synchronizer
assembly.

1 Oil thrower up to 10/2005


2 Oil storage up to 10/2005
3 Oil thrower as of 11/2005 The 2nd gear wheel is positively connected to the 1st -
4th gear output shaft by the 1st/2nd gear synchronizer
Since 11/2005, modified oil throwers are installed that
assembly.
assume the task of the storage rings. The modified oil
storage rings/oil throwers have been installed in the
VMT6 transmission since production started.

46 (G1039904) Service Training


Lesson 2 – Design and Operation 6-speed manual transmission
(MMT6/VMT6)

The 3rd gear wheel is positively connected to the 1st - The gear of the 4th/6th gear drives not only the gear
4th gear output shaft by the 3rd/4th gear synchronizer wheel of the 4th gear but also of the 6th gear.
assembly. The 6th gear wheel is positively connected to the
5th/6th/reverse gear output shaft by the 5th/6th gear
synchronizer assembly.

The 4th gear wheel is positively connected to the 1st -


4th gear output shaft by the 3rd/4th gear synchronizer
assembly. The reverse gear idler is welded to the 1st gear wheel.
It is constantly engaged with the reverse gear wheel
(shown separated for clarity).
The reverse gear wheel is positively connected to the
5th/6th/reverse gear output shaft by the reverse gear
synchronizer assembly.

The 5th gear wheel is positively connected to the


5th/6th/reverse gear output shaft by the 5th/6th gear
synchronizer assembly.

Service Training (G1039904) 47


6-speed manual transmission Lesson 2 – Design and Operation
(MMT6/VMT6)

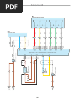
Internal gearshift mechanism Internal gearshift mechanism (installed as of 02/2007-)

Internal gearshift mechanism (installed up to 02/2007-)

1 Gearshift arm with damping mass


2 Selector lever
1 Damping mass
3 Reverse gear switch
2 Reverse gear switch
4 Selector gate
3 Gearshift shaft
5 Ventilation
4 Selector gate
6 Shift finger
7 Gearshift shaft
The modifications to the internal gearshift mechanism
have decoupled "shifting" and "selecting".
Consequently, fewer vibrations are transferred into the
passenger compartment via the gearshift lever.
The damping mass (Fig. 1) improves the shifting
smoothness. The gearshift process becomes smoother.
The damping mass attached to the internal gearshift
mechanism can have different shapes depending on the
vehicle line.

48 (G1039904) Service Training


Lesson 2 – Design and Operation 6-speed manual transmission
(MMT6/VMT6)

Outer gearshift mechanism (MMT6)


Illustration: Mondeo 2007.5 (02/2007-)

1 Shift unit 5 Selector cable


2 Gearshift arm with damping mass 6 Gearshift mechanism adjusting tool
3 Selector cable adjusting mechanism 7 Gearshift lever
4 Gearshift cable bracket 8 Gearshift cable

Outer gearshift mechanism (VMT6)

Service Training (G1039904) 49


6-speed manual transmission Lesson 2 – Design and Operation
(MMT6/VMT6)

Illustration: Transit 2006.5 (10/2007-)

1 Gearshift arm with damping weight 5 Selector cable


2 Selector arm 6 Selector cable adjusting mechanism
3 Gearshift cable retaining bracket 7 Gearshift lever
4 Gearshift cable 8 Gearshift lever adjusting tool

NOTE: In order to ensure precision shifting as well as


to prevent increased wear, the gearshift cables must be
precisely adjusted as per FordEtis (308–00).
Incorrect adjustment of the gearshift cables or incorrect
operation by the driver can cause excessive wear of the
shift forks as well as of the synchronizers.

50 (G1039904) Service Training


Lesson 2 – Design and Operation 6-speed manual transmission (MT82)

General • M stands for Manual

The name of the 6-speed manual transmission MT82 is • T stands for Transmission
derived from the distance between the two shafts in the • 82 is the distance between the two shafts in mm
transmission:

Design

The 6-speed manual transmission (MT82) is used in The maximum transferable torque is 375 Nm. A
rear-wheel-drive vehicles. reinforced transmission with up to 480 Nm will be
installed as of 07/2007.
Because of the 6th gear, the 6-speed manual
transmission (MT82) is 22.9 mm longer than the MT-75
5-speed manual transmission.

Service Training (G1039904) 51


6-speed manual transmission (MT82) Lesson 2 – Design and Operation

Overview of shafts

The 6-speed manual transmission is a coaxial The output shafts are each mounted using taper roller
transmission with three shafts. bearings in the clutch-side and transmission-side
transmission housing half.
The input shaft and output shaft are arranged on one
axis. The bearings of the 6-speed manual transmission do not
require a preload.
All gears are continuously engaged.
In order to improve shifting, the 1st and 2nd gear feature
All gears of the 6-speed manual transmission, including
triple synchronizers, and the 3rd and 4th gears double
those of the reverse gear, have helical teeth.
synchronizers. Only the 5th and 6th gears and the
reverse gear have single synchronizers.

52 (G1039904) Service Training


Lesson 2 – Design and Operation 6-speed manual transmission (MT82)

Input shaft

1 5th gear synchronizer ring 5 Bearing retaining plate


2 5th gear synchronizer teeth 6 Ball bearing circlip
3 Output shaft pilot bearing 7 Input shaft ball bearing
4 Input shaft

The output shaft is rotationally mounted in the input All the components of the input shaft can be detached
shaft on the pilot bearing. and replaced separately.
In order to absorb the axial forces, the input shaft ball
bearing is additionally secured.

Service Training (G1039904) 53


6-speed manual transmission (MT82) Lesson 2 – Design and Operation

Countershaft

1 Fixing bolt 12 3rd/4th gear synchronizer clutch


2 Countershaft ball bearing 13 4th gear outer synchronizer ring
3 Bearing retaining plate 14 4th gear synchronizer cone
4 Countershaft input pinion 15 Inner synchronizer ring
5 6th gear 16 4th gear wheel
6 3rd gear wheel 17 Needle bearing
7 Inner synchronizer ring 18 Countershaft centre bearing
8 3rd gear synchronizer cone 19 Countershaft
9 3rd gear outer synchronizer ring 20 Countershaft roller bearing
10 Needle bearing 21 Reverse gear idler
11 Circlip

The countershaft transfers the torque from the input The countershaft can be completely dismantled, i.e.
shaft to the output shaft. Gear wheels and gears and the faulty gearwheels or gears can be replaced singly.
3rd/4th gear synchronizer clutch are located on the shaft. Because of improved manufacturing tolerances, it is no
The gears of the 1st, 2nd and reverse gears are an longer necessary to replace the gears in pairs.
integral part of the shaft. The countershaft is a solid shaft. In order to prevent the
shaft from moving tangentially, it is additionally secured
with a retaining bolt and the bearing retaining plate.

54 (G1039904) Service Training


Lesson 2 – Design and Operation 6-speed manual transmission (MT82)

The retaining bolt is installed with thread locking Reversal of the direction of rotation of the output shaft
compound. For this reason, removed retaining bolts is achieved using the reverse idler gear.
must be discarded.

Output shaft

1 Circlip 15 Output shaft ball bearing


2 5th/6th gear synchronizer clutch 16 Bearing retaining plate
3 6th gear synchronizer ring 17 Reverse gear synchronizer clutch
4 6th gear synchronizer teeth 18 Reverse gear synchronizer ring
5 6th gear wheel 19 Reverse gear wheel
6 Needle bearing 20 Needle bearing
7 Output shaft 21 Needle bearing inner ring
8 Output shaft centre bearing 22 Needle bearing
9 Needle bearing 23 1st gear wheel
10 2nd gear wheel 24 1st gear synchronizer cone
11 2nd gear synchronizer cone 25 1st gear inner synchronizer ring
12 Inner synchronizer ring 26 1st gear outer synchronizer ring
13 2nd gear outer synchronizer ring 27 1st/2nd gear synchronizer clutch
14 Circlip

Service Training (G1039904) 55


6-speed manual transmission (MT82) Lesson 2 – Design and Operation

The output shaft transfers the torque through the Synchronizer teeth have place on the 6th gear wheel.
driveshaft output flange to the driveshaft and then to This makes it possible to transfer the torque in 6th gear.
the rear axle. The 1st/2nd/6th and reverse gear wheels The output shaft can be completely dismantled.
are located on the output shaft. The gears of 3rd and 4th Damaged gearwheels and gears can be replaced
gear are an integral part of the output shaft. individually.

Reverse gear idler

1 Mounting 4 Reverse gear idler


2 Reverse gear idler shaft 5 Reverse gear mounting retaining bolt
3 Needle bearing

The reverse idler gear allows the direction of rotation If the reverse idler gear becomes damaged, it can be
of the output shaft to be reversed. The reverse idler gear changed as an individual unit.
turns on a needle bearing, which runs on the reverse NOTE: The adapter plate as well as the transmission
gear idler shaft. The shaft is retained by the mounting mounting have been reinforced as of the production
and a locating bore in the transmission housing. month 07/2007. The first gear has been reinforced by
The reverse gear mounting retaining bolt is secured with means of a special shot blasting method.
thread locking compound. For this reason, the reverse These measures permit a higher torque demand of up
gear mounting retaining bolt may only be used once. to 480 Nm.
In order to absorb the radial forces, the reverse idler
gear runs on an additional mounting.

56 (G1039904) Service Training


Lesson 2 – Design and Operation 6-speed manual transmission (MT82)

Torque path
Schematic diagram of the torque path in all gears

Service Training (G1039904) 57


6-speed manual transmission (MT82) Lesson 2 – Design and Operation

58 (G1039904) Service Training


Lesson 2 – Design and Operation 6-speed manual transmission (MT82)

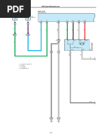
Internal gearshift mechanism


Installed up to 07/2007

1 Interlock mechanism 7 Main shift rod


2 1st/2nd gear selector rod 8 5th/6th gear selector rod
3 Reverse gear selector rod 9 3rd/4th gear selector rod
4 Reverse gear mounting plate 10 1st/2nd gear shift fork
5 3rd/4th gear shift fork 11 Reverse gear shift fork
6 5th/6th gear shift fork

In order to ensure secure mounting of the selector rods, All gear selector forks and shift forks are made of forged
these are passed through a centre bearing mounting steel.
plate. The centre bearing mounting plate is in turn bolted The sliding elements of the selector forks are made of
to the housing. a plastic material that exhibits high resistance to wear.

Service Training (G1039904) 59


6-speed manual transmission (MT82) Lesson 2 – Design and Operation

Installed as of 07/2007

NOTE: The internal gearshift mechanism as of 07/2007 This has significantly improved shifting.
has been modified to realise a better selection The installation and/or removal of the internal gearshift
characteristic. This relates to both the characteristic mechanism has changed considerably (see FordEtis).
itself as well as the differences between a gate selection
to 1/2 and 5/6.

60 (G1039904) Service Training


Lesson 2 – Design and Operation 6-speed manual transmission (MT82)

External gearshift mechanism


Installed up to 07/2007

1 Transmission housing 4 Gearshift lever


2 Main shift rod 5 Gearshift lever gaiter
3 Body insulation 6 External gearshift mechanism fastening

The external gearshift mechanism is secured to the The gearshift lever and external gearshift mechanism
transmission housing by four bolts. form a single assembly.

Service Training (G1039904) 61


6-speed manual transmission (MT82) Lesson 2 – Design and Operation

Installed as of 07/2007

1 Gearshift lever
2 Gearshift cables
3 External gearshift mechanism

The external gearshift mechanism of the 6-speed manual


transmission must be adjusted as per FordEtis (308-00)
to compensate for tolerances.

62 (G1039904) Service Training


Lesson 2 – Design and Operation Test questions

Tick the correct answer or fill in the gaps.

1. Which type of bearing mounting of the shafts requires a preload?


a. One loose bearing and one fixed bearing.
b. Two loose bearings.
c. A preload is always only required for an input shaft.
d. A preload is always only required for an output shaft.

2. The torque path of a transmission indicates:


a. the friction losses of a transmission.
b. the sequence of synchronization.
c. the turning of the gears.
d. the path of the torque from the input shaft to the output shaft or to the differential.

3. The letter "V" in VMT6 stands for:


a. Manual transmission
b. Modular transmission
c. The vehicle line
d. Wear-resistance component

4. As of January 2007, the 1st and 2nd gears on the MMT6 are:
a. single synchronizers.
b. triple synchronizers.
c. double synchronizers.
d. no synchronizers.

5. The MMT6 is a:
a. 2-shaft transmission
b. 3-shaft transmission
c. 1-shaft transmission
d. 4-shaft transmission

Service Training (G1039905) 63


Test questions Lesson 2 – Design and Operation

6. The gear selector gates of the internal gearshift mechanism are responsible for:
a. reducing the effort required of the gearshift mechanism.
b. preventing the gear selector forks from turning.
c. supporting the gear shift linkage.
d. ensuring that the individual gears are shifted with precision.

64 (G1039905) Service Training


Lesson 3 – Component Tests Transmission housing and seals

Introduction
Damage to the transmission housing
halves
Damage may be caused to the transmission housing
halves by incorrectly removing sealant residue or due
to material defects in the housing parts during
production.
The sealing faces can be tested for unevenness with a
straight-edge rule.
The correct sealing of the transmission is no longer
ensured if the sealing face of the transmission housing
halves is damaged.
In this case, both transmission housing halves must be
replaced together.

Input shaft seals


When installing a new input shaft seal, the sealing lip
must be protected to prevent it from being damaged by
the input shaft splines.
For this reason the splines must be covered with
adhesive tape. The seal may then be installed.
In some transmission types, the seal is integrated into
the clutch slave cylinder. If the clutch slave cylinder is
replaced, then the splines of the input shaft must also
be covered with adhesive tape to prevent damage.

Seals
Depending on the type of transmission, seals are located
at the input shaft, the halfshafts and at the gearshift shaft.
If leaks are present at the seals, then an exact analysis
of the cause is required. For example, the surface of the
inner joint of the halfshaft should be examined. A
defective inner joint surface may result in the seal being
destroyed.
The seals are destroyed when they are removed.
Whenever the seals are removed, new seals must be
installed. Gearshift shaft seals
The special tools provided must be used to install new
If the gearshift shaft seal is to be replaced during
seals.
servicing because of a leak, the sealing lip must be
protected to prevent damage.
The gearshift shaft must therefore be covered with
adhesive tape. The seal may then be installed.

Service Training (G1039906) 65


Transmission housing and seals Lesson 3 – Component Tests

66 (G1039906) Service Training


Lesson 3 – Component Tests Transmission shaft and bearing

Damage to the transmission shafts • Damage to the bearing outer race

The seating of the circlips causes the grooves cut into • Discolouration of surface of bearing race
the transmission shafts to wear. The correct seating of Undamaged bearings, pressed off the shafts, can be
the circlips is no longer ensured once the edges of the reused.
grooves have become too rounded.
These bearings must not be removed via the roll body
If this is the case, the corresponding shaft must be and the carrier must remain undamaged.
replaced.
Damage to ball bearings
When a transmission shaft is removed, the teeth of the
particular transmission shaft must also be checked for A high mileage by the transmission, incorrect
wear. installation or material defects may result in damage to
The seating of the needle bearing can also become the bearing.
damaged due to poor lubrication. The shaft must be
replaced if there is a discolouration at the corresponding
points or if wear is noticeable on the teeth.
All circlips must be replaced when the transmission
shaft is installed.

In this case (see damage pattern) the bearing must be


Damage to bearings replaced.

In manual transmissions, taper roller bearings, needle Damage to taper roller bearings
bearings or roller bearings are installed, depending on
If the taper roller bearings become damaged, then the
the type of transmission.
cause is usually excessively high bearing preload or
The transmission, and thus the bearings, are designed poor lubrication (see damage pattern).
for a service life of approx. 240,000 km. However,
A material defect in the bearing may also be the cause.
bearings may become worn earlier. The bearings must
therefore be checked for wear when removed.
The bearing wear can be checked in position, on the
shafts.
The following bearing damage may occur:
• Damage to the ball bearings
• Damage to the taper roller bearings
• Damage to the bearing race

Service Training (G1039906) 67


Transmission shaft and bearing Lesson 3 – Component Tests

In this case (see damage pattern) the bearing as well as


the bearing cone must be replaced.

68 (G1039906) Service Training


Lesson 3 – Component Tests Gear wheels and synchronization

Diagrams illustrating damage to gear


wheels
The rolling contact between the gear wheel and gear
teeth may result in wear to the surface of the teeth. Even
slight surface damage produces transmission whine in
the gear concerned.
The gears wheels and gears must be checked for any
wear after the transmission shafts have been removed.
For this purpose, residual oil and dirt must be cleaned
from every gear and gear wheel.
If damage to the surface of the tooth structure is
1 Inner synchronizer ring
ascertained, then the corresponding gear or gear wheel
must be replaced separately. It is only necessary to 2 Synchronizer cone
install a completely new gear set if the gear and gear 3 Outer synchronizer ring
wheel are damaged.
If heat damage is ascertained, all the synchronizer rings
on the relevant synchronizer clutch must be replaced.

Damage to the synchronizer ring teeth


Unworn synchronizer clutch

Damage to the synchronizer assembly


Overheating of the synchronizer rings
A common cause of damage to the synchronizer
assembly is incorrect operation on the part of the driver.
If the gearshift lever is moved towards the shift position
when the engine is running and the synchronizer
assembly is thereby actuated, this may cause the
synchronizer rings to overheat.
Synchronizer rings are subject to considerable
The resultant heat leads to a discolouration (bluish to mechanical wear.
matt black) of the synchronizer ring.
The picture shows a new synchronizer ring.

Service Training (G1039906) 69


Gear wheels and synchronization Lesson 3 – Component Tests

Worn synchronizer clutch Wear to the synchronizer ring friction surface


Unworn synchronizer ring

An incorrect gearshift adjustment or incorrect operation


by the driver will cause the teeth to wear.
To ensure a high rotational torque, the face of the
The picture shows a worn synchronizer clutch. synchronizer ring has a rough surface.
If wear is determined, the damaged synchronizer clutch Depending on the design, this may have a thread-like
or the gear wheel must be replaced. structure.
Damaged gear teeth Worn synchronizer ring friction surfaces
Gear wheel and gear wheel teeth are usually welded.
In individual cases, damage or an inadequate weld seam
may occur at the gear wheel teeth (see damage pattern).

NOTE: If, despite a concern, damage to the


synchronizer ring friction surface cannot be ascertained,
the clearance between the synchronizer ring and the
gear wheel must be measured.
If damage of this kind exists, then the gear wheel must The picture shows a worn synchronizer ring friction
be replaced. surface.

70 (G1039906) Service Training


Lesson 3 – Component Tests Gear wheels and synchronization

The thread-like structure is damaged.

Wear to the synchronizer


Wear to the synchronizer may be caused by the
following:
• mechanical abrasion at the sliding elements
• excessive abrasion at the seat of the gear selector
fork in the sliding sleeve
• electric discharge between synchronizer hub and
sliding collar

Damage to synchronizer hub caused by electric


discharge

Electric discharges cause damage to the synchronizer


hub.
The picture shows notching on the synchronizer hub.

A similar pattern of damage is usually seen opposite the


area of damage on the synchronizer hub, on the sliding
sleeve.
If damage to the synchronizer assembly is ascertained,
the defective components must be replaced.

Service Training (G1039906) 71


Internal gearshift mechanism Lesson 3 – Component Tests

Damage to the gear selector forks To rule out the possibility of damage to the internal
gearshift mechanism, the internal gearshift mechanism
Mechanical wear of the gear selector forks must be removed and checked for unobstructed
Incorrect adjustment of the gearshift cables or incorrect movement of the gearshift shaft. The gear selector gate
operation by the driver can cause excessive wear of the and all movable parts must be checked for mechanical
gear selector fork. The corresponding contact points wear.
should be checked for wear and discolouration. If damage is ascertained, the internal gearshift
If severe wear is ascertained, the gear selector forks and mechanism can only be replaced in its entirety.
the sliding sleeve must be replaced.
Retaining pin of internal gearshift mechanism
loose
The gearshift shaft of the internal shift mechanism is
secured by a retaining pin. The retaining pin must be
checked for secure seating. If there is a concern, a new
retaining pin must be installed.

Shift fork pin sleeve


The pin sleeve ensures secure positioning of the shift
fork. In individual cases, the press-fitted pin sleeve may
become loose.
Gearshift shaft guide bush loose
The pin sleeve must be checked for secure seating.
The guide sleeve for the gearshift shaft may become
loose due to vibration or installation errors. As the guide
sleeve for the gearshift shaft cannot be subsequently
pressed in, the entire internal gearshift mechanism must
be replaced if this damage occurs.

Damage to the internal gearshift


mechanism
A damaged inner gearshift mechanism can cause
consequential damage to the transmission.

72 (G1039906) Service Training


Lesson 3 – Component Tests Internal gearshift mechanism

1 Internal gearshift mechanism If corrosion damage to the gearshift shaft of the internal
gearshift mechanism is ascertained, the internal gearshift
2 Gearshift shaft
mechanism must be replaced and the transmission
3 Gearshift shaft guide bush ventilation checked for damage.

Damaged gear selector gate (MTX-75) Damage to the gearshift shaft (MTX-75)
Damage may be caused to the gear selector gate due to If a concern is raised regarding defective reversing
a mechanical impact to the gearshift shaft or because lights, there may be mechanical damage to the gearshift
of incorrect installation (see damage pattern). shaft.
This may result in imprecise shifting (noises) or skipping The distance between the gearshift shaft lever and the
of gears. reverse gear switch ball must be checked.

1 Damaged gear selector gate


2 Switch finger

Corrosion damage (VXT-75)


Corrosion damage may occur if water leaks into the
1 Reverse gear switch ball
internal gearshift mechanism because of defective
transmission ventilation. 2 Reverse gear indicator switch

Service Training (G1039906) 73


Differential Lesson 3 – Component Tests

Introduction Wear to the differential bearings


As the components of the differential are subject to a The differential is supported in the housing by taper
high degree of wear, the individual components must roller bearings.
be carefully checked for wear. If damage to the bearing as well as the bearing cone is
detected, these components must be replaced.
Damage to the differential
Wear to the bevel gears
Metal fatigue may cause the bevel gears to wear (see
damage pattern).
If the bevel gears are worn, the entire differential cage
must be replaced.

Damaged retaining pin


The retaining pin must be checked for correct seating.
If a retaining pin is loose, this indicates that it does not
fit in the bore correctly.
If this is the case or if the retaining pin is damaged, then
the entire differential cage must be replaced.
Wear to the ring gear The correct installation depth must be ensured when
installing a new retaining pin.
If damage to the surface of the tooth structure is
ascertained, then the ring gear can be replaced Defective bevel gears may cause damage to the bearing
separately. between the bevel gears and the shaft. This may cause
the balance shaft retaining pin to shear off (see damage
pattern).
In this case, the entire differential cage must be replaced.

74 (G1039906) Service Training


Lesson 3 – Component Tests Differential

Service Training (G1039906) 75


Test questions Lesson 3 – Component Tests

Tick the correct answer or fill in the gaps.

1. What must be noted when replacing the oil seals?


a. The edges, grooves, spline shaft profiles must be covered.
b. The edges, spline shaft profiles, grooves must not be covered.
c. The defective oil seals do not have to be removed.
d. The oil seals must be sealed with sealer on the inside.

2. What should you bear in mind before installing a new seal on the input shaft?
a. The seal must not be replaced (lasts for the entire service life).
b. The input shaft must be removed beforehand.
c. The seal must be replaced by sealant.
d. The splines of the input shaft must be wrapped with adhesive tape.

3. What is the expected service life of a bearing?


a. 100,000 km
b. 200,000 km
c. 240,000 km
d. 400,000 km

4. What is the most common cause of damage to the synchronizer?


a. Material defects
b. Incorrect operation by the driver
c. Poor construction of the transmission
d. Frequent shifting of the transmission

5. In order to ascertain wear or damage to the synchronizer ring friction surface:


a. the clearance must be measured.
b. the transmission must be sent to the factory.

6. If the differential retaining pin is loose:


a. only the retaining pin must be replaced.
b. the entire differential cage must be replaced.

76 (G1039907) Service Training


Lesson 4 – Service- and Diagnostic General information
Hints

Introduction Possible causes of the concerns include:

An accurate fault diagnosis is necessary for customer • Surface damage to the gear wheels or gears
satisfaction. • Rotational vibration in the transmission
Faults in the transmission must be analysed accurately • Material defect or material fatigue
to be able to estimate the extent of the repair and the
associated costs. Leaking oil
The examination and evaluation of internal transmission If there is concern about fluid leaks, then during
problems should be completed before starting the vehicle diagnosis it should be checked whether this is a
repair. In some cases, it may be more economical to transmission fluid leak, as the leak may involve engine
replace the transmission. oil or power steering fluid as well as transmission fluid.
Manual transmission fluid has a resinous odour and has
Possible customer concerns a different viscosity to engine oil.
In the fault analysis, a distinction is made between the Leaks in the transmission can occur at the following
following concerns: seals:
• Poor gear shifting • Drive shaft seal or input shaft seal
• Transmission noise • Seal between clutch-side and transmission-side
• Leaking oil housing halves
• Seal for internal gearshift mechanism
Poor gear shifting
• Halfshaft seals
Poor gear shifting includes:
• Scratching noises during gear shifting Service hints
• One or more gears cannot be engaged Transmission fluid level check
• The selected gear jumps out while driving The transmission fluid level is checked at the fluid filler
• The gearshift lever is not pulled back to the rest hole.
position You can find the correct filling capacities under FordEtis
• High effort is required to shift one or more gears (308-00).
Possible causes of the concerns include: If the transmission fluid appears to be a grey-white
emulsion, this indicates that the transmission fluid has
• Incorrectly-adjusted external gearshift mechanism
been infiltrated by water (e.g. spray water or
• Defective synchronization assembly condensation). If this is the case, the manual
• Defective gearshift lever transmission fluid must be replaced.

Transmission noise Replacement of seals

The following transmission noises may occur in manual The following seals can be replaced with the
transmissions: transmission installed:

• Faint whirring, rattling or metallic scraping noises • Mainshaft seal in rear transmission housing
from the transmission when accelerating/decelerating • Main selector shaft seal
• Faint whirring, rattling or metallic scraping noises
from the transmission under zero load (mainly in
2nd and 3rd gear)
• Noises in all gears

Service Training (G1039908) 77


General information Lesson 4 – Service- and Diagnostic
Hints

The transmission must be removed to replace the seals Applying the sealant
listed below:
The use of solid sealants is avoided in most modern
• Halfshaft seal guide sleeves transmission housings.
• O-ring guide sleeves Before the transmission is assembled, sealant residue
• Countershaft bearing housing O-ring must be cleaned from the sealing surfaces of the
transmission housing halves and the surfaces must then
Transmission shaft assembly be checked for damage. The surfaces of the housing
halves must not be damaged in the process by sharp
objects.
The sealing surfaces must be free of dust and grease in
order to seal the transmission housing halves. The
sealant must then be applied evenly as a bead (diameter
approx. 2 mm) to the inner sides of the sealing surfaces.
The sealant starts to dry once the transmission housing
halves are joined together by the pressure of the housing
halves. In order to ensure perfect sealing, the flange
bolts must be tightened within 15 minutes, working
diagonally.

When assembling the transmission shafts, the correct


installation position of the components must be
observed.
Here, the installation of the synchronizer hub may result
in faults.
Depending on the installation position, the narrow collar
of the synchronizer hub (see illustration) must face
towards the inner or the outer end of the shaft.

A marking groove is provided on the shift sleeve of the


synchronizer clutch.
The marking groove and the narrow collar must always
point in the same direction (see picture).
Refer to the current service literature for an exact
description of dismantling and assembly.

78 (G1039908) Service Training


Lesson 4 – Service- and Diagnostic Test questions
Hints

Tick the correct answer or fill in the gaps.

1. Which customer concern may be ascribed to the transmission?


a. Vehicle judder
b. Poor gear shifting
c. High fuel consumption
d. High wheels wear

2. What is indicated by a grey-white oil emulsion in the transmission?


a. The transmission is usually operated in cold regions.
b. The transmission fluid has become too hot.
c. The transmission fluid has recently been topped up.
d. The transmission fluid has been infiltrated by water.

3. If there is a fluid leak, how can you differentiate between engine oil and transmission fluid?
a. Engine oil is darker.
b. Transmission fluid is always red.
c. Transmission fluid has a resinous odour.
d. There is no difference between engine oil and transmission fluid.

4. What is a possible cause for the concern "poor gear shifting"?


a. Incorrectly adjusted gearshift cables.
b. Gearshift cables adjusted using the workshop literature (FordEtis 308-00).

5. When may faint whirring, rattling or metallic scraping noises be produced by the transmission?
a. When the clutch is not engaged.
b. When accelerating/decelerating.

Service Training (G1039909) 79


Answers to the test questions

Lesson 1 – General Information

1. c
2. b
3. b
4. a

Lesson 2 – Design and Operation

1. a
2. d
3. c
4. b
5. b
6. d

Lesson 3 – Component Tests

1. a
2. d
3. c
4. b
5. a
6. b

Lesson 4 – Service- and Diagnostic Hints

1. b
2. d
3. c
4. a
5. b

80 Service Training

You might also like