KEMBAR78
CB55 Drum Machine Clone Guide | PDF | Capacitor | Electronic Circuits
0% found this document useful (0 votes)
710 views8 pages

CB55 Drum Machine Clone Guide

The document provides instructions for constructing an exact clone of the voice board from the Boss DR55 drum machine. It features four analogue drum sounds that can be triggered via standard trigger pulses or gates. The build guide includes a detailed parts list and step-by-step instructions for assembling and installing each component on the circuit board.

Uploaded by

xpmtl
Copyright
© © All Rights Reserved
We take content rights seriously. If you suspect this is your content, claim it here.
Available Formats
Download as PDF, TXT or read online on Scribd
0% found this document useful (0 votes)
710 views8 pages

CB55 Drum Machine Clone Guide

The document provides instructions for constructing an exact clone of the voice board from the Boss DR55 drum machine. It features four analogue drum sounds that can be triggered via standard trigger pulses or gates. The build guide includes a detailed parts list and step-by-step instructions for assembling and installing each component on the circuit board.

Uploaded by

xpmtl
Copyright
© © All Rights Reserved
We take content rights seriously. If you suspect this is your content, claim it here.
Available Formats
Download as PDF, TXT or read online on Scribd
You are on page 1/ 8

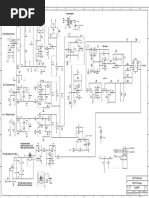
circuitbenders.co.uk CB55.

The circuitbenders.co.uk CB55 is an exact clone of the voice board of the Boss DR55 drum machine. It features four
fully analogue sounds, bass drum, hat, snare, and rimshot. There is also an overall accent feature that adds a little
extra punch to the whole mix when it is triggered.
The sounds and accent can be triggered using standard trigger pulses, or with the optional trigger conditioning
circuit you can use gates or trigger pulses longer than 10ms.

What is the trigger conditioning and do I need it?

The CB55 voices are triggered using standard 5v trigger pulses that last for 10ms. Any longer than that and you
may experience double triggering and flam sounds, any shorter and the sounds decay incorrectly. Unfortunately a
lot of older drum machines such as the TR707 and TR606 have a fairly random trigger output length, and gate
signals can be any length, so the trigger conditioning circuit takes any 5v trigger pulse of 10ms or more, and turns it
into a 10ms pulse suitable to trigger the voices.
If you're using a midi to trigger convertor or a modular system where you know that the triggers are 10ms long,
then you can use the TRIG_IN2 connector and leave out all the trigger conditioning circuit (components marked in
red on the parts list). If you don't know how long your triggers are, you want to use 5v gate signals, or you will be
using a mixture of triggers, then its probably better to just install the conditioning and trigger the sounds via the
TRIG_IN1 connector.

Construction:
The first thing to do is read through this entire guide, and make sure you have all the correct parts. Then you
should get started by installing all of the resistors, as shown below:

Next install the diodes and the jumper links. The diodes need to be correctly oriented so that the band around one
end of the component body is at the same end as the band shown on the board. D1 is a larger 1N4001
rectifier diode that provides polarity protection for the power input, but all the others can be general purpose
small signal diodes such as 1N4148's or 1N914's.

The jumper wires at J3-J7 connect the output of each voice circuit to the main mix bus. These links are designed as
jumpers for easy mods to provide individual outputs, but at this point it would probably be better to just install
them. You can always change things at a later date.

Next install the non-electrolytic capacitors. These include the poly film and ceramic caps.

The original DR55 used those green resin dipped film caps that you find in just about everything from that era. If
you wanted to use them for some reason they will work fine, although sound-wise they are exactly the same as the
box caps we've used here. The 47pF cap at C16 will probably have to be ceramic, as alternative types tend to not
be available in values that small.

Next you should install the electrolytic capacitors. Be careful you get these the right way round as the polarity is
important. The positive pin is shown on the board. C1 and C3 should be rated for at least 25v minimum, but the
rest don't really matter that much as anything over 10v should be fine.

Now install the voltage regulators and transistors. REG1 is a 78L06 regulator that supplies the 6v power to the
voice circuits. REG2 is a 78L09 that supplies 9v to the trigger conditioning circuit.
T1 to T10 are general purpose NPN transistors. Roland/Boss used 2N945's is virtually everything they produced
during this era, so this is what we've specified here, but you could probably get away with using any number of
transistors with similar specs. We haven't actually tried it, but we would imagine it'd also work fine with the
common 2N3904.
Q1 in the accent circuit should be a JFET transistor with a DSG pinout. A few different types will fit here. We've
tried the J201, MPF102 and 2N5457, and they all seem to work okay. The DR55 actually uses a 2SK30AY in this
position. This will also work but you'll have to check the pinout and rotate the part accordingly. The correct DSG
pin positions are marked on the board.

Next install the trimmer pots at VR1 and VR2, the inductor at L1, the LM324 quad opamp, and any pin headers you
want to use for the off board connections.

Power:
The board is powered by 12v DC. On the bottom left of the board you can see a 2x5 pin power connector. Only the
pins on the right labeled with the larger GND and +12V text are actually used, but the 10 pin connector is provided
for the standard eurorack format. Please note that due to its size, this PCB is not designed specifically to be used in
a modular system module, but we used this connector just in case somebody wanted to try and bodge something
together. In normal use you can just use the GND and +12V connections with the larger font.
If you haven't installed the trigger conditioning circuit then you will have left out the 9v regulator. In this case you
can run the voice circuits from a 9v input instead of 12v if you wanted to. Either will be fine.

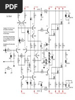
Inputs, outputs and pots:


The wiring diagram for the inputs, outputs and pots can be found on the next page.
The diagram shows all the pots viewed from above. The accent amount pot should ideally be an antilog pot,
commonly known as a C curve pot, but a linear B curve pot can be used at a push, or a normal A curve log pot if
you use the left hand pin and wire it in to operate backwards. You can use a 470K pot if you are in Europe and
500K is not readily available.
Note that the pin assignations for the two TRIG IN connectors are different.
Notes:
For best effect, the timing of the accent trigger has to be very tight with the voice triggers. If the accent trigger
occurs too soon before, or too late after the voice triggers you may experience flam or clicking sounds. If your midi
to trigger converter has a dedicated accent output, then make sure you use that for the accent trigger input, as it
will usually be less prone to midi lag. Triggers from a purely analogue system will usually have tighter timing than
midi.

If you are using gate signals to trigger the CB55 instead of trigger pulses, the accent will stay activated for as long
as the input gate remains high.

You should only ever use 5v trigger pulses or gate signals. Anything higher than 5v will cause unwanted effects and
may damage the circuit.
Parts List:
Part numbers in RED are not required if you are not installing the trigger conditioning circuitry. See the build guide
for more details.

PART NUMBER PART VALUE NOTES


R1, R3, R4, R8, R10, R11, R14, R16, 100K All resistors standard ¼ watt carbon,
R17, R21, R23, R24, R39, R74, R84 or metal film
R2, R9, R15, R22, R46. R61, R72, R73 47K
R5, R7, R12, R18, R20, R25 27k
R6, R19, R32, R44, R51, R57, R59, 10K
R60, R62, R69, R71, R81
R13, R26 12K
R27, R78 680K
R28, R29, R30, R35, R41, R42, R47, 22K
R49
R31, R43, R50, R56, R64, R65, R68, 2.2M
R76, R80
R33 820R
R34 220K
R36, R63, R77, R79, R82 1K
R37, R53 150K
R38, R40, R54 33K
R45 270R
R48 470K
R52 330R
R55 120K
R58, R66, R70 1M
R67 82K
R75 68K
R83 100R
C1, C3 10uF Electrolytic 25v or more
C30, C39, C43 22uF Electrolytic
C38, C41, C44, C46 4.7uF Electrolytic
C40 0.15uF Electrolytic or tantalum. *
C42 47uF Electrolytic
C5, C6, C7, C8 100nF Poly Film
C2, C4, 100nF Ceramic
C9, C10, C11, C12 68nF Poly Film
C13, C33 47nF Poly Film
C14, C26 27nF Poly Film
C15 2.7nF Poly Film
C16 47pF Ceramic unless Poly Film is available
C17, C19 1.5nF Poly Film
C18, C20, C25, C31, C36 2.2nF Poly Film
C21, C22, C23, C35 6.8nF Poly Film
C24, C28 4.7nF Poly Film
C27 5.6nF Poly Film
C29, C32, C37 1nF Poly Film
C34 18nF Poly Film
C45 1.8nF Poly Film
D1 1N4001 Rectifier diode
D2, D3, D4, D5, D6, D7, D8, D9 1N4148 or 1N914 Or similar small signal diode
T1, T2, T3, T4, T5, T6, T7, T8, T9, T10 2SC945 Or similar transistor
Q1 J201 / MPF102 / 2N5457 Many DSG JFET’s work here, or
others according to pinout
REG1 78L06 6v regulator
REG2 78L09 9v regulator
L1 47mH inductor Original DR55 uses 45mH **
IC1 LM324 Quad opamp
J3, J4, J5, J6, J7 Wire links Individual voice outputs ***
VR1 50K Accent level trimmer pot
VR2 10K Noise level trimmer pot
TONE 1MA Tone pot
VOLUME 10KA Volume pot
ACCENT 500KC Accent amount pot.
TRIG_IN 1, TRIG_IN 2, POWER PIN HEADERS You can use standard pin headers in
CONNECTIONS, OUTPUT any of these connections.

* The DR55 uses a 0.15uF tantalum cap here. There doesn’t seem to be a particular reason for this
choice, so we can only assume the original designer wanted to use a polarized cap but couldn’t get an
electrolytic with a value that small. Either an electrolytic or a tantalum will work fine, but a tantalum will
probably be a lot more difficult to get hold of these days.

** The DR55 uses a 45mH inductor in the Hi-Hat. These are virtually impossible to get hold of, but you
can substitute a 47mH, or even a 43mH one with no perceptible difference. The original part probably
had a tolerance of +/-20% of the stated value anyway, so 2mH off in either direction won’t make a
difference to the sound. A Bourns RLB0812-473KL or Murata 22R476C will do the job.

*** These links connect the output from each voice circuit to the mix bus. They have been provided as
links rather than permanent PCB traces to allow for easy modding for individual voice outputs. Pieces of
cutoff component leg can be used here. You should have plenty lying around.

Troubleshooting and adjustment:


If you are having problems, please check the following:

• Parts orientation: The electrolytic capacitors and the diodes need to be soldered in with the correct
orientation. The capacitors will have the negative pin marked on their body, and the positive pin marked
on the board. Diodes will have a band on one end of their body. This band is marked on the board image.
• Have you got the power the right way around and are you using the correct GND and +12V connections?
• Do you have the transistors the right way round? Is the FET at Q1 of the correct type?
• Are your trigger pulses the correct length? See the start of this guide for details.
• Check your soldering on any joints that connect to the ground plane on the rear of the board. These are
often more difficult to solder due to the heatsink effect of the ground plane itself.
• Have you shorted component legs together? This is very easy to do by accident when you are soldering in
several adjacent parts at the same time. If you have component legs bent across each other to hold parts
in place during installation, make sure that once you have soldered them in and cut off the excess leg, the
remaining legs are not in contact with each other. See the images below for details.

Crossed component legs during installation Shorted legs after soldering

• VR1 sets the difference between the normal and accented output levels. Theres no real right or wrong
way to set this, although the DR55 service manual does suggest you should adjust it to read 4.5v at the
junction between R75 and the VR1 wiper (middle pin). What we would recommend would be to turn the
accent pot to maximum and them play a pattern with accents while adjusting VR1 for best effect. Please
note that the effect of turning VR1 is delayed, so adjustments should be made by moving the trimmer and
then leaving the new value to settle for a few seconds before adjusting again.
• The noise level for the hat and snare sounds is adjusted using VR2. We'd recommend using a decent
quality trimmer for this as theres sometimes a fairly thin range of adjustment between the noise level
being too quiet, and it starting to resonate strangely.

If you need any further support or want to discuss any potential mods for this PCB, we have started a dedicated
CB55 board on our forum at: http://www.circuitbenders.co.uk/forum/index.php/board,32.0.html

You might also like