KEMBAR78
VHDL Xilinx Design Lab Using VHDL | PDF | Vhdl | Electronics
0% found this document useful (0 votes)
85 views11 pages

VHDL Xilinx Design Lab Using VHDL

The document outlines an assignment focused on designing an AND gate and an 8-bit counter using VHDL at the University of East London. It includes VHDL code for both the AND gate and the counter, along with test bench setups, simulation results, and circuit construction details. The assignment also discusses issues encountered during circuit construction and the successful implementation of hexadecimal displays connected to the counter.

Uploaded by

naseer
Copyright
© © All Rights Reserved
We take content rights seriously. If you suspect this is your content, claim it here.
Available Formats
Download as DOCX, PDF, TXT or read online on Scribd
0% found this document useful (0 votes)
85 views11 pages

VHDL Xilinx Design Lab Using VHDL

The document outlines an assignment focused on designing an AND gate and an 8-bit counter using VHDL at the University of East London. It includes VHDL code for both the AND gate and the counter, along with test bench setups, simulation results, and circuit construction details. The assignment also discusses issues encountered during circuit construction and the successful implementation of hexadecimal displays connected to the counter.

Uploaded by

naseer
Copyright
© © All Rights Reserved
We take content rights seriously. If you suspect this is your content, claim it here.
Available Formats
Download as DOCX, PDF, TXT or read online on Scribd
You are on page 1/ 11

UNIVERSITY OF EAST LONDON

Assignment Title: Xilinx Design lab using


VHDL

Module Code:
Module Name: Embedded Systems
spervisor: Andrew Chanerley

Submission date:

Aims:

• Design an AND gate interface and check if waveforms are correct

• Design an 8-bit counter interface and implement a hexadecimal display using VHDL
1. AND Gate

Program

The AND function is implemented with two inputs and one output. The following code represents
the function of the AND gate in VHDL, this is entered into the design window:

___________________________________________________________

LIBRARY ieee;

USE ieee.std_logic_1164.ALL;

ENTITY cct2 IS

PORT (

in0 : in STD_LOGIC;

in1 : in STD_LOGIC;

out1 : out STD_LOGIC);

END cct2;

ARCHITECTURE Behavioral OF cct2 IS

BEGIN

out1 <= (in0 and in1);

END Behavioral;

________________________________________________________

2.2 Test Bench: AND Gate

_________________________________________________________________

LIBRARY ieee;
USE ieee.std_logic_1164.ALL;

ENTITY tb_test1 IS

END tb_test1;

ARCHITECTURE behavior OF tb_test1 IS

COMPONENT my_and

PORT(

in0 : IN std_logic;

in1 : IN std_logic;

out1 : OUT std_logic

);

END COMPONENT;

signal in0 : std_logic := '0';

signal in1 : std_logic := '0';

signal out1 : std_logic;

BEGIN

uut: my_and PORT MAP (

in0 => in0,

in1 => in1,

out1 => out1

);

stim_proc: process

BEGIN

wait for 100 ns;

in0 <= '0' after 0 ns, '1' after 10 ns, '0' after 20 ns ;

in1 <= '0' after 0 ns, '1' after 15 ns, '0' after 25 ns ;
wait;

end process;

END;

_________________________________________________________________

Simulation

After the test bench code is complete, the waveform below in opened.

Figure1.1 Waveform of the AND Gate

It can be seen that the output pulse is gives logic 1 when both input are high and a 0 for any other
combination of input which proves the functioning of the AND gate

It can be seen on the waveform that the output occurred after 115 ns but the test bench code had a
wait command of 100ns. The 15ns is a propagation delay used to calculate the output

• Design of the 8 bits counter

• Main Programme

The counter was designed using Xilinx software. First a project was created, the code below was
entered and a check for syntax errors was operated.

Main VHDL Counter Programme


Library IEEE;

use IEEE.STD_LOGIC_1164.ALL;

use ieee.numeric_std.all;

use ieee.std_logic_arith.all;

entity leds8 is

GENERIC ( n: POSITIVE := 2**22);

Port ( clkin : in STD_LOGIC;

Clkout : out STD_LOGIC;

Leds : out STD_LOGIC_VECTOR (7 downto 0 7);

End leds8;

Architecture Behavioural of leds8 is

Begin

PROCESS(clkin)

VARIABLE count : INTEGER RANGE 0 TO n;

Variable counter : integer range 0 to 255;

BEGIN

IF(clkin’EVENT AND clkin=’1’) THEN

Count:=count +1;

IF (count=n/2) THEN

Clkout <=’1’;

ELSIF(count=n) THEN

Clkout <=’0’;

Count:=0;

Counter:=counter+1;

Leds <= conc_std_logic_vector(counter,8);

END IF;
END IF;

END PROCESS;

End behavioural;

• Test Bench File

The main counter programme was checked then a new source file was created. The test bench code
was entered, saved and checked for syntax. The test bench code below was given.

Test –bench code


LIBRARY ieee:

USE ieee.std_logic_1164.ALL;

ENTITY tb_leds8 IS

END tb_leds8;

ARCHITECTURE behaviour OF tb_leds8 IS

COMPONENT leds8

PORT( clkin : IN std_logic;

clkout:OUT STD_logic;

leds : OUT std_logic vector(7 downto 0 ));

END COMPONENT;

signal clkin : std_logic :=’0’;

signal clkout : std_logic;

signal leds : std_logic_vector(7 downto 0);

constant clkin_period : time:=125 ns;

BEGIN
Uut: leds8 PORT MAP(

clkin => clkin,

clkout => clkout,

leds => leds

);

Clkijn_process :process

Begin

Clkin <= ‘0’ ;

Wait for clkin_period/2;

Clkin <=’1’:

Wait for clkin_period/2;

End process;

Stim_proc: process

Begin

Wait for 100ns;

END;

• Pins Allocation and Simulation

This code allocates the FPGA pins and set them to the 8 leds or hex-displays and will enable the
board to send the right information to the leds.

#harwire pins

Net “clkin” LOC = P32;

Net “clkin” iostandard =lvcmos33;

Net “clkout” LOC = P90;

Net “clkout” iostandard =lvcmos33;

Net “leds<0>” LOC = P2;


Net “leds<0>” iostandard =lvcmos33;

Net “leds<1>” LOC = P3;

Net “leds<1>” iostandard =lvcmos33;

Net “leds<2>” LOC = P4;

Net “leds<2>” iostandard =lvcmos33;

Net “leds<3>” LOC = P5;

Net “leds<3>” iostandard =lvcmos33;

Net “leds<4>” LOC = P9;

Net “leds<4>” iostandard =lvcmos33;

Net “leds<5>” LOC = P10;

Net “leds<5>” iostandard =lvcmos33;

Net “leds<6>” LOC = P11;

Net “leds<6>” iostandard =lvcmos33;

Net “leds<7>” LOC = P12;

Net “leds<7>” iostandard =lvcmos33;

Behavioural Simulation: After All the steps above are completed, the work is saved and checked for
errors. In case of an error, a dialogue box will show the line in which there is a problem. When this is
done, the simulation button is pressed and this will change the design panel at the bottom left panel.
The errors are checked by pressing the Behavioural Check Syntax button and if there is not any, the
simulation can be operated by clicking on Simulate Behavioural Model. This invokes the simulator
with the waveform of the counter. The duration of the simulation is changed to any time between
3ms and 5ms. The page invoked can be seen below on figure 1.3
Figure 2 Simulation of the 8-bit Counter

After the counter is proven to work, the code is configured and can then be downloaded into the
FPGA. The file downloaded into the FPGA is located in the project folder has the extension .bin.

• Circuit construction

The file is sent into a memory card which is then connected to the FPGA board. The 8 leds are
connected to the board as seen on figure 3.1 and after the board is power on, the count starts and
operates the increment from 00000000 to 11111111.

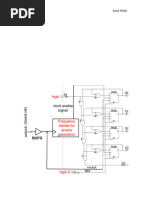
• Hexadecimal display

Procedure

After the 8-bit counter works correctly, the hexadecimal displays can then be connected to count
from 00 to FF. Figure 3 show the circuit connection and pin allocations of each additional device
need to complete the hexadecimal display. The pins which were connected to the leds are
connected to line driver chip inputs (74LS244). Its output go into two hexadecimal ICs, The circuit is
then powered and should work normally
Figure 3.1 Circuit enabling the 8 leds count and hex-displays

Problems encountered

Due
to the complexity of the circuit and the use of wires, the circuit I build did not count properly. I
looked for the mistake but could not identify it. It could have been a bad bin connection or a loose
wire. A new circuit board including hex-displays and not requiring wires was then distributed. The
code was inserted into the FPGA again and it worked correctly this time. Figure 3.2 shows the
pictures of the new board operating.
Figure 3.2 hex-displays counting

You might also like