KEMBAR78
S6100 Connection | PDF | Manufactured Goods | Electronic Engineering
0% found this document useful (0 votes)
77 views1 page

S6100 Connection

Uploaded by

senenh
Copyright
© © All Rights Reserved
We take content rights seriously. If you suspect this is your content, claim it here.
Available Formats
Download as PDF, TXT or read online on Scribd
0% found this document useful (0 votes)
77 views1 page

S6100 Connection

Uploaded by

senenh
Copyright
© © All Rights Reserved
We take content rights seriously. If you suspect this is your content, claim it here.
Available Formats
Download as PDF, TXT or read online on Scribd
You are on page 1/ 1

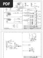
DANGER!

F/V CTRL. DISABLE

C/B CLOSE BLOCK


HIGH VOLTAGE

SPEED (TOGGLE)
C/B CLOSE (ND)

VOLT (TOGGLE)
C/B TRIP (ND)

ALARM (NE)
BUS BAR
L1

UNLOAD

FREQ IN
VOLT. IN

ENGINE FAILED
ENGINE START
L2

ENGINE STOP
L3

OFF DUTY
DB OUT*
N

DB IN*

COM
L1 L2 L3 N 1 2 3 4 5 1 2 3 4 5 6 1 2 3 4 5 6 7 8 9 1 2 3 4 5 6 7

VOLTAGE INPUTS I/O C/B RELAY CONTACTS ENGINE I/O

VOLTAGE PHASE UNLOAD C/B C/B C/B + - + - ALARM


OK OK BLOCK CLOSE TRIP SPEED VOLT

Top Deck
G S/LS MODULE S6100
plug-in connectors

PRIMARY BACKUP
SUPPLY SUPPLY MANUAL

POWER SUPPLY SYNC ANALOG OUTPUTS MANUAL I/O & GND PAR LINES RS485 CAN BUS

1 2 3 4 1 2 3 1 2 3 4 5 6 7 8 1 2 3 4 5 6 1 2 3 1 2 3 1 2 3 4 5

RS485 REF
A
B

COM
CAN L

CAN H
mA

mA
+
-

+
-

A
B
COM

VDC

PWM
REF
VDC

PWM
REF

MANUAL CTRL
SPEED INCR.
SPEED DECR.
VOLT INCR.
VOLT DECR.
COM

kW BALANCE
COM
kVAr BLANACE
PRIMARY
SUPPLY

BACKUP
SUPPLY

* The DB IN and DB OUT terminals (Dead Bus handshake signals) on each and every S6100
SYNC.

ANALOG OUTPUT 1

ANALOG OUTPUT 2

must be connected to a common connection point. The wires must be drawn form each individual
terminal to the common connection point (star pattern). All wires used to connect DB IN and
DB OUT must be of equal length.

SELCO SIGMA S6100


S/LS MODULE
Connections
Subject to change without notice

You might also like